汽车加油站分类标准
- 格式:doc
- 大小:21.50 KB
- 文档页数:3
加油站分级标准2023您知道吗?加油站分级可不是随随便便就定下来的呢。
这就像是给加油站们分个小帮派似的。
为啥要分级呀?其实就是为了让咱老百姓加油的时候心里更有数。
这分级标准啊,就像一场大考的分数一样。
那些等级高的加油站呢,就像是班里的学霸。
它们在很多方面都做得特别棒。
比如说安全方面,那可是一丝不苟的。
从油库的储存到加油枪的操作,每一个环节都像被放大镜检查过一样。
工作人员也是训练有素,就像超级英雄一样守护着加油站的安全。
再说说服务这一块。
等级高的加油站那服务真叫一个贴心。
您一进去,工作人员就像迎接贵宾一样,脸上笑开了花。
加油的时候手脚麻利,还会给您的车做个小检查,看看轮胎气足不足呀,玻璃脏不脏呀。
就像您的车在那里享受了一次VIP待遇。
还有油品质量。
这可是加油站的灵魂所在啊。
等级高的加油站的油就像精心酿造的美酒一样纯正。
加到车里,您的车跑起来都更带劲,像是吃了大力水手的菠菜。
那些等级稍微低一点的加油站呢,也不是说不好,就像是正在努力进步的学生。
它们也在按照标准努力改进呢。
也许是设备还不够新,或者服务还有点小瑕疵。
但是它们也在加油(哈哈,这个加油是真的加油,也是努力的意思啦)。
对于咱们消费者来说,这个分级标准就像是一个导航。
我们可以根据这个标准去选择自己喜欢的加油站。
如果您是个特别在意服务和油品质量的人,那您就奔着等级高的加油站去。
要是您觉得只要油没问题,价格实惠就行,那也可以考虑等级稍低一些的加油站。
加油站分级标准2023年的出台,其实就是让整个加油站行业变得更加规范有序。
就像一场比赛有了明确的规则一样,大家都在这个规则下好好表现。
这样一来,咱们消费者也受益,加油站也能不断进步。
您看,这是不是一件特别棒的事儿呢?反正我觉得这个分级标准就像一阵春风,吹得整个加油站的世界都更加生机勃勃啦。
而且啊,这个标准也在不断地与时俱进。
它会根据市场的变化、科技的发展还有咱们消费者的需求不断调整。
就像一个会成长的小树苗一样,慢慢地变得更加完善。
三级加油站标准
三级加油站是指按照国家相关标准建设的加油站,其主要服务对象是周边居民
和车辆。
为了确保三级加油站的安全、便利和环保性,必须严格按照相关标准进行建设和管理。
下面将详细介绍三级加油站的标准要求。
首先,三级加油站的选址必须符合相关规定,距离居民区、学校、医院等人口
密集地和易燃易爆场所要有一定的安全距离。
同时,选址还需要考虑到便利性和交通情况,确保车辆进出加油站的顺畅。
其次,加油站的建设必须符合相关的规范,包括场地平整、排水系统完善、建
筑物结构牢固等。
加油站周边还需设置防火墙和安全通道,以应对突发情况。
加油站的设施设备也需要符合标准要求,包括储油罐、加油机、防静电设施等,必须经过严格的安全检测和定期维护。
此外,加油站的管理和服务也是至关重要的。
加油站必须配备专业的员工,他
们需要经过相关培训,了解应对突发情况的方法,确保加油站的安全运营。
同时,加油站还需要提供良好的服务,包括加油、清洗、轮胎充气等,以满足车主的需求。
最后,加油站的环保工作也是不可忽视的。
加油站需要配备油气回收设施、废
水处理设备等,确保不会对周边环境造成污染。
综上所述,三级加油站的标准要求涉及选址、建设、设施设备、管理和环保等
多个方面,必须严格按照相关规定执行。
只有这样,才能确保加油站的安全、便利和环保性,为周边居民和车辆提供更好的服务。
加油站安全监管分类标准(一)加油站分类根据加油站安全条件及安全风险程度,将全市加油站分为A、B、C三类,分别表示为“优秀”、“良好”、“一般”。
(二)加油站分类标准根据《汽车加油加气站设计与施工规范》(GB50156,2006版,以下简称GB50156)、《危险化学品从业单位安全标准化通用规范》(AQ3013-2008)和全市加油站现场安全情况,划分以下分类标准。
1、A类加油站(同时具备下列条件):(1)取得危险化学品安全生产标准化三级证书,持续运行2年(含)以上,申请安全生产标准化三级达标企业评审得分在90分(含)以上的加油站。
(2)加油站重要设施(油罐、加油机和通气管管口)与站外建、构筑物的防火安全距离符合GB50156要求的,或已安装HAN阻隔防爆装置的加油站。
(3)安全生产管理基础扎实,安全管理体系健全(包括:安全生产责任制、安全管理机构和专职安全管理人员、安全管理制度、安全操作规程、事故应急救援预案、人员培训及持证上岗、安全检查及隐患排查、设置摩托车加油点、安全警示标志等),现场安全设施设备完好,安全事故风险控制能力较强的加油站。
(4)经营2年(含)以上,未发生生产安全事故,未被检查发现有安全生产不良行为,未受安全生产行政处罚的加油站。
本次A类加油站分类以第(2)、(3)、(4)三项内容为划分依据,第(1)项内容待企业申请晋级和下一轮划分时实行。
2、B类加油站(同时具备下列条件):(1)取得危险化学品安全生产标准化三级证书。
(2)加油站重要设施(油罐、加油机和通气管管口)与站外建、构筑物的防火安全距离符合GB50156要求的。
(3)加油站所处区域人员流动较多但未达到人员密集场所条件的。
(4)经营1年(含)以上,现场安全管理规范,未发生生产安全事故、未被检查发现有安全生产不良行为、未受安全生产行政处罚的加油站。
3、C类加油站(具备下列条件之一):(1)加油站重要设施(油罐、加油机和通气管管口)与站外建、构筑物的防火安全距离不符合GB50156要求。
一二三级加油站分类标准
一二三级加油站分类标准如下:
一级加油站:一级加油站是指具备完善的服务设施和设备,站内设有自助支付系统,提供高质量的汽车加油服务的加油站。
一级加油站常常位于交通繁忙的主干道附近或高速公路沿线,主要为长途出行的车辆提供便利。
二级加油站:二级加油站是指设有基本的服务设施和设备,提供标准化汽车加油服务的加油站。
二级加油站通常位于城市的主要道路或省级公路旁边,主要为城市居民和短途出行车辆提供加油服务。
三级加油站:三级加油站是指设施相对简单,服务相对有限的加油站。
三级加油站通常位于市区内的较小路段或乡村地区,主要为当地居民和周边地区的车辆提供基本的汽车加油服务。
以上是一二三级加油站的分类标准,不涉及任何网址、超链接和电话。
加油站是专门为汽车和其它机动车辆服务的、零售汽油和机油的补充站。
按照国民经济行业分类,加油站属于F门类,批发和零售业。
一般来说,加油站主要提供的服务包括:为机动车辆添加燃料油、润滑油等,通常使用的燃料包括汽油、柴油、煤油等。
加油站的出现极大地方便了人们的出行和生活,同时也推动了相关行业的发展。
然而,加油站也存在一定的安全隐患,如火灾、爆炸等事故。
因此,在加油站建设和运营过程中,需要严格遵守相关规定和标准,确保安全、环保、节能等方面得到充分保障。
按照国民经济行业分类,加油站属于批发和零售业中的“石油及制品批发”和“汽车摩托车修理与维护”两个小类。
具体来说,“石油及制品批发”是指专门从事石油及制品批发业务的流通业,“汽车摩托车修理与维护”则是指对汽车、摩托车进行修理、维护、保养等服务。
这两个小类都是与加油站相关的行业分类。
此外,在产业结构调整指导目录中,加油站也属于油气行业的一部分。
油气行业包括石油、天然气、煤层气的勘探、开发、生产及储运等环节。
因此,加油站作为油气行业的一部分,也需要符合相关的产业政策和标准。
总的来说,加油站国标行业分类主要是根据其业务性质和服务对象来确定的。
在国民经济行业分类中,加油站属于批发和零售业中的“石油及制品批发”和“汽车摩托车修理与维护”两个小类。
同时,在产业结构调整指导目录中,加油站也是油气行业的一部分。
无论是从业务性质还是服务对象来看,加油站都是与汽车、摩托车等交通工具相关的行业,其发展也必然会受到相关政策和标准的影响。
在未来,随着新能源汽车的普及和发展,加油站也需要不断适应市场需求的变化,提供更加多元化、个性化的服务。
例如,除了传统的汽油和柴油外,还可以提供新能源燃料如液化石油气(LPG)、压缩天然气(CNG)、电动汽车充电桩等。
这些新业务领域也将成为加油站发展的重要方向之一。
一二三级加油站分级标准(一)一二三级加油站分级标准背景介绍随着中国经济的发展和汽车保有量的逐年增加,加油站行业也逐渐成为支撑国民经济发展的基础产业之一。
为了规范加油站行业,国家相关部门制定了一二三级加油站分级标准。
分级标准1.一级加油站(1)应为油品销售量、服务质量、保安措施等方面严格按照规定要求的加油站;(2)规模应达到当地油品市场60%的销售规模;(3)应达到当地政府相关行业管理规定的要求。
2.二级加油站(1)应保证服务质量、严格按照规定要求设置安全保卫措施;(2)规模应达到当地油品市场50%的销售规模;(3)应达到当地政府相关行业管理规定的要求。
3.三级加油站(1)应保证油品销售质量及服务质量;(2)规模应达到当地油品市场40%的销售规模;(3)应达到当地政府相关行业管理规定的要求。
分级标准的意义一二三级加油站分级标准的实施,能有效规范加油站行业的经营行为,提升加油站的管理水平、服务质量与安全保卫措施,加强油品质量的监管,提高道路交通运行效率,推动经济发展和保证交通安全,从而对于发展全国经济起到非常重要的作用。
结论一二三级加油站分级标准的出台,为保证加油站行业的合理竞争和规范经营打下坚实的基础。
我们应当认真学习标准,切实贯彻执行,推动加油站行业健康发展,为经济发展作出应有的贡献。
一二三级加油站的区别一级加油站作为最高等级的加油站,它所经营的油品销售量要求是所有等级中最高的,也意味着它的规模要比其他等级高。
此外,一级加油站的安全保卫措施和服务质量也要遵照加油站分级标准的相关要求。
相比之下,二级和三级加油站的油品销售量和规模要求较低,但同样需要遵守安全保卫措施和服务质量等方面的标准。
加油站经营所面临的挑战尽管加油站分级标准能够规范加油站经营行为、提升服务质量和安全保卫措施,但加油站经营者面临的局面仍然不容乐观。
竞争激烈和利润薄弱等因素直接影响着加油站经营者的经营水平和盈利能力,一些不法商家可能出于追求高额利润而做出一些不符合标准的行为,也需要加强监督,加强执法。
国家一二三级加油站建设标准
一、概述
加油站是指专门售卖石油产品的场所,其建设标准涉及到环境保护、安全生产、消费者权益等多方面因素。
根据不同需求,国家根据加油站规模、地理位置、服务功能、设施设备等方面的差别,将加油站分为一级、二级、三级三种等级。
二、地理位置
1、一级加油站应建在离市区较远的公路沿线或高速公路出入口处;
2、二级加油站应建在离市区较近的交通要道处;
3、三级加油站应建在市区繁华商业街、工业区或住宅区较密集的地方。
三、场地面积
1、一级加油站场地面积应不小于5000m²,其中不少于2000m²需用于生产、存放和加油等作业;
四、建筑面积
1、一级加油站遮盖面积应不小于400m²,包括加油服务大厅、洗车间、维修间和管理房间等;
五、油罐容量
1、一级加油站油罐容量应不小于10吨;
六、消防设备
1、一级加油站应设置火灾警报器、自动灭火装置、消防水源等设备;
七、环境保护
1、一、二、三级加油站均应按照国家环保标准设置油气回收和处理装置;
八、安全生产
1、一级加油站应设置各类保安设施,建立严格的管理制度和应急预案;
九、服务功能
1、一级加油站应提供加油、洗车、维修等服务,且应设立配件销售、汽车租赁、旅游咨询等服务窗口;
3、三级加油站应提供加油、洗车等基本服务。
以上便是国家一二三级加油站建设标准的详细要求。
加油站的建设不仅要遵循国家的规定,更要考虑到环保、消费者权益、安全生产等多重因素,为广大消费者提供安全、便捷、高效的服务,这是加油站行业发展的关键。
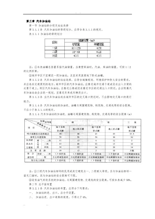
第三章汽车加油站第一节加油站的分级及站址选择第3.1.1条汽车加油站的等级划分,应符合表3.1.1的规定。
表3.1.1 加油站的等级划分注:①本表油罐总容量系指汽油储量。
当兼营柴油时,汽油、柴油的储量,可按1∶2的比例折算。
②城市市区不宜建设一级加油站,且宜采用直埋地下卧式油罐。
第3.1.2条汽车加油站的站址选择,应符合城镇规划、环境保护和防火安全的要求,并应选在交通便利的地方。
城市市区的汽车加油站,应靠近城市交通干道或设在出入方便的次要干道上。
郊区汽车加油站,应靠近公路或设在靠近市区的交通出入口附近。
企业附属汽车加油站由企业统一规划,宜靠近车库或车辆进出口。
第3.1.3条当汽车加油站选在城市市区的交叉路口附近时,不应影响交叉路口的通行能力。
第3.1.4条汽车加油站的加油机、油罐与周围建筑物、构筑物、交通线等的安全距离,不应小于表3.1.4的规定。
表3.1.4 汽车加油站的加油机、油罐与周围建筑物、构筑物、交通线等的安全距离(m)注:①三级汽车加油站相邻的民用或其它建筑为一、二级耐火等级,且与加油站相邻一面无门窗时,其与加油站的安全距离可不限。
②设有油气回收系统的加油站,与周围建筑物、交通线的安全距离,可按本表减少50%。
第二节总平面布置第3.2.1条汽车加油站的布置,应符合下列要求:一、加油站的进、出口,应分开设置。
二、加油站进、出口道路的坡度,不得大于6%。
三、当油泵房、消防器材间与站房合建时,应单独设门,且应向外开启。
第3.2.2条汽车加油站的各主要建筑物、构筑物之间的安全距离,不应小于表3.2.2的规定。
表3.2.2 汽车加油站的各建筑物、构筑物之间的安全距离(m)注:①站房包括:营业室、值班休息室、卫生间、储藏间等。
②其它建筑物、构筑物系指根据需要设置的汽车洗车房、加润滑油间和零售油品间等。
③直埋地下卧式油罐与站房无门窗的实体墙一侧的安全距离,可不限。
④加油机或油泵房与非实体围墙的安全距离不得小于5m,与实体围墙的安全距离可不限。
加油站、加气站、加油加气站的等级分类划分?
⑴加油站:
油罐容积/m3
级别
总容积单罐容积
一级150<V≤210≤50
二级90<V≤150≤50
汽油罐≤30,柴油罐三级V≤90
≤50
⑵LPG加气站:
LPG罐容积/m3
级别
总容积单罐容积
一级45<V≤60≤30
二级30<V≤45≤30
三级V≤30≤30
⑶CNG加气站:
压缩天然气加气站储气设施的总容积应根据加气汽车数量、每辆汽车加气时间、母站服务的子站的个数、规模和服务半径等因素综合确定。
在城市建成区内,CNG加气母站储气设备的总容积不应超过120m3;CNG常规加气站储气设备的总容积不应超过30m3;CNG加气子站停放的车载储气瓶组
拖车不应多于1辆,站内固定储气设施的总容积不应超过18m3。
若CNG加气子站内无固定储气设施,站内可停放两辆车载储气瓶组拖车。
⑷加油和LPG加气合建站:
合建站等级储罐容积/m3LPG储罐总容积/m3
LPG储罐总容积与油
品储罐总容积合计/m3
一级V≤45120<V≤180二级V≤3060<V≤120三级V≤20V≤60
⑸加油和CNG加气合建站:
级别
油品储罐总容积
/m3常规CNG加气
站储气设施总
容积/m3
加气子站储气设施/m3
一级90<V≤120
V≤24
固定储气设施总容积≤12可停放1辆车载储气瓶组拖车
二级V≤90
三级V≤60V≤12
可停放1辆车载储气瓶
组拖车。
加油站0区1区2区划分标准(一)加油站0区1区2区划分标准随着汽车行业的不断发展,加油站也越来越普及。
为了方便加油站的管理以及满足不同车辆的需求,加油站被划分为0区、1区和2区。
下面我们来详细了解一下这三个区域的划分标准。
0区0区是指加油站里离油罐距离最远的区域,通常用于加注汽油或柴油。
0区的主要特点如下:•油品质量好,适用于所有车辆。
•离油罐越远油品油品的流速越慢,0区的油枪流速较慢,加油时间较长。
•由于距离油罐较远,所以0区离油罐的高度一般都比1区和2区低。
1区1区是指加油站里离油罐中心较近的区域,主要用于加注汽油或柴油。
1区的主要特点如下:•油品质量优秀,适用于大部分车辆。
•由于距离油罐较近,因此油罐的流速较快,加油时间短。
•1区一般会与高速公路、干线路口相连,方便车辆进出。
2区2区是指加油站里离油罐最近的区域,主要用于加注高品质的汽油或柴油,例如无铅汽油。
2区的主要特点如下:•油品质量最好,适用于高档车辆。
•离油罐最近,油罐的流速最快,加油时间最短。
•2区一般设在加油站的侧面或角落,难度较大。
以上就是加油站0区、1区、2区的划分标准,每个区域的特点不同,车主们可以根据所需的油品选择相应的区域加油。
如何选择合适的加油区域根据车主所需的油品质量和加油时间,选择合适的加油区域可以帮助车主更快更便捷地完成加油。
大体上来说,如果车主没有特殊的要求,可以选择1区进行加油,因为1区在油品质量和流速方面都有不错的表现。
如果车主有较高的燃油质量要求,可以选择2区,但加油时间可能会需要稍微长一些。
而如果车主需要加注非常低质量的燃油,可以选择0区,但流速会比较慢,加油时间可能会相对更长。
加油站工作人员也需要了解0区、1区、2区加油站建议在员工培训中加入课程:如何合理分配不同区域的加油任务。
比如在繁忙时段,应该优先为车主提供1区的服务,减少等待时间。
而在知道车主需要加注高档燃油时,应该将车主引导至2区,并协助车主快速完成加油操作。
加油站的等级划分标准加油站是我们生活中常见的设施,它们为我们的汽车提供了燃料,使我们的出行更加便利。
然而,随着社会的发展,加油站的等级也有所不同。
那么,究竟如何划分加油站的等级呢?下面我们就来详细了解一下加油站的等级划分标准。
首先,我们需要了解的是,加油站的等级划分主要是根据其服务质量、设施设备、环境卫生等方面来进行评定的。
一般来说,加油站的等级可以分为普通加油站、标准加油站和高级加油站三个等级。
普通加油站是指基本的加油服务设施,其主要特点是提供基本的汽油、柴油等燃料,并具备简单的加油设备和服务人员。
这类加油站通常面积较小,设施简陋,服务质量一般。
对于一些临时需要加油的车辆来说,普通加油站可以满足基本需求,但在服务质量和设施设备方面相对较差。
标准加油站则是在普通加油站的基础上进行了升级和改进。
它们通常拥有更加完善的加油设备和服务设施,提供更加多样化的燃料选择,并且服务人员的专业水平较高。
此外,标准加油站的环境卫生和安全设施也更加完善,能够为车辆提供更加全面的服务保障。
因此,相比普通加油站,标准加油站在服务质量和设施设备方面都有了较大的提升。
最后,高级加油站则是在标准加油站的基础上进行了更加全面和深入的升级。
这类加油站通常拥有最先进的加油设备和技术,提供最丰富的燃料选择,同时还会提供更多的便利服务,如洗车、维修等。
高级加油站的服务人员素质和服务水平也是相当高的,能够为车主提供更加个性化和专业化的服务。
此外,高级加油站的环境卫生和安全设施也是最为完善的,能够为车辆的安全和舒适出行提供全方位的保障。
总的来说,加油站的等级划分主要是根据其服务质量、设施设备、环境卫生等方面来进行评定的。
普通加油站提供基本的加油服务,标准加油站在此基础上进行了升级和改进,而高级加油站则是在标准加油站的基础上进行了更加全面和深入的升级。
不同等级的加油站在服务质量和设施设备方面都存在一定的差异,因此在选择加油站时,我们可以根据自己的需求和实际情况进行选择,以便能够得到更加满意的加油服务。
加油加气站简介
1、加油站充装种类:汽油柴油
2、加气站充装种类:压缩天然气CNG
液化天然气LNG
液化石油气LPG
3、汽车加油站分类标准
汽车加油站主要是为各类机动车辆加汽油、轻柴油的专门场所,一般由地下储油罐、加油机和管理室三部分组成,有的还设有为汽车加机油、润滑油和库房等附属设施。
场地占地最少5亩。
根据其容量大小,汽车加油站分为三级:
一级站:油罐总容量为121 m3-180 m3,单罐容量不大于50 m3;
二级站:油罐总容量为 61 m3-120 m3,单罐容量不大于50 m3;
三级站:油罐总容量为60 m3以下,单罐容量不大于30 m3。
加油站油罐的总容量是指汽油的储存量。
当加油站兼营柴油时,汽油、柴油的储量可按1:2的比例折算。
(城市市区不宜建设一级加油站,且宜采用直埋地下卧式油罐。
)
4、加气站是为燃气汽车储气装置充装车用压缩天然气的专门场所。
主
要设备包括:气体干燥器(国内设备)、压缩机组、储气瓶组、加气装置等。
一般分为天然气管道加气站,运输撬车加气站。
5、加油和压缩天然气CNG加气合建站的等级划分,应符合下表的规定。
*加油站GB50156-2012新规范:(按汽油油罐容积计算)
一级加油站油罐总容积为151m3~210m3
二级加油站油罐总容积为91m3~150m3
三级加油站油罐总容积为不大于90m3。
加油站等级划分标准加油站作为汽车驾驶者出行中不可或缺的基础设施,其等级划分标准对于消费者选择加油站、保障行车安全和提升服务质量都具有重要意义。
下面将就加油站等级划分标准进行详细介绍。
首先,加油站的等级划分主要包括以下几个方面,地理位置、设施设备、服务质量、油品种类和价格等。
地理位置是指加油站所处位置的交通便利程度和周边环境情况。
设施设备包括加油机、加油枪、加油站内部环境和便利设施等。
服务质量则是指加油站员工的服务态度、加油效率、支付方式和售后服务等。
油品种类和价格则是消费者选择加油站的重要考量因素之一。
其次,根据以上方面的不同标准,可以将加油站等级划分为三个级别,一级加油站、二级加油站和三级加油站。
一级加油站地理位置优越,设施设备齐全,服务质量高,油品种类齐全且价格适中。
二级加油站地理位置一般,设施设备较为简单,服务质量一般,油品种类较为齐全但价格略高。
三级加油站地理位置偏僻,设施设备简陋,服务质量较差,油品种类有限且价格偏高。
再次,消费者在选择加油站时,可以根据自身需求和行车路线对加油站进行合理选择。
如果是长途自驾旅行或者城市内通勤,可以选择一级加油站,以保障行车安全和加油质量。
如果是临时加油或者在城市周边道路行驶,可以选择二级加油站,既方便又经济。
而如果是偏远地区或者紧急情况下,只能选择三级加油站,但需谨慎对待,以免影响行车安全和车辆性能。
最后,加油站等级划分标准的制定和落实需要相关部门和企业共同努力,以保障消费者的权益和行车安全。
同时,消费者在选择加油站时也应理性消费,根据实际情况进行合理选择,避免因为价格低廉而牺牲了加油质量和行车安全。
综上所述,加油站等级划分标准对于消费者、加油站经营者和相关部门都具有重要意义。
只有建立科学合理的加油站等级划分标准,才能更好地保障消费者的权益,提升加油站的服务质量,促进行车安全和交通便利。
希望相关部门和企业能够共同努力,完善加油站等级划分标准,为消费者提供更优质的加油服务。
一汽车加油站分类标准汽车加油站主要是为种类机动车辆加汽油、轻柴油的专门场所,一般由地下储油罐、加油机和管理室三部分组成,有的还设有为汽车加机油、润滑油和库房等附属设施。
汽车加油站容量越大,火灾危险性越大。
根据其容量大小,汽车加油站分为三级:一级站:油罐总容量121 m3-180 m3,单罐容量不大于50 m3;二级站:油罐总容量61 m3-120 m3,单罐容量不大于50 m3;三级站:油罐总容量为60 m3以下,单罐容量不大于30 m3。
加油站油罐的总容量是指汽油的储存量。
当加油站兼营柴油时,汽油、柴油的储量可按1:2的比例折算。
城市市区不宜建设一级加油站,且宜采用直埋地下卧式油罐二加油站爆炸当量XX加油站有15m30#柴油罐1个,15m393#汽油罐1个,以及7m397#汽油罐1个,均埋地敷设,由于加油站储油罐埋地敷设,爆炸时周围土壤要吸收一部分能量,因此采用G·M莱克霍夫计算方法进行分析,根据危险最大化原则,对处于同一罐区的汽油罐进行统一计算,即汽油总储量为22m3。
爆炸能量(TNT)当量计算汽油罐发生爆炸时放出的能量与油品储量以及放热性有关:QTNT=υ·V·ρ·HC/qTNT式中:QTNT:TNT当量为kg;υ:蒸汽云当量系数,通常取0.04;V:储罐的公称容积,22m3;ρ:油品比重,取0.74×103kg/m3;HC:油品的最大发热量,43.73kJ/kg;qTNT:TNT爆炸时所释放出的能量,一般取其平均值4500kJ/kg。
故:QTNT =0.04×22×0.74×103×43.73/4500=6.33kgG·M莱克霍夫计算公式G•M莱克霍夫经过沙质粘地中实验得出的冲出波超压与距离之间关系式为:3 3 0.8( ) TNT RPQ转换为:3 18.0PQRTNT式中P:爆炸冲击波超压,MPa;R:爆炸中心到所研究点的距离,m;QTNT当量为kg。
加油站国标行业分类
加油站是指为汽车、摩托车等机动车提供燃油和其他相关服务的场所。
根据国标行业分类,加油站属于“道路运输与运输设备维修业”下的“汽车燃料零售业”类别。
在城市中,我们经常可以见到各种各样的加油站。
它们通常位于交通要道附近,为车辆提供便利的加油服务。
不同的加油站可能提供不同的燃料类型,例如汽油、柴油、天然气等。
为了满足不同车辆的需求,加油站通常会配备多种类型的油枪和油箱。
加油站的设计和布局也是经过精心考虑的。
一般来说,加油站会设置在宽敞的场地上,以便车辆进出。
在加油站内部,通常会设置一块大型的广告牌,用来宣传加油站的服务和优惠活动。
此外,加油站还会设置一些基础设施,如洗车区、停车位和便利店等。
这些设施和服务的提供,旨在给车主提供便利和舒适的体验。
加油站的运营也需要一定的技术和管理。
为了确保加油过程的安全和准确性,加油员会接受专门的培训,并严格按照操作规程进行工作。
在加油过程中,加油员需要注意防火、防爆等安全事项,以保障加油站和车辆的安全。
随着科技的发展,越来越多的加油站开始引入自动化技术。
例如,一些加油站使用自助加油设备,车主可以通过刷卡或扫码等方式进行加油,提高了加油效率和便捷性。
此外,一些加油站还提供在线
支付、积分兑换等服务,为车主提供更多选择和便利。
总的来说,加油站在我们的日常生活中扮演着重要的角色。
它们不仅为车辆提供燃料,也为车主提供了便利和舒适的服务。
随着社会的进步和科技的发展,相信加油站的服务会越来越完善,为我们的出行提供更好的支持。
加油站等级划分标准加油站作为汽车驾驶者在路途中不可或缺的设施,其等级划分标准对于消费者选择加油站具有重要意义。
在我国,加油站的等级划分主要包括三个方面,服务质量、设施设备和油品质量。
下面将分别从这三个方面来介绍加油站等级划分的标准。
首先,服务质量是衡量加油站等级的重要标准之一。
优质的服务可以给消费者带来良好的加油体验。
在评定加油站服务质量时,可以从员工礼貌、服务态度、服务速度、服务效率等方面进行评估。
一个优质的加油站应当有热情周到的服务员,能够及时为消费者提供所需的服务,同时还能够提供一些额外的服务,比如为车辆加注免费气体、清洗挡风玻璃等。
此外,加油站的环境整洁度也是评定服务质量的重要指标之一。
一个等级较高的加油站应当保持整洁、有序的环境,给消费者一个良好的加油体验。
其次,设施设备也是评定加油站等级的重要标准之一。
设施设备的好坏直接关系到加油站的服务质量和消费者的体验。
在设施设备方面,可以从加油站的加油机、油枪、加油站的便利店、卫生间等方面进行评估。
加油机的性能稳定性、加油速度、加油枪的灵活性、便利店商品种类和质量、卫生间的清洁度等都是评定设施设备的重要指标。
一个等级较高的加油站应当配备先进的加油设备,便利店应当提供各种便利商品,卫生间应当保持干净整洁。
最后,油品质量也是评定加油站等级的重要标准之一。
油品的质量直接关系到车辆的性能和使用寿命,因此消费者在选择加油站时往往会优先考虑油品的质量。
在评定油品质量时,可以从油品的种类、品牌、质量检测等方面进行评估。
一个等级较高的加油站应当提供多种类型的油品,且油品应当来自正规的供应商,通过严格的质量检测。
综上所述,加油站的等级划分标准主要包括服务质量、设施设备和油品质量三个方面。
消费者在选择加油站时可以根据这些标准来进行评估,以便选择到合适的加油站,为自己的车辆选择到优质的油品,获得良好的加油体验。
希望各加油站在提升自身服务水平的同时,也能够不断提高加油站的等级,为广大消费者提供更加优质的服务和更加优质的油品。
第4篇其他建筑、场所防火★第5章加油加气站防火★第一节加油加气站的分类分级★二、加油加气站的等级分类汽车加油加气站根据其储油罐、储气罐的容积划分为不同的等级。
(一)汽车加油站的等级分类汽车加油站按站中汽油、柴油储存罐的容积规模划分为三个等级。
加油站的等级划分见表4-5-1。
表4-5-1 加油站的等级划分级别油罐容积/m3总容积单罐容积一级 150<V≤210 V≤50二级 90<V≤150 V≤50三级 V≤90 汽油罐 V≤30,柴油罐 V≤50 (二)LPG加气站的等级分类LPG加气站按储气罐的容积规模划分为三个等级。
LPG加气站的等级划分见表4-5-2。
表4-5-2 LPG加气站的等级划分级别 LPG罐容积/m3总容积单罐容积一级 45<V≤60 V≤30二级 30<V≤45 V≤30三级 V≤30 V≤30 第二节加油加气站的火灾危险性及其特点★一、加油站的火灾危险性(一)作业事故作业事故主要发生在卸油、量油、加油和清罐环节,这四个环节都使油品暴露在空气中,如果在作业中违反操作程序,使油品或油品蒸气在空气中与火源接触,就会导致爆炸燃烧事故的发生。
1、卸油时发生火灾加油站火灾事故的60%~70%发生在卸油作业中。
常见事故如下:油罐满溢、油品滴漏、静电起火、卸油中遇明火。
2、量油时发生火灾3、加油时发生火灾4、清罐时发生火灾二、加气站的火灾危险性:泄漏高压天然气质量差多种火源作业事故加气站储气设施工作压力25MPa;加气机额定工作压力20MPa;钢瓶16~20MPa;液化石油气储罐设计压力>=1.77MPa;阀门及附件设计压力>=2.5MPa第三节加油加气站的防火设计要求★一、站址选择加油加气站的站址选择,应符合城乡规划、环境保护和防火安全的要求,并应选在交通便利的地方。
在城市建成区不宜建一级加油站、一级加气站、一级加油加气合建站、CNG加气母站。
在城市中心区不宜建一级加油站、一级加气站、一级加油加气合建站、CNG加气母站。
一汽车加油站分类标准
汽车加油站主要是为种类机动车辆加汽油、轻柴油的专门场所,一般由地下储油罐、加油机和管理室三部分组成,有的还设有为汽车加机油、润滑油和库房等附属设施。
汽车加油站容量越大,火灾危险性越大。
根据其容量大小,汽车加油站分为三级:
一级站:油罐总容量121 m3-180 m3,单罐容量不大于50 m3;
二级站:油罐总容量61 m3-120 m3,单罐容量不大于50 m3;
三级站:油罐总容量为60 m3以下,单罐容量不大于30 m3。
加油站油罐的总容量是指汽油的储存量。
当加油站兼营柴油时,汽油、柴油的储量可按1:2的比例折算。
城市市区不宜建设一级加油站,且宜采用直埋地下卧式油罐
二加油站爆炸当量
XX加油站有15m30#柴油罐1个,15m393#汽油罐1个,以及7m397#汽油罐1个,均埋地敷设,由于加油站储油罐埋地敷设,爆炸时周围土壤要吸收一部分能量,因此采用G·M莱克霍夫计算方法进行分析,根据危险最大化原则,对处于同一罐区的汽油罐进行统一计算,即汽油总储量为22m3。
爆炸能量(TNT)当量计算
汽油罐发生爆炸时放出的能量与油品储量以及放热性有关:
QTNT=υ·V·ρ·HC/qTNT
式中:QTNT:TNT当量为kg;
υ:蒸汽云当量系数,通常取0.04;
V:储罐的公称容积,22m3;
ρ:油品比重,取0.74×103kg/m3;
HC:油品的最大发热量,43.73kJ/kg;
qTNT:TNT爆炸时所释放出的能量,一般取其平均值4500kJ/kg。
故:QTNT =0.04×22×0.74×103×43.73/4500=6.33kg
G·M莱克霍夫计算公式
G•M莱克霍夫经过沙质粘地中实验得出的冲出波超压与距离之间关系式为:
3 3 0.8( ) TNT RPQ转换为:
3 18.0PQRTNT式中P:爆炸冲击波超压,MPa;R:爆炸中心到所研究点的距离,m;QTNT当量为kg。
利用此公式可得到任意冲击波超压的距离。
5.3.3爆炸危害效应发生爆炸时形成强大的冲击波,冲击波的超压可造成人员伤亡和建筑物破坏。
表5-7和表5-8分别列出了不同冲击波超压下建筑物的损坏和人员的伤害程度以及利用莱克霍夫关系式得到的距离。
表5-7冲击波超压对人体的伤害作用
超压P0/MPa 伤害作用伤害距离(m)超压P0/MPa 伤害作用伤害距离(m)0.02~0.03 轻微作用5.5~6.3 0.05~0.10 听觉器官损伤或骨折 3.7~4.6 0.03~0.05 内脏严重损伤或死亡 4.6~5.5 >0.1 大部分人员死亡
<3.7 表5-8冲击波超压对建筑物的破坏作用超压P0/MPa 伤害作用破坏距离(m)超压P0/MPa 伤害作用破坏距离(m)0.005~0.006 门窗玻璃部分破碎9.4~10 0.06~0.07 木建筑厂房房柱折断,房架松4.1~4.4
根据爆炸力学理论,采用范登伯格(VandenBerg)和兰诺伊(Lannoy)TNT当量法,将其他易
燃、易爆物质转化成相对应的Xkg当量TNT,来描述爆炸事故的威力,即能量释放程度,就可以利用长时间军事上积累的大量TNT药量与目标破坏程度之间关系的试验数据,计算出危害程度。
计算公式如下:
W TNT=AW f Q f/Q TNT
(1)式中,A为蒸气云的TNT当量系数,取值范围为0.02%-14.9%,通常取4%;
(2)WTNT为蒸气云的TNT当量,kg;Qf为燃料的燃烧热,kJ/kg,查美国DOW公司火灾爆炸指数附录《物质系数和特性》表并换算,汽油为43.7kJ/kg;
(3)QTNT为TNT的爆炸热,4.12-4.69MJ/kg,一般取4.52MJ/kg;
(4)Wf为蒸气云中燃料的总质量,kg。
故WTNT=0.04×90×0.74×1000×43.7 4.52×1000 =25.76 kg
2.3 莱克霍夫计算公式地下储罐爆炸冲击波计算应采用岩土爆破研究有关成果,结合地下储油罐属于沙土覆盖和填充,采用G・M莱克霍夫的研究成果。
莱克霍夫对于砂质土壤中的冲击波超压,有:
P=8 R 3 WTNT -3
转换得: R=(8WTNT/P′)1/3
式中,P′=10P,P为爆炸冲击波超压,MPa;
R为爆心到所研究点的距离,m;WTNT为蒸气云的TNT当量,kg
根据爆炸事故后果模拟评价方法中的超压准则,冲击波超压对人体的伤害和建筑物破坏作用1 冲击波超压对人体的伤害作用
伤害程度超压P/MPa 伤害情况伤害距离/m
轻微0.02-0.03 轻微挫伤8.82-10.1
7.44-8.82
中等0.03-0.05 听觉、气管损伤、中
等挫伤、骨折
5.91-7.44
严重0.05-0.1 内脏严重挫伤、可能
造成死亡
极严重>0.1 大部分人死亡<5.9
从火球中心到一定距离目的物的辐射通量、持续时间及火球半径,可应用Moorhouse和Pitchard提出的经验公式计算发生火灾事故时不同距离的热辐射强度,计算所需的主要参数及计算结果见表19和表20。
火球最大半径:0.327
Rf=2.665M (1)
火球持续时间:0.327
Tf=1.089M (2)
式中:Rf ——火球最大半径,m;
tf ——火球持续时间,s;
M——易燃物的质量,kg。
燃烧热释放率:Q=nHcM/T f (3)
式中:η——燃烧效率,32 .027.0s P,随储存物质的饱和蒸汽压(Ps,MPa)而变化;Hc——燃烧物质的燃烧热,J/kg
距火球中心r 距离处的辐射通量I为:I=QT/4X3.14rxr (4)
式中:T——热传导率,保守值为1
[此文档可自行编辑修改,如有侵权请告知删除,感谢您的支持,我们会努力把内容做得更好]。