基于52单片机的超声波测距仪
- 格式:ppt
- 大小:1.84 MB
- 文档页数:16
基于单片机AT89S52的超声波测距仪的设计与实现一、引言超声波测距仪是一种非接触式测距设备,通过发送超声波脉冲并接收超声波的回波来计算目标物体与测距仪之间的距离。
它在工业控制、智能车辆、机器人等领域有着广泛的应用。
本文将介绍基于单片机AT89S52的超声波测距仪的设计与实现,详细讨论硬件电路设计、软件程序编写以及实验测试等内容。
二、硬件设计1. 超声波模块超声波模块是测距仪的核心部件,它负责发射超声波脉冲并接收回波。
常见的超声波模块工作频率为40kHz,发送和接收分别采用单一的超声波传感器。
在本设计中,我们选用了HC-SR04型号的超声波模块,该模块具有精准测距、低功耗等优点,适合在单片机项目中使用。
2. 单片机AT89S52单片机AT89S52是一种高性能、低功耗的单片机芯片,它具有多种外设接口和丰富的功能,非常适合作为超声波测距仪的控制核心。
在本设计中,AT89S52的I/O口将分别连接超声波模块的Trig和Echo引脚,以完成数据的发送和接收。
3. 显示模块为了方便用户获取测距结果,我们设计了一个简单的数码管显示模块,用于显示测距仪测量到的距离数值。
利用AT89S52的数码管驱动功能,可以轻松实现距离数值的显示,并且可以根据需要扩展其他功能,比如显示单位、光线亮度调节等。
4. 电源电路为了保证整个测距仪系统的正常工作,我们设计了一个稳压电源电路,用于为AT89S52和超声波模块提供稳定的电压。
在实际应用中,我们可以选择直流电源输入或者电池供电,以满足不同场合的需求。
三、软件程序设计1. 初始化设置在软件程序设计中,首先需要对AT89S52的I/O口进行初始化设置,包括将Trig引脚设置为输出模式、将Echo引脚设置为输入模式,同时配置定时器和中断等功能。
这些初始化设置将为后续的超声波测距操作奠定基础。
2. 超声波信号发送当用户需要进行测距时,软件程序会向超声波模块的Trig引脚发送一个10us的高电平脉冲信号,启动超声波发送。
基于单片机的超声波测距仪设计LT摘要随着科技的发展、自动化程度的提高以及电子产品的普及,电子测距产品也走进了人们的视野。
相对于普通的测量工具,它具有数字式显示、测距精准以及可智能化控制等优点。
本系统是利用STC89C52单片机和超声波测距模块进行设计制作的智能化测距仪,主要实现距离的检测、数字式显示,以及超限报警等功能。
基于单片机的超声波测距仪是以单片机为控制核心,通过超声波测距模块对被测物体发射超声波,利用超声波在空气中的传播速度和发射到接收到超声波所用时间计算得到距离。
测距原理简单、容易实现,并且在生产生活中可以得到广泛使用和推广,具有实际性意义。
关键词:单片机STC89C52,超声波传感器,基于单片机的超声波测距仪。
Ultrasonic rangingAbstract:With the development of science and technology, the improvement of automation and the popularity of electronic products, electronic product range also went into people's horizons. Compared with the common measuring tool, it has a digital display, ranging precision and intelligent control, etc.This system is using STC89C52 MCU and ultrasonic ranging module to design the intelligent range finder, mainly realize the distance detection, digital display, and transfinite alarm and other functions. Based on single chip ultrasonic range finder based on single chip microcomputer as control core, the object to be measured by the ultrasonic ranging module of launch ultrasonic wave, using the ultrasonic velocity in air and launch time to calculate the distance used to receive the ultrasonic. Ranging principle is simple, easy to implement, and can be widely used in production and life and the promotion, has practical significance.Key words:microcontroller STC89C52, ultrasonic sensors, ultrasonic range finder based on singlechip.目录摘要.................................... Ultrasonic ranging .. (I)第一章绪论 01.1 需求分析 01.2可行性分析 (1)第二章单片机的概述 (2)2.1单片机的含义及组成 (2)2.2单片机的发展 (3)2.3单片机的特点 (3)2.4单片机的应用 (4)第三章基于单片机的超声波测距仪总体设计方案53.1超声波测距仪的系统设计 (5)3.2主控制器 (5)3.3 显示电路 (6)3.4 超声波测距模块 (7)3.4.1 HC-SR04超声波测距模块的特性 73.4.2 HC-SR04超声波测距模块的引脚 73.4.3 HC-SR04超声波测距模块的工作原理 (8)3.4.4 超声波时序图 (9)3.4.5 HC-SR04超声波测距模块的电路设计 (9)第四章基于单片机的超声波测距仪的硬件设计 114.1电源指示灯电路 (11)4.2 单片机主板电路 (11)4.2.1时钟电路 (11)4.2.2复位电路 (12)4.3数码管显示电路 (12)4.4距离测量电路 (13)4.5蜂鸣器电路 (14)4.6系统原理电路 (15)第五章基于单片机的超声波测距仪的软件设计 165.1主程序 (16)5.2距离测量子程序 (17)5.3距离显示子程序 (20)5.4超限距离调节子程序 (22)5.5 超限报警子程序 (24)总结 (26)致谢 (26)展望 (26)附录A (27)附录B (28)参考文献 (35)江苏师范大学本科生毕业设计基于单片机的超声波测距仪设计第一章绪论本文主要讲解的是基于单片机的超声波测距仪,它是以STC89C52为核心,以超声波测距模块为距离传感器的测距产品,其应用范围广泛,融入到各行各业。
广东机电职业技术学院企业项目(设计报告)题目:基于51单片机的超声波测距仪的设计院( 系 ) 信息工程学院专业名称控制0910班级学号 ********学生姓名王名远指导教师张永亮二O一一年六月基于单片机的超声波测距仪的设计摘要自19世纪末到20世纪初,在物理学上发现了压电效应与反压电效应之后,人们解决了利用电子学技术产生超声波的办法,从此迅速揭开了发展与推广超声技术的历史篇章。
随着科技的快速发展,超声波技术应用越来越广,很多产品在工业中广泛应用。
为了让超声波测距类产品智能,人性化,因此此次设计我们尝试利用STC89C52单片机研究制作超声波测距系统,超声波发射电路,以及超声波接收电路,键盘和显示部分,实现超声波测距功能。
在这个系统中,我们先让超声波发射电路发射500us,大概20个脉冲信号,等到超声波接收电路接收到脉冲信号,计时结束,由程序上控制算法S=vt,测出距离S/2,送数码管显示,并满足一定精度要求,并在显示模块中显示出来,这类产品可以运用到工业产品中,例如:测试罐装饮料是否装满。
结合了该芯片的价格、应用,我们设计的超声波测距系统具有速度快、适应性好,操作方便、有着广泛扩展应用的前景。
展望未来,超声波测距作为一种新型的非常重要有用的技术在各方面都将有很大的发展空间,它将朝着更加高定位、智能化的方向发展,以满足日益发展的社会需求。
关键字超声波STC89C52 模块电路目录摘要............................................ 错误!未定义书签。
目录 (2)引言 (3)第一章超声波测距仪方案的设计 (4)1.1系统整体方案的设计 (4)1.2系统方案的论证 (4)第二章硬件电路的设计 (5)2.1超声波发射电路的分析 (5)2.2超声波接收电路的分析 (6)2.3DS18B20的电路分析 (6)2.4显示电路的分析............................ 错误!未定义书签。
第07卷第01期2020年2月工业技术创新In d u stria l Technology InnovationV ol.07N o.01Feb.2020基于STC89C52单片机的超声波测距仪设计张春岭,梅彦平,王静(大连理工大学城市学院,辽宁大连116600 )摘要:针对原有超声波测距仪存在的精度不高、成本较高等问题,设计了以STC89C52单片 机为核心控制单元,利用HC-SR04超声波传感器模块进行超声波检测,同时引入温度传感器对环境温度进行补偿,并加入平均值滤波算法对测量过程中的随机误差进行修正的测距仪。
对比 实验表明,融合了温度补偿和平均值滤波算法的超声波测距仪在测量精度方面有很大改善,绝 对误差控制小于1mm,平均相对百分误差小于0.2%,仪器兼具结构简单、性能稳定、成本低等 优势。
关键词:超声波测距;传感器;STC89C52单片机;温度补偿;平均值滤波中图分类号:T P368.2 文献标识码:A工业技术创新U R L:http: // 引言距离是控制系统中经常使用的重要参数,如 何获得准确的距离成为相关领域研究的热点问题。
目前常用的测距方法有:激光测距、毫米波 测距、红外测距和超声波测距等[11。
超声波测距是一种非接触式测距方法。
与其 他方法相比,超声波测距不受光线、被测对象颜色等因素的影响,对被测物体处于黑暗、电磁干 扰等恶劣环境的情况也有一定的适应能力m。
此 外,超声波具有指向性强、方向性好、传播能量 大、传播距离较远等优势。
目前,超声波测距技术已在工业控制、能源勘探、气象测量、水利监 测等领域得到了广泛应用m。
当前一般使用集成芯片实现测距仪设计,而 这一方式存在成本较高、功能单一等问题[41。
本 文设计了一种基于S T C89C52单片机的超声波测距仪,具有智能处理功能,可实现测量距离实时显示、报警阈值设置等功能,且操作简单、成本 低、精度高,具有一定推广应用价值。
1总体方案设计指标:准确测M并显示被测对象与测距仪的距离,当被测距离小于系统预设值(安全距 离)时,蜂鸣器报警。
基于单片机的超声波测距仪的设计与实现中文摘要本设计基于单片机AT89C52,利用超声波传感器HC-SR04、LCD显示屏及蜂鸣器等元件共同实现了带温度补偿功能可报警的超声波测距仪。
我们以AT89C52作为主控芯片,通过计算超声波往返时间从而测量与前方障碍物的距离,并在LCD显示。
单片机控制超声波的发射。
然后单片机进行处理运算,把测量距离与设定的报警距离值进行比较判断,当测量距离小于设定值时,AT89C52发出指令控制蜂鸣器报警,并且AT89C52控制各部件刷新各测量值。
在不同温度下,超声波的传播速度是有差别的,所以我们通过DS18B20测温单元进行温度补偿,减小因温度变化引起的测量误差,提高测量精度。
超声波测距仪可以实现4m以内的精确测距,经验证误差小于3mm。
关键词:超声波;测距仪;AT89C52;DS18B20;报警Design and Realization of ultrasonic range finder basedABSTRACTThe design objective is to design and implement microcontroller based ultrasonic range finder. The main use of AT89C52, HC-SR04 ultrasonic sensor alarm system complete ranging production. We AT89C52 as the main chip, by calculating the round-trip time ultrasound to measure the distance to obstacles in front of, and displayed in the LCD. SCM ultrasonic transmitter. Then the microcontroller for processing operation to measure the distance and set alarm values are compared to judge distance, when measured distance is less than the set value, AT89C52 issue commands to control the buzzer alarm, and control each member refreshAT89C52 measured values. Because at different temperatures, ultrasonic wave propagation velocity is a difference, so we DS18B20 temperature measurement by the temperature compensation unit, reducing errors due to temperature changes, and improve measurement accuracy. Good design can achieve precise range ultrasonic distance within 4m, proven error is less than 3mm.Keywords:Ultrasonic;Location;AT89C52;DS18B20;Alarm目录第一章前言 (1)1.1 课题背景及意义 (1)1.1.1超声波特性 (1)1.1.2超声波测距 (2)1.2 超声波模块基本介绍 (3)1.2.1 超声波的电器特性 (3)1.2.2 超声波的工作原理 (5)1.3主要研究内容和关键问题 (6)第二章方案总体设计 (7)2.1 超声波测距仪功能 (7)2.2设计要求 (8)2.3系统基本方案 (9)2.3.1方案比较 (9)2.3.2方案汇总 (11)第三章系统硬件设计 (13)3.1 单片机最小系统 (13)3.2 超声波测距模块 (13)3.3 显示模块 (15)3.4温度补偿电路 (15)3.5 蜂鸣报警电路 (16)第四章系统软件设计 (17)4.1 A T89C52程序流程图 (17)4.2 计算距离程序流程图 (19)4.3 报警电路程序流程图 (19)4.4 超声波回波接收程序流程图 (20)第五章系统的调试与测试 (21)5.1 安装 (21)5.2 系统的调试 (21)第六章总结 (23)参考文献 (24)致谢.............................................................................................................................. 错误!未定义书签。
本科毕业设计(论文) 题目基于单片机的超声波测距仪设计毕业设计(论文)原创性声明和使用授权说明原创性声明本人郑重承诺:所呈交的毕业设计(论文),是我个人在指导教师的指导下进行的研究工作及取得的成果。
尽我所知,除文中特别加以标注和致谢的地方外,不包含其他人或组织已经发表或公布过的研究成果,也不包含我为获得及其它教育机构的学位或学历而使用过的材料。
对本研究提供过帮助和做出过贡献的个人或集体,均已在文中作了明确的说明并表示了谢意。
作者签名:日期:指导教师签名:日期:使用授权说明本人完全了解大学关于收集、保存、使用毕业设计(论文)的规定,即:按照学校要求提交毕业设计(论文)的印刷本和电子版本;学校有权保存毕业设计(论文)的印刷本和电子版,并提供目录检索与阅览服务;学校可以采用影印、缩印、数字化或其它复制手段保存论文;在不以赢利为目的前提下,学校可以公布论文的部分或全部内容。
作者签名:日期:学位论文原创性声明本人郑重声明:所呈交的论文是本人在导师的指导下独立进行研究所取得的研究成果。
除了文中特别加以标注引用的内容外,本论文不包含任何其他个人或集体已经发表或撰写的成果作品。
对本文的研究做出重要贡献的个人和集体,均已在文中以明确方式标明。
本人完全意识到本声明的法律后果由本人承担。
作者签名:日期:年月日学位论文版权使用授权书本学位论文作者完全了解学校有关保留、使用学位论文的规定,同意学校保留并向国家有关部门或机构送交论文的复印件和电子版,允许论文被查阅和借阅。
本人授权大学可以将本学位论文的全部或部分内容编入有关数据库进行检索,可以采用影印、缩印或扫描等复制手段保存和汇编本学位论文。
涉密论文按学校规定处理。
作者签名:日期:年月日导师签名:日期:年月日注意事项1.设计(论文)的内容包括:1)封面(按教务处制定的标准封面格式制作)2)原创性声明3)中文摘要(300字左右)、关键词4)外文摘要、关键词5)目次页(附件不统一编入)6)论文主体部分:引言(或绪论)、正文、结论7)参考文献8)致谢9)附录(对论文支持必要时)2.论文字数要求:理工类设计(论文)正文字数不少于1万字(不包括图纸、程序清单等),文科类论文正文字数不少于1.2万字。
基于单片机的超声波测距仪系统设计一、本文概述随着科技的不断发展,超声波测距技术因其非接触性、高精度和快速响应等优点,在机器人导航、工业自动化、智能家居等领域得到了广泛应用。
本文旨在设计一种基于单片机的超声波测距仪系统,通过深入研究超声波测距原理,结合单片机控制技术,实现一种低成本、高性能的超声波测距解决方案。
文章首先介绍了超声波测距的基本原理和常用方法,然后详细阐述了基于单片机的超声波测距仪的硬件设计,包括超声波发射电路、接收电路、信号处理电路等关键部分的设计思路和实施方法。
接着,文章对测距软件算法进行了深入探讨,包括超声波传播时间的测量、距离计算等关键步骤的实现。
文章对设计的系统进行了测试,验证了系统的可靠性和稳定性。
通过本文的研究,希望能为相关领域提供有益的参考,推动超声波测距技术的发展。
二、超声波测距原理超声波测距是一种非接触式的距离测量方式,其基本原理是利用超声波在空气中的传播速度以及回声的时间差来计算距离。
超声波测距仪主要由超声波发射器、接收器和控制电路组成。
在超声波测距仪中,单片机发出控制信号给超声波发射器,使其发射出一定频率的超声波。
当超声波在空气中传播遇到障碍物时,会发生反射,反射波被接收器接收。
由于超声波在空气中的传播速度已知(约为340m/s),单片机可以通过测量发射信号和接收反射信号之间的时间差,即回声时间,来计算出超声波从发射到接收所经过的距离。
具体计算公式为:距离 = (超声波速度×回声时间) / 2。
需要注意的是,由于超声波在传播过程中会受到空气温度、湿度、风速等因素的影响,因此实际测量中需要对这些因素进行补偿,以提高测距的精度。
为了避免测量误差,还需要在硬件设计中考虑超声波发射和接收的角度、距离以及环境噪声等因素。
在单片机系统中,通过编程实现超声波发射、接收以及回声时间的测量。
单片机可以根据实际需要选择合适的计时器或定时器,对发射和接收信号进行精确的时间记录,并通过算法计算出距离值。
摘要超声波具有很强的指向性,消耗能量缓慢,距离传播较远等优点,所以,在利用自动化控制技术和传感器应用技术相结合的测距方案中,利用超声波专有特性测距是目前最普遍的一种方式,它被广泛地应用于防盗、倒车雷达、水位测量、建筑施工工地以及一些工业现场。
本论文详细的介绍了超声波传感器的原理及特性,并且介绍了Atmel公司的AT89C52单片机的性能与特点,且在分析了超声波测距原理的基础上,指出了本次方案的思路和所需考虑的问题,给出了以AT89C52单片机为核心,LCD显示电路,硬件制作和软件设计为一体的设计方案。
矚慫润厲钐瘗睞枥庑赖。
关键字:超声波测距;单片机;测距;AT89C52;LED显示屏AbstractUltras onic wave has strong poin ti ng to n ature ,slowly en ergy con sumpti on ,propagat ing dista nce farther ,so, in utiliz ing the scheme of dista nce finding that sen sor tech no logy and automatic con trol tech no logy comb ine together ,ultras onic wave finds range to use the most gen eral one at prese nt ,it applies to guard aga inst theft , move backward the radar , water level measuri ng , buildi ng con structi on site and some in dustrial sce nes exte nsivel聞. 創沟燴鐺險爱氇谴净。
This subject has introduced principle and characteristic of the ultrasonic sensor in detail ,and the performa nce and characteristic of on e-chip computer AT89C52 of Atmel Company ,and on the basis of analyzing principle that ultrasonic wave finds range ,the systematic thi nking and questi ons n eeded to con sider that have poin ted out that desig ns and finds range .Given the AT89C52, LCD display circuit, the hardware and the software desig n productio n残骛楼諍锩瀨濟溆塹籟。
基于52单片机的超声波测距系统【课设名称】基于52单片机的超声波测距系统【课设目的】通过设计此系统对大学所学习的单片机系统、Keil软件和电路板焊接测试方法步骤进行综合应用和复习,了解设计一个简单硬件系统的基本步骤,为今后就业打好基础。
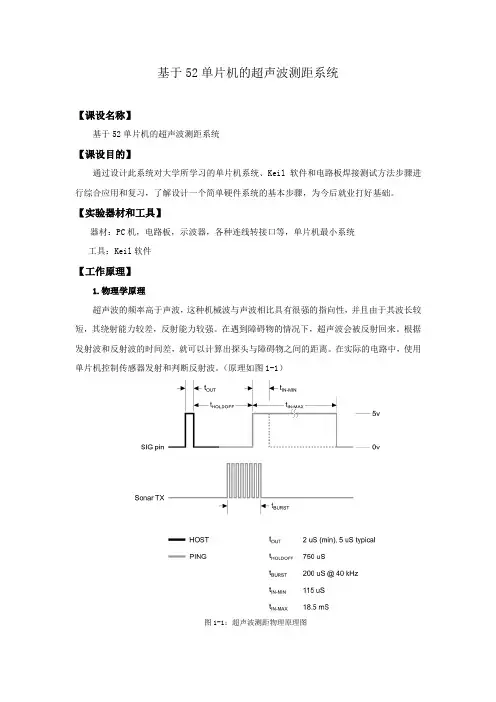
【实验器材和工具】器材:PC机,电路板,示波器,各种连线转接口等,单片机最小系统工具:Keil软件【工作原理】1.物理学原理超声波的频率高于声波,这种机械波与声波相比具有很强的指向性,并且由于其波长较短,其绕射能力较差,反射能力较强。
在遇到障碍物的情况下,超声波会被反射回来。
根据发射波和反射波的时间差,就可以计算出探头与障碍物之间的距离。
在实际的电路中,使用单片机控制传感器发射和判断反射波。
(原理如图1-1)图1-1:超声波测距物理原理图2.电路原理及数据:从单片机的P3^7口产生一组40KHz 的超声波,经由发射模块的发射探头发出,紧接着超声波接受模块接收回波,经由CX20106A产生一个负跳变引起单片机得外部中断,通过计算发射到接收所经历的时间就可以很容易计算出超声波与目标之间的距离。
其具体原理步骤见图1-2。
相关参数:1.测量距离:50~1000mm2.载波频率:38KHz3.工作电压:DC5V4.工作电流:30mA 典型,50mA 最大5.输出信号:5V方波6.回波信号:负跳变产生的下降沿7.下一次测量的延时:200 uS系统初始化驱动电路超声波信号发射计算液面高度超声波信号接受对信号进行放大数字显示图1-2 系统工作流程图超声波测距系统是由硬件和软件两部分组成。
硬件主要包括STC89C52RC单片机最小系统,超声波发射电路、超声波接收电路、温度检测电路、显示电路;软件部分主要包括系统初始化模块、超声波驱动及信号处理模块、显示模块等,软件采用模块化设计思想,可使程序设计思路消晰,便于调试。
启动超声波测距系统进行测距时,首先由单片机发出38KHz的脉冲串,脉冲通过超声波发射电路驱动超声波发射换能器发出超声波。
一、项目综述1、超声波简介超声波是频率高于20KHz的声波,具有方向性好,穿透能力强等特点,被广泛应用于各行各业。
在日常生产生活中,很多场合如汽车倒车、机器人避障、工业测井、水库液位测量等需要自动进行非接触测距。
由于超声波对光线、色彩和电磁场不敏感,因此超声波测距对环境有较好的适应能力。
2、项目原理及应用(1)超声波测距原理:本项目采用往返时间检测法测距,其原理是超声波传感器发射一定频率的超声波,借助空气媒质传播,到达测量目标或障碍物后反射回来,经反射后由超声波接收器接收脉冲,其所经历的时间即往返时间,往返时间与超声波传播的路程的远近有关。
测试传输时间可以得出距离。
假定s为被测物体到测距仪之间的距离,测得的时间为t/s,超声波传播速度为v/m·s-1表示,则有关系式<1>s=vt/2 <1>在精度要求较高的情况下,需要考虑温度对超声波传播速度的影响,按式<2>对超声波传播速度加以修正,以减小误差。
v=331.4+0.607T <2>式中,T为实际温度单位为℃,v为超声波在介质中的传播速度单位为m/s(2)项目主要在超声波测距系统的基础上应用于高杆作物的测量,以便适时获得植物生长状况的数据。
二、项目过程(一)确定项目方案1.硬件部分1.1超声波发射部分采用由74HC04组成的推挽式电路进行功率放大以便使发射距离足够远。
1.2超声波接收部分集成芯片CX20106在接收部分电路中起了很大的作用。
CX20106是一款应用广泛的红外线检波接收的专用芯片,其具有功能强、性能优越、外围接口简单、成本低等优点,由于红外遥控常用的载波频率38 kHz与测距的超声波频率40 kHz比较接近,而且CX20106内部设置的滤波器中心频率f0五可由其5脚外接电阻调节,阻值越大中心频率越低,范围为30~60 kHz。
故本次设计用它来做接收电路。
CX20106内部由前置放大器、限幅放大器、带通滤波器、检波器、积分器及整形电路构成。
基于52单片机的超声波测距系统设计超声波测距技术是一种常用的非接触式测距方法,被广泛应用于工业控制、智能家居、智能车载等领域。
是其中一种典型应用,在该系统中,52单片机作为控制核心,通过超声波模块实现距离测量。
本文将深入探讨该系统的设计原理、硬件及软件实现细节,以及应用场景和未来发展方向。
首先,我们将介绍超声波测量原理。
超声波是指频率高于人类听觉范围(20kHz)的声波,其传播速度约为343m/s。
超声波测距系统通常由发射器和接收器两部分组成,发射器产生超声波信号,经过目标反射回来后被接收器接收,通过测量信号的往返时间来计算距离。
超声波测距系统设计的关键在于精准地控制发射和接收信号的时间,并进行信号处理和距离计算。
在52单片机的超声波测距系统设计中,常用的超声波模块有HC-SR04模块,该模块具有简单易用的特点,能够方便地与52单片机进行数据交互。
硬件方面,系统主要包括52单片机、HC-SR04模块、LCD显示屏、电源模块等,其中52单片机负责控制整个系统的工作流程和信号处理,HC-SR04模块负责发射和接收超声波信号,LCD显示屏用于显示测量结果。
在软件方面,需要编写程序来实现超声波信号的发射和接收,信号处理和距离计算,并将结果显示在LCD屏幕上。
通过合理设计硬件电路和优化软件算法,可以实现较为精准和稳定的距离测量。
为了验证系统的性能和稳定性,我们设计了一系列实验,并进行了测量和分析。
实验结果显示,在一定范围内,系统能够实现精准的距离测量,测量误差较小,响应速度较快。
同时,系统具有较好的抗干扰能力,能够在复杂环境下正常工作,适用于各种应用场景。
通过进一步对系统参数和算法进行优化,系统的性能和稳定性还可以进一步提升。
基于52单片机的超声波测距系统设计在工业控制、智能家居、智能车载等领域有着广泛的应用前景。
在工业控制领域,超声波测距系统可以用于监测和控制生产线上物体的位置和距离,提高生产效率和安全性。
基于单片机的超声波测距系统的设计1. 摘要基于单片机的超声波测距系统利用了超声波的频率在20KHZ以上,具有方向性强、耗能慢、传播距离远等优点。
在传感器技术与自动控制技术相结合的测距程序中,超声波测距是最常见的应用之一,被广泛应用于防盗、倒车雷达、水位测量、建筑工地和一些工业用地。
本系统的设计主要包含了硬件电路和软件程序两部分。
通过分析超声波测距的基本原理,选用合适的硬件电路部分,并写入相应的控制代码,以实现一个超声波测距系统的设计思路与方案。
在设计中,核心控制单元选用了STC89C52单片机,利用超声波传感器检测出超声波信号从传感器发出、碰到待测物并反射、最后接收器接收到返回的超声波信号这一过程的时间间隔,通过超声波在一定温度下的传播速度,利用公式得出传感器与待测物之间的距离,并将结果通过1602液晶显示出来。
系统还建立了按键模块和声光报警模块,以提升实用性,并建立了温度补偿模块,以提高测距的精确度。
系统采用模块化的结构,主要由温度检测模块、超声波测距模块、独立按键模块和供电电路四部分构成输入部分,由LCD1602显示模块、蜂鸣器、LED构成输出部分,由STC89C52单片机作为中控部分处理输入部分数据并控制输出部分。
通过Proteus仿真软件验证了硬件电路和软件代码设计。
2. 绪论随着科技的不断发展,人们对距离测量的需求日益增长。
在工业自动化、智能交通、机器人导航等领域,精确的距离测量是实现系统智能化和自动化的关键。
超声波测距技术因其非接触、高精度、低成本等优点,成为距离测量的首选方法之一。
基于单片机的超声波测距系统是利用单片机控制超声波的发射和接收,通过计算超声波在空气中传播的时间来测量距离。
相比传统的机械式测距方法,基于单片机的超声波测距系统具有更高的测量精度和更广泛的应用范围。
本文旨在设计一个基于单片机的超声波测距系统,通过研究超声波的特性、传感器的选择、硬件电路的设计和软件程序的编写,实现对目标距离的高精度测量。