安全资料台账表格
- 格式:xlsx
- 大小:17.11 KB
- 文档页数:2
选煤安全生产例会台帐单位:
注:1、本表作为生产、施工、例会台帐。
2、本表作为选煤厂安全检查项目之一。
选煤安全生产奖励、惩罚台帐
单位领导(签字):班组长(签字):填表人:
填表日期:年月日注:本表为选煤厂安全工作台帐,也可作为生产、施工台帐。
选煤安全生产检查台帐
单位:
单位领导(签章):安全员(签章):填表人:
填表日期:年月日注:。
选煤事故隐患登记整改台帐
单位领导(签章):填表人:填表日期:年月日注:本
选煤特种生产设备管理台帐
单位:年月日
选煤危险源登记台帐单位:
全员安全生产知识教育培训台帐
安全检查台帐
外来施工队伍管理登记台账
班组安全生产达标活动登记台账
安全生产技术项目管理登记台账
安全教育台账
年月日星期。
台账填写说明附件1:领导(负责人)带班安全生产检查记录表:根据领导带班工作制度,明确企业负责人每个星期不少于1次带班检查记录;附件2:专职安全生产管理人员安全生产检查记录表:根据安全生产隐患排查制度明确企业安全生产管理人员每天不少于1次安全生产现场检查;附件3:兼职安全生产管理人员(车间主任)安全生产检查记录表:根据安全生产隐患排查制度明确兼职安全管理人员每天不少于2次现场安全检查;附件4-1/4-2:事故隐患排查治理(违章职工处理)通报和销号通报台账:为落实事故隐患闭环管理和通报,如实记录隐患治理销号情况,并每月进行通报公示;附件5:危险作业管理台账:危险作业包括动火作业、进入受限空间作业、临时用电作业、高处作业、吊装作业等。
台账要求企业从危险作业名称、所处位置、是否制定安全作业方案等方面填写,严格实行作业票管理,要求企业现场安全管理负责人签字,作业完成后验收人签字;附件6:危险化学品购买(使用)台账:对企业危险化学品的购买和使用实行严格管理并登记;附件7:安全设备维护、保养、定期检测台账:根据安全设施设备维护保养制度,定期做好维护保养,并登记;—1 —附件8-1/8-2:劳动防护用品购买和出入库以及发放登记台账:根据劳动防护用品使用制度,登记购买出入库及领取情况;附件9:企业内部奖励和处罚管理台账:台账如实记录员工所在岗位、奖励(处罚)事项和方式,经负责人和记录人同时签字生效;附件10:特种作业人员上岗审批(登记)台账:特种作业人员上岗时进行上岗审批,确保特种作业人员执证上岗;附件11:安全生产教育和培训记录:根据年度安全生产教育和培训计划,如实填写三级安全教育和培训记录;附件12:安全生产工作会议记录:如实记录安全生产会议情况;附件13:门卫值守登记台账:门卫值守人员每天必须对企业的来访人员、车辆进出进行详细登记造册,保障企业的财产安全;附件14:班前会议记录:如实记录企业班前会的时间、地点、主持、参会人员,以及生产情况和今日工作事项说明及工作分配;附件15-1/15-2/15-3/15-4/15-5:临时用电安全作业卡、高处安全作业卡、有限空间安全作业卡、起重吊装安全作业卡、动火安全作业卡:危险作业卡管理,实行审批制度;附件16:工商贸类企业安全生产体检卡:根据一会三卡相关要求,企业每月不少于1次全厂安全生产体检,如实记录每月体检情况。
C册C3安全生产监理记录文件C3-1施工安全重大危险源监理台账C3-2专项安全检查记录及其整改回复单C3-3安全监理旁站记录表C3-1施工安全重大危险源监理台账注:本记录表作为重大危险源的安全生产监理日常巡视检查记录表式,至少每周填写一份,检查范围应包括正在实施的所有重大危险源。
表CJJL/C203-9施工安全重大危险源监理台账46C3-2专项安全检查记录及其整改回复单注;专项检查包括(元旦、春节、清明节、劳动节、端午节、中秋节、国庆节、安全月、政府或公司文件要求的针对性检查、施工现场突发性的、必要性的安全专项检查),检查出问题施工单位应作整改回复。
表CJJL/C203-10安全专项检查记录表C3-3安全监理旁站记录表注:对危险性较大的分部分项工程的关键工序和重要部位应实施安全旁站监理,本作业指导书明确了塔吊安拆、施工升降机安拆、高支模搭设、深基坑、人工挖孔桩施工必须实施旁站监理,但不仅限于上述,视工程具体情况,由总监组织其它危险性较大工程的关键工序施工也应组织旁站,无专业记录表可采用通用版填写。
塔吊安拆安全旁站监理记录施工升降机安拆安全旁站监理记录深基坑安全旁站监理记录人工挖孔桩施工现场安全监理检查记录表重大危险源关键工序旁站检查记录(通用版)D册C4安全生产监理指令文件C4-1安全生产监理通知单及回复单C4-2安全生产监理工作联系单C4-3暂停施工/复工报审表C5安全生产监理报告文件C5-1安全生产监理日记C5-2安全生产监理月报C5-3项目施工安全管理工作外来文件C5-3-1安监站、公司检查发文及回复C5-3-2指挥部文件、公司文件C5-3-3政府有关安全文明施工文件C5-4有关安全生产专题报告或会议纪要C5-5安全生产监理工作总结C4安全监理指令文件C4-1安全监理通知单及回复单C4-2安全监理工作联系单C4-3暂停施工/复工报审表C5安全生产监理报告文件C5-1安全生产监理日记C5-2安全生产监理月报安全生产监理工作月报(年月日至年月日)项目名称:总监:第期项目监理机构(章)总监理工程师本表为安全监理月报编制的基本内容,可单独编制安全月报,也可在月报体现以上安全生产监理工作内容。
安全台账表格
日期类别信息内容
1. 设备安全设备名称
设备型号
设备编号
使用部门
维修记录
2. 化学品安全化学品名称
化学品类型
存放位置
使用量记录
3. 消防安全消防器材类型
消防器材数量
消防器材位置
4. 人员安全安全培训情况
5. 事故记录事故时间
事故地点
事故原因
6. 安全检查检查日期
检查项目
7. 安全培训培训日期
8. 应急预案预案名称
填写说明:
1.设备安全:记录设备的名称、型号、编号、使用部门和维修记录等信息。
2.化学品安全:记录化学品的名称、类型、存放位置和使用量等信息。
3.消防安全:记录消防器材的类型、数量和位置等信息。
4.人员安全:记录员工的安全培训情况。
5.事故记录:记录事故的时间、地点和原因等信息。
6.安全检查:记录检查的日期和项目等信息。
7.安全培训:记录培训的日期。
8.应急预案:记录预案的名称。
建筑工程施工安全资料分类存档表(盒装)·1··2··3··4··5··6··7·安全资料用表目次1 建设工程施工许可证粘贴单(表A1) (37)2 建筑工程安全生产监督备案表(表A2) (38)3 地上、地下管线及建(构)筑物等有关资料移交单(表A3) (42)4 安全生产、文明施工措施费拨付情况及拨付凭证(表A4) (43)5 夜间施工审批手续粘贴单(表A5) (44)6 超过一定规模的危险性较大的分部分项工程专项施工方案报审表(表A6) (45)7 建筑工程安全评价表(表A7) (46)8 安全基本条件报审表(表B2.1) (47)9 安全保证体系报审表(表B2.2) (48)10 安全生产、文明施工措施费用报告表(表B2.3) (49)11 危险性较大的分部分项工程清单报审表(表B2.4) (50)12 危险性较大的分部分项工程专项施工方案报审表(表B2.5) (51)13 危险性较大的分部分项工程验收表(表B2.7) (52)14 建筑起重机械和自升式架设设施验收申请表(表B2.8) (53)15 机械设备报审表(表B2.9) (54)16 危险性较大的分部分项工程监理巡视检查记录(表B2.10) (55)17 日常监理安全检查记录(表B2.11) (56)18 一般隐患监理通知单(表B2.12) (57)19 一般隐患监理通知回复单(表B2.13) (58)20 重大隐患暂停施工令(表B2.14) (59)21 重大隐患监理报告书(表B2.15) (60)22 重大隐患整改复工申请表(表B2.16) (61)23 拒不整改/停工监理报告书(表B2.17) (62)24 项目部管理人员花名册(表C2.1.3) (63)25 分包单位名称清单(表C2.2.2) (64)26 分包单位劳务人员花名册(表C2.2.3) (65)27 总包单位对分包单位的安全专项检查记录(表C2.2.5) (66)·8·28 安全生产责任制考核记录(表C2.3.3) (67)29 项目安全目标责任分解图(表C2.4.3) (68)30 安全管理目标考核记录(表C2.4.4) (69)31 危险性较大的分部分项工程清单(表C2.5.2) (70)32 超过一定规模的危险性较大的分部分项工程清单(表C2.5.3) (71)33 危险性较大的分部分项工程安全专项施工方案清单(表C2.5.4) (72)34 超过一定规模的危险性较大的分部分项工程安全专项施工方案清单(表C2.5.6) (73)35 超过一定规模的危险性较大的分部分项工程专项施工方案专家论证表(表C2.5.7) (74)36 危险源辨识与风险评价表(表C2.6.2) (75)37 重大危险源清单(表C2.6.3) (76)38 重大危险源报告表(表C2.6.4) (77)39 建筑工程分部工程安全技术交底清单(表C2.7.2) (78)40 建筑工程分项工程安全技术交底清单(表C2.7.3) (79)41 道路及排水工程安全技术交底清单(表C2.7.4) (80)42 桥涵工程安全技术交底清单(表C2.7.5) (82)43 安全技术交底(表C2.7.6) (84)44 一般安全检查记录表(表C2.8.3) (85)45 上级单位(部门)检查记录粘贴单(表C2.8.4) (86)46 一般隐患整改通知单(表C2.8.5) (87)47 一般隐患整改反馈单(表C2.8.6) (88)48 重大隐患报告单(表C2.8.7) (89)49 重大隐患台账(表C2.8.8) (90)50 “三违”处罚单(表C2.8.9) (91)51 项目、班组安全培训教育记录卡(表C2.9.3) (92)52 日常安全培训教育记录(表C2.9.4) (93)53 班前安全活动记录(表C2.10.2) (94)54 安全生产、文明施工措施费用清单(表C2.11.2) (95)55 项目部特种作业人员花名册(表C2.12.2) (97)56 安全防护设施材料验收表(表C2.13.2) (98)·9·57 个人防护用品采购计划表(表C2.14.2) (99)58 个人防护用品进场查验登记表(表C2.14.3) (100)59 个人防护用品发放记录(表C2.14.4) (101)60 个人防护用品检查记录(表C2.14.5) (102)61 工伤事故月报表(表C2.15.2) (103)62 生产安全伤亡事故快报表(表C2.15.3) (104)63 安全标志平面布置图(表C2.16.2) (105)64 安全标志登记表(表C2.16.3) (106)65 应急救援人员名单(表C2.17.3) (107)66 应急救援器材清单(表C2.17.4) (108)67 应急培训记录(表C2.17.6) (109)68 应急演练记录(表C2.17.8) (110)69 消防重点部位明细表(表C3.1.6) (111)70 消防设备、设施、器材登记表(表C3.1.7) (112)71 动火作业审批表(表C3.1.8) (113)72 保卫人员值班、巡查工作记录(表C3.2.2) (114)73 来访人员及车辆登记表(表C3.2.3) (115)74 急救药品器材登记表(表C4.4) (116)75 噪声监测记录(表C4.6) (117)76 基坑支护验收表(表C5.3) (118)77 基坑支护沉降观测记录(表C5.4.1) (119)78 基坑支护水平位移观测记录(表C5.4.2) (120)79 人工挖孔桩防护检查表(表C5.5) (121)80 特殊部位气体检测记录(表C5.6) (122)81 临边防护验收表(表C6.3.1) (123)82 洞口防护验收表(表C6.3.2) (124)83 安全防护设施拆除(移动)审批表(表C6.4) (125)84 落地式扣件脚手架验收表(表C7.3.1) (126)85 悬挑式脚手架验收表(表C7.3.2) (128)·10·86 附着式升降脚手架验收表(表C7.3.3) (130)87 液压升降整体脚手架安装验收表(表C7.3.4) (133)88 外挂防护架验收表(表C7.3.5) (135)89 高处作业吊篮验收表(表C7.3.6) (136)90 卸料平台(落地式)验收表(表C7.3.7) (138)91 悬挑式钢平台验收表(表C7.3.8) (139)92 脚手架拆除审批、监控记录(表C7.4) (140)93 模板工程验收表(表C8.3) (141)94 模板工程拆除审批监控记录(表C8.4) (142)95 临时用电工程检查验收表(表C9.3) (143)96 绝缘电阻测试记录(表C9.4) (146)97 接地电阻测试记录(表C9.5) (147)98 漏电保护器检测记录(表C9.6) (148)99 电工安装、调试、迁移、拆除工作记录(表C9.7) (149)100 电工巡检、维修工作记录(表C9.8) (150)101 机械设备安全管理台账(表C10.1) (151)102 机械设备进场验收表(表C10.2) (152)103 机械设备安装验收表(表C10.4.1) (153)104 打桩、钻孔机械检查验收表(表C10.4.2) (154)105 混凝土泵检查验收表(表C10.4.3) (155)106 混凝土搅拌机安装验收表(表C10.4.4) (156)107 焊接机械安装验收表(表C10.4.5) (157)108 钢筋机械安装验收表(表C10.4.6) (158)109 平刨、压刨安装验收表(表C10.4.7) (159)110 圆盘锯安装验收表(表C10.4.8) (160)111 市政工程基层及路面施工机械安全检查验收表(表C10.4.9) (161)112 市政工程汽吊及高架车等施工机械安全检查验收表(表C10.4.10) (162)113 市政工程稳定土及沥青砼拌和平台安全检查验收表(表C10.4.11) (163)114 市政工程张拉设备安全检查验收表(表C10.4.12) (164)·11·115 市政工程顶管设备安全检查验收表(表C10.4.13) (165)116 机械设备日常运行记录(表C10.5) (166)117 机械设备维修保养记录(表C10.6) (167)118 群塔作业平面布置图(表C11.4) (168)119 建筑起重机械安装告知表(表C11.5) (169)120 建筑起重机械基础工程验收记录(表C11.7) (170)121 建筑起重机械安装(拆卸)过程记录(表C11.8) (171)122 塔式起重机安装自检表(表C11.9.1) (172)123 施工升降机安装自检表(表C11.9.2) (178)124 塔式起重机安装验收表(表C11.11.1) (182)125 施工升降机安装验收表(表C11.11.2) (184)126 龙门架及井架物料提升机安装验收表(表C11.11.3) (186)127 塔式起重机顶升检验记录(表C11.13.1) (188)128 施工升降机加节验收记录(表C11.13.2) (189)129 塔式起重机附着锚固检验记录(表C11.14) (190)130 建筑起重机械运行记录(表C11.15) (191)131 建筑起重机械定期维护检测记录(表C11.16) (192)132 吊装机械验收表(表C12.4) (193)133 建筑工程项目施工安全综合评价(表C13.1) (194)·12·表A1 建设工程施工许可证粘贴单·13·表A2 建筑工程安全生产监督备案表安全监督备案登记证号:·14·续表A2·15·续表A2·16·续表A2·17·表A3 地上、地下管线及建(构)筑物等有关资料移交单编号:注:本表由建设单位填写,建设单位、监理单位、施工单位各存一份。
安全员所做的台帐资料一、项目部在新项目开工,首先要制定出本工程处安全、环境管理规定。
规定包括安全目标的确定,各类制度、办法的制定,具体如备注:可根据实际情况制定二、根据现场实际情况进行危险点、源辨识及预测、预控;环境因素识别及预测预控。
危险点源、环境因素辨识方法及示例:环境因素辨识表(锅炉施工升降机安拆案例)1 、时态分为:过去、现在、将来;word格式资料2 、状态分为:正常、异常、紧急;3 、环境因素类型分为:大气、水体、土壤、噪音、废物、资源和能源、其他七种类型;4 、当刀(Sigma汉语名称:西格玛)=a+b+c+d+e+f+g+h+i》35为重要环境因素,当刀=a+b+c+d+e+f+g+h+i<35为一般环境因素word格式资料环境影响重要度评价权分数确定准则(锅炉施工升降机安拆案例)备注:当刀=> 为重要环境因素,当刀为一般环境因素。
危险点、源风险评价辨识表word格式资料备注:1 、危险等级分为:1:极其严重伤害;U:严重伤害;川:伤害;W:轻微伤害。
2 、风险级别分为:1:轻微风险;U、可容忍风险;川:适度风险;W:很大风险;V:不可容忍风险。
word格式资料风险评价表备注:风险值D=L>E>C风险等级划分准则电梯冒顶:风险值D=1 (L)X2 (E)X100 (C) =200;风险等级为W级电梯倾斜:风险值D=1X1X100=100;风险等级为皿级。
四、编制各类工作计划,包括:1、安全、环境工作计划2、安全教育培训计划五、各工程处安全日常台账资料附件1:必须填写安全施工作业票的危险作业项目①起重机满负荷起吊,两车抬吊及以上起重机抬吊作业,移动式起重机在高压线下方及其附近作业,起吊危险品;②超载、超高、超宽、超长物件和重大、精密、价格昂贵设备的装卸及运输;③油区进油后明火作业,在发电、变电运行区作业,高压带电作业及临近高压带电体作业;④特殊高处脚手架、金属升降架、大型起重机械拆装作业。
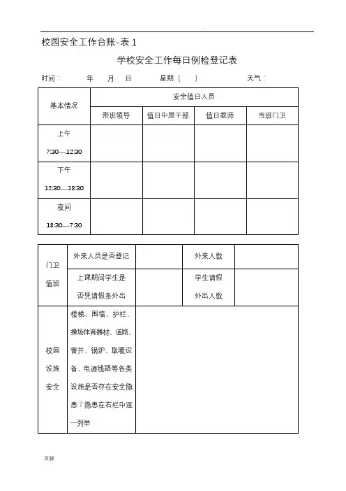
校园安全工作台账-表1学校安全工作每日例检登记表时间:年月日星期()天气:填写人签字:值日领导签字:注:学校安全日志由值班人员或学校安全员检查后填写,值班领导签字确认。
表格中大部分栏目只需填“是”或“否”,对在检查中达不到安全标准的栏目,要在“特殊情况记录”栏目中写清问题,注明原因,制定整改措施,明确整改责任人和整改时限。
“安全大事记录”栏目主要登记学校开展的大型安全教育、演练,召开的安全会议,上级安全检查情况。
校园安全工作台账-表2(表2.1--2.6可印制成工作手册,一班一学期一册)班级安全工作每日例检登记表时间:年月日星期()天气:校园安全工作台账-表2.2班级人员基本情况班级任课教师名单学生干部名单校园安全工作台账-表2.3家长通讯录校园安全工作台账-表2.4班级学期安全工作计划校园安全工作台账-表2.5班组安全教育安全演练等情况登记校园安全工作台账-表2.6安全教育黑板报(专栏)、班报、小报出版记录校园安全工作台账-表3_______月安全工作细化责任落实汇报表单位(盖章):法人(签字):检查人:校园安全工作台账-表4_______月份安全信访稳定工作简报单位(盖章):法人(签字):填报人(签字):注:①每月30日至下月3日前与“月安全细化责任落实汇报表”一并上报。
②一式两份(一份自留)。
③主要工作内容包括:信访稳定工作、安全教育、安全会议、预案制定、校园及周边综合治理、隐患排查、隐患整治、应急演练等方面。
中小学幼儿园上课时间教师学生外出登记表注:此表由门卫值班人员填写,是学校检查师生在校情况的重要依据,请认真登记。
页脚中小学幼儿园外来人员、车辆出入登记表页脚注:此表由门卫值班人员填写,是各级部门检查学校安全保卫工作的重要内容,请认真登记。
页脚。
安全台帐表格样表
安全技术资料台帐之一
安全生产管理制度
目录
一、各项安全生产管理制度
二、各工种安全技术操作规程安全技术资料台帐之二
安全生产责任与目标管理
目录
一、企业主要人员及主要职能部门安全生产责任制
二、项目部管理人员安全生产责任制
三、安全生产目标责任书或经济承包协议书
四、项目部安全管理目标责任书
五、项目部安全生产组织网络
六、项目部安全生产责任制考核规定及记录( 附样表)
七、项目部安全目标责任考核规定及记录( 附样表)
安全生产责任制
项目部安全目标责任考核制`考核日期:
安全技术资料台帐之三
施工组织设计。
施工单位施工现场安全管理记录表
项
日
安全检查记录表
工程名称:
施工单位名称:
施工机械、安全设施验收检查表工程名称:
注:本表一式两份,由施工单位填写,监理签署复核意见,监理,施工各一份。
安全监理工作月报表(年月第期)
工程名称:
施工单位名称:
本表一式三份,建设、监理单位各一份,安监部门一份检查安全专项施工方案、施工机械、安全设施安全许可验收及安全交底情况汇总表
工程名称:
施工单位名称:
项目总监理工程师:安全监理人员:年月日
主要专业工种操作上岗证书人员名册
工程名称:
施工单位名称:
注:按××建筑行业管理要求,填表人:
须持“双证”上岗的工种为安全员、电工。
中小型机械作业人员名单
工程名称:
施工单位名称:
填表人:
中小型机械台账工程名称:
施工单位名称:
填表人:
入场材料台账工程名称:
施工单位名称:
填表人:。
安全标准化档案、台帐、表格汇总一、安全管理档案1. 安全管理组织架构(1)企业安全管理部门组织架构图(2)安全管理部门职责及人员配置(3)安全管理部门与其他部门的协同配合机制2. 安全管理制度(1)安全生产责任制(2)安全生产规章制度(3)安全生产操作规程(4)安全生产奖惩制度(5)安全生产教育培训制度3. 安全生产目标(1)安全生产年度目标(2)安全生产季度目标(3)安全生产月度目标(4)安全生产周目标4. 安全生产投入(1)安全生产费用提取和使用规定(2)安全生产费用投入计划(3)安全生产费用使用情况汇总5. 安全生产绩效考核(1)安全生产绩效考核办法(2)安全生产绩效考核结果汇总(3)安全生产绩效考核整改措施二、安全台帐1. 安全培训台帐(1)安全培训计划(2)安全培训课程安排(3)安全培训讲师名单(4)安全培训考核成绩(5)安全培训反馈意见2. 安全检查台帐(1)安全检查计划(2)安全检查人员名单(3)安全检查结果汇总(4)安全隐患整改措施(5)安全隐患整改验收报告3. 安全生产事故台帐(1)事故报告(2)事故调查报告(3)事故处理决定(4)事故整改措施(5)事故应急预案4. 安全生产统计分析台帐(1)安全生产月报(2)安全生产季报(3)安全生产年报(4)安全生产统计分析报告三、安全表格汇总1. 安全生产基本信息表(1)企业基本信息(2)安全生产管理人员信息(3)安全生产投入情况(4)安全生产绩效考核情况2. 安全培训情况表(1)安全培训计划表(2)安全培训课程表(3)安全培训讲师表(4)安全培训考核表3. 安全检查情况表(1)安全检查计划表(2)安全检查人员表(3)安全检查结果表(4)安全隐患整改表(5)安全隐患整改验收表4. 安全生产事故情况表(1)事故报告表(2)事故调查表(3)事故处理决定表(4)事故整改措施表(5)事故应急预案表5. 安全生产统计分析表(1)安全生产月报表(3)安全生产年报表(4)安全生产统计分析报表以下是具体内容丰富的一部分:一、安全管理组织架构1. 企业安全管理部门组织架构图(1)企业安全管理部门设置安全总监、安全主管、安全员等职位,明确各自职责。
学校安全台账建立内容及要求一、规范台账内容(一)法规文件:有关学校安全工作的法律、法规,以及上级党委、政府、教育行政、安全管理等有关部门下发的各类安全工作文件。
(二)组织领导:学校安全工作领导小组名单、安全组织管理网络、工作职责等。
(三)管理制度:学校基本情况、最新修订的各项安全管理规章制度,各类安全应急预案等。
(四)安全管理:年度各类安全工作责任书、安全工作学期和年度计划、总结,各类有关安全工作的会议纪要,学校综治安全工作月报表等。
(五)安全教育:开展各类安全教育、组织师生参加各种安全宣传教育活动的文字、图片、影像资料等。
(六)检查整改:各类安全工作检查记录,学校安全重点部位日巡查记录,学校安全重点部位周检查记录,安全隐患排查情况记录,安全隐患整改、跟踪督查情况记载等。
(七)预案演练:防食物中毒、防踩踏、防火灾、防地震、大型集体活动等应急预案组织演练情况记载(文字、图片、影像资料)等。
(八)事故案例:相关安全事故及处理情况的记载,对各类事故的反思总结等。
(九)安全考核:各类安全考核的组织实施及结果等。
(十)经费投入:安全设施设备、宣传教育活动等经费投入情况记载。
二、严格台帐管理(一)上述1—3项台帐为长期使用,4—9项台帐为分年度归档,随时备查。
(二)各校、园、宫要高度重视建立安全管理台帐工作,指定专人负责,学校有关部门和人员要及时提供相关资料。
(三)台帐资料要求全面完整,图文并茂,按上述条目逐项分类整理归档。
附件:1xx学校安全重点部位“日巡查”记录表〔表一(1-8)〕2.xx学校安全重点部位周检查记录表〔表二〕附表一(1):xxx学校安全重点部位“日巡查”记录表重点部位:宿舍(号)时间:巡查人:xxx学校安全重点部位“日巡查”记录表重点部位:教室(年级班)时间:巡查人:xxx学校安全重点部位“日巡查”记录表重点部位:食堂时间:巡查人:xxx学校安全重点部位“日巡查”记录表重点部位:微机室、多媒体教室时间:巡查人:xxx学校安全重点部位“日巡查”记录表重点部位:实验室()时间:巡查人:xxx学校安全重点部位“日巡查”记录表重点部位:门卫管理时间:巡查人:xxx学校安全重点部位“日巡查”记录表xxx学校安全重点部位“日巡查”记录表重点部位:其他时间:巡查人:附表二:xxx学校安全重点部位周检查记录表学校(公章):第周负责人签字:xxx学校综治安全工作月报表报告月份:_____年____月填报日期:____年___月___日学校安全重点部位“日巡查”记录表重点部位:(年月)Xxx学校学校安全重点部位“周检查”记录表(年)Xxx学校学校综治安全工作月报表(年)Xxx学校。
企业基本情况登记表NO:注:特种作业人员持证情况详见登记表。
企业职工基本情况登记表NO:安全生产领导机构情况登记表NO:XXXX-AQ-TZ -03NO:XXXX-AQ-TZ -04安全生产目标责任制考核表NO:XXXX -AQ-TZ-05受考核部门负责人:考核人:考核小组负责人:安全生产会议及活动记录NO:NO:安全生产费用使用明细No:从业人员工伤保险统计表No:安全法律、法规和其他要求清单NO:安全生产标准化记录清单NO:XXXX安全生产标准化文件收(发)登记表NO: XXXX培训效果评估表NO:XXXX -AQ-TZ-17培训签到表新职工三级安全教育卡NO:全员安全生产知识教育培训记录NO:NO:设备设施拥有量NO:设备设施检(维)修记录NO:制表:审核:批准:特种设备登记表NO:机械设备必须附生产(制造)许可证(复印件)、产品合格证或检测合格的证明。
特种设备运行、维修、保养登记表NO:特种设备作业人员名册NO:NO:冷作业;爆破作业;矿山通风作业(含瓦斯检验);矿山排水作业;国家规定的其他作业。
特种作业人员登记卡NO:新设备设施验收记录NO:旧设备设施报废、拆除记录NO:危险作业证登记表N O:N O:XXXX -AQ-TZ-33地点:安全警示牌配置明细表NO:外委施工资质资料审查记录NO:变更申请表NO:消防器材登记表NO:NO:NO:。