(完整版)常见运动功能的机构选型汇总
- 格式:doc
- 大小:623.78 KB
- 文档页数:29
在各类机械中,常需要某些构件实现周期性的运动和停歇。
能够将主动件的连续运动转换成从动件有规律的运动和停歇的机构称为间歇运动机构。
而实现间歇运动的四种常用机构分别为:棘轮机构、槽轮机构、凸轮式间歇运动机构和不完全齿轮机构。
一、棘轮机构棘轮机构的类型很多,从工作原理上可分为轮齿啮合式和摩擦式棘轮机构;从结构上可分为外啮合式和内啮合式棘轮机构;从传动方向上分为单向(单动和双动)式和双向式棘轮机构。
棘轮机构是把摇杆的摆动转变为棘轮的间歇回转运动。
很好的收腹运动机多少钱真的很好其优点轮齿式棘轮机构运动可靠,棘轮转角容易实现有级调节,但在工作过程中棘爪在齿面上滑行,齿尖易磨损并伴有噪音,同时为使棘爪能顺利落入棘轮槽,摇杆摆角应略大于棘轮转角,这样就不可避免地存在空程和冲击,在高速时尤其严重,所以常用在低速、轻载下实现间歇运动。
摩擦式棘轮机构传递运动平稳、无噪声,棘轮转角可作无级调节。
图1单向轮齿啮合式棘轮但由于运动准确性差,不宜用于运动精度要求高的场合。
在工程实践中,棘轮机构常用于实现间歇送进(如牛头刨床)、止动(如起重和牵引设备中)和超越(如钻床中以滚子楔块式棘轮机构作为传动中的超越离合器,实现自动进给和快速进给功能)等场合。
图2 摩擦式棘轮二、槽轮机构槽轮机构又称马尔他机构或日内瓦机构,也是常用的间歇运动机构之一。
普通平面槽轮机构有外接式槽轮机构(图3)和内接式槽轮机构(图4)两种类型。
它主要是由带有均布的径向开口槽的槽轮2、带有圆柱销A的拔盘1以及机架组成。
图3 外接式槽轮机构图4 内接式槽轮机构槽轮机构的工作过程是:主动拨盘1上的圆柱销A进入槽轮2上的径向槽以前,拔盘上的凸锁止弧α将槽轮上的凹锁止弧β锁住,则槽轮静止不动。
当拔盘圆柱销A进入槽轮径向槽时,凸、凹锁止弧刚好分离,圆柱销可以驱动槽轮转动。
当圆柱销脱离径向槽时,凸锁止弧又将凹锁止弧锁住,从而使槽轮静止不动。
因此,当主动拨盘作连续转动时,槽轮被驱动作单向的间歇转动。
机械设计手册之常用机构概述1. 引言机构是机械设计中的重要概念,它是由多个零件组成的一个系统,能够完成特定的功能。
在机械设计过程中,不同的机构可以根据需求选择并组合,以完成机械设备的运动、传动和控制等功能。
本文将对常用机构进行概述,介绍它们的基本原理、结构形式和应用场景,帮助读者了解和运用机构设计。
2. 常用机构概述2.1 杆件机构杆件机构是由杆件连接的机构,是机械设计中最基本的构件之一。
杆件机构可以实现直线运动、旋转运动或复杂的连续运动,常见的杆件机构有连杆机构、曲柄机构等。
在连杆机构中,由一个或多个连杆组成,通过杆件的连续运动实现相对运动。
而曲柄机构则是通过曲柄和连杆的相对运动,将旋转运动转换为直线运动。
2.2 齿轮机构齿轮机构是利用齿轮的啮合传动来实现机械运动的传动机构。
齿轮机构具有传动比恒定、传动效率高、精度高等特点,被广泛应用于各种机械设备。
常见的齿轮机构包括直齿轮机构、斜齿轮机构、蜗杆机构等。
直齿轮机构是最简单的一种齿轮机构,通过齿轮的啮合传动实现旋转运动的传递。
斜齿轮机构则是在直齿轮的基础上引入了斜齿轮,使得传动方向可以改变。
蜗杆机构则是利用蜗杆和蜗轮的啮合传动,实现高速运动向低速运动的转换。
2.3 减速机减速机是一种将高速运动转换为低速高扭矩运动的传动装置。
减速机常用于需要较大扭矩输出的场合,例如工业生产设备、机床等。
减速机根据传动方式可以分为齿轮减速机、带传动减速机、摆线减速机等。
齿轮减速机采用齿轮传动,通过齿轮的传动比来实现降低转速。
带传动减速机则是利用皮带的摩擦传动来实现速度的降低,常见应用于车辆的变速器中。
摆线减速机则是利用摆线齿轮的机构来实现高转速的降低。
2.4 滑动轴承和滚动轴承滑动轴承和滚动轴承是机械设备中常见的轴承类型,用于支撑和保持轴的旋转运动。
滑动轴承是采用润滑剂在滑动接触面上形成润滑膜,减少摩擦损失。
滚动轴承则是通过滚动体(如球、滚子)的滚动来减少摩擦损失,提高轴的旋转效率。
常用的运动转动机构1、连杆机构
2、凸轮机构
3、摩擦传动机构(磨擦轴传动速比约1:2~1:4)
4、齿轮转动机构
5、带链转动机构(V型皮带传动速比可达到1:7,滚子链条在5m/s以下,所用的链轮通常必须在17齿以上,链轮所包含的角度以120度以上较佳)
机械运动1
将旋转运动变成摇摆运动机构
将旋转运动变成直线运动机构
将直线运动变成旋转运动机构
间歇旋转运动机构
间歇往复运动机构
机械运动2变速机构
逆转机构
减速机构
急回机构
变向机构
利用皮带的传动机构
机械运动3倍力机构
间歇进给机构
擒纵机构(间歇少量进给)
凸轮及其应用
联轴节
离合器
制动机构
直线运动机构
平行运动机构
循环轨迹运动机构
可变角速度比传动机构
进给机构。
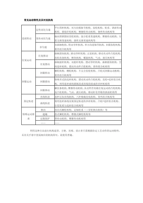
第七十五讲机构选型1、实现执行构件各种运动形式的常用机构实现执行机构某一运动形式的机构通常有好几种,设计者必须根据工艺动作要求,受力大小,使用维修方便与否,制造成本高低,加工难易程度等各种因素进行分析比较,然后择优而取。
实现执行构件各种运动形式的常用机构有:1)实现连续旋转运动的机构:双曲柄机构(包括平行四边形机构、双滑块机构),转动导杆机构,定轴齿轮传动机构(包括圆柱、圆锥、交错轴斜齿轮传动机构等),蜗杆传动机构,周转轮系机构(包括少齿差、摆线针轮、谐波齿轮传动机构等),各种摩擦轮传动机构,各种柔型传动机构(如带传动,链传动等),非圆齿轮传动,齿轮—连杆机构,链轮—连杆机构,单、双万向联轴节等都能实现连续旋转运动。
2)实现间歇旋转运动的机构:棘轮机构、槽轮机构、不完全齿轮机构、凸轮式间歇运动机构等都能实现间歇旋转运动。
3)实现往复摆动的机构:曲柄摇杆机构、摇块机构、摆动导杆机构、摆动从动件凸轮机构、双摇杆机构(包括等腰梯形机构)、由液压缸或汽缸驱动的齿条齿轮机构及输出运动为摆动的组合机构等都能够实现往复摆动。
4)实现间歇往复摆动的机构:带有休止段轮廓的摆动从动件凸轮机构、输出运动为间歇往复摆动的组合机构等都能够实现间歇往复摆动。
此外,一些间歇运动机构通过与实现往复运动的机构的组合,或者通过控制驱动液压缸(或汽缸),也能实现间歇往复摆动。
5)实现往复移动的机构:曲柄滑块机构,正弦机构、移动导杆机构、齿轮齿条机构、螺旋机构、各种移动从动件凸轮机构等都能够实现往复移动。
此外,通过曲柄摇杆机构与摇杆滑块机构的组合或凸轮机构与摇杆滑块机构的组合也能实现往复移动。
6)实现间歇往复移动的机构:利用连杆曲线的圆弧段来实现间歇运动的平面连杆机构、凸轮轮廓有休止段的移动从动件凸轮机构、中间有停歇的斜面拔销机构、不完全齿轮—移动导杆机构组合等都能够实现间歇往复移动。
此外,棘轮棘齿条机构还能实现单向间歇直线移动运动。
第三部分机械原理与设计课程设计常用资料与参考图例第七章常见运动功能的机构选型第一节连续回转机构选型能实现连续回转的机构除了教材中讲到的齿轮机构、摩擦轮机构、双曲柄机构、转动导杆机构、双万向铰链机构、反平行四边形机构、带传动、链传动、行星轮系等以外,实际中还用到下面一些机构。
1)平行四边形机构(图7-1)图7-1中ABCD是一个平行四边形机构,两连架杆AB、CD作同速转动,连杆BC作平动。
图示机构为多个平行四边形机构的组合,在多头钻床中就应用了此机构。
图7-1 图7-22)摆动齿轮行星减速机构(图7-2)图7-2中主动件1与导杆3,上的内齿轮3固联,而齿轮2从动。
当曲柄1匀速回转时,齿轮2变速回转,其平均转速为:式中为主动件1的转速,、为齿轮2、3的齿数。
3)极限四杆机构(图7-3)图7-3中构件长度l1= l2,l3= l4。
构件1和3的转向相同。
杆1转一周时,杆3转两周。
图7-3 图7-44)以曲柄滑块为基础的转动导杆机构(图7-4)图7-4中的曲柄滑块机构ABC与导杆机构CDE串接在一起。
当时,导杆5可作整周转动。
5)齿轮-连杆机构(图7-5)图7-5a)中的四杆机构ABCD上装有一对齿轮2'和5。
行星齿轮2'和连杆2固联,而中心轮5与曲柄1共轴线并可分别自由转动。
当主动曲柄1以ω1等速转动时,从动齿轮5作非匀速转动,其角速度为:式中为连件2的角速度,、为齿轮2'、5的齿数。
通过改变杆长和齿轮节圆半径,可是从动齿轮5作单方向的非匀速转动,或作瞬时停歇的转动或带逆转的转动。
图7-5b)所示为用于铁板传输机构中的齿轮-连杆组合机构。
齿轮1与曲柄固联,齿轮2、3、4及构件DE组成差动论系。
该轮系的中心论2由齿轮1带动,而系杆DE由四杆机构带动作变速运动,因此,使从动轮4实现变速转动。
a) b)图7-5第二节往复运动机构选型实现往复运动的机构除常见的曲柄滑块机构、曲柄摇杆机构、摆动导杆机构、凸轮机构、齿轮齿条机构、螺旋机构等以外,实际中还用到下面一些组合机构。
以改善其运动或动力特性。
1)差速凸轮机构(图7-6)圆柱凸轮7上固定着钻卡9,7与齿轮3的轴用滑键联接,齿轮4、5、6、3的齿数分别为23、21、31、34,当齿轮4、5接合时,轮1带动3、6作差速运动,钻头实现自动慢速进刀。
轮6相对轮3差一转所需时间为图7-62)行程增大(减小)的圆柱凸轮机构(图7-7)齿轮2和凸轮3、5固联,主动齿轮1转动时,凸轮既转且移。
从动杆6的往复行程由凸轮3的转动和移动两者合成。
设凸轮3、5曲线槽的升程分别是S3、S5,杆6的移动距离为S6,当滚子放在图示位置时,,若两凸轮的曲线同向时,上式用正号,反向时用负号。
图7-7 图7-8 3)可调行程凸轮机构(图7-8)滑块6的上、下面分别和滑块5及滚子2铰接,滚子2嵌入在凸轮1的凹槽中。
杆3被螺钉4固定在不同位置时,从动杆7的行程就不同。
这种机构可用作绕线机的排线机构。
第三节间歇运动机构选型除槽轮机构、棘轮机构、不完全齿轮机构、间歇凸轮机构等以外,实际中还采用下面一些组合机构来改善间歇机构的运动或动力特性。
1)凸轮控制离合器实现间歇运动的机构(图7-9)图7-9 图7-10主动轴Ⅰ通过离合器4带动从动轴Ⅱ转动,同时又经蜗杆1带动蜗轮2转动。
当固结在蜗轮上的凸块A推动杆3使离合器脱开时,轴Ⅱ停止转动。
轴Ⅱ的停、动时间可以通过更换凸块来调整。
2)间歇喂料机构(图7-10)主动曲柄1通过杆2、3使杆4往复摆动,再经超越离合器5使喂料辊6作单向间歇转动,把料仓中的原料向下间歇送进。
改变曲柄的长度,可调节送进量的大小。
3)凸轮—槽轮机构(图7-11)圆销4可在销轮3的槽中滑动。
当3转动时,4带动槽轮1转动,同时随固定凸轮板2的槽形而改变它到轮心的距离,这可改善槽轮1的运动和动力性能。
图7-11图7-124)椭圆齿轮—槽轮机构(图7-12)主动椭圆齿轮1带动椭圆齿轮2,2和拨杆2,固联,2,在角速度大的情况下带动槽轮3转动,则可缩短槽轮的运动时间。
如机床转位机构可用此方法缩短辅助时间,增加工作时间。
若2,在角速度较低的时候带动槽轮运动,则可以降低槽轮的角加速度和振动。
5)凸轮控制定时脱啮的连杆—齿轮机构(图7-13)带齿条的连杆5可在摇块4的槽中滑动,4又与3铰接,轮6的转轴上装有滚子,并嵌在3的导槽中。
凸轮1通过杠杆2使件3上移,并使3下部的齿条和6啮合,而同时又使5上的齿条和6脱离,这时,6被锁住。
当凸轮1通过2使件3下移,并使3下部的齿条和6脱离啮合,并使5和6啮合时,6才开始运动。
所以轮6的停、动时间均受凸轮1控制。
图7-13 图7-146)单侧停歇的摆动机构(图7-14)当主动曲柄1作连续转动时,通过连杆2使摇杆3上的滚子A 在范围内摆动。
当滚子与从动杆4的沟槽脱离时,4停歇不动,并由锁止弧B保证停歇位置不变。
7)双侧停歇的摆动机构(图7-15)曲柄1转动时,通过连杆2使扇形板3摆动,3上有可滑移的齿圈4。
图示位置,3顺时针方向转动,挡块A推动齿圈4使齿轮5逆时针方向转动。
当3逆时针方向回摆时,齿圈在3上滑移,而齿轮5停歇不转,直至齿圈接触挡块B后,才推动齿轮5作顺时针方向转动。
3再次变向摆动时,轮5同样也有一段停歇时间。
故这种机构具有双侧停歇的特性。
改变间距l,可调整停歇时间的长短。
8)单侧停歇的曲线槽导杆机构(图7-16)导杆2的导槽由如图示的a、b、c三段圆弧槽组成。
当主动曲柄1在1200范围内运动时,滚子位于b段圆弧槽内,导杆停歇。
所以从动杆具有单侧停歇的间歇运动特性。
可用于食品加工机械中作为物料的推送机构,其结构紧凑,制造简单,运动性能较好。
如果导槽曲线由两段相对的圆弧构成,则可获得双侧停歇的间歇运动。
图7-15 图7-169)弹力急回间歇送进机构(图7-17)当主动盘1匀速转动时,通过盘上的圆弧槽的A端和滚子2带动杆4运动,使推头5慢速移动,推送物料。
在此过程中,弹簧3逐渐拉伸。
当主动盘转到某一位置时,弹簧把滚子2由圆弧槽A端迅速拉向B端,并使推头快速退回。
在圆弧槽的A端与滚子2再一次接触前,推头5有一段停歇时间。
由于急回时的冲击、噪声较大,故高速时不宜应用。
图7-17 图7-1810)利用轨迹的近似圆弧段实现间歇运动的机构(图7-18)内齿轮1固定,转臂2转动时,行星齿轮3上A点的轨迹为短幅内摆线。
若曲线段和半径为r的圆弧很接近,则可取连杆4的长度为r,于是当A 点在段上运动时,滑块5可看作没有移动(近似停歇)。
11)利用连杆轨迹的近似直线段实现间歇运动的机构(图7-19)连杆M点的轨迹m上有一近似直线段M1M1,如在M点加上滑块1和导杆2(导槽与M1M1重合),则M点走到直线段M1M1上时,导杆近似停歇。
图7-19 图7-2012)利用连杆轨迹的近似圆弧段实现双侧停歇的机构(图7-20)喷气织机开口机构中的棕框1在上、下极限位置时,需要一段停歇时间,以便引入纬纱。
图中连杆BC上E 点的轨迹如点划线所示时,其上段均与半径为r的圆弧很接近,圆弧中心分别为F、F,点。
今在的垂直平分线上取一点G,以为摇杆2,以为连杆3,则当E 点运动至段上时,摇杆2在和两极限位置近似停歇。
13)不完全齿轮—移动导杆机构(图7-21)不完全齿轮1主动,它通过齿轮6及与锁止弧5铰接的滑块3推动移动导杆4作两侧停歇的往复运动。
图中轮6齿数为20,轮1保留9个齿(末齿高修低),可使轮1每转两周,4完成一次往复运动,并在行程的两端各有一停歇时间。
2和5是分别与齿轮1和6固联的锁止弧,1、6不啮合时,齿轮6被2、5锁住。
图7-21 图7-2214)链轮—连杆组合机构(图7-22)主动链轮1和从动曲柄2同轴,连杆3的一端和链条4铰接于E。
主、从动轴的转数比等于链条节数与主动链轮齿数之比。
从动曲柄2的角速度是变化的。
大体上是:E在段时,曲柄作等速转动;在过B点到进入链轮5的直线段上是减速;在从脱离5到A点的直线段上是加速。
适当选择机构参数,则当铰接点处在C点附近时可找到曲柄转速为零的一个位置,并在此位置附近曲柄的转速较低,甚至有小范围的折返运动,这可近似的认为曲柄处在停歇状态。
15)齿轮—连杆组合机构(图7-23)曲柄摇杆机构ABCE上有四个齿数相同的齿轮2、3、4、5,曲柄1与齿轮2固联且长度与其节圆半径r相等。
当1转一周时,从动齿轮5也转一周,但是5在一周内的转速ω5是变化的,其中还有一段短暂的停歇时间(即ω5≈0)。
因此,与5固联的送纸辊6也有短时停歇,以配合切纸刀的切纸动作。
由于ω5连续变化,所以机构的动力特性较好。
图7-2316)曲柄摇杆—摆动导杆机构(图7-24)曲柄摇杆机构ABCD的摇杆CD在极位C1D、C2D附近时角速度较小;摆动导杆机构FEG的导杆在极位E1G、E2G附近时角速度也较小。
用齿轮机构将它们联系起来,并使之同时达到极位,这就使导杆在两个极限位置附近时的近似停歇时间较长。
图7-24第四节实现预期运动轨迹的机构选型1)精确直线导向机构(图7-25)如各构件的长度满足以下关系:,则当杆2转动时,M点的轨迹为垂直于OA的一条直线。
图7-25 图7-262)双曲线型近似直线导向机构(图7-26)取,则AB中点M在行程为h 范围内(相应摆角)的轨迹近似直线。
3)起重机的近似直线导向机构(图7-27)要求吊钩能作较大距离的水平直线运动时,采用图示双摇杆机构ABCD中连杆上M点轨迹的近似直线段作为吊钩的轨迹。
4)装卸机液压连杆机构(图7-28)油缸Ⅰ使动臂1转动,同时油缸Ⅱ使装料斗2在升降时保持平移运动,在装卸料时使2翻转。
图7-27 图7-285)手动插秧机连杆凸轮(活舌滑道)式分插机构(图7-29)分插手柄1往复摆动,秧爪排5上的B点沿固定凸轮轮廓2运动,M点走图示轨迹(点划线)进入秧箱4进行分秧动作,并带秧苗入土完成插秧动作。
活舌3保证B只能按逆时针方向沿凸轮轮廓运动,而不会反转。
图7-29 图7-306)缝纫机铰链四杆挑线机构(图7-30)当曲柄转动时,连杆上的M点沿图示轨迹运动,该轨迹被用来完成挑线动作时应满足下述要求:在点9到点的一段中(对应曲柄转过2400)每一位置的放线量近似等于所需线量加某一定值余量。
在5到9的一段中(对应曲柄转过1200)实现急回运动。
7)摄影机抓片机构(图7-31)摄影机需要间歇的移动胶片,所以要求抓片齿能接近垂直地插入胶片片孔中,然后平稳地沿直线拉胶片,最后,又接近垂直地退出片孔。
图示曲柄摇杆机构中,连杆上M点的轨迹呈D字形,M点走直线段M1M2时,曲柄所转的角度相当于胶片移动的时间,其余为停歇时间,它基本上能符合抓片要求。
8)实现任意轨迹的固定槽凸轮机构(图7-32)槽凸轮4固定,当曲柄1转动时,构件2上的M点走出轨迹K。