种植屋面防水施工方案
- 格式:docx
- 大小:26.47 KB
- 文档页数:25
“贴必定”BAC防水卷材施工工艺编制人:××××××××××××××工程公司××××××××××××××项目部2008年1月目录一、前言………………………………………………………………二、BAC卷材的特点…………………………………………………三、适用范围…………………………………………………………四、防水构造做法……………………………………………………五、细部防水构造做法示意图………………………………………六、施工方法及施工工艺……………………………………………七、劳动力组织………………………………………………………八、材料及机具设备…………………………………………………九、工程检验及验收…………………………………………………十、安全措施…………………………………………………………十一、技术经济分析……………………………………………………十二、工程适用实例……………………………………………………十三、冬季施工质量保证措施…………………………………………十四、成品保护…………………………………………………………一、前言BAC”是Bituminous waterproofing sheets Adhered by Cementitious materials的缩写,译为水泥基材料粘贴的沥青基防水卷材。
BAC防水卷材组成是中间为玻纤胎体(或聚酯胎体),两边敷有SBS/APP改性沥青,其面上再敷自粘橡胶沥青胶料,最后表面贴有隔离膜。
卷材厚度有2mm、3mm、4mm 三种。
(一)“贴必定”BAC防水卷材基本构造如下:(二)“贴必定”BAC防水卷材采用水泥基材料材料,可直接在潮湿基面施工,基面无须找平,大大提高了卷材适应环境能力和建筑防水的整体质量。
地下室及种植屋面防水施工方案 2地下室防水施工方案地下室作为建筑物中容易受到水和潮气渗透的区域,防水工程显得尤为重要。
下面是一些地下室防水施工方案的建议:1. 表面处理地下室防水工程的第一步是对地面进行处理。
我们建议使用聚氯乙烯(PVC)防水膜或其他合适的防水涂料来作为地下室的基础防水层。
2. 排水系统为了有效排除地下室内的积水,必须构建完善的排水系统。
在地下室地面周围铺设排水沟,并确保水流顺畅。
3. 墙体防水地下室墙体也需要进行防水处理。
我们推荐使用聚合物改性沥青防水涂料或其他专业防水材料来保护墙体。
4. 管道和管线处理所有进入地下室的管道和管线都必须进行严密处理,以防止渗水。
密封处理是至关重要的步骤。
种植屋面防水施工方案种植屋面是一种绿色环保的屋顶设计,在防水工程方面也需要特殊处理。
以下是一些建议:1. 防水层选择在种植屋面的防水层选择上,建议使用SBS改性沥青防水卷材或其他专业的防水材料。
这种材料具有良好的耐候性和抗透水性能。
2. 植被层设计植被层在种植屋面中起到保护防水层的作用。
设计时需要考虑植被层的排水和透气性,以防止积水和潮气对防水层的侵蚀。
3. 维护保养种植屋面的维护保养工作十分重要。
定期清理植被层,检查防水层是否有破损,并及时修复和更换。
结语地下室和种植屋面的防水工程是建筑物中不可忽视的一环,只有做好防水施工工作,才能确保建筑物的使用寿命和安全性。
以上所述只是一些简单的建议,具体方案还需根据实际情况而定。
希望以上内容对您有所帮助。
水池种植顶板屋面防水施工方案一、前期准备工作1.施工方案的编制:根据工程实际情况,制定详细的施工方案,包括施工步骤、材料使用、施工工艺等内容。
2.施工图纸的制定:根据设计要求,制定详细的施工图纸,包括水池、种植顶板、屋面的结构和尺寸。
3.材料准备:根据施工方案和施工图纸,准备好所需的材料,包括水池、种植顶板、屋面防水材料等。
二、水池施工1.地面平整:在水池的施工区域,清理地面,确保地面平整,无杂物。
2.基础施工:根据设计要求,进行水池的基础施工,包括混凝土浇筑、钢筋加固等。
3.堵漏处理:对水池的接缝处、地面与水池之间的缝隙等进行堵漏处理,确保水池的防水效果。
4.防水层施工:在水池内部施工防水层,采用防水涂料或防水膜材料,确保水池内部不渗漏。
三、种植顶板施工1.结构搭建:根据施工图纸,设置种植顶板的支撑结构,包括梁柱、横梁等。
2.防水处理:在种植顶板的底部施工防水层,采用防水涂料或防水膜材料,确保顶板的防水效果。
3.种植层施工:在防水层上铺设种植层,可以选择适合的种植材料,如草坪、花草等。
4.排水设施:在种植顶板上设置排水设施,包括排水孔、排水管等,确保在雨水季节能正常排水。
四、屋面防水施工1.清理屋面:清理屋面表面的杂物,确保施工的顺利进行。
2.压顶处理:在屋面的压顶处,进行防水处理,采用防水涂料或防水膜材料。
3.接缝处理:对屋面的接缝处进行处理,采用防水胶水或防水带等材料,确保接缝处不会发生渗漏。
4.防水层施工:在整个屋面的表面施工防水层,采用防水涂料或防水膜材料,确保屋面的防水效果。
五、完工验收1.检查施工质量:在施工完成后,对水池、种植顶板、屋面进行检查,确保施工质量达到设计要求。
2.验收报告:编写完工验收报告,详细描述施工的情况,包括施工过程中的问题及解决方法、验收结果等。
3.竣工资料整理:整理施工过程中所涉及的相关资料,包括施工方案、施工图纸、验收报告等。
以上是水池、种植顶板、屋面防水施工方案的详细步骤和要点。
塑料排水板种植屋面防水施工方案1.施工准备:1.1地基处理:清理屋面基础,确保无杂物和尘土。
1.2底层材料:在屋面基础上铺设防水底膜,以增强屋面基础的防水性能。
1.3安装尺寸:根据屋面尺寸,将塑料排水板切割成合适的大小。
1.4固定方法:使用黏合剂或螺丝将塑料排水板固定在屋面基础上。
2.排水设计:2.1排水斜度:根据屋面的具体情况,设计合适的排水斜度,以保证排水顺畅。
2.2排水朝向:将塑料排水板朝向大面积的排水方向,以便水能够顺利流出。
2.3排水槽设计:在塑料排水板的周边设置排水槽,将水导入下水道或集水装置。
3.防水层施工:3.1防水材料选择:根据屋面防水的要求,选择合适的防水材料,如聚合物改性沥青防水卷材。
3.2防水卷材铺设:将防水卷材铺设在塑料排水板上,确保覆盖到所有的排水板表面。
3.3焊接处理:在防水卷材的接缝处进行热熔焊接,以增强防水层的密封性能。
3.4防水层保护:在防水层上覆盖一层保护层,以防止机械损坏和长时间的紫外线照射。
4.种植层施工:4.1种植层材料选择:根据种植屋面的需求,选择适合的种植层材料,如花盆、土壤和植物。
4.2种植层设计:根据屋面尺寸和植物种类,设计合适的种植层布局和植物种植方式。
4.3种植层保护:在种植层上进行覆土和浇水,以保护植物并促进生长。
5.维护与管理:5.1定期检查:定期检查塑料排水板、防水层和种植层的状况,并及时修补和维护。
5.2清洁处理:定期清洁屋面,清除堵塞和积水,以保证排水畅通。
通过上述塑料排水板种植屋面防水施工方案,可以有效地解决屋面的防水和排水问题,并提供合适的环境给种植植物。
同时,定期的维护和管理也能延长屋面的使用寿命,保持良好的屋面性能。
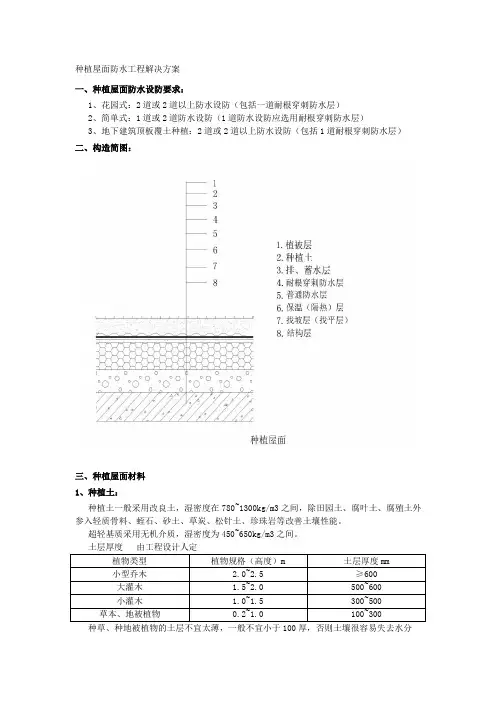
种植屋面防水工程解决方案
一、种植屋面防水设防要求:
1、花园式:2道或2道以上防水设防(包括一道耐根穿刺防水层)
2、简单式:1道或2道防水设防(1道防水设防应选用耐根穿刺防水层)
3、地下建筑顶板覆土种植:2道或2道以上防水设防(包括1道耐根穿刺防水层)
二、构造简图:
三、种植屋面材料
1、种植土:
种植土一般采用改良土,湿密度在780~1300kg/m3之间,除田园土、腐叶土、腐殖土外参入轻质骨料、蛭石、砂土、草炭、松针土、珍珠岩等改善土壤性能。
超轻基质采用无机介质,湿密度为450~650kg/m3之间。
土层厚度由工程设计人定
2、防水层做法及材料:
(1)材料:
1.1 弹性体SBS改性沥青防水卷材,厚度不应小于3mm,(注:可作为耐根穿刺防水层材料),执行标准GB18242-2008
1.2 聚乙烯丙纶复合防水卷材,厚度不应小于0.7mm,(注:可作为耐根穿刺防水层材料),
1.3 聚氯乙烯(PVC)防水材料,厚度不应小于1.2mm,(注:可作为耐根穿刺防水层材料),执行标准GB 12952-2011
1.4 自粘卷材APF-500自粘聚合物改性沥青防水卷材,厚度不应小于3mm,执行标准GB23441-2009
1.5 热塑性聚烯烃类(TPO)防水卷材,厚度不应小于1.2mm,(注:可作为耐根穿刺防水层材料),执行标准Q/JBRL002-2009。
中国人民银行武汉分行营业管理部种植屋面工程施工方案武汉鑫青龙防水保温工程有限公司2009年10月10日中国人民银行武汉分行营业管理部种植屋面工程施工方案第一章工程概况及编制依据一、工程概况本工程屋面构造设计为种植屋面,我公司根据多年来的种植屋面防水施工经验,结合工程实际,按照国家国家规范要求,编制本方案.二、编制依据1、国家《屋面工程防水技术规范》GB 50108—20012、国家《屋面工程质量验收规范》GB 50207-20024、本建筑物相关部位的建筑设计构造要求5、相关防水材料性能、用途及施工工艺要求6、本公司相关的质量保证手册第二章施工方案确定一、方案确定种植屋面结构:结构层→找坡层→刷基层处理剂一遍→1。
2mm厚氯化聚乙烯橡胶共混防水卷材→1。
5mm聚氨酯防水涂料→无机铝盐防水砂浆保护层→HDPE排水板→300克无纺布过滤层→生态土→植被层第三章、施工准备一、技术准备1、方案交底:施工方案内容,种植屋面作法、节点作法。
施工要点、难点,质量标准及保证质量的工艺关键,劳动组织、工程进度、安全、劳保。
2、工人技术培训:氯化聚乙烯橡胶共混防水卷材、聚氨酯防水涂料的性能及特点,涂刷、刮涂、铺贴的手法及卷材搭接缝粘贴、密封工艺、卷材的收头处理.保证涂膜厚度均匀的要点,每遍涂层间隔时间要求。
节点处理方法等。
二、物资准备1、材料准备:序号名称单位数量1 刷基层处理剂㎡2 1。
2mm 厚氯化聚乙烯橡胶共混防水卷材㎡ 3 1。
5mm 聚氨酯防水涂料㎡ 4 密封胶 ㎏ 5 卷材接缝胶粘剂 ㎏ 6 HDPE 排水板 ㎡ 7 300克无纺布 ㎡ 8生态土立方2、机具准备:氯化聚乙烯橡胶共混防水卷材施工的机具准备:序号 机具名称 用途 数量 单位 1 电动搅拌器 搅拌涂料 1 台 2 胶桶混合涂料 4 个 3 橡胶刮板 刮抹涂料 10 把 4 毛刷 涂刷细部 4 把 5 钢丝刷 清理管边 2 把 6 台称或杆称 称量A 、B 料 1 台或支 7 钢凿 处理基面 4 根 8 铁锤 处理基面 4 把 9 扫帚 清扫基层 6 把 10 剪刀 剪胎体材料 2 把三、现场准备1、交通运输道路安排:工程开工前,要调查防水材料从工厂至工地的水平运输道路是否畅通,如存在问题,应及早安排其他运输路线。
房屋屋顶种植屋面防水施工工艺流程什么是屋顶种植屋面屋顶种植屋面是将建筑屋顶利用起来种植植被的一种方式,其目的是将屋顶变为一个自然的生态系统,在带来美观的同时利用自然降雨水,达到节约水资源和建筑节能的目标。
同时,种植屋面还可以改善空气质量,缓解城市空气污染。
屋顶种植屋面防水施工工艺流程屋顶种植屋面的防水施工工艺是非常重要的,其施工质量直接影响到屋顶种植屋面的使用寿命和效果。
下面是一般的施工工艺流程:1. 屋面清理清理须彻底,包括清理各种表面杂物,如沙石,土壤,植被等。
2. 基层处理处理基层表面和结构平整度,常见的处理方法有去除凹凸不平的损坏层、打磨或铲除壁面结构毛糙斑点,再用机械手段清除锈蚀物或沉积物。
3. 看门狗防水看门狗防水是种植屋面屋顶防水施工中应用于通道地区、水槽等部位,其主要材料为水泥基封堵材料。
在施工时需要注意施工质量,如材料应均匀,排除空鼓,要求材料完全密合、风干充分,严防钢筋、砖石等杂质混入。
4. 防水涂料施工在看门狗防水材料固化后,将防水涂料涂刷在屋面的基层上。
在涂料施工时,应采取卷涂、刷涂等合适的方法,注意涂层厚度、涂刷面积、干燥时间等施工要求。
5. 底层保护层防水涂料干燥后,需要在其顶部施加底层保护层。
此时,要求保护层材料应符合国家标准,材质选用,施工要求严格,质量朴实稳定。
6. 水槽及其它细节处理在屋面施工过程中,需要处理一些细节部位,如水槽、排水管道、压盖板、天沟等。
对于这些部分,我们需要根据具体情况施工,保证施工质量。
7. 输水系统屋面种植过程中,需要为植物供水,因此需要建立一个输水系统。
其主要材料有PVC管、排水管、过滤器、喷头等。
其焊接方法采用电木板,采用电焊技术。
8. 基层处理层在成型后,我们需要再次确认防水层是否完全密实,并对防水层进行多次检查,最后再覆盖一层基层处理层,保证水槽、排水管道,天沟等部分整洁,确保施工质量。
总结通过以上八个步骤的施工,我们可以完成屋顶种植屋面的防水施工,从而在带来美观的同时实现节约资源和环保的目标。
种植屋面防水施工方案方案一:种植屋面防水施工方案1、引言随着社会的发展和进步,城市人口的大量增加,城市开发用地的日益昂贵,以及人们环境意识的增强,屋顶绿化已经越来越多的引起了社会的关注,种植屋面对环保、节能、改变城市绿化环境等有着极其重要的意义,屋顶绿化在许多建筑师眼里已经成为优质工程的一个设计内容,在园林工作者眼里更是一个改善生态和人居环境质量的重要手段。
世界上第一个地下停车场屋顶花园是美国旧金山的联邦广场,建于1924年,由蒂西莫设计建造,建成后成为旧金山最成功的商业中心区。
从1924年到现今,国内外建成大量地下停车场屋顶花园,地下停车场屋顶花园成了必然趋势。
地下停车场屋顶花园具有如下优点:1)保温隔热,优化建筑物附近环境,缓解“热岛效应”;2)保护建筑构造层,延长建筑物的使用寿命;3)通过储水,减轻城市排水系统的压力,降低干旱和洪水的危害;4)节约能源,屋顶花园是冬暖夏凉的“绿色空调”,大面积屋顶绿化的推广有利于缓解城市的能源危机;5)能够隔音,减低城市噪音;6)吸附灰尘,吸收有害气体;7)维护生物的多样性和保护自然环境;8)丰富城市景观,美化城市视觉环境,给城市带来艺术的美感,给人们提供更多的休息活动场所。
在地下停车场屋顶可以建设绿地、进行广场绿化,也可以设置水池、喷泉和一些大型设施,这些要素的应用使得阻根防水性能显得更为重要。
本方案主要以某工程下沉式车库顶板种植绿化为主要内容,提出种植屋面各层次与防水层的关系,以及推荐使用种植屋面防水构造设计。
2、防水设计方案屋顶花园的屋面长时间处于有水状态,对防水层的各项要求都很高,材料的选择是一方面,施工时对关键部位的节点处理同样重要,需采用耐久性、耐腐蚀性、抗渗性及耐穿刺性能较好的防水材料,施工时的精心操作。
由于本工程为下沉式车库顶板种植,所以根据编制依据jgj155-20XX《种植屋面工程技术规程》设计应为以下几个部分:找坡层、找平层、普通防水层、sbs化学根阻防水层、排水层、过滤蓄水层、种植土层及种植植被层。
种植屋面防水施工方案1. 引言种植屋面是一种创新的建筑设计,它将屋顶空间利用起来,实现了绿化、节能的目标。
然而,由于屋面面临严峻的环境条件,如阳光、雨水、温度变化等,屋面防水是确保屋面长期稳定运行的关键因素。
本文将介绍一种种植屋面的防水施工方案,以确保屋面的可靠性和持久性。
2. 材料准备在开始种植屋面防水施工之前,需要准备以下材料: - 防水卷材:选择合适的防水卷材,如SBS改性沥青防水卷材或PVC防水卷材。
- 防水胶水:用于固定和粘接防水卷材的专用胶水。
- 防水涂料:可选择水性或溶剂型的防水涂料,根据实际情况选择合适的涂料。
- 胶带和封口胶:用于修补防水层的破损或接缝处的漏水。
- 防水阻水板:用于增加屋面的防水层厚度和耐久性。
- 渗水板:用于增加屋面的保温性能和防潮性能。
3. 施工步骤以下是种植屋面防水施工的一般步骤:3.1 准备工作在进行施工之前,需对屋面进行清理,清除任何杂物、积水和残留物。
确保屋面表面平整、干燥,以便后续的防水施工操作。
3.2 底层涂料施工首先,在屋面表面涂刷一层防水涂料,以增加屋面的防水性能。
涂料应均匀覆盖整个屋面,并在涂料干燥后进行下一步施工。
3.3 防水卷材铺设在底层涂料干燥后,开始铺设防水卷材。
根据屋面的形状和大小,将防水卷材进行切割,并用防水胶水固定在屋面上。
确保卷材之间有重叠,并使用胶带和封口胶密封接缝处,以防止漏水。
3.4 防水阻水板安装在防水卷材铺设完成后,可以考虑安装防水阻水板。
将防水阻水板切割成适当的尺寸,并用螺丝固定在屋面上。
防水阻水板可以增加屋面的防水层厚度和耐久性,提高整个屋面的防水性能。
3.5 渗水板安装最后,可以考虑安装渗水板。
将渗水板切割成适当的尺寸,并放置在屋面上。
渗水板可以增加屋面的保温性能和防潮性能,保护屋面免受渗水和潮气侵害。
4. 施工注意事项在进行种植屋面防水施工时,需要注意以下事项:•选择合适的材料:根据屋面的实际情况选择合适的防水卷材、胶水和涂料等材料,以确保施工质量和屋面的持久性。
种植屋面的防水施工工艺(一)防水处理。
1、屋面的做法细石混凝土+外加剂(如加气剂、防水剂、膨胀剂等),一种是无隔离层的做法,即在钢筋混凝土屋面板上直接浇捣35mm~40mm厚的细石混凝土,内可配双向200mm×202mm钢筋网;另一种是有隔离层的做法,使基层与防水层脱防,避免因屋面基层变形对防水层的影响。
可用砂、粘土砂浆、废机油或水泥纸袋、薄膜等做隔离层。
刚性防水屋面的要求:1)材料要求:细石混凝土标号应不小于C2 0,宜采用普通硅酸盐水泥,其标号不小于C40,水泥用量应不小于320kg/m3,水灰比以0.5~0.55为宜。
用洗净的坚硬碎石或砾石,其粒径为5mm~13mm。
砂子的粒径为0 .3mm~0 .5mm。
含泥量不超过3 %。
2)结构要求:刚性防水屋面的支承结构,应有良好的整体性,为防止屋面板产生过大变形,选择屋面板时应以板的刚度作为主要依据,同时考虑施工荷载。
3)施工要求:施工保证质量,局部边角施工要到位。
为使屋面板与防水层更紧密的结合,屋面板应先浇水湿润,并刷水灰比为0.6的纯水泥浆,纵横各一道。
浇混凝土后,应用重30kg~50kg的石滚,来回纵横滚压,直到压出似拉毛状的水泥浆时,随即抹平,使表面光滑平整,当防水层表面能走动不留脚印时,覆盖浇水养护七昼夜。
屋面板缝宽度要均匀,上口宽不小于 3 0mm,下口宽不大于2 0mm,相邻板面高度差不大于 1 0mm。
2、PVC防水卷材(高分子防水材料),排水层的坡度要大于3 %,视环境采取有组织外排水或内排水。
3、排水层的设计(粗粒排水+蓄水层10cm)排水层用200mm厚陶粒,非级配的砾石子或焦碴,膨胀蛭石或浮石等大颗粒土层,既可迅速排除底层积水,又对人工土的通气和储水有着良好的改善作用。
排水系统要与原屋顶排水系统保持一致,设法阻止种植物枝叶或泥沙等杂物流入排水管道。
大型种植池排水层下的排水管道要与屋顶排水口相配合,使种植池内多余的浇灌水顺畅排出。
种植屋面阻根防水层施工工法种植屋面阻根防水层施工工法一、前言种植屋面阻根防水层施工工法是一种在屋面上种植植物的同时,设置阻根防水层以保护建筑结构和防止水渗透的施工工法。
本文将介绍该工法的特点、适应范围、工艺原理、施工工艺、劳动组织、机具设备、质量控制、安全措施、经济技术分析以及实际工程实例。
二、工法特点种植屋面阻根防水层施工工法具有以下特点:1. 绿色环保:通过在屋面上种植植物来美化环境,提高空气质量。
2. 节能降温:通过植物的蒸腾作用,减少太阳辐射的热量,降低室内温度。
3. 长寿防水:利用阻根防水层,有效防止雨水渗入建筑结构,延长屋面的使用寿命。
4. 声音吸收:植物的叶片可以吸收噪音,改善居住环境。
5. 抗震减灾:植物根系可以增加结构的稳定性,提高抗震能力。
三、适应范围种植屋面阻根防水层施工工法适用于多种建筑类型,包括居住建筑、商业建筑、工业建筑等,尤其适用于城市屋顶绿化项目和住宅小区。
四、工艺原理种植屋面阻根防水层的工艺原理是在屋面上先设置阻根层,然后进行屋面构造层的施工,最后种植植物。
阻根层可以是阻根膜或特殊的防渗材料,其主要作用是阻止植物根系渗透到建筑结构中并防止水渗透。
施工时需要注意阻根层与屋面结构的牢固连接以及与屋面防水层的良好密封。
五、施工工艺1. 准备工作:清理屋面表面,确保干净整洁。
检查屋面结构,修复任何破损的部分。
2. 阻根层施工:按照设计要求,将阻根层材料铺设在屋面上,确保与屋面结构紧密连接,并与屋面防水层进行密封处理。
3. 屋面构造层施工:根据设计要求,进行屋面保温、排水和隔热层的施工,并对连接部位进行严密处理。
4. 种植植物:按照设计方案,在屋面上种植适合生长的植物,注意选择适应当地气候和屋面条件的植物。
六、劳动组织种植屋面阻根防水层施工工法需要组织具备相关经验和技能的施工队伍,并配备专业的技术人员进行指导和监督。
七、机具设备种植屋面阻根防水层施工工法所需的机具设备包括施工车辆、吊篮、铺装机、喷涂设备、植物种植工具等。
地下室及地下室顶板种植屋面防水施工设计方案一、背景介绍二、设计原则1.综合考虑防水性能和绿色环保要求,选择适合的种植屋面材料;2.根据地下室结构和周围环境的特点,确定防水层的布置方式;3.设计合理的排水系统,确保屋面排水畅通;4.结合地下室屋面的草坪、花坛等绿化设计,在防水的同时美化环境。
三、施工步骤1.地下室屋面处理(1)清理地下室屋面,确保表面无油污、杂物等;(2)检查地下室屋面结构,修复破损部分;(3)涂刷底涂材料,提高防水层的附着力和耐候性。
2.防水层施工(1)根据设计要求,选择适合的防水材料,如SBS改性沥青防水卷材;(2)根据地下室屋面结构确定防水层的铺设方式,可采用全铺、粘贴、冷熔焊接等方法;(3)在施工过程中,要注意防水材料的接缝处理,确保密封牢固,防止水分渗透;(4)防水层的边缘处理要仔细,采用拉结、刷胶等方法,确保与墙体紧密贴合。
3.排水系统设计(1)根据地下室屋面的坡度和建筑的排水需求,设计合理的排水系统,包括排水管道和排水口;(2)排水管道要满足耐腐蚀、耐压力和耐低温的要求;(3)排水口的设计要便于维护和清理,确保排水畅通。
4.绿化设计(1)根据地下室屋面的草坪、花坛等绿化要求,设计绿化区域的布局和种植方式;(2)选择适合地下室环境和防水层的绿化植物,确保其生长健康;(3)绿化区域的土壤要考虑适度肥沃和通气性,提供合适的生长环境;(4)定期对绿化区域进行养护和修剪,保持绿意盎然的效果。
四、安全和质量控制1.施工过程中要严格按照规范操作,确保施工质量;2.使用合格的材料和设备,确保防水层的性能;3.定期进行施工现场的安全检查,保障工人的安全;4.施工完成后进行验收,检查防水层的完整性和排水系统的功能。
五、风险评估和对策1.地下室及地下室顶板的种植屋面防水施工涉及安全风险,施工前应进行全面的安全评估,并采取相应的安全措施,如搭设安全网等;2.预防材料质量问题,选择优质的材料供应商,进行产品质量检测;3.对绿化区域进行养护管理,防止绿化植物生长带来的风险,如倒伏、疫病等。
第1篇一、工程概况种植屋面是一种新型屋面工程技术,适用于屋顶绿化、景观美化、节能减排等方面。
本工程为某住宅小区屋顶绿化项目,屋面面积为10000平方米,采用绿色环保材料,设计为草坪和灌木花卉为主的屋顶花园。
二、施工准备1. 施工材料:选择环保、耐久、透水性能好的种植屋面专用防水材料、种植土、绿化植物、排水系统、灌溉系统等。
2. 施工设备:挖掘机、推土机、装载机、洒水车、修剪机、喷雾机等。
3. 人员组织:成立项目组,明确各岗位职责,进行技术培训和安全教育。
三、施工步骤1. 防水层施工(1)对屋面进行清理,确保表面平整、无油污、无杂物。
(2)铺设防水卷材,采用搭接法,确保卷材平整、牢固。
(3)在防水层上铺设保温层,采用挤塑聚苯板,厚度为50mm。
(4)铺设防水层,采用防水涂料,厚度为2mm。
2. 排水系统施工(1)设置排水沟,采用PVC排水管,坡度为1%。
(2)在排水沟上方设置排水孔,孔径为100mm。
(3)安装排水管,确保排水畅通。
3. 灌溉系统施工(1)设置灌溉主管道,采用PVC灌溉管,直径为100mm。
(2)在灌溉主管道下方设置灌溉支管,直径为50mm。
(3)安装灌溉喷头,确保喷头均匀分布。
4. 种植土施工(1)在防水层上铺设土工布,防止植物根系穿透防水层。
(2)在土工布上铺设种植土,厚度为200mm。
(3)对种植土进行平整、压实。
5. 植物种植(1)选择适宜的植物,如草坪、灌木花卉等。
(2)按照设计要求,将植物种植在种植土中。
(3)对植物进行浇水、施肥、修剪等养护工作。
四、施工质量控制1. 防水层施工:确保防水层平整、牢固,无破损。
2. 排水系统施工:确保排水畅通,无积水。
3. 灌溉系统施工:确保灌溉均匀,满足植物生长需求。
4. 种植土施工:确保种植土厚度、压实度符合要求。
5. 植物种植:确保植物成活率,生长良好。
五、施工安全1. 严格遵守施工现场安全规定,确保施工人员安全。
2. 施工过程中,注意防止意外伤害。
种植屋面防水施工方案流程对于屋面工程所采纳的防水、保温隔热资料应有产品合格证书和性能检测报告,资料的品种、规格、性能等应切合现行国产业品标准和设计要求。
下边是为大家的种植屋面防水施工方案流程,欢迎大家参照借鉴。
屋顶花园的分类、混凝土屋面绿化(重型屋顶花园)、轻钢、木质屋面绿(轻型屋顶花园)屋顶花园要考虑到的问题及其解决方案、种植屋面防水所需解决的问题防备渗水;防备植物根系刺穿防水层,穿透建筑物;2、解决方案针对重型屋顶花园,城工防水种植屋面防水采纳双层防水系统,第一层为一般防水层,可有效的解决渗漏水的问题;第二层为种植用抗根防水层,该防水层拥有化学阻根的作用,可有效地解决植物根系刺穿防水层的问题。
针对轻型屋顶花园,因种植系统整体自重轻,可采纳拥有物理阻根性能的高分子防水卷材,解决防水与植物根系穿刺的问题。
种植屋面是一套系统工程,此中尤其重要的是抗根防水层。
当前为止,我国独一具备抗根防水卷材检测资质的机构为北京园林科学研究院。
屋顶花园的施工特别要注意的就是两点一是承重,二就是防水了,这两点粗心不得,屋顶花园要建在经查收、检测,完整切合国家建筑结构、屋顶荷载切合安全完工查收标准的建筑结构的顶面上。
检查荷载。
建筑花园式屋顶绿化建筑净荷载应当每平方米不低于300公斤。
施工安全办理。
为保证屋面防水、排水和消防要求,植物的种植面不可以直接凑近建筑立面边沿,要以20-50厘米的砾粒带或轻质物质带隔绝。
在屋顶绿化的下水口、排水察看孔、通气孔等处应当以10厘米的砾粒带或轻质物质带隔绝。
测试屋顶现有防水能力,做闭水试验。
若漏水,先做好防水层。
有效防备渗水入的安全防备层,一般包含柔性防水,刚性防水和涂膜防水层。
搁置隔断根膜。
为防备植物根系穿透防水层,在防水层上要特意设置隔根层,防止对建筑结构造成损坏。
铺装保湿毯,保持营养基质水分。
铺装蓄排水通气板,改良植物根部与基质的通气情况。
搁置过滤膜,防备人工合成基质颗粒随水流失。
种植屋面防水层施工方案1.施工工艺:基层处理一定位、弹线T刷冷底子油-细部节点处理、附加层T铺贴卷材一搭接边密封一检查验收2、基层要求(1)基层表面已清理,清除基层表面的灰尘、杂物。
基本平整,无明显突出部位;卷材防水屋面基层与突出屋面结构的交接处,以及基层的转角处,均应做成圆弧,内部排水的水落口周围应做成略低的凹坑。
(2)施工时基面不得有明水,如有积水部位,则需进行排水后才可施工;基层含水率检测:剪一块lm2的卷材平铺于基层表面,静置3-4小时,然后揭开卷材观察其下方基层面及防水卷材,如未见水印,即可铺设防水层。
(3)各种预埋件、配件已安装完毕,固定牢固,阴阳角已处理。
(4)施工现场安全防护设施齐全,按规定放置消防器材。
(5)基层应会同监理工程师验收合格后方可进行防水的施工。
3、涂刷基层处理剂:在基层表面满刷一遍冷底子油,底油的施工也按先高后低、先远后近、先立面后平面的顺序进行。
同一屋面上先涂刷排水较集中的水落口、天沟、檐口等节点,再进行大面积的涂布。
屋面转角及立面的涂刷层应薄涂多遍,不得有流淌和堆积现象。
涂刷要均匀、不透底、遮盖率100%,底油总厚度不得小于3mm。
在底油实干前,对导在防水层上进行其它施工作业,不得上人和堆放物品。
4、附加层施工:屋面女儿墙、排风道出屋面、楼梯间(电梯间)外墙根部、阴阳角部位加铺一层同质卷材附加层,将卷材裁成相应的形状进行热熔满贴,宽度500mm,附加层施工必须粘贴牢固。
水落斗周围与屋面交接处,应做密封处理,并加铺两层附加层,附加层深入水落斗的深度不得小于100mm。
檐沟及阴阳角处按构造需要增设一层附加层,附加层在上部转角处为200mm宽空铺层。
5、铺贴卷材(1)确定铺贴方向、弹基准线:冷底子油涂刷完毕3小时后,手摸感觉不粘即可根据卷材的宽度和搭接的规定,在冷底子油上进行弹线。
弹线由排水较集中的部位开始,遵照由低到高、先平面后立面的顺序弹基准线。
(2)做样板:在大面积铺贴施工前,施工队要按照技术要求及细部做法做50πf样板,经项目、甲方、监理验收合格后,进行大面积施工。
种植屋面防水改造施工一、方案确定种植屋面结构:结构层→找坡层→刷基层处理剂一遍→1.2mm厚氯化聚乙烯橡胶共混防水卷材→1.5mm聚氨酯防水涂料→无机铝盐防水砂浆保护层→HDPE 排水板→300克无纺布过滤层→生态土→植被层3.4.2 下面将详细介绍种植屋面耐根穿刺防水层的施工工艺。
3.4.2.1 耐根刺防水层施工的基本要求(1)耐根刺防水层上宜做保护措施,要求如下:①当用细石混凝土做保护层时,保护层下面应铺设隔离层。
②当用水泥砂浆做保护层时,应设置分格缝,分格缝间距宜为6m。
③当用聚乙烯膜、聚酯无纺布做保护层,应选择空铺法施工,搭接宽度不应小于200mm。
(2)用于坡面的时候,必须采用防滑措施。
(3)耐根刺防水层的沥青防水卷材与普通防水层的沥青防水卷材复合时,采用热熔法施工;耐根刺防水层的高分子防水卷材与普通防水层的高分子防水卷材与普通防水层的高分子防水卷材复合时,采用冷粘法施工;耐根穿刺防水材料与普通防水材料不能复合时,可空铺施工。
(4)高密度聚乙烯土工膜宜空铺法施工,其搭接宽度应为100mm,单焊缝的有效焊接宽度不应小于25mm,双焊缝的有效焊接宽度应为空腔宽度再加上20mm,焊接应严密,不得焊焦、焊穿;焊接卷材应铺平、顺直;变截面部位的卷材接缝施工应采用手工或机械焊接,采用机械焊接时,应适用与压焊配套的焊条焊接。
(5)聚氯乙烯防水卷材宜采用冷粘法铺贴,大面积采用空铺法施工时,距屋面周边800mm内的卷材应与基层满粘;当搭接采用热风焊接施工时,卷材长边和短边的搭接宽度不应小于100mm,单焊缝的有效焊接宽度应为25mm,双焊接的有效焊接宽度应为空腔宽度再加上20mm。
(6)铝胎聚乙烯复合防水卷材宜与普通防水层满粘或空铺,卷材搭接缝采用双焊缝搭接时,搭接宽度不应小于100mm,双焊缝的有效焊接宽度应为空腔宽度再加上20mm。
(7)聚乙烯丙纶防水卷材-聚合物水泥胶结料复合防水层施工,其聚乙烯丙纶防水卷材应采用双层铺设;聚合物水泥胶结料应按要求配制,厚度不应小于1.3mm,宜采用刮涂法施工;卷材长边和短边的搭接宽度不应小于100mm。
屋顶防水种植施工方案1. 概述屋顶防水种植是指在建筑物的屋顶上进行绿化工程,并通过防水措施来保护建筑物的结构。
这种种植方式不仅能提高建筑物的环境质量,还可以起到隔热、隔音、节能等效果。
本文将介绍一种屋顶防水种植的施工方案。
2. 施工方案2.1 材料准备在进行屋顶防水种植施工前,需要准备以下材料:•植物种子或苗木:根据项目要求选择适合屋顶环境的植物;•防水材料:例如防水卷材、防水涂料等;•排水材料:例如排水板、排水管等;•基础设施材料:例如围护栏、护坡砖等;•其他辅助材料:例如土壤改良材料、施工工具等。
2.2 施工步骤步骤一:评估屋顶状况在施工前,需要对屋顶的结构和承重情况进行评估。
确保屋顶能够承受种植层的重量,并且没有严重的漏水问题。
步骤二:基础设施施工在屋顶上搭建基础设施,例如围护栏、护坡砖等。
这些设施能够保护种植区域并便于日后维护。
步骤三:防水处理进行屋顶防水处理,以保证屋顶不会渗水。
根据具体情况选择合适的防水材料,例如防水卷材或防水涂料。
将防水材料覆盖在屋顶表面,并确保与屋顶的连接处密封完好。
步骤四:排水施工安装排水设施,以保证屋顶能够有效排水。
可以使用排水板进行排水,同时设置排水管将积水导出。
步骤五:土壤处理在屋顶上铺设适宜的土壤。
根据种植物的需要,进行土壤改良,增加肥料和有机质。
步骤六:种植植物根据设计方案,在准备好的土壤上种植植物。
根据植物的种植要求进行浇水和养护。
2.3 注意事项•在进行屋顶防水种植施工前,务必对屋顶的结构和承重情况进行评估,确保屋顶能够承受种植层的重量。
•使用优质的防水材料,确保屋顶能够有效防水,防止漏水问题。
•合理设计排水系统,确保屋顶能够及时排水,避免积水情况发生。
•在种植植物时,根据植物的种植要求选择合适的土壤,并进行适当的浇水和养护。
3. 总结通过屋顶防水种植施工方案,我们可以在建筑物的屋顶上进行绿化工程,并起到隔热、隔音、节能等效果。
在施工过程中,需要做好屋顶评估、基础设施施工、防水处理、排水施工和土壤处理等步骤,同时注意事项也不能忽视。
种植屋面防水施工方案方案一:种植屋面防水施工方案1、引言随着社会的发展和进步,城市人口的大量增加,城市开发用地的日益昂贵,以及人们环境意识的增强,屋顶绿化已经越来越多的引起了社会的关注,种植屋面对环保、节能、改变城市绿化环境等有着极其重要的意义,屋顶绿化在许多建筑师眼里已经成为优质工程的一个设计内容,在园林工作者眼里更是一个改善生态和人居环境质量的重要手段。
世界上第一个地下停车场屋顶花园是美国旧金山的联邦广场,建于1924年,由蒂西莫设计建造,建成后成为旧金山最成功的商业中心区。
从1924年到现今,国内外建成大量地下停车场屋顶花园,地下停车场屋顶花园成了必然趋势。
地下停车场屋顶花园具有如下优点:1)保温隔热,优化建筑物附近环境,缓解“热岛效应”;2)保护建筑构造层,延长建筑物的使用寿命;3)通过储水,减轻城市排水系统的压力,降低干旱和洪水的危害;4)节约能源,屋顶花园是冬暖夏凉的“绿色空调”,大面积屋顶绿化的推广有利于缓解城市的能源危机;5)能够隔音,减低城市噪音;6)吸附灰尘,吸收有害气体;7)维护生物的多样性和保护自然环境;8)丰富城市景观,美化城市视觉环境,给城市带来艺术的美感,给人们提供更多的休息活动场所。
在地下停车场屋顶可以建设绿地、进行广场绿化,也可以设置水池、喷泉和一些大型设施,这些要素的应用使得阻根防水性能显得更为重要。
本方案主要以某工程下沉式车库顶板种植绿化为主要内容,提出种植屋面各层次与防水层的关系,以及推荐使用种植屋面防水构造设计。
2、防水设计方案屋顶花园的屋面长时间处于有水状态,对防水层的各项要求都很高,材料的选择是一方面,施工时对关键部位的节点处理同样重要,需采用耐久性、耐腐蚀性、抗渗性及耐穿刺性能较好的防水材料,施工时的精心操作。
由于本工程为下沉式车库顶板种植,所以根据编制依据jgj155-XX《种植屋面工程技术规程》设计应为以下几个部分:找坡层、找平层、普通防水层、sbs化学根阻防水层、排水层、过滤蓄水层、种植土层及种植植被层。
剖面图如图2:3、各分项工程施工工艺找坡层找平层施工:根据技术规程规定,应设置自流排水系统,适度的坡度有利于多余水分的排泄,使土壤的水分不至于聚集过多而影响植物根系的生长。
a)找坡层材料配比应符合设计要求,表面应平整。
b)找坡层采用水泥拌合的轻质散状材料时,施工环境温度应在5℃以上,当低于5℃时应采取冬期施工措施。
c)找平层应坚实平整,无酥松、起砂、麻面的凹凸现象。
d)屋面基层与突出屋面结构的交接处,以及基层的转角处均应做成圆弧。
内部排水的水落口周围应做凹坑。
e)找坡层的材料宜选择轻质材料,推荐使用轻质陶粒混凝土。
f)找平层可用1:水泥砂浆铺设厚度为厚的水泥砂浆找平层,找平层应留设间距不大于6m的分割缝。
普通防水层(普通sbs防水卷材)和化学根阻型防水材料施工:a)采用热熔法满粘或胶粘剂满粘的防水卷材防水层的基层应干燥、干净。
b)防水层施工前,在阴阳角、水落口、突出屋面管道根部、泛水、天沟、檐沟、变形缝等细部构造处,加设防水增强层。
c)当顶板坡度小于15%时,卷材应平行屋脊铺贴;大于15%时,卷材应垂直面脊铺贴。
上下两层卷材不得互相垂直铺贴。
d)铺贴卷材时应平整顺直,不得扭曲,长边和短边的搭接宽度均不应小于100mm;火焰加热应均匀,以卷材表面沥青熔融至光亮黑色为度,不得欠火或过分加热卷材;卷材表面热熔后应立即滚铺,滚铺时应排除卷材下面的空气,并辊压粘贴牢固;卷材搭接缝应以溢出热熔的改性沥青为度,并均匀顺直;e)采用条粘法施工时,每幅卷材与基层粘结面不应少于两条,每条宽度不应小于150mm。
普通防水层和化学根阻型防水层施工工法相同。
耐根穿刺防水材料的选用,《规程》中规定必须选用符合国家相关规定,并具有资质的检测机构出具的合格的耐根穿刺检测报告(目前国内唯一具有相关检测资质的机构为北京市园林科学研究所)。
北京世纪洪雨科技有限公司生产的“绿茵”牌sbs改性沥青耐根穿刺种植屋面专用防水卷材已通过德国lanxess机构认可;后经两年的试验,于XX年7月成为国内首批通过北京园林科学研究所检测合格并获得检测报告的企业。
该产品是以长纤聚酯纤维毡为胎基,以添加进口化学根阻剂的sbs改性沥青为涂盖材料而制成的改性沥青卷材。
其特点如下:具有防水和阻止植物根系穿透双重功能,能够承受植物根须穿刺,长久保持防水功能;采用进口的化学制剂改性沥青,既耐植物根系穿刺,又不影响植物正常生长,且对环境无污染;由于耐根穿刺的有效介质是沥青涂盖层,很好的解决了铜胎基及复合铜胎箔卷材接缝处理的弊端,更有效的阻止植物根系的穿透;抗拉强度高,延伸率大,对基层收缩变形和开裂的适应能力强;优异的耐高低温性能,冷热地区均适用,而且不受天气温度的限制;热熔法施工,施工方便且接缝可靠耐久。
grp“绿茵”sbs改性沥青耐根刺防水卷材的产品性能指标:排(蓄)水层和过滤层施工:a)排水层必须与排水系统连接,保证排水畅通。
b)塑料排(蓄)水板宜采用搭接法施工,搭接宽度不应小于100mm。
c)网状交织排(蓄)水板宜采用对接法施工。
d)采用轻质陶粒作排水层时,铺设应平整,厚度应一致。
e)过滤层空铺于排(蓄)水层之上时,铺设应平整、无皱折,搭接宽度不应小于100mm。
f)过滤层无纺布的搭接,应采用粘合或缝合。
g)排水层材料的选用我公司建议使用凹凸型排水板,其优点在于安装方便且荷载轻。
4、种植土层种植土层可选用田园土、改良土或无机复合种植土。
由于是下沉式车库顶板,种植土层厚,我公司建议选用田园土,取土方便,价格低廉,湿密度1500—1800kg/立方米。
5、植被层植物材料的选择植被层植物的选用应符合工程所在地,应选择适合种植的乔灌木及地被植物,详细植物种类参考园林设计部门的植株种类。
植物的固定与防风对于一些高大乔木,由于地下停车场屋顶花园种植层较薄,所以树木的固定与防风,防倾就是一个棘手的问题。
我们常采用地上支护法(简单易行)和地下固定法(美观,不影响景观效果)。
6sbs改性沥青耐根刺防水卷材应用实例中央党校中直机关大有北里专家住宅中央党校中直机关大有北里专家住宅采用4mm厚sbs改性沥青化学耐根穿刺防水卷材,这种卷材是以长纤聚酯胎为胎基,以添加进口化学阻根基的sbs改性沥青为涂盖层,两面覆以pe膜的改性沥青卷材,其耐低温性能较好。
植被层的植物选择的是灌木类植物和地被植物如月季和景天类植物等。
北京大学校医院车库顶板北京大学校医院车库顶板同样采用4mm厚的sbs改性沥青化学耐根穿刺防水卷材,以长纤聚酯胎为胎基,以添加进口化学阻根基的sbs改性沥青为涂盖层,两面覆以pe膜的改性沥青卷材。
植被层的植物选择的是海棠,迎春,月季和景天类植物等。
6、结束语地下停车场屋顶花园系统的发展前景是巨大的,也是必然的。
屋顶花园是一种趋势,能够提高城市绿化覆盖率,改善生活环境,同时也是各国政府提倡和资助的项目。
世纪洪雨公司认为在工程施工过程中,首先应该综合考虑防水工程造价和使用期,更加强调实用功能的提高,然后重视防水设计与施工工艺、防水材料与结构及基层、施工时间与环境之间的匹配、协同和优化,以优质材料为基础,狠抓工程施工质量,以此来达到最佳的防水效果。
方案二:种植屋面防水施工方案第一章工程概况及编制依据一、工程概况本工程屋面构造设计为种植屋面,我公司根据多年来的种植屋面防水施工经验,结合工程实际,按照国家国家规范要求,编制本方案。
二、编制依据1、国家《屋面工程防水技术规范》gb50108-XX2、国家《屋面工程质量验收规范》gb50207-XX4、本建筑物相关部位的建筑设计构造要求5、相关防水材料性能、用途及施工工艺要求6、本公司相关的质量保证手册第二章施工方案确定一、方案确定种植屋面结构:结构层→找坡层→刷基层处理剂一遍→厚氯化聚乙烯橡胶共混防水卷材→聚氨酯防水涂料→无机铝盐防水砂浆保护层→hdpe排水板→300克无纺布过滤层→生态土→植被层第三章、施工准备一、技术准备1、方案交底:施工方案内容,种植屋面作法、节点作法。
施工要点、难点,质量标准及保证质量的工艺关键,劳动组织、工程进度、安全、劳保。
2、工人技术培训:氯化聚乙烯橡胶共混防水卷材、聚氨酯防水涂料的性能及特点,涂刷、刮涂、铺贴的手法及卷材搭接缝粘贴、密封工艺、卷材的收头处理。
保证涂膜厚度均匀的要点,每遍涂层间隔时间要求。
节点处理方法等。
二、物资准备1、材料准备:2、机具准备:氯化聚乙烯橡胶共混防水卷材施工的机具准备:三、现场准备1、交通运输道路安排:工程开工前,要调查防水材料从工厂至工地的水平运输道路是否畅通,如存在问题,应及早安排其他运输路线。
防水材料运至工地之后,还要考虑从工地临时仓库到施工现场的道路是否畅通,垂直运输路线是否可行,如存在障碍,应协商甲方共同解决。
2、工作面清理:防水工程施工之前,应将工作面上的障碍物清除干净,基面应干燥,含水率应符合施工要求,保证施工顺利进行。
3、材料、工具堆放场地安排:防水材料和施工工具应分开堆放,协商甲方安排远离火源的仓库,并安排专人保管。
第四章施工工艺一、施工工艺流程1、工艺流程:清理基层→涂刷基层处理剂→附加层处理→卷材表面涂胶→基层表面涂胶→卷材的粘结→排气、压实→卷材接头粘结→压实→卷材末端收头及封边处理→涂刷聚氨酯防水涂料→无机铝盐防水砂浆保护层施工→铺设hdpe 排水板→铺300克无纺布过滤层→铺撒生态土→种植植被。
2、操作工艺要点(1)施工前将验收合格的基层清扫干净,涂刷基层处理剂。
(2)附加层施工阴阳角、管根、水落口等部位必须先做附加层,可采用自粘性密封胶带或聚氨酯涂膜。
(3)涂刷基层胶粘剂在找平层和卷材表面分别涂刷基层胶粘剂。
条粘法:在找平层表面打线,按线涂布基层胶粘剂,卷材表面按对应位置打线,涂布胶粘剂。
(4)卷材粘贴卷材表面及找平层涂刷的基层胶粘剂干燥后,即可铺贴卷材。
按基准线,铺展一张卷材后,立即用干净的滚刷沿横向顺序滚压一遍,以便排除空气。
(5)卷材按长方向配置,从流水坡度的下坡开始,平行于屋脊的搭接缝应顺流水方向搭接;垂直于屋脊的搭接方向应顺主导风向搭接。
卷材接缝宽度为100mm。
粘结方法:将搭接缝部位翻开,用卷材接缝胶粘剂将翻开的卷材反面点粘做暂时固定,在翻开的两卷材表面均匀涂布胶粘剂,待基本干燥后,即可揭开暂时固定的点粘进行搭接部位的粘贴,然后用手持压辊沿横向顺序滚压粘实。
(6)卷材末端的收头处理:搭接缝的边缘和末端收头处理,应用聚氨酯嵌缝膏封闭严密,并可用聚合物水泥砂浆进行压缝处理。
(7)涂刮聚氨酯防水涂料:将搅拌均匀的聚氨酯涂料倒在卷材面上,然后用橡胶刮板涂刮均匀。
待第一遍涂料表干后,再涂刮第二遍涂料,前后两遍的涂刮方向应互相垂直,涂刮两遍可达到设计厚度(8)清理、检查、修整:卷材铺设完毕后,将工地上残留的垃圾清理干净,并倒放到指定地点,做到人离场地清。