《加工铜及铜合金牌号和化学成分》
- 格式:doc
- 大小:183.50 KB
- 文档页数:11
铜及铜合金性能数据1 概述由纯铜和其他合金元素组成的铜合金一般分为以下几类:1)纯铜;2)黄铜——铜和锌的合金;3)锡青铜——铜和锡的合金;4)特殊青铜——铜基合金中不含锡而含有铝、镍、锰、硅、铁、铍、铅等特殊元素(二元多元)组成的合金;5)白铜——铜和镍的合金。
现就纯铜、黄铜和锡青铜的特性和用途分别简介如下:纯铜外观呈紫红色,习惯上称为紫铜。
它具有很多有价值的性能,是一种主要的有色金属,广泛用于各个工业部门中。
铜的密度8.89,熔点1083ºC,它的主要特性是:(1)有良好的导电性,在各类金属中仅次于银;铜质愈纯,导电性愈高,即电阻愈小。
(2)有好的导热性,在这方面仅次于银和金。
(3)在大气、淡水、海水中有很好的耐蚀性,所以铜制的水管和器皿能经久不坏。
(4)塑性高,能很好地承受各种冷、热压力加工。
其主要缺点是强度和硬度较低,不能用作结构零件。
它在工业上主要用途是制造电气工业上的导线和导电零件,以及用于配制各种合金。
纯铜加工产品分含氧铜(即一般纯铜)、无氧铜、磷脱氧铜和银铜四类,以板、棒、管、箔材半成品形式供应。
由于氧对铜的力学性能和工艺性能都有不良影响,特别是含有氧的铜在还原性气氛中加热时(如退火),氢向铜中扩散与氧形成水蒸气,以一定压力由铜中跑出,会造成显微裂纹,即发生通常所说的“氢病”。
因此,重要的电气用铜,一般都采用无氧铜。
黄铜的颜色随含锌量的增加,由黄红色变到淡黄色。
如果合金只由铜和锌组成,称为普通黄铜或锌黄铜。
普通黄铜的力学性能比纯铜高,价格也便宜得多,在一般情况下是不生锈也不会被腐蚀的;同时塑性好,能很好地承受热压和冷压加工,故广泛用于机器制造业中各种结构零件。
为了改善普通黄铜的性质,在铜锌合金中再加入锡、镍、锰、铅、硅、铝、铁等元素,变成为特殊黄铜。
各种元素对特殊黄铜的性能影响如下:锡能提高黄铜的强度并能显著提高其对海水的抗蚀性能,故有海军黄铜之称。
镍也能提高强度和抗蚀性,但因镍太贵,所以镍黄铜用得不多。
铜及铜合⾦系列C36000铅黄铜C36000延展性好,深冲性能好。
应⽤于钟表零件、汽车、拖拉机及⼀般机器零件。
铅黄铜切削加⼯性能优良,有⾼的减摩性能,⽤于钟表结构件及汽车拖拉机零件。
C36000化学成分:锌(Zn)余量,铅(Pb)2.4~3.0,铝(Al)≤0.5,铁(Fe)≤0.10,锑(Sb)≤0.005,磷(P)≤0.01,铋(Bi)≤0.002,铜(Cu)62.0~65.0,杂质总和%≤0.75ANK20⽆氧红铜产品说明:⽆氧红铜(Oxygen-free copper)型号:ANK-20 Madel:ANK-20标准:JIS-C1020P制造⼯艺:冷拔/冷轧/热轧产品特点:结构致密均匀,⽆⽓孔,砂眼,纯度⾼损耗⼩,导电导热延伸性能均佳,含氧量低于0.002%,性能优越,是精密模具放电加⼯的最佳之选.产品应⽤:适⽤于各种⾼精密模具的放电加⼯材料或⾼压电⽓开关等电器配件相关参数:硬度为HV86-102导电率⼤于等于59ms/m⽐重约8.9g/cm3提供板材、棒材、异型件加⼯ANK570钨铜合⾦钨铜合⾦(Tungsten copper)型号:ANK-5-70(ANK-是型号70表⽰钨含量约为70%) Model:ANK-5-70产品特性:铜钨合⾦综合铜和钨的优点,⾼强度/⾼⽐重/耐⾼温/耐电弧烧蚀/导电电热性能好/加⼯性能好,ANK钨铜采⽤⾼质量钨粉及⽆氧铜粉,应⽤等静压成型(⾼温烧结账-渗铜,保证产品纯度及准确配⽐,组织细密,性能优异.)提供板材、棒材、触点材、焊轮、电⼦封装⽚、异型件产品应⽤:应⽤于⾼硬度材料及溥⽚电极放电加⼯,电加⼯产品表⾯光洁度⾼,精度⾼,损耗低,有效节约材料。
有钨60/钨70/钨85/钨90可供选择。
主要参数:密度G/cm3(13.9)抗拉强度Mpa(≥680 )硬度HV(≥186 )硬度软化温度℃(≥1000)导电率IACS(%)(≥42 )热导率W/mk(247 )库存板、棒材供客户选择CuCrZr铬锆铜铬锆铜(CuCrZr)化学成分(质量分数)%( Cr:0.25-0.65, Zr:0.08-0.20)硬度(HRB78-83)导电率 43ms/m 软化温度550℃特点:具有较⾼的强度和硬度,导电性和导热性,耐磨性和减磨性好,经时效处理后硬度、强度、导电性和导热性均显著提⾼,易于焊接。
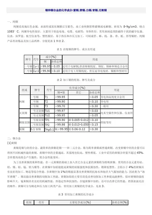
铜和铜合金的化学成分:紫铜,黄铜,白铜,青铜,无氧铜一、纯铜纯铜是玫瑰红色金属,表面形成氧化铜膜后呈紫色,故工业纯铜常称紫铜或电解铜。
密度为8-9g/cm3,熔点1083°C。
纯铜导电性很好,大量用于制造电线、电缆、电刷等;导热性好,常用来制造须防磁性干扰的磁学仪器、仪表,如罗盘、航空仪表等;塑性极好,易于热压和冷压力加工,可制成管、棒、线、条、带、板、箔等铜材。
纯铜产品有冶炼品及加工品两种。
分别见表1和表2。
表1 冶炼铜的牌号、成分及用途表2 加工铜的组别、牌号及成分二、铜合金(1)黄铜黄铜是铜与锌的合金。
最简单的黄铜是铜——锌二元合金,称为简单黄铜或普通黄铜。
改变黄铜中锌的含量可以得到不同机械性能的黄铜。
黄铜中锌的含量越高,其强度也较高,塑性稍低。
工业中采用的黄铜含锌量不超过45%,含锌量再高将会产生脆性,使合金性能变坏。
为了改善黄铜的某种性能,在一元黄铜的基础上加入其它合金元素的黄铜称为特殊黄铜。
常用的合金元素有硅、铝、锡、铅、锰、铁与镍等。
在黄铜中加铝能提高黄铜的屈服强度和抗腐蚀性,稍降低塑性。
含铝小于4%的黄铜具有良好的加工、铸造等综合性能。
在黄铜中加1%的锡能显著改善黄铜的抗海水和海洋大气腐蚀的能力,因此称为“海军黄铜”。
锡还能改善黄铜的切削加工性能。
黄铜加铅的主要目的是改善切削加工性和提高耐磨性,铅对黄铜的强度影响不大。
锰黄铜具有良好的机械性能、热稳定性和抗蚀性;在锰黄铜中加铝,还可以改善它的性能,得到表面光洁的铸件。
黄铜可分为铸造和压力加工两类产品。
常用加工黄铜的化学成分,见表3。
表3 常用加工黄铜的化学成分(2)青铜青铜是历史上应用最早的一种合金,原指铜锡合金,因颜色呈青灰色,故称青铜。
为了改善合金的工艺性能和机械性能,大部分青铜内还加入其它合金元素,如铅、锌、磷等。
由于锡是一种稀缺元素,所以工业上还使用许多不含锡的无锡青铜,它们不仅价格便宜,还具有所需要的特种性能。
加工铜及铜合金牌号和化学成分
摘要:
本文档旨在提供关于加工铜及铜合金牌号和其化学成分的详细信息。
首先,我们将介绍铜的重要性以及一些常用的加工铜产品。
然后,我们将详细列出不同牌号的铜合金,并提供其化学成分。
最后,我们将讨论不同牌号铜的应用领域和特点,为读者提供更全面的了解。
1.引言
铜是一种重要的金属材料,具有优异的导热性、导电性和耐腐蚀性。
由于其良好的加工性能和广泛的应用领域,铜及其合金在电子、建筑、航空航天和汽车等行业起着重要作用。
2.常见加工铜产品
2.1纯铜板材
2.2纯铜管材
2.3铜带材
2.4铜棒材
3.铜合金的牌号和化学成分
3.1黄铜
3.2铝青铜
3.3锌铝青铜
3.4锌镍铝青铜
4.牌号铜合金的应用领域和特点
4.1黄铜的应用和特点
4.2铝青铜的应用和特点
4.3锌铝青铜的应用和特点
4.4锌镍铝青铜的应用和特点
5.结论
本文详细介绍了加工铜及铜合金的牌号和化学成分。
了解不同牌号铜
合金的应用领域和特点可以帮助读者选择适合自己需求的材料。
希望本草
案能为读者提供全面的信息,以促进加工铜材料的应用和发展。
[1] Beall, G. H. (2002). Copper and copper alloys. ASM international.
注意:本文档为草案,具体内容可能会根据实际需求进行修改和完善。
管理及其他M anagement and otherGB21350—2023《铜及铜合金加工材单位产品能源消耗限额》之铜及铜合金管材部分解析魏连运摘要:强制性国家标准GB 21350—2023《铜及铜合金加工材单位产品能源消耗限额》已发布,于2024年6月1日实施。
该标准于2020年度启动整合修订,包括铜及铜合金板、带、箔材、管材、棒材、线材、电工用铜线坯铜加工材产品的能耗限额,其中铜及铜合金管材部分牵头修订起草单位为浙江海亮股份有限公司。
本文介绍了GB 21350—2023《铜及铜合金加工材单位产品能源消耗限额》中铜及铜合金管材部分修订背景,并对核心内容进行了解析。
关键词:铜及铜合金管材;能源消耗限额;标准;技术要求1 前言2017年1月14日,国务院标准化协调推进部际联席会办公厅印发了关于强制性标准整合精简的通知(国标委综合函[2017]4号),其中要求将现行的《铜及铜合金板、带、箔材单位产品能源消耗限额》(GB 29442—2012),与《铜及铜合金管材单位产品能源消耗限额》(GB 21350—2013)、《铜及铜合金棒材单位产品能源消耗限额》(GB 29443—2012)、《铜及铜合金线材单位产品能源消耗限额》(GB 29137—2012)、《电工用铜线坯》(GB 32046—2015)等5项标准精简整合修订为1项强制性国家标准《铜及铜合金加工材单位产品单位产品能源消耗限额》。
上述5项强制性国家标准共同构成了铜及铜合金加工材单位产品能源消耗限额标准体系,对铜加工企业能耗限额进行规定。
该系列标准2012年-2015年发布实施,实施年限平均已8年以上。
为使工厂向绿色、低碳发展,控制产品能源消耗势在必行,应及时修订现行国家标准。
随着科技的发展,有色金属加工业快速发展,铜及铜合金加工技术有了较大的发展,同时为统一铜及铜合金加工材能耗的计算原则、计算方法和统计范围等,对该系列标准进行整合修订。
接下来,文章针对GB 21350—2023《铜及铜合金加工材单位产品能源消耗限额》中的铜及铜合金管材部分(简称管材部分)的修订内容及背景进行解读。
c103材质执行标准
C103 是一种铜合金,执行标准为GB/T 5231-2012《加工铜及铜合金牌号和化学成分》。
以下是C103 材质的执行标准的相关内容:
1. 化学成分:C103 材质的铜含量不低于99.90%,其他杂质元素的含量应符合标准规定。
2. 物理性能:C103 材质的密度为8.9g/cm³,电导率为58.0MS/m,热导率为391W/(m·K)。
3. 力学性能:C103 材质的抗拉强度为220MPa,屈服强度为
60MPa,伸长率为45%。
4. 工艺性能:C103 材质具有良好的冷加工性能和热加工性能,可以进行冷加工、热加工、焊接等加工工艺。
5. 检验标准:C103 材质的化学成分、物理性能、力学性能等指标应符合标准规定,并经过相关的检验和试验。
C103 材质的执行标准可能会因不同的生产厂家和应用领域而有所差异,因此在使用C103 材质时,应根据具体情况选择适合的执行标准,并按照标准要求进行生产和检验。
国家标准《铜及铜合金带材》(送审稿)编制说明一、项目来源现行的GB/T 2059-2008《铜及铜合金带材》国家标准,2008年实施,距今已经7年多。
本标准修改采用JIS H3100-2006《铜及铜合金薄板、厚板和带材》和JISH3110-2006《磷青铜和镍银合金薄板、厚板和带材》,适用于所有一般用途的加工铜及铜合金带材。
同时GB/T 5231-2010《加工铜及铜合金牌号和化学成分》、GB/T 29094-2012《铜及铜合金状态表示方法》标准已发布实施,合金牌号和状态表示方法有何大的变化。
随着科技的发展,有色金属加工业快速发展,对铜及铜合金带材提出了更高、更新的发展,为适应国际市场的竞争需要,提高产品的竞争能力,使产品不断地打入国际市场,须及时修订现行标准国家。
根据国标委综合〔2015〕59号和有色标委[2015]29号《关于转发2015年第二批有色金属国家、行业标准制(修)订项目计划的通知》,其中序号44(项目编号“20152280-T-610”)《铜及铜合金带材》国家标准由中铝洛阳铜业有限公司、中铝上海铜业有限公司、宁波兴业盛泰集团有限公司、安徽楚江科技新材料股份有限公司、太原晋西春雷铜业有限公司、铜陵金威铜业有限公司、中色奥博特铜铝业有限公司、绍兴市力博电气有限公司、山东天圆铜业有限公司等负责起草,完成年限为2016年9月。
二、工作概况和编制依据由于时间紧,任务重,标准制订计划任务正式下达后,立即成立了标准编制组,并落实起草任务,确定标准的主要起草人,拟定该标准的工作计划。
具体分工为:中铝洛阳铜业有限公司总负责、市场和同行业信息收集、资料汇总及执笔;中铝上海铜业有限公司、宁波兴业盛泰集团有限公司、安徽精诚铜业股份有限公司、太原晋西春雷铜业有限公司、铜陵金威铜业有限公司、中色奥博特铜铝业有限公司、绍兴市力博电气有限公司、山东天圆铜业有限公司负责补充市场信息和标准数据的验证。
各企业分工明确,紧密合作,共同完成标准的修订工作。
加工铜及铜合金牌号和化学成分铜是一种常见的金属,广泛应用于各个领域。
加工铜及铜合金的牌号和化学成分是非常重要的信息,下面是一份关于加工铜及铜合金的牌号和化学成分的草案,供参考。
一、纯铜纯铜是指无任何其他金属或合金元素添加的铜材料。
纯铜的牌号通常以"TP"开头,常见的牌号有TP1、TP2、TP3等。
TP1牌号的化学成分如下:-铜含量:≥99.9%-锌含量:≤0.005%-铅含量:≤0.005%-镍含量:≤0.002%-锡含量:≤0.002%-铁含量:≤0.005%-锑含量:≤0.001%-砷含量:≤0.001%TP2牌号的化学成分如下:-铜含量:≥99.9%-锌含量:≤0.005%-铅含量:≤0.005%-镍含量:≤0.002%-锡含量:≤0.002%-磷含量:≤0.015%-硫含量:≤0.015%TP3牌号的化学成分如下:-铜含量:≥99.9%-镍含量:≤0.005%-铁含量:≤0.002%-锡含量:≤0.002%-铅含量:≤0.005%-锑含量:≤0.001%-砷含量:≤0.001%二、黄铜黄铜是铜和锌的合金,通常具有良好的加工性能和强度。
根据不同的锌含量,黄铜可以分为低黄铜、中黄铜和高黄铜。
1.低黄铜低黄铜为铜中掺入少量锌的合金,常见的牌号有HPb59、HPb58、HPb60等。
HPb59牌号的化学成分如下:-铜含量:≥57%-锌含量:37-43%-铅含量:≤0.8%-锡含量:≤0.3%-镉含量:≤0.03%HPb58牌号的化学成分如下:-铜含量:≥56%-锌含量:38-42%-铅含量:≤1%-锡含量:≤0.3%-镉含量:≤0.03%-砷含量:≤0.02%HPb60牌号的化学成分如下:-铜含量:≥55%-锌含量:39-41%-铅含量:≤1%-锡含量:≤0.3%-镉含量:≤0.03%-砷含量:≤0.02%2.中黄铜中黄铜为铜和锌的合金,锌的含量相对较高,常见的牌号有H62、H63、H65等。
加工用铜及铜合金的牌号、特性及应用序号组别牌号主要特性应用举例1.纯铜TI有良好的导电、导热、耐蚀和加工性能,可以焊接和钎焊。
含降低导电、导热性的杂质较少,微量的氧对导电、导热和加工等性能影响不大,但易引起“氢病”,不宜在高温(如>370℃)还原性气氛中加工(退火、焊接等)和使用用于导电、导热、耐蚀器材。
如:电线、电缆、导电螺钉、爆破用雷管、化工用蒸发器、贮藏器及各种管道等2.T23.T3有较好的导电、导热、耐蚀和加工性能,可以焊接和钎焊;但含降低导电、导热性的杂质较多,含氧量更高,更易引起“氢病”,不能在高温还原性气氛中加工、使用用于一般铜材,如:电气开关、垫圈、垫片、铆钉、管嘴、油管及其他管道等4.无氧铜TU1、TU2纯度高,导电、导热性极好,无“氢病”或极少“氢病”;加工性能和焊接、耐蚀、耐寒性均好主要用于电真空仪器仪表器件5.磷脱氧铜TP1焊接性能和冷弯性能好,一般无“氢病”倾向,可在还原性气氛中加工、使用,但不宜在氧化性气氛中加工、使用。
TP1的残留磷量比TP2少,故其导电、导热性较TP2高主要以管材应用,也可以板、带或棒、线供应。
用作汽油或气体输送管、排水管、冷凝管、水雷用管、冷凝器、蒸发器、换热器、火车厢零件6.TP27.银铜TAg0.1铜中加入少量的银,可显著提高软化温度(再结晶温度)和蠕变强度,而很少降低铜的导电、导热性和塑性。
实用的银铜其时效硬化的效果不显著,一般采用冷作硬化来提高强度。
它具有很好的耐磨性、电接触性和耐蚀性,如制成电车线时,使用寿命比一般硬铜高2~4倍用于耐热、导电器材。
如:电动机整流子片、发电机转子用导体、点焊电极、通信线、引线、导线、电子管材料等8.普通黄铜H95强度比纯铜高(但在普通黄铜中,它是最低的),导热、导电性好,在大气和淡水中有高的耐蚀性,且有良好的塑性,易于冷、热压力加工,易于焊接、锻造和镀锡,无应力腐蚀破裂倾向在一般机械制造中用作导管、冷凝管、散热器管、散热片、汽车水箱带以及导电零件等9.H90性能和H96相似,但强度较H96稍高,可镀金属及涂敷珐琅供水及排水管、奖章、艺术品、水箱带以及双金属片10.H85具有较高的强度,塑性好,能很好地承受冷、热压力加工,焊接和耐蚀性能也都良好冷凝和散热用管、虹吸管、蛇形管、冷却设备制件11.H80性能和H85近似,但强度较高,塑性也较好,在大气、淡水及海水中有较高的耐蚀性造纸网、薄壁管、皱纹管及房屋建筑用品12.H70H68有极为良好的塑性(是黄铜中最佳者)和较高的强度,可加工性能好,易焊接,对一般腐蚀非常安定,但易产生腐蚀开裂。
加工中国黄铜牌号及化学成分资料名称化学成分(质量分数)(%)不大于(注册范围值和余量值除外)牌号 代号 Cu Sn Ni Al FePbSbBiPAsMn S96 黄铜 H96 95.0~97.0 —— —— —— 0.1 0.03 0.0050 0.0020 0.01 —— —— —90 黄铜 H90 88.0~91.0 —— —— —— 0.1 0.03 0.0050 0.0020 0.01 —— —— —85 黄铜 H85 84.0~86.0 —— —— —— 0.1 0.03 0.0050 0.00200.01 ———— —80 黄铜 H80 79.0~81.0 —— —— —— 0.1 0.03 0.0050 0.0020 0.01 —— —— —一般黄铜70 黄铜 H70 68.5~71.5 —— —— —— 0.1 0.03 0.0050 0.0020 0.01 —— —— —68 黄铜 H68 67.0~70.0 —— —— —— 0.1 0.03 0.0050 0.0020 0.01 —— —— —65 黄铜 H65 63.5~68.0 —— —— —— 0.1 0.03 0.0050 0.0020 0.01 —— —— —63 黄铜 H63 62.0~65.0 —— —— —— 0.15 0.08 0.0050 0.0020 0.01 —— —— —62 黄铜 H62 60.5~63.5 —— —— —— 0.15 0.08 0.0050 0.00200.01 —— —— —59 黄铜 H59 57.0~60.0 —— —— ——0.30.50.01 0.0030 0.01 —— —— —63-3 铅黄铜HPb63-362.0~65.0—— —— 0.5 0.1 2.4~3.00.0050 0.0020 0.01 —— —— —铅黄铜63-0.1铅黄铜 HPb62-0.8 61.5~63.5—— —— 0.2 0.15 0.05~0.30.0050 0.0020 0.01 —— —— —61-1 铅黄铜 HPb61-1 59.0~61.0 —— —— 0.2 0.15 0.6~1.00.0050 0.00200.01 —— —— —59-1 铅黄铜 HPb59-1 57.0~60.0 —— —— 0.20.5 0.8~1.90.01 0.0030 0.02 —— —— —77-2铝黄铜HAl77-276.0~79.0———— 1.8~2.30.060.050.05 0.00200.02 0.03~0.06—— —加砷黄铜DZR132DZR132 60-63 ≤0.2 —— ≤0.2 1.0-2.5% —— —— —— ≤0.08 -0.15—— —DZR602DZR602 60-63≤0.3——≤0.3 1.0-2.5%——————≤0.08 -0.15—— —锡黄铜62-1 锡黄铜HSn62-161.0~63.0 0.7~1.1———— 0.1 0.1 0.0050 0.00200.01 —— ———67-2.5铝黄铜 HAl67-2.566.0~68.0 0.2 ——2.0~3.00.60.50.05 ——0.02 ——0.5 —铝黄铜60-1-1 铝黄铜 HAl60-1-1 58.0~61.0 —— ——0.70~1.5 0.70~1.50.4 0.0050 0.00200.01 —— 0.1~0.6 —59-3-2 铝黄铜 HAl59-3-2 57.0~60.0 ——2.0~3.0 2.5~3.50.50.10.0050 0.00300.01 —— —— —66-6-3-2 铝黄铜 HAl66-6-3-264.0~68.00.2 ——6.0~7.02.0~4.00.50.05 ——0.02 ——1.5~2.5—58-2 锰黄铜锰黄铜57-3-1 锰黄铜55-3-1 锰黄铜铁黄铜59-1-1 铁黄铜58-1-1 铁黄铜硅黄铜80-3 硅黄铜资料名称牌号CuZn5CuZn10铜锌合金CuZn15CuZn20CuZN28CuZn30CuZn33铜锌合金CuZn36CuZn37CuZn40CuZn36Pb1.5CuZn37Pb0.5CuZn36Pb3CuZn38Pb1.5 铅黄铜CuZn39Pb0.5CuZn39Pb2CuZn39Pb3CuZn40Pb2HMn58-2 57.0~60.0 —————— 1 0.1 0.0050 0.002 0.01 —— 1.0~2.0 —HMn57-3-1 55.0~58.5 ————0.5~1.5 1 0.2 0.0050 0.002 0.01 —— 2.5~3.5 —HMn55-3-1 53.0~58.0 0.2 ——0.3 0.5~1.5 0.5 0.05 ——0.02 —— 3.0~4.0 —HFe59-1-1 57.0~60.0 0.3~0.7 ——0.1~0.5 0.6~1.2 0.2 0.01 0.003 0.01 ——0.5~0.8 —HFe58-1-1 56.0~58.0 ——————0.7~1.3 0.7~1.3 0.01 0.003 0.02 —————HSi80-3 79.0~81.0 0.2 ——0.1 0.6 0.1 0.05 0.003 0.02 ——0.5 2.加工黄铜(铜——锌合金)牌号及化学成分(德国)化学成分(质量分数)(%)不大于(注册余量和范围值者除外)代号Cu Zn Pb 其余杂质总和2.022 94.0~96.0 余量0.052.023 89.0~91.0 余量0.052.024 84.0~86.0 余量0.05 Al 0.02 Fe 0.05 Sn 0.05 , Pb 0.05 Ni 0.2 0.12.025 79.0~81.0 余量0.052.0261 71.0~73.0 余量0.052.0265 69.0~71.0 余量0.052.028 66.0~68.5 余量0.052.0335 63.5~65.0 余量0.05 Sn 0.052.0321 62.0~64.0 余量0.1 Al0.03,Fe0.1,,Ni0.3,Pb0.01,Sn0.12.036 59.5~61.0 余量0.3 Al 0.05, Fe0.2, Ni0.3,Pb 0.3, Sn0.22.0331 62.0~64.0 余量0.7~2.52.0332 62.0~64.0 余量0.1~0.7 Al0.05, Fe0.2, Ni0.3, Sn0.12.0375 60.0~62.0 余量 2.5~3.5 Al0.05, Fe0.3, Ni0.3, Sn0.22.0371 59.5~61.5 余量 1.0~2.02.0372 59.5~61.5 余量0.3~1.0 Al 0.05, Fe0.2, Ni0.3, Sn0.22.038 58.5~60.0 余量 1.5~2.5 Al0.1, Fe0.4, Ni 0.3, Sn0.22.0401 57.0~59.0 余量 2.5~3.5 Al 0.1, Fe 0.5, Ni 0.5, Sn 0.42.0402 57.0~59.0 余量 1.5~2.5 Al0.1, Fe0.4, Ni0.4, Sn 0.3CuZn44Pb2 2.041 54.0~56.0余量 1.0~2.5Al 0.5, Fe0.5, Ni 0.5, Sn 0.4 铝黄铜CuZn20Al2余量Al1.8~2.3, As0.02~0.035,(CuZn20Al) 2.046 76.0~79.0 余量0.07 Fe0.07 ,Mn0.1,Ni0.1,,P0.01,Mg0.005 0.1( 其余)硅黄铜CuZn31Si 2.049 66.0~70.0 余量 0.8 Si0.7~1.3, Ni 0.5, Fe 0.40.1 (其余)CuZn37Al 2.051 59.0~61 余量 1 Al0.3~1.3, Mn0.6~1.8, Fe1.0,Ni0.6,Si0.5,Sn0.3 0.5( 其余) 铝黄铜CuZn40Al1 2.056 57.5~60.0 余量 0.8 Al0.4~1.3,Mn0.8~1.8,Fe1.0,Ni0.1,Si0.7,Sn0.4 0.5 (其余) CuZn40Al2 2.055 56.5~59.0 余量 0.8 Al1.3~2.3,Mn1.4~2.6,Fe1.0,Ni2.0,Si0.3~1.0,Sn0.4 0.5 (其余)CuZn40Mn2 2.0572 57.0~59.0 余量 0.8 Mn1~2.5, Fe1.5, Ni1.0, Al0.1,Si0.1, Sn0.50.5( 其余 ) 锰黄铜CuZn40Mn1Pb 2.058 57.0~59.0 余量 1~2Mn0.4~1.8, Al0.6,Fe0.5,Ni1.0,Si0.4, Sn0.5 0.5( 其余 ) 铝黄铜CuZn23AL6Mn4Fe32.05 63.0~65.0余量1 Al5.0~7.0, Fe2.0~3.5,Mn3.5~5.0,Ni0.50.2( 其余 )加工黄铜牌号及化学成分( 法国)资料名称牌号 化学成分 ( 质量分数 )(%) 不大于 ( 注册余量和范围值者除外 )Cu Zn PbFeAs Al Ni Sn Mn 杂质总和标准号CuZn594.0~96.0 余量 0.05 0.1 —— —— —— —— —— 0.3 89.0~91.0 余量 0.05 0.1 —— —— —— —— —— 0.4 89.0~91.0余量 0.05 0.05 ———— —— —— —— 0.4 CuZn10 89.0~91.0 余量 0.05 0.1 —— —— —— —— —— 0.484.0~86.0 余量 0.05 0.1 —— —— —— —— —— 0.4 一般黄铜CuZn1584.0~86.0 余量0.05 0.1 —— ————————0.478.5~81.50.05 0.1NFA51-101~105、 115 ,余量———— —— —— ——0.4、 7110.05 0.1708、 710CuZn20 78.5~81.5 余量 —— —— —— —— —— 0.4 68.5~71.5 余量 0.05 0.1 —— —— —— —— —— 0.468.5~71.5余量 0.05 0.05 ———— —— —— —— 0.4CuZn30 68.5~71.5 余量 0.05 0.1 —— —— —— —— ——0.4特别黄铜 CuZn30 68.5~71.5 余量 0.07 0.06 0.02~0.06 —— —— —— —— ( 包含 Fe+Pb)0.3一般黄铜CuZn3362.5~68.5余量0.020.1 ——————————0.465.5~68.5 余量0.1 0.1 ——————————0.562.0~65.5 余量0.02 0.2 ——————————0.4CuZn36 62.0~65.5 余量0.07 0.07 ——————————0.5+PbCuZn37 62.0~65.5 余量0.2 0.2 ——————————0.5( 除 Pb 外 )59.0~62.0 余量0.2 0.22 ——————————0.459.0~62.0 余量0.2 0.2 ——————————0.5( 除 Pb 外 )CuZn40 59.0~62.0 余量0.2 0.2 ——————————0.5+PbCuZn35Pb2 61.0~63.0 余量 1.5~2.25 0.2 ——————————0.3CuZn36Pb3 60.0~62.0 余量 2.5~3.5 0.35 ——————————0.5CuZn38Pb2 59.0~61.0 余量 1.5~2.5 0.2 ——————————0.50.35 ——————————0.7+Fe铅黄铜58.0~60.0 余量 1.5~2.50.35CuZn39Pb2 58.0~60.0 余量 1.5~2.5 ——————————0.5CuZn39Pb1.7 余量37.50~40.50 1.00~2.50 0.35 ——0.5 ——0.8 ——其余 :0.5(Fe,Zn 除外 )CuZn40Pb 58.0~61.0 余量0.4~0.9 0.15 ——————0.25 ——0.5CuZn40Pb3 57.0~59.0 余量 2.5~3.5 0.35 ——————————0.7CuZn29Sn1 70.0~73.0 余量0.07 0.06 0.02~0.06 ————0.9~1.2 ——( 包含 Fe+Pb)0.3CuZn38Sn1 59.0~62.0 余量0.2 0.1 ——————0.5~1.2 ——(Fe,Pb 除外 )0.5CuZn19Al6 余量16.50~21.0 —— 2.0~4.0 —— 5.50~7.50 ———— 4.0~7.0 0.5特别黄铜1 1.5~3.5CuZn23Al4 余量20.0~25.0 —— 3.5~5.0 —— 2.5 1.5~3.5 0.5CuZn22Al2 76.0~79.0 余量0.07 0.06 0.02~0.06 1.8~2.3 ——————( 包含 Fe+Pb)0.3CuZn36Ni2 余量34.0~28.0 0.5 1.8~2.20 ——0.4~1.0 1.8~2.3 ————0.5高强度黄铜CuZn1,CuZn2 52~70 余量0~3 0~3 ——0~5 0~5 0~2 0~4 0~1 NFA51-106 备注:除了这几个国家还有日本、俄罗斯、英国、美国等,铜棒半径从12cm--62cm, 六角铜棒从12--40cm如还有高出上表所列规格范围的产品,可依据客户要求,磋商后生产。
(摘自GB/T5231—1985)引用中宇空调连接管喇叭口制作、安装工艺规范默认分类2010-01-21 19:44:32 阅读53 评论0 字号:大中小引用水环热泵/空气源热泵热水器的中宇空调连接管喇叭口制作、安装工艺规范3.1 分离式空调机连接管、喇叭口的制作3.1.1 连接铜管的材料基本要求3.1.1.1 连接铜管的牌号:T2、TU1、TU2、TP1、TP23.1.1.2 连接铜管的状态:半硬(Y2)、软(M)、轻软(M2)3.1.1.3 连接铜管的规格:φ6.35、φ7.94、φ9.52、φ12.7、φ15.88、φ19.05等。
3.1.1.4 目测铜管内外表面应清洁、光亮不存在影响产品质量的因素。
3.1.1.5 针对连接铜管的外径,其壁厚应不小于0.8mm。
3.1.2 连接铜管的割管要求3.1.2.1 连接铜管割管时,严禁使用锯片来直接割铜管,要使用专用的割管器,割管的管口要求如图1所示平整光滑,其各规格管的管口平面度应符合表2规定值。
表2 连接管管口平面度3.1.2.2 割管操作时,先将铜管夹在滚子与刀轮之间,铜管与刀轮垂直,旋动转柄至刀口顶住管子,将割管刀绕铜管旋转,并每旋紧转柄1/4~1/2圈再将割管刀绕铜管旋转一圈,至割到接近管壁厚度时,轻轻一折,管子即断。
如图2所示。
3.1.2.3 割管操作时,一定要使刀与管轴垂直,并缓缓进刀,以免进刀过猛发生挤扁铜管的情况。
如图3所示:割好的管口一般形成内缩的锐边,其缩口率f小于30%,即内缩后的管壁厚减原标准管壁厚与原标准管壁厚之比值须小于30%的要求,且内缩后的锐边一定要如图4所示用去刺刀将锐边倒棱,倒棱时应注意管口要朝下,并倒干净碎屑,用干燥氮气将管路吹干净。
3.1.3 喇叭口的制作工艺要求3.1.3.1 如图5所示,将已制作合格的连接铜管放入与铜管喇叭口扩口专用工具相应的孔中,放入时连接管扩管管口沿扩管器喇叭口伸出,铜管口需露出扩口器夹具面0~0.5mm,夹紧扩口器的夹具,在扩口器顶尖上涂少许空调冷冻润滑油,然后将手把顺时针旋紧,再旋紧扩口器手把下旋3/4圈,再退出1/4圈,如此反复进行,直到所扩管口成90±2度, 喇叭口垂直高度为2.5±0.5为止,如图6所示。
铜及铜合金性能数据1 概述由纯铜和其他合金元素组成的铜合金一般分为以下几类:1)纯铜;2)黄铜——铜和锌的合金;3)锡青铜——铜和锡的合金;4)特殊青铜——铜基合金中不含锡而含有铝、镍、锰、硅、铁、铍、铅等特殊元素(二元多元)组成的合金;5)白铜——铜和镍的合金。
现就纯铜、黄铜和锡青铜的特性和用途分别简介如下:纯铜外观呈紫红色,习惯上称为紫铜。
它具有很多有价值的性能,是一种主要的有色金属,广泛用于各个工业部门中。
铜的密度8.89,熔点1083ºC,它的主要特性是:(1)有良好的导电性,在各类金属中仅次于银;铜质愈纯,导电性愈高,即电阻愈小。
(2)有好的导热性,在这方面仅次于银和金。
(3)在大气、淡水、海水中有很好的耐蚀性,所以铜制的水管和器皿能经久不坏。
(4)塑性高,能很好地承受各种冷、热压力加工。
其主要缺点是强度和硬度较低,不能用作结构零件。
它在工业上主要用途是制造电气工业上的导线和导电零件,以及用于配制各种合金。
纯铜加工产品分含氧铜(即一般纯铜)、无氧铜、磷脱氧铜和银铜四类,以板、棒、管、箔材半成品形式供应。
由于氧对铜的力学性能和工艺性能都有不良影响,特别是含有氧的铜在还原性气氛中加热时(如退火),氢向铜中扩散与氧形成水蒸气,以一定压力由铜中跑出,会造成显微裂纹,即发生通常所说的“氢病”。
因此,重要的电气用铜,一般都采用无氧铜。
黄铜的颜色随含锌量的增加,由黄红色变到淡黄色。
如果合金只由铜和锌组成,称为普通黄铜或锌黄铜。
普通黄铜的力学性能比纯铜高,价格也便宜得多,在一般情况下是不生锈也不会被腐蚀的;同时塑性好,能很好地承受热压和冷压加工,故广泛用于机器制造业中各种结构零件。
为了改善普通黄铜的性质,在铜锌合金中再加入锡、镍、锰、铅、硅、铝、铁等元素,变成为特殊黄铜。
各种元素对特殊黄铜的性能影响如下:锡能提高黄铜的强度并能显著提高其对海水的抗蚀性能,故有海军黄铜之称。
镍也能提高强度和抗蚀性,但因镍太贵,所以镍黄铜用得不多。
铜和铜合金的化学成分:紫铜,黄铜,白铜,青铜,无氧铜一、纯铜纯铜是玫瑰红色金属,表面形成氧化铜膜后呈紫色,故工业纯铜常称紫铜或电解铜。
密度为8-9g/cm3,熔点1083°C。
纯铜导电性很好,大量用于制造电线、电缆、电刷等;导热性好,常用来制造须防磁性干扰的磁学仪器、仪表,如罗盘、航空仪表等;塑性极好,易于热压和冷压力加工,可制成管、棒、线、条、带、板、箔等铜材。
纯铜产品有冶炼品及加工品两种。
分别见表1和表2。
表1 冶炼铜的牌号、成分及用途表2 加工铜的组别、牌号及成分二、铜合金(1)黄铜黄铜是铜与锌的合金。
最简单的黄铜是铜——锌二元合金,称为简单黄铜或普通黄铜。
改变黄铜中锌的含量可以得到不同机械性能的黄铜。
黄铜中锌的含量越高,其强度也较高,塑性稍低。
工业中采用的黄铜含锌量不超过45%,含锌量再高将会产生脆性,使合金性能变坏。
为了改善黄铜的某种性能,在一元黄铜的基础上加入其它合金元素的黄铜称为特殊黄铜。
常用的合金元素有硅、铝、锡、铅、锰、铁与镍等。
在黄铜中加铝能提高黄铜的屈服强度和抗腐蚀性,稍降低塑性。
含铝小于4%的黄铜具有良好的加工、铸造等综合性能。
在黄铜中加1%的锡能显著改善黄铜的抗海水和海洋大气腐蚀的能力,因此称为“海军黄铜”。
锡还能改善黄铜的切削加工性能。
黄铜加铅的主要目的是改善切削加工性和提高耐磨性,铅对黄铜的强度影响不大。
锰黄铜具有良好的机械性能、热稳定性和抗蚀性;在锰黄铜中加铝,还可以改善它的性能,得到表面光洁的铸件。
黄铜可分为铸造和压力加工两类产品。
常用加工黄铜的化学成分,见表3。
表3 常用加工黄铜的化学成分(2)青铜青铜是历史上应用最早的一种合金,原指铜锡合金,因颜色呈青灰色,故称青铜。
为了改善合金的工艺性能和机械性能,大部分青铜内还加入其它合金元素,如铅、锌、磷等。
由于锡是一种稀缺元素,所以工业上还使用许多不含锡的无锡青铜,它们不仅价格便宜,还具有所需要的特种性能。
《加工铜及铜合金牌号和化学成分》(送审稿)编制说明根据中国有色金属工业协会文件《关于下达2009年第一批有色金属国家、行业标准制(修)订项目计划的通知》(中色协综字[2009]165号)的要求,我公司承担了GB/T5231-2001《加工铜及铜合金化学成分和产品形状》的修订工作。
该标准主管部门为中国有色金属工业协会,由全国有色金属标准化技术委员会技术归口,计划要求2011年完成修订任务,标准计划编号20091080-T-610。
为保证标准的编制水平,中铝沈阳有色金属加工有限公司成立了标准编制小组,进行了全面的市场调研,并以函件的形式向同行业广泛征询修订意见及相关技术数据,全面准确地了解铜加工行业近几年的发展动态。
标准修订过程中经过多次征询意见,2010年2月形成了该标准讨论稿,四月武夷山会议及八月呼和浩特会议两次讨论后,标准稿经过较大调整,于2011年3月形成标准送审稿。
1.我国加工铜及铜合金化学成分标准修订历程及牌号的发展概况。
我国的《铜及铜合金化学成分和产品形状》标准最早是仿效前苏联“ΓΟCΤ”标准形式,制订了YB145~148—65,1971年进行第一次修订为YB145~148-71、1985年第二次修订为GB5231~5235—85,2001年修订为GB/T5231-2001。
几次修订后其中元素控制范围水平不低于发达国家水平,但其模式和系列化程度都没有突破性提高。
纳入原国家标准GB/T 5231-2001的变形铜及铜合金牌号一共有111个,其中紫铜9个,黄铜43个,青铜41个,白铜18个。
但是各加工企业实际生产的牌号远不止这些,据不完全统计,近10年来申请专利的新型合金就达70余个,而各个公司、院所研究开发的新型铜合金更数倍于此,达1000个以上。
随着专业化生产趋势的不断发展,合金系列化程度在迅速提高,铜合金材料的成份细化分类已成必然趋势,为适应下游用户不同生产线工艺条件的要求,个性化,精密化产品越来越多,相比10年前有了很大的变化。
本标准合金牌号达到201个(美国2009年11月18日最新公布合金牌号为397个),基本上纳入了近10年来新开发研制的热点新合金牌号,新增电子铜银合金、引线框架材料、弥散强化铜合金、高强高导铜铬、铜铬锆合金、高速轨道交通接触线及受电弓用铜合金、无铅易切削铜合金系列、海水淡化用铜合金、高耐磨铜合金等。
而且合金系列化程度显著提高,尤其是铜银系合金,铜铬系合金,铜锡系合金、铅黄铜,锌白铜,系列化程度较原国标有大幅度的提高,部分合金系的系列化程度已接近美国ASTM标准。
例如,铅黄铜,为了适应不同用户的车削条件(车速和润滑方法),将铅含量的范围细分,从而衍生出多个新合金牌号。
本标准草案新增8个铅黄铜合金牌号,加上原国标中已经纳入的合金牌号11个,共19个合金牌号,含铅量上限最高值4.5,最低下限值0.05,细化程度极高。
美国2009年11月18日最新公布的铅黄铜合金牌号为23个,可见本标准草案铅黄铜的合金系列化程度已接近美国。
我国原国标中铅黄铜牌号的细化程度远远落后于国外同类标准,造成对外贸易几乎全部采用国外的标准,给企业采标工作带来很大不便,本标准的修订对于消除贸易壁垒意义重大。
2.本标准草案与国际先进标准的接轨情况2.1等同采用ASTM标准的牌号本次标准修订特别注重提高标准的整体水平,主要宗旨是实现与国际先进标准的接轨。
标准中的部分牌号等同采用了美国ASTM标准,以促进市场的应用及国际间的交流,消除贸易壁垒。
对标准中部分原牌号所作的改进,也主要参照国外先进标准,在各牌号成分的确定上基本与国外先进标准保持一致。
等同采用美国标准的合金牌号列于下表1:表1等同采用ASTM标准的牌号2.2本标准与国际同类标准对照考虑到各个国家的不同情况,所以一般国内的牌号也不会原封不动直接照搬国外牌号,都会有些变动。
在国外牌号的基础上加严限制某些合金元素形成的一些合金牌号也很多,有些牌号与美标主成分相同,仅杂质成分的控制稍有不同。
下表所列合金牌号部分与美国合金牌号近似,另一部分是在美国合金牌号基础上改进的合金,还有一些牌号在ISO国际标准或DIN德国标准中有对应的合金牌号。
详见表2。
表2与国际同类标准对照表3.标准的具体修订情况:3.1标准名称的确定:本标准草案删掉了有关产品形状部分的内容,因此标准名称修订为《加工铜及铜合金牌号和化学成分》。
3.2牌号和化学成分的变化本标准草案对合金体系做了较大调整,新增高铜合金概念,参照美国ASTM标准,定义铜含量在99.3~96.0%之间的合金为高铜合金。
原国标中的铬青铜、铍青铜及部分新增加的低合金化的锡青铜,本标准纳入高铜系列,牌号编号方法为:字母T +合金元素+元素含量。
我国的纯铜牌号和成分,一直存在着与国外标准的差异,部分合金牌号的命名比较混乱,为使合金编排更加有序化和与国际先进标准的接轨,本次修订参照美国ASTM标准将铜含量大于等于99.3%的合金定义为纯铜(国内许多材料称之为微合金化合金),原国标中的锆青铜,碲青铜及新增加的多个银铜合金、硫铜合金及镁铜等合金统一编排到纯铜的合金系列。
牌号编号方法为:字母T +合金元素+元素含量。
其它合金名称和代号的表示方法符合GB/TXXXX-XXXX《铜及铜合金牌号表示方法》的规定。
3.3表示方法的变化:本标准对等同采用美国标准的部分合金牌号金属纯度的表示方法进行了调整。
标准中高铜合金、黄铜合金、青铜合金、白铜合金均有成分不作具体规定的余量元素,按照我国铜加工业的生产实际,余量元素均不检测,其成分由铜含量和杂质总和控制。
原国标中有一部分等同采用美国标准的合金采用“铜加所列元素总和大于某极限值”这种表示方式,不列杂质总和。
这种表示形式黄铜必须测锌含量,白铜必须测铜含量才能计算所列元素总和,这与我国铜加工业的国情相悖,增加检测任务量,因此,本次修订将原国标中等同采用美国标准的有余量元素的铜合金重新作出规定,采用杂质总和的形式表示,计算方法为:杂质总和=(1-铜加所列元素总和)+所列杂质元素,其余内容不变。
对于原国标中等同采用美国标准的纯铜和高铜合金仍采用原表示方式不变。
3.4关于无氧铜含氧量的问题目前,我国无氧铜含氧量规定为0.002%,含氧0.001%以下的无氧铜已经具备规模化生产能力,广泛应用在电力、电器、电子、通讯等行业中制做高端产品组件,例如:光缆、同轴射频电缆、计算机微型散热器,柔性印刷电路板,真空电子管等,上述应用领域均对无氧铜含氧量提出了更高的要求。
根据国内生产实际情况及应用领域的实际需求,本标准将无氧铜牌号TU1修订为两个合金牌号:TU1、TU2其氧含量分别调整为0.001%、0.002%,原TU2牌号改为TU3。
3.5关于黄铜、青铜合金中杂质镍的问题原国标规定,无对应外国牌号的黄铜、铝青铜、锡青铜(镍为主成分者除外),其镍含量计入铜含量中。
由于镍元素在这些合金中不做为杂质元素控制,本标准修订后删掉了关于元素镍的相关规定。
3.6关于新增合金牌号根据现有的国内外标准及长期的生产实践,经与标准化技术委员会沟通,并经过市场调研,广泛征求同行业的修订意见及技术数据,根据以下几项原则确定新增加了90个合金牌号。
●原国标规定之外的新型铜及铜合金,在技术上已经成熟,且有一定生产量和使用量的合金牌号●已纳入国家标准和行业标准和即将纳入在编的国家标准及行业标准或军用标准的新型铜及铜合金牌号。
●由国际上知名的铜加工企业研发的,在我国有较广泛应用的合金牌号。
●已申请专利的,对化学成分不需要保密的新型铜及铜合金。
修订后,本标准保留了GB/T 5231—2001标准中的111个牌号,新增加91个牌号,总计包括了202个牌号。
根据新的铜及铜合金牌号表示方法中关于纯铜的的定义,将新增的17个微合金化铜合金TU0Ag0.06、TUAg0.05、TUAg0.08、TUAg0.1、TUAg0.2 、TUAg0.3、TUAl0.12、TUZr0.15、TAg0.15、TAg0.1-0.01、TP3、TP4、TTe 0.3、TTe 0.5-0.008、TTe0.5-0.02、TS0.4、TZr 0.15及原国标中的QZr0.2 、QTe0.5、QZr0.4编入纯铜系列。
原TU1牌号修订为两个合金牌号TU1、TU2,其氧含量分别调整为0.001%、0.002%,原TU2牌号改为TU3。
新增高铜合金15牌号:TTi3.0-0.2、TNi2.4-0.6-0.5、TPb1、TFe1.0、TFe0.1、TCr1-0.18 、TCr0.3-0.3 、TCr0.5-0.1、TCr0.7 、TCr0.8 、TCr1-0.15、TCr4.5-2.5-0.6、TMg0.2 、TMg0.4、TMg0.5。
并将原标准中的QBe2 、QBe1.9、QBe1.9-0.1 、QBe1.7 、QBe0.6-2.5 、QBe0.4-1.8 、QBe0.3-1.5、QCr0.5 、QCr0.5-0.2-0.1 、QCr0.6-0.4-0.05 、QCr1、QCd1、QMg0.8、QFe2.5纳入高铜系列。
黄铜增加了33个牌号,分别为:普通黄铜:H66,硼黄铜:H90-0.1B,铅黄铜:HPb62-2-0.1 、HPb61-2-1 、HPb61-2-0.1、HPb59-2 、HPb57-4、HPb58-2 、HPb58-3、HPb60-3,铋黄铜:HBi59-1、HBi60-1.3 、HBi60-1.0-0.05、HBi60-2、HBi60-0.5-0.01 、HBi60-0.8-0.01 、HBi60-1.1-0.01,镁黄铜:HMg60-1 ,硅黄铜:HSi75-3 、HSi62-0.6、HSi61-0.6,锑黄铜:HSb60-0.9、HSb61-0.8-0.5 ,锰黄铜:HMn59-2-1.5-0.5 、HMn57-2-2-0.5、HMn64-8-5-1.5 、HMn62-3-3-1、HMn62-13,铝黄铜:HAl61-4-3-1.5、HAl64-5-4-2,锡黄铜:HSn62-2、HSn70-1B、HSn70-1AB。
新增青铜11个牌号:QSn0.4 、QSn0.5-0.025 、QSn0.6、QSn0.9 、QSn1.8 、QSn1-0.5-0.5、QSn8-0.2、QSn5-0.2 、QSn15-1-1、QSi1-2、QAl10-4-4-1。
白铜增加了个14牌号,分别为:铁白铜:B23、BFe10-1.5-1、BFe10-1.6-1 、BFe30-2-2 、BFe16-1-1-0.5,锌白铜:BZn18-17 、BZn9-29、BZn12-26 、BZn18-20、BZn22-16、BZn25-18、BZn47-41 、BZn43-37、BZn40-20。