DLT5044-1995火力发电厂、变电所直流系统设计技术规定
- 格式:doc
- 大小:926.00 KB
- 文档页数:57
13.1.1火力发电厂设计技术规程 DL5000-200013.1.2小型火力发电厂设计规范 GB50049-9413.1.3火力发电厂与变电所设计防火规范 GB50229-200613.1.4建筑设计防火规范 GB50016-200613.1.5建筑内部装修设计防火规范 GB5022-9513.1.6爆炸和火灾危险环境电力装置设计规范 GB50058-9213.1.7电力设备典型消防规程 DL5027-9313.1.8火灾自动报警系统设计规范 GB50116-9813.1.9建筑灭火器配置设计规范 GB50140-200513.1.10火力发电厂总图运输设计技术规程 DL/T5032-200512.1.3.1《小型火力发电厂设计规范》 GB50049-94 12.1.3.2《火力发电厂设计技术规程》 DL5000-2000 12.1.3.3《火电厂大气污染物排放标准》GB13223-200312.1.3.4《环境空气质量标准》 GB3095-1996 12.1.3.5《污水综合排放标准》 GB8978-1996 12.1.3.6《地表水环境质量标准》 GB3838-2002 12.1.3.7《室外排水设计规范》GB50014-200612.1.3.8《工业企业厂界噪声标准》 GB12348-90 12.1.3.9《城市区域环境噪声标准》 GB3096-93 12.1.3.10《工业企业噪声控制设计规范》 GBJ87-85a.《小型火力发电厂设计规范》 GB50049-94b.《火力发电厂设计技术规程》 DL5000-2000c.《建筑设计防火规范》 GB50016-2006d.《火力发电厂与变电所设计防火规范》 GB50229-2006e.《火力发电厂水工设计技术规程》 DL/T5339-2006a.《小型火力发电厂设计规范》GB50049-94(1995-07-01实施)b.《火力发电厂设计技术规定》DL5000-2000c.《火力发电厂建筑设计规程》DL/T5094-1999(1999-10-01实施)d.《火力发电厂设计技术规程》DL5000-2000(2001-01-01实施)e.《火力发电厂土建结构设计技术规定》DL5022-93f.《火力发电厂与变电所设计防火规》GB50229-2006g.《混凝土结构设计规范》GB50010-2002h.《砌体结构设计技术规定》GB50003-2001j.《建筑结构荷载规范》GB50009-2001k.《建筑抗震设计规范》 GB50011-2001l.《建筑内部装修设计防火规范》GB50222-95m.《建筑设计防火规范》GB50016-2006n.《火力发电厂地基处理技术规定(试行)》DL5024-93p.《建筑地基基础设计规范》GB50007-2002q.《钢结构设计规范》GB50017-2003r.《工业企业采光设计标准》GB50033-91s.《办公建筑设计规范》JGJ67-2006t.《压缩空气站设计规范》GB50029-2003u.《工业企业噪声控制设计规范》GBJ87-85v.《建筑抗震的分类标准》GB50223-2004w.《钢结构施工及验收规范》GB50205-2001x.《混凝土结构工程施工及验收规范》GB50204-2002y.《烟囱设计规范》GB50051-20026.1.4 火力发电厂化学设计技术规程 DL/T5068-20064.2.5 火力发电厂运煤设计技术规定 DL/T5187. 1-2004《火力发电厂、变电所直流系统设计技术规定》DL/T5044-1995《大气污染物综合排放标准》 GB16297-1996《采暖通风与空气调节设计规范》 GB50019-200314.2.1 火力发电厂设计技术规程 DL5000-200014.2.2 小型火力发电厂设计规范 GB50049-9414.2.3 关于生产性建设工程项目中职业安全卫生监督的暂行规定(1998)14.2.4 火力发电厂劳动和安全卫生设计规程 DL5053-199614.2.5 工业企业噪声控制设计规范 GBJ87-8514.2.6 建筑设计防火规范 GB50016-200614.2.7《建筑抗震设计规范》 GB50011-200114.2.8 火力发电厂建筑设计规程 DL/T5094-9914.2.9 建筑内部装修设计防火规范 GB5022-9514.2.10 建筑物防雷设计规范 GB5022-200014.2.11 爆炸和火灾危险环境电力装置设计规范 GB50058-92 14.2.12 电力设备典型消防规程 DL5027-93 14.2.13 电气设备安全设计导则 GB4064-1983 14.2.14 火力发电厂与变电所设计防火规范 GB50229-2006 14.2.15 火力发电厂厂用电设计技术规定 DL/T5153-2002 14.2.16 高压配电装置设计技术规程 DL/T5352-2006 14.2.17 供配电系统设计规范 GB50052-95 14.2.18 低压配电设计规范 GB50054-95 14.2.19 蒸汽锅炉安全技术监察规程劳动部发[1996]276号。
火力发电厂、变电所直流系统设计技术规定D C system technical code for designingfossil fuel power plants a nd substationDL/T5044-95主编部门:电力工业部华北电力设计院批准部门:中华人民共和国电力工业部施行日期:1995年12月1日关于发布《火力发电厂电气试验室设计标准》两项电力行业标准的通知电技[1995]506号各电管局,各省、自治区,直辖市电力局,电力规划设计总院,各有关单位:《火力发电厂电气试验室设计标准》等两项电力行业标准,经审查通过,批准为推荐性标准,现予发布。
编号、名称如下:DL/T5043-95,火力发电厂电气试验室设计标准。
DL/T5044-95,火力发电厂火力发电厂、变电所直流系统设计技术规定。
以上标准自1995年12月上日起实施。
请将执行中的问题和意见告电力规划设计总院,并抄送部标准化领导小组办公室。
中华人民共和国电力工业部一九九五年八月十一日1 总则1.0.1 为适应电力建设发展的需要,搞好火力发电厂、变电所直流系统的设计(以下简称直流设计),总结建国以来直流设计建设和运行经验,吸收国内外先进技术,特制定本规定。
1.0.2 直流设计应贯彻安全可靠、技术先进、经济合理、力求简单并便于安装、运行维护的要求。
直流设计宜积极采用经过审定的标准设计和典型设计。
1.0.3 本规定适用于单机容量50~600MW的火力发电厂和220~500kV变电所新建工程采用固定型防酸式铅酸蓄电池和镉镍碱性蓄电池作为直流电源的直流设计。
1.0.4 直流设计除应执行本规定外,尚应执行国家、行业现行有关标准的规定。
2 直流电源系统2.0.1 发电厂、变电所应装设蓄电池组向控制负荷和动力负荷以及直流事故照明负荷供电。
蓄电池组正常应以全浮充电方式运行。
2.0.1.1 控制负荷包括电气和热工控制、信号、继电保护、自动装置等负荷。
目录前言1范围2规范性引用文件3术语4系统接线4.1直流电源4.2系统电压4.3蓄电池组4.4充电装置4.5接线方式4.6网络设计5直流负荷5.1直流负荷分类5.2直流负荷统计6保护和监控6.1保护6.2测量6.3信号6.4自动化要求7设备选择7.1蓄电池组7.2充电装置7.3电缆7.4蓄电池试验放电装置7.5直流断路器7.6熔断器7.7刀开关7.8降压装置7.9直流柜7.10直流电源成套装置8设备布置8.1直流柜的布置8.2阀控式密封铅酸蓄电池组的布置8.3防酸式铅酸蓄电池组和镉镍碱性蓄电池组的布置9专用蓄电池室对相关专业的要求9.1专用蓄电池室对相关专业总的技术要求9.2阀控式密封铅酸蓄电池组对相关专业的要求9.3防酸式铅酸蓄电池组和镉镍碱性蓄电池组对相关专业的要求附录A(资料性附录)直流系统I/O表附录B(资料性附录)蓄电池选择附录C(资料性附录)充电装置及整流模块选择附录D(资料性附录)电缆截面选择附录E(资料性附录)直流断路器选择附录F(资料性附录)蓄电池回路设备及直流柜主母线选择附录G(资料性附录)蓄电池短路电流计算及其参考数值表附录H(规范性附录)本规程用词说明条文说明前言本标准是根据原国家经济贸易委员会电力司《关于下达2002年度电力行业标准制定和修订计划的通知》(国经贸电力[2002]973号文)的任务而编制的。
本次修订工作以原中华人民共和国电力工业部电技[1995]506号文发布实施的DL/T5044—1995《火力发电厂、变电所直流系统设计技术规定》为原本,同时参照中华人民共和国国家经济贸易委员会国经贸电力[2000]1048号文批准实施的DL/T 5120—2000《小型电力工程直流系统设计规程》,并根据国内外新标准、新技术、新元件和新装置的应用,增加了以下内容:——扩大了适用范围;——阀控式密封铅酸蓄电池;——高频开关电源装置;——直流断路器。
本标准实施后代替DL/T 5044—1995。
可编辑修改精选全文完整版单选题:1、关于高频开关电源型充电装置,下面哪项技术参数不符合DL/T5044-2014技术规程()。
(A)稳压精度≤±1% (B)稳流精度≤±1%(C)纹波系数≤0.5% (D)模块均流不平衡度≤±5%答案:A。
根据DL/T5044-2014《电力工程直流电源系统设计技术规程》6.2.1,稳压精度应不大于±0.5%。
2、蓄电池组应满足浮充电时直流母线的电压要求,电池个数应按照()倍直流电源系统标称电压值确定。
(A)1.15 (B)1.1(C)1.05 (D)1.2答案:C。
根据DL/T5044-2014《电力工程直流电源系统设计技术规程》6.1.1,蓄电池个数“应根据单体电池正常浮充电压值和直流母线电压为1.05倍直流电源系统标称电压值确定”。
3、当无产品资料和厂家推荐值时,阀控式密封铅酸蓄电池的单体浮充电压值不宜选取以下哪项数值()。
(A)2.23V (B)2.27V(C)2.30V (D)2.25V答案:C。
根据DL/T5044-2014《电力工程直流电源系统设计技术规程》6.1.2.2,阀控式密封铅酸蓄电池的单体浮充电压值宜取2.23~2.27V。
4、根据DL/T5044-2014技术规程要求,高频开关电源模块的功率因数不应小于()(A)0.85 (B)0.90(C)0.95 (D)0.92答案:B。
根据DL/T5044-2014《电力工程直流电源系统设计技术规程》6.2.1.8,功率因数不应小于0.90。
5、根据DL/T5044-2014技术规程要求,高频开关电源模块交流输入端产生的各高次谐波电流含有率不应大于()(A)20% (B)25%(C)30% (D)15%答案:C。
根据DL/T5044-2014《电力工程直流电源系统设计技术规程》6.2.1.8,高频开关电源模块交流输入端产生的各高次谐波电流含有率不应大于30%。
高频开关直流电源系统维修手册备有公司设限电圳深奥特迅力本资料为深圳奥特迅电力设备有限公司版权所有,未经公司书面许可,任何单位和个人不得摘录、复制、翻译、注释、编辑本资料的部分或全部,侵权必究。
维修前请详细阅读本手册!策划:客户服务部、技术部、目录一概述 (3)1.简介 (3)二设备描述 (3)1.总参数 (3)2.详细描述 (6)3. 安装要求 (13)三调试与操作 (14)1.系统调试 (14)2.系统故障处理 (32)四维修细则 (35)一 概述奥特迅生产的高频开关直流电源系统是按照直流屏采购技术规范书进行设计和制造的,此技术规范书采用的标准、规范为:1. DL/T459-2000 《电力系统直流电源柜定货技术条件》2. ZBK 45017-90 《电力系统用直流屏通用技术条件》3. DL/T5044-95 《火力发电厂、变电站直流系统设计技术规定》—— 型号命名二 设备描述 2.1总参数 2.1.1总体特性——充电模块按N+1备份组成。
浮充电压一般按2.25V ×电池节数计算,均直流标称电压(V)充电机组数×充电机额定输出电流微机控制电力系统用直流电源柜充电压一般按2.25V×电池节数计算。
——交流经交流进线开关供给,并设有中性线发生器,防雷器,雷击浪用吸收器等。
2.1.2电气特性——输入特性——输出特性——其他特性——遵守的标准a)柜体IEC 439:工厂制造的低压配电装置和控制装置组件IEC 529:外壳防护等级的划分b) 部件NFC32-070 导线和电缆在其防火性能方面的分类试验IEC57-1:低压配电装置和控制装置组IEC51:测量仪表IEC414:电气指示和记录测量仪表及其附件的安全要求2.2详细描述电力操作电源系统主要由交流配电单元、充电模块、直流馈电、集中监控单元、绝缘监测单元、和蓄电池组等部分组成。
交流输入经交流输入开关后提供给充电模块;充电模块输出稳定的直流,一方面通过充电母线对蓄电池组充电,另外通过母线进线开关向负荷母线供电,为负载提供正常的工作电源;绝缘监测单元可在线监测直流母线和各支路的对地绝缘状况;集中监控单元可实现对交流输入、充电模块、直流馈电、绝缘监测单元、直流母线和蓄电池组等运行参数的采集与各单元的控制和管理,并可通过远程接口接受后台操作员的监控。
2013年度输变电工程设计专业调考省公司变电专业题库一、单选题1.环境保护行政主管部门应当自收到建设项目环境影响报告书之日起60日内、收到环境影响报告表之日起30日内、收到环境影响登记表之日起( C )日内,分别作出审批决定并书面通知建设单位。
《建设项目环境保护管理条例》p154A.45 B.20 C.15 D.252.环境保护设施竣工验收,应当与主体工程竣工验收( A )《建设项目环境保护管理条例》p157A.同时进行B.在其后进行C.在其前进行D.在其后三个月内进行3.一个计算单元内配置的灭火器数量不得少于( B )具《建筑灭火器配置设计规范》6.1.1A.4 B.2 C.1 D.34.站区污水经( C )处理后,采用定期抽排的处理方式,不会污染外界环境。
《220kV后蒲变电站工程初步设计》7.1.3条A.消防水池B.事故油池C.化粪池D.雨水泵井。
5.变电站噪声主要表现为( B )噪声,来源于变压器。
《220kV后蒲变电站工程初步设计》7.1.4条A.机械噪声B.电磁噪声C. 空气动力性噪声D.单频噪声。
6.变电站的建筑物及主要房间尽量采用( A )布置,充分利用阳光等天然能源以及自然通风。
《220kV后蒲变电站工程初步设计》7.3条A.南北向B.东西向C. 南向D.北向。
7.消防设计应基于同一时间内变电站可能发生的火灾次数为( B )次来考虑。
《220kV后蒲变电站工程初步设计》6.1.3条A.零 B.一 C.二 D.历史数据8.变电站站内主要环形消防道路路面宽度宜为( C )m.《变电站总布置设计技术规程》8.3.3条A.5m B.4.5m C.4m D.5.5m9.事故油池的火灾危险性分类为( D ),耐火等级为( D )。
《变电站总布置设计技术规程》5.5.1条A.戊二级 B. 丙二级 C.丁二级 D. 丙一级.10.地下变电站安全出口数量不应少于( C )个.《火力发电厂与变电站设计防火规范》11.4.4条A.1 B.4 C.2 D.311.人员疏散用的继续工作应急照明不应低于正常照明照度值的( A )《火力发电厂与变电站设计防火规范》11.7.2条A.10% B.20% C.5% D.15%12.消防水泵应保证在火警后( B )s内启动。
注册电气工程师(供配电专业)分类模拟题76(总分100, 做题时间90分钟)一、单项选择题1.在变电所直流电源系统设计时,下列哪项不是蓄电池容量的选择条件?______ • A.满足事故初期(1min)冲击负荷电流放电容量• B.满足全所事故全停电时间内放电容量• C.满足蓄电池组持续放电时间内随机冲击负荷电流的放电容量• D.蓄电池标称容量应大于蓄电池计算容量最大值的1.1倍SSS_SIMPLE_SINA B C D该题您未回答:х该问题分值: 2.5答案:D依据《电力工程直流电源系统设计技术规程》(DL/T 5044—2014)第6.1.5条。
蓄电池容量选择条件:(1)满足全厂(所)事故全停电时间内的放电容量。
(2)满足事故初期(1min)直流电动机启动电流和其他冲击负荷电流的放电容量。
(3)满足蓄电池组持续放电时间内随机冲击负荷电流的放电容量所以答案选D。
2.下面所列出的直流负荷哪一个是经常负荷?______• A.电气保护装置• B.交流不停电电源装置• C.直流应急照明• D.高压断路器跳闸SSS_SIMPLE_SINA B C D该题您未回答:х该问题分值: 2.5答案:A依据《电力工程直流电源系统设计技术规程》(DL/T 5044—2014)第4.1.2-1条。
经常负荷包括下列负荷:(1)长明灯;(2)连续运行的直流电动机;(3)逆变器;(4)电气控制、保护装置等;(5)DC/DC变换装W;(6)热工控制负荷。
所以答案选A。
3.对于无人值班变电所,下列哪组直流负荷的统计时间和统计负荷系数是正确的?______• A.监控系统事故持续放电时间为1h,负荷系数为0.5• B.监控系统事故持续放电时间为2h,负荷系数为0.6• C.监控系统事故持续放电时间为2h,负荷系数为1.0• D.监控系统事故持续放电时间为2h,负荷系数为0.8SSS_SIMPLE_SINA B C D该题您未回答:х该问题分值: 2.5答案:D依据《电力工程直流电源系统设计技术规程》(DL/T 504.4—2014)表4.2.5、表4.2.6。
pms技术规范书篇一:PMS教材(修改版)船舶机械计划保养系统(PMS)讲议XX年4月前言计划保养系统(Planned maintenance system 简称PMS)首先是从欧洲一些航运管理公司推行的。
对船舶保养、延长设备使用寿命、提高船舶安全起到了良好的作用。
PMS 的实施体现了船舶管理水平,是船东的保养体系和船级社检验有机的结合。
船东对设备的控制已经包括甚至超过了船级社检验的要求,与船级社合作是必然的结果,将船级社的项目有针对性地建立联系,列入PMS系统中,减少了船舶在验的时间,也减少了验船师工作强度,争取了航行时间,提高了工作效率。
在80年代,我国上海远洋运输公司和上海海运集团在原维修管理的基础上,吸收国外先进管理模式,如挪威的TSAR系统,对船舶设备用插卡管理。
随后对此系统进行扩展和研究,完成了“船舶维修保养系统(CWBT)”,真正建立了我国标准化的船舶保养体系。
(在1996年,CWBT被采纳作为国家标准GB/)。
它的指导思想是:将设备的维修保养进行分级,按照月、季、半年、年、二年、四年、五年或六年等各周期间隔在日常工作中安排进行。
在建立船舶维修保养体系时,首先将船舶设备系统分类,编码定义。
然后将维修工作按照维修保养周期或重要程度进行分级。
之后为船舶每一设备编制设备卡,卡上包括对该设备进行各级维修保养时的工作内容、技术要求和维修保养周期的级别等内容。
国际船级社协会注意到船东保养体系的不断完善和实施效果,接受“以养代检”的方式,首先在70年代开始全球推行“轮机循环检验(CMS)”制度,将特别检验项目分解到周期内的各个年度进行。
此项工作一是将对设备检验“化整为零”,及时发现设备的缺陷和隐患,二是将部分项目委托船上轮机长进行,大大节省了修船时间。
国际船级社协会(IACS)在1989年提出了PMS的检验模式。
进一步地将检验和保养相结合,也将设备的技术状况判别权力下放到有资格的轮机长。
中国船级社作为国际船级社协会正式成员,在1996年钢质海船入级规范中引入PMS 要求。
2016年注册电气工程师(发输变电)《专业知识考试(上)》真题及详解一、单项选择题(共40题。
每题1分,每题的备选项中只有1个最符合题意)1.在进行电力系统短路电流计算时,发电机和变压器的中性点若经过阻抗接地,须将阻抗增加多少倍后方能并入零序网络?( )A 倍B .3倍C .2倍D 倍 答案:B解析:依据《电力工程电气设计手册》(电气一次部分)P142中“零序网络”相关内容,若发电机或变压器的中性点是经过阻抗接地的,则必须将该阻抗增加3倍后再列入零序网络。
2.对某220kV 变电站的接地装置(钢制)作热稳定校验时,若220kV 系统切除接地故障的继电保护装置由2套速动主保护,动作时间0.01s ,近接地后备保护动作时间0.3s ,断路器失灵保护动作时间0.8s ,断路器动作时间0.06s ,流过接地线的短路电流稳定值为10kA ,则按热稳定要求钢质接地线的最小截面不应小于下列哪项数值?( )A .88mm 2B .118mm 2C .134mm 2D .155mm 2答案:C解析:《交流电气装置的接地设计规范》(GB/T 50065—2011)附录E.0.3-1条规定,发电厂和变电站的继电保护装置配置有2套速动主保护、近接地后备保护、断路器失灵保护和自动重合闸时,t e 应按下式取值:t e ≥t m +t f +t o =0.01+0.8+0.06=0.87s式中,t m 为主保护动作时间(s );t f 为断路器失灵保护动作时间(s );t o 为断路器开断时间(s )。
《交流电气装置的接地设计规范》(GB/T 50065—2011)附录第E.0.1条规定,钢质接地线的最小截面要求为:321010133.2570g S mm ⨯≥== 式中,S g 为接地导体(线)的最小截面(mm 2);I g 为流过接地导体(线)的最大接地故障不对称电流有效值(A );t e 为接地故障的等效持续时间(s );C 为接地导体(线)材料的热稳定系数。
DLT 5041-95 火力发电厂厂内通信设计技术规定技术规定The inner communication design technical codeof thermal Power PlantsDL/T 5041—95主编单位:电力工业部西南电力设计院主编部门:电力工业部电力规划设计总院批准部门:电力工业部施行日期:1996年5月1日中华人民共和国电力工业部关于公布《火力发电厂厂内通信设计技术规定》电力行业标准的通知电技[1996]3号《火力发电厂厂内通信设计技术规定》电力行业标准,经审查通过,批准为举荐性标准,现予公布。
标准编号为DL/T 5041—95,自1996年5月1日起实施。
请将执行中的咨询题和意见告电力部电力规划设计总院,并抄送部标准化领导小组办公室。
1996年1月8日1总则1.0.1火力发电厂(以下简称发电厂)的厂内通信设计,必须认真执行国家的技术经济政策及有关规范、规程,并应认真总结施工和生产运行、治理体会,持续提升设计水平。
在发电厂厂内通信工程设计中,应采纳定型产品,并应主动慎重地、有步骤地采纳和推广通过试验及鉴定的先进技术和设备。
1.0.2本规定适用于单台发电机组的额定容量为50~600MW的新建或扩建的发电厂厂内通信设计。
1.0.3发电厂厂内通信设计,应按发电厂组织机构、汽轮发电机组单机容量和台数以及电厂的操纵方式、调度体制和生产工艺要求确定,并应考虑发电厂规划装机台数和容量,留有适当的进展余地。
1.0.4发电厂厂内通信设计,应与电力系统通信设计要求相习惯。
1.0.4.1发电厂的通信主辅技术性房间,应满足电力系统通信本期和中、远期安装通信设施的要求。
1.0.4.2发电厂内设有系统通信的微波或光纤通信设备时,宜和厂内通信、电力载波通信等设备合建在同一通信楼内。
1.0.5发电厂厂内通信应装设下列要紧设备:1.0.5.1生产治理通信设备;1.0.5.2生产调度通信设备。
2中继方式2.0.1发电厂厂内通信应一个厂安装一台生产治理电话交换机。
D L-T-5044-95-火力发电厂、变电所直流系统设计技术规定DL T 5044-95 火力发电厂、变电所直流系统设计技术规定火力发电厂、变电所直流系统设计技术规定D C systen technical code for designingfossil fuel power plants a nd substationDL/T5044-95主编部门:电力工业部华北电力设计院批准部门:中华人民共和国电力工业部施行日期:1995年12月1日关于发布《火力发电厂电气试验室设计标准》两项电力行业标准的通知电技[1995]506号各电管局,各省、自治区,直辖市电力局,电力规划设计总院,各有关单位:《火力发电厂电气试验室设计标准》等两项电力行业标准,经审查通过,批准为推荐性标准,现予发布。
编号、名称如下:DL/T5043-95,火力发电厂电气试验室设计标准。
DL/T5044-95,火力发电厂火力发电厂、变电所直流系统设计技术规定。
以上标准自1995年12月上日起实施。
请将执行中的问题和意见告电力规划设计总院,并抄送部标准化领导小组办公室。
中华人民共和国电力工业部一九九五年八月十一日1 总则1.0.1 为适应电力建设发展的需要,搞好火力发电厂、变电所直流系统的设计(以下简称直流设计),总结建国以来直流设计建设和运行经验,吸收国内外先进技术,特制定本规定。
1.0.2 直流设计应贯彻安全可靠、技术先进、经济合理、力求简单并便于安装、运行维护的要求。
直流设计宜积极采用经过审定的标准设计和典型设计。
1.0.3 本规定适用于单机容量50~600MW的火力发电厂和220~500kV 变电所新建工程采用固定型防酸式铅酸蓄电池和镉镍碱性蓄电池作为直流电源的直流设计。
1.0.4 直流设计除应执行本规定外,尚应执行国家、行业现行有关标准的规定。
2 直流电源系统2.0.1 发电厂、变电所应装设蓄电池组向控制负荷和动力负荷以及直流事故照明负荷供电。
B57_D L-T5044-2004火力发电厂变电所直流系统_设计技术规定火力发电厂变电所直流系统设计技术规定火力发电厂、变电所直流系统设计技术规定D C systen technical code for designingfossil fuel power plants a nd substationDL/T5044-95主编部门:电力工业部华北电力设计院批准部门:中华人民共和国电力工业部施行日期:1995年12月1日关于发布《火力发电厂电气试验室设计标准》两项电力行业标准的通知电技[1995]506号各电管局,各省、自治区,直辖市电力局,电力规划设计总院,各有关单位:《火力发电厂电气试验室设计标准》等两项电力行业标准,经审查通过,批准为推荐性标准,现予发布。
编号、名称如下:DL/T5043-95,火力发电厂电气试验室设计标准。
DL/T5044-95,火力发电厂火力发电厂、变电所直流系统设计技术规定。
以上标准自1995年12月上日起实施。
请将执行中的问题和意见告电力规划设计总院,并抄送部标准化领导小组办公室。
中华人民共和国电力工业部一九九五年八月十一日1 总则1.0.1 为适应电力建设发展的需要,搞好火力发电厂、变电所直流系统的设计(以下简称直流设计),总结建国以来直流设计建设和运行经验,吸收国内外先进技术,特制定本规定。
1.0.2 直流设计应贯彻安全可靠、技术先进、经济合理、力求简单并便于安装、运行维护的要求。
直流设计宜积极采用经过审定的标准设计和典型设计。
1.0.3 本规定适用于单机容量50~600MW的火力发电厂和220~500kV变电所新建工程采用固定型防酸式铅酸蓄电池和镉镍碱性蓄电池作为直流电源的直流设计。
1.0.4 直流设计除应执行本规定外,尚应执行国家、行业现行有关标准的规定。
2 直流电源系统2.0.1 发电厂、变电所应装设蓄电池组向控制负荷和动力负荷以及直流事故照明负荷供电。
火力发电厂电气试验室设计标准IMB standardization office【IMB 5AB- IMBK 08- IMB 2C】火力发电厂电气试验室设计标准DesignStandardforElectricalLaboratoryofThermalPowerPlantDL/T 5043—95主编部门:电力工业部东北电力设计院批准部门:电力工业部施行日期:1995年12月1日关于颁发电力行业标准DL/T 5043—95《火力发电厂电气试验室设计标准》的通知电技[1995]506号各电管局,各省、自治区,直辖市电力局,电力规划设计总院,各有关单位:《火力发电厂电气试验室技术标准》等两项电力行业标准,经审查通过,批准为推荐性标准,现予发布。
其编号、名称如下:DL/T 5043—95 火力发电厂电气试验室设计标准DL/T 5044—95 火力发电厂、变电所直流系统设计技术规定以上标准自1995年12月1日起实施。
请将执行中的问题和意见告电力规划设计总院,并抄送部标准化领导小组办公室。
中华人民共和国电力工业部1995年8月11日1总则为贯彻国家的基本建设方针和执行有关技术经济政策,统一火力发电厂(以下简称发电厂)电气试验室的设计标准,并贯彻技术先进、经济合理、使用和维护方便的原则,特制订本标准。
本标准适用于单机容量为50~600MW新建或扩建的发电厂。
本标准将发电厂分为表所列的四类。
表发电厂的类别注表中的发电厂容量,对新建工程按近期设计容量考虑,对扩建工程按国家计委批准的规划容量考虑。
2电气试验室电气试验室可分为高压试验室、测量仪表试验室和继电保护试验室。
电气试验室的面积不应大于表所列数值。
表电气试验室面积 (m2)3高压试验室一般规定发电厂高压试验室应满足35kV及以下电气设备的高压试验。
高压试验室宜设置在高压配电装置附近或与电气检修间相邻。
高压试验室应设置试验大厅(兼做仪器室)、仪表室、办公室、贮藏间和更衣室。
梁北矿北风井35kV变电站工程交直流电源设备技术要求—、总则1提供设备的厂家,应提供相应的鉴定证明文件。
2本规范书适用于35KV变电站中的交直流电源屏。
3本规范书提出的是最低限度的要求,并未对一切技术细节作出规定,也未充分引述有关标准和规范相关条文,卖方应提供符合本规范书和相关标准的优质产品。
二、执行标准:1、GB/T3859《半导体电力变流器》2、DL/T5044-95《变电所直流技术规定》三、使用条件1、安装地点:户内2、环境温度:-20 °C --40 °C3、海拔高度:V1KM4、相对湿度:W 90%5、抗震能力:水平加速度0.2g,垂直加速度0.1g四、主要技术参数1、输入电压:AC380± 20%2、电网频率:50HZ± 10%3、功率因数:> 0.924、整机效率:> 90%5、稳压精度:<± 0.5%6、稳流精度:<± 0.5%7、纹波系数:< 0.05%8 输出电压:198V--320V连续可调9、噪音:w 40db10、测量精度:直流量w士0.5%,交流量w 士1%五、功能要求1、控制回路采用进口空开加报警接点输出,合闸回路采用进口空开加熔断器输出,事故照明采用进口空开。
2、充电器能自动判断电池的状态,实现自动充电。
3、电池用柜体安放,外观与直流屏一致。
3、选用两路三相交流供电,具有防雷保护、交流过压、欠压、过流、缺相、电压不平衡、失压等自动检测、显示和报警。
4、直流母线电压过高、过低、失压信号在现场应分别报出。
5、智能“四遥”系统,具有RS232 485等通讯接口,满足无人值守站要求。
系统所有信号经空接点引至端子排,通信规约按照部颁标准执行。
遥信:直流配电各输出支路空开通断状态;直流母线接地;电池组熔断器通断状态;电池充电电流过大,电池电压过/欠压; 交流输入电压过高、过低、缺相、停电;合闸控制母线过/欠压、充电模块保护、故障。
2009年注册电气工程师(发输变电)《专业知识考试(上)》真题及详解一、单项选择题(共40题,每题1分,每题的备选项中只有1个最符合题意)1.220kV变电站内主要环形消防道路路面宽度宜为4m,从站区大门至主变压器的运输道路宽度应为下列哪项数值?()A.4.0mB.4.5mC.5.0mD.5.5m答案:B解析:《变电站总布置设计技术规程》(DL/T 5056—2007)第8.3.3条规定,站内主要环形消防道路路面宽度宜为4m。
站区大门至主变压器的运输道路宽度:①110kV变电站4m;②220kV变电站4.5m;③330kV 及以上变电站5.5m。
高压电抗器运输道路宽度一般为4m,750kV及以上变电站为4.5m。
330kV及以下变电站户外配电装置内的检修道路和500kV及以上变电站的相间道路宽为3m。
2.[已过时]火力发电厂的噪声防治,首先应控制噪声源,并采取隔声、隔震、吸声及消声措施,其中主要生产车间及作业场所(工人每天连续接触噪声8h)噪声限制值为下列哪项数值?()A.100dBB.95dBC.90dBD.75dB答案:C解析:《火力发电厂劳动安全和工业卫生设计规程》(DL 5053—1996)第8.1.2条规定,发电厂的噪声防治,应首先控制噪声源,并采取隔声、隔振,吸声等措施。
由表8.1.1(见题2解表)可知,主要生产车间及作业场所(工人每天连续接触噪声8h)噪声限制值为90dB。
题2解表电厂各类地点的噪声标准注:①对于工人每天接触噪声不足8h的场合,可根据实际接触噪声的时间,接触时间减半噪声限制值增加3dB(A)原则,确定其噪声限制值;②本表所列的室内背景声级,系在室内无声源发声的条件下,从室外经由墙、门、窗(门窗启闭状况为常规状况)传入室内的平均噪声级。
说明:《火力发电厂劳动安全和工业卫生设计规程》(DL 5053—1996)已作废,新规范分为《火力发电厂职业卫生设计规程》(DL 5454—2012)和《火力发电厂职业安全卫生设计规程》(DL 5053—2012)两个规程,但新规范里没有相关内容。
火力发电厂、变电所直流系统设计技术规定D C systen technical code for designingfossil fuel power plants a nd substationDL/T5044-95主编部门:电力工业部华北电力设计院批准部门:中华人民共和国电力工业部施行日期:1995年12月1日关于发布《火力发电厂电气试验室设计标准》两项电力行业标准的通知电技[1995]506号各电管局,各省、自治区,直辖市电力局,电力规划设计总院,各有关单位:《火力发电厂电气试验室设计标准》等两项电力行业标准,经审查通过,批准为推荐性标准,现予发布。
编号、名称如下:DL/T5043-95,火力发电厂电气试验室设计标准。
DL/T5044-95,火力发电厂火力发电厂、变电所直流系统设计技术规定。
以上标准自1995年12月上日起实施。
请将执行中的问题和意见告电力规划设计总院,并抄送部标准化领导小组办公室。
中华人民共和国电力工业部一九九五年八月十一日1 总则1.0.1 为适应电力建设发展的需要,搞好火力发电厂、变电所直流系统的设计(以下简称直流设计),总结建国以来直流设计建设和运行经验,吸收国内外先进技术,特制定本规定。
1.0.2 直流设计应贯彻安全可靠、技术先进、经济合理、力求简单并便于安装、运行维护的要求。
直流设计宜积极采用经过审定的标准设计和典型设计。
1.0.3 本规定适用于单机容量50~600MW的火力发电厂和220~500kV变电所新建工程采用固定型防酸式铅酸蓄电池和镉镍碱性蓄电池作为直流电源的直流设计。
1.0.4 直流设计除应执行本规定外,尚应执行国家、行业现行有关标准的规定。
2 直流电源系统2.0.1 发电厂、变电所应装设蓄电池组向控制负荷和动力负荷以及直流事故照明负荷供电。
蓄电池组正常应以全浮充电方式运行。
2.0.1.1 控制负荷包括电气和热工控制、信号、继电保护、自动装置等负荷。
2.0.1.2 动力负荷包括直流润滑油泵、氢密封油泵、断路器电磁合闸机构、交流不停电电源装置、事故照明等负荷。
2.0.2 直流负荷应按性质分类:(1)经常性负荷:要求直流电源在各种工况下均应可靠供电的负荷。
(2)事故性负荷:要求直流电源在交流电源事故停电时间的全过程可靠供电的负荷,并应按事故初期负荷和事故持续负荷以及随机负荷分类。
2.0.3 直流系统额定电压宜按下列要求确定:(1)控制负荷专用蓄电池组(对于网络控制室可包括直流事故照明负荷)的电压采用110V。
(2)动力负荷和直流事故照明负荷专用蓄电池组的电压采用220V。
(3)控制负荷、动力负荷和直流事故照明共用蓄电池组的电压采用220V或110V。
(4)当采用弱电控制或信号时,装设较低电压的专用蓄电池组。
2.0.4 控制负荷专用蓄电池组不应设置端电池,其它蓄电池组也不宜设置端电池。
当只有1组蓄电池但由于不设端电池为满足电压要求需加大蓄电池容量太多或需要增加复杂的降压设施而使技术经济不合理时,也可设置端电池。
铅酸蓄电池组设置端电池时,应有防止端电池硫化的措施。
2.0.5 蓄电池组在正常浮充电方式下,直流母线电压应为直流系统额定电压的105%;其它运行方式下直流母线电压不应超出直流用电设备所允许的电压波动范围:(1)控制负荷系统的直流母线电压应在直流系统额定电压的85%~110%范围内。
(2)动力负荷系统直流母线电压应在直流系统额定电压的87.5%~112.5%范围内。
2.0.6 硅整流充电装置与蓄电池并联运行时,由充电设备引起的波纹系数不应大于2%。
2.0.7 110kV及以下变电所和发电厂远离主厂房的辅助车间,宜选用成套蓄电池直流电源屏(柜)作为直流电源。
2.0.8 允许短时停电的直流负荷,如运煤系统的电磁分离器等所需的直流电源,应采用单独的硅整流设备供电。
3 蓄电池组3.1 蓄电池组数3.1.1 对于设有主控制室的发电厂,当机组台数为3台及以上,且总容量为100MW 及以上,宜装设2组蓄电池。
其它情况下可装设1组蓄电池。
容量为100~125MW的机组,当采用单元控制室的控制方式时,每台机组可装设1组蓄电池。
容量为200MW的机组,且其升高电压为220kV及以下时,每台机组可装设2组蓄电池,其中1组对控制负荷供电,另1组对动力负荷和直流事故照明负荷供电,也可只装设1组蓄电池合并供电。
容量为300MW的机组,每台机组宜装设3组蓄电池。
容量为600MW的机组应装设3组蓄电池。
3组蓄电池中2 组对控制负荷供电,另1组对动力负荷和直流事故照明负荷供电;也可装设2组蓄电池合并供电。
当发电厂的网络控制室或单元控制室控制的元件包括500kV电气设备时,应装设2组蓄电池对控制负荷供电;规划容量为800MW及以上发电厂的220kV网络控制室,宜装设2组蓄电池对控制负荷供电。
其它网络控制室可装设1组蓄电池。
3.1.2 500kV变电所宜装设2组蓄电池,220~330kV变电所应装设1组蓄电池。
当采用弱电控制、信号系统时,还应装设2组较低电压蓄电池。
3.2 蓄电池型式3.2.1 火力发电厂、变电所宜采用固定型防酸式铅酸蓄电池;在技术经济合理时,也可采用中倍率镉镍蓄电池。
当变电所蓄电池布置位置受到限制或直流负荷电流较小但冲击负荷较大时,可采用高倍率镉镍蓄电池。
铅酸蓄电池容量宜选择在100~3000Ah范围内。
电压为220V的蓄电池组容量大于2000Ah时,电压为110V的蓄电池组容量大于800Ah时,均应进行直流系统短路电流计算。
中倍率镉镍蓄电池容量宜选择在30~800Ah范围内。
高倍率镉镍蓄电池容量宜选择在10~40Ah范围内。
3.2.2 单体蓄电池的浮充电压、均衡充电电压及放电末期电压的选择应符合下列规定:(1)铅酸蓄电池的浮充电压宜取2.15~2.17V;均衡充电电压范围为2.25~2.35V,宜取2.30~2.33V;放电末期电压对有端电池直流系统宜取1.75V,对无端电池直流系统的动力专用蓄电池宜取1.75~1.80V,而对控制负荷专用和控制与动力合并供电的蓄电池宜取1.80V。
(2)中倍率镉镍蓄电池的浮充电压宜取1.42~1.45V;均衡充电电压宜取1.52~1.55V;放电末期电压最低值宜取1.07V。
(3)高倍率镉镍蓄电池的浮充电压宜取1.36~1.39V;均衡充电电压宜取1.47~1.48V;放电末期电压最低值宜取1.10V。
3.3 蓄电池组容量选择3.3.1 发电厂、变电所蓄电池组的负荷统计,应符合下列规定:(1)当控制室(主控制室或网络控制室)装设2组相同电压的蓄电池组时,对于控制负荷,每组应按属于该控制室的全部负荷考虑;对于直流事故照明负荷,每组应按属于该控制室供电的全部负荷的60%(变电所可按100%)考虑;对于断路器合闸冲击负荷按随机负荷考虑;对于动力负荷和通信远动的事故负荷,宜平均分配在两组蓄电池上。
(2)对于发电厂单元控制室,当两组蓄电池互联时,每组按所连接的负荷考虑,不因互联而增加负荷统计。
(3)电压低于110V的蓄电池组,每组按全部负荷的100%考虑。
3.3.2 计算蓄电池组容量时,与电力系统连接的发电厂,交流厂用电事故停电时间应按1h计算,其中氢密封直流油泵和直流润滑油泵的计算时间应符合3.3.3条规定。
变电所全所事故所用电停电时间应按1h计算。
3.3.3 直流负荷应分别按性质和计算时间进行统计。
其中事故负荷计算时间和负荷系数应符合下列规定:(1)直流润滑油泵计算时间,对25MW及以下机组宜按0.5h计算;50~300MW 机组宜按1h计算;600MW机组宜按1.5h计算。
起动电流宜按2倍额定电流计算。
负荷系数应按实际计算;当无数据时,对有端电池直流系统宜取0.8,对无端电池直流系统宜取0.9。
(2)氢密封油泵计算时间宜按1h计算;对300MW及以上机组宜按3h计算。
起动电流宜按2倍额定电流计算。
负荷系数对有端电池直流系统宜取0.7,对无端电池直流系统宜取0.8。
(3)交流不停电电源装置计算时间宜按0.5h计算。
静态逆变装置的负荷系数宜取0.6;电动发电机组的负荷系数宜取0.8。
(4)事故初期的瞬间冲击负荷:当备用电源断路器采用电磁合闸线圈时,应按备用电源实际自投断路器台数计算,其冲击负荷系数宜取0.5。
低电压跳闸回路宜按实际数计算,其冲击负荷系数宜取0.6。
热工及电气控制、保护回路等宜按实际负荷之和计算,其负荷系数宜取0.6。
(5)事故停电时间内电磁合闸冲击负荷,应按断路器最大1台合闸电 流计算,计算时间宜取5s。
该负荷应按随机负荷统计,并应与事故初期之外的最大负荷或出现最低电压时的负荷相叠加。
3.3.4 发电厂、变电所蓄电池容量选择计算条件,应满足全厂(所)事故停电时间内的放电容量,应计及事故初期直流电动机起动电流和其它冲击负荷电流,并应计及蓄电池组持续放电时间内叠加随机负荷电流。
确定蓄电池容量后,应按最严重的事故放电阶段计算直流母线的实际电压水平。
3.3.5 蓄电池容量选择宜采用下列计算方法并参见附录D。
3.3.5.1 电压控制法(1)按事故放电时间,分别统计事故放电电流和事故放电容量。
(2)按不同的蓄电池型式,不同的放电终止电压,确定1h放电的容量系数。
(3)根据事故放电电流和事故放电容量,分别计算出电流比例系数和容量比例系数。
(4)取电流比例系数或容量比例系数超过允许值的事故放电阶段,进行容量计算;如果各阶段的比例系数均小于允许值,则以1h事故放电容量为依据,进行容量计算。
(5)选取与计算值接近的蓄电池标称容量,做为蓄电池的选择容量。
(6)进行直流母线电压水平的计算,可根据需要求出事故放电初期、末期或其他各放电阶段的直流母线电压实际值,作为选择电缆截面的依据。
3.3.5.2 阶梯负荷法(1)按事故放电时间,分别统计事故放电电流,并确定阶梯负荷曲线。
(2)按不同蓄电池型式、不同的放电终止电压和不同的放电时间,确定相应的容量换算系数。
(3)根据事故放电电流,按事故放电阶段逐段进行容量计算。
(4)计算中应计及随机负荷。
(5)选取与计算容量最大值接近的蓄电池标称容量,做为蓄电池的选择容量。
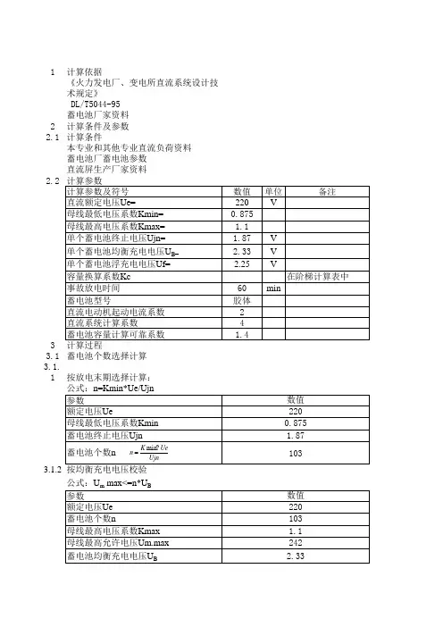
3.4 蓄电池个数3.4.1 铅酸蓄电池的直流系统每组蓄电池个数,应按2.0.5条的规定满足浮充电运行及事故放电末期直流母线电压。
可参见附录B.3。
3.4.2 镉镍蓄电池的直流系统每组蓄电池个数,宜按直流母线电压在事故放电末期为直流系统额定电压的90%,每个蓄电池电压按1.1V(高倍率)或1.07V(中倍率)计算,并宜考虑持续负荷电流与冲击负荷电流比例的影响,但其上限值应与接线方式相适应。
基本电池个数应按浮充电方式下直流母线电压为直流系统额定电压的105%计算。
4 系统接线4.1 接线方式4.1.1 发电厂、变电所直流系统宜采用单母线或单母线分段接线:单母线适用于设有2组蓄电池的直流系统。