RC缓冲电路snubber设计基本知识
- 格式:doc
- 大小:139.00 KB
- 文档页数:8
Snubber电路是用于减少电路中开关元件(如继电器、开关管等)的开关过程中产生的过电压和过电流的电路。
设计Snubber电路的参数需要考虑以下几个关键因素:
负载特性:了解负载电路的特性,包括电感、电容和电阻等参数。
这些参数将影响Snubber 电路的参数选择和计算。
开关元件特性:了解开关元件的最大电压和最大电流额定值,以确定Snubber电路需要处理的过电压和过电流范围。
Snubber电路类型:根据具体需求选择合适的Snubber电路类型,如RC Snubber、RL Snubber 或者RC-RL Snubber等。
频率范围:确定电路的工作频率范围,以选择合适的电容和电感值。
过电压和过电流限制:确定允许的过电压和过电流的最大值,以确保Snubber电路的参数可以有效地限制这些过度值。
计算参数:根据电路特性和需求,计算合适的电阻、电容和电感值。
这些参数可以根据经验公式、电路分析或仿真工具进行计算。
参数优化:根据实际情况和设计目标,进行参数优化和调整,以获得最佳的Snubber电路性能和效果。
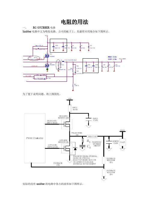
电阻的用法一、RC-SNUBBER电路Snubber电路中文为吸收电路。
公司的板子上,其最常应用场合如下图所示。
为了便于说明问题,将上图简化。
实际的没有snubber的电路中各点的波形如下图所示。
从上图的波形即客观现象表明在PHASE点会出现电压尖峰。
这种尖峰会对L-MOS造成威胁,根据电源组同事的观察,有些板子的L-MOS经常烧坏或寿命大幅缩短,就是PHASE 点电压尖峰造成的。
实际测量没有SNUBBER的PHASE点波形如图所示(上图红圈内的波形放大)。
造成电压尖峰及其危害的原因是什么呢?为了更严谨更准确说明电路的工作情况设想模型如下。
上图分别是电路中寄生电感和MOS管极间等效电容的示意图。
简化之后如下图。
上图虚线框内的是PHASE后的线路,由于有储能大电感的存在,瞬时变化的电流I不能通过进入虚线框内。
所以对瞬时(高频)电压电流而言,其路径只能是通过L-MOS。
为了验证这种设想的真实性,本文建立仿真模型进行验证。
TD = 30ns TF =PW =PER =V1 = 0TR =V2 = 5IV电压源是一个上升沿模仿H-MOS 导通的动作。
电容模仿L-MOS 的等效电容大概有500pF 。
电感模仿电路上的寄生电感。
电阻模仿线路上的等效电阻。
仿真波形如下。
红色为PHASE 点电压,黄色为PHASE 点电流,绿色为输入电压。
和实际没有snubber 电路的PHASE 点波形比较。
可以发现两者在波形特征是很相似的。
所以可以基本认为,设想的模型是能说明问题的。
分析产生电压尖峰的原因。
将上图放大。
得下图。
红色为PHASE 点电压,黄色为PHASE 点电流,绿色为输入电压。
时间段1(30ns~A):H-MOS管导通,5V电压输入。
寄生电感中的电流以正弦波的形式增大。
同时这个增大的电流给L-MOS的等效电容充电,使得PHASE点的电压上升。
时间段2(A~B):当PHASE点电压达到5V时,则寄生电感两端的电压开始反向。
snubber电路吸收电路Snubber电路是一种被广泛应用于电力电子设备中的电路,其主要作用是吸收电路中的反向电压和电流。
在一些特定的电路中,当开关元件切断或者闭合时,会产生电感元件中的储能电流或者电容元件中的储能电压,这些电流或电压可能会对电路的正常工作产生不良影响,甚至会损坏电路元件。
为了解决这个问题,Snubber电路应运而生。
Snubber电路的设计原则是在电路中加入一个合适的电阻和电容,以吸收电感元件或电容元件中的储能电流或电压。
在电感元件中,Snubber电路通过串联电阻和并联电容的方式,将电感元件中的储能电流转化为电阻上的热能,从而消耗储能电流。
而在电容元件中,Snubber电路通过串联电阻和并联电容的方式,将电容元件中的储能电压转化为电阻上的热能,从而消耗储能电压。
Snubber电路可以分为两种类型:无源Snubber电路和有源Snubber电路。
无源Snubber电路主要由电阻和电容组成,其工作原理是通过电阻消耗电路中的储能电流或电压。
有源Snubber电路除了包含电阻和电容之外,还加入了开关元件和电源,通过开关元件的控制,将储能电流或电压导入电源中,从而实现消耗储能的目的。
无源Snubber电路相对简单,成本低,但是能量转化效率较低;有源Snubber电路能量转化效率较高,但是由于需要额外的开关元件和电源,成本较高。
Snubber电路的选择要根据电路中的元件特性和工作条件来确定。
首先需要确定电路中的储能元件类型,是电感元件还是电容元件,然后根据储能电流或电压的大小来选择合适的电阻和电容数值。
此外,还需要考虑电路中的功率损耗和能量转化效率,以及Snubber 电路的稳定性和可靠性。
Snubber电路在电力电子设备中有着广泛的应用。
例如,在交流电路中,Snubber电路可以保护开关管免受过高的电压冲击;在直流电路中,Snubber电路可以保护开关管免受过高的电流冲击。
此外,在电机驱动系统中,Snubber电路可以减少开关管的损耗,提高系统的效率。
用于功率开关的电阻-电容(RC)缓冲电路设计文章出处:电子产品世界发布时间:2015/10/09 | 96 次阅读功率开关是所有功率转换器的核心组件。
功率开关的工作性能直接决定了产品的可靠性和效率。
若要提升功率转换器开关电路的性能,可在功率开关上部署缓冲器,抑制电压尖峰,并减幅开关断开时电路电感产生的振铃。
正确设计缓冲器可提升可靠性和效率,并降低EMI。
在各种不同类型的缓冲器中,电阻电容(RC)缓冲器是最受欢迎的缓冲器电路。
本文介绍功率开关为何需要使用缓冲器。
此外还提供一些实用小技巧,助您实现最优缓冲器设计。
图1:四种基本的功率开关电路有多种不同的拓扑用于功率转换器、电机驱动器和电灯镇流器中。
图1显示四种基本的功率开关电路。
在所有四种基本电路中——事实上在大部分功率开关电路中——蓝线以内表示的是同样的开关二极管电感网络。
该网络在所有这些电路中均具有相同的特性。
因此,可利用图2中的简化电路进行开关瞬变时针对功率开关的开关性能分析。
由于开关瞬变期间,电感电流几乎不变,因此采用电流源代替电感,如图所示。
该电路的理想电压和电流开关波形同样如图2所示。
图2 简化的功率开关电路及其理想开关波形MOSFET开关关断时,它两端的电压将上升。
然而,电流IL将继续流过MOSFET,直到开关电压到达Vol。
二极管导通后,电流IL开始下降。
MOSFET 开关导通时,情况相反,如图所示。
这类开关称为“硬开关”。
开关瞬变期间,必须同时支持最大电压和最大电流。
因此,这种“硬开关”会使MOSFET开关承受高电压应力。
图3 MOSFET开关关断瞬变时的电压过冲在实际电路中,开关应力要高得多,因为存在寄生电感(Lp)和寄生电容(Cp),如图4所示。
由于PCB布局与走线,Cp包含开关输出电容和杂散电容。
Lp包含PCB路由寄生电感和MOSFET引线电感。
这些来自功率器件的寄生电感和电容组成滤波器,并在关断瞬变发生后立即产生谐振,从而将过量电压振铃叠加到器件上,如图3所示。
rcd-snubber电路参数计算RCd-snubber电路是一种常见的电路配置,用于减少开关电路中开关元件(如继电器、晶体管等)的开关过程中产生的电压尖峰和电流尖峰。
这些尖峰可能会对电路中的其他元件造成损害,因此使用RCd-snubber电路来保护开关元件和其他元件是非常重要的。
RCd-snubber电路由一个电阻(R)和一个电容(C)组成,它们串联连接在开关元件的并联电路中。
当开关元件关闭时,电容开始充电,电流通过电阻和电容。
这样,电容在充电过程中会吸收掉电压尖峰,减少电路中的噪声和干扰。
在RCd-snubber电路中,电阻和电容的数值是非常重要的。
电阻的数值决定了电流的大小,而电容的数值则决定了电容的存储能力。
如果电阻和电容的数值选取不当,可能会导致电容无法充电或充电速度过慢,从而无法有效地减少电压尖峰。
为了选择合适的电阻和电容数值,需要根据开关元件的特性和电路的工作条件进行计算和分析。
这涉及到一些复杂的公式和计算过程,但是在本文中,我们将避免使用数学公式和计算公式,以便更好地理解RCd-snubber电路的工作原理。
在实际的电路设计中,工程师通常会根据经验和实验来选择合适的电阻和电容数值。
他们会根据电路的特性和设计要求来调整电阻和电容的数值,以使得RCd-snubber电路能够有效地减少电压尖峰,并保护电路中的其他元件。
RCd-snubber电路是一种重要的电路配置,用于保护开关元件和其他元件免受电压尖峰和电流尖峰的损害。
正确选择电阻和电容的数值对于RCd-snubber电路的性能非常关键。
工程师通常会根据经验和实验来选择合适的数值,以确保RCd-snubber电路能够正常工作并发挥最佳的保护效果。
本文较深入地讨论了两种常用模式的RCD Snubber电路:抑制电压上升率模式与电压钳位模式,详细分析了其各自的工作原理,给出了相应的计算公式,最后通过实验提出了电路的优化设计方法。
RCD Snubber电路的基本类型及其工作原理RCD Snubber是一种能耗式电压关断型缓冲器,分为抑制电压上升率模式和电压钳位模式两种类型,习惯上前者称为RCD Snubber电路,而后者则称为RCD Clamp电路。
为了分析方便,以下的分析或举例均针对反激电路拓扑,开关器件为功率MOSFET。
图1 常用的RCD Snubber电路抑制电压上升率模式对于功率MOSFET来讲,其电流下降的速度较GTR或IGBT快得多,其关断损耗的数值要比GTR或IGBT小,但是这个损耗对整个小功率的电源系统也是不容忽视的。
因此提出了抑制电压上升率的RCD Snubber。
如图1所示,在开关管关断瞬间,反激变压器的漏感电流需要按原初始方向继续流动,该电流将分成两路:一路在逐渐关断的开关管继续流动;另一路通过Snubber电路的二极管Ds向电容Cs充电。
由于Cs上的电压不能突变,因而降低了开关管关断电压上升的速率,并把开关管的关断功率损耗转移到了Snubber电路。
如果Cs足够大,开关管电压的上升及其电流的下降所形成的交叉区域将会进一步降低,可以进一步降低开关管的关断损耗。
但是Cs的取值也不能过大,因为在每一个关断期间的起始点(也就是开通期间的结束点),Cs必须放尽电荷以对电压上升率进行有效的抑制;而在关断期间的结束点,Cs虽然能降低开关管电压的上升时间,但其端电压最终会达到()(为忽略漏感时的电压尖峰,为次级对初级的反射电压)。
关管导通的瞬间,Cs将通过电阻Rs与M所形成的回路来放电。
Snubber的放电电流将流过开关管,会产生电流突波,并且如果某个时刻占空比变窄,电容将不能放尽电荷而不能达到降低关断损耗的目的。
可见,Snubber电路仅在开关过渡瞬间工作,降低了开关管的损耗,提高了电路的可靠性,电压上升率的减慢也降低了高频电磁干扰。
本文较深入地讨论了两种常用模式的RCD Snubber电路:抑制电压上升率模式与电压钳位模式,详细分析了其各自的工作原理,给出了相应的计算公式,最后通过实验提出了电路的优化设计方法。
RCD Snubber电路的基本类型及其工作原理RCD Snubber是一种能耗式电压关断型缓冲器,分为抑制电压上升率模式和电压钳位模式两种类型,习惯上前者称为RCD Snubber电路,而后者则称为RCD Clamp电路。
为了分析方便,以下的分析或举例均针对反激电路拓扑,开关器件为功率MOSFET。
图1 常用的RCD Snubber电路抑制电压上升率模式对于功率MOSFET来讲,其电流下降的速度较GTR或IGBT快得多,其关断损耗的数值要比GTR或IGBT小,但是这个损耗对整个小功率的电源系统也是不容忽视的。
因此提出了抑制电压上升率的RCD Snubber。
如图1所示,在开关管关断瞬间,反激变压器的漏感电流需要按原初始方向继续流动,该电流将分成两路:一路在逐渐关断的开关管继续流动;另一路通过Snubber电路的二极管Ds向电容Cs充电。
由于Cs上的电压不能突变,因而降低了开关管关断电压上升的速率,并把开关管的关断功率损耗转移到了Snubber电路。
如果Cs足够大,开关管电压的上升及其电流的下降所形成的交叉区域将会进一步降低,可以进一步降低开关管的关断损耗。
但是Cs的取值也不能过大,因为在每一个关断期间的起始点(也就是开通期间的结束点),Cs必须放尽电荷以对电压上升率进行有效的抑制;而在关断期间的结束点,Cs虽然能降低开关管电压的上升时间,但其端电压最终会达到()(为忽略漏感时的电压尖峰,为次级对初级的反射电压)。
关管导通的瞬间,Cs将通过电阻Rs与M所形成的回路来放电。
Snubber的放电电流将流过开关管,会产生电流突波,并且如果某个时刻占空比变窄,电容将不能放尽电荷而不能达到降低关断损耗的目的。
可见,Snubber电路仅在开关过渡瞬间工作,降低了开关管的损耗,提高了电路的可靠性,电压上升率的减慢也降低了高频电磁干扰。
缓冲电路的作用与基本类型1、缓冲的作用与基本类型器件的缓冲电路(snubber circuit)又称汲取电路,它是电力器件的一种重要的庇护电路,不仅用于半控型器件的庇护,而且在全控型器件(如GTR、GTO、功率和等)的应用技术中起着重要的作用。
晶闸管开通时,为了防止过大的升高率而烧坏器件,往往在主电路中串入一个扼流,以限制过大的di/dt,串联电感及其配件组成了开通缓冲电路,或称串联缓冲电路。
晶闸管关断时,电源|稳压器突加在管子上,为了抑制瞬时过电压和过大的电压升高率,以防止晶闸管内部流过过大的结电流而误触发,需要在晶闸管的两端并联一个RC网络,构成关断缓冲电路,或称并联缓冲电路。
GTR、GTO等全控型自关断器件在实际用法中都必需配用开通和关断缓冲电路;但其作用与晶闸管的缓冲电路有所不同,电路结构也有差别。
主要缘由是全控型器件的工作频率要比晶闸管高得多,因此开通与关断损耗是影响这种开关器件正常运行的重要因素之一。
例如,GTR在动态开关过程中易产生二次击穿的现象,这种现象又与开关损耗挺直相关。
所以削减全控器件的开关损耗至关重要,缓冲电路的主要作用正是如此,也就是说GTR和功率MOSFET用缓冲电路抑制di/dt和du/dt,主要是为了转变器件的开关轨迹,使开关损耗削减,进而使器件牢靠地运行。
图1(a)是没有缓冲电路时GTR开关过程中集电极电压uCE和集电极电流iC的波形,由图可见开通和关断过程中都存在uCE和iC同时达到最大值的时刻;因此浮现了瞬时的最大开关损耗功率Pon和Poff,从而危及器件的平安。
所以,应采纳开通和关断缓冲电路,抑制开通时的di/dt,降低关断时的du/dt,使uCE和iC的最大值不会同时浮现。
图1(b)是GTR开关过程中的uCE和iC的轨迹,其中轨迹1和2是没有缓冲电路的状况,开通时uCE由UCC(电源电压)经矩形轨迹降到0,相应地iC由0升到ICM;关断时iC由ICM经矩形轨迹降到0,相应地第1页共2页。
RCD缓冲电路参数设计作者:杨志龙来源:《电脑知识与技术》2015年第24期摘要:以Boost变换器电路为例,介绍功率开关管RCD缓冲电路的工作原理。
设计电路参数,通过实验验证设计的可行性,可以应用于中小型功率开关电路中。
关键词:Boost变换器;功率开关管;RCD缓冲电路中图分类号:TP391 文献标识码:A 文章编号:1009-3044(2015)24-0172-02Parameter Design of RCD Buffer CircuitYANG Zhi-Long(School of Electronic Engineering,Xi’an Shiyou University,Xi’an 710065,China)Abstrict: Focusing on the boost converter circuit,andit describes the working principle of the power switch RCD snubber circuit.Theparametersof the circuit is designed.The correctness of the design method is verified,and it can be used in middle and low power switching power supplies.Keywords: Boost converter; power switch tube; RCD snubber circuitRCD箝位电路具有结构简单、体积小、成本低、无需驱动等优点,因而被广泛应用于中小型功率开关电源中。
在Boost电路中,开关管关断瞬间,电路中感性元件储存的电能释放会产生很大的尖峰电压,使得开关管承受很大的电压应力,甚至可能导致开关管损坏。
为了消除开关关断瞬间的尖峰电压保证开关管正常工作,以往很多学者进行了大量研究,取得了许多成果[1-3],得出了RCD箝位电路可以消除开关关断瞬间的尖峰电压,尤其是在反激电路中可靠性很高。
R C缓冲电路s n u b b e r设计原理RC缓冲电路snubber设计原理RC 缓冲 snubber 设计Snubber 用在开关之间,图 4 显示了 RC snubber 的结构图,用 RC 电路可以降低管子的峰值电压及关断损耗和降低电流振铃现象。
我们可以轻松选择一个snubber Rs , Cs 网络,但是我们需要优化设计以达到更好的缓冲效果快速 snubber 设计,为了达到 Cs 〉 Cp ,一个比较好的选择是 Cs 选择两倍大小的 Cp ,也就是两倍大小的开关管寄生电容及估算出来的 LAYOUT 布板电容,对于 Rs ,我们选择的标准是 Rs=Eo/Io ,这表示通过电流流向 Rs 的所产生的电压不能比输出电压还大。
消耗在 Rs 上的电压大小我们可以通过储存在Cs 上的能量来估计。
下式表示了储存在电容上的能量。
当电容 Cs 充放电的过程中,能量在电阻 Rs 上消耗,而这个过程中在一个给定的开关频率下平均的功率损耗如下所得:因为振铃的发生,实际的功耗比上式要稍微大一些。
如下将用实例来演示一遍以上的简化设计步骤,现在用 IRF740 ,额定工作电流时 Io=5A , Eo=160V , IRF740 的 Coss=170pF ,布板寄生电容大概40pF ,两倍 Cp 值大概 420pF 左右,我们选择一个 500V 的 mike snubber 电容,标准的容值有 390 和 470pF ,我们选择比价接近的 390pF ,Rs=Eo/Io=32W ,开关频率 fs 设为 100kHz 的话, Pdiss 大概为 1W 左右,选择一个寄生电感非常小的 2 W 的碳膜电阻作为 Rs 。
如果这种简化而实际有效的设计方法还不能有效减小峰值电压,那么我们可以增加 Cs ,或则使用如下的优化设计方法。
优化的 RC 滤波器设计在一些情况下必须降低峰值电压及功率损耗很严重,我们可以借鉴以下的优化snubber 设计方法,以下是 W.McMurray 博士在一篇文章提出的经典的Rcsnubber 优化设计方法,如下讨论其精粹的设计步骤。
Snubber Circuit2008-12-08 09:56缓冲电路(Snubber Circuit)又称为吸收电路。
其中的电阻和电容分别称为缓冲电阻(snubber resistence)和缓冲电容(Snubber capacitance)。
其作用是抑制电力电子器件的内因过电压、du/dt或者过电流di/dt,减小器件的开关损耗。
缓冲电路可分为关断缓冲电路和开通缓冲电路。
关断缓冲电路又称为du/dt 抑制电路,用于吸收器件的关断过电压和换相过电压,抑制du/dt,减小关断损耗。
开通缓冲电路又称为di/dt,用于抑制器件开通时的电流过冲和di/dt,减小器件的开通损耗。
可将关断缓冲电路和开通缓冲电路结合在一起,称其为复合缓冲电路。
还可以用另外的分类方法:缓冲电路中储能元件的能量如果消耗在其吸收电阻上,则称其为耗能式缓冲电路;如果缓冲电路能将其储能元件的能量回馈给负载或电源,则称其为馈能式缓冲电路,或称为无损吸收电路。
SnubberFrom Wikipedia, the free encyclopediaElectrical systemsSnubbers are frequently used in electrical systems with an inductive load where the sudden interruption of current flow would lead to a sharp rise in voltage across the device creating the interruption. This sharp rise in voltage might lead to a transient or permanent failure of the controlling device. A spark is likely to be generated (arcing) and to cause electromagnetic interference. The snubber prevents this undesired voltage by conducting transient current around the device.[edit] RC snubbersRC snubbersA simple snubber comprising a small resistor (R) in series with a small capacitor (C) is often used. This combination can be used to suppress (抑制) the rapid(快速) rise in voltage across a thyristor, preventing the erroneous turn-on of the thyristor; it does this by limiting the rate of rise in voltage (dV/dt) across the thyristor to a value which will nottrigger it. Snubbers are also often used to prevent arcing across the contacts of relays and switches and the electrical interference and welding/sticking of the contacts that can occur. Anappropriately-designed RC snubber can be used with either dc or ac loads. This sort of snubber is commonly used with inductive loads such as electric motors. The voltage across a capacitor cannot change instantaneously, so a decreasing transient current will flow through it for a small fraction of a second, allowing the voltage across the switch to increase more slowly when the switch is opened. While the values can be optimised for the application, a 100 ohm resistor in series with a 100 nanofarad capacitor of appropriate voltage rating is usually effective. This type of snubber is often manufactured as a single component.[edit] Diode snubbersMain article: flyback diodeWhen the current flowing is DC, a simple rectifier diode is often employed as another form of snubber. The snubber diode is wired in parallel with an inductive load (such as a relay coil or electric motor). The diode is installed so that it does not conduct under normal conditions. When current to the inductive load is rapidly interrupted, a large voltage spike would be produced in the reverse direction (as the inductor attempts to keep current flowing in the circuit). This spike is known as an "inductive kick". Placing the snubber diode in inverse parallel with the inductive load allows the current from the inductor to flow through the diode rather than through the switching element, dissipating the energy stored in the inductive load over the series resistance of the inductor and the (usually much smaller) resistance of the diode (over-voltage protection). One disadvantage of simple rectifier diode used as a snubber is that the diode allows current to continue flowing, which may cause the relay to remain actuated for slightly longer; some circuit designs must account for this delay in the dropping-out of the relay.[edit] More-sophisticated solid-state snubbersIn some dc circuits, a varistor or two inverse-series Zener diodes (collectively called a transorb) may be used instead of the simple diode. Because these devices dissipate significant power, the relay may drop-out faster than it would with a simple rectifier diode. An advantage to using a transorb over just one diode however, is that it will protect against both over and under voltage if connected to ground, forcing the voltageto stay between the confines of the breakdown voltages of the Zener diodes. Just one Zener diode connected to ground will only protect against positive transients.In ac circuits a rectifier diode snubber cannot be used; if a simple RC snubber is not adequate a more complex bidirectional snubber design must be used.。
半桥逆变SNUBBER电路描述:半桥逆变正负桥臂开关管关断时是硬关断,当负载电流很大时,开关管关断时di/dt很大,由于线路存在分布电感,所以会引起很大的电压尖峰,如果不加缓冲电路抑制电压尖峰的产生,则开关管的电压规格必须比正常值高出许多,开关损耗也较大,当UPS功率很大时(额定电流很大),开关管的选取将变得异常困难;同时,过高的di/dt将产生严重的EMI。
给半桥逆变的开关管增加关断缓冲电路可以降低di/dt、减小关断损耗,并能降低相应频段的EMI。
一、常用SNUBBER电路的种类1、RC SNUBBER(如图1)图12、RCD SNUBBER(如图2)图23、变形的RCD SNUBBER电路(CLAMPING电路,如图3)图3二、SNUBBER电路的工作过程(以RCD SNUBBER电路为例进行分析,只分析正半周的情况)1、Q1开通后进入稳态,流过Q1的负载电流为I,此时U CS1=0,U CS2=2*V BUS(如图4,红色箭头表示电流流向)。
图42、当Q1的栅极上加入关断信号,电流I通过Q1的C、E间的寄生电容流过,U CE1升高,随之D S1开通,一部分电流转移到C S1成为C S1的充电电流,Q1上电流减小,C S2经R S2、R LOAD进行放电(如图5)。
图53、Q1完全关断(恢复阻断能力)后,U CE1大于正负BUS之和,D2开始正偏置,在D2的正偏置电压没有达到其开通阈值电压之前不能及时导通,C S1继续过充电,C S2继续放电(如图6)。
图64、C S1仍然过充电,D2开始续流,负载电流I由正桥臂向负桥臂换流,C S2放电(如图7)。
图75、D2完全续流,C S1放电,C S1上过充的能量一部分消耗在R S1上,另一部分反馈到+BUS(如图8)。
图86、C S1放电完毕,U CE1=2*V BUS,U CS2=0,D2进入稳态续流(如图9)。
图97、Q1再次开通,Q1与D2之间进行换流,Q1的电流增大,D2的电流反相进入反相恢复过程,同时C S1、R S1、Q1构成C S1的放电回路,Q1、D S2、C S2构成C S2的充电回路(图10)。
近年来Snubber电路有了较大的发展,但目前其性能并未得到合理优化,其应用也不尽如人意。
这主要是由于现场应用人员并未十分重视RCD Snubber的基本类型、相关特性及使用场合的限制,也不重视RCD Snubber电路的理论分析,只是凭经验和实际工程调试,这在一定程度上降低了工程设计的工作效率。
基于上述原因,本文较深入地讨论了两种常用模式的RCD Snubber电路:抑制电压上升率模式与电压钳位模式,详细分析了其各自的工作原理,给出了相应的计算公式,最后通过实验提出了电路的优化设计方法。
RCD Snubber电路的基本类型及其工作原理RCD Snubber是一种能耗式电压关断型缓冲器,分为抑制电压上升率模式和电压钳位模式两种类型,习惯上前者称为RCD Snubber电路,而后者则称为RCD Clamp电路。
为了分析方便,以下的分析或举例均针对反激电路拓扑,开关器件为功率MOSFET。
图1 常用的RCD Snubber电路抑制电压上升率模式对于功率MOSFET来讲,其电流下降的速度较GTR或IGBT快得多,其关断损耗的数值要比GTR或IGBT小,但是这个损耗对整个小功率的电源系统也是不容忽视的。
因此提出了抑制电压上升率的RCD Snubber。
<!--######-->如图1所示,在开关管关断瞬间,反激变压器的漏感电流需要按原初始方向继续流动,该电流将分成两路:一路在逐渐关断的开关管继续流动;另一路通过Snubber电路的二极管Ds 向电容Cs充电。
由于Cs上的电压不能突变,因而降低了开关管关断电压上升的速率,并把开关管的关断功率损耗转移到了Snubber电路。
如果Cs足够大,开关管电压的上升及其电流的下降所形成的交叉区域将会进一步降低,可以进一步降低开关管的关断损耗。
但是Cs的取值也不能过大,因为在每一个关断期间的起始点(也就是开通期间的结束点),Cs必须放尽电荷以对电压上升率进行有效的抑制;而在关断期间的结束点,Cs虽然能降低开关管电压的上升时间,但其端电压最终会达到()(为忽略漏感时的电压尖峰,为次级对初级的反射电压)。
半桥逆变SNUBBER电路描述:半桥逆变正负桥臂开关管关断时是硬关断,当负载电流很大时,开关管关断时di/dt很大,由于线路存在分布电感,所以会引起很大的电压尖峰,如果不加缓冲电路抑制电压尖峰的产生,则开关管的电压规格必须比正常值高出许多,开关损耗也较大,当UPS功率很大时(额定电流很大),开关管的选取将变得异常困难;同时,过高的di/dt将产生严重的EMI。
给半桥逆变的开关管增加关断缓冲电路可以降低di/dt、减小关断损耗,并能降低相应频段的EMI。
一、常用SNUBBER电路的种类1、RC SNUBBER(如图1)图12、RCD SNUBBER(如图2)图23、变形的RCD SNUBBER电路(CLAMPING电路,如图3)图3二、SNUBBER电路的工作过程(以RCD SNUBBER电路为例进行分析,只分析正半周的情况)1、Q1开通后进入稳态,流过Q1的负载电流为I,此时U CS1=0,U CS2=2*V BUS(如图4,红色箭头表示电流流向)。
图42、当Q1的栅极上加入关断信号,电流I通过Q1的C、E间的寄生电容流过,U CE1升高,随之D S1开通,一部分电流转移到C S1成为C S1的充电电流,Q1上电流减小,C S2经R S2、R LOAD进行放电(如图5)。
图53、Q1完全关断(恢复阻断能力)后,U CE1大于正负BUS之和,D2开始正偏置,在D2的正偏置电压没有达到其开通阈值电压之前不能及时导通,C S1继续过充电,C S2继续放电(如图6)。
图64、C S1仍然过充电,D2开始续流,负载电流I由正桥臂向负桥臂换流,C S2放电(如图7)。
图75、D2完全续流,C S1放电,C S1上过充的能量一部分消耗在R S1上,另一部分反馈到+BUS(如图8)。
图86、C S1放电完毕,U CE1=2*V BUS,U CS2=0,D2进入稳态续流(如图9)。
图97、Q1再次开通,Q1与D2之间进行换流,Q1的电流增大,D2的电流反相进入反相恢复过程,同时C S1、R S1、Q1构成C S1的放电回路,Q1、D S2、C S2构成C S2的充电回路(图10)。
二次侧RC缓冲:
在二极管反向恢复期间,等效电感和等效电容成为一个RC振荡器,产生高频振荡。
为了抑制这种高频振荡,需在二极管两端并联电容C或RC缓冲网络。
电阻一般取10Ω-100 Ω,电容取4.7pF-2.2nF。
主要作用是用来吸收反向电压尖峰。
反向电压尖峰产生的原因是二极管的寄生电容和漏感震荡引起。
由频率的公式可知增加电容可降低震荡频率和尖峰大小,对EMI和二极管的耐压选择都有好处,一般取寄生电容的3倍大小。
电阻的目的是提供阻尼,一般取转择频率为震荡频率的十分之一处确定大小。
SNUBBER电路应用分析(早期学习经历,与大家一起温故,知新)SNUBBER电路应用分析(早期学习经历,与大家一起温故,知新)阅读: 3335 回复:22 楼层直达:查看2019/04/06 00:10:011帖成隆旅长Snubber电路原理分析优点:1.钳位开关管晶体管漏极的峰值电压.2.改善负载不合理的弊端.3.改善EMI.·电路工作原理· Snubber电路主要作用是滤除尖峰电压和消耗能量.当晶体管关断时电感(变压器的初级线圈)上的电流逐渐增到了最大,此时线圈给晶体管提供了一个很高的电压即: Vin+V漏. 从而使晶体管上电压突然升高(理论上此时的Vds=2Vin+V漏),Snubber电路将开关时形成的脉冲电压通过二极管给阻容电路给消耗能量, 达到滤除尖峰电压的目的.例如:·以下的分析是在输入电压为264Vac,负载为满载时条件下进行的.·没有Snubber电路时Q1的波形图·加上Snubber电路时Q1的波形图分享到:复制地址收藏该贴回复1帖2019/04/06 00:10:512帖成隆旅长一.更换电阻进行比较:· 1.此为更换110K电阻的Q1波形图回复2帖2019/04/06 00:11:413帖成隆旅长2.此为更换82K电阻的Q1波形图回复3帖2019/04/06 00:12:114帖成隆旅长· 3.此为更换51K电阻的Q1波形图回复4帖2019/04/06 00:12:375帖成隆旅长总结:1. 由于电阻越小,Snubber回路中消耗的能量更多,导致效率变小.2. 对Vds的影响:三者Vds相差不大.所以电阻对Vds不大影响. R(Ω)efficiencyVds(v)51k55.4%55982k68.5%551110k68.8%550回复5帖2019/04/06 00:14:066帖成隆旅长二.更换电容进行比较:1.此为更换0.01μF电容的Q1波形图回复6帖2019/04/06 00:15:047帖成隆旅长· 2.此为更换1000PF电容的Q1波形图回复7帖2019/04/06 00:15:338帖成隆旅长3.此为更换220PF电容的Q1波形图回复8帖 2019/04/06 00:16:089帖成隆旅长总结:.由此可见,电容对效率影响不大.2.对Vds的影响: Vds随着电容的增大而增大.CefficiencyVds(v)220PF68.1%54468.5%5500.01μF68.3%556回复9帖2019/04/06 00:16:4110帖成隆旅长三.更换二极管进行比较:· 1.此为更换超快速二极管的Q1波形图回复10帖2019/04/06 00:17:0111帖成隆旅长· 2.此为更换快速二极管的Q1波形图回复11帖2019/04/06 00:17:2912帖成隆旅长3.此为更换慢速二极管的Q1波形图回复12帖2019/04/06 00:17:5913帖成隆旅长总结:1.由此可见, 二极管的反应速度对效率影响不大.2.对Vds的影响: Vds随着二极管的反应速度的增大而增大.efficiencyVds(v)超快速68.7%613快速67.8%581慢速68.5%550回复13帖十2019/04/06 00:18:2314帖成隆旅长·终述:· Snubber电路主要作用是滤除尖峰电压和消耗能量.电阻.电容..二极管是其重要组成部份,更换每一个组件都会给电路带来影响.所以,作为一个设计工程师,必须对Snubber电路的参数和电气特性全面了解.以上是我个人分析结果,还请多多指教.。
RC缓冲电路snubber设计原理
RC 缓冲snubber 设计
Snubber 用在开关之间,图4 显示了RC snubber 的结构图,用RC 电路可以降低管子的峰值电压及关断损耗和降低电流振铃现象。
我们可以轻松选择一个snubber Rs ,Cs 网络,但是我们需要优化设计以达到更好的缓冲效果
快速snubber 设计,为了达到Cs 〉Cp ,一个比较好的选择是Cs 选择两倍大小的Cp ,也就是两倍大小的开关管寄生电容及估算出来的LAYOUT 布板电容,对于Rs ,我们选择的标准是Rs=Eo/Io ,这表示通过电流流向Rs 的所产生的电压不能比输出电压还大。
消耗在Rs 上的电压大小我们可以通过储存在Cs 上的能量来估计。
下式表示了储存在电容上的能量。
当电容Cs 充放电的过程中,能量在电阻Rs 上消耗,而这个过程中在一个给定的开关频率下平均的功率损耗如下所得:
因为振铃的发生,实际的功耗比上式要稍微大一些。
如下将用实例来演示一遍以上的简化设计步骤,现在用IRF740 ,额定工作电流时Io=5A ,Eo=160V ,IRF740 的Coss=170pF ,布板寄生电容大概40pF ,两倍Cp 值大概420pF 左右,我们选择一个500V 的mike snubber 电容,标准的容值有390 和470pF ,我们选择比价接近的390pF ,
Rs=Eo/Io=32W ,开关频率fs 设为100kHz 的话,Pdiss 大概为1W 左右,选择一个寄生电感非常小的2 W 的碳膜电阻作为Rs 。
如果这种简化而实际有效的设计方法还不能有效减小峰值电压,那么我们可以增加Cs ,或则使用如下的优化设计方法。
优化的RC 滤波器设计
在一些情况下必须降低峰值电压及功率损耗很严重,我们可以借鉴以下的优化snubber 设计方法,以下是W.McMurray 博士在一篇文章提出的经典的Rcsnubber 优化设计方法,如下讨论其精粹的设计步骤。
在以下讨论中我们需要如下表的定义:
在设计过程中Io ,Eo 和Lp 需要事先知道,一个合理的峰值电压E1 也是必须的,这直接用来决定Rs 和Cs 的大小,图5 显示了E1/E0 与z 在不同的c 下的关系,图中的一个关键点是我们在一个给定的c (c a 1/ Cs) 下可以得到一个最优化的z ( z a R s ) ,这一值让我们得到最优的设计,最低的峰值电压。
另外一个重要点是Cs 的大小决定了峰值电压的大小,如果要得到一个更低的峰值电压,我们就必须提高Cs 的大小,这也意味着我们峰值电压的减小意味着功率损耗的增大。
对于一个如图6 给定的图形来说,RC 缓冲器设计非常简单,如下是设计的主要步骤:
1.决定Io ,Eo 和Lp 大小。
2.选择最大的峰值电压值
3.计算E1 /Eo
4.从图形中得到z 和c
对给定的z ,c 计算R s 和C s
如下是一个实际的例子,如果Io=5A ,Eo=300V ,Lp=1uH ,E1=400V ,那么E1/Eo=1.33 ,按照图6 虚线和圆圈标示,c o = 0.65 ,z o= 8 ,我们可以用下式来计算R s 和C s :
选择标准的电容C s = 680pF ,标准电阻R s = 62 Ohms
上图5 和图6 并没有考虑开关并联电容和暂态时间的影响,在通常情况下,理想的Rs 将小于计算值,更为精确的优化设计需要spice 的仿真。
图7 显示了使用IRF840 的Rs 优化设计,理想的设计值为Rs=51W ,
E1=363V 。
Rs=39 和62W ,E1 将更大,因为并联在开关管上电容影响,最终的峰值电压将小于400V ,如果E1 允许超过400V ,那么Cs 的值还可以减小,这样可以降低损耗。
决定Lp
Eo 和Io 直接从电路中得到,E1 的值是在开关的额定工作电压即功率元件降额上取得平衡。
我们必须选择最大的峰值电压来取,所有这些等式都简单明了,但是Lp 是由LAYOUT 的电路特性决定,不容易计算得到,我们可以通过测量
一个振铃周期T1 ,在加上并在开关管上的测试电容Ctest 和重新测试的周期T2 ,Lp 可以用下式计算得到:
通常Ctest 大约是开关电容的两倍。
RC snubber 网络在小中功率电源应用中非常有用,但是在上千功率段,snubber 上的损耗过大,我们就需要考虑其他形式的拓扑结构,RC 滤波器也
可以在高功率下作为一个备用方案来选择,主要用来抑制高频振铃,而伴随的能量不是很高的情况。