完整版电磁感应中的单双杆模型
- 格式:docx
- 大小:95.24 KB
- 文档页数:8
电磁感应中双杆模型问题一、 在竖直导轨 上的“双杆滑动”问题1.等间距型如图 1 所示,竖直放置的两光滑平行金属导轨置于垂直导轨向里的匀强磁场中,两根质量相同的金属棒 导轨紧密接触且可自由滑动,先固定 a ,释放 b ,当 b 速度达到 10m/s 时,再释放 a ,经 1s 时间 a的速度达到 12m/s ,则:A 、 当 va=12m/s 时, vb=18m/sB 、当 va=12m/s 时, vb=22m/sC 、若导轨很长,它们最终速度必相同D 、它们最终速度不相同,但速度差恒定【解析】因先释放 b ,后释放 a ,所以 a 、b 一开始速度是不相等的,而且 b 的速度要大于 a 的速度, 轨所围的线框面积增大,使穿过这个线圈的磁通量发生变化,使线圈中有感应电流产生,利用楞次定律和安培定则判 断所围线框中的感应电流的方向如图所示。
再用左手定则判断两杆所受的安培力, 对两杆进行受力分析如图 1。
开始两 者的速度都增大,因安培力作用使 a 的速度增大的快, b 的速度增大的慢,线圈所围的面积越来越小,在线圈中产生了 感应电流;当二者的速度相等时,没有感应电流产生,此时的安培力也为零,所以最终它们以相同的速度都在重力作 用下向下做加速度为 g 的匀加速直线运动。
在释放 a 后的 1s 内对 a 、b 使用动量定理,这里安培力是个变力,但两杆所受安培力总是大小相等、方向相反的, 设在 1s 内它的冲量大小都为 I ,选向下的方向为正方向。
当 棒先向下运动时, 在 和 以及导轨所组成的闭合回路中产生感应电流, 于是 棒受到向下的安培力, 棒受到向 上的安培力,且二者大小相等。
释放 棒后,经过时间 t ,分别以 和 为研究对象,根据动量定理,则有:对 a 有: ( mg + I ) t ·= m v a0,对 b 有: ( mg - I ) t · = m v b - m v b0 联立二式解得: v b = 18 m/s ,正确答案为: A 、 C 。
电磁感应中杆切割磁场问题1.单杆模型(1)单杆AB以一定的初速度v0在光滑的水平轨道上滑动,质量为m,电阻不计。
杆长为L杆减速最终静止。
(2)轨道水平光滑,单杆AB质量为m电阻不计,杆长为L.AB 杆作加速度减小的加速运动,当E 感=E 时,以最大的速度Vm 运动。
Vm=22L B FR =BL E若电路中的电源换成充了电的电容,充电电容与电源作用效果相似。
(3)轨道水平光滑,杆AB 质量为,电阻不计,杆长为L,拉力F 恒定。
AB 杆作加速度减小的加速运动,最终以最大的速度Vm=22L B FR匀速运动。
(4)轨道水平光滑,杆AB 质量为m ,电阻不计,杆长为L,拉力F 恒定。
对杆用动量定理,Ft-BLq=mv-mv 0 , q=CBLv V=CL B m F 22+t 由此式可知杆作匀加速度a=mL CB F +22的匀加速运动。
当F=0时,杆匀速运动。
(5)轨道水平光滑,杆AB 质量为,电阻不计,杆长为L,拉力F 与时间成一次关系(线性)。
导轨接电阻。
F-r R at v L B ++)(022=ma,即F=r R v L B +022+ma+rR L B +22at ,杆受F=Kt,杆做匀加速度运动。
F=K ,则杆最终以0ν匀速运动。
2.双杆模型(1)初速度不为零,不受其他水平外力作用。
①m 1=m 2 L 1=L 2MN作减速运动,PQ加速运动。
最终v1=v2匀速运动。
②m1=m2,L1=2L2MN减速运动,PQ加速。
最终以的速度。
v2=2v1③m1=m2 L1=L2PQ 先减速,MN 杆先减速到零后反向加速,最终二者以共同的速度匀速运动。
(2)初速度为零,受其他水平力作用。
①轨道光滑,质量m 1=m 2,电阻r 1=r 2,长度L 1=L 2开始PQ 作加速度减小的加速运动,MN 作加速度增大的加速运动,后来PQ 和MN 以共同的加速度作匀加速运动。
a=21m m F +,v p -v q =恒量。
电磁感应中的“杆+导轨”模型电磁感应中的“杆+导轨”模型一、单棒模型阻尼式:在单棒模型中,导体棒相当于电源,根据洛伦兹力的公式,可以得到安培力的特点为阻力,并随速度减小而减小,加速度随速度减小而减小,最终状态为静止。
根据能量关系、动量关系和瞬时加速度,可以得到公式B2l2v R rF和q mv/Bl,其中q表示流过导体棒的电荷量。
需要注意的是,当有摩擦或者磁场方向不沿竖直方向时,模型的变化会受到影响。
举例来说,如果在电阻不计的光滑平行金属导轨固定在水平面上,间距为L、导轨左端连接一阻值为R的电阻,整个导轨平面处于竖直向下的磁感应强度大小为B的匀强磁场中,一质量为m的导体棒垂直于导轨放置,a、b之间的导体棒阻值为2R,零时刻沿导轨方向给导体棒一个初速度v,一段时间后导体棒静止,则零时刻导体棒的加速度为0,零时刻导体棒ab两端的电压为BLv,全过程中流过电阻R的电荷量为mv/Bl,全过程中导体棒上产生的焦耳热为0.二、发电式在发电式中,导体棒同样相当于电源,当速度为v时,电动势E=Blv。
根据安培力的特点,可以得到公式22Blv/l=Blv/(R+r)。
加速度随速度增大而减小,最终特征为匀速运动。
在稳定后的能量转化规律中,F-BIl-μmg=m*a,根据公式可以得到a=-(F-μmg)/m、v=0时,有最大加速度,a=0时,有最大速度。
需要注意的是,当电路中产生的焦耳热为mgh时,电阻R中产生的焦耳热也为mgh。
1.如图所示,相距为L的两条足够长的光滑平行金属导轨MN、PQ与水平面的夹角为θ,N、Q两点间接有阻值为R的电阻。
整个装置处于磁感应强度为B的匀强磁场中,磁场方向垂直导轨平面向下。
将质量为m、阻值也为R的金属杆cd垂直放在导轨上,杆cd由静止释放,下滑距离x时达到最大速度。
重力加速度为g,导轨电阻不计,杆与导轨接触良好。
求:1)杆cd下滑的最大加速度和最大速度;2)上述过程中,杆上产生的热量。
电磁感应“导棒-导轨”问题专题一、“单棒”模型【破解策略】单杆问题是电磁感应与电路、力学、能量综合应用的体现,因此相关问题应从以下几个角度去分析思考:(1)力电角度:与“导体单棒”组成的闭合回路中的磁通量发生变化→导体棒产生感应电动势→感应电流→导体棒受安培力→合外力变化→加速度变化→速度变化→感应电动势变化→……,循环结束时加速度等于零,导体棒达到稳定运动状态。
(2)电学角度:判断产生电磁感应现象的那一部分导体(电源)→利用E N t∆Φ=∆或E BLv =求感应动电动势的大小→利用右手定则或楞次定律判断电流方向→分析电路结构→画等效电路图。
(3)力能角度:电磁感应现象中,当外力克服安培力做功时,就有其他形式的能转化为电能;当安培力做正功时,就有电能转化为其他形式的能。
<1> 单棒基本型00≠v 00=v示 意 图(阻尼式)单杆ab 以一定初速度0v 在光滑水平轨道上滑动,质量为m ,电阻不计,杆长为L(电动式)轨道水平、光滑,单杆ab 质量为m ,电阻不计,杆长为L (发电式)轨道水平光滑,杆ab 质量为m ,电阻不计,杆长为L ,拉力F 恒定 力 学 观 点导体杆以速度v 切割磁感线产生感应电动势BLv E =,电流R BLvR E I ==,安培力R vL B BIL F 22==,做减速运动:↓↓⇒a v ,当0=v 时,0=F ,0=a ,杆保持静止S 闭合,ab 杆受安培力R BLE F =,此时mR BLEa =,杆ab 速度↑⇒v 感应电动势↓⇒↑⇒I BLv 安培力 ↓⇒=BIL F 加速度↓a ,当E E =感时,v 最大,且2222L B BLIR L B FR v m ==BL E= 开始时mFa =,杆ab 速度↑⇒v 感应电动势↑⇒↑⇒=I BLv E 安培力↑=BIL F 安由 a F F m =-安知↓a ,当0=a 时,v 最大,22L B FR v m = 图 像 观 点能 量 观 点 动能全部转化为内能:2021mv Q =电能转化为动能W 电212mmv = F 做的功中的一部分转化为杆的动能,一部分产热:221m F mv Q W += 运动 状态变减速运动,最终静止变加速运动,最终匀直变加速运动,最终匀直<2> 单棒模型变形类型“发电式”有摩擦“发电式”斜轨变形示意图已知量棒ab长L,质量m,电阻R;导轨不光滑且水平,电阻不计棒ab长L,质量m,电阻R;导轨光滑,电阻不计过程分析导体棒相当于电源,当速度为v时,电动势E=Blv;安培力为阻力,并随速度增大而增大22BB l vF BIl vR==∝加速度随速度增大而减小22--==--BF F mg F B l va gm m mRμμ(1) v=0时,有最大加速度mF mgamμ-=(2) a=0时,有最大速度22-=()mF mg RvB lμ棒ab释放后下滑,此时加速度a=singα,棒ab速度v↑→感应电动势E=BLv↑→电流I=ER↑→安培力F=BIL↑→加速度a↓,当安培力F=sinmgα时,a=0,v最大,最后匀速运动能量转化212E mFs Q mgS mvμ=++克服安培力做功,把重力势能转化为内能运动形式变加速运动变加速运动最终状态匀速运动22-=()mF mg RvB lμ匀速运动22vmmgRsinB Lα=二、“双棒”模型类型等间距水平光滑导轨无水平外力不等间距水平光滑导轨无水平外力等间距水平光滑导轨受水平外力竖直导轨示意图终态分析两导体棒以相同的速度做匀速运动若两杆m,r,L全相同,末速度为02v两导体棒以不同的速度做匀速运动若两杆m,r全相同,122l l=末速度为212v v=两导体棒以不同的速度做加速度相同的匀加速运动两导体棒以相同的速度做加速度相同的匀加速运动速度图象解题策略动量守恒定律,能量守恒定律及电磁学、运动学知识动量定理,能量守恒定律及电磁学、运动学知识动量定理,能量守恒定律及电磁学、运动学知识动量定理,能量守恒定律及电磁学、运动学知识变形等间距水平不光滑导轨;受水平外力示意图速度图象F>2f2F f≤三、“电容”式单棒模型类型电容放电型电容无外力充电型电容有外力充电型示意图力学观点电容器放电,相当于电源;导体棒受安培力而运动。
开始时,,杆加速,杆运动,产生反电动势,杆运动,电容器充电,杆受安培力,速度减小,电能转化为热能和动做功带来的能量转化为杆杆的动能一部分转化为电势能,一部分转化为内能,一部分耗散.外力和安培力冲17/04/04
F B L =|BLv −E |BLv −Q C 能的转化与守恒是自然界普遍存在的规律,如:电源给电容器的充电过程可以等效为将电荷逐个从原本
开始时,两杆做变加速运
两杆做变加速运动,稳定后两杆做对于直线运动,教科书中讲解了由图像求位移的方法.请你借鉴此方法,根据图示的图像,若电容器电容为,两极板间电压为,求电容器所储存的电场能.
1v −t Q −U
C U 如图所示,平行金属框架竖直放置在绝缘地面上.框架上端接有一电容为的电容器.框架上一
质量为、长为的金属棒平行于地面放置,离地面的高度为.磁感应强度为的匀强磁场与框架平面相垂直.现将金属棒由静止开始释放,金属棒下滑过程中与框架接触良好且无摩擦.开始时电容器不带电,不计各处电阻.求:
.金属棒落地时的速度大小;
.金属棒从静止释放到落到地面的时间.
2C m L h B a b 如图,与水平地面成.和是置于导轨上
,其余电阻可忽略不计.整个装置处在CD EF
金属棒所能达到的最大速度;
1EF v m 在整个过程中,金属棒产生的热量.
2EF Q 光滑的平行金属导轨如图所示,轨道的水平部分位于竖直向上的匀强磁场中,部分的宽度为部分
宽度的倍,、部分轨道足够长,将质量都为的金属棒和分别置于轨道上的段和段,棒位于距水平轨道高为的地方,放开棒,使其自由下滑,求棒和棒的最终速度及回路中所产生的电能.4bcd bc cd 2bc cd m P Q ab cd P h P P Q。
电磁感应中的单双杆问题-、单杆问题(一) 与动力学相结合的问题1、水平放置的光滑金属轨道上静止一根质量为m的金属棒MN,电阻为R,左端连接-电动势为E,内阻为r的电源,其他部分及连接处电阻不计,试求:金属棒在轨道上的最大速度?2、水平放置的光滑金属轨道上静止一根质量为m的金属棒MN ,电阻为R,左端连接一电阻为R,MN在恒力F的作用下从静止开始运动,其他部分及连接处电阻不计,试求:金属棒在轨道上的最大速度?3、金属导轨左端接电容器,电容为 整个装置处于垂直纸面磁感应强度为 速度v ,试求金属棒的最大速度?C ,轨道上静止一长度为 L 的金属棒cd , B 的匀强磁场当中,现在给金属棒一初_P< X X ~p< X X1 (k 乂(二)与能量相结合的题型 1、倾斜轨道与水平面夹角为,整个装置处于与轨道相垂直的匀强磁场当中,导轨顶端连有一电阻R ,金属杆的电阻也为 R 其他电阻可忽略,让金属杆由静止释放,经过一段时 求: 间后达到最大速度V m ,且在此过程中电阻上生成的热量为 (1 )金属杆达到最大速度时安培力的大小(2)磁感应强度B 为多少(3 )求从静止开始到达到最大速度杆下落的高度2. ( 20 分)如图所示,竖直平面内有一半径为r 、内阻为R i 、粗细均匀的光滑半圆形金属环,在 M 、N 处与相距为2r 、电阻不计的平行光滑 金属轨道ME 、NF 相接,EF 之间接有电阻 R 2,已知R i = 12R , R 2MNATCDB[xR■ ■ ■ ■ *=4R 。
在MN 上方及CD 下方有水平方向的匀强磁场 I 和II ,磁感应强度大小均为 B 。
现有质量为m 、电阻不计的导体棒 ab ,从半圆环的最高点 A 处由静止下落,在下落过程中导体 棒始终保持水平,与半圆形金属环及轨道接触良好,两平行轨道中够长。
已知导体棒 ab 下落r/2时的速度大小为 W ,下落到MN 处的速度大小为 V 2。
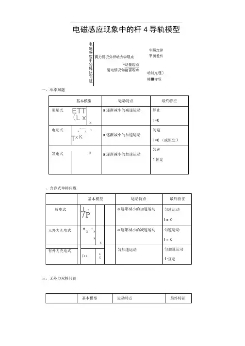
电磁感应现象中的杆4导轨模型一、单棒问题、含容式单棒问题三、无外力双棒问题竇力愣况分析动力学观点 *动量现点 运动情况伽能冒观点 牛輛定律 平衡羞件动能定理〕 幡■守恒无外力等距式1¥杆1做a渐小的加速运动杆2做a渐小的减速运动V1=V2I = 0无外力不等距式» 1杆1做a渐小的减速运动杆2做a渐小的加速运动a= 0I = 0L1V1 = L2V2四、有外力双棒问题题型一阻尼式单棒模型如图。
1 •电路特点:导体棒相当于电源。
4.运动特点:速度如图所示。
a减小的减速运动基本模型运动特点有外力等距式i厂F12杆1做a渐大的加速运动杆2做a渐小的加速运动有外力不等距式杆1做a渐小的加速运动杆2做a渐大的加速运动最终特征a i=a2, A v 恒定I恒定a i M a2, a i、a2恒定I恒定2•安培力的特点:安培力为阻力,并随速度减小而减小。
F B=BII= B+r3.加速度特点:加速度随速度减小而减小,a==5 •最终状态:静止 6.三个规律(1)能量关系:「'• ■ , -0 = Q ,=【典例1】如图所示,在光滑的水平面上,有一垂直向下的匀强磁场分布在宽为 L 的区域内,那么(【答案】B由上述二式可得' ,- •,即B 选项正确。
【典例2】如图所示,AB 杆受一冲量作用后以初速度 V 0=4m/s 沿水平面内的固定轨道运动,经一段时间后而停止. AB 的质量为m=5g 导轨宽为L=0.4m ,电阻为R=2Q ,其余的电阻不计,磁 感强度B=0.5T ,棒和导轨间的动摩擦因数为卩=0.4 ,测得杆从运动到停止的过程中通过导线的(2)动量关系:BII t 0 mv 0(3)瞬时加速度: a ==-有一个边长为a ( a<L )的正方形闭合线圈以初速V 0垂直磁场边界滑过磁场后速度变为V ( V<V 0)A. 完全进入磁场中时线圈的速度大于( v o +v ) /2B. 安全进入磁场中时线圈的速度等于( V o +V ) /2C. 完全进入磁场中时线圈的速度小于(V o +V ) /2D. 以上情况A B 均有可能,而C 是不可能的【解析】设线圈完全进入磁场中时的速度为对于线圈进入磁场的过程,据动量定理可得:对于线圈穿出磁场的过程,据动量定理可得:V x 。
法拉第电磁感应定律——单双杆模型单双杆模型一、知识点扫描1.无力单杆(阻尼式)整个回路仅有电阻,导体棒以一定初速度垂直切割磁感线,除安培力外不受其他外力。
根据右手定则确定电流方向,左手定则确定安培力方向,画出受力分析图。
这种情况下安培力方向与速度方向相反。
某时刻下导体棒的速度为v,则感应电动势E=BLv,感应电流I= E/ (R+r),安培力大小F=BLI。
根据牛顿定律,可知导体棒做加速度逐渐减小的减速运动,最终减速到零。
根据牛顿定律,整个过程中通过任一横截面的电荷量q=BLmv/(R+r)。
实际上也可通过牛顿定律求解电荷量:BLq=mv。
从能量守恒的角度出发,即导体棒减少的动能转化成整个回路产生的热量。
2.___单杆(发电式)整个回路仅有电阻,导体棒在恒力F作用下从静止出发垂直切割磁感线。
根据右手定则确定电流方向,左手定则确定安培力方向,画出受力分析图。
这种情况下安培力方向与速度方向相反。
某时刻下导体棒的速度为v,则感应电动势E=BLv,感应电流I=E/ (R+r),安培力大小F=BLI。
根据牛顿定律,可知导体棒做加速度逐渐减小的加速运动,当a=0时有最大速度,v_max=FL/(B^2L^2r)。
这种情况下仍有q=BLmv/ (R+r)。
电磁感应实验是物理学中的重要实验之一,通过实验可以研究电磁感应现象。
本文将介绍三种不同的电磁感应实验,分别是不含容单杆、含容单杆和含源单杆实验。
1.不含容单杆实验在不含容单杆实验中,电、电阻和导体棒通过光滑导轨连接成回路,导体棒以一定的初速度垂直切割磁感线,除安培力外不受其他外力。
当导体棒向右运动时,切割磁感线产生感应电动势,根据右手定则知回路存在逆时针的充电电流,电两端电压逐渐增大。
而又根据左手定则知导体棒受向左的安培力,因此导体棒做减速运动,又因E=BLv可知产生的感应电动势逐渐减小,当感应电动势减小至与电两端相同时,不再向电充电,充电电流为零,导体不受安培力,做匀速直线运动。
电磁感应中双杆模型问题一、在竖直导轨上的“双杆滑动”问题1.等间距型如图1所示,竖直放置的两光滑平行金属导轨置于垂直导轨向里的匀强磁场中,两根质量相同的金属棒a 和b 和导轨紧密接触且可自由滑动,先固定a ,释放b ,当b 速度达到10m/s 时,再释放a ,经1s 时间a 的速度达到12m/s ,则:A 、 当va=12m/s 时,vb=18m/sB 、当va=12m/s 时,vb=22m/sC 、若导轨很长,它们最终速度必相同D 、它们最终速度不相同,但速度差恒定【解析】因先释放b ,后释放a ,所以a 、b 一开始速度是不相等的,而且b 的速度要大于a 的速度,这就使a 、b 和导轨所围的线框面积增大,使穿过这个线圈的磁通量发生变化,使线圈中有感应电流产生,利用楞次定律和安培定则判断所围线框中的感应电流的方向如图所示。
再用左手定则判断两杆所受的安培力,对两杆进行受力分析如图1。
开始两者的速度都增大,因安培力作用使a 的速度增大的快,b 的速度增大的慢,线圈所围的面积越来越小,在线圈中产生了感应电流;当二者的速度相等时,没有感应电流产生,此时的安培力也为零,所以最终它们以相同的速度都在重力作用下向下做加速度为g 的匀加速直线运动。
在释放a 后的1s 内对a 、b 使用动量定理,这里安培力是个变力,但两杆所受安培力总是大小相等、方向相反的,设在1s 内它的冲量大小都为I ,选向下的方向为正方向。
当棒先向下运动时,在和以及导轨所组成的闭合回路中产生感应电流,于是棒受到向下的安培力,棒受到向上的安培力,且二者大小相等。
释放棒后,经过时间t ,分别以和为研究对象,根据动量定理,则有:对a 有:( mg + I ) · t = m v a0, 对b 有:( mg - I ) · t = m v b -m v b0联立二式解得:v b = 18 m/s ,正确答案为:A 、C 。
在、棒向下运动的过程中,棒产生的加速度,棒产生的加速度。
专题13电磁感应中的单杆、双杆、导线框问题01专题网络.思维脑图 (1)02考情分析.解密高考 (2)03高频考点.以考定法 (2) (2) (5) (7)考向1:导体棒平动切割磁感应线的综合问题 (7)考向2:导体棒旋转切割磁感应线的综合问题 (8)考向3:线框进出磁场类问题的综合应用 (9)考向4:双杆在导轨上运动的综合应用 (10)04核心素养.难点突破 (11)05创新好题.轻松练 (16)新情境1:航空航天类 (16)新情境2:航洋科技类 (18)新情境3:生产生活相关类 (19)一、电磁感应中的单杆模型1.单杆模型的常见情况质量为m、电阻不计的单杆ab以一定初速度v0在光滑水平轨道上滑动,两平行导轨间距为L 轨道水平光滑,单杆ab质量为m,电阻不计,两平行导轨间距为L轨道水平光滑,单杆ab质量为m,电阻不计,两平行导轨间距为L,拉力F恒定轨道水平光滑,单杆ab质量为m,电阻不计,两平行导轨间距为L,拉力F恒定F 做的功一部分转化2.在电磁感应中,动量定理应用于单杆切割磁感线运动,可求解变力的时间、速度、位移和电荷量。
(1)求电荷量或速度:B I LΔt =mv 2-mv 1,q =I Δt 。
(2)求位移:-B 2L 2v ΔtR 总=0-mv 0,x =v̅Δt 。
(3)求时间:⇒-B I LΔt +F 其他·Δt =mv 2-mv 1,即-BLq +F 其他·Δt =mv 2-mv 1 已知电荷量q ,F 其他为恒力,可求出变加速运动的时间。
⇒-B 2L 2v ΔtR 总+F 其他·Δt =mv 2-mv 1,v̅Δt =x已知位移x ,F 其他为恒力,也可求出变加速运动的时间。
二、电磁感应中的双杆模型1.双杆模型的常见情况(1)初速度不为零,不受其他水平外力的作用质量m b=m a;电阻r b=r a;长度L b=L a质量m b=m a;电阻r b=r a;长度L b=2L a杆b受安培力做变减速运动,杆a受安培力能量质量m b=m a;电阻r b=r a;长度L b=L a摩擦力F fb=F fa;质量m b=m a;电阻r b=r a;长度L b=L a 开始时,两杆受安培力做变加速运动;开始时,若F<F≤2F,则a杆先变加速后匀速运动;b杆F做的功转化为两杆的动能和内能:F做的功转化为两杆的动能和内能(包括电热和摩擦热):进行解决。
高考专题:电磁感应中的单双杆模型1.常见单杆情景及解题思路单杆阻尼式单杆发电式(v0=0)含“源”电动式(v0=0)含“容”无外力充电式含“容”有外力充电式(v0=0)1.如图所示,两光滑平行金属导轨间距为L,直导线MN垂直跨在导轨上,且与导轨接触良好,整个装置处在垂直于纸面向里的匀强磁场中,磁感应强度为B。
电容器的电容为C,除电阻R外,导轨和导线的电阻均不计。
现给导线MN一初速度,使导线MN向右运动,当电路稳定后,MN以速度v向右做匀速运动时( )A.电容器两端的电压为零B.电阻两端的电压为BLvC.电容器所带电荷量为CBLvD.为保持MN匀速运动,需对其施加的拉力大小为B 2L2v R2.如图所示,平行金属导轨与水平面成θ角,用导线与固定电阻R1和R2相连,匀强磁场垂直穿过导轨平面。
有一导体棒ab,质量为m,两导轨间距为L,导体棒的电阻与固定电阻R1和R2的阻值相等,都等于R,导体棒与导轨之间的动摩擦因数为μ,导体棒ab沿导轨向上滑动,当上滑的速度为v时,有( )A.导体棒中感应电流的方向由a到bB.导体棒所受安培力的大小为B 2L2v 3RC.导体棒两端的电压为BLv3D.导体棒动能的减少量等于其重力势能的增加量与电路上产生的电热之和3.如图所示,足够长平行金属导轨倾斜放置,倾角为37°,宽度为0.5m,电阻忽略不计,其上端接一小灯泡,电阻为1Ω。
一导体棒MN垂直于导轨放置,质量为0.2kg,接入电路的电阻为1Ω,两端与导轨接触良好,与导轨间的动摩擦因数为0.5。
在导轨间存在着垂直于导轨平面的匀强磁场,磁感应强度为0.8T。
将导体棒MN由静止释放,运动一段时间后,小灯泡稳定发光,此后导体棒MN的运动速度以及小灯泡消耗的电功率分别为(重力加速度g取10m/s2,sin37°=0.6)( )A.2.5 m/s,1 WB.5 m/s,1 WC.7.5 m/s,9 WD.15 m/s,9 W4.如图所示,足够长的两平行光滑水平直导轨的间距为L,导轨电阻不计,垂直于导轨平面有磁感应强度大小为B、方向竖直向上的匀强磁场;导轨左端接有电容为C的电容器、开关S和定值电阻R;质量为m的金属棒垂直于导轨静止放置,两导轨间金属棒的电阻为r。
电磁感应中的单双杆问题
-、单杆问题
(一) 与动力学相结合的问题
1、水平放置的光滑金属轨道上静止一根质量为m的金属棒MN,电阻为R,左端连接-电动势为E,内阻为r的电源,其他部分及连接处电阻不计,试求:金属棒在轨道上的最
大速度?
2、水平放置的光滑金属轨道上静止一根质量为m的金属棒MN ,
电阻为R,左端连接一电阻为R,MN在恒力F的作用下从静止开始运动,其他部分及连接
处电阻不计,试求:金属棒在轨道上的最大速度?
3、金属导轨左端接电容器,电容为 整个装置处于垂直纸面磁感应强度为 速度v ,试求金属棒的最大速度?
C ,轨道上静止一长度为 L 的金属棒cd , B 的匀强磁场当中,现在给金属棒一初
_P< X X ~p< X X
1 (k 乂
(二)与能量相结合的题型 1、倾斜轨道与水平面夹角为
,整个装置处于与轨道相垂直的匀强磁场当中,导轨顶端连
有一电阻R ,金属杆的电阻也为 R 其他电阻可忽略,让金属杆由静止释放,经过一段时 求: 间后达到最大速度V m ,且在此过程中电阻上生成的热量为 (1 )金属杆达到最大速度时安培力的大小
(2)磁感应强度B 为多少
(3 )求从静止开始到达到最大速度杆下落的高度
2. ( 20 分)
如图所示,竖直平面内有一半径为
r 、内阻为R i 、粗细均匀的
光滑半圆形金属环,在 M 、N 处与相距为2r 、电阻不计的平行光滑 金属轨道ME 、NF 相接,EF 之间接有电阻 R 2,已知R i = 12R , R 2
M
N
A
T
C
D
B
[xR
■ ■ ■ ■ *
=4R 。
在MN 上方及CD 下方有水平方向的匀强磁场 I 和II ,磁感应强度大小均为 B 。
现有
质量为m 、电阻不计的导体棒 ab ,从半圆环的最高点 A 处由静止下落,在下落过程中导体 棒始终保持水平,与半圆形金属环及轨道接触良好,两平行轨道中够长。
已知导体棒 ab 下
落r/2时的速度大小为 W ,下落到MN 处的速度大小为 V 2。
(1) 求导体棒ab 从A 下落r/2时的加速度大小。
(2) 若导体棒ab 进入磁场II 后棒中电流大小始终不变,求磁场 I 和II 之间的距离h 和R 2上的电功率P 2。
(3) 当导体棒进入磁场II 时,施加一竖直向上的恒定外力 F=mg 的作用,求导体棒 ab
从开始进入磁场II 到停止运动所通过的距离和电阻
R 2上所产生的热量。
二、 双杆问题
(一)、同一磁场中的等宽轨道
1、水平放置的光滑金属轨道上静止两根质量为 m 的金属棒MN 、PQ 。
电阻均为R ,现 给PQ 一个向右的初速度 V ,其他部分及连接处电阻不计,试求: (1)金属棒MN 在轨道上 的最大速度? ( 2 )回路中产生的最大热量
(二)、同一磁场不等宽轨道
如图所示,光滑、足够长、不计电阻、轨道处在磁感应强度为 B 的匀强磁场当中,间距左 I ,右边为21的平行金属导轨上静止 M 、N 两根同样粗细的同种金属棒,除金属棒上电 R 、2R 夕卜,其他电阻均不计。
现给 N 棒一根瞬时冲量I 求金属棒N 受到冲量后的瞬间通过金属导轨的感应电流
设金属棒N 在运动到宽轨道前 M 已经达到最大速度,求金属棒 M 的最大速度值; 金属棒N 进入H 宽轨道区后,金属棒 MN 再次达到匀速运动状态,。
求整个过程中金 MN 中产生的总焦
耳热。
(三)、不同磁场区域的平行轨道
1、( 20分)如图13所示,光滑、足够长、不计电阻、轨道间距为 I 的平行金属导轨 MN 、 PQ ,水平放在竖直向下的磁感应强度不同的两个相邻的匀强磁场中,左半部分为I 匀强磁 场区,磁感应强度为 B 1;右半部分为n 匀强磁场区,磁感应强度为 B 2,且B 1=2B 2。
在I 匀 强磁场区的左边界垂直于导轨放置一质量为 m 、电阻为R 1的金属棒a ,在I 匀强磁场区的 某一位置,垂直于导轨放置另一质量也为 m 、电阻为R 2的金属棒b 。
开始时b 静止,给a 一个向右冲量I 后a 、b 开始运动。
设运动过程中,两金属棒总是与导轨垂直。
(1 )求金属棒a 受到冲量后的瞬间通过金属导轨的感应电流;
(2)设金属棒b 在运动到I 匀强磁场区的右边界前已经达到最大速度,求金属棒 b 在I 匀
边为 阻为
(1
) (2)
强磁场区中的最大速度值;
(3)金属棒b 进入n 匀强磁场区后,金属棒 b 再次达到匀速运动状态,设这时金属棒 a 仍 然在I 匀强磁场区中。
求金属棒 b 进入n 匀强磁场区后的运动过程中金属棒 a 、b 中产生的 总焦耳热。
图13
练习
1、如图所示,固定于水平绝缘平面上的粗糙平行金属导轨, 质量为m 的金属棒cd 垂直放在导轨上,除电阻 R 和金属棒
现用水平恒力F 作用于金属棒cd 上,由静止开始运动的过程中,下列说法正确的是: 水平恒力F 对
cd 棒做的功等于电路中产生的电能
只有在cd 棒做匀速运动时, F 对cd 棒做的功才等于电路中产生的电能 无论cd 棒做何种运动, 它克服安培力所做的功一定等
于电路中产生
2、画出下列图中导体棒的速度图像
3、( 18分)如图所示,两根足够长的光滑金属导轨 两导轨及其构成的平面均与水平面成 30°角。
完全相同的两金属棒
置,每棒两端都与导轨始终有良好接触,已知两棒的质量均为
0.02kg ,电阻均为 R=0.1 Q 整个装置处在垂直于导轨平面向上的 匀强磁场中,磁感应强度为B=0.2T ,棒ab 在平行于导轨向上的力 F 作用下,沿导轨向上匀速运动,而棒 cd 恰好能保持静止。
取
g=10m/s 2,问:
(1) 通过cd 棒的电流I 是多少,方向如何?
a P .1
垂直于导轨平面有一匀强磁场。
cd 的电阻r 外,其余电阻不计;
C 的电能
D 、R 两端的电压始终等于cd 棒中的感应电动势的值 XXX • 乂 X
X X X X
____ 1
J X X X X X
x y x
XXX
仪X
虽X X p X
X
X X
—v X X
M
p
I
X
£
A
C
科
X
X
X X
i
3C
y M
MN 、PQ 间距为l=0.5m ,其电阻不计, ab 、cd 分别垂直导轨放 * ■■-论左■-:工 ::
n - X X
X x X X
X X XXX
X X
y v y
XXX
(2) 棒ab受到的力F多大?
(3) 棒cd每产生Q=0.1J的热量,力F做的功W是多少?
4、如图所示,在水平台面上铺设两条很长但电阻可忽略的平行导轨MN和PQ,导轨间宽度
L=0.50 m•水平部分是粗糙的,置于匀强磁场中,磁感应强度B=0.60 T,方向竖直向上•倾斜部分是光滑的,该处没有磁场直导线a和b可在导轨上滑动,质量均为m=0.20 kg,电阻均为R=0.15 Q .b放在水平导轨上,a置于斜导轨上高h=0.050 m处,无初速释放•设在运动过程中a、b间距离足够远,且始终与导轨MN、PQ接触并垂直,回路感应电流的磁场可忽略不计•求:
(1)由导线
和导轨组成回路的感应电流最大值是多少?
(2)如果导线与水平
导轨间的动摩擦因数卩=0.10,当导线b
的速度达到最大值时,导线a的加速度多大?
(3)如果导线与水平导轨间光滑,回路中产生多少焦耳热?
5、.如图所示,两根间距为L的金属导轨MN和PQ,电阻不计,左端向上弯曲,其余水平,水平导轨左端有宽度为d、方向竖直向上的匀强磁场I,右端有另一磁场II,其宽度也为d,
但方向竖直向下,磁场的磁感强度大小均为B。
有两根质量均为m、电阻均为R的金属棒a
和b与导轨垂直放置,b棒置于磁场II中点C、D处,导轨除C、D两处(对应的距离极短) 外其余均光滑,两处对棒可产生总的最大静摩擦力为棒重力的K倍,a棒从弯曲导轨某处由
静止释放。
当只有一根棒作切割磁感线运动时,它速度的减小量与它在磁场中通过的距离成
正比,即V X。
(1)若a棒释放的高度大于h o,则a棒进入磁场I时会使b棒运动,判断b棒的运动方向并求出h o。
(2)若将a棒从高度小于h o的某处释放,使其以速度v o进入磁场I,结果a棒以v o/2 的速度从磁场I中穿出,求在a棒穿过磁场I过程中通过b棒的电量q和两棒即将相碰时 b 棒上的电功率
P b。
(3)若将a棒从高度大于h o的某处释放,使其以速度V1进入磁场I,经过时间t i后a 棒从磁场I 穿出时的速度大小为2V1/3,求此时b棒的速度大小,在如图坐标中大致画出t1 时间内两棒的速度大小随时间的变化图像,并求出此时b棒的位置。