粉煤灰
- 格式:ppt
- 大小:5.25 MB
- 文档页数:32
粉煤灰的标准粉煤灰是一种重要的工业原料,在建筑材料、混凝土、道路基础等领域有着广泛的应用。
为了保证粉煤灰的质量,制定了一系列的标准来规范其生产和使用。
本文将介绍粉煤灰的相关标准,以便广大用户更好地了解和应用粉煤灰。
一、粉煤灰的分类。
根据粉煤灰的来源和性质,可以将其分为Ⅰ类粉煤灰和Ⅱ类粉煤灰。
Ⅰ类粉煤灰是指燃煤电厂的烟气中分离出的细颗粒物,主要成分是氧化硅、氧化铝和氧化铁等;Ⅱ类粉煤灰是指煤粉燃烧后产生的灰渣,主要成分是氧化钙、氧化镁和氧化硅等。
根据不同的用途和要求,可以选择不同类型的粉煤灰。
二、粉煤灰的化学成分。
粉煤灰的化学成分是评价其质量的重要指标之一。
根据相关标准,粉煤灰的化学成分应符合以下要求,硅酸含量不低于45%,氧化铝含量不低于4%,氧化铁含量不低于4%,钙含量不高于25%,镁含量不高于5%。
此外,还应检测粉煤灰中的无机杂质含量,确保其符合国家标准的要求。
三、粉煤灰的物理性能。
除了化学成分外,粉煤灰的物理性能也是评价其质量的重要指标。
物理性能包括粒度、比表面积、密度等参数。
根据相关标准,粉煤灰的平均粒度应控制在20-30μm之间,比表面积应大于300m²/kg,密度应在2.2-2.8g/cm³之间。
这些参数的合理控制,可以保证粉煤灰在混凝土、水泥等材料中的稳定性和可操作性。
四、粉煤灰的质量控制。
为了保证粉煤灰的质量稳定,需要在生产过程中进行严格的质量控制。
生产企业应建立健全的质量管理体系,对原材料、生产工艺、成品进行全面监控和检测。
此外,还应定期对粉煤灰进行抽样送检,确保其符合相关标准的要求。
只有通过严格的质量控制,才能生产出高质量的粉煤灰产品。
五、粉煤灰的应用。
粉煤灰作为一种优质的工业原料,具有广泛的应用前景。
在建筑材料领域,可以用粉煤灰替代水泥,制备高性能混凝土;在道路基础工程中,可以用粉煤灰改良土壤,提高土壤的承载能力;在环保领域,可以利用粉煤灰进行资源化利用,减少固体废弃物的排放。
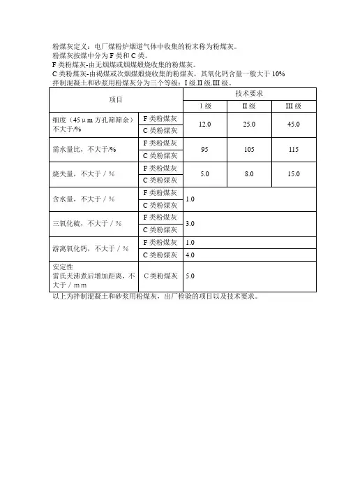
粉煤灰定义:电厂煤粉炉烟道气体中收集的粉末称为粉煤灰。
粉煤灰按煤中分为F类和C类。
F类粉煤灰-由无烟煤或烟煤煅烧收集的粉煤灰。
C类粉煤灰-由褐煤或次烟煤煅烧收集的粉煤灰,其氧化钙含量一般大于10%粉煤灰细度试验方法原理利用气流作为筛分的动力和介质,通过旋转的喷嘴喷出的气流作用使筛网里的待测粉状物料呈流态化,并在整个系统负压的作用下,将细颗粒通过筛网抽走,从而达到筛分的目的。
粉煤灰的筛析使用45μm方孔筛。
试验步骤将测试用粉煤灰样品置于温度为105℃-110℃烘干箱内烘至恒重,取出放在干燥器中冷却至室温。
称取试样约10g,准确至0.01g,倒入45μm方孔筛筛网上,将筛子置于筛座上,盖上筛盖。
(天平的量程不小于50g,最小分度值不大于0.01g)接通电源,将定时开关固定在3min,开始筛析。
开始工作后,观察负压表,使负压稳定在4000-6000Pa,若负压小于4000Pa,则应停机,清理收尘器中的积灰后再进行筛析。
在筛析过程中,可用轻质木棒或硬橡胶棒轻轻敲打筛盖,以防吸附。
3min后筛析自动停止,停机后观察筛余物,如出现颗粒成球,粘筛或有细颗粒沉积在筛框边缘,用毛刷将细颗粒轻轻刷开,将定时开关固定在手动位置,再筛析1min-3min直至筛分彻底为止。
将筛网内的筛余物收集并称量,准确至0.01g。
结果计算F=(G1/G)×100F------45μm方孔筛筛余,单位为百分数(%)G1------筛余物的质量,单位为克G------称取试样的质量,单位为克计算至0.1%筛网的校正筛网的校正采用粉煤灰细度标准样品或其他同等级标准样品,按试验步骤测定标准样品的细度,筛网校正系数按下式计算K=m0/mK------筛网校正系数m0------标准样品筛余标准值,单位为百分数(%)m------标准样品筛余实测值,单位为百分数(%)计算至0.1注1:筛网校正系数范围为0.8-1.2注2:筛析150个样品后进行筛网的校正粉煤灰需水量比试验方法原理按照GB/T 2419水泥胶砂流动度测定方法来测定试验胶砂和对比胶砂的流动度,以两者流动度达到130-140mm时的加水量之比确定粉煤灰的需水量比.材料水泥:强度检验用水泥标准样品标准砂:0.5-1.0mm的中级砂(ISO中级砂)水:纯净的饮用水仪器设备天平:量程不小于1000g,最小分度值不大于1g搅拌机:行星式水泥胶砂搅拌机流动度跳桌试验步骤把水加入锅中,再加对比样/试验样,把锅放在固定架上,上升到固定位置。
粉煤灰用途粉煤灰是燃煤产生的一种固体废弃物,也被称为煤灰、煤矸石灰。
它是一种细粉状的灰色物质,由煤炭燃烧时产生的煤炭灰渣经过粉碎、分级等工艺处理而成。
粉煤灰的用途十分广泛,可以在建筑、冶金、环保、农业等领域发挥重要作用。
粉煤灰在建筑领域具有重要的应用价值。
它可以作为混凝土的掺合料,用于替代部分水泥。
由于粉煤灰中含有大量的硅酸、铝酸等活性物质,可以与水泥中的钙氢化合物反应生成新的水化产物,增强混凝土的强度和耐久性。
此外,粉煤灰还可以改善混凝土的工作性能,降低热裂隐患,提高抗渗性能,减少碱骨料反应等问题。
因此,将粉煤灰用作混凝土掺合料是一种经济、环保的选择。
粉煤灰在冶金工业中也有广泛的应用。
它可以作为冶金炉料的添加剂,用于降低炉渣的熔点和粘度,提高炉渣的流动性和热传导性,从而改善冶金过程的工艺条件。
此外,粉煤灰还可以用作铁合金的还原剂,用于提取金属元素。
通过将粉煤灰与矿石一同添加到冶金炉中,可以减少矿石的还原温度,提高金属的回收率,降低能耗和环境污染。
粉煤灰在环境保护方面也具有重要意义。
煤炭燃烧产生的粉煤灰中富含二氧化硫、氮氧化物等大气污染物,直接排放会严重影响空气质量和健康。
因此,通过对粉煤灰进行处理和利用,可以减少大气污染物的排放。
例如,将粉煤灰用作脱硫剂,可以吸附和转化煤炭燃烧产生的二氧化硫,减少大气中的硫化物含量。
此外,粉煤灰还可以用于固体废物填埋场的覆盖和封堵,防止废物中的有害物质渗漏到地下水和土壤中。
在农业领域,粉煤灰也有一定的应用价值。
它可以作为土壤改良剂,用于改善土壤的物理性质和化学性质,提高土壤的肥力和保水能力。
粉煤灰中富含的微量元素和有机质可以为植物提供养分,促进植物生长。
同时,粉煤灰还可以调节土壤的酸碱度,抑制土壤中的有害物质的活动,改善土壤的生态环境。
因此,将粉煤灰用于农田的土壤改良是一种有效的农业生产方式。
粉煤灰具有丰富的用途,可以在建筑、冶金、环保、农业等领域发挥重要作用。
粉煤灰粉煤灰英文名称:fly ash定义1:煤在锅炉中燃烧后形成的被烟气携带出炉膛的细灰。
定义2:从燃煤火力发电厂的烟道中用吸尘器收集的粉尘。
常用作为混凝土的掺合料。
定义3:煤炭在燃烧过程中产生的细微灰尘。
由有机物和无机物组成,可综合利用其可燃成分后,作为填充材料。
粉煤灰,是从煤燃烧后的烟气中收捕下来的细灰,粉煤灰是燃煤电厂排出的主要固体废物。
组分:我国火电厂粉煤灰的主要氧化物组成为:SiO2、Al2O3、FeO、Fe2O3、CaO、TiO2等。
危害:粉煤灰是我国当前排量较大的工业废渣之一,随着电力工业的发展,燃煤电厂的粉煤灰排放量逐年增加。
大量的粉煤灰不加处理,就会产生扬尘,污染大气;若排入水系会造成河流淤塞,而其中的有毒化学物质还会对人体和生物造成危害。
另外粉煤灰可作为混凝土的掺合料。
粉煤灰的燃烧过程:煤粉在炉膛中呈悬浮状态燃烧,燃煤中的绝大部分可燃物都能在炉内烧尽,而煤粉粉煤灰中的不燃物(主要为灰分)大量混杂在高温烟气中。
这些不燃物因受到高温作用而部分熔融,同时由于其表面张力的作用,形成大量细小的球形颗粒。
在锅炉尾部引风机的抽气作用下,含有大量灰分的烟气流向炉尾。
随着烟气温度的降低,一部分熔融的细粒因受到一定程度的急冷呈玻璃体状态,从而具有较高的潜在活性。
在引风机将烟气排入大气之前,上述这些细小的球形颗粒,经过除尘器,被分离、收集,即为粉煤灰。
粉煤灰是我国当前排量较大的工业废渣之一,现阶段我国年排渣量已达3000万t。
随着电力工业的发展,燃煤电厂的粉煤灰排放量逐年增加,粉煤灰的处理和利用问题引起人们广泛的注意。
现状:我国是个产煤大国,以煤炭为电力生产基本燃料。
近年来,我国的能源工业稳步发展,发电能力年增长率为7.3%,电力工业的迅速发展,带来了粉煤灰排放量的急剧增加,燃煤热电厂每年所排放的粉煤灰总量逐年增加,1995年粉煤灰排放量达1.25亿吨,2000年约为1.5亿吨,到2010年将达到3亿吨,给我国的国民经济建设及生态环境造成巨大的压力。
粉煤灰的标准粉煤灰,是指煤粉燃烧后所产生的灰烬,是一种常见的工业废弃物。
粉煤灰具有较高的细度和活性,可用于混凝土、水泥、填料等领域,因此对其质量有着严格的标准要求。
本文将就粉煤灰的标准进行详细介绍。
首先,粉煤灰的外观要求。
根据相关标准规定,粉煤灰应呈灰白色或灰色,不应有明显的异物和杂质,质地应均匀细腻,无结块和凝结现象。
此外,粉煤灰的颗粒应具有一定的分散性和流动性,以确保在混凝土或水泥中的均匀分散和稳定性。
其次,粉煤灰的化学成分也是标准的重要内容之一。
一般来说,粉煤灰中主要含有二氧化硅、氧化铝、氧化铁等成分,其含量需符合国家相关标准的要求。
此外,粉煤灰中还应控制硫分含量,以防止对混凝土或水泥的腐蚀作用。
因此,粉煤灰的化学成分需要经过严格的检测和分析,确保符合标准要求。
另外,粉煤灰的物理性能也是衡量其标准的重要指标之一。
包括其比表面积、密度、吸水性、活性指数等方面的要求。
比如,粉煤灰的比表面积应达到一定数值,以保证其在混凝土中的活性和充分利用。
同时,粉煤灰的密度和吸水性也会直接影响其在混凝土中的分散性和稳定性,因此也需要符合相关标准的规定。
最后,粉煤灰的标准还包括了其在混凝土、水泥中的应用要求。
根据不同的用途和场合,粉煤灰的标准也会有所不同。
比如,在高强混凝土中的使用要求会更加严格,而在一般混凝土中的使用则相对宽松一些。
因此,粉煤灰的标准还需要根据具体的应用情况进行具体的调整和要求。
综上所述,粉煤灰的标准涉及外观、化学成分、物理性能以及应用要求等多个方面,对其质量有着严格的要求。
只有严格按照标准要求生产和应用粉煤灰,才能保证其在工程建设中发挥最大的作用,同时也能保证工程的质量和安全。
因此,对粉煤灰的标准要求,需要引起相关行业和企业的高度重视和严格执行。
电厂粉煤灰用途
粉煤灰,又称煤灰或炉渣,是燃煤电厂在煤燃烧过程中产生
的固体废弃物。
粉煤灰主要由煤炭中的无机成分组成,包括氧
化物、硅酸盐、氧化铁等。
粉煤灰具有许多重要的用途,可以对环境和经济产生积极的
影响。
以下是一些常见的粉煤灰用途:
1.水泥生产:粉煤灰是一种优质的水泥掺合料。
加入适量的
粉煤灰可以改善水泥的工作性能、增加耐久性和减少碳排放。
粉煤灰可以降低水泥的生产成本,同时减少原材料的消耗。
2.混凝土生产:粉煤灰可以替代一部分水泥用于混凝土生产,从而降低混凝土的成本。
粉煤灰可以提高混凝土的强度、耐久
性和抗裂性能。
3.填充材料:粉煤灰可以作为填充材料用于道路建设和土地
修复。
它可以填补坑洞、改善土壤结构,提高土壤肥力。
4.建筑材料:粉煤灰可以用于制备砖、瓦、砌块和石膏板等
建筑材料。
它可以改善材料的力学性能、降低成本,同时减少
对天然资源的依赖。
5.环境工程:粉煤灰可以用于污水处理、废水中重金属去除、土壤污染修复等环境工程中。
它可以吸附重金属离子,减少污
染物的迁移和转化。
6.能源利用:粉煤灰可以用于生产煤炭燃烧的副产品,如煤
灰砖、煤灰砖块、煤灰炉渣砖等。
这减少了对天然资源的消耗,同时降低了煤炭燃烧过程中产生的固体废弃物的排放。
总而言之,粉煤灰在许多领域中有重要的用途,可以减少资
源消耗和环境污染,同时促进可持续发展和循环经济。
电厂通
过合理利用粉煤灰,可以实现废弃物的资源化和经济效益的提升。
粉煤灰检测标准粉煤灰(Fly Ash)是烟煤燃烧产生的一种灰状物质,主要由细微的颗粒状碳质物质、无机颗粒物和液态滴溅物组成。
粉煤灰在工业上被广泛应用于水泥、混凝土、路基等材料的生产过程中。
为了确保粉煤灰质量的稳定性和安全性,需要进行粉煤灰的检测。
粉煤灰的检测标准主要涵盖了物理性质、化学性质、矿物组成等方面。
下面是相关参考内容,供参考:1. 物理性质检测1.1 粉煤灰粒径分析:通过颗粒分析仪或筛分法,确定粉煤灰中不同粒径范围颗粒的质量分数。
1.2 比表面积测定:使用比表面积仪(比如BET法)测定粉煤灰的比表面积,用来评估粉煤灰的活性。
2. 化学性质检测2.1 硅酸含量测定:粉煤灰中的硅酸是其主要成分之一,可以通过酸碱滴定法、X射线荧光光谱仪等方法测定硅酸含量。
2.2 氧化铁含量测定:粉煤灰中的氧化铁是其另一个重要成分,可以通过化学分析或光谱分析等方法进行测定。
2.3 水分含量测定:通过称重法、干燥法等方法测定粉煤灰中的水分含量。
2.4 无机物含量测定:通过酸碱滴定法、火花光谱分析仪等方法测定粉煤灰中的无机物含量,如氯酸盐、硫酸盐、弗酸盐等。
3. 矿物组成分析3.1 X射线衍射分析:通过X射线衍射技术,确定粉煤灰中的矿物组成,如蛭石、石英、方解石等。
3.2 热差示扫描分析:通过热差示扫描仪,对粉煤灰样品进行热分解过程中的释放和吸收热量进行分析,以了解不同温度下发生的矿物转化和相变。
4. 有害物质检测4.1 重金属元素含量测定:通过原子吸收分光光度法、电感耦合等离子体发射光谱法等方法测定粉煤灰中的重金属元素含量,如铅、镉、汞等。
4.2 放射性元素测定:通过γ射线测量技术或其他放射性测量方法,测定粉煤灰中的放射性元素含量。
以上是粉煤灰检测的一些常见内容和方法,具体实施时应根据相关的国家或行业标准来操作。
这些检测内容有助于评估粉煤灰的质量、活性及是否满足特定要求。
通过科学的检测,可以确保粉煤灰在工业应用中的安全性和可靠性。
粉煤灰的标准
粉煤灰,是一种煤矿煤炭燃烧后产生的细粉状灰烬,常用于混
凝土、水泥制品和砌体材料中。
粉煤灰的质量标准对于保障建筑材
料的质量和工程的安全具有重要意义。
下面将对粉煤灰的标准进行
详细介绍。
首先,粉煤灰的外观应该呈现为灰色或灰白色,不得有明显的
异色和异物。
其次,粉煤灰的化学成分应符合国家标准,主要指标
包括SiO2、Al2O3、Fe2O3、CaO、MgO等元素的含量,以及SO3含量、总碱含量等。
这些化学成分的合理比例对于保证混凝土的强度和耐
久性具有重要作用。
另外,粉煤灰的物理性能也是评定其质量的重要指标之一。
包
括细度、比表面积、活性指数、水需量等。
细度和比表面积是影响
粉煤灰活性的重要因素,通常要求粉煤灰的细度不得低于300m2/kg,比表面积不得低于400m2/kg。
活性指数是评价粉煤灰活性的重要参数,其数值应符合国家标准要求。
此外,粉煤灰的热特性也是需要考虑的因素之一。
包括煅烧试验、水热活性试验等热性能指标。
这些指标可以反映粉煤灰在混凝
土中的影响程度,以及其对混凝土性能的改善作用。
最后,粉煤灰的质量标准还包括了包装、运输和贮存等方面的要求。
包装应符合国家标准,保证产品的完整性和干燥度。
运输和贮存过程中要注意防潮防晒,避免受潮发霉,影响产品质量。
总的来说,粉煤灰的质量标准涵盖了化学成分、物理性能、热特性以及包装运输等多个方面。
严格执行这些标准,可以保证粉煤灰产品的质量稳定,为建筑材料的生产和工程建设提供保障。
粉煤灰的成分
粉煤灰是一种工业废弃物,其主要成分是煤燃烧后产生的灰烬。
它在煤炭的燃烧过程中,随着煤炭中的杂质和矿物质一同被释放出来,经过燃烧后残留下来的灰烬。
根据其来源和性质不同,粉煤灰可以分为多种类型。
1. 烟煤粉煤灰
烟煤粉煤灰是烟煤在高温下燃烧后产生的灰烬,其主要成分是氧化铁、氧化钙、氧化硅等。
烟煤粉煤灰的颜色较深,具有较高的粘附性和活性,可用于制造水泥、混凝土、砖等建材产品。
2. 烟煤燃烧后的灰渣
烟煤燃烧后的灰渣是指烟煤在锅炉中燃烧后产生的灰烬,其成分主要是氧化铝、氧化钙、氧化硅等。
烟煤燃烧后的灰渣可以用于道路铺设、填埋场覆盖等。
3. 烟煤气化后的灰烬
烟煤气化后的灰烬是指烟煤在气化过程中生成的灰烬,其主要成分是氧化铝、氧化钙、氧化硅等。
烟煤气化后的灰烬可以用于制造水泥、砖等建材产品,也可以用于铺路、填埋场覆盖等。
4. 褐煤粉煤灰
褐煤粉煤灰是褐煤在高温下燃烧后产生的灰烬,其主要成分是氧化铝、氧化钙、氧化硅等。
褐煤粉煤灰的颜色较浅,具有较低的粘附性和活性,主要用于路基填充、覆盖材料等。
5. 煤泥粉煤灰
煤泥粉煤灰是指煤泥在高温下燃烧后产生的灰烬,其主要成分是氧化铁、氧化钙、氧化硅等。
煤泥粉煤灰具有较高的活性和粘附性,可用于制造水泥、混凝土、砖等建材产品。
粉煤灰的成分和特性决定了它在不同领域的应用。
粉煤灰不仅可以减轻环境污染,还可以为建材、道路、填埋场等领域提供便利。
但同时,粉煤灰中也含有一定量的重金属等有害物质,因此在应用过程中需要采取措施进行有效处理和管理。
粉煤灰处理方法范文粉煤灰是燃煤发电厂的主要废弃物之一,由于其含量较高,长期堆积会对环境造成污染。
因此,粉煤灰的处理方法十分关键。
以下是一些常见的处理方法:1.粉煤灰回收利用:粉煤灰中含有大量的无机氧化物、硫酸盐和重金属等物质,可以通过回收利用减少资源的浪费,并减少对环境的污染。
一种常见的回收利用方法是将粉煤灰用于建材生产,例如制作水泥、砂浆、砖块等。
此外,由于粉煤灰具有空隙结构,还可以用于土壤改良和固体废弃物填埋。
2.粉煤灰深度处理:在回收利用的基础上,还可以对粉煤灰进行深度处理,以提高其附加值。
例如,可以通过热处理将粉煤灰中的一些有害物质转化为无害物质,提高其稳定性和安全性。
另外,粉煤灰中的无机氧化物和重金属可以作为催化剂或吸附剂用于废水处理和废气净化。
3.粉煤灰与其他废弃物的联合处理:将粉煤灰与其他废弃物,如钢渣、精矿尾矿等进行联合处理,可以提高资源的综合利用效率。
例如,可以将粉煤灰与钢渣进行融合处理,制备出具有一定强度和耐久性的铁矿路基材料。
4.粉煤灰的化学利用:通过化学反应可以改变粉煤灰的物理性质和化学性质,进一步提高其利用价值。
例如,可以将粉煤灰与碱性物质反应,生成新型耐酸材料;或者将粉煤灰与二氧化硅反应,制备出具有特殊功能的多孔材料。
5.粉煤灰的热处理:通过热处理可以提高粉煤灰的稳定性和可利用性。
例如,可以将粉煤灰进行高温焚烧,将其中的有机物和水分脱除,得到稳定且可用于土地回填的固体渣渣。
此外,还可以通过热处理将粉煤灰转化为高附加值的矿物冶金产品,如氧化铝、氧化钙等。
总之,粉煤灰的处理方法可以通过回收利用、深度处理、联合处理、化学利用和热处理等多种途径实现。
在选择处理方法时,需要针对不同的粉煤灰成分和用途进行科学评估,并综合考虑经济效益、环境效益和可持续发展的要求,选择最适合的处理方法。
粉煤灰的标准
粉煤灰是一种常见的工业原料,也是建筑材料中的重要组成部分。
粉煤灰的标准对于其质量和应用具有重要的指导作用。
本文将
从粉煤灰的定义、分类、标准及其应用等方面进行介绍。
首先,粉煤灰是指煤炭燃烧后在燃烧设备排出的细颗粒物,经
过收集和处理后得到的细粉状物料。
根据其来源和性质的不同,粉
煤灰可以分为硅质粉煤灰、活性粉煤灰和复合粉煤灰等类型。
这些
不同类型的粉煤灰在标准中有着各自的要求和规定。
在国家标准中,粉煤灰的主要指标包括化学成分、物理性能、
细度、活性指标等。
化学成分是评定粉煤灰质量的重要指标之一,
主要包括SiO2、Al2O3、Fe2O3、CaO、MgO、SO3等成分的含量。
物
理性能则包括颗粒密度、比表面积、水分含量等指标。
细度是指粉
煤灰颗粒的大小,通常以其通过标准筛的百分比来表示。
活性指标
是评价粉煤灰活性和水化特性的重要参数,包括活性指数、水化热、水化产物等。
粉煤灰的标准是为了保证其质量稳定、安全可靠地应用于建筑
材料、混凝土、水泥、煤灰砖等领域。
在建筑材料中,粉煤灰可以
用作掺合料、填料和改性剂,能够提高混凝土的强度、耐久性和抗渗性。
在水泥中,粉煤灰可以替代部分水泥,降低生产成本,减少二氧化碳排放。
在煤灰砖的生产中,粉煤灰可以提高砖的抗压强度和耐久性。
总之,粉煤灰的标准是保证其质量和应用的重要保障,通过严格的标准要求和检测手段,可以有效地控制和提高粉煤灰的质量,促进其在建筑材料领域的广泛应用。
希望本文的介绍能够对粉煤灰的标准有所了解,促进其更好地应用和推广。
粉煤灰介绍粉煤灰是火力发电厂燃煤粉锅炉排出的一种工业废渣。
煤燃烧所产生的烟气中的细灰,一般是指燃煤电厂从烟道气体中收集的细灰,又称飞灰、烟灰。
狭义上讲,它就是锅炉燃烧时,烟气中带出的粉状残留物,简称灰;广义上讲,它还包括锅炉底部排除的炉底渣,简称炉渣。
粉煤灰是煤粉进入1300~1500℃的炉膛后,在悬浮燃烧条件下经受热面吸热后冷却而形成的。
由于表面张力的作用,粉煤灰大部分呈球状,表面光滑,微孔较小。
一部分因在熔融状态下互相碰撞而粘连,成为表面粗糙、棱角较多的蜂窝状组合粒子。
粉煤灰的化学组成我国火电厂粉煤灰的主要氧化物组成为:SiO2、Al2O3、FeO、Fe2O3、CaO、TiO2、 MgO 、K 2O、 Na2O、SO3、MnO2等,此外还有P2O5等。
其中氧化硅、氧化钛来自黏土,岩页;氧化铁主要来自黄铁矿;氧化镁和氧化钙来自与其相应的碳酸盐和硫酸盐。
粉煤灰的元素组成(质量分数)为:O 47.83%,Si 11.48%~31.14%,Al 6.40%~22.91%,Fe 1. 90%~18.51%, Ca 0.30%~25.10%,K 0.22%~3.10%,Mg 0.05%~1.92%,Ti 0.40%~1.80%,S 0.03%~4.75%,Na 0.05%~1.40%,P 0.00%~0.90%,Cl 0.00%~0.12%,其他0.50%~29. 12%。
粉煤灰中主要物相是玻璃体,占50~80%;所含晶体矿物主要有:莫来石、α-石英、方解石、钙长石、硅酸钙、赤铁矿和磁铁矿等,此外,还有少量的未燃碳。
粉煤灰的结构粉煤灰的结构是在煤粉燃烧和排出过程中形成的,比较复杂。
在显微镜下观察,粉煤灰是晶体、玻璃体及少量未燃炭组成的一个复合结构的混合体。
混合体中这三者的比例随着煤燃烧所选用的技术及操作手法不同而不同。
其中结晶体包括石英、莫来石、磁铁矿等;玻璃体包括光滑的球体形玻璃体粒子、形状不规则孔隙少的小颗粒、疏松多孔且形状不规则的玻璃体球等;未燃炭多呈疏松多孔形式。
粉煤灰的标准粉煤灰是一种常用的混凝土掺合料,其质量对混凝土的性能有着重要影响。
因此,制定粉煤灰的标准对于保证混凝土质量、推动建筑行业的可持续发展具有重要意义。
本文将从粉煤灰的物理性质、化学性质、掺量标准等方面进行详细介绍,希望能够对相关行业提供一定的参考。
首先,粉煤灰的物理性质包括外观、颗粒度、比表面积等指标。
粉煤灰通常为细粉末状,灰色或灰白色,颗粒度较细,通常比水泥的颗粒度要小。
比表面积是评价粉煤灰细度的重要指标,粉煤灰的比表面积较大,有利于提高混凝土的强度和耐久性。
其次,粉煤灰的化学性质包括主要化学成分、活性指标等。
粉煤灰的主要化学成分主要是氧化硅、氧化铝和氧化铁等,这些成分对混凝土的性能有着重要影响。
活性指标是评价粉煤灰活性的重要指标,活性较高的粉煤灰可以在混凝土中起到更好的填充作用,提高混凝土的强度和耐久性。
最后,粉煤灰的掺量标准是制定粉煤灰标准的重要内容。
掺量标准应根据混凝土的用途和性能要求来确定,一般情况下,掺量不宜过大,以免影响混凝土的工作性能和强度。
同时,应根据粉煤灰的物理性质和化学性质来确定合适的掺量范围,以保证混凝土的性能稳定。
综上所述,粉煤灰的标准是保证混凝土质量、推动建筑行业可持续发展的重要保障。
制定粉煤灰的标准需要充分考虑其物理性质、化学性质和掺量标准等因素,以期望能够为相关行业提供参考,推动行业的发展和进步。
希望本文的内容能够对相关行业有所帮助,也希望相关行业能够对粉煤灰的标准进行更加深入的研究和探讨,为行业的发展贡献力量。