独立基础与双柱基础汇总
- 格式:docx
- 大小:310.85 KB
- 文档页数:15
独立基础建筑独立基础的类型独立基础可以根据其结构和材料的不同而分为多种类型,常见的独立基础包括:1. 钢筋混凝土基础:这是最常见的基础类型,由钢筋混凝土构成,具有良好的强度和耐久性。
钢筋混凝土基础适用于大多数建筑物。
2. 桩基础:桩基础是通过将桩深入地下,使其承受建筑物的载荷。
桩基础适用于土地不稳定或需要承受大型建筑物载荷的情况。
3. 基岩基础:基岩是坚固的地质层,能够承载巨大的载荷。
基岩基础适用于需要更高承载能力的建筑物,如高层建筑和桥梁。
4. 地基板基础:地基板是一种水平的基础结构,由钢筋混凝土构成,分布建筑物载荷并将其传递到地下。
地基板基础适用于地质条件较好的情况。
独立基础的设计考虑因素设计独立基础时需要考虑以下因素:1. 建筑物的载荷:根据建筑物的类型、重量和用途确定适当的基础承载能力。
2. 地质条件:了解地下土壤的类型和性质,以确定适用的基础类型和施工方法。
3. 水分条件:考虑地下水位和土壤的排水能力,以防止基础受到水分侵蚀和稳定性问题。
4. 周边环境:考虑周边建筑物、道路和地形对基础的影响,以确保建筑物的稳定性和安全性。
独立基础的施工和维护独立基础的施工和维护过程需要严格的质量控制和定期检查。
以下是一些常用的施工和维护技术:1. 地基处理:通过填充和压实土壤,提高地基的稳定性和承载能力。
2. 施工材料:确保使用高质量和符合规定的建筑材料,以确保基础结构的强度和耐久性。
3. 定期检查:定期检查基础结构的状态,包括裂缝、沉降和水分渗透等问题,并及时采取修复措施。
通过合理的设计和有效的施工和维护,独立基础建筑能够提供建筑物所需的支撑和安全性。
抗震柱插筋锚固总结条形基础、独立基础锚固双柱独立基础柱角钢筋插至底部做90°弯钩,长度为≥6d且≥150mm无基础梁时,构造与独立基础相同;柱中钢筋插至L aE深度截断,不做弯钩有基础梁且梁宽度大于柱宽度时;柱角、与梁轴线平行的柱中筋做90°弯钩到底部;与梁横截面的到锚固后截断;箍筋间距≤500不少于两道非复合箍筋柱角钢筋同下柱中钢筋做90°弯钩,竖直长度≥0.5L aE时,弯钩为12d且≥150mm;竖直长度≥0.6LaE时,弯钩为10d且≥150mm;竖直长度≥0.7LaE时,弯钩为8d且≥150mm;竖直长度≥0.8LaE时,弯钩为6d且≥150mm;插到底部;有基础梁且梁宽度大于柱宽度时;柱角、柱中筋全部插到底部做90°弯钩;长度同左;箍筋间距≤500不少于两道非复合箍筋;直锚深度≥L aE 直锚深度<L aE支承在单根基础梁上时锚固板式筏型基础锚固梁板筏型基础高、低板位箱型基础锚固厚度≤2m的板时,插至底部做弯钩;长度为≥6d且≥150mm;厚度>2m时;插到基础中部上表面做弯钩;长度为≥6d且≥150mm;底板位时,柱角筋插到底部做弯钩,长度为≥6d且≥150mm;高板位时,柱角筋插到底部做弯钩,长度为≥6d且≥150mm厚度≤2m的板时,插至L aE做弯钩;长度为≥6d且≥150mm;厚度>2m时,插至L aE做弯钩;插至L aE做弯钩;长度为≥6d且≥150mm;高板位时,插至L aE做弯钩;长度为≥6d且≥150mm;厚度≤2m的板时,柱角、柱中筋全部插到底部做90°弯钩;长度同左;柱角、柱中筋全部插到底部做90°弯钩;长度同左;厚度>2m时;柱角、柱中筋全部插到基础中部上表面做弯钩;长度同左;柱角与梁轴线平行的柱中筋全部插到底部做90°弯钩;长度为≥6d且≥150mm;与梁横截面的插到锚固后做弯钩;高、低板位时,柱角、柱中筋全部插到底部做90°弯钩;长度同左;;不分锚固大小,当柱下三面或四面有箱基础内墙时,柱角筋通至基低;其余自箱基顶板低面向下延伸≥L aE;不分锚固大小,当柱下两面、三面或四面有箱基础内墙时,框架边柱、角柱、剪力墙相连的中柱、中柱;柱下为箱基外墙时边柱、角柱,全部到箱基底部;桩基础独立承台锚固桩基承台梁锚固砼大直径灌注桩梁上柱锚固≥L aE且≥35d时,柱角筋插到承台底部做弯钩,长度为≥6d且≥150mm;≥L aE且≥35d时,柱角筋插到承台梁底部做弯钩,长度为≥6d且≥150mm;全部纵筋插到≥L aE且≥35d时,做弯钩,长度为≥6d且≥150mm;插至L aE与35d取大的截断;插至LaE与35d取大的截断;抗震框架梁宽>柱宽时,柱插筋到锚固深度≥0.5L aE,做弯钩,长度为12d;梁宽<柱宽时,节点处加侧腋,其余一样;<L aE且<35d时,柱角、柱中筋全部插到承台底部做90°弯钩;弯钩长度取35d减实际竖直锚固长度且≥6d及≥150mm;<LaE且<35d时,柱角、柱中筋全部插到承台梁底部做90°弯钩;弯钩长度取35d 减实际竖直锚固长度且≥6d及≥150mm;板上柱锚固剪力墙上柱锚固芯柱锚固剪力墙顶部起柱的柱下三面、四面剪力墙,所有纵筋板顶向下延伸1.6L aE 箍筋加密;锚固长度取≥0.7L aE柱插筋到板低,锚固深度≥0.5L aE,做弯钩,长度为12d;。
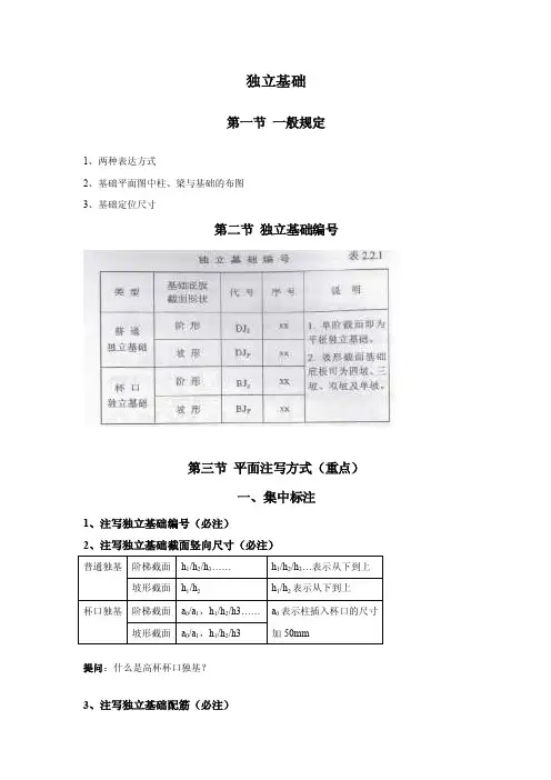
独立基础第一节一般规定1、两种表达方式2、基础平面图中柱、梁与基础的布图3、基础定位尺寸第二节独立基础编号第三节平面注写方式(重点)一、集中标注1、注写独立基础编号(必注)2、注写独立基础截面竖向尺寸(必注)提问:什么是高杯杯口独基?3、注写独立基础配筋(必注)提问:1、矩形底板配筋短向钢筋的两种配筋值如何表示?(P10,P44)2、已知基础底板(下设垫层)尺寸X向为2m,Y向为1m,配筋B:X:Ф12@150,Y:Ф12@200,问X与Y向钢筋长度及根数各为多少?(P44)如配筋B:X:Ф12@150,Y:Ф12@150/200,问X与Y向钢筋长度及根数各为多少?3、圆形底板放射状配筋时,其径向筋间距以何值为度量?如何布置?(P9-P10)1、杯基顶部钢筋网是否均应配置?(P10)2、杯基顶部钢筋网长度如何计算?3、双杯口独基当中间杯壁厚小于400mm时,有何构造要求?其钢筋长度与根数如何计算?(P11,P48。
下料时注意不要忘记该构造筋)1、高杯基杯壁外侧与短柱配筋时,箍筋的两种间距有何规定?(P11,P49,P50)2、高杯基杯壁外侧与短柱配筋时,角筋与中部筋长度如何计算?(P49,P50)3、高杯基杯壁外侧与短柱配筋时,拉筋设置有何要求?(P49,P50。
下料时注意不要忘记计算拉筋)4、双高杯口独基当中间杯壁厚小于400mm时,有何构造要求(与双杯口独基进行比较)?其钢筋长度与根数如何计算?(P11,P50。
下料时注意不要忘记该构造筋)4、注写基础底面相对标高高差(选注)5、必要的文字注解(选注)二、原位标注原位标注的内容为独立基础的平面尺寸提问:1、普通独立基础当为坡形截面时,其坡口距柱边尺寸为多少?(P44)2、杯口独立基础的上杯口尺寸与下杯口尺寸在构造上有何要求?(P13)3、P14图2、3、3-8如何放样?三、多柱独立基础(一)双柱独立基础1、在集中标注栏内注写双柱独立基础底板顶部配筋2、注写双柱独立基础的基础梁配筋3、在集中标注栏内注写双柱独立基础底板配筋(二)四柱独立基础1、在集中标注栏内注写配置两道基础梁的四柱独立基础底板顶部配筋2、注写四柱独立基础的基础梁配筋3、在集中标注栏内注写四柱独立基础底板配筋提问:1、多柱基础何时顶部配筋?何时要设基础梁?(P16)2、双柱独立基础底板顶部配筋构造有何要求?其根数长度如何确定?(P45)疑问:为何分布筋在上?3、四柱独立基础底板顶部配筋构造有何要求?其根数长度如何确定?(P17)4、底板配筋何者在上,何者在下?(P44---46)5、底板配筋与基础梁纵筋如何摆放?(P16)像下图这样的施作也同样是错误的。
70认识独立基础
一、什么是独立基础
独立基础顾名思义就是一个个单独的基础,当建筑物上部结构采用框架结构或单层排架结构承重时,基础常采用方形、圆柱形和多边形等形式的独立式基础,这类基础称为独立式基础,也称单独基础。
如图1所示。
柱下独立基础通俗地想象一下,柱子是很细的,插在土里会扎进去。
但是把底面做得很大,就不容易扎进土里对不对?柱下独立基础就是差不多的原理,给相对较细的柱子下面做一个大一些的混凝土墩,里面布置钢筋。
如图2所示。
二、独立基础的类型
独立基础大的种类只分为普通独立基础和杯口独立基础两种。
如图3所示。
杯型独立基础就是当柱采用预制构件时,则基础做成杯口形,然后将柱子插入并嵌固在杯口内,故称杯形基础。
如图4所示。
三、独立基础识图
大概了解独立基础的类型,我们再来看一下独立基础的原理。
平法图集16G101-3对于独立基础这里有详细的解释。
学习构件的第一步肯定是识图,看懂图纸才能往下做下去。
独立基础的平面标注有集中标注和原位标注,如图7所示。
结构识图——独立基础,条形基础,筏形基础,柱子前期发表的结构识图——独立基础,条形基础,筏形基础,柱子,并未收录到本专栏,读者反映查找不便,特汇编为一篇文章以成系列第一篇独立基础识图结构工程识图重点分五大部分:①基础、②柱(墙)、③梁、④板、⑤楼梯,其中基础又分为独立基础、桩基础、筏形基础等形式,先讲独立基础,见下图:图1:基础平面图【例1】识读某建筑独立基础平法施工图。
1、首先了解独立基础编号及其代表的形式,见下表:注:设计时应注意:当独立基础截面形状为坡形时,其坡面应采用能保证混凝土浇筑、振捣密实的较缓坡度;当采用较陡坡度时,应要求施工采用在基础顶部坡面加模板等措施,以确保独立基础的坡面浇筑成型、振捣密实。
2、图1为某建筑独立基础平法施工图平面图,从图中可以看出:(1)该建筑基础为普通独立基础,根据选用的符号分析是坡形截面和阶形截面两种形式。
图中普通独立基础有三种编号,分别为DJP01、DJP02、DJP03;阶形截面普通独立基础有一种编号,为DJJ01。
每种编号的基础选择了其中一个进行集中标注和原位标注。
(2)以DJP01为例进行识读。
从标注中可以看出该基础平面尺寸为2500mm×2500mm,竖向尺寸第一阶为300mm,第二阶尺寸为300mm,基础底板总厚度为600mm。
柱子截面尺寸为400mm×400mm。
基础底板双向均配置直径12mm的HRB335级钢筋,分布间距均为150mm。
各轴线编号以及定位轴线间距,图中都已标出。
第二篇条形基础识读1、条形基础。
当建筑物上部结构采用墙承重时,基础沿墙身设置,多做成长条形,这类基础称为条形基础或带形基础,一般用于多层混合结构、自建房等,如图2-1所示。
图2-1 条形基础2、基础的构造组成以条形基础为例,介绍一下基础的构造组成,如图2-2所示图2-2 条形基础的构造组成(1)地基地基是基础下面的土层,承受由基础传递的建筑物的全部荷载。
经常有设计人员询问如下问题:1、筏板有限元设计为什么反力小的地方设计通不过,反力大的地方反而计算结果正常?对于计算结果不过的网格区域该如何处理?2、基床反力系数K到底是什么?为什么其取值范围如此宽广?比如在5000~20000之间,而不同的取值对基础沉降和内力计算影响很大? 该如何取值?3、采用基础软件设计的结果为什么与经验差异那么大?其计算结果靠谱吗?能作为基础设计依据吗?对计算结果的正确性该如何判断?4、地基或桩基规范提供的各种算法到底是怎么回事?比如什么叫文克尔地基模型?什么叫布辛奈斯克解?什么叫明德林解?什么叫等效作用法?什么叫实体深基础法?这一系列名词到底在说什么?有没有更加通俗易懂的理解方式?试想,如果连规范所说的这些名词都不清楚,基础设计又该从何谈起?5、基础设计软件中的许多参数的含义到底是什么?该如何填写?用缺省值行吗?等等以上很多类似的问题经常困扰着广大设计人员。
本人以为,要想解决上述问题,必须围绕着基础设计的两大特点,从地基基础的基本概念出发,充分了解和掌握基础设计的基本方法,才能对设计结果进行合理的判断,完成符合实际工程要求的地基基础设计。
本次讲座,将结合工程实例,主要讲解地基基础的基本原理在基础设计中的应用、地基基础规范的正确理解;运用目前工程界广泛应用的基础设计软件,阐述独基、条形基础、弹性地基梁基础、筏板基础、桩基等各种基础形式的正确设计方法及应注意的问题;基础设计软件各种参数详解、计算结果的正确性判断。
1、基础设计正确性判断的一般原则(1)刚性基础与柔性基础的基本特点是什么?(2)如何运用刚性基础与柔性基础这些基本特点判断计算结果的正确性?(3)如何运用刚性基础与柔性基础这些基本特点解决设计中出现的问题?比如:a、某主裙楼结构,采用筏板基础,筏板有限元设计为什么反力小的地方设计通不过,反力大的地方反而计算结果正常?对于计算结果不过的网格区域该如何处理?b、主裙楼结构,裙楼部分抗浮不满足要求可以打抗浮桩吗?2、什么叫文克尔地基模型?什么叫弹性半空间体?什么叫布辛奈斯克解?什么叫明德林解?明德林解为什么要修正?地基规范里提的这些名词最通俗易懂的理解方式是什么?这些计算模式的优缺点是什么?采用这些方法设计时应注意哪些问题?3、基床反力系数K的确定(1)基床反力系数K到底是什么?(2)确定基床反力系数K到底有哪些方法?(3)基床反力系数K的分布原则是什么?4、关于地基承载力修正的常见问题(1)通过载荷试验得到的地基承载力为什么可以修正?(2)地基承载力能够通过修正而提高的本质到底是什么?(3)对于主裙楼一体的结构,当超载宽度大于基础宽度两倍时,为什么规范规定可将超载折算成土层厚度作为基础埋深,对主体结构地基承载力进行深度修正?(4)确定地基承载力修正用基础埋深d时都会遇到哪些问题?a、基础两侧土埋深不一样时,可以取平均值吗?b、主裙楼一体结构,主楼采用筏板基础,裙楼采用柱下独立柱基或条基,主体结构下承载力可以按两侧超载进行深度修正吗?如果是裙房采用独基加止水板呢?(5)是什么情况下都可以用勘察报告给出的载荷试验值进行深度修正吗?有没有不可以的时候?(6)深度修正和宽度修正,哪一个影响大?为什么规范规定当b>6m取6m?而深度修正却没有要求?(7)满足《地基规范》的5.1.4就等于满足5.1.3吗?规范规定的基础埋深的本质是什么?规范对回填土的要求是什么?设计人员在采用软件进行上部结构和基础设计时,最容易填错的参数是哪一个?(8)根据《地基规范》表5.2.4,宽度修正系数取0,深度修正系数取1.5或2.0的时候要注意什么?什么情况下会不符合实际?(9)地基变形和基础底面积计算时,荷载组合要如何考虑?(10)原有建筑上进行增层改造的项目,其地基承载力在估算时该提高多少?(11)基础考虑抗震设计时,抗震调整系数该如何填?(12)如何考虑基础拉梁承担的弯矩比例?5、柱下独立基础设计(1)柱下独立基础最主要的特点是什么?(2)什么样的地质和工程条件适用于柱下独基?(3)这样的基础形式抗震性能好吗?(4)如何正确考虑基础底标高在基础设计时所起的作用?(5)新《地基规范》对最小配筋率是如何考虑的?采用最小配筋率计算配筋面积时应注意哪些问题?(6)在考虑基础底面受拉时要注意什么问题?什么样的荷载组合可以考虑基础底面受拉?(7)什么情况下需要考虑独立基础的受剪承载力V s≤0.7βhs f t A0?(8)为什么独立柱基础增大地基承载力后基础面积基本不变?(9)双柱基础设计时需要注意什么问题?(10)多柱基础的设计,其计算结果靠谱吗?(11)为什么独基地基承载力手工校核结果与软件计算结果不一致?(12)独立基础配筋计算公式能用于所有的独立基础形式吗?哪些比较常见的独基形式不能用独基配筋计算公式?6、砌体结构墙下条形基础设计(1)砌体结构墙下条形基础都有哪些特点?(2)进行基础设计时,如何正确考虑砌体结构荷载的分布?(3)砌体结构构造柱荷载如何考虑?(4)砌体结构中存在框架柱时,柱下独基面积计算时应考虑哪些因素?(5)考虑墙下条基相交处基础面积重叠计算时应注意哪些问题?7、弹性地基梁基础设计(1)这样的基础形式最重要的特点是什么?(2)什么原因会导致弹性地基梁翼缘宽度过大?(3)弹性地基梁地基承载力是如何确定的?(4)采用软件计算弹性地基梁地基承载力时什么情况下会出问题?(5)用软件计算弹性地基梁覆土重时应注意什么问题?(6)是否要考虑弹性地基梁基础底面积重复利用?(7)弹性地基梁配筋计算考虑柱宽而折减会有问题吗?(8)梁计算时考虑柱刚度的影响能够解决什么问题?(9)如何考虑软件提供的弹性地基梁五种计算方法?(10)弹性地基梁基础的沉降计算中什么样的基础采用刚性沉降?(11)软件提供的”沉降计算地基模型系数”到底是什么?该如何考虑?(12)“沉降计算经验系数”如何考虑?(13)沉降计算压缩层深度该如何确定?如何进行人为修正?(14)“考虑回弹影响的沉降计算经验系数”该填多少?(15)广义文克尔假定对基床反力系数K的调整会有哪些启示?(16)柔性沉降计算都有哪些特点?(17)如何根据地基基础的基本概念判断柔性沉降或刚性沉降的计算结果是否正确?(19)弹性地基梁配筋计算时如何正确考虑地基反力的分布特点?(20)结合工程实例,介绍弹性地基梁计算结果不过的主要原因及调整方法8、筏板基础设计(1)筏板基础都有哪些主要形式?(2)墙体对筏板的冲切计算规范有公式吗?(3)如何正确理解软件提供的多墙冲板和单墙冲板的计算结果?(4)软件提供的内筒冲剪计算不满足要求一定要增加筏板厚度吗?合理的计算区域如何确定?(5)筏板基础中设计柱墩时应注意哪些问题?(6)筏板重心校核中偏心率不满足该如何调整?(7)对于裙房偏置的主裙楼结构,筏板重心无法满足要求,能仅满足主体结构的筏板重心校核就行了吗?(8)JCCAD软件在筏板“重心校核”中显示的底板平均反力与程序退出时提示的底板平均反力为什么不一致?(9)当结构的局部坐标与整体坐标不一致时,如何考虑筏板的配筋?(10)《地基规范》第5.4.3规定简单抗浮计算时,按照其相应条文所列公式进行抗浮计算。
11G101-3独立基础、条形基础、筏形基础及桩基承台P58~P59墙、柱插筋构造(变)所有墙插筋,弯钩均不得小于6d;当hj≤lae(板厚不满足直锚长度)时,弯锚15d;所有柱插筋,弯钩均不得小于6d且150;当hj≤lae(板厚不满足直锚长度)时,弯锚15d。
当插筋部分保护层厚度小于5d(无外伸时,外部插筋),锚固区应设横向钢筋(或箍筋),间距不小于100mm。
增。
当设计指出墙外侧纵筋与底板纵筋搭接连接时,基础底板钢筋应伸至基础顶面。
变。
取消了原图集按插入长度的不同确定弯钩长度的做法。
新提出了锚固区加水平钢筋的做法。
当柱为轴心受压或小偏心受压,独立基础、条形基础高度不小于1200mm时,或当柱为大偏心受压,独立基础、条形基础高度不小于1400mm时,可仅将柱四角插筋伸至底板钢筋网上(伸至底板钢筋网上的柱插筋之间间距不应大于1000mm),其它钢筋满足锚固长度lae即可。
P60独立基础DJJ、DJP、BJJ、BJP底板配筋构造1、独立基础底板双向交叉钢筋长向设置在下,短向设置在上。
2、基础底板钢筋距边缘≤75且≤S/2处起设。
3、坡形独立基础的上边缘每边超出柱边50mm。
2.2.1设计时应注意:当独立基础截面形状为坡形时,其坡面应采用能保证混凝土浇筑、振捣密实的较缓坡度;当采用较陡坡度时,应要求施工采用在基础顶部坡面加模板等措施。
P61双柱普通独立基础(即“不设基础梁的”)底部与顶部配筋构造1、图集注:双柱普通独立基础底部双向交叉钢筋,根据基础两个方向从柱外缘至基础外缘的伸出长度ex和ex’的大小,较大者方向的钢筋设置在下,较小者方向的钢筋设置在上。
2、顶部纵筋设置在下,分布筋设置在上。
3、顶部纵筋的锚固长度统一从柱内边缘算起(不再分“柱内”和“柱外”)。
(变。
原06G101-6,P45:柱外顶部纵筋锚固长度从柱中心线算起)P62设置基础梁的双柱普通独立基础配筋构造1、图集注:双柱独立基础底部短向受力钢筋设置在基础梁纵筋之下,与基础梁箍筋的下水平段位于同一层面。
双柱独立基础配筋和基底反力下载温馨提示:该文档是我店铺精心编制而成,希望大家下载以后,能够帮助大家解决实际的问题。
文档下载后可定制随意修改,请根据实际需要进行相应的调整和使用,谢谢!并且,本店铺为大家提供各种各样类型的实用资料,如教育随笔、日记赏析、句子摘抄、古诗大全、经典美文、话题作文、工作总结、词语解析、文案摘录、其他资料等等,如想了解不同资料格式和写法,敬请关注!Download tips: This document is carefully compiled by the editor. I hope that after you download them, they can help yousolve practical problems. The document can be customized and modified after downloading, please adjust and use it according to actual needs, thank you!In addition, our shop provides you with various types of practical materials, such as educational essays, diary appreciation, sentence excerpts, ancient poems, classic articles, topic composition, work summary, word parsing, copy excerpts,other materials and so on, want to know different data formats and writing methods, please pay attention!双柱独立基础配筋是一种常用的结构设计方法,通过合理配置钢筋和基底反力,可以有效提高双柱独立基础的承载能力和稳定性。
独立基础模板施工方案独立基础施工方案 1一、工程概况: 2二、工程特点 22.1、基础种类(独立柱基、双柱柱基)数量、分布: 22.2、基础阶级数: 22.3、独立基础的信息表: 2三、施工的准备 33.1、施工人员的准备: 33.2、施工机器准备 33.4、劳动力安排 4四、施工的具体方法 44.1、测量放线: 44.2、土方开挖及边坡维护 54.3、组织验槽(坑) 64.4、垫层施工及维护 64.5、模板 74.6、钢筋 74.7、混凝土工程 84.8、土方回填 8五、质量保证措施 95.1基坑验槽 95.2模板验收 95.3、钢筋验收: 105.4、混凝土浇捣质量检验: 105.5、土方回填标准: 11六、安全保证措施 11七、进度保证措施 127.1、场地安排: 127.2、人员分布、管理: 127.3、雨期补救: 12八、进度计划 13一、工程概况:项目名称:广汽菲亚特物流仓库(DC仓库)建设单位:湖南广汽顺捷物流有限公司设计单位:广州开发区设计院有限公司工程规模:21574.77 ㎡项目分布:近五边形外形基础类型:独立基础结构(独立柱基,双柱柱基)二、工程特点2.1、基础种类(独立柱基、双柱柱基)数量、分布:该工程长为174m,宽为122m。
双柱主要分布在工程的中间分界,各个独立柱基分布在全方位,不规则的部位主要以特殊独立柱基为主。
该物流仓库的独立柱基包括JC1、JC1a、JC1b、JC1c、JC2、JC3、JC4、JC5、JC6、JC7、JC8,数量是204个;双柱柱基是JC2a、JC3a,数量是3个。
独立柱基分布包括-轴、-轴、2-A轴及2-B轴;双柱柱基分布在-轴之间以及1/9轴。
2.2、基础阶级数:除JC4、JC5、JC6为二阶外,其他独立基础均为一阶,均可架模板后拍至图纸样式。
2.3、独立基础的信息表:三、施工的准备3.1、施工人员的准备:施工人员按施工组织设计进行调配,确保人员的素质和数量满足本工程的需要。
采用方形、圆柱形和多边形等形式的独立式基础,这类基础称为独立式基础.也称单独基础,是整个或局部结构物下的无筋或配筋基础.一般是指结构柱基,高烟囱,水塔基础等的形式.独立基础分:阶形基础、坡形基础、杯形基础3种。
为主要受力钢筋,纵向配筋为次要受力钢筋或者是分布钢筋。
主要受力钢筋布置在下面。
筏型基础:筏型基础又叫笩板型基础,即满堂基础。
是把柱下独立基础或者条形基础全部用联系梁联系起来,下面再整体浇注底板。
由底板、梁等整体组成。
建筑物荷载较大,地基承载力较弱,常采用砼底板,承受建筑物荷载,形成筏基,其整体性好,能很好的抵抗地基不均匀沉降。
筏板基础分为平板式筏基和梁板式筏基。
一般说来地基承载力不均匀或者地基软弱的时候用筏板型基础。
而且筏板型基础埋深比较浅,甚至可以做不埋深式基础。
桩基础:桩基础由基桩和联接于桩顶的承台共同组成。
若桩身全部埋于土中,承台底面与土体接触,则称为低承台桩基;若桩身上部露出地面而承台底位于地面以上,则称为高承台桩基。
建筑桩基通常为低承台桩基础。
高层建筑中,桩基础应用广泛。
箱型基础:箱型基础是由钢筋混凝土的底板、顶板、侧墙及一定数量的内隔墙构成封闭的箱体,基础中部可在内隔墙开门洞作地下室。
这种基础整体性和刚度都好,调整不均匀沉降的能力较强,可消除因地基变形使建筑物开裂的可能性,减少基底处原有地基自重应力,降低总沉降量。
它适用于作软弱地基上的面积较小,平面形状简单,荷载较大或上部结构分布不均的高层重型建筑物的基础及对沉降有严格要求的设备基础或特殊构筑物,但混凝土及钢材用量较多,造价也较高。
但在一定条件下采用,如能充分利用地下部分,那么在技术上、经济效益上也是较好的。
双柱独立基础暗梁标高在建筑结构中,柱子是起承重作用的重要构件之一。
为了确保柱子的稳定性和承载能力,常常需要在地基上设置基础。
而在某些情况下,为了满足建筑空间的要求,需要设置双柱独立基础暗梁标高。
双柱独立基础暗梁标高是指在某一层的地基上,设置两根柱子的基础,并在柱子之间设置一段暗梁,以实现双柱之间的承力传递和平衡。
这种结构形式常常用于需要承载大荷载、空间要求较高的建筑物中。
双柱独立基础暗梁标高的设计需要考虑地基的承载能力。
地基是柱子的支撑基础,其承载能力直接影响着柱子的安全性和稳定性。
因此,在进行设计时,需要充分考虑地基土壤的类型、密实度、承载能力等因素,以确保地基能够承受柱子的荷载。
双柱独立基础暗梁标高的设计还需要考虑柱子的尺寸和形状。
柱子的尺寸和形状直接决定了柱子的承载能力和稳定性。
一般来说,柱子的截面形状可以选择矩形、圆形等,而柱子的尺寸则需要根据设计荷载和地基承载能力来确定。
同时,为了增加柱子的承载能力,可以采用加固措施,如在柱子的四周设置钢筋混凝土加固带等。
双柱独立基础暗梁标高的设计还需要考虑暗梁的尺寸和形状。
暗梁是连接两根柱子的承力构件,其尺寸和形状需要根据柱子的间距和跨度来确定。
一般来说,暗梁的截面形状可以选择矩形、T形等,而暗梁的尺寸则需要根据设计荷载和跨度来确定。
同时,在暗梁的施工中,还需要注意暗梁与柱子之间的连接方式,以确保连接的牢固性和稳定性。
双柱独立基础暗梁标高的设计还需要考虑柱子和暗梁的施工工艺。
柱子和暗梁的施工需要符合相关的施工规范和要求,以确保施工质量和安全性。
在施工过程中,需要注意柱子和暗梁的浇筑顺序、混凝土的配合比例、钢筋的布置等,以确保柱子和暗梁的质量和稳定性。
双柱独立基础暗梁标高是一种常用于承载大荷载、空间要求较高的建筑物中的结构形式。
在设计过程中,需要充分考虑地基的承载能力、柱子和暗梁的尺寸和形状,以及施工工艺等因素。
只有在考虑周全的基础上进行设计和施工,才能确保双柱独立基础暗梁标高的安全性和稳定性。
浅谈双柱独立基础面筋独立基础,同筏板一样,可以理解为卧置在土上的板,从规范的最小配筋率就可以看出,两种基础的最小配筋率都为0.15%。
所以独立基础可以理解为双向伸臂板。
所以说增加独基的高度不仅能更加满足冲切条件,也能有效的减少计算配筋。
下图为一双柱独立基础简图,并从纯力学的角度分析双柱独立基础面筋配置问题。
为了简化计算假设地基反力是均匀的,并整体倒立过来。
由此我们可以得到一连续支座且两端伸臂的计算简图众所周知,在均布荷载pj作用下悬臂杆的弯矩和两端固结的弯矩图如下所示如果双柱独立基础顶部不需配置钢筋,那么就需要上图跨中不出现弯矩。
利用弯矩平衡和弯矩调幅原理(弯矩不仅仅能向跨中调幅,也能向上反调幅,详见郁彦《高层建筑结构概念设计》1.14节)。
得到以下结果。
所以当双柱独立基础伸臂的长度L1≥1/2两柱距离L2时,基础顶部就不会出现弯矩,也就不需要配置面筋。
当然这都是有一些前提假设条件的。
由于变形是连续的,所当配置面筋应该是整个顶面,而不是局限于柱宽范围。
<===============================================================================为了方便大家使用本文档,特赠送以下技巧Word常用编辑技巧大全1. 问:WORD 里边怎样设置每页不同的页眉?如何使不同的章节显示的页眉不同?答:分节,每节可以设置不同的页眉。
文件――页面设置――版式――页眉和页脚――首页不同。
2. 问:请问word 中怎样让每一章用不同的页眉?怎么我现在只能用一个页眉,一改就全部改了?答:在插入分隔符里,选插入分节符,可以选连续的那个,然后下一页改页眉前,按一下“同前”钮,再做的改动就不影响前面的了。
简言之,分节符使得它们独立了。
这个工具栏上的“同前”按钮就显示在工具栏上,不过是图标的形式,把光标移到上面就显示出”同前“两个字来。
3. 问:如何合并两个WORD 文档,不同的页眉需要先写两个文件,然后合并,如何做?答:页眉设置中,选择奇偶页不同/与前不同等选项。
基础J-1(按《地基基础设计规范地基承载力特征值fak承载力修正系数ηb 承载力修正系数ηd 基底以下土的重度γ基底以上土的加权平均重度γm 基础埋深d(用于承载力修正)基础根部高度H 基础端部高度h1柱宽bc'柱高hc'Y向双柱形心距离cy X向双柱形心距离cx 覆土厚度 ds(用于计算基础自重)永久荷载控制的荷载组合分项系数γz 混凝土强度等级钢筋强度fy 保护层厚度as 柱1竖向力Fk1柱1基础顶面弯矩Mkx1'柱1基础顶面弯矩Mky1'柱1基础顶面剪力Vkx1柱1基础顶面剪力Vky1基础长宽比(L/B)0mm h0=向轴力点=Fk2*cy/(Fk1+Fk2)=0mm (双柱)柱根宽度bc 600mm X向轴力偏心距ex0=0mm (双柱)柱根长度hc 600mm Y向轴力偏心距ey0=0mmFk=2540.00kN fc=11.9N/mm^2竖向力F=γz*Fk=3429.00kN ft= 1.27N/mm^2fa =fak+ηb*γ*(b-3)+ηd*γm*(d-0.5)=240kpa 轴心受压基底面积=(Fk+Gk)/(fa-γg*ds)12.70M^2(注:γg 取20.0kN/M^3)计算基础长度b=3564mm 取基础长度b=计算基础宽度L=3564mm 取基础宽度L=Mx=γz*{(Mkx1'+Mkx2')-(Vky1+Vky2)*H+Fk*ey0}=-55.4kN·M My=γz*{(Mky1'+Mky2')+(Vkx1+Vky2)*H+Fk*ex0}=-50.2kN·M Y 轴方向截面面积 Acb 2.3M^2X 轴方向截面面积 AcL 2.3M^2X 轴基础顶面坡度15.42°Y 轴基础顶面坡度15.42°基础底面积A 12.96M^2X向Wx =l * b * b / 67.78M^3Y 向Wy = b * l * l / 67.78M^3基础及土自重标准值Gk=γg*A*ds=518.40kN 基础及的土重设计值G=γz*Gk=699.84kN 轴心荷载作用下pk = (Fk + Gk) / A 235.99<fa=240.0kpa 通过X 向pkmaxX =(Fk+Gk)/A+|Mky|/Wx=240.77< 1.2*fa=288.0kpa 通过X 向pkminX =(Fk+Gk)/A -|Mky|/Wx=231.20>0.00kpa >0可以X 向偏心矩ex=Mky/(Fk+Gk)=-0.012<b/6=0.60m Y 向pkmaxY =(Fk+Gk)/A+|Mkx|/Wy=241.26< 1.2*fa=288.0kpa通过Y向pkminY=(Fk+Gk)/A-|Mkx|/Wy=230.72>0.00kpa>0可以Y向偏心矩ey=Mkx/(Fk+Gk)=-0.013<L/6=0.600mpmaxX=γz*PkmaxX=325.04kpa pjmaxX=pmaxX-G/A=271.0kpapmaxY=γz*PkmaxY=325.70kpa pjmaxY=pmaxY-G/A=271.7kpaX方向冲切验算因b - hc=3000=L - bc=3000mmb=3600>hc+2*Ho=2040mmL=3600>b c+2*Ho=2040mmAlx=0.5*(b-hc+2*bc+2*Ho)*[(b-hc)/2-Ho]=2199600mm^2ab = Min{bc + 2 * Ho,l} =2040mmamx = (bc + ab) / 2 =1320mm0.7 * βhp * ft * amx * Ho =760.42>Flx=pjmaxX*Alx=596.18通过Y方向冲切验算Aly=0.5*(l-bc+2*hc+2*Ho)*[(l-bc)/2-Ho]=2199600m m^2ab = Min{hc + 2 * Ho,b}2040mmamy = (hc + ab) / 21320mm0.7 * βhp * ft * amY * Ho =760.42>Fly=pjmaxY*Aly=597.63通过X 方向(b 方向)剪切验算计算宽度Lo={1.0-0.5*[1.0-(bc+2*50)/L]*(Ho-h1)/Ho}*L=2955.56mmVx=pj*Ax=pj*(b-hc)*L/2=1463.63<0.7*βh*ft*Lo*Ho=1891.79通过Y 方向(l 方向)剪切验算计算宽度bo={1.0-0.5*[1.0-(hc+2*50)/b]*(Ho-h1)/Ho}*b=2955.56mm Vy=pj*Ay=pj*(l-bc)*b/2=1463.63<0.7*βh*ft*bo*Ho=1891.79通过X 方向(b 方向)柱边(绕 Y 轴)抗弯计算pmaxX=γz*PkmaxX=325.04kpapminX=γz*PkminX=312.13kpapX=pminX+(pmaxX-pminX)*(b+hc)/b/2=319.66kpaMIx=(b-hc)^2*[(2*L+bc)*(pmaxX+pX-2*G/A)+(pmaxX-pX)*L]/48=788.6kN·MMⅡx=(L-bc)^2*(2*b+hc)*(pmaxX+pminX-2*G/A)/48=773.9kN·MY 方向(l 方向)柱边(绕 X 轴)抗弯计算pmaxY=γz*PkmaxY=325.70kpapminY=γz*PkminY=311.47kpapY=pminY+(pmaxY-pminY)*(L+bc)/L/2=319.77kpaMIy=(b-hc)^2*[(2*L+bc)*(pmaxY+pY-2*G/A)+(pmaxY-pY)*L]/48=790.1kN·MMⅡy=(L-bc)^2*(2*b+hc)*(pmaxY+pminY-2*G/A)/48=773.9kN·MMⅠ= Max{MⅠx,MⅡy} =788.56kN·MAsⅠ=MⅠ/0.9*h0*fy*L=1127mm^2/MΦ12@100MⅡ= Max{MⅡx,MⅠy} =790.06kN·MAsⅡ=MⅡ/0.9*h0*fy*B=1129mm^2/MΦ12@100柱下局部受压承载力计算混凝土局部受压面积 Al = bc * hc =360000mm^2Ab = (bx + 2 * c) * (by + 2 * c)=490000mm^2βl = Sqr(Ab / Al)= 1.171.35 * βc * βl * fc * Al =6747.30> F =3429.0kN通过pumpa@注意啦:轴心荷载pk通过X向pkmaxX通过X向pkminX>0可以Y向pkmaxY通过Y向pkminY>0可以X方向冲切验算通过Y方向冲切验算通过X方向剪切验算通过Y方向剪切验算通过柱下局部受压通过AsI=1127mm^2/M AsⅡ=1129mm^2/MΦ12@100Φ12@100中间结果Alx=0.5*(L+bc+2*Ho)*(L-bc-2*Ho)/2+L*(b-hc-L+bc)/2=2199600 Alx=L*[0.5*(b-hc)-h0]=2808000 Alx=0.5*(b-hc+2*bc+2*Ho)*[(b-hc)/2-Ho]=2199600Aly=0.5*(b+hc+2*Ho)*(b-hc-2*Ho)/2+b*(L-bc-b+hc)/2=2199600 Aly=b*[0.5*(L-bc)-h0]=2808000 Aly=0.5*(l-bc+2*hc+2*Ho)*[(l-bc)/2-Ho]=2199600。
独立基础、条形基础、筏形基础及桩基承台11G101-3独立基础、条形基础、筏形基础及桩基承台P58~P59墙、柱插筋构造(变)所有墙插筋,弯钩均不得小于6d;当hj≤lae(板厚不满足直锚长度)时,弯锚15d;所有柱插筋,弯钩均不得小于6d且150;当hj≤lae(板厚不满足直锚长度)时,弯锚15d。
当插筋部分保护层厚度小于5d(无外伸时,外部插筋),锚固区应设横向钢筋(或箍筋),间距不小于100mm。
增。
当设计指出墙外侧纵筋与底板纵筋搭接连接时,基础底板钢筋应伸至基础顶面。
变。
取消了原图集按插入长度的不同确定弯钩长度的做法。
新提出了锚固区加水平钢筋的做法。
当柱为轴心受压或小偏心受压,独立基础、条形基础高度不小于1200mm时,或当柱为大偏心受压,独立基础、条形基础高度不小于1400mm时,可仅将柱四角插筋伸至底板钢筋网上(伸至底板钢筋网上的柱插筋之间间距不应大于1000mm),其它钢筋满足锚固长度lae即可。
P60独立基础DJJ、DJP、BJJ、BJP底板配筋构造1、独立基础底板双向交叉钢筋长向设置在下,短向设置在上。
2、基础底板钢筋距边缘≤75且≤S/2处起设。
3、坡形独立基础的上边缘每边超出柱边50mm。
2.2.1设计时应注意:当独立基础截面形状为坡形时,其坡面应采用能保证混凝土浇筑、振捣密实的较缓坡度;当采用较陡坡度时,应要求施工采用在基础顶部坡面加模板等措施。
P61双柱普通独立基础(即“不设基础梁的”)底部与顶部配筋构造1、图集注:双柱普通独立基础底部双向交叉钢筋,根据基础两个方向从柱外缘至基础外缘的伸出长度ex和ex’的大小,较大者方向的钢筋设置在下,较小者方向的钢筋设置在上。
2、顶部纵筋设置在下,分布筋设置在上。
3、顶部纵筋的锚固长度统一从柱内边缘算起(不再分“柱内”和“柱外”)。
(变。
原06G101-6,P45:柱外顶部纵筋锚固长度从柱中心线算起)P62设置基础梁的双柱普通独立基础配筋构造1、图集注:双柱独立基础底部短向受力钢筋设置在基础梁纵筋之下,与基础梁箍筋的下水平段位于同一层面。
11G101-3独立基础、条形基础、筏形基础及桩基承台11G101-3独立基础、条形基础、筏形基础及桩基承台P58~P59墙、柱插筋构造(变)所有墙插筋,弯钩均不得小于6d;当hj≤lae(板厚不满足直锚长度)时,弯锚15d;所有柱插筋,弯钩均不得小于6d且150;当hj≤lae(板厚不满足直锚长度)时,弯锚15d。
当插筋部分保护层厚度小于5d(无外伸时,外部插筋),锚固区应设横向钢筋(或箍筋),间距不小于100mm。
增。
当设计指出墙外侧纵筋与底板纵筋搭接连接时,基础底板钢筋应伸至基础顶面。
变。
取消了原图集按插入长度的不同确定弯钩长度的做法。
新提出了锚固区加水平钢筋的做法。
当柱为轴心受压或小偏心受压,独立基础、条形基础高度不小于1200mm时,或当柱为大偏心受压,独立基础、条形基础高度不小于1400mm时,可仅将柱四角插筋伸至底板钢筋网上(伸至底板钢筋网上的柱插筋之间间距不应大于1000mm),其它钢筋满足锚固长度lae即可。
P60独立基础DJJ、DJP、BJJ、BJP底板配筋构造1、独立基础底板双向交叉钢筋长向设置在下,短向设置在上。
2、基础底板钢筋距边缘≤75且≤S/2处起设。
3、坡形独立基础的上边缘每边超出柱边50mm。
2.2.1设计时应注意:当独立基础截面形状为坡形时,其坡面应采用能保证混凝土浇筑、振捣密实的较缓坡度;当采用较陡坡度时,应要求施工采用在基础顶部坡面加模板等措施。
P61双柱普通独立基础(即“不设基础梁的”)底部与顶部配筋构造1、图集注:双柱普通独立基础底部双向交叉钢筋,根据基础两个方向从柱外缘至基础外缘的伸出长度ex和ex’的大小,较大者方向的钢筋设置在下,较小者方向的钢筋设置在上。
2、顶部纵筋设置在下,分布筋设置在上。
3、顶部纵筋的锚固长度统一从柱内边缘算起(不再分“柱内”和“柱外”)。
(变。
原06G101-6,P45:柱外顶部纵筋锚固长度从柱中心线算起)P62设置基础梁的双柱普通独立基础配筋构造1、图集注:双柱独立基础底部短向受力钢筋设置在基础梁纵筋之下,与基础梁箍筋的下水平段位于同一层面。
《基础工程》课程设计计算书班级:11级建筑二班学号:1100506069姓名:郭超超设计任务书一、设计资料(一)工程概况某五层办公楼,全框架结构。
底层柱网平面如图所示,柱截面尺寸均为 500mm×500mm ,室内外高差为0.45m 。
(二)设计资料1.气象条件(1)温度:常年夏季平均气温16.3℃,冬季平均气温-8.6℃,夏季最高气温30℃,冬季最低气温-26.6℃。
(2)主导风向:全年为西北风,夏季为东南风,基本风压W 0=0.35kN/m 2; (3)雨雪条件:基本雪压0.25 kN/m 2。
2.工程地质条件 (1)自地面而下①素填土:厚1m ,3/18m kN =γ;②粉质粘土:厚9m ,3/8.18m kN =γ,828.0=e ,52.0=l I ,MPa E a 5.7=,kPa c 15=, 20=ϕ ,a k a kp f 280=;③碎石土:很厚,中密。
(2)地下水:建设场地内地表以下无地下水;(3)西宁地区标准冻深-1.16m ,最大冻深-1.34m ,土的冻胀类别属不冻胀。
3、荷载(1)外柱:A 、D 轴,基础承受上部荷载M kN M k ⋅=2201,kN V kN F k k 48178011==,。
(2)内柱:B 、C 轴,基础承受荷载kN F k 15602=。
二、设计内容1、设计③轴外柱下钢筋混凝土独立基础、内柱下双柱联合基础;2、绘制基础平面布置图(1:100)、基础配筋图(1:30),并编写施工说明; 三、设计步骤1、选择基础的材料、类型和平面布置;2、选择基础的埋置深度;3、确定地基承载力特征值;4、确定基础的底面尺寸;5、进行基础结构设计(按基础布置进行内力分析、强度计算和满足构造要求);6、绘制基础施工图,提出施工说明;四、设计要求1、设计计算过程条理清楚,内容完整;2、设计步骤合理,设计图纸清晰;3、提交手写稿和打印稿计算说明书各一份,打印稿一律用A4纸打印,题目为三号黑体,标题用小四黑体,正文为小四宋体,1.25行间距。
4、手绘施工图,图纸一律用铅笔按比例绘制,要求线条清楚,绘图正确。
五、进度和考核集中设计一周,按百分制记分。
六、参考文献1、华南理工大学等合编.基础工程.北京:中国建筑工业出版社,2008.2、中华人民共和国国家标准.建筑地基基础设计规范(GB50007-2011).北京:中国建筑工业出版社,2011。
○3轴外柱下基础1. 基础材料,类型及布置基础采用C30混泥土,HRB400级钢筋,采用柱下独立基础,预估基础高度800mm 。
2. 选择基础埋置深度根据任务书要求和工程地质条件,第一层土:填土,厚1m ;第二层土:粉质粘土,厚9m ,280=ak f kpa ; 第三层土:碎石土,很厚。
取基础底面高时最好取至持力层下0.5m ,由于软弱土层厚度1m <2m,取第二层土为持力层。
所以室外取地坪到基础底面为1+0.5=1.5m 。
由此得基础剖面示意图如下:图1基础剖面示意图3.求地基承载力特征值af根据粉质粘土828.0=e <0.85,查表2.5得 3.0=b η,6.1=d η基底以上土的加权平均重度3/3.185.18.185.0118m KN r m =⨯+⨯=持力层承载力特征值af)5.05.1(3.186.1280)5.0(-⨯⨯+=-+=d f f m d ak a γηa KP 3.309=(上式d 按室外地面算起)4.确定基础的底面尺寸(1)初步选择基底尺寸取柱底荷载标准值:KN F k 1780=,m KN M k ⋅=220,KN V k 48= 计算基础和回填土重kG 时的基础埋深()m d 725.195.15.121=+=基础底面积:2048.620725.13.3091780m d f F A G a k =⨯-=⋅-=γ由于偏心不大,基础底面积按20%增大,即:2078.748.62.12.1m A A =⨯==取基底长短边之比n =lb =2,于是b =√An =√7.782=1.97m ,取b=2m ,l=nb=2×2=4m 且m m b 30.2<=不需要再对af 进行修正。
(2)验算持力层地基承载力回填土和基础重:4220725.1⨯⨯⨯=⋅⋅=A d G G k γKN 276= 偏心距: m lm G F M e kk k k 67.0612.027617808.048220=<=+⨯+=+=,m in >k P ,满足。
基底最大压力: ⎪⎪⎭⎫ ⎝⎛⨯+⨯+=⎪⎪⎭⎫ ⎝⎛++=412.0610.8276178061max l e AG F P k kk k )16.371(2.126.303a a a KP f KP =<=所以,最后确定基础底面面积长m 0.4,宽m 0.2。
(3).计算基底净反力取柱底荷载效应基本组合设计值:KN F 231417803.1=⨯=,m KN M ⋅=⨯=27522025.1,KN V 4.62483.1=⨯=。
净偏心距 e 0=M F=275+62.4×0.82314=0.14m基础边缘处的最大和最小净反力)0.414.061(0.20.42314)61(0max ,j min,j ⨯±⨯⨯=±=l e lb F pa a kP kP 99.34451.228=(4).基础高度(采用阶梯形基础)柱边基础截面抗冲切验算(见图2)图2 冲切验算简图(a )柱下冲切;(b )变阶处冲切m l 0.4=,m b 0.2=,m b c 5.0a c ==。
初步选定基础高度mm h 800=,分两个台阶,每阶高度均为400mm 。
mm h 750)1040(8000=+-=(有垫层)。
m b m h b 0.2275.025.02b b 0c ===⨯+=+=,取m b 2b =mm b m 1250220005002b b b t =+=+=因偏心受压,j p 取KPa p 99.349max ,j =冲切力:⎥⎥⎦⎤⎢⎢⎣⎡⎪⎪⎭⎫ ⎝⎛---⎪⎪⎭⎫ ⎝⎛--=200max ,j 2222h b b b h a l P F cc l⎥⎥⎦⎤⎢⎢⎣⎡⎪⎪⎭⎫ ⎝⎛---⨯⎪⎪⎭⎫ ⎝⎛--⨯=275.025.020.20.275.025.020.499.349KN 98.699=抗冲切力:75.0)75.05.0(1043.10.17.0)h b (7.0300c ⨯+⨯⨯⨯⨯=+h f t hp β KN KN 98.69984.938>=,满足(5).变阶处抗冲切验算基础分两级,下阶ℎ1=400mm ,ℎ01=400−50=350mm ,l 1≤12(l +a c )=12(4+0.5)=2.25m ,取l 1=2.2mb 1≤12(b +bc )=12(2+0.5)=1.25m ,取b 1=1.2mm b m h 0.295.135.022.12b 011=<=⨯+=+冲切力:⎥⎥⎦⎤⎢⎢⎣⎡⎪⎪⎭⎫ ⎝⎛---⎪⎪⎭⎫ ⎝⎛--=2011011max ,j 222l 2h b b b h l P F l⎥⎥⎦⎤⎢⎢⎣⎡⎪⎪⎭⎫ ⎝⎛---⨯⎪⎪⎭⎫ ⎝⎛--⨯=235.022.120.20.235.022.220.499.349KN 11.384=抗冲切力:35.055.11043.10.17.0b 7.0301⨯⨯⨯⨯⨯=h f m t hp βKN KN 11.38404.543>=,满足(6).配筋计算选用的HRB400级钢筋,2/360mm N f y =○1 基础长边方向 І-І截面(柱边) 柱边净反力:()min ,j max ,j min j ,j 2P P la l P P cⅠ-++= ()51.22899.3490.425.00.451.228-⨯⨯++=a KP 84.296=弯矩: M I =148[(P j ,max +P j ,I )+(2b +b c )+(P j ,max −P j ,I )b](l −a c )2=148[(349.99+296.84)×(2×2+0.5)+(349.99−296.84)×2]×(4−0.5)2m KN ⋅=97.769260,31697503609.01097.7699.0mm h f M A y ⅠIs =⨯⨯⨯== Ⅲ-Ⅲ 截面(变阶处)P j,Ш=228.51+4+2.22×4×(349.99−228.51)=322.66K P a M Ш=148[(P j ,max +P j ,Ш)+(2b +b 1)+(P j ,max −P j ,Ш)b](l −l 1)2 =148[(349.99+322.26)+(2×2+1.2)+(349.99−322.26)×2](4−2.2)2 m KN ⋅=19.2412601,21263503609.01019.2419.0mm h f M A y ⅢⅢs =⨯⨯⨯== 比较1,S A 和ⅢS A ,,应按1,S A 配筋,实际配21C 16@100则钢筋根数:2111002000=+=n ,2231694224mm mm A s ≥= ○2 基础短边方向 因为该基础受单向偏心荷载作用,所以,在基础短边方向的基底反力可按均匀分布计算,取:()()a n KP P P P 25.28951.22899.3492121min .j max .j =+⨯=+=Ⅱ-Ⅱ截面M Ⅱ=1P j (b −b c )2(2l +a c ) =124×289.25×(2−0.5)2×(2×4+0.5)= 230.5KN ·mA s ,Ⅱ=M Ⅱ0.9f y (ℎ0−d )=230.5×1060.9×360×(750−16)=969mm 2Ⅳ-Ⅳ截面M Ⅳ=1P j (b −b 1)2(2l +l 1) =124×289.25×(2−1.2)2×(2×4+2.2)=78.68KN ·mA s ,Ⅳ=M Ⅳ0.9f y (ℎ0−d )=78.68×1060.9×360×(350−16)=727mm 2按构造要求配筋21C 12@200则钢筋根数 2112004000=+=n ,229692375211.113mm mm A s >=⨯= 5.基础配筋大样图:见施工图③轴内柱下双柱联合基础设计 1.选用C30混泥土,HRB400级钢筋,采用双柱联合基础 2.选择基础埋置深度:(1.5m )3.确定地基承载力:f a =309.3KP a ,基础高度500mm4.确定荷载的合力和合力作用点(1)计算基底形心位置及基础长度(F k2=F 2k )mml KN 2400KN 4212221062F ,KN 2106156035.135.1122k 2F F F==⨯===⨯==,由 0=∑B M 有 120l F Fx = 得 l 0=(13~23)l 1=0.8~1.6m ,取 l 0=1.5m 以合力作用点作为基底的形心,则基底长度为 ()()m 4.55.12.12x 200=+⨯=+=l l 此时基底压力均匀分布(2)计算基础底面宽度 (荷载采用荷载效应标准组合) ()()m d f l G a 1.2725.1203.3094.531202b F k2=⨯-⨯=-=γ(3)计算基础内力基础沿纵向的净反力P j =F bl =42122.1×5.4=371.43KN /m 2 m KN P /78043.3711.2b j =⨯=由剪力为 0 的截面确定最大弯矩的截面位置,假定弯矩最大截面至基础左端距离为x 则2j b F x P V -=,当时0=V 有m b F x 7.27802106p j2=== 最大负弯矩 ()()m 9.3155.1-7.22106-7.278021212022j max ⋅=⨯⨯⨯=--='KN l x F x bp M 最大正弯矩 5.8775.17802121220j max =⨯⨯====l bp M M M C B KN ·m (4)确定基础高度抗冲切强度验算: 考虑沿柱全周边的冲切作用F l ≤0.7βℎp f t u m ℎ0取h=500mm ,ℎ0=500−(40+10)=450mm○1 柱1: 冲切力 1j 2l A p F F -= a kp bl F p 43.3711.24.54212j =⨯==破坏锥体实际底面积: ()()08.345.0250.045.0250.05.1220001=⨯+⨯⎪⎪⎭⎫ ⎝⎛++=+⎪⎪⎭⎫ ⎝⎛++=h b h a l A c c m 2 上下周边平均值:()35.5)45.05.0(45.0250.05.1222u 000=++⎪⎪⎭⎫ ⎝⎛++⨯=++⎪⎪⎭⎫ ⎝⎛++=h b h a l c c m m F l =2106−371.43×3.08=962KN0.7βℎp f t u m ℎ0=0.7×1.0×1430×5.35×0.45=2410KN >F l =962KN(可以)由于基础高度较大, 因此无需配置受剪钢筋○2 柱2的计算同柱1 ○3 抗冲切验算: 计算截面在冲切破坏锥体底面边缘处:07.0bh f V t c β≤KN h a l b F V c 39045.025.05.1780210621P 00j 2=⎪⎪⎭⎫ ⎝⎛++⨯-=⎪⎪⎭⎫ ⎝⎛++-= 满足>95.94545.01.21043.10.17.07.030VKN bh f t c =⨯⨯⨯⨯⨯=β 5.配筋计算○1 纵向钢筋 A. 底面配筋: 260max 60194503609.0105.8779.0mm h f M A y s =⨯⨯⨯== 钢筋根数: 2111001002100=+-=n 实际配筋: 226019>1.79821.38021mm mm A s =⨯= 满足即实配钢筋为21C 22@100B.顶面配筋 260max 21674503609.0109.3159.0mm h f M A y s =⨯⨯⨯='= 钢筋根数 2111001002100=+-=n 实际配筋 222167>9.3231mm mm A s = 满足即实配钢筋为21C 14@100○2 横向配筋 基础横向宽度为b ,在柱下取一垂直于基础纵向的假想等效梁进行计算。