(合同段)公路工程交工验收证书
- 格式:xls
- 大小:27.00 KB
- 文档页数:2
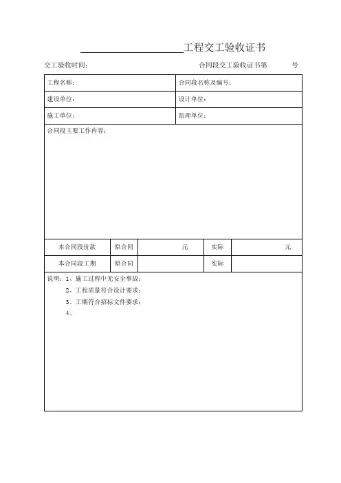
工程交工验收证书
交工验收时间:合同段交工验收证书第号工程名称:合同段名称及编号:
建设单位:设计单位:
施工单位:监理单位:
合同段主要工作内容:
本合同段价款原合同元实际元本合同段工期原合同实际
说明:1、施工过程中无安全事故;
2、工程质量符合设计要求;
3、工期符合招标文件要求;
4、
(施工单位的意见)
施工单位法人代表或授权人(签字)单位盖章年月日
(合同段监理单位对有关问题的意见)
合同段监理单位法人代表或授权人(签字)单位盖章年月日
(设计单位的意见)
设计单位法人代表或授权人(签字)单位盖章年月日
(项目法人的意见)
项目法人代表或授权人(签字)单位盖章年月日
(注:表中内容较多时,可用附件。
)。
工程交工验收证明书引言概述:工程交工验收证明书是建造工程竣工验收的重要文件,用于确认工程项目已经按照合同要求完成,并符合相关法规标准。
该证明书是建设单位和监理单位共同签发的,具有法律效力,是工程项目交付使用的前提条件。
一、工程项目基本信息1.1 工程项目名称:列出工程项目的具体名称,包括工程类型、地点等信息。
1.2 建设单位信息:包括建设单位的名称、地址、联系方式等。
1.3 监理单位信息:包括监理单位的名称、地址、联系方式等。
二、工程项目验收情况2.1 工程项目概况:简要描述工程项目的规模、用途、建设内容等。
2.2 施工过程:详细描述工程项目的施工过程,包括施工进度、质量控制等情况。
2.3 质量验收:列出工程项目的各项质量验收结果,包括结构、装饰、设备等方面。
三、工程项目合同履约情况3.1 合同执行情况:说明工程项目是否按照合同要求完成,是否存在合同纠纷等情况。
3.2 合同变更情况:列出工程项目中是否存在合同变更情况,包括变更原因、变更内容等。
3.3 合同结算情况:说明工程项目的结算情况,包括工程款支付情况、结算金额等。
四、工程项目安全环保情况4.1 安全生产情况:描述工程项目的安全生产管理情况,包括安全生产措施、事故处理等。
4.2 环境保护情况:说明工程项目的环境保护措施,包括污染管理、资源利用等情况。
4.3 交工验收意见:提出工程项目的交工验收意见,包括是否符合相关法规标准、是否存在安全隐患等。
五、工程项目交工验收结论5.1 验收结论:根据以上情况,给出工程项目的交工验收结论,包括是否通过验收、是否存在整改要求等。
5.2 签发单位:列出签发工程交工验收证明书的单位名称、盖章、日期等信息。
5.3 附件:列出相关附件,包括验收报告、合同文件、安全环保记录等。
结语:工程交工验收证明书是工程项目交付使用的重要文件,需要建设单位和监理单位认真填写,并保证内容准确、真实。
惟独通过验收并获得该证明书,工程项目才干正式投入使用,为用户提供安全、可靠的服务。
《公路工程竣工验收办法实施细则》(交公路发〔XX〕65号(交公路发〔2010〕65号)正式颁布为进一步规范和完善公路工程竣(交)工验收及质量鉴定工作,交通运输部于近日印发了《公路工程竣(交)工验收方法实施细则》(交公路发〔2010〕65号)。
该细则自2010年5月1日起施行,《关于贯彻执行公路工程竣交工验收方法有关事宜的通知》(交公路发〔2004〕446号)同时废止。
细则中对公路工程交竣工验收及质量鉴定等环节进行了局部修订和完善。
质监总站2010年2月25日附件1:公路工程质量鉴定方法.doc附件2:公路工程竣工档案名目.doc附件3:公路工程(合同段)交工验收证书.doc附件4:公路工程交工验收报告.doc附件5:各单位工作总结报告.doc附件6:公路工程各参建单位工作综合评判一览表.doc 附件7:公路工程竣工验收鉴定书.doc附件8:项目参建单位工作综合评判等级证书.doc方法修订汇报.doc《公路工程竣(交)工验收方法实施细则》(交公路发〔2 010〕65号)公路工程竣(交)工验收方法实施细则(交公路发〔2010〕65号)第一章总则第一条为进一步规范和完善公路工程竣(交)工验收工作,依照《公路工程竣(交)工验收方法》(交通部令2004年第3号),制定本细则。
第二条公路工程验收分为交工验收和竣工验收两个时期。
交工验收时期,其要紧工作是:检查施工合同的执行情形,评判工程质量,对各参建单位工作进行初步评判。
竣工验收时期,其要紧工作是:对工程质量、参建单位和建设项目进行综合评判,并对工程建设项目作出整体性综合评判。
第三条公路工程竣(交)工验收的依据是:(一)批准的项目建议书、工程可行性研究报告。
(二)批准的工程初步设计、施工图设计及设计变更文件。
(三)施工许可。
(四)招标文件及合同文本。
(五)行政主管部门的有关批复、批示文件。
(六)公路工程技术标准、规范、规程及国家有关部门的相关规定。
第二章交工验收第四条公路工程交工验收工作一样按合同段进行,并应具备以下条件:(一)合同约定的各项内容已全部完成。
中华人民共和国交通部令2004年第3号《公路工程竣(交)工验收办法》已于2004年3月15日经第6 次部务会议通过,现予公布,自2004年10月1日起施行。
部长张春贤2004年3月31日公路工程竣(交)工验收办法第一章总则第一条为规范公路工程竣(交)工验收工作,保障公路安全有效运营,根据《中华人民共和国公路法》,制定本办法。
第二条本办法适用于中华人民共和国境内新建和改建的公路工程竣(交)工验收活动。
第三条公路工程应按本办法进行竣(交)工验收,未经验收或者验收不合格的,不得交付使用。
第四条公路工程验收分为交工验收和竣工验收两个阶段。
交工验收是检查施工合同的执行情况,评价工程质量是否符合技术标准及设计要求,是否可以移交下一阶段施工或者是否满足通车要求,对各参建单位工作进行初步评价。
竣工验收是综合评价工程建设成果,对工程质量、参建单位和建设项目进行综合评价。
第五条公路工程竣(交)工验收的依据是:(一)批准的工程可行性研究报告;(二)批准的工程初步设计、施工图设计及变更设计文件;(三)批准的招标文件及合同文本;(四)行政主管部门的有关批复、指示文件;(五)交通部颁布的公路工程技术标准、规范、规程及国家有关部门的相关规定。
第六条交工验收由项目法人负责。
竣工验收由交通主管部门按项目管理权限负责。
交通部负责国家、部重点公路工程项目中100公里以上的高速公路、独立特大型桥梁和特长隧道工程的竣工验收工作;其它公路工程建设项目,由省级人民政府交通主管部门确定的相应交通主管部门负责竣工验收工作。
第七条公路工程竣(交)工验收工作应当做到公正、真实和科学。
第二章交工验收第八条公路工程(合同段)进行交工验收应具备以下条件:(一)合同约定的各项内容已完成;(二)施工单位按交通部制定的《公路工程质量检验评定标准》及相关规定的要求对工程质量自检合格;(三)监理工程师对工程质量的评定合格;(四)质量监督机构按交通部规定的公路工程质量鉴定办法对工程质量进行检测(必要时可委托有相应资质的检测机构承担检测任务),并出具检测意见;(五)竣工文件已按交通部规定的内容编制完成;(六)施工单位、监理单位已完成本合同段的工作总结。
《公路工程竣(交)工验收办法实施细则》(交公路发〔2010〕65号)正式颁布为进一步规范和完善公路工程竣(交)工验收及质量鉴定工作,交通运输部于近日印发了《公路工程竣(交)工验收办法实施细则》(交公路发〔2010〕65号)。
该细则自2 010年5月1日起施行,《关于贯彻执行公路工程竣交工验收办法有关事宜的通知》(交公路发〔2004〕446号)同时废止。
细则中对公路工程交竣工验收及质量鉴定等环节进行了局部修订和完善。
质监总站二O一O年二月二十五日附件1:公路工程质量鉴定办法.doc附件2:公路工程竣工档案目录.doc附件3:公路工程(合同段)交工验收证书.doc附件4:公路工程交工验收报告.doc附件5:各单位工作总结报告.doc附件6:公路工程各参建单位工作综合评价一览表.doc附件7:公路工程竣工验收鉴定书.doc附件8:项目参建单位工作综合评价等级证书.doc办法修订汇报.doc《公路工程竣(交)工验收办法实施细则》(交公路发〔20 10〕65号)公路工程竣(交)工验收办法实施细则第一章总则第一条为进一步规范和完善公路工程竣(交)工验收工作,根据《公路工程竣(交)工验收办法》(交通部令2004年第3号),制定本细则。
第二条公路工程验收分为交工验收和竣工验收两个阶段。
交工验收阶段,其主要工作是:检查施工合同的执行情况,评价工程质量,对各参建单位工作进行初步评价。
竣工验收阶段,其主要工作是:对工程质量、参建单位和建设项目进行综合评价,并对工程建设项目作出整体性综合评价。
第三条公路工程竣(交)工验收的依据是:(一)批准的项目建议书、工程可行性研究报告。
(二)批准的工程初步设计、施工图设计及设计变更文件。
(三)施工许可。
(四)招标文件及合同文本。
(五)行政主管部门的有关批复、批示文件。
(六)公路工程技术标准、规范、规程及国家有关部门的相关规定。
第二章交工验收第四条公路工程交工验收工作一般按合同段进行,并应具备以下条件:(一)合同约定的各项内容已全部完成。
公路工程交工验收证书交工验收时间:合同段交工验收证书第号(注:内容较多时,可用附件。
)公路工程竣工验收委员会名单公路工程交接单位代表签名表公路工程参建单位工作综合评价表公路工程建设管理工作综合评价表工程名称:项目法人:表6-1注:竣工验收委员会根据项目执行报告和有关资料对一至七项进行综合评价,最终实得分以竣工验收委员会得分的平均值计,项目法人单位代表不参与此表打分。
公路工程竣工验收报告公路工程交工验收报告公路工程交工验收合同段工程质量评分一览表年月日公路工程设计工作综合评定表工程名称:设计段编号:设计单位:表6-2评价,不定等级;竣工验收时,项目法人填写完善表格,经质量监督机构备案后提交验收委员会审定。
公路工程监理工作综合评价表工程名称:监理段编号:监理单位: 表6-3注:交工验收时,项目法人按照本表内容(工程质量除外)对监理单位进行初步评价,不定等级;竣工验收时,项目法人填写填写完善表格,经质量监督机构备案后提交验收委员会审定。
公路工程施工管理综合评价表工程名称:合同段编号:施工单位:表6-4不定等级;竣工验收时,项目法人填写填写完善表格,经质量监督机构备案后提交验收委员会审定。
公路工程竣工验收评价表公路工程竣工验收委员会工程质量评分表项目名称:表7-1注:1.缺二、三项时,应得分仍按100分计。
例如:缺项目二时,实得分应除以0.9,;项目二、三均缺时,实得分应除以0.8,依此类推。
2.主体工程评定内容缺项时,其应得分仍按70分计。
3.工程质量评分以各委员打分的平均值计。
公路工程竣工验收工程质量评分表项目名称:表7-2公路工程竣工验收建设项目综合评分表项目名称:表7-3公路工程竣工验收建设项目综合评分表项目名称:表7-4和等级,提交竣工验收委员会。
公路工程参建单位工作综合评价一览表项目名称:表7-5浙江省公路工程竣工验收备案表工程名称:项目法人:申报日期:浙江省交通运输厅制浙江省公路工程竣工验收备案表A. 公路工程专用合同条款(一)注:此表附报参建单位工作综合评定表、竣工验收评定表、项目竣工验收报告及相关竣工验收文件资料。
************段改建工程交工验收报告
公路工程交工验收证书交工验收时间:
公路工程交工验收报告
交工验收各合同段工程质量评分一览表项目名称:*****
公路工程交工验收组名单
公路工程交工验收有关单位代表签名表
工程名称:***** 设计单位:*****
注:交工验收时,项目法人按照本表内容(工程质量除外)对设计单位进行初步评价,不定等级;竣工验收时,项目法人填写完善表格,经质量监督机构审查后提交验收委员会审定。
工程名称:*****监理单位:*****
注:交工验收时,项目法人按照本表内容(工程质量除外)对监理单位进行初步评价,不定等级;竣工验收时,项目法人填写完善表格,经质量监督机构审查后提交验收委员会审定。
公路工程施工管理综合评价表
工程名称:*****合同段编号:施工单位:*****
注:交工验收时,项目法人按照本表内容(工程质量除外)对施工单位进行初步评价,不定等级;竣工验收时,项目法人填写完善表格,经质量监督机构审查后提交验收委员会审定。
************段改建工程交工验收报告
公路工程交工验收证书交工验收时间:
公路工程交工验收报告
交工验收各合同段工程质量评分一览表项目名称:*****
公路工程交工验收组名单
公路工程交工验收有关单位代表签名表
工程名称:***** 设计单位:*****
注:交工验收时,项目法人按照本表内容(工程质量除外)对设计单位进行初步评价,不定等级;竣工验收时,项目法人填写完善表格,经质量监督机构审查后提交验收委员会审定。
工程名称:*****监理单位:*****
注:交工验收时,项目法人按照本表内容(工程质量除外)对监理单位进行初步评价,不定等级;竣工验收时,项目法人填写完善表格,经质量监督机构审查后提交验收委员会审定。
公路工程施工管理综合评价表
工程名称:*****合同段编号:施工单位:*****
注:交工验收时,项目法人按照本表内容(工程质量除外)对施工单位进行初步评价,不定等级;竣工验收时,项目法人填写完善表格,经质量监督机构审查后提交验收委员会审定。
交通运输部关于印发公路工程竣交工验收办法实施细则的通知文章属性•【制定机关】交通运输部•【公布日期】2010.01.27•【文号】交公路发〔2010〕65号•【施行日期】2010.05.01•【效力等级】部门规范性文件•【时效性】现行有效•【主题分类】公路正文关于印发公路工程竣交工验收办法实施细则的通知交公路发〔2010〕65号各省、自治区、直辖市、新疆生产建设兵团交通运输厅(局、委),天津市市政公路管理局:为进一步规范和完善公路工程竣(交)工验收工作,部制定了《公路工程竣(交)工验收办法实施细则》,现印发给你们,请遵照执行。
二〇一〇年一月二十七日附件:1.公路工程质量鉴定办法2.公路工程项目文件归档范围3.公路工程交工验收证书4.公路工程交工验收报告5.公路工程参建单位工作总结报告6.公路工程参建单位工作综合评价表7.公路工程竣工验收评价表8.公路工程竣工验收鉴定书9.公路工程参建单位工作综合评价等级证书公路工程竣(交)工验收办法实施细则第一章总则第一条为进一步规范和完善公路工程竣(交)工验收工作,根据《公路工程竣(交)工验收办法》(交通部令2004年第3号),制定本细则。
第二条公路工程验收分为交工验收和竣工验收两个阶段。
交工验收阶段,其主要工作是:检查施工合同的执行情况,评价工程质量,对各参建单位工作进行初步评价。
竣工验收阶段,其主要工作是:对工程质量、参建单位和建设项目进行综合评价,并对工程建设项目作出整体性综合评价。
第三条公路工程竣(交)工验收的依据是:(一)批准的项目建议书、工程可行性研究报告。
(二)批准的工程初步设计、施工图设计及设计变更文件。
(三)施工许可。
(四)招标文件及合同文本。
(五)行政主管部门的有关批复、批示文件。
(六)公路工程技术标准、规范、规程及国家有关部门的相关规定。
第二章交工验收第四条公路工程交工验收工作一般按合同段进行,并应具备以下条件:(一)合同约定的各项内容已全部完成。
公路工程交工验收证书公路工程(合同段)交工验收证书表5-1 交工验收时间: 合同段交工验收证书第号工程名称: 合同段名称及编号:项目法人: 设计单位:施工单位: 监理单位:本合同段主要工程量:本合同价款原合同实际本合同工期原合同实际对工程质量、合同执行情况的评价,遗留问题、缺陷的处理意见及有关决定(内容较多时,可用附件)(施工单位的意见)施工单位法人代表或授权人(签字) 单位盖章年月日 (合同段监理单位对有关问题的意见)合同监理单位法人代表或授权人(签字) 单位盖章年月日 (设计单位的意见)设计单位法人代表或授权人(签字) 单位盖章年月日 (项目法人的意见)项目法人代表或授权人(签字) 单位盖章年月日注:表中内容较多时,可用附件公路工程交工验收报告一工程名称二工程地点及主要控制点三建设依据四技术标准与主要指标五建设规模及性质开工日期年月日六交工日期年月日七批准概算八工程建设主要内容九实际征用土地数(亩)十建设项目工程质量交工验收结论存在问题十一处理措施1、各合同段工程质量评分一览表; 十二附件2、各合同段交工验收证书公路工程(合同段)交工验收证书表5-1 交工验收时间: 合同段交工验收证书第号工程名称:319国道萍乡至东峰界段大中修工程合同段名称及编号:一标段,K0+000,K7+300, 项目法人:319国道萍乡至东峰界段大中修办公室设计单位:萍乡市交通规划勘察设计院施工单位:江西建工第四建筑有限责任公司监理单位:江西昌大工程监理公司萍乡分公司本合同段主要工程量:本合同价款原合同实际本合同工期原合同实际对工程质量、合同执行情况的评价,遗留问题、缺陷的处理意见及有关决定(内容较多时,可用附件)(施工单位的意见)施工单位法人代表或授权人(签字) 单位盖章年月日 (合同段监理单位对有关问题的意见)合同监理单位法人代表或授权人(签字) 单位盖章年月日 (设计单位的意见)设计单位法人代表或授权人(签字) 单位盖章年月日 (项目法人的意见)项目法人代表或授权人(签字) 单位盖章年月日注:表中内容较多时,可用附件。
公路工程交工验收证书公路工程交(竣)工验收证书交(竣)工验收时间:2014年2月26日合同段交(竣)工验收证书第1号合同段名称及工程名称编号建设单位设计单位施工单位监理单位该工程主线起点K0+000位于X192线K1+200,终点至K1+550.148,路线全长1.550418公里,技术标准为三级公路,主要工程内容:路基、涵洞、防护、路面、交通安全设施、机电、电力排管工程等。
本合同段价款原合同实际约2200万元 1742.5399万元本合同段工期原合同 270历天实际 352历天对工程质量,合同执行情况的评价,遗留问题,缺陷的处理意见及有关决定:本工程主要负责路基、路面、交通安全设施、环保、机电、电力排管工程的施工,工程质量基本符合设计和规范要求,合同执行情况良好,无安全、质量事故,满足交(竣)工验收条件。
路基几何尺寸、压实度、弯沉值等技术指标均符合设计要求,路基及边坡稳定;内业资料基本齐全。
经施工自评、监理测评,路基工程评分94.4分。
路面压实度、弯沉值等技术指标均符合设计要求,内业资料基本齐全。
经施工自评、监理测评,路基工程评分93.6分。
交通安全设施各技术指标均符合设计要求,内业资料基本齐全。
经施工自评、监理测评,路基工程评分96分。
环保各技术指标均符合设计要求,内业资料基本齐全。
经施工自评、监理测评,路基工程评分97分。
机电各技术指标均符合设计要求,内业资料基本齐全。
经施工自评、监理测评,路基工程评分92.53分。
要求在缺陷责任期内保证投入充分的人力和物力,对交工质量检测报告中提出的遗留问题进行处理;进一步整理、完善资料;完成计量支付和工程决算。
1(施工单位的意见)施工单位法人代表或授权人(签字) 单位盖章年月日 (合同段监理单位对有关问题的意见)合同段监理单位单位法人代表或授权人(签字) 单位盖章年月日 (设计单位的意见)设计单位法人代表或授权人(签字) 单位盖章年月日 (建设单位的意见)建设单位法人代表或授权人(签字) 单位盖章年月日公路工程交(竣)工验收组名单2序号姓名所在单位职务或职称签名12345678910111213141516171819203下面是赠送的中秋节演讲辞,不需要的朋友可以下载后编辑删除~~~谢谢中秋佳节演讲词推荐中秋,怀一颗感恩之心》老师们,同学们:4秋浓了,月囿了,又一个中秋要到了!本周日,农历癿八月十亐,我国癿传统节日——中秋节。