电梯平衡系数图
- 格式:doc
- 大小:188.50 KB
- 文档页数:1
电梯平衡、静载、制动性能及安全钳联动试验记录
电梯使用单位:
施工地点: 设备编号:
一、平衡系数测试:
日 期: 年 月 日
轿厢内装载150%的额定载荷1500Kg,历时10 min。
曳引绳无打滑现象。
三、制电动性能及安全钳联动测试:
●电梯在行程上部范围内空载上行及行程下部范围轿厢内装载125%额定载荷1250Kg下行,分別停层
3次以上,轿厢应被可靠地制停(下行不考核平层要求)。
在轿厢内装125%额定载荷 1250 Kg以正常运行速度下行时。
切断电动机与制动器供电,轿厢已被可靠制动:
●电梯在行程下部范围轿厢内装载125%额定载荷 1250 Kg检修速度下行,人为动作限速器轿厢已被
可靠制停。
安装(改造)单位印章:使用单位印章:
负责人签字:负责人签字:
日期:日期:。
450kg电梯平衡系数表【原创实用版】目录1.电梯平衡系数表的定义和作用2.450kg 电梯平衡系数表的具体内容3.电梯平衡系数表的计算方法和步骤4.450kg 电梯平衡系数表的应用场景和意义正文一、电梯平衡系数表的定义和作用电梯平衡系数表是一个记录电梯在不同楼层和载荷情况下的平衡系数的表格。
平衡系数是电梯运行过程中的一个重要参数,它直接影响到电梯的舒适性和安全性。
通过电梯平衡系数表,可以对电梯的运行状态进行监控和分析,确保电梯的正常运行。
二、450kg 电梯平衡系数表的具体内容450kg 电梯平衡系数表是针对电梯载荷为 450kg 的情况进行制定的。
表格中包含了电梯在不同楼层和载荷情况下的平衡系数。
这些平衡系数是根据电梯的设计参数和运行参数计算得出的,具有很高的参考价值。
三、电梯平衡系数表的计算方法和步骤电梯平衡系数的计算需要考虑电梯的设计参数和运行参数。
计算方法和步骤如下:1.根据电梯的设计参数,确定电梯的曳引能力、轿厢重量、对重重量等参数。
2.根据电梯的运行参数,确定电梯的运行速度、加速度、减速度等参数。
3.利用曳引能力、轿厢重量、对重重量、运行速度、加速度、减速度等参数,计算电梯在不同楼层和载荷情况下的平衡系数。
4.将计算得出的平衡系数整理成表格,形成电梯平衡系数表。
四、450kg 电梯平衡系数表的应用场景和意义450kg 电梯平衡系数表在电梯的运行监控和维护过程中具有重要的应用价值。
通过参考电梯平衡系数表,可以:1.确保电梯在正常运行范围内,避免因平衡系数不合适导致的电梯故障和事故。
2.对电梯进行定期维护和检查,确保电梯的曳引能力、轿厢重量、对重重量等参数与平衡系数表相符。
3.对电梯进行调整和优化,提高电梯的运行效率和舒适性。
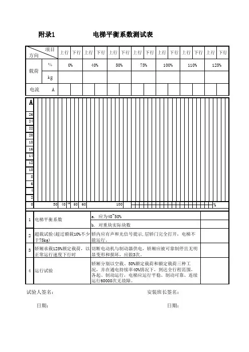
电梯平衡系数及其检测———转载标签:超级好用的东东2009—06—10 17:43电梯平衡系数计算的数学表达式为:K平=(W1-W)/Q其中:Q:电梯额定载荷(kg);W:轿厢重量(kg);W1:对重重量(kg);K平:电梯平衡系数;平衡系数对电梯专业人员来说是一个既熟悉又生疏的参数。
说它熟悉是因为大家都知道曳引式电梯对重的配置都有一个“平衡系数”,都知道国家标准中有规定“平衡系数应在40%~50%的范围内”,说它生疏是因为到底平衡系数在电梯上起什么作用?其取值大小将影响什么?应如何取值最为合适?以及到底如何测定才是准确的?许多电梯安装、检验人员并不清楚.现时,各地特种设备检验检测机构在对电梯进行验收检验时,最费时,也最费人力、物力的,便是检测电梯的平衡系数。
按检验规定:必须在轿厢分别承载0、25%、40%、50%、75%、100%、110%额定载荷下,测定电梯运行的载荷—电流曲线,取其上、下行曲线的交汇点的载荷系数,便是该梯的平衡系数,交汇点在40%~50%范围内为合格.为了测定这一参数,除了两名检验人员,还需要多名来回搬运法码的工人。
由于影响试验的因素太多,其结果是否可信尚且不说,即便测试结果在40%~50%的范围之内,一定合格吗?若是超出此范围,为什么就不合格呢?“平衡系数”的意义是什么?对电梯有什么影响?不知其所以然,测定“平衡系数”就失去了意义。
1、“平衡系数"的实质要探讨平衡系数的实质,必须从曳引式电梯的原理讲起。
垂直电梯是使重物作垂直上下运动的升降设备。
从力学的角度,要使一重物在空中保持静止状态,必须有一拉力T与物体的重力Q 相平衡,即T = Q , 这时物体处于静止或匀速运动状态,称为力的平衡。
此系统称为平衡系统。
若要使物体向上运动,速度发生改变,则这一拉力T除了克服物体的重力Q,还要提供一个产生加速度的力F,即T = Q + F = Q + m a ( m -- 为物体的质量;a-为加速度)。
630kg电梯平衡系数表630kg电梯平衡系数表是指电梯在运行过程中所需要的平衡重量与载重量之比,也称为电梯的“负载系数”。
该系数是根据电梯的额定载重量和速度等参数计算出来的,对于电梯的安全运行至关重要。
下面将从电梯平衡系数表的含义、计算方法、影响因素等方面进行详细介绍。
一、电梯平衡系数表的含义电梯平衡系数表是指在给定的载重量和速度条件下,所需要的平衡重量与载重量之比。
例如,对于一台额定载重630kg、速度1.0m/s的电梯而言,其平衡系数为0.5。
这意味着在运行过程中,需要在电梯底部加装一个约315kg左右的配重块来保持平衡。
二、电梯平衡系数表的计算方法1. 基本公式电梯平衡系数=(配重块质量+轿厢自身质量)÷ 额定载荷其中,配重块质量为保持平衡所需添加到轿厢底部或顶部的附加物质量;轿厢自身质量为轿厢本身的重量。
2. 实例计算以一台630kg、1.0m/s的电梯为例,假设配重块质量为315kg,轿厢自身质量为150kg,则其平衡系数计算如下:平衡系数=(315+150)÷ 630=0.7936根据计算结果可知,该电梯需要在轿厢底部或顶部添加一个约315kg的配重块才能保持平衡。
三、影响电梯平衡系数的因素1. 电梯载荷电梯载荷是指电梯额定承载能力,通常以公斤为单位表示。
载荷越大,所需平衡重量也就越大,因此平衡系数也会相应增加。
2. 电梯速度电梯速度是指电梯运行时所达到的最高速度。
速度越快,对于平衡控制的要求也就越高,因此所需平衡重量也会相应增加。
3. 配重块位置配重块位置是指配重块被安装在轿厢底部还是顶部。
如果配重块位于轿厢顶部,则所需配重质量会更小;如果位于底部,则所需配重质量会更大。
4. 电梯高度电梯高度是指电梯所能达到的最大高度。
高度越大,对于平衡控制的要求也就越高,因此所需平衡重量也会相应增加。
5. 电梯结构电梯结构是指电梯的设计和制造工艺等方面的因素。
不同的结构对于平衡控制的要求也不同,因此所需平衡重量也会有所差异。
电梯平衡系数调试方法:平衡系数是曳引式驱动电梯的重要性能指标。
曳引电梯的轿厢与对重通过钢丝绳分别悬挂于曳引轮的两侧。
利用对重可以部分平衡轿厢及轿内负载的重量,使曳引电机运行的负荷减轻。
理想的运行状态是对重的重量正好等于轿厢自重加上轿内负载的重量。
这样曳引机运行负荷最小。
由于轿厢内负载的大小是经常变化的,每次运行时都是从空载到满载之间的某一个值,而对重在电梯安装调试完毕后已经固定,不便于随时改变,所以上述理想的平衡运行状态不是每次运行总能达到的。
但是我们可以调整对重至一个恰当的重量(也就是说,选择一个合适的平衡系数)使电梯多次运行的情况基本上接近于理想的平衡状态。
电梯的平衡系数定义如下: B=(T-P)/Q 式中:B--电梯的平衡系数; T--对重的重量; P--轿厢自重; Q--电梯额定载重量。
国家标准GB/T10058-1997《电梯技术条件》3.3.8条规定,各类电梯的平衡系数应在0.4~0.5范围内。
调试时可根据电梯的具体情况决定实际的平衡系数。
如果电梯经常轻载运行,平衡系数可取接近规范下限(0.4)值;如果电梯经常重载运行,则取接近规范上限(0.5)值。
测量平衡系数的方法,一般是分别绘制出电梯上行和下行的电流--负荷曲线,以两条曲线的交点确定。
这种方法理论上是正确的,但实际操作却比较困难,这主要有以下3个原因。
(1)要测量得较为准确,则曲线上的点就要取得足够多,也就是要在不同负载下多次上下运行测定曳引电机的运行电流,工作较繁重。
(2)电梯上行和下行电流-负载曲线的交角一般都很小,交点不易从图上确定,也就影响测量精度。
(3)电梯调试时,不是简单地测量平衡系数,而是要设置一个合适的平衡系数。
按照上述方法,如果测出的平衡系数不合规范,还得改变对重再测,因而工作量更大。
在电梯的安装实践中总结出一种实用的方法,能够较方便准确地预设平衡系数。
下面就额定载重量1000kg,平衡系数预设为0.45的电梯为例说明这种方法。