预拌砂浆与现场搅拌对应关系表
- 格式:xls
- 大小:23.00 KB
- 文档页数:2
预拌砂浆与传统建筑砂浆的对应关系一、建筑砂浆抗压强度等级划分传统建筑砂浆是按材料的比例设计的,而预拌砂浆是按抗压强度等级划分的,为方便工程造价人员计价,现给出预拌砂浆与传统砂浆对应关系供参考。
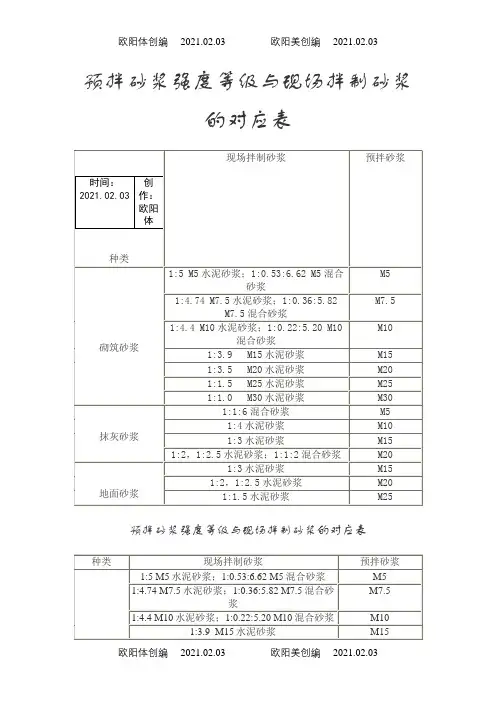
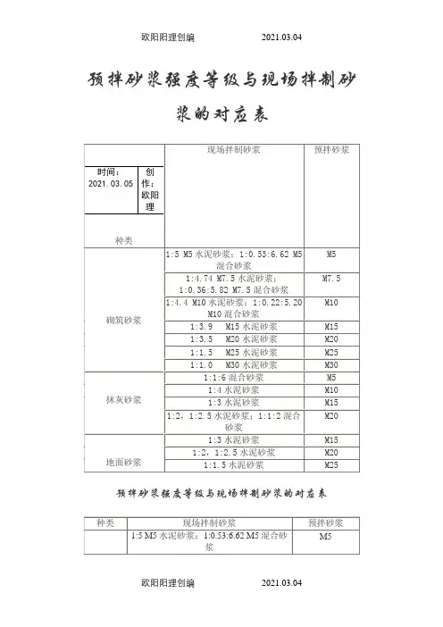
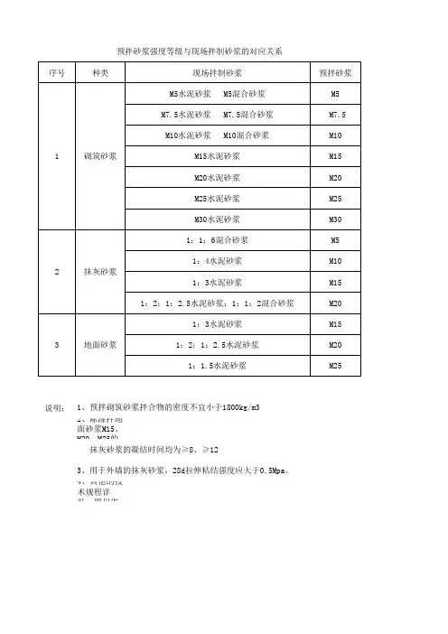
品种预拌砂浆传统砂浆砌筑砂浆DM M5、WM5 M2.5、M5混合砂浆;M2.5、M5水泥砂浆DM M7.5、WM7.5 M7.5混合砂浆;M7.5水泥砂浆DM M10、WM10 M10混合砂浆;M10水泥砂浆DM M15、WM15 M15水泥砂浆DM M20、WM20 M20水泥砂浆抹灰砂浆DP M5、WP5 1:1:6、1:1:5、1:2:1、1:2:3、1:2:6、1:3:9混合砂浆DP M10、WP10 1:1:4混合砂浆DP M15、WP15 1:1:3混合砂浆;1:3、1:4水泥砂浆DP M20、WP20 1:1:2、1:1:1、1:0.5: 5、1:0.5:4、1:0.5:3、1:0.5:2、1:0.5:1、1:0.3:3、1:0.2:2混合砂浆;1:1、1:1.5、1:2、1:2.5水泥砂浆地面砂浆DS M15、WS15 1:1:3混合砂浆;1:3、1:4水泥砂浆DS M20、WS20 1:1:2、1:1:1、1:0.5: 5、1:0.5:4、1:0.5:3、1:0.5:2、1:0.5:1、1:0.3:3、1:0.2:2混合砂浆;1:1、1:1.5、1:2、1:2.5水泥砂浆备注:其它砂浆可根据强度和性能要求,选用相应的预拌砂浆。
二、砂浆代号的意义:1、砂浆(Mortar):按照应用形式可以分为预拌砂浆(商品砂浆)与现场拌合砂浆两类;按照所用胶凝材料可以分为水泥类、石膏类、石灰类、水玻璃类和磷酸盐类;按照使用功能大致分为结构性砂浆、功能性砂浆与装饰性砂浆,其中结构性砂浆用于砌筑、抹灰、粘接、锚固、界面处理、非承重构件等,可以按照抗压强度分为不同的强度标号;功能性砂浆可以用于保温、防火、防水、修补等;装饰性砂浆可以用于外墙、内墙、地面等;按照施工方法又可以分为手工镘抹和机械喷涂。
预拌(干混)砂浆与现场自拌砂浆的比较一、预拌(干混)砂浆与传统砂浆的对应关系表种类预拌(干混)砂浆传统砂浆砌筑砂浆DMM5.0DMM7.5DMM10.0M5混合砂浆、M5水泥砂浆M7.5混合砂浆、M7.5水泥砂浆M10.0混合砂浆、M10.0水泥砂浆抹灰砂浆DPM5.0DPM10.0DPM15.0DPM20.01:1:6混合砂浆、1:1:4混合砂浆、1:3 水泥砂浆、1:2 水泥砂浆地面砂浆DSM15.0DSM20.01:3 水泥砂浆、1:2 水泥砂浆二、预拌(干混)砂浆与现场自拌砂浆本质区别1.现场自拌砂浆(1)产品质量控制: 无专业实验室,砂浆配方取得不科学;砂浆生产过程缺乏监控,原材料质量及砂浆成品质量无保障;无专业计量设备,导致实际生产配方偏离大加上混合设备混合方式落后(多为搅拌机),砂浆质量无法始终如一;基本不掺外加剂(掺外加剂的,品种选择也不一定对),无法根据现场施工需要配制专用砂浆。
(2)砂浆施工性能:和易性差,施工性不好;无法进行机械化施工,只能手工施工,导致施工效率低下,是建筑业走向现代化的巨大障碍;砂浆质量不稳定,导致空鼓、色差、开裂等现象随处可见。
(3)施工环境:材料露天堆放,占地面积大,灰砂扬尘无法控制,无法真正做到文明施工;现场搅拌数量难控制,浪费大,不利于建设节约型社会。
2.预拌(干混)砂浆(1)产品质量控制:专业实验室(配备专业技术人员和实验设备)提供精确砂浆配方,并对砂浆生产进行全过程监控,生产所用原材料及出厂产品质量有保障;工厂化生产(专业计量设备、混合设备)能确保砂浆质量始终如一;专业外加剂配制专用砂浆,完全符合现场施工需要。
(2)砂浆施工性能:和易性好,易于施工;砂浆质量稳定可靠,可基本杜绝常见的空鼓、色差、开裂等砂浆“病”;适宜于机械化施工可大幅提高施工效率。
(3)施工环境:密封运输、密封储存,杜绝“滴跑漏冒”;精确搅拌使用,用多少搅多少,绝无浪费;无须材料堆场,占地面积小,真正做到文明施工。
预拌(干混)砂浆与现场自拌砂浆的比较二、预拌(干混)砂浆与现场自拌砂浆本质区别1.现场自拌砂浆(1)产品质量控制: 无专业实验室,砂浆配方取得不科学;砂浆生产过程缺乏监控,原材料质量及砂浆成品质量无保障;无专业计量设备,导致实际生产配方偏离大加上混合设备混合方式落后(多为搅拌机),砂浆质量无法始终如一;基本不掺外加剂(掺外加剂的,品种选择也不一定对),无法根据现场施工需要配制专用砂浆。
(2)砂浆施工性能:和易性差,施工性不好;无法进行机械化施工,只能手工施工,导致施工效率低下,是建筑业走向现代化的巨大障碍;砂浆质量不稳定,导致空鼓、色差、开裂等现象随处可见。
(3)施工环境:材料露天堆放,占地面积大,灰砂扬尘无法控制,无法真正做到文明施工;现场搅拌数量难控制,浪费大,不利于建设节约型社会。
2.预拌(干混)砂浆(1)产品质量控制:专业实验室(配备专业技术人员和实验设备)提供精确砂浆配方,并对砂浆生产进行全过程监控,生产所用原材料及出厂产品质量有保障;工厂化生产(专业计量设备、混合设备)能确保砂浆质量始终如一;专业外加剂配制专用砂浆,完全符合现场施工需要。
(2)砂浆施工性能:和易性好,易于施工;砂浆质量稳定可靠,可基本杜绝常见的空鼓、色差、开裂等砂浆“病”;适宜于机械化施工可大幅提高施工效率。
(3)施工环境:密封运输、密封储存,杜绝“滴跑漏冒”;精确搅拌使用,用多少搅多少,绝无浪费;无须材料堆场,占地面积小,真正做到文明施工。
三、预拌(干混)砂浆给工程带来的隐形效益1、给建设单位带来的效益(1)提高施工单位的施工效率,从而缩短整个工程的施工周期,即可以让建设单位早日得到投资收益,并减轻相应的财务负担。
(2)预拌(干混)砂浆的使用可以让建设单位对建筑材料的资金用量更加容易把握,即资金用在明处,用的放心。
(3)使用预拌(干混)砂浆可以减少抹灰层厚度,即可减少建筑物结构自重,也可增加建筑物使用面积(0.5%~1%),增加单位建筑面积收益。
预拌砂浆与自拌砂浆的分析比较标准化工作室编码[XX968T-XX89628-XJ668-XT689N]预拌(干混)砂浆与现场自拌砂浆的比较一、预拌(干混)砂浆与传统砂浆的对应关系表(详03节能定额P141)二、预拌(干混)砂浆与现场自拌砂浆本质区别1.现场自拌砂浆(1)产品质量控制: 无专业实验室,砂浆配方取得不科学;砂浆生产过程缺乏监控,原材料质量及砂浆成品质量无保障;无专业计量设备,导致实际生产配方偏离大加上混合设备混合方式落后(多为搅拌机),砂浆质量无法始终如一;基本不掺外加剂(掺外加剂的,品种选择也不一定对),无法根据现场施工需要配制专用砂浆。
(2)砂浆施工性能:和易性差,施工性不好;无法进行机械化施工,只能手工施工,导致施工效率低下,是建筑业走向现代化的巨大障碍;砂浆质量不稳定,导致空鼓、色差、开裂等现象随处可见。
(3)施工环境:材料露天堆放,占地面积大,灰砂扬尘无法控制,无法真正做到文明施工;现场搅拌数量难控制,浪费大,不利于建设节约型社会。
2.预拌(干混)砂浆(1)产品质量控制:专业实验室(配备专业技术人员和实验设备)提供精确砂浆配方,并对砂浆生产进行全过程监控,生产所用原材料及出厂产品质量有保障;工厂化生产(专业计量设备、混合设备)能确保砂浆质量始终如一;专业外加剂配制专用砂浆,完全符合现场施工需要。
(2)砂浆施工性能:和易性好,易于施工;砂浆质量稳定可靠,可基本杜绝常见的空鼓、色差、开裂等砂浆“病”;适宜于机械化施工可大幅提高施工效率。
(3)施工环境:密封运输、密封储存,杜绝“滴跑漏冒”;精确搅拌使用,用多少搅多少,绝无浪费;无须材料堆场,占地面积小,真正做到文明施工。
三、预拌(干混)砂浆给工程带来的隐形效益1、给建设单位带来的效益(1)提高施工单位的施工效率,从而缩短整个工程的施工周期,即可以让建设单位早日得到投资收益,并减轻相应的财务负担。
(2)预拌(干混)砂浆的使用可以让建设单位对建筑材料的资金用量更加容易把握,即资金用在明处,用的放心。
预拌(干混)砂浆与现场自拌砂浆的比较二、预拌(干混)砂浆与现场自拌砂浆本质区别1.现场自拌砂浆(1)产品质量控制: 无专业实验室,砂浆配方取得不科学;砂浆生产过程缺乏监控,原材料质量及砂浆成品质量无保障;无专业计量设备,导致实际生产配方偏离大加上混合设备混合方式落后(多为搅拌机),砂浆质量无法始终如一;基本不掺外加剂(掺外加剂的,品种选择也不一定对),无法根据现场施工需要配制专用砂浆。
(2)砂浆施工性能:和易性差,施工性不好;无法进行机械化施工,只能手工施工,导致施工效率低下,是建筑业走向现代化的巨大障碍;砂浆质量不稳定,导致空鼓、色差、开裂等现象随处可见。
(3)施工环境:材料露天堆放,占地面积大,灰砂扬尘无法控制,无法真正做到文明施工;现场搅拌数量难控制,浪费大,不利于建设节约型社会。
2.预拌(干混)砂浆(1)产品质量控制:专业实验室(配备专业技术人员和实验设备)提供精确砂浆配方,并对砂浆生产进行全过程监控,生产所用原材料及出厂产品质量有保障;工厂化生产(专业计量设备、混合设备)能确保砂浆质量始终如一;专业外加剂配制专用砂浆,完全符合现场施工需要。
(2)砂浆施工性能:和易性好,易于施工;砂浆质量稳定可靠,可基本杜绝常见的空鼓、色差、开裂等砂浆“病”;适宜于机械化施工可大幅提高施工效率。
(3)施工环境:密封运输、密封储存,杜绝“滴跑漏冒”;精确搅拌使用,用多少搅多少,绝无浪费;无须材料堆场,占地面积小,真正做到文明施工。
三、预拌(干混)砂浆给工程带来的隐形效益1、给建设单位带来的效益(1)提高施工单位的施工效率,从而缩短整个工程的施工周期,即可以让建设单位早日得到投资收益,并减轻相应的财务负担。
(2)预拌(干混)砂浆的使用可以让建设单位对建筑材料的资金用量更加容易把握,即资金用在明处,用的放心。
(3)使用预拌(干混)砂浆可以减少抹灰层厚度,即可减少建筑物结构自重,也可增加建筑物使用面积(0.5%~1%),增加单位建筑面积收益。
预拌(干混)砂浆与现场自拌砂浆的比较一、预拌(干混)砂浆与传统砂浆的对应关系表二、预拌(干混)砂浆与现场自拌砂浆本质区别1.现场自拌砂浆(1)产品质量控制: 无专业实验室,砂浆配方取得不科学;砂浆生产过程缺乏监控,原材料质量及砂浆成品质量无保障;无专业计量设备,导致实际生产配方偏离大加上混合设备混合方式落后(多为搅拌机),砂浆质量无法始终如一;基本不掺外加剂(掺外加剂的,品种选择也不一定对),无法根据现场施工需要配制专用砂浆。
(2)砂浆施工性能:和易性差,施工性不好;无法进行机械化施工,只能手工施工,导致施工效率低下,是建筑业走向现代化的巨大障碍;砂浆质量不稳定,导致空鼓、色差、开裂等现象随处可见。
(3)施工环境:材料露天堆放,占地面积大,灰砂扬尘无法控制,无法真正做到文明施工;现场搅拌数量难控制,浪费大,不利于建设节约型社会。
2.预拌(干混)砂浆(1)产品质量控制:专业实验室(配备专业技术人员和实验设备)提供精确砂浆配方,并对砂浆生产进行全过程监控,生产所用原材料及出厂产品质量有保障;工厂化生产(专业计量设备、混合设备)能确保砂浆质量始终如一;专业外加剂配制专用砂浆,完全符合现场施工需要。
(2)砂浆施工性能:和易性好,易于施工;砂浆质量稳定可靠,可基本杜绝常见的空鼓、色差、开裂等砂浆“病”;适宜于机械化施工可大幅提高施工效率。
(3)施工环境:密封运输、密封储存,杜绝“滴跑漏冒”;精确搅拌使用,用多少搅多少,绝无浪费;无须材料堆场,占地面积小,真正做到文明施工。
三、预拌(干混)砂浆给工程带来的隐形效益1、给建设单位带来的效益(1)提高施工单位的施工效率,从而缩短整个工程的施工周期,即可以让建设单位早日得到投资收益,并减轻相应的财务负担。
(2)预拌(干混)砂浆的使用可以让建设单位对建筑材料的资金用量更加容易把握,即资金用在明处,用的放心。
(3)使用预拌(干混)砂浆可以减少抹灰层厚度,即可减少建筑物结构自重,也可增加建筑物使用面积(0.5%~1%),增加单位建筑面积收益。