高压设备维护费用明细表
- 格式:xls
- 大小:12.50 KB
- 文档页数:1
维护消防设备的报价单样本尊敬的客户,感谢贵单位对消防设备维护工作的关注。
以下为我们为您提供的消防设备维护报价单样本,详细列出了各项服务内容及报价。
请您仔细阅读,如有任何疑问或需要进一步了解,请随时与我们联系。
一、维护项目1. 设备检查与维护- 检查消防泵、消防水带、消防枪等设备的工作状态- 检查消防报警系统、喷淋系统、疏散指示系统等设备的功能性- 检查消防通道、安全出口的畅通情况- 检查消防设备的接地、绝缘等安全性能2. 设备保养与更换- 对消防泵、消防水带、消防枪等设备进行定期保养- 定期更换消防设备的损耗件,如消防水带、消防枪喷嘴等- 对消防报警系统、喷淋系统、疏散指示系统等设备进行保养与更换3. 消防培训与演练- 提供专业的消防培训课程,包括消防知识、消防器材使用方法等- 组织消防演练,提高员工的消防安全意识和应急反应能力4. 消防设计与升级- 根据单位实际情况,提供消防系统设计方案- 针对现有消防设备进行升级改造,提高设备性能和安全性二、报价明细1. 设备检查与维护:人民币 1000 元/次2. 设备保养与更换:人民币 2000 元/次3. 消防培训与演练:人民币 1500 元/场4. 消防设计与升级:根据项目规模和需求,具体报价请联系我们三、服务周期与付款方式1. 服务周期:本报价单所列项目均可根据客户需求进行定期或不定期的服务。
2. 付款方式:双方签订合同后,客户按服务完成情况进行付款。
四、其他说明1. 报价有效期:本报价单有效期为30 天,自签发之日起计算。
2. 如需提供详细的项目实施方案和技术参数,请在报价单有效期内与我们联系。
3. 如有特殊需求,双方可进行协商,调整报价和服务内容。
我们期待与您的合作,共同保障消防安全,为您的单位创造一个安全稳定的工作环境。
如有任何疑问,请随时与我们联系。
此致,敬礼![公司名称][联系人] [联系电话] [电子邮箱] [日期]。
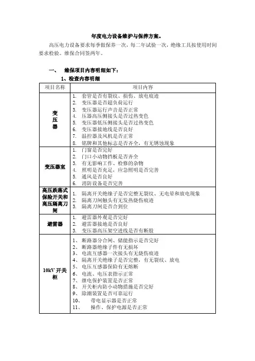
年度电力设备维护与保养方案。
高压电力设备要求每季做保养一次,每二年试验一次,绝缘工具按使用时间要求检验。
维保合同签两年。
一、维保项目内容明细如下:
1、检查内容明细
2、消除设备缺陷与隐患处置。
对设备存在的隐患与缺陷,进行整改,维修,保证设备安全稳定运行。
3、 24小时报障与抢修服务。
对突发的用电设备故障,进行24小时上门抢修服务。
确保18:00—18:00出现问题 2 小时内到现场,及时进行处理。
18:00—次日8:00出现问题4小时内到现场。
4、处理与当地用电管理部门的沟通,协助解决问题。
二、台商大厦高压设备维保检测报价表
注:每月维保含500元内配件
三、更换绝缘工具报价。
*****设备液压系统的维护要求报价
由于我厂生产任务紧,因此全部检修工作需在现场进行,我厂安排专人配合,按所列要求监督并进行现场验收,总计10套液压系统,要求如下:
一、液压站维修(价格:每台XXX元x10台=XXX元)
清理高压油泵,联轴器、电机、溢流阀、换向阀、调速阀、更换密封件,组装;清洗油箱、更换油箱密封件、更换过滤器滤芯;组装试车
二、油缸维修(价格:每套XXX元x10=XXX元)
清洁油缸安装基础底部油污、杂物,使工作人员能在底部工作清洗油缸。
拆卸油缸各部件,检查液压杆是否有损伤,如有则维修,清洗各部位并更换全部密封件(德国迈克尔密封件),清洗油缸缸筒,保证缸筒底部清洗干净。
三、清洗料盘导向杆并加油;(价格:XXX元x10=XXX元)
四、如油缸无支架支撑,补做支架将油缸支持,保证油缸的平稳性;(保证油缸运动平稳不是有无支架的原因,不需要做支架,如一定要做按支架重量计价:每吨XXX元)
五、负责调平料盘轨道,防止料盘出料时落在不平整的轨道上,造成产品损坏;(价格:XXX元x10=XXX元)
六、调整轨道限位装置,使得料盘止于限位装置,料盘与炉口配合合理;
(价格:XXX元x10=XXX元)
合计报价:每套单价:XXX元10套合计:XXX(XXX元);(支架费用按实际重量另计)本报价含增值税。
保证满足验收要求:
一、液压站、油缸各部位无渗漏现象;
二、液压杆运行平稳,上下行动自如,无抖动现象;
三、现场进行压力测试(原出厂压力)、换向测试;
四、检查各部分是否按要求所做,是否合格;
XXX公司姓名
时间
电话。
电力系统设施维修保养报价清单---一、服务概述本文档是针对电力系统设施维修保养所提供的报价清单。
我们的服务包括维修和保养电力系统设施,确保其正常运行和延长使用寿命。
---二、维修保养项目1. 检查和测试电力系统设施- 对电力系统设施进行全面检查和测试,包括发电机、变压器、开关设备等。
- 检查设备的电气连线,确保其正常连接和导电性能。
- 测试设备的功率输出和负载容量,以确保其满足运行需求。
2. 清洁和润滑设备- 使用专业设备和清洁剂对设备进行彻底清洁,包括除尘、除污、除锈等。
- 为设备的移动部件和机械部件增加润滑剂,以减少磨损和摩擦。
3. 替换损坏和老化部件- 对出现损坏或老化的电力系统设施部件进行更换,确保其正常工作和安全性能。
- 选择优质的配件和材料,以提高设备的可靠性和耐用性。
4. 校准和调整设备参数- 对电力系统设施进行校准和调整,以保证其工作稳定和效率。
- 根据需要修改设备的参数设置,以适应不同的工作条件和需求。
5. 测试和验证维修效果- 在维修和保养完成后,进行全面的测试和验证,确保设备的运行正常和性能稳定。
- 检查设备的工作参数和输出结果,与标准数值进行对比和确认。
---三、报价明细项目名称:电力系统设施维修保养---四、报价说明- 以上报价未包含设备部件更换和材料费用,具体费用将根据实际情况而定。
- 报价有效期为30天,超过有效期需要重新报价。
- 如需进一步了解服务细节和商讨具体报价,请与我们联系。
---本文档所提供的电力系统设施维修保养报价清单仅供参考。
具体报价将根据实际情况和要求进行商谈和确定。
请您联系我们以获取详细信息和具体报价。
*以上为报价清单内容,谢谢!*。
设备维修保养明细
设备维修保养存在的问题
1.1#空气源出保,补水泵运转声音过大,需要维修,2台大约需要1500元(其中不包含人工费用),3台循环泵由于出保时间较长,轴承损坏,购买配件大约需要5000元(其中不包含人工费用),空气源所有阀门需要维修包养大约需要5000元。
2.地源机组出保,6台循环泵需要维修,购买配件需要8000元(其中不包含人工费用),地源所有阀门需要维修保养以及管道除锈刷漆,大约需要10000元。
3.洗衣机,电茶炉出保,维修保养需要5000元。
日常维修保养存在的问题
1.门锁出现损坏需要维修保养大约需要30000元。
2.脚踏阀损坏大约需要12000元。
3.隔断门滑轮大约需要15000元。
4.排气扇损坏需要10000元。
5.风机损坏需要20000元。
6.宿舍灯、走廊灯损坏需要30000元。
设备维护费用报价单模板
一、报价单概述
感谢贵公司对我们维护服务的关注。
以下是我们为贵公司提供
的设备维护费用报价单,详细列出了各项维护服务的费用。
我们承诺,我们的报价是基于市场价格的竞争力的,同时也保证服务质量。
二、报价单明细
三、报价有效期
本报价单的有效期为30天,自报价单生成之日起计算。
若贵
公司在报价单有效期内对我们的维护服务有兴趣,请回复本报价单,我们将尽快与您取得联系。
四、付款方式
我们接受的付款方式有:银行转账、支付宝、微信支付。
请在
合同签订后,按照我们的财务要求进行付款。
五、其他说明
1. 报价不包括税金,如需,请提前告知。
2. 设备维护服务的时间安排将根据贵公司的实际情况协商确定。
3. 如贵公司在维护服务过程中有特殊需求,请及时与我们沟通,我们将尽力满足。
我们期待与贵公司的合作,如有任何疑问,请随时与我们联系。
此致
敬礼!
[贵公司名称] [贵公司地址] [贵公司联系方式] [报价日期]。
高压维保项目费用标准
高压维保项目费用标准通常根据以下几个因素确定:
1. 设备类型和规模:不同类型和规模的高压设备需要不同程度的维护工作,因此费用也会有所不同。
2. 维保范围和频率:如果维保范围包括更多的项目和更频繁的维护频率,费用可能会相对较高。
3. 维保时长:维保项目的时长也会影响费用。
一般来说,较长的维保时长可能会导致费用较高。
4. 维保人员资质:维保人员的资质和经验水平也会影响费用。
高级技术人员的费用通常较高。
5. 其他费用:除了维保工作本身外,还可能涉及一些其他费用,如材料费、交通费等。
由于每个项目的具体情况不同,因此费用标准可能会有所变化。
具体的费用应根据项目的具体需求和合同约定来确定。
设备维护费用九大类明细
以下是设备维护费用的九大类明细,用于详细列出设备维护所涉及的各项费用。
1. 设备维修费用:包括设备故障修理所需的材料费用和人工费用。
2. 设备更换费用:针对无法修理的设备,需要进行更换,所涉及的费用包括新设备的购买费用、拆卸和安装费用等。
3. 设备保养费用:设备的定期保养和维护所需的费用,包括检查、清洁、润滑等。
4. 设备巡检费用:定期对设备进行巡检,发现并修复潜在问题所需的费用。
5. 设备备件费用:用于购买设备备件,以备设备故障时更换使用。
6. 设备试运行费用:新购买的设备需要进行试运行以确保正常工作,所需的费用包括试运行人员的工资、能源费用等。
7. 设备检测费用:对设备进行定期性能检测以确保设备正常运行,所需的费用包括检测人员费用、检测设备费用等。
8. 设备培训费用:为操作设备的员工进行培训所需的费用,包括培训师的费用、培训设备的费用等。
9. 设备改进费用:对设备进行改进和升级所需的费用,包括改进方案的研发费用、改进材料费用等。
以上是设备维护费用的九大类明细,用于详细列出设备维护所涉及的各项费用。
这些明细可以帮助管理者更好地控制和安排设备维护预算。
电力工程维修方案报价一、维修项目简介本次电力工程维修项目涉及电力设备的维修与检测,包括变压器、开关设备、配电设备等。
下面我们将分别对各个维修项目进行详细介绍和报价。
二、变压器维修1.变压器维修内容变压器维修内容包括油温探测器安装更换、冷却器清洗以及绝缘材料的更换等。
2.变压器维修报价根据变压器的具体规格和实际情况,维修报价如下:- 油温探测器安装更换:2000元/台- 冷却器清洗:3000元/次- 绝缘材料更换:5000元/次三、开关设备维修1.开关设备维修内容开关设备维修内容包括接触器更换、电磁铁更换、动作器调试等。
2.开关设备维修报价根据开关设备的具体规格和实际情况,维修报价如下:- 接触器更换:1000元/个- 电磁铁更换:1500元/个- 动作器调试:2000元/次四、配电设备维修1.配电设备维修内容配电设备维修内容包括断路器更换、熔断器更换、接线端子更换等。
2.配电设备维修报价根据配电设备的具体规格和实际情况,维修报价如下:- 断路器更换:3000元/个- 熔断器更换:2000元/个- 接线端子更换:1000元/组五、维修总报价综合以上各项维修内容和报价,本次电力工程维修总报价为:- 变压器维修总报价:10000元- 开关设备维修总报价:4500元- 配电设备维修总报价:6000元维修总报价:20500元维修总报价有效期为30天。
备注:以上报价仅供参考,具体报价以实际情况和人工勘测为准。
欢迎进行实地勘测,并提供最准确的报价。
(retval)以上内容为虚构,仅供参考。
10kv线路维护收费标准电力服务收费项目及标准附表:电力服务(涉电维护、检测等)收费项目及标准一、代管费序号项目单位规格收费标准备注1架空线代管费元/百米、年10kV120代管包括线路的每月巡视一次、每年特巡和夜巡二次等。
不足50米不收费;超过50米按百米收费。
元/百米、年35kV260元/百米、年110kV320元/百米、年220kV3602电力电缆代管元/百米、年10kV700代管包括线路的每月巡视一次、避雷试验、电缆预防性试验。
不足50米不收费;超过50米按百米收费。
元/百米、年35kV800元/百米、年110kV9003变压器箱式变压器元/年、千伏安15代管包括线路的每月巡视六次、年油化试验、避雷试验、变压器油试验、进出线开调试等。
配电变压器元/年、千伏安94配电站收费代管根据固定资产价值、设备投运年限、设备所处环境情况按固定资产2~4%计取代管包括每年检修调试一次,特巡二次,及24小时事故抢修等。
二、电气试验1、变压器试验序号项目单位规格收费标准备注1变压器预试元/台变压器容量≤500kVA800变压器试验包括绝缘试验、电压比试验、线圈直流电阴试验、空载试验等。
另:特种变压器加收50%;有载调压变压器加收20%;三绕组电力变压器乘以系数1.2;单项电力变压器组如配有备用相变压器乘以系数1.2;若为三相干式变压器、整流变压器乘以系数0.8变压器容量≤800kVA1500变压器容量≤3200kVA20002变压器交接试验元/台变压器容量≤800kVA2000元/台变压器容量≤3200kVA27003变压器预试(35kV)元/台变压器容量≤6300kVA3500变压器预试(35kV)元/台变压器容量>6300kVA5000变压器预试(110kV)元/台变压器容量≤31500kVA6500变压器预试(110kV)元/台变压器容量>31500kVA90004变压器检查元/次120不含电压器试验5变压器调档元/次4002、避雷器、电容器试验序号项目规格单位收费标准1避雷器试验10kV(普通型)元/组15010kV(氧化锌型)元/组20035kV(普通型)元/组30035kV(氧化锌型)元/组600110kV(普通型)元/组700110kV(氧化锌型)元/组900220kV(普通型)元/组1100220kV(氧化锌型)元/组1300计数器元/组202避雷器交接试验10kV(普通型)元/组15010kV(氧化锌型)元/组20035kV(普通型)元/组50035kV(氧化锌型)元/组900110kV (普通型)元/组950110kV(氧化锌型)元/组1300220kV(普通型)元/组1400220kV(氧化锌型)元/组1800计数器元/组303耦合电容器试验35kV元/组250110kV元/组400220kV元/组9004耦合电容器交接试验35kV元/组500110kV元/组900220kV元/组20005静电电容器试验10kV及以下元/组180035kV元/组4200备注:电容器试验包括:绝缘电阻、介质损测量、并联电路交流耐压试验、配合冲击合闸检查试验。
设备维修服务价目表
1. 维修费用
- 维修费用根据设备类型和故障程度而有所不同,请参考下表:| 设备类型 | 故障程度 | 维修费用 |
2. 配件更换费用
- 如果需要更换设备的配件,以下是常见设备的配件更换费用:| 设备类型 | 配件名称 | 配件费用 |
3. 上门维修费用
- 如果需要我们上门维修设备,根据距离和工作时间的不同,
以下是不同区域的上门维修费用:
| 区域 | 上门费用 |
4. 其他费用
- 如果在维修过程中出现特殊情况,可能会产生一些额外费用。
这些费用将根据具体情况而定,并在维修前与您确认。
请注意:以上价格仅作为参考,最终价格可能会根据设备具体
情况而有所不同。
如果您有任何疑问或需要进一步信息,请随时与
我们联系。
谢谢!。