《DPI 620 Genii系列多功能校验仪》(2014)
- 格式:pdf
- 大小:1.63 MB
- 文档页数:14
国家中医药管理局办公室关于公布中医诊疗设备评估选型推荐品目(2011版第一批)的通知文章属性•【制定机关】国家中医药管理局•【公布日期】2012.01.06•【文号】国中医药办医政发[2012]2号•【施行日期】2012.01.06•【效力等级】部门规范性文件•【时效性】现行有效•【主题分类】医疗管理正文国家中医药管理局办公室关于公布中医诊疗设备评估选型推荐品目(2011版第一批)的通知(国中医药办医政发〔2012〕2号)各省、自治区、直辖市卫生厅局、中医药管理局,新疆生产建设兵团卫生局,中国中医科学院,北京中医药大学:由我局委托中华中医药学会医院管理分会开展的中医诊疗设备评估选型工作已经完成。
现将中医诊疗设备评估选型推荐品目(2011版第一批)予以公布。
供各地在医疗器械配置与采购工作中参考。
二○一二年一月六日中医诊疗设备评估选型推荐品目(2011版第一批)说明受国家中医药管理局委托,从2008年10月开始,中华中医药学会医院管理分会组织开展了两次中医诊疗设备评估选型工作。
第一次推荐中医诊疗设备评估选型工作于2009年完成,并以国中医药办函〔2009〕116号文件公布了35个推荐中医诊疗设备名单。
第二次中医诊疗设备推荐品目评估选型工作现已完成,现将其中的166个品种的中医诊疗设备评估选型推荐品目予以公布,并就有关情况说明如下:一、入选产品排名不分先后。
二、评估选型工作采取厂商自愿申报方式,尽管通过多种形式广泛发布信息,仍有少数厂商未申报参与评估。
三、请各生产企业对各自的推荐品目中的设备开展更深入的临床观察和研究,我会将对推荐品目设备的有效性、操作性、安全性、售后服务、价格等方面的情况适时开展评估调查,调查结果将作为下一批推荐品目筛选的重要依据。
四、各生产企业不得打着本推荐品目的名义开展虚假宣传和不正当竞争,对于涉嫌虚假宣传和构成不正当竞争的设备,将取消推荐品目资格。
中华中医药学会医院管理分会二○一二年一月中医诊疗设备评估选型推荐品目(2011版第一批)。
[EN] English - K0454 Issue 1 Quick Reference 1Quick ReferenceWARNING: Before you use this instrument, read and understand the “Safety” section. It is dangerous to ignore the specified warnings.Start operations (S1 to S4)S1:Install the battery. Refer to Section 5.S2:Power on/off sequenceS3:Example change of function (Voltage to Current)ON➀First display Normal outputOFF➀Press and hold PressTAPChannel Settings1324Task Settings68Task Settings5Select FunctionChannel Settings7S4:Touch-screen operations (maximise, minimise, set voltage) Menu sequenceTask*SettingsCH1CH2ChannelSettingsFunctionUnitsUtilityCaptionSelect“Function”NoneCurrentVoltage* A channel can only have one function at a time.TAPSet voltageMaximise12134Minimise*** Alternative options for step ➀TAP2 Quick Reference K0454 Issue 1 - [EN] English[EN] English - K0454 Issue 1 31OverviewThe advanced modular calibrator (AMC) is part of a set ofhand-held modules that you can quickly put together to include a wide range of calibrator functions.Advanced modular calibrator, DPI 620: This is abattery-powered instrument for electrical measure and source operations and HART® communications; see table A1(front cover). It also supplies the power and user interface functions for all the add-on modules. You can use the touch-screen to display up to six different parameters.Pressure module carrier, MC 620: Optional item. This attaches to the DPI 620 calibrator to make a fully integrated pressure indicator instrument. To measure and display pneumatic or hydraulic pressures, you can have up to two interchangeable pressure transducers at a time.Pressure modules, PM 620: Optional item. These modules attach to the pressure module carrier (MC 620) or to a pressure station (PV 62x) to give the DPI 620 calibrator the necessary pressure measurement functionality. They are fullyinterchangeable “plug and play” modules with no initial set-up or user calibration.Pressure stations, PV 62x: Optional item. To make a fully integrated pressure calibrator, you can attach the DPI 620 calibrator to one of the three pressure stations. Refer to user manual - K0457.2Standard equipmentThese items are part of the standard equipment with the DPI 620 calibrator:•DC power supply/battery charger unit •Li-Polymer battery•Set of six electrical test leads •Safety and quick reference guide •CD with the user manualDPI 620MC 620PM 620PV 62xOverview/Standard equipment3Safety Before you use the instrument, make sure that you read andunderstand all the related data. This includes: the applicablelocal safety procedures, the user manual (K0449), and theinstructions for the accessories/options/equipment you areusing it with.General warningsWARNING•It is dangerous to ignore the specified limits for the instrument or to use the instrument when it is not in its normal condition. Use the applicable protection andobey all safety precautions.•Do not use the instrument in locations with explosive gas, vapour or dust. There is a risk of an explosion.Electrical warnings •To prevent electrical shocks or damage to the instrument, do not connect more than 30V between the terminals, or between the terminals and the ground(earth).•To prevent electrical shocks, use only the GE specified AC probe (Part: IO620-AC) to measure AC voltages(maximum: 300 Vac).•This instrument uses a Lithium-Polymer (Li-Polymer) battery pack. To prevent an explosion or fire, do notshort circuit, do not disassemble, keep it safe fromdamage. For operating conditions, see Table 1.•To prevent an explosion or fire, use only the GE specified battery, power supply and battery charger. •To prevent battery leakage or heat generation, only use the battery charger and power supply in thetemperature range 0 to 40°C (32 to 104°F). Foroperating conditions, see Table 1.Pressure warnings •Some liquid and gas mixtures are dangerous. This includes mixtures that occur because ofcontamination. Make sure that the equipment is safe to use with the necessary media.•To prevent a dangerous release of pressure, isolate and bleed the system before you disconnect a pressureconnection.Continued4 Safety K0454 Issue 1 - [EN] English[EN] English - K0454 Issue 1Parts 5•To prevent a dangerous release of pressure, make sure that all the related pipes, hoses and equipment have the correct pressure rating, are safe to use and are correctly attached.CautionsTo prevent damage to the display, do not use sharp objects on the touch-screen.To prevent damage to the PM 620 module, only use it within the specified pressure limit on the label.Before you start an operation or procedure in this publication, make sure that you have the necessary skills (if necessary, with qualifications from an approved training establishment). Follow good engineering practice at all times.Marks andsymbols on the instrument4PartsRefer to the figures on the front cover (A2, B1).4.1Key to figure A2 (DPI 620 calibrator)Complies with EuropeanUnion directives Warning - refer to the manualRead the manual USB ports: Type A; Mini-type B connector Ground (Earth)ON/OFFDo not dispose of this product as household waste. Refer to “Maintenance” (Section 5.5).More marks and symbols are specified in the user manual (K0449 - Druck DPI 620Advanced modular calibrator)1.On or off button. Refer to “Quick Reference”.2. CH1Channel 1 connectors for: voltage (V); frequency (Hz);resistance (Ω); resistance temperature detectors (RTD): 3W, 4W = 3-wire, 4-wire RTD input; switch operation; current (mA+, mA-): COM = Common connectorYou can also use the GE specified AC probe (Part: IO620-AC) to measure AC voltages (maximum: 300 Vac).3.TCChannel 1 connectors for thermocouples.4.CH2Isolated channel 2 connectors for: voltage (V); current (mA+,mA-); 24V loop power supply (24Vo); switch operation6 PartsK0454 Issue 1 - [EN] English4.2Key to figure B1 (MC 620 module carrier/PM 620 module) - Optional item5.USB type A connector for connections to external peripherals (USB flash memory or optional external modules)B mini-type B connector for communication with a computer.7.+5V DC power input socket. This supply also charges the battery.8.Sealed speaker unit.9.Liquid crystal display (LCD): Colour display with touch-screen. To make a selection, lightly tap on the applicable display area.a.Battery indicatorb.Date and time10.CH1: Window for the channel 1 settings and values. c.Measure or source indicationd.Functione.Full scale (FS) rangef.Function units11.Other windows: The number of windows you see on the display is set by the number of task selections and external modules you are working with (maximum: 6).12.Tap this button to set up the Task , set up the instrument (Configure ) and to access Help (?). Refer to “Quick Reference”.Tap this button to maximise each of the available windows in sequence. Refer to “Quick Reference”.Pause (II ) or Play (X ): Tap (II ) to hold (freeze) all the data on the display. To release the display and continue, tap (X ).1.Pressure connection (G1/8 or 1/8NPT) to attach external pressure equipment.2.Pressure and electrical connections for a pressure module (PM 620). These are self-seal pressure connections.3.Two screws to attach the calibrator (DPI 620).4.Electrical connections for the calibrator (DPI 620).5.Pressure module (PM 620) with a pressure connection, reference port (a) and a label. The label includes:Pressure range . Example: 20 bar g (g: gauge; a: absolute); serial number (S/N); manufacturer : name, address, website[EN] English - K0454 Issue 1Installation 75InstallationBefore you start:•Read and understand the “Safety” section.•Do not use damaged equipment.Note: Use only original parts supplied by the manufacturer.5.1AMC batterySee figure A3 (front cover).5.2IndicatorassemblyOptional item (MC 620/PM 620). See figure B2 (front cover).5.3Electricalconnections See figure C1 to C5, and D1 (front cover).5.4External pressureconnectionsSee figure B1/E1 (front cover). Use an applicable method to seal the external pressure connections, and then tighten to the applicable torque. Maximum torque:1/8 NPT: 35 Nm (26 lbf.ft)G1/8: 25 Nm (18.4 lbf.ft)1.When the power is off, loosen the five screws (a) and remove the cover (b).If necessary, turn the instrument over and let the discharged battery drop into your hand.2.Install the new battery correctly until it is flat in the compartment.3.Re-attach the cover.1.Align the two slots (a) on the calibrator with the two posts (b) on the module carrier.2.When the posts are fully engaged in the slots, tighten the two screws until they are hand tight.3.Attach one or two PM 620 modules with the correct range and type.4.Tighten each one until it is hand tight only.5.5Maintenance Clean the case with a moist, lint-free cloth and a weakdetergent. Do not use solvents or abrasive materials.Return the instrument to the manufacturer or an approvedservice agent for all repairs. Refer to the user manual.Do not dispose of this product as household waste. Use anapproved organisation that collects and/or recycles wasteelectrical and electronic equipment. For more information,contact one of these:•our customer service department:(Contact us at )•your local government office.6SpecificationTable 1: General specificationLCD: Colour display with touch-screen-10 to 50°C (14 to 122°F)-20 to 70°C (-4 to 158°F)IP65 (DPI 620 calibrator only)0 to 90% relative humidity (RH) non-condensingDef Stan 66-31, 8.4 cat IIIElectromagnetic compatibility: BS EN 61326-1:2006Electrical - BS EN 61010:2001Pressure Equipment Directive - Class: Sound EngineeringPractice (SEP)CE MarkedLithium-Polymer battery (GE Part number: 191-356)Capacity: 5040 mAh (minimum), 5280 mAh (typical);Nominal voltage: 3.7 V.Charge temperature: 0 to 40°C (32 to 104°F)Note: When the instrument senses the temperature is outsidethis range, it stops charging.Discharge temperature: -10 to 50°C (14 to 122°F).Charge/discharge cycles: > 500 > 70% capacity8K0454 Issue 1 - [EN] EnglishMaintenance/SpecificationCustomer serviceVisit our web site: 。
仪器校准由于仪器必须与探头结合起来使用才能成为完整的探伤系统,而不同的探伤对象和环境又需要使用不同的探头,因此对探伤系统的校准是保证探伤结果真实有效的必要工作。
探伤系统的校准主要包括以下几个重要参数:1、零偏(探头延迟):由于压电晶片非常脆弱,不能直接与工件接触摩擦,因此在晶片前面都有保护晶片的保护膜或者楔块,而零偏就是指超声束在保护膜或楔块中的传播时间。
2、声速:数字式探伤仪都通过仪器测量出超声波从发射开始到反射回来的时间,然后再乘以工件内部的声速,来对回波定位,因此,精确的测量工件内部超声波传播速度,是对缺陷定位的重要参数。
3、入射点(前沿):对于斜探头而言,由于声束是倾斜入射,因此还需测量出主声轴入射到工作表面的交点到探头前端的距离,也称为前沿,测出前沿距离后,在斜探头探伤过程中测量缺陷水平距离时,就可以直接从探头前端开始定位。
4、折射角(K值):对于斜探头而言,由于声束是倾斜入射,又由于楔块与工件的声束差异较大,因此入射角与倾斜角差距较大,而斜探头对缺陷定位主要是通过声程、水平、深度三个座标的三角关系还计算得出,因此测定声束折射角对斜探头探伤定位是最重要的因素之一。
在国内由于早期都是以模拟仪器为主,因此习惯用折射角的正切值来表示,俗称K值也就是水平与深度的比值。
5、AVG曲线(DGS、DAC):AVG曲线是描述反射的距离、波幅及当量之间关系的曲线,主要用于根据缺陷反射回波的时间和波幅来确定缺陷的当量大小,是探伤时对缺陷定量的有效手段。
1选择HS620型探伤仪的接收系统状态探伤仪的接收系统所处的状态的不同组合适用于不同的检测任务。
对于特定的要求,选取某种状态组合,将起优化回波波形,改善信噪比,获得较好的近场分辨力或最佳的灵敏度余量的作用。
在仪器校准前,可选择最佳组合的接收系统,以提高仪器的校准精度。
工作方式选择:本机设有自发自收和一发一收两种工作方式,分别适用于单晶和双晶探头的使用,用户可根据所使用的探头来进行设置相应的工作方式。
GEDPI 611Druck DPI 610/615很多领域甚至成为了德鲁克(Druck)的一个名片。
DPI 611 手持式压力校验仪DPI 611 是DPI 600 家族里的第四代产品,Druck从1984年开始推出DPI600系列产品后,DPI600系列产品一直是一体式压力校验仪的领导者,通过革命性的将造压功能,信号测量功能集成到一个单一仪器中,DPI 600 一直是工业压力校准的一个标准,在基于30多年的压力测量和校准经验的积累以及技术能力的储备,DPI 611将为压力校准提供更优的便捷性和可靠性,技术指标提升一倍,而产品尺寸将会缩小一半左右。
• 比DPI 610的尺寸小50%, 重量轻 33%• 打压到 2 MPa 的时间将小于 30秒 • 能产生低于 95% 的真空• 压力测量的准确度提升两倍左右• 电信号测量的精度提升三倍左右• 简洁的触摸操作屏,功能选项面板,快速任务选项栏以及自定义的任务收藏夹• 任何应用任务都可以通过三次点击选中• 实时误差(合格/超差)显示,结果文档处理功能先进的工艺流程和精密加工先进的工艺流程和精密的加工保障了仪器的特优性能DPI 611压力系统创新的高效造压能力以及精密的压力调节都是通过严格的选料以及特优的公差配合来实现的。
外壳材料的精挑细选以及精密的开模保证DPI 611非常坚固并满足全天候的使用要求。
采用最新的模拟和数字微电子技术来实现高精度的电气测量以及独特的简易使用接口。
先进的工艺以及精密加工决定产品的品质和性能测量的准确度包括了一年的稳定性、DPI 611 mA造压DPI 611 可以产生从95% 真空至2 MPa 的气体压力。
通过一个简单的切换阀就可以实现真空到压力的切换,通过仪器自带的气泵的几下打压就可以达到要产生的压力。
微调功能通过内置的精密容积调节阀来实现。
反行程的点通过精密的泄压阀来实现。
∙ 重新设计的机械结构使得仪器的整体性能得到了很大提升,现在单手握住仪器就可以产生2 MPa 的压力。
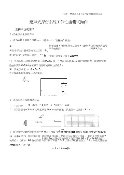
“汉威” HS620仪器与探头综合性能测试方法超声波探伤系统工作性能测试操作、直探头性能测试按增益键,再按键将增益提高,只到屏幕上的电噪声信号平均波幅到 10%FS 为止,4) 将探头放在灵敏度试块上(①2X 200伽),移动探头找出①2孔的最高回波,按增益键调 整波形到50%FSH 并记录下当前衰减器增益读数S 。
5) 灵敏度余量 △ S = S 0 - S i 将计算出的数值填写在记录纸上。
1、 1)灵敏度余量测试方法:开机后按L 日键,再按匚二I I 选择一个“直探头”通道。
2)并记录下当前衰减器的增益读数 S 0, 3)按范围对应的键,再按’“二I 键,将满屏范围调至大于225mm2、 1) 2律料曹■律增益IV.DD <11+ B , 0X :* ■■■ 4 託□ • 1 ”一•羽甲i 445 * 乳 0 135. 0 HD.* £a as‘直探头水平线性测试方法键,再按;二I 选择一个“直探头”通道。
将探头置于CSK-IA 试块上厚度25m m 的平面上,找出第一次回波(B1 )。
开机后按按范围对应键两次切换到平移状态,再按 键切换到范围状态,再按:二I 齐第2、4、& 8格,如果对不齐,则按调校键,再按零偏对应键,然后按方向键使之对齐, 并记录下零偏调节的数值,(例如:B2没对齐第2格,调节零偏0.6uS 以后对齐则偏差值为 0.6 )取最大偏差值Amax 代入下式计算:△ L= | Amax|%3) I 键使B6对齐水平满刻度,分别观察 B2、B3、B4 B5是否对a|键,将B1调至0刻度,然后按平移对应“汉威” HS620仪器与探头综合性能测试方法3、垂直线性测试方法:1) 开机后按匕壬1键,再按匚二I 选择一个“直探头”通道。
2) 按范围对应的键,再按 '二1键,将满屏范围调至大于225mm将直探头与仪器连接,并将探头放在灵敏度试块上( ①2X 200伽),移动探头找出①2孔 4) 按增益键,将增益步进调整为 2dB5) 按'二键,进行2dB 一次的衰减,并将每次的波幅读数记录下来,与理论值对比。
XD—201计算机多功能测试仪
程果
【期刊名称】《《军民两用技术与产品》》
【年(卷),期】2002(000)010
【总页数】1页(P19)
【作者】程果
【作者单位】
【正文语种】中文
【中图分类】TP38
【相关文献】
1.XD法原位自生ZL201/TiB2P复合材料显微组织及力学性能 [J], 李邦盛;蒋海燕;张宝友;李庆春;袁广江;米国发
2.XDS-1运动视力综合测试仪的研制 [J], 王同国
3.XDS-1型运动视力综合测试仪对驾驶员动态视力的测试与分析 [J], 王同国
4.XD法原位自生ZL201/TiB2p复合材料的热强特征研究 [J], 李邦盛; 袁广江
5.XD法原位自生ZL201/TiB2p复合材料的热强特征研究 [J], 李邦盛
因版权原因,仅展示原文概要,查看原文内容请购买。