干燥设备厂家工业盐干燥机化工废盐烘干机
- 格式:docx
- 大小:39.71 KB
- 文档页数:5
烘干设备方案介绍烘干设备的基本原理和适用领域,并提供一种可行的烘干设备方案。
烘干设备是一种用于将湿润物质中的水分蒸发掉,使其达到所需含水率的机械设备。
烘干设备广泛应用于食品加工、制药、化工、冶金等领域,可以提高产品质量、延长货物保质期、提高生产效率。
下面将介绍一种适用于食品加工行业的烘干设备方案。
该烘干设备方案主要由以下几个部分组成:1. 设备选型:根据食品的性质和生产需求,选择适合的烘干设备。
常见的烘干设备包括风干机、真空烘干机、喷雾干燥机等。
具体选型时还需考虑设备的容量、热量控制系统以及操作便捷性等因素。
2. 加热系统:确保设备能够提供足够的热量进行烘干作业。
一种常见的加热系统方案是采用电加热器或者燃气加热装置。
这些加热系统能够提供稳定、可调节的热量,并且操作便捷,适用于不同规模的生产。
3. 输送系统:用于将待烘干的食品物料输送到烘干设备中,并将烘干后的产品输送出来。
一种常见的输送系统方案是采用输送带。
输送带可以根据需要设定运行速度和输送角度,确保物料在烘干过程中均匀受热。
4. 控制系统:用于监控和控制整个烘干过程。
该方案建议采用PLC控制系统,通过传感器监测设备工作状态和温度湿度等参数,实时调整热源和输送速度,以确保烘干过程的稳定性和安全性。
5. 排放系统:用于排放烘干过程中产生的废气和废热。
该方案建议采用烟气处理系统和热回收装置,将排放物质进行处理和利用,达到环保节能的目的。
除了上述主要的方案组成部分外,还需注意设备的维护保养和安全操作。
定期检查设备的各项功能和部件,确保设备正常运行,降低故障率。
此外,操作人员需接受相关培训,掌握设备的正确使用方法和安全操作规程,确保生产过程安全可靠。
总结:本文介绍了烘干设备的基本原理和适用领域,并提供了一种适用于食品加工行业的烘干设备方案。
通过选型、加热系统、输送系统、控制系统和排放系统的设计,可以满足食品加工行业对烘干设备的需求。
优化方案的同时,也需重视设备的维护保养和安全操作,确保设备的长期稳定运行。
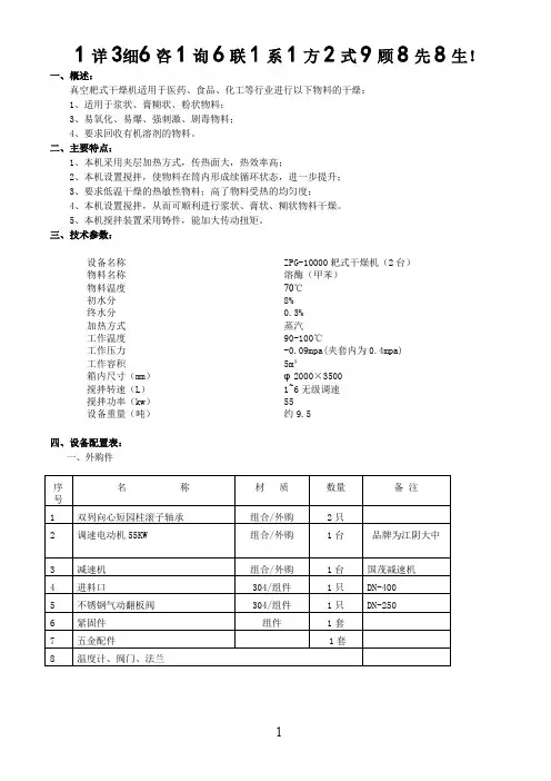
一、概述:真空耙式干燥机适用于医药、食品、化工等行业进行以下物料的干燥:1、适用于浆状、膏糊状、粉状物料;3、易氧化、易爆、强刺激、剧毒物料;4、要求回收有机溶剂的物料。
二、主要特点:1、本机采用夹层加热方式,传热面大,热效率高;2、本机设置搅拌,使物料在筒内形成续循环状态,进一步提升;3、要求低温干燥的热敏性物料;高了物料受热的均匀度;4、本机设置搅拌,从而可顺利进行浆状、膏状、糊状物料干燥。
5、本机搅拌装置采用铸件,能加大传动扭矩。
三、技术参数:设备名称ZPG-10000耙式干燥机(2台)物料名称溶酶(甲苯)物料温度70℃初水分8%终水分0.3%加热方式蒸汽工作温度90-100℃工作压力-0.09mpa(夹套内为0.4mpa)工作容积5m³箱内尺寸(mm)φ2000×3500搅拌转速(L)1~6无级调速搅拌功率(kw)55设备重量(吨)约9.5四、设备配置表:一、外购件二、机加件及冲压件五、商务条款:1、交货期:预付款到帐60天内交货。
2、付款方式:预付30%,发货前付60%,余10%在设备质保期(壹年)满壹周内付清。
六、设备价格:本设备为物料接触部分为不锈钢制作,单套设备价格55.8万元。
六、工程说明:1、工程管理及协调A、组织协调:大型设备在安装调试时,双方各派项目负责人在现场组成工程管理协调组,进行对工程现场安装调试的技术、生产、安全等方面的协调管理。
对协调管理组一致提出事宜及工作要求,双方应及时予以处理解决,不影响现场工作进度。
B、安全责任:安调人员在施工期间严格遵守需方的厂纪厂规,服从管理协调小组和需方的领导,严格按安全操作规程进行现场施工。
C、需方职责:提供设备现场安装中所需的脚手架等配套设备或工具,提供安装所需水、电、汽,负责供方现场安装人员的食宿。
干燥设备的分类干燥设备是一种用于去除物料中水分的设备,广泛应用于化工、制药、食品、建材等行业。
根据不同的干燥原理和应用场景,干燥设备可以分为以下几类。
一、热风干燥设备热风干燥设备是一种常见的干燥设备,其原理是通过加热空气,将热空气送入干燥室,使物料中的水分蒸发。
热风干燥设备适用于大多数物料的干燥,如粉末、颗粒、片状、纤维状等。
常见的热风干燥设备有热风炉、热风干燥机、流化床干燥机等。
二、真空干燥设备真空干燥设备是一种在低压环境下进行干燥的设备,其原理是通过减少干燥室内的压力,使物料中的水分在低温下蒸发。
真空干燥设备适用于易氧化、易燃、易爆、高温敏感等物料的干燥。
常见的真空干燥设备有真空干燥箱、真空干燥室、真空干燥机等。
三、冷冻干燥设备冷冻干燥设备是一种将物料在低温下冷冻,然后在真空环境下进行干燥的设备。
其原理是通过将物料中的水分冻结成固态,然后在真空环境下将水分升华成气态,从而实现干燥。
冷冻干燥设备适用于易变质、易氧化、易燃、易爆、高温敏感等物料的干燥。
常见的冷冻干燥设备有冷冻干燥机、冷冻干燥箱等。
四、微波干燥设备微波干燥设备是一种利用微波能量进行干燥的设备,其原理是通过微波能量使物料中的水分分子产生热量,从而实现干燥。
微波干燥设备适用于易变质、易氧化、易燃、易爆、高温敏感等物料的干燥。
常见的微波干燥设备有微波干燥机、微波真空干燥机等。
五、喷雾干燥设备喷雾干燥设备是一种将物料液态喷雾成小颗粒,然后在热风中进行干燥的设备。
其原理是通过将物料液态喷雾成小颗粒,增大物料表面积,从而加快水分的蒸发。
喷雾干燥设备适用于易溶解、易挥发、易变质等物料的干燥。
常见的喷雾干燥设备有喷雾干燥塔、喷雾干燥机等。
六、旋转干燥设备旋转干燥设备是一种将物料放置在旋转筒中,通过旋转筒的转动,使物料中的水分蒸发的设备。
其原理是通过旋转筒的转动,使物料不断地与热风接触,从而实现干燥。
旋转干燥设备适用于颗粒、粉末、片状等物料的干燥。
项目概述:有许多企业在工业生产领域的废盐,特别是在精细化学品领域。
由于生产过程的限制,大部分废盐由生产侧转化为固体废物。
由于生产过程中有机物的大量存在,盐渣具有一定的毒性。
工业废盐干燥煅烧处理设备可以有效地完成工业废盐精制要求的处理,并解决废气排放问题,整个过程系统的能源效率高,污染少两倍。
工业废盐干燥煅烧处理设备主要采用热空气和高温煅烧法的直接接触,采用高温热空气和废盐直接接触在煅烧炉,使有机物在高温条件下完成热解过程。
废盐处理方法主要包括以下步骤:首先,根据工业废渣盐渣的种类,混合均匀。
二是干的混合,它至少包括早期干燥和微波干燥介质,去除大部分的自由水通过早期经过干燥、微波干燥介质,去除结晶水和有机质气化部分;和干燥温度的温度梯度稳定连续可调。
它是有机物厌氧微波裂解,裂解成小分子后气化,气化和有机盐含有铵盐的废物分解,保存后的冷却空气后开裂,开裂后的废盐已经完全无害化处理后,通过出售或使用。
本公司专业生产工业废盐干燥煅烧处理设备,有机废盐高温煅烧回转窑炉(天然气,电加热,液化气)。
我们将以服务至上的热诚、精益求精的品质、质优价廉的产品,追求与客户共同成长的双赢。
公司奉行“科 技是第一生产,创新才能促发展”,“公平竞争、以诚取胜、以质取胜、以新 取胜”为宗旨,力争做到“人无我有、人有我优、人优我新”。
以科学严谨的 一台设备,以努力实现“求实创新、合作共咨1询6联1系1方2式生!一、工业废盐干燥煅烧处理设备,有机废盐高温煅烧回转窑炉 (天然气,电加热,液化气)设计:1,转筒干燥机的应用范围:2,转筒干燥机是一种处理大批量物料的干燥机。
由于运转可靠,操作弹性大,适应性强,处理能力大,广泛使用于冶金,建材,轻工等部门。
在化工行业中, 如硫酸铵,硫化碱,安福粉,硝酸铵,尿素,草酸,碳酸钙,钙镁磷肥,普通过 磷酸钙,重过磷酸钙和三聚磷酸钠的干燥,大多使用转筒干燥机(有些物料也能 用其他类型的干燥机干燥)。
工业盐(废盐)专用烘干机|干燥机选型推荐工业盐(废盐)直线振动流化床干燥机下图:工业盐(废盐)螺旋振动干燥机下图:工业盐(废盐)PLG系列盘式连续干燥机下图:工业盐(废盐)XF卧式沸腾干燥机下图:专业为您推荐优势明显的工业盐(废盐)专用烘干机,高性能工业盐烘干机,常州市豪迈干燥设备有限公司实力定制。
我公司精心设计制造废盐干燥机;创新设计,设备品质精良,高效又节能,是您的信赖,欢迎您的来电选购一三六一六一一二九八八!工业盐在工业上的用途很广,是化学工业的最基本原料之一,被称为“化学工业之母”。
基本化学工业主要产品中的盐酸、烧碱、纯碱、氯化铵、氯气等主要是用工业盐为原料生产的。
工业盐指的是原盐,原盐有湖盐、井盐和海盐之分,其中因为海盐中的海水溶入了多种元素,所以海盐的工业价值相对要高些,食用价值要低些。
工业盐(废盐)专用烘干机,工业盐烘干机,废盐干燥机废盐烘干机原理:物料自进料口进入机内, 在振动力作用下, 物料沿水平方向抛掷向前连续运动,热风向上穿过流化床同湿料换热后, 湿空气经旋风分离器除尘后由排风口排出, 干燥物料由排料口排出。
工业盐(废盐)专用烘干机,工业盐烘干机,废盐干燥机废盐烘干机特点:●振动源是采用振动电机驱动,运转平稳,维修方便,噪音低,寿命长,维修方便。
●热效率高,比一般干燥装置可节能30%以上。
床层温度分布均匀,无局部过热现象,流态化匀称,无死角现象。
●可调性好,适应面宽.料层厚度和在机内移动速度以及全振幅变更均匀可实现无级调节。
●对物料表面的损伤小,可用于易碎物料的干燥;物料颗粒不规则时亦不影响工作效果。
●采用全封闭式的结构,有效地防止了物料与空气间空叉感染作业环境清洁。
●当用于高水分物料大批量生产时,可采用多台串联的方式以达到用户要求(典型物料:如聚丙烯酰胺等)。
工业盐(废盐)专用烘干机,工业盐烘干机,废盐干燥机废盐烘干机技术参数表:注:部分参数设计时视不同物料有所调整,以设计为准。
Enterprise Development专业品质权威Analysis Report企业发展分析报告江苏恒优强瑞干燥设备有限公司免责声明:本报告通过对该企业公开数据进行分析生成,并不完全代表我方对该企业的意见,如有错误请及时联系;本报告出于对企业发展研究目的产生,仅供参考,在任何情况下,使用本报告所引起的一切后果,我方不承担任何责任:本报告不得用于一切商业用途,如需引用或合作,请与我方联系:江苏恒优强瑞干燥设备有限公司1企业发展分析结果1.1 企业发展指数得分企业发展指数得分江苏恒优强瑞干燥设备有限公司综合得分说明:企业发展指数根据企业规模、企业创新、企业风险、企业活力四个维度对企业发展情况进行评价。
该企业的综合评价得分需要您得到该公司授权后,我们将协助您分析给出。
1.2 企业画像类别内容行业空资质空产品服务:建设工程施工;建设工程设计(依法须经批准1.3 发展历程2工商2.1工商信息2.2工商变更2.3股东结构2.4主要人员2.5分支机构2.6对外投资2.7企业年报2.8股权出质2.9动产抵押2.10司法协助2.11清算2.12注销3投融资3.1融资历史3.2投资事件3.3核心团队3.4企业业务4企业信用4.1企业信用4.2行政许可-工商局4.3行政处罚-信用中国4.4行政处罚-工商局4.5税务评级4.6税务处罚4.7经营异常4.8经营异常-工商局4.9采购不良行为4.10产品抽查4.11产品抽查-工商局4.12欠税公告4.13环保处罚4.14被执行人5司法文书5.1法律诉讼(当事人)5.2法律诉讼(相关人)5.3开庭公告5.4被执行人5.5法院公告5.6破产暂无破产数据6企业资质6.1资质许可6.2人员资质6.3产品许可6.4特殊许可7知识产权7.1商标信息最多显示100条记录,如需更多信息请到企业大数据平台查询7.2专利7.3软件著作权7.4作品著作权7.5网站备案7.6应用APP7.7微信公众号8招标中标8.1政府招标8.2政府中标8.3央企招标8.4央企中标9标准9.1国家标准9.2行业标准9.3团体标准9.4地方标准10成果奖励10.1国家奖励10.2省部奖励10.3社会奖励10.4科技成果11 土地11.1大块土地出让11.2出让公告11.3土地抵押11.4地块公示11.5大企业购地11.6土地出租11.7土地结果11.8土地转让12基金12.1国家自然基金12.2国家自然基金成果12.3国家社科基金13招聘13.1招聘信息感谢阅读:感谢您耐心地阅读这份企业调查分析报告。
化工干燥设备介绍概述化工干燥设备广泛应用于化工行业中,用于将湿润物料进行烘干处理。
这些设备可以有效地去除物料中的水分,提高产品质量和延长物料的保存期限。
本文将介绍化工干燥设备的种类、工作原理以及应用领域。
种类化工干燥设备有多种种类,常见的包括烘箱、流化床干燥机和旋转干燥器等。
烘箱烘箱是一种用于干燥物料的设备,通过加热空气来传递热量并将水分蒸发。
烘箱通常由一个或多个加热元件和一个包含物料的容器组成。
在烘箱中,空气被加热并通过物料流动,将水分带走。
烘箱广泛应用于化学、医药、食品等行业。
流化床干燥机流化床干燥机是一种通过床层内气体化学反应来完成干燥过程的设备。
物料在气流中悬浮并受到强烈的湍流振动,从而实现快速干燥。
流化床干燥机广泛应用于颗粒物料的干燥和颗粒粘结物料的固化。
旋转干燥器旋转干燥器是一种将物料通过转动筒体加热和干燥的设备。
物料通过干燥筒中的螺旋板迅速移动,并受到热风的加热作用。
旋转干燥器广泛应用于颗粒、粉末和片状物料的干燥,适用于各种湿度和粒度的物料。
工作原理化工干燥设备的工作原理基本相似,它们通过传递热量和湿空气来干燥物料。
首先,加热元件产生热量,使干燥设备内的空气升温。
然后,热风通过物料流动,将水分从物料中蒸发。
同时,湿空气通过排气口排出设备,从而达到干燥的目的。
在旋转干燥器中,物料通过螺旋板的作用,不断地转动和翻滚,从而使物料充分暴露在热风中,加速水分的蒸发。
在流化床干燥机中,物料被气流悬浮并持续振动,与热风接触,以加快干燥过程。
应用领域化工干燥设备在化工行业中广泛应用,其主要应用领域包括但不限于以下几个方面:1.化学工业:用于干燥化工原料、粉末产品和溶剂。
2.石油行业:用于炼油过程中的干燥和脱水操作。
3.医药行业:用于制药过程中的原料干燥和湿片的烘干。
4.食品行业:用于食品加工过程中的脱水、杀菌和干燥操作。
化工干燥设备通过快速和高效地去除湿分,提高产品质量,减少能源消耗和生产时间。
它们在化工生产中发挥着重要的作用,并不断进行技术创新和改进,以满足不同行业对干燥设备的需求。
常州干燥为您量身打造精制工业盐(化工废盐)处置技术,工业盐干燥机,化工废盐煅烧窑公司引进国外的先进技术,新型的设备结构,高制作水准,让您选购的设备没有后顾之忧,公司常年备有现货和样机,欢迎您的来电选购,让您买的放心,用的安心。
注;随着时间的推移科技的不断进步,可能每个厂家对同一种物料现在制作工艺上面都有所提升,而导致对烘干设备的选择业造成了不同的选型,所以希望广大新老客户看见此信息时务必来电详询,随时欢迎您的来电一三六一六一一二九八八!有机污染高盐废水制备工业精制盐的工艺,本工艺将有机污染高盐废水经过预处理除油后通入到多效蒸发结晶系统中的二级蒸发结晶器中进行多效蒸发,多效蒸发除水后得到危废盐颗粒,将危废盐颗粒通入到多级转窑中进行热脱附处理,除去危废盐中的有机物,得到固体颗粒经过溶解除杂,除去固体颗粒中的炭渣、磷、氨氮和钙镁离子,得到的盐溶液再次通入到多效蒸发结晶系统中的一级蒸发结晶器中,经蒸发结晶后得到工业精制盐。
本工艺完整,可直接实现有机物污染高盐废水的资源化利用,节省了一套蒸发结晶装置,有效解决了危废盐热脱附的废气处理问题,整个工艺流程简单,操作可实现自动化。
精制工业盐(化工废盐)处置技术,工业盐干燥机,化工废盐煅烧窑实拍:一、精制工业盐(化工废盐)处置技术,工业盐干燥机,化工废盐煅烧窑设计参数(1)烘干机规格:待定(2)烘干物料:固废(3)烘干机操作方式:逆流组合式干燥(4)废盐初水分:W1=%。
废盐有机物含量:W1=%(5)废盐终水分:W2=%。
废盐有机物含量:W2=%二、精制工业盐(化工废盐)处置技术,工业盐干燥机,化工废盐煅烧窑工艺:将有机污染高盐废水经过预处理除油后通入到多效蒸发结晶系统中的二级蒸发结晶器中进行多效蒸发,多效蒸发除水后得到危废盐颗粒,将危废盐颗粒通入到多级转窑中进行热脱附处理,除去危废盐中的有机物,得到固体颗粒经过溶解除渣,除去固体颗粒中的炭渣、磷、氨氮和钙镁离子,得到的盐溶液再次通入到多效蒸发结晶系统中的一级蒸发结晶器中,经蒸发结晶后得到工业精制盐。
工业盐烘干机文案
标题:工业盐烘干机——您高效、可靠的烘干解决方案!
正文:
尊敬的客户,您是否曾为烘干工业盐而烦恼?传统的烘干方式不仅效率低下,而且可能导致产品质量下降。
现在,我们为您带来一款高效、可靠的工业盐烘干机,让您的生产效率翻倍,品质更上一层楼!
一、产品特点:
1. 高效烘干:采用先进的热风循环技术,使热风在烘干机内充分流动,大大提高了烘干效率,比传统烘干方式节省时间50%以上。
2. 节能环保:独特的节能设计,有效降低能耗,同时减少废气排放,让您的生产更加环保。
3. 智能控制:采用PLC控制系统,实现自动化操作,让您轻松掌控烘干过程,节省人力成本。
4. 安全可靠:严格的质量把关,确保设备运行稳定,故障率低,让您的生产更加安心。
5. 易于维护:独特的结构设计,使得维护变得更加简单,大大降低了维修成本。
二、适用场景:
工业盐烘干机广泛应用于化工、食品、医药等行业,适用于颗粒状、粉末状物料的烘干。
无论是实验室还是大规模生产线,我们的工业盐烘干机都能为您提供卓越的烘干效果。
三、售后保障:
我们承诺为您提供全方位的售后服务,包括设备安装、调试、培训、维修等,让您无后顾之忧。
同
时,我们还提供一年的质保期,让您购买无忧。
四、优惠活动:
为了回馈广大客户,现在购买工业盐烘干机,我们将为您提供以下优惠:
1. 免费上门安装、调试;
2. 免费提供操作培训;
3. 享受9折优惠;
4. 赠送一年质保服务。
抓住这次机会,让我们的工业盐烘干机助您提高生产效率,降低成本,实现双赢!如有任何疑问,请随时联系我们,我们将竭诚为您服务!。
常州干燥设备有限公司是国内专业KJG-180 型污泥空心桨叶干燥设备,污泥干化设备的先进厂家。
公司技术力量雄厚,采用 CAD 设计,有现代化大型重型车间,严格按照现代化企业制度规模管理。
年产干燥设备 ,制粒机 ,混合机 ,粉碎机等 500 多台 / 套,目前拥有系统干燥机 28 大类280 多个规格品种 ,广泛应用制药,化工,食品等行业。
公司通过 ISO9001:2008 质量管理体系认证一三六一六一一二九八八!KJG-180 型污泥空心桨叶干燥设备,污泥干化设备设计条件:序号项目参数1 物料名称污泥2 处理量~2.5t/h3 污泥初水份~80%4 污泥终水分~20%5 蒸发量~1.875t/h一、 KJG-180 型污泥空心桨叶干燥设备,污泥干化设备工艺流程设计:序号项目内容1 干燥系统形式开式系统2 干燥介质蒸汽3 干燥方式传导式干燥4 原料供给方式用户提供5 操作温度进风温度℃,排风温度℃6 热源蒸汽7 收料方式主机下料8 除尘方式旋风 + 水沫除尘9 控制要求按钮控制三、 KJG-180 型污泥空心桨叶干燥设备,污泥干化设备单台设计参数的确定:序号项目参数1 污泥初水份ω1=80%2 污泥终水分20%3 环境温度t 0 =15 ℃4 进料温度θ1 =15 ℃5 处理量2.5t/ h6 产品离开干燥室温度θ2=50 ℃7 环境空气含湿量d=0.01kg 水/kg 干空气8 绝干产品的比热Cs=0.4kcal/kg. ℃9 传热面积180 平方米10 总容积15m 311 设备尺寸长 13.8m ,宽 3.2m ,高 4m12 转速~5rpm四、 KJG-180 型污泥空心桨叶干燥设备,污泥干化设备设备配置:序号名称规格型号厚度/材质数量备注1 桨叶轴两端轴头圆钢Φ420 45钢2轴管钢管Φ508 ×30 20 钢外包 304内管钢管Φ108 ×6 20 钢轴管连接管钢管Φ32 ×320 钢桨叶片Φ1400 δ12/3042 箱体箱体法兰扁钢 100 ×30 Q235-A 1箱体δ14/304夹套Φ89 ×6 半管 /Q235隔板配套δ20/Q235夹套热源进出管路配套组件加强筋配套δ20/Q235-A端法兰配套δ30/Q235-A挡料堰配套组件放净机构配套组件出料口配套组件箱体保温层配套δ80/ 岩棉保温外包配套δ1.5/Q235-A整体支架30#H 钢 + 钢板3 端盖前后端盖配套δ30/Q235-A 1填料函填料 20 ×20 Q235-A轴承及座组件 2 套5 上盖法兰扁钢 100 ×30 Q235-A 1箱体δ6304进风换热器SRZ10-15 碳钢绕铝翅180m2出风管Φ500 304人孔Φ450 3046 同步齿轮m=16 ZG45 2 付高频淬火7 联轴器配套 ZG45 1 付8 硬齿面减速机ZFY560-90 组件 1 国贸国泰9 小齿轮配套ZG45 1 高频淬火10 传动电机110Kw 组件 1 110KW 江阴大中11 旋转接头配套组件 2 含进出软管12 旋风分离器 2 ×Φ1200 304 1 双胞胎13 引风机 4-72 碳钢整体支架 1 18.5KW 常州豪迈14 水膜除尘器 SM-2500 Q235 115 循环水泵配套组件 5.5KW/ 防腐16 出料螺旋Φ219 304 1 2.2KW空心桨叶干燥机现场实例KJG- 型桨叶发货KJG- 型桨叶制作现场KJG- 型桨叶制作现场KJG- 型桨叶制作现场。
干燥设备原理及结构大全干燥设备是一种用于去除物料或空气中水分的设备,常用于工业生产过程中,如食品加工、化工、冶金等领域。
它的原理和结构在不同的类型和应用中有所差异,下面将给出一些常见的干燥设备的原理和结构。
1.烘箱烘箱是一种常见的干燥设备,它的原理是通过加热空气使其温度升高,从而使物料中的水分蒸发。
烘箱通常由加热室、气流系统、控制系统等组成。
加热室通常由外壳、隔热层、加热源和风扇等构成。
气流系统通过风扇将外界空气送入加热室,并通过加热源加热,然后通过出风口排出潮湿的空气。
控制系统用于控制加热室的温度和湿度。
2.旋转干燥机旋转干燥机是一种常用的连续干燥设备,它的原理是将物料与热风同时送入旋转的筒体中,通过筒体的旋转使物料与热风充分接触,从而使物料中的水分蒸发。
旋转干燥机通常由进料装置、旋转筒体、排料装置、热风系统和控制系统等组成。
进料装置将物料均匀地送入旋转筒体,旋转筒体通过电机驱动旋转,从而使物料与热风充分接触。
排料装置将干燥后的物料从筒体中排出。
热风系统通过燃烧设备加热空气,送入旋转筒体。
控制系统用于控制旋转筒体的转速和温度。
3.流化床干燥机流化床干燥机是一种以气流为介质的干燥设备,它的原理是通过将物料喷入预热的气流中,使物料悬浮在气流中,从而增加物料与气流的接触面积,促使水分蒸发。
流化床干燥机通常由喷嘴、气流系统、控制系统等组成。
喷嘴将物料均匀地喷入预热的气流中,气流通过床层将物料悬浮起来,形成流化状态。
控制系统用于控制气流的速度和温度。
4.真空干燥机真空干燥机是一种通过在低压或真空条件下蒸发物料中的水分的干燥设备,它的原理是在低压下,水分的沸点降低,使水分蒸发更容易。
真空干燥机通常由干燥室、真空系统、控制系统等组成。
干燥室内的物料通过加热源加热,使其蒸发水分并形成水蒸气。
真空系统通过抽气装置将干燥室内的压力降至较低的水平,促使水分蒸发。
控制系统用于控制干燥室内的温度和真空度。
以上是一些常见的干燥设备的原理和结构。
工业盐专用烘干机,工业废盐干燥机选型推荐工业盐专用烘干机,工业废盐干燥机|PLG系列盘式连续干燥机下图:工业盐专用烘干机,工业废盐干燥机|ZLG系列流化床干燥机干燥机下图:工业盐专用烘干机,工业废盐干燥机|HG系列回转滚筒窑干燥机干燥机下图:旋振动干燥机下图:床下图:拥有多年工业盐专用烘干机,工业废盐干燥机,定制工业盐流化床干燥机,工业盐连续盘式干燥机,经久耐用工业废盐沸腾干燥床。
致力于用户企业的“设备研发”“选型设计”“制作安装”“调试售后”于一体,解决用户企业物料干燥难度大、耗能成本高、设备投资大、售后不放心等问题。
常州干燥在医药、化工、食品等初、中、终等产品及废液、废渣处理的领域,为客户提供有竞争力,安全可信赖的产品,与同行业开放合作,持续为客户创造价值。
目前应用最广的卧式振动流化床干燥机,咨询形状和基本结构与普通卧式流化床干燥机很相似。
区别在于振动流化床整个机体通过弹簧支撑在底座上,多孔板稍向出料端倾斜,机体一侧或两侧装有振动电机。
物料依靠机械振动和穿孔气流双重作用流化,并在振动作用下向前运动。
该机由振动电机抛掷产生激振力,物料在给定方向的激振力的作用下跳跃前进,同时床底下输入的热风使物料处于流化状态,物料颗粒与热风充分接触,从而达到理想效果。
物料自进料口进入机内,在振动力作用下,物料沿水平方向抛掷向前连续运动。
热风向上穿过流化床和湿物料换热,湿空气经旋风分离器除尘后由排风口排出,干燥物料由排料口排出。
物料自进料口进入机内,在振动力作用下,物料沿水平方向抛掷向前连续运动,热风向上穿过流化床同湿物料换热后,湿空气经旋风分离器除尘后由排风排出,干燥物料由排料口排出。
工业盐专用烘干机,工业废盐干燥机,工业盐流化床干燥机,工业盐连续盘式干燥机,工业废盐沸腾干燥床性能特点:1,设备紧凑,体积小,生产效率高,连续生产,实现了小设备,大生产。
0,干燥强度大,能耗低,热效率高。
3,物料停留时间短,成品质量好,可用于热敏性物料干燥。
精制工业盐处置技术-干燥煅烧化工废盐是指在化工生产过程中产生的含盐废水或废液经处理后所得的盐固体废物。
这些废盐中含有各种无机盐,如氯化物、硫酸盐、硝酸盐等。
化工废盐的处理对环境保护和资源利用具有重要意义。
其中,精制工业盐是从化工废盐中提取并精制出的高纯度盐。
精制工业盐的处理技术主要包括干燥和煅烧两个步骤。
干燥是指将湿度较高的废盐进行脱水处理,使其含水量降低到一定水平。
干燥的目的是为了减少后续煅烧过程中能耗的消耗,并且降低废盐的体积和重量,便于后续的处理和运输。
干燥可以采用颗粒床式干燥机进行,这种干燥机利用高温气流对废盐进行干燥。
首先,将废盐通过输送装置输送到颗粒床干燥机中,然后利用高温气流对盐进行干燥。
在干燥的过程中,废盐中的水分逐渐被蒸发掉,然后通过尾气处理系统进行处理,以减少对环境的影响。
最后,经过干燥处理后的废盐可以得到较低的含水量,便于后续煅烧处理。
煅烧是指将干燥后的废盐进行高温处理,使其发生结晶和反应,从而得到精制的工业盐。
煅烧可以选择直接煅烧或间接煅烧。
直接煅烧是将干燥后的废盐直接送入高温炉中进行加热处理。
煅烧过程中,废盐中的杂质会发生自燃反应或熔融,然后通过气体和固体的分离装置进行分离,最后得到高纯度的工业盐。
间接煅烧是将废盐先进行固化处理,得到固体废物,然后再进行煅烧。
固化的目的是利用固化剂将废盐中的有害物质进行稳定化处理,以减少对环境的影响。
固化剂可以选择水泥、石膏等,将其与废盐混合后进行固化。
经过固化处理后的废盐可以提高其稳定性和耐高温性,便于后续的煅烧处理。
总结起来,精制工业盐(化工废盐)的处理技术主要包括干燥和煅烧两个步骤。
干燥是将废盐进行脱水处理,减少含水量;煅烧是对干燥后的废盐进行高温处理,得到精制的工业盐。
通过这些处理技术,可以有效地进行化工废盐的处置,减少对环境的污染,实现废盐的资源化利用。
ZLG.X.(无水硫酸钠专用干燥机-硫酸钠烘干机)————————————————————————————————作者:————————————————————————————————日期:成熟好品质ZLG0.75X9.0(无水硫酸钠专用干燥机,硫酸钠烘干机),常州市干燥设备有限公司提供专业定制。
拥有高品质,优质的售后服务,是您们明智之选。
我公司备有现货和样机,可提供来料试验,欢迎您的来电咨询一三六一六一一二九八八。
设计条件序号项目参数1 物料名称无水硫酸钠2 水分蒸发量 120-160kgH2O/h3 物料初始水分6-8%4 干燥后终水分<0.5%5 处理量2000kg/h一、工艺流程设计序号项目内容1 干燥系统形式开放式系统2 干燥介质空气3 操作温度进风温度120℃,排风温度70℃4 热源蒸汽换热器(蒸汽压力保证2-3公斤)5 收料方式流化床尾部收料6 除尘方式布袋除尘器7 控制要求按钮控制三、设计参数的确定序号项目参数1 初水分ω1=6-8%2 终水分ω2=0.5%3 水分蒸发量W水=120-160kgH2O/h4 进料流量W原=2000kg/h5 环境温度t=25℃6 进料温度θ1=25℃7 进风温度 t1=120℃8 出风温度 t2=70℃9 干燥面积 5.625平方米10 冷却面积 1.125平方米11 环境空气含湿量d=0.01kg水/kg干空气12 绝干产品的比热Cs=0.5kcal/kg.℃四、工作原理普通流化床干燥机在干燥颗粒物料时,可能会存在下述问题:当颗粒粒度较小时形成沟流或死区;颗粒分布范围大时夹带会相当严重;由于颗粒的返混,物料在机内滞留时间不同,干燥后的颗粒含湿量不均;物料湿度稍大时会产生团聚和结块现象,而使流化恶化等。
为了克服上述问题,出现了数种改型流化床,其中振动流化床就是一种较为成功的改型流化床。
振动流化床,就是将机械振动施加于流化床上。
调整振动参数,使返混较严重的普通流化床,在连续操作时得到较理想的活塞流。
常州干燥公司是国内较早专业生产干燥(KJG-180型空心桨叶干燥机,双轴真空桨叶干燥器)、制药设备的厂家之一, 专业生产各类干燥、制粒、除尘、粉碎、混合等设备, 品种可分为20余大类, 近100个规格品种, 特别是在规划、设计方面有独特优势。
抱着为用户负责的态度实行严格选型、认真规划、详实报价的营销策略, 并通过与用户共同论证, 反复试料, 仔细核算的积极措施, 为用户提供^满意的服务。
1详3细6咨1询6联1系1方2式9顾8先8生!T:136干燥1611煅烧2988一、KJG-180型空心桨叶干燥机,双轴真空桨叶干燥器工艺参数及条件1、物料名称:污泥2、处理量:50T/24h3、初水分:80%4、终水份:35%5、干燥温度:150℃6、出风温度:65℃7、热源:蒸汽8、设备材质:物料接触部分SUS304不锈钢,其余Q2359、尾气处理方式:旋风+水膜除尘器10、安装:室内11、电源:380V 50HZ 三相四线二、KJG-180型空心桨叶干燥机,双轴真空桨叶干燥器工艺计算及选型1、处理量:2083kg/h2、水分蒸发量:W水=1442kg/h3、干泥产量:W产=641kg/h三、工艺设备选型根据以上设计条件选用KJG-180桨叶干燥机1台满足系统设备工艺要求四、KJG-180型空心桨叶干燥机,双轴真空桨叶干燥器工作原理概述及特点桨叶干燥机空心桨叶干燥机由互相啮合的二根桨叶轴、带有夹套的W形壳体、机座以及传动部分组成,污泥的整个干燥过程在封闭状态下进行,有机挥发气体及异味气体在密封氛围下送至尾气处理装置,避免环境污染。
干燥机以蒸汽、热水或导热油作为加热介质,轴端装有热介质导入导出的旋转接头。
加热介质分为两路,分别进入干燥机壳体夹套和桨叶轴内腔,将器身和桨叶轴同时加热,以传导加热的方式对污泥进行加热干燥。
被干燥的物料由螺旋送料机定量地连续送入干燥机加料口,物料进入桨叶后,通过桨叶的转动使物料翻转、搅拌,不断改变加热界面,与器身和桨叶接触,被充分加热,使污泥所含的表面水分蒸发。
热处理有机化工废盐的工业盐制备杨帅发布时间:2023-05-10T01:52:47.800Z 来源:《工程建设标准化》2023年5期作者:杨帅[导读] 近年来,在我国科学技术不断进步下,带动了我国个方面的进步。
身份证号:******************摘要:近年来,在我国科学技术不断进步下,带动了我国个方面的进步。
现阶段,为实现有机化工废盐的资源化利用,以荆州市凯文生物科技有限公司产生的氯化钠型有机化工废盐为处理对象,分别采用热解和焚烧两种高温热处理方法,探索了热处理氛围、温度、时间等因素对产品盐白度和总有机碳(TOC)含量影响。
研究表明:焚烧法处理对有机物去除效果更彻底,热处理最佳温度为650℃,热处理时间120min时,结晶盐白度达到最大值84.12,TOC为27.62mg/kg,TOC去除率达到99.98%,达到工业用盐质量标准要求,为有机化工废盐综合利用提供了理论指导。
关键词:化工废盐;焚烧;热解;资源化利用引言工业废盐(以下简称“废盐”)主要产生于农药中间体、药物合成和印染等工业生产过程以及固液分离、溶液浓缩结晶及污水处理等过程,具有种类繁多、成分复杂、来源众多、处理成本高、环境危害大等特点。
2016年,《国家危险废物名录》把多种生产过程中的蒸馏和反应残余物、废母液与反应罐及容器清洗废液等废弃物正式列入危险废物名录。
近年来,我国废盐产生量不断增加,预计年产生量超过500万t,其中农药占30%,精细化工占15%,医药占10%,其他占45%。
目前,废盐普遍实行企业建库集中暂存的方式进行处理,但如何对其进行彻底的无害化资源化处理与处置已成为一个亟待解决的现实问题,得到社会各界的广泛关注。
1化工废盐的来源化工废盐指化工生产过程或废水处理过程中产生的含有毒有害成分的含盐废液或固体废盐。
废盐中杂质含量较少的外观主要呈白色,杂质含量较多的外观多呈微黄色、青白色,形态呈颗粒状或板块状。
化工废盐中杂质为未反应的原料、中间产物或产物及溶剂等,很多属于有毒有害有机物。
对于PZG-2000耙式真空干燥机,有机溶剂物料真空烘干设备,2000升真空耙式干燥设备的应用,常州干燥可根据客户的需求提供非标准设计“不仅向客户提供一流的产品,更提供一流质量的服务”是我们不变的宗旨“。
“不断改进产品性能、提高产品质量,更好地满足客户日益增长的需求“。
是我们永恒的追求。
“急客户所急,想客户所想”是我们的服务理念。
一、PZG-2000耙式真空干燥机,有机溶剂物料真空烘干设备,2000升真空耙式干燥设备概述:真空耙式真空干燥机也称为耙式真空干燥机,是动态传导型真空类干燥设备,随着真空耙式干燥机应用延伸,产生了一系列专用变型设备,有轴热式真空耙式干燥机、真空桨叶干燥机、真空螺带干燥机等。
真空耙式干燥机采用夹套加热和夹套加空芯轴、耙臂共同加热两种加热方式,适用于需要在真空条件下、干燥过程中物料易团聚、结块的松散物料的干燥、溶剂回收工艺。
真空耙式干燥机一般配置冷凝器、溶剂接收罐、真空泵、控制柜等。
热媒可根据工艺条件选用热水、导热油、蒸汽等加热方式。
也可与浓缩设备等组合为特殊用途的装置。
设备配置请咨询常州市力度干燥设备有限公司技术部。
基本型真空耙式干燥机:具备动态真空干燥设备的所有特征,在溶剂蒸发过程中搅拌物料。
可根据物料特性,从端盖视镜孔内塞入4根敲击棒,强化对物料的破碎、分散功能。
轴热式真空耙式干燥机:具备动态真空干燥设备的所有特征,在溶剂蒸发过程中搅拌物料。
可根据物料特性,从端盖视镜孔内塞入4根敲击棒,强化对物料的破碎、分散功能。
换热面积比基本型增加30%左右。
真空桨叶干燥机:为单轴式真空干燥设备,在搅拌轴上附加了空芯桨叶,进一步扩大间壁换热面积,桨叶外围设有螺带,用于刮动罐体壁面附近的物料,也是物料排出时的主要推动力来源之一。
适用于高湿、干燥后松散的物料。
真空螺带干燥机:该机型结合了卧式双螺带混合机的特征,在搅拌轴上分布了内外层螺带,2层螺带旋向相反。
该机型在基本型真空耙式干燥机的基础上强化了设备的剪切混合能力。
干燥设备厂家工业盐干燥机化工废盐烘干机
内部编号:(YUUT-TBBY-MMUT-URRUY-UOOY-DBUYI-0128)
欢迎拨打我们的销售热线一三六一六一一二九八八,我们24小时专业为您服务。
非标设计定制闪蒸、带式、喷雾、盘式、流化床、桨叶、回转窑、煅烧、气流、沸腾、真空、烘箱等混合制粒设备,良好的信誉,优越的品质,完善的服务!
常州干燥为您量身打造工业盐干燥机|化工废盐烘干机,公司引进国外的先进技术,新型的设备结构,高制作水准,让您选购的设备没有后顾之忧,公司常年备有现货和样机,欢迎您的来电选购一三六一六一一二九八八,让您买的放心,用的安心。
流化床干燥技术是近年来发展起来的一种新型干燥技术,其过程是散状物料被置于孔板上,并由其下部输送气体,引起物料颗粒在气体分布板上运动,在气流中呈悬浮状态,产生物料颗粒与气体的混合底层,犹如液体沸腾一样。
在流化床干燥器中物料颗粒在此混合底层中与气体充分接触,进行物料与气体之间的热传递与水分传递。
目前被广泛用于化工、食品、陶瓷、药物、聚合物等行业。
一、工业盐干燥机|化工废盐烘干机的工作原理:
如果气体通过一个颗粒床层,该床层随着气流速度的变化会呈现不同的状态。
在流速较低时,气流仅是在静止颗粒的缝隙中流过,这时称为固定床。
当气流速度增大到一定值时,所有的颗粒被上升的气流悬浮起来,此时气体对颗粒的作用力与颗粒的重力相平衡,床层达到起始流态化,这时的气流速度称为最小流化速度。
当气流速度超过这个值,高到超过颗粒的终端速度时,床层上界面消失并出现夹带现象,固体颗粒随流体从床层中带出,这种情况就是气力输送固体颗粒现象,或称分散相流化床。
二、工业盐干燥机|化工废盐烘干机的特点:
1、在流化床干燥设备内流体与固体颗粒充分混合,表面更新机会多,大大强化了两相间的传热和传质,因而床层内温度比较均匀。
同时,具有很高的热容量系数(或体积传热系数),一般可达到8000-25000KJ/(m·h·℃)。
生产能力大,至多每小时可干燥几百吨的物料。
2、流化床干燥设备与老式的箱式干燥设备或回转筒干燥设备相比,具有物料停留时间短、干燥速率大的优点;对于某些热敏性物料的干燥也较为合适。
3、设备简单、便于制造、维修方便、且易于设备放大。
4、物料在流化床干燥设备内的停留时间可按工艺生产要求进行调整。
在产品含水量要求变化或原料含水量有波动时,均可适当调整。
5、在同一设备内,即可连续产生操作,又可进行间歇操作。
三、工业盐干燥机|化工废盐烘干机的使用条件:
1、对被干燥的物料,在颗粒度上有一定的限制,一般以大于30um、小于
6mm较为合适。
粒度太小易被气流夹带,粒度太大不宜硫化。
2、若几种物料混合在一起进行流化床干燥,则要求几种物料的相对密度要接近。
否则,相对密度小的颗粒较相对密度大的颗粒易被气流夹带,同时也会影响它们的干燥度。
3、含水量过高且易粘结成团的物料,一般不适用。
4、易结壁和结块的物料,在硫化干燥中易产生设备结壁和堵床现象。
5、流化床干燥设备床内的物料纵向返混激烈。
对单极连续干燥,因物料在设备内停留时间不均匀,会使产品干湿不均匀而被排出。
6、对产品要求外表美观的物料不宜采用。
对于贵重和有毒的物料,要慎重考虑完善的回收装置。
四、工业盐干燥机|化工废盐烘干机安装:
1、设备按厂房及工艺条件定位后,应预先将振动流化床及风机、旋风分离器等的预埋板、基础、预留孔等工作做好,地面须平整,基础等须保证主机运行的平稳性、牢固性;
2、采用软管(可用帆布自制)将进、出风口分别与进、出风管接通;
3、将两台振动电机按一定角度并联安装,并采用同一只倒、顺开关控制;
4、打开振动电机两头偏心块护罩,接通电源电动电机,观察两台电机转向;
5、彻底、认真地检查各紧固件是否松动;
6、开机空载运转二十分钟,观察设备运行是否平稳,有无异常振动或噪音;并测试振动电机各相电流是否平衡,电机温升是否在允许范围(详见振动电机说明书)。
五、工业盐干燥机|化工废盐烘干机调整:
1、振幅的调整
主要是改变两台振动电机偏心块夹角,具体详见振动电机说明书,调整后两振动电机四对偏心块夹角应一致,允差为±0.2格;
2、振动方向角的调整:
改变振动电机安装方向角,可改变物料振动方向角,达到改变物料运动状态和运行速度(物料停留时间)的目的。
本系列机组安装方向角调整范围为15°
~60°,水份较大或粘性较强物料宜选用较小安装方向角;轻质或易碎物料宜采用较大安装方向角。
(两台振动电机的安装方向角必须一致,允差为±1°)。