14货币资金业务流程图
- 格式:pdf
- 大小:23.92 KB
- 文档页数:1
货仓存货管理评分表-------收货组
版本1:此表每月评比一次,发现的问题点限一周内改善。
并存档在处。
评分日期:年月日
精品文档可编辑的精品文档
货仓存货管理评分表-------成品&废料
版本1:此表每月评比一次,发现的问题点限一周内改善。
并存档在处评分日期:年月日
精品文档可编辑的精品文档
货仓存货管理评分表-------超市
版本1:此表每月评比一次,发现的问题点限一周内改善。
并存档在处评分日期:年月日
精品文档可编辑的精品文档
货仓存货管理评分表-------账数处理(收货/超市/拆料)
版本1:此表每月评比一次,发现的问题点限一周内改善。
并存档在处评分日期:年月日
精品文档可编辑的精品文档。
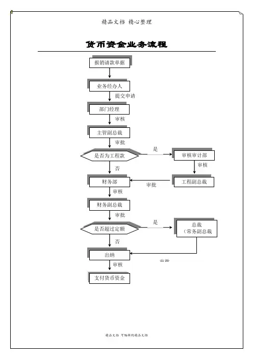
1.XY宾馆在货币资金管理中能够建立相应的内部控制制度,例如:制单、复核、印鉴保管、收付款、支票保管、记账和编制报表等工作均进行不相容职务分工,在一定程度上防止了侵吞、挪用和失窃等不端行为的发生。
但该制度也有不完善的方面,例如:企业银行存款日记账与银行对账单的核对要求、现金与银行存款的日常管理规定等。
2.为保护货币资金的安全,健全和完善货币资金的内部控制制度,结合XY宾馆的具体管理
状况,该宾馆的货币资金收入和支出业务的控制程序图示如下:。
第十二章货币资金的审计(课后作业)一、单项选择题1.下列财务报表项目中,流动性最强的是()。
A.应收账款B.应收票据C.交易性金融资产D.货币资金2.下列人员中,不得兼任稽核、会计档案保管和收入、支出、费用、债权债务账目的登记工作的是()。
A.内部审计人员B.出纳C.固定资产卡片登记员D.财务经理3.以下有关货币资金的内部控制中,存在设计缺陷的是()。
A.出纳一人办理货币资金业务的全过程B.加强现金库存限额的管理,超过库存限额的现金应及时存入银行C.不属于现金开支范围的业务应当通过银行办理转账结算D.企业取得的货币资金收入必须及时入账,不得私设“小金库”,不得账外设账,严禁收款不入账4.下列选项的货币支出中,最可能需要集体审批的是()。
A.5万元以下B.5-10万元C.10-50万元D.50万元以上5.对批准后的货币资金支付申请进行复核时,复核的内容不包括()。
A.金额计算是否准确B.手续及相关单证是否齐备C.会计科目是否正确D.支付方式、支付企业是否妥当6.下列选项中,既属于一个良好的现金内部控制的要求也属于一个良好的银行存款内部控制的要求的是()。
A.全部收入及时准确入账,全部支出要有核准手续B.现金收支与记账的岗位分离C.加强对银行存款收支业务的内部审计D.控制现金坐支,当日收入现金应及时送存银行7.注册会计师通常通过()来了解现金内部控制。
A.库存现金盘点表B.库存现金监盘表C.银行对账单D.现金内部控制流程图8.下列选项中,不属于注册会计师测试被审计单位现金收款凭证时检查的内容的是()。
A.核对现金日记账的收入金额是否正确B.检查收款的授权批准手续是否符合规定C.核对现金收款凭证与应收账款明细账的有关记录是否相符D.核对实收金额与销货发票是否一致9.下列关于现金监盘的说法中,正确的是()。
A.如果存在多处存放库存现金的情况,应同时进行盘点B.注册会计师盘点现金C.盘点现金前,注册会计师将现金都锁入保险柜D.现金盘点范围为财务部门保管的各种用途的现金10.如果上一日库存现金账面余额为1000元,盘点日未记账传票收入金额为1500元,未记账传票支出金额为800元。
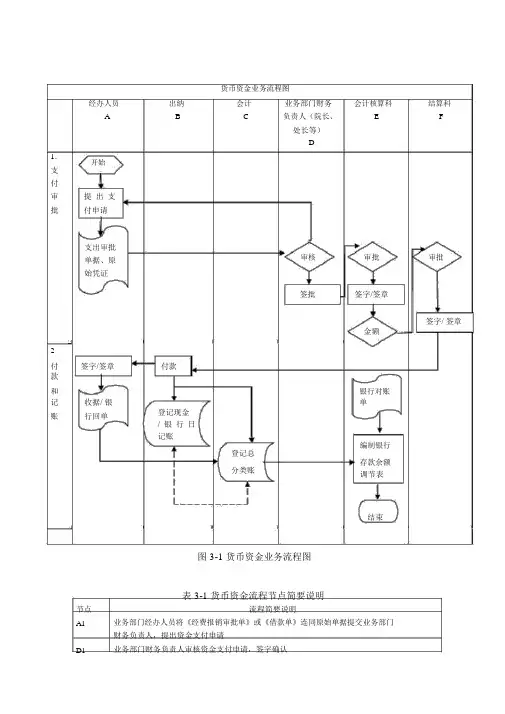
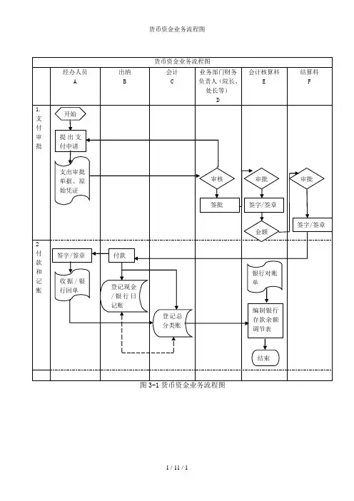
货币资金业务流程图
经办人员
A 出纳
B
会计
C
业务部门财务
负责人(院长、
处长等)
会计核算科
E
结算科
F
D
1.
开始
支
付
审提出支
批付申请
支出审批
单据、原审核审批审批
始凭证
签批签字/签章
签字/ 签章
金额
2
付签字/签章付款
款
和银行对账
记收据/ 银单
账行回单
登记现金
/银行日
记账
登记总
编制银行
存款余额
分类账
调节表
结束
图 3-1 货币资金业务流程图
表 3-1 货币资金流程节点简要说明
节点流程简要说明
A1 业务部门经办人员将《经费报销审批单》或《借款单》连同原始单据提交业务部门
财务负责人,提出资金支付申请
D1 业务部门财务负责人审核资金支付申请,签字确认
E1 会计核算科对资金支付申请进行审批并签字或签章确认
F1 结算科负责人对资金支付申请进行审批
B2 出纳岗收取已履行各项审批手续的资金支付申请,按规定方式支付资金
A2 经办人员签字或签章确认已收到款项
C2 会计岗根据出纳转来的资金支付申请相关凭证、收据和银行回单登记账务
D2 出纳人员领取“银行对账单” ,编制“银行存款余额调节表”,并由专人进行审核。