12BJ1-1图集——外涂3 真石漆
- 格式:doc
- 大小:781.50 KB
- 文档页数:1
12BJ1-1图集弹性硬木长条地板地面编号及类别名称用料及分层做法厚度附注干拌砂浆现拌砂浆地18B 弹性硬木长条地板地面(粘铺)(有龙骨)燃烧性能:B2级1.刷油漆(地板成品已带油漆者无此道工序)2.60*18硬木长条企口地板(背面刷防腐剂)3.50*50木横撑(满涂防腐剂)中距800,两端头及底面用“硬木地板胶粘剂”与木龙骨和木垫块粘牢4.50*50木龙骨中距400,架空用20木垫块,规格100*100中距1.刷油漆(地板成品已带油漆者无此道工序)2.60*18硬木长条企口地板(背面刷防腐剂)3.50*50木横撑(满涂防腐剂)中距800,两端头及底面用“硬木地板胶粘剂”与木龙骨和木垫块粘牢4.50*50木龙骨中距400,架空用20木垫块,规格100*100中距2101.本做法不需要在基层面钻孔、射钉或预埋钢筋鼻子,用专用“硬木地板胶粘剂”粘接即可,该胶粘剂粘结强度高、耐潮耐高温2、设计时应考虑地板下通风并施工图中绘出通风篦子及木龙骨通风孔位置及大样3.龙骨高度可根据工程实际需要由设400,顶面及底面专用“硬木地板胶”粘剂与木龙骨及DS干拌砂浆基层粘牢(龙骨、垫块满涂防腐剂)5.20厚DS干拌砂浆找平层6.1.5厚水泥基防水涂料(或按工程设计)7.100厚C15混凝土8.素土夯实,压实系数≧0.90400,顶面及底面专用“硬木地板胶”粘剂与木龙骨及DS干拌砂浆基层粘牢(龙骨、垫块满涂防腐剂)5.20厚1:3水泥砂浆找平层6.1.5厚水泥基防水涂料(或按工程设计)7.100厚C15混凝土8.素土夯实,压实系数≧0.90计人调整4.设计要求燃烧性能为B1级时,应按消防部门有关要求加做相应的防火处理。
外墙真石漆工程施工方案(27#、56#、57#楼)编制:审核:批准:陕西建工第六建设集团安康高新七路付家河安置楼项目部2014。
8.3外墙真石漆工程施工方案一、编制依据1.1 施工图1。
2建筑装饰装修工程质量验收规范GB50210—2001 1.3建筑工程施工质量验收统一标准GB50300—2001 1。
4建筑施工高处作业安全技术规范JGJ80—911.5施工现场临时用电安全技术规范JGJ46—2005 1。
6外墙真石漆图集 12BJ1-1二、工程概况2。
1工程名称:安康付家河安置楼工程27#、56#、57#楼2.2工程地点:安康市高新七路西侧2.3设计概况:2。
4外墙装饰工程:总面积约16000m2.2.4。
1 外墙真石漆做法——A.面层罩光漆;B.真石漆涂料;C.底层耐碱涂料;D.抗裂腻子层;三、施工部署3。
1、施工部署原则及工期控制1、坡屋面找平层、防水层、保温层、混凝土保护层施工完成后即可进行山墙涂料批腻子,腻子批完打磨后将底漆刷完后方可进行屋面贴瓦;坡屋面挂瓦施工完成后,即可进行真石漆施工.2、计划完成时间:第一阶段屋面工程:27#楼计划9月10日完成;56#楼计划9月25日完成;57#楼计划9月30日完成。
第二阶段24~26层外墙真石漆涂料:27#楼计划9月20日完成;56#楼计划9月30日完成;57#楼计划10月5日完成.第三阶段1~23层外墙真石漆工程:27#楼计划11月10日完成;56#楼计划11月20日完成;57#楼计划11月30日完成。
3、材料运输:各楼层采用施工电梯作为垂直运输工具;屋面由于施工电梯不能到达,采用塔吊解决垂直运输。
3。
2、主要劳动力构成根据本工程的屋面面积及工期要求,合理配备施工操作人员,人员安排计划如下表表2—1四、施工准备(一)、技术准备1.提前策划细部做法和工程质量要求,确定材料品牌。
2.提前编制材料计划,落实材料供应商,组织材料提前进场做复试,复试合格后,方可进行施工。
12BJ1-1图集面砖墙裙(防水)编号名称及墙体基面用料及分层做法(干拌砂浆)厚度用料及分层做法(现场搅合砂浆)厚度附注裙3A-f1 裙3A-f2 面砖墙裙(防水)(非黏土砖墙)燃烧性能:A级1.DTG勾缝2.粘贴5-6厚面砖3.4厚DTA粘结层4.防水层(从下面任选一种)f1=0.6厚聚乙烯丙纶防水卷材用1.1厚胶粘剂粘贴f2=1.5厚聚合物水泥基防水涂料5.9厚DP-MR砂浆打底压实抹平2-211.专用勾缝剂勾缝(或白水泥擦缝)2.粘贴5-6厚面砖3.4厚强力胶粉泥粘结层4.防水层(从下面任选一种)f1=0.6厚聚乙烯丙纶防水卷材用1.1厚胶粘剂粘贴f2=1.5厚聚合物水泥基防水涂料5.9厚1:3水泥砂浆打底压实抹平2-211.面砖墙裙(防水)用于潮湿房间,如卫生间等2.墙裙高度由设计人员定,并在施工图中注明3.墙裙厚度应与墙面抹灰面平,不相同时可调整底层抹灰厚度裙3C-f1 裙3C-f2 (混凝土墙)(混凝土砌块墙)燃烧性能:A级裙3B-f1 裙3B-f2 面砖墙裙(防水)(大模混凝土墙)燃烧性能:A级1.DTG勾缝2.粘贴5-6厚面砖3.4厚DTA粘结层4.防水层(从下面任选一种)f1=0.6厚聚乙烯丙纶防水卷材用1.1厚胶粘剂粘贴f2=1.5厚聚合物水泥基防水涂料5.9厚DP-LR砂浆打底压实抹平11-121.专用勾缝剂勾缝(或白水泥擦缝)2.粘贴5-6厚面砖3.4厚DTA粘结层4.防水层(从下面任选一种)f1=0.6厚聚乙烯丙纶防水卷材用1.1厚胶粘剂粘贴f2=1.5厚聚合物水泥基防水涂料5.聚合物水泥砂浆修补墙面11-12裙3D-f1 (防水)(加气混凝土条板墙)(加气混凝土砌块墙)燃烧性能:A级2.粘贴5-6厚面砖3.5厚DTA粘结层4.防水层(从下面任选一种)f1=0.6厚聚乙烯丙纶防水卷材用1.1厚胶粘剂粘贴f2=1.5厚聚合物水泥基防水涂料5.8厚DP-HR砂浆打底6.DP-HRA砂浆勾实接缝。
外墙B1外墙1A 清水砖勾缝墙面(砖墙)[用料及分层做法]清水砖墙1:1水泥砂浆勾凹缝[类别][厚度][附注]1.颜色比例与砖原色相差不宜过大;2.只适用于红机砖[保温层及屋面传热系数]B1外墙2A 清水砖勾缝墙面(砖墙)[用料及分层做法]清水砖墙1:1:2水泥石灰砂浆勾凹缝 [类别][厚度][附注]1.颜色比例与砖原色相差不宜过大;2.只适用于红机砖[保温层及屋面传热系数]B1外墙3A 清水砖刷色墙面(砖墙)[用料及分层做法]1.薄刷或喷色(颜料为氧化铁红或氧化铁黄、粘结剂为乳胶,按水重的15%掺用);2.清水砖墙1:1水泥砂浆勾凹缝,凹入4[类别][厚度][附注]1.颜色比例与砖原色相差不宜过大;2.只适用于红机砖[保温层及屋面传热系数]B1外墙4A 石墙勾缝墙面(石墙)[用料及分层做法]1:2水泥砂浆勾缝:平凸缝,缝宽2-25,凸出3-4(适用于虎皮墙);凹缝,缝宽10-25,凹入5-8(适用于整石墙)[类别]1.一平凸缝;2.凹缝[厚度][附注][保温层及屋面传热系数]B1外墙5A 水泥砂浆墙面(砖墙)1. 6厚1:2.5水泥砂浆罩面;2. 12厚1:3水泥砂浆打底扫毛或划出纹道 [类别][厚度]18[附注]设计时应在立面图中绘出分格线 [保温层及屋面传热系数]B1外墙5C 水泥砂浆墙面(混凝土墙)(混凝土砌块墙)[用料及分层做法]1. 6厚1:2.5水泥砂浆罩面;2. 12厚1:3水泥砂浆打底扫毛或划出纹道;3.刷素水泥浆一道(掺建筑胶)[类别][厚度]18[附注]设计时应在立面图中绘出分格线[保温层及屋面传热系数]B2外墙5D 水泥砂浆墙面(加气混凝土墙)[用料及分层做法]1. 10厚1:2.5(或1:3)水泥砂浆罩面;2. 9厚1:1:6水泥石灰膏砂浆底砂浆底灰抹平,表面扫毛或划出纹道;3.3厚外加剂专用砂浆草底面刮糙;或专用界面剂甩毛;4. 喷湿墙面[类别][厚度]22[附注]设计时应在立面图中绘出分格线[保温层及屋面传热系数]B2外墙6A 水泥石灰砂浆墙面(砖墙)[用料及分层做法]1. 6厚1:1:4水泥石灰膏砂浆罩面;2.12厚1:1:6水泥石灰膏砂浆打底扫毛或划出纹道[类别][厚度]18[附注]设计时应在立面图中绘出分格线[保温层及屋面传热系数]B2外墙7A 喷涂涂料石屑墙面(砖墙)屑加水重10%建筑胶(喷2-3遍);3. 6厚1:2.5水泥砂浆搓平;4. 12厚1:3水泥砂浆打底搓出麻面[类别][厚度]23[附注]涂料颜色由设计人定[保温层及屋面传热系数]B2外墙7B 喷涂涂料石屑墙面(大模混凝土墙)[用料及分层做法]1. 喷(刷)涂料面层;2. 1:2水泥石屑加水重10%建筑胶(喷2-3遍);3. 1:1水泥细砂浆内参水重20%建筑胶修补刮平;4. 刷混凝土界面处理剂 [类别][厚度]5[附注]涂料颜色由设计人定[保温层及屋面传热系数]B2外墙7C 喷涂涂料石屑墙面(混凝土墙)(混凝土砌块墙)[用料及分层做法]1. 喷(刷)涂料面层;2. 1:2水泥石屑加水重10%建筑胶(喷2-3遍)3. 6厚1:2.5水泥砂浆搓平;4. 12厚1:3水泥砂浆打底搓出麻面;5. 刷混凝土界面处理剂[类别][厚度]23[附注]涂料颜色由设计人定[保温层及屋面传热系数]B3外墙7D 喷涂涂料石屑墙面(加气混凝土墙)[用料及分层做法]1. 喷(刷)涂料面层;2. 1:2水泥石屑加水重10%建筑胶(喷2-3遍);3.9厚1:1:6水泥石灰膏砂浆抹平,表面扫毛或划出纹道;4. 3厚外加剂专用砂浆底面刮糙,或专用界面剂甩毛;5. 喷湿墙面[类别][厚度]17[附注]设计时应在立面图中绘出分格线涂料颜色由设计人定[保温层及屋面传热系数]B3外墙8A 滚涂涂料墙面(砖墙)厚1:2.5水泥砂浆抹平,表面扫毛或划出纹道;4. 12厚1:3水泥砂浆打底搓出麻面[类别][厚度]20[附注]设计时应在立面图中绘出分格线涂料颜色由设计人定[保温层及屋面传热系数]B3外墙8B 滚涂涂料墙面(大模混凝土墙)[用料及分层做法]1. 喷(刷)涂料面层;2. 1:1:0.2水泥、砂、建筑胶滚涂拉毛;3. 1:1水泥细砂浆内的掺水重20%建筑胶修补刮平;4. 刷混凝土界面处理剂[类别][厚度]4[附注]设计时应在立面图中绘出分格线涂料颜色由设计人定[保温层及屋面传热系数]B3外墙8C 滚涂涂料墙面(混凝土墙)(混凝土砌块墙)[用料及分层做法]1. 喷(刷)涂料面层;2. 1:1:0.2水泥、砂、建筑胶滚涂拉毛;3. 6厚1:2.5水泥砂浆抹平,表面扫毛或划出纹道;4. 12厚1:3水泥砂浆打底搓出麻面;5. 刷混凝土界面处理剂[类别][厚度]21[附注]设计时应在立面图中绘出分格线涂料颜色由设计人定[保温层及屋面传热系数]B3外墙8D 滚涂涂料墙面(加气混凝土墙)1:6水泥石灰膏砂浆中层底灰抹平,表面扫毛或划出纹道;4. 3厚外加剂专用砂浆底面刮糙;或专用界面剂甩毛;5.喷湿墙面[类别][厚度]15[附注]设计时应在立面图中绘出分格线涂料颜色由设计人定[保温层及屋面传热系数]B4外墙9A 水刷石墙面(砖墙)[用料及分层做法]1. 8厚1:1.5水泥石子(小八厘)或8厚1:2.5水泥石子(中八厘)罩面;2.刷素水泥浆一道(内掺水重5%的建筑胶);3. 12厚1:3水泥砂浆打底扫毛或划出纹道[类别]1.小八厘,青水泥;2.小八厘,白水泥;3.中八厘,青水泥;4.中八厘,白水泥[厚度]21[附注]1.石子可用白石碴或彩色石碴,由设计人定;2.在立面图中绘出分格线[保温层及屋面传热系数]B4外墙9B 水刷石墙面(大模混凝土墙)[用料及分层做法]1. 8厚1:1.5水泥石子(小八厘)或8厚1:2.5水泥石子(中八厘)罩面;2.刷素水泥浆一道(内掺水重5%的建筑胶);3. 1:1水泥细砂浆内参水重20%建筑胶修补刮平;4. 刷混凝土界面处理剂[类别]1.小八厘,青水泥;2.小八厘,白水泥;3.中八厘,青水泥;4.中八厘,白水泥[厚度]9[附注]1.石子可用白石碴或彩色石碴,由设计人定;2.在立面图中绘出分格线[保温层及屋面传热系数]B4外墙9C 水刷石墙面(混凝土墙)(混凝土砌块墙)厚1:2.5水泥石子(中八厘)罩面;2.刷素水泥浆一道(内掺水重5%的建筑胶);3. 6厚1:0.5:3水泥石灰膏砂浆打底扫毛或划出纹道;4. 刷素水泥浆一道(内掺水重5%的建筑胶)[类别]1.小八厘,青水泥;2.小八厘,白水泥;3.中八厘,青水泥;4.中八厘,白水泥[厚度]15[附注]1.石子可用白石碴或彩色石碴,由设计人定;2.在立面图中绘出分格线[保温层及屋面传热系数]B4外墙9D 水刷石墙面(加气混凝土墙)[用料及分层做法]1. 8厚1:1.5水泥石子(小八厘)或8厘1:2.5水泥石子(中八厘)罩面;2.刷素水泥浆一道(内掺水重5%的建筑胶);3. 9厚1:1:6水泥石灰膏砂浆中层底灰抹平,表面扫毛或划出纹道;4. 3厚外加剂专用砂浆底面刮糙;或专用界面剂甩毛;5. 喷湿墙面[类别]1.小八厘,青水泥;2.小八厘,白水泥;3.中八厘,青水泥;4.中八厘,白水泥[厚度]21[附注]1.石子可用白石碴或彩色石碴,由设计人定;2.在立面图中绘出分格线[保温层及屋面传热系数]B5外墙10A 水刷小豆石墙面(砖墙)[用料及分层做法]1. 12厚1:2.5水泥小豆石罩面(小豆石粒径以5-8为宜);2. 刷素水泥浆一道(内掺水重5%的建筑胶);3. 12厚1:3水泥砂浆打底扫毛或划出纹道 [类别]1.青水泥;2.白水泥[厚度]25[附注]设计时应在立面图中绘出分格线[保温层及屋面传热系数]B5外墙10C 水刷小豆石墙面(混凝土墙)(混凝土砌块墙)石粒径以5-8为宜);2. 刷素水泥浆一道(内掺水重5%的建筑胶);3. 12厚1:3水泥砂浆打底扫毛或划出纹道;4.刷素水泥浆一道(内掺水重5%的建筑胶)[类别]1.青水泥;2.白水泥[厚度]25[附注]设计时应在立面图中绘出分格线[保温层及屋面传热系数]B5外墙10D 水刷小豆石墙面(加气混凝土墙)[用料及分层做法]1. 12厚1:2.5水泥小豆石罩面(小豆石粒径以5-8为宜);2. 刷素水泥浆一道(内掺水重5%的建筑胶);3. 9厚1:1:6水泥石灰膏砂浆中层底灰抹平,表面扫毛或划出纹道;4. 3厚外加剂专用砂浆底面刮糙,或专用界面剂甩毛;5.喷湿墙面[类别]1.青水泥;2.白水泥[厚度]24[附注]设计时应在立面图中绘出分格线[保温层及屋面传热系数]B5外墙11A 剁斧石墙面(砖墙)[用料及分层做法]1. 斧剁斩毛两遍成活;2. 10厚1:2水泥石子(米粒石内掺30%石屑)罩面赶平压实;3. 刷素水泥浆一道(内掺水重5%的建筑胶);4. 12厚1:3水泥砂浆打底扫毛或划出纹道[类别]1.青水泥;2.白水泥[厚度]23[附注]水泥石子颜色由设计人定,并在立面图中绘出分格线[保温层及屋面传热系数]B5外墙11C 剁斧石墙面(混凝土墙)(混凝土砌块墙)1. 斧剁斩毛两遍成活;2. 10厚1:2水泥石子(米粒石内掺30%石屑)罩面赶平压实;3. 刷素水泥浆一道(内掺水重5%的建筑胶);4. 12厚1:3水泥砂浆打底扫毛或划出纹道;5. 刷YJ-302型混凝土界面处理剂一道(随刷随抹底灰)[类别]1.青水泥;2.白水泥[厚度]23[附注]水泥石子颜色由设计人定,并在立面图中绘出分格线[保温层及屋面传热系数]B6外墙12A 清水砂墙面(砖墙)[用料及分层做法]1. 6厚1:0.2:1.5水泥石灰膏砂浆罩面(砂子必须过筛洗净,加30%石英砂,粒径1.2-2.5体积比);2. 刷素水泥浆一道(内掺水重5%的建筑胶);3. 12厚1:3水泥砂浆打底扫毛或划出纹道 [类别][厚度]19[附注]1.设计时应在立面图中绘出分格线;2.小面积也可用大理石屑[保温层及屋面传热系数]B6外墙12C 清水砂墙面(混凝土墙)(混凝土砌块墙)[用料及分层做法]1. 6厚1:0.2:1.5水泥石灰膏砂浆罩面(砂子必须过筛洗净,加30%石英砂,粒径1.2-2.5体积比);2. 刷素水泥浆一道(内掺水重5%的建筑胶);3.12厚1:3水泥砂浆打底扫毛或划出纹道;4. 刷素水泥浆一道(内掺水重5%的建筑胶)[类别][厚度]19[附注]1.设计时应在立面图中绘出分格线;2.小面积也可用大理石屑[保温层及屋面传热系数]B6外墙13A 干粘石墙面(砖墙)1. 刮1厚建筑胶素水泥浆粘结层(重量比:水泥:建筑胶=1:0.3),干粘石,面层拍平压实(粒径以小八厘略掺石屑为宜与6厚水泥砂浆层连续操作);2. 6厚1:3水泥砂浆;3. 12厚1:3水泥砂浆打底扫毛或划出纹道[类别]1.青水泥;2.白水泥[厚度]20[附注]1.水泥石子颜色由设计人定,并在立面图中绘出分格线;2.不宜用于易触摸部位,如勒脚、门洞、栏板等;3.不适用于房屋底层墙面[保温层及屋面传热系数]B6外墙13C 干粘石墙面(混凝土墙)(混凝土砌块墙)[用料及分层做法]1. 刮1厚建筑胶素水泥浆粘结层(重量比:水泥:建筑胶=1:0.3),干粘石,面层拍平压实(粒径以小八厘略掺石屑为宜与6厚水泥砂浆层连续操作);2. 6厚1:3水泥砂浆;3. 6厚1:0.5:3水泥石灰膏砂浆刮平划出纹道;4.刷素水泥浆一道(内掺水重5%的建筑胶)[类别]1.青水泥;2.白水泥[厚度]14[附注]1.水泥石子颜色由设计人定,并在立面图中绘出分格线;2.不宜用于易触摸部位,如勒脚、门洞、栏板等;3.不适用于房屋底层墙面[保温层及屋面传热系数B7外墙14A 喷仿石涂料墙面(砖墙)[用料及分层做法]1. 喷(或刷)仿石面涂料;2. 喷仿石底涂料;3. 着色剂;4. 刷封底涂料增强粘结力;5. 6厚1:2.5水泥砂浆找平;6. 12厚1:3水泥砂浆打底扫毛或划出纹道[类别][厚度]21[附注]1.涂料颜色由设计人定,并在施工图中注明;2.面层外也可加一道罩面防水剂 [保温层及屋面传热系数]B7外墙14B 喷仿石涂料墙面(大模混凝土墙)1. 喷(或刷)仿石面涂料;2. 喷仿石底涂料;3. 着色剂;4. 刷封底涂料增强粘结力;5. EC聚合物砂浆修补平整 [类别][厚度]4[附注]1.涂料颜色由设计人定,并在施工图中注明;2.面层外也可加一道罩面防水剂 [保温层及屋面传热系数]B7外墙14C 喷仿石涂料墙面(混凝土墙)(混凝土砌块墙)[用料及分层做法]1. 喷(或刷)仿石面涂料;2. 喷仿石底涂料;3. 着色剂;4. 刷封底涂料增强粘结力;5. 12厚1:0.2:2水泥石灰膏砂浆找平;6. 刷素水泥浆一道(内掺水重5%的建筑胶);7. 5厚1:0.5:3水泥石灰膏砂浆打底扫毛;8. 刷一道YJ-302型混凝土界面处理剂(随刷随抹底灰);[类别][厚度]20[附注]1.涂料颜色由设计人定,并在施工图中注明;2.面层外也可加一道罩面防水剂[保温层及屋面传热系数]B7外墙14D 喷仿石涂料墙面(加气混凝土墙)[用料及分层做法]1. 喷(或刷)仿石面涂料;2. 喷仿石底涂料;3. 着色剂;4. 刷封底涂料增强粘结力;5. 6厚1:2.5水泥砂浆找平;6. 9厚1:1:6水泥石灰膏砂浆中层刮平扫毛或划出纹道;7. 3厚外加剂专用砂浆底面刮糙;或专用界面剂甩毛;8.喷湿墙面[类别][厚度]21[附注]1.涂料颜色由设计人定,并在施工图中注明;2.面层外也可加一道罩面防水剂 [保温层及屋面传热系数]B8外墙15A 弹涂涂料墙面(砖墙)1. 喷有机硅憎水剂(视涂料要求);2.弹涂配色点浆1:0.4:0.1水泥、水、建筑胶加颜料;3. 配色底浆1:0.9:0.2水泥、水、建筑胶加颜料;4. 6厚1:2.5水泥砂浆抹平,表面扫毛或划出纹道;5. 12厚1:3水泥砂浆打底搓出麻面[类别][厚度]23[附注]设计时应在立面图中绘出分格线涂料颜色由设计人定[保温层及屋面传热系数]B8外墙15B 弹涂涂料墙面(大模混凝土墙)[用料及分层做法]1. 喷有机硅憎水剂(视涂料要求);2.弹涂配色点浆1:0.4:0.1水泥、水、建筑胶加颜料;3. 配色底浆1:0.9:0.2水泥、水、建筑胶加颜料;4. 1:1水泥细砂浆内掺水重20%建筑胶修补刮平;5.刷混凝土界面处理剂[类别][厚度]5[附注]设计时应在立面图中绘出分格线涂料颜色由设计人定[保温层及屋面传热系数]B8外墙15C 弹涂涂料墙面(混凝土墙)(混凝土砌块墙)[用料及分层做法]1. 喷有机硅憎水剂(视涂料要求);2.弹涂配色点浆1:0.4:0.1水泥、水、建筑胶加颜料;3. 配色底浆1:0.9:0.2水泥、水、建筑胶加颜料;4. 6厚1:2.5水泥砂浆抹平,表面扫毛或划出纹道;5. 12厚1:3水泥砂浆打底搓出麻面;6. 刷混凝土界面处理剂[类别][厚度]23[附注]设计时应在立面图中绘出分格线涂料颜色由设计人定[保温层及屋面传热系数]B8外墙15D 弹涂涂料墙面(加气混凝土墙)1. 喷有机硅憎水剂(视涂料要求);2.弹涂配色点浆1:0.4:0.1水泥、水、建筑胶加颜料;3. 配色底浆1:0.9:0.2水泥、水、建筑胶加颜料;4. 6厚1:2.5水泥砂浆抹平,表面扫毛或划出纹道;5. 9厚1:1:6水泥石灰膏砂浆中层底灰抹平,表面扫毛或划出纹道;6. 3厚外加剂B9外墙16A 仿蘑菇花岗石弹涂墙面(砖墙)[用料及分层做法]1. 喷或刷涂罩面剂一道;2. 模板造型,弹色浆平点;3. 20-30厚水泥砂浆(内掺水重5%的建筑胶);4. 2厚抹水泥素浆一道(内掺水重5%的建筑胶);5. 4厚1:3水泥砂浆打底扫毛或划出纹道[类别][厚度]26-36[附注]涂料颜色由设计人定,并在施工图中注明[保温层及屋面传热系数]B9外墙16B 仿蘑菇花岗石弹涂墙面(大模混凝土墙)[用料及分层做法]1. 喷或刷涂罩面剂一道;2. 模板造型,弹色浆平点;3. 20-30厚水泥砂浆(内掺水重5%的建筑胶);4. EC聚合物砂浆修补平整(配合比:胶料:粉料=1:4,重量比拌合)[类别][厚度]22-32[附注]涂料颜色由设计人定,并在施工图中注明[保温层及屋面传热系数]B9外墙16C 仿蘑菇花岗石弹涂墙面(混凝土墙)(混凝土砌块墙)[用料及分层做法]1. 喷或刷涂罩面剂一道;2. 模板造型,弹色浆平点;3. 20-30厚水泥砂浆(内掺水重5%的建筑胶);4. 刷素水泥浆一道(内掺水重5%的建筑胶);5.5厚1:0.5:3水泥石灰膏砂浆打底扫毛或划出纹道;6. 刷一道YJ-302型混凝土界面处理剂(随刷随抹底灰)或YJ-303拉毛处B9外墙16D 仿蘑菇花岗石弹涂墙面(加气混凝土墙)1. 喷或刷涂罩面剂一道;2. 模板造型,弹色浆平点;3. 20-30厚水泥砂浆(内掺水重5%的建筑胶);4. 9厚1:1:6水泥石灰膏砂浆中层底灰刮平扫毛或划出纹道;5. 3厚外加剂专用砂浆底面刮糙;或专用界面剂甩毛喷湿墙面 [类别][厚度]32-42[附注]涂料颜色由设计人定,并在施工图中注明[保温层及屋面传热系数]B10外墙17A 喷JH80-1型无机建筑涂料墙面(砖墙)[用料及分层做法]1. 喷JH80-1型无机建筑涂料(喷JH80-2型无机高分子建筑涂料);2. 6厚1:2.5水泥砂浆找平;3. 12厚1:3水泥砂浆打底扫毛或划出纹道[类别]1.砂粒状;2.云母状[厚度]20[附注]涂料颜色由设计人定,并在施工图中注明[保温层及屋面传热系数]B10外墙18A 喷JH80-2型无机高分子建筑涂料墙面(砖墙)[用料及分层做法]1. 喷JH80-1型无机建筑涂料(喷JH80-2型无机高分子建筑涂料);2. 6厚1:2.5水泥砂浆找平;3. 12厚1:3水泥砂浆打底扫毛或划出纹道[类别]1.砂粒状;2.云母状[厚度]20[附注]涂料颜色由设计人定,并在施工图中注明[保温层及屋面传热系数]B10外墙17B 喷JH80-1型无机建筑涂料墙面(大模混凝土墙)[用料及分层做法]1. 喷JH80-1型无机建筑涂料(喷JH80-2型无机高分子建筑涂料);2. EC聚合物砂浆修补平整(配合比:胶料:粉料=1:4,重量比拌合)[类别]1.砂粒状;2.云母状[厚度]3[附注]涂料颜色由设计人定,并在施工图中注明B10外墙18B 喷JH80-2型无机高分子建筑涂料墙面(大模混凝土墙)合物砂浆修补平整(配合比:胶料:粉料=1:4,重量比拌合)[类别]1.砂粒状;2.云母状[厚度]3[附注]涂料颜色由设计人定,并在施工图中注明[保温层及屋面传热系数]B10外墙17C 喷JH80-1型无机建筑涂料墙面(混凝土墙)(混凝土砌块墙)[用料及分层做法]1. 喷JH80-1型无机建筑涂料(喷JH80-2型无机高分子建筑涂料);2. 12厚1:0.2:2水泥石灰膏砂浆找平;3. 刷素水泥浆一道(内掺水重5%的建筑胶);4. 5厚1:0.5:3水泥石灰膏砂浆打底扫毛;5. 刷一道YJ-302型混凝土界面处理剂(随刷随抹底灰)或YJ-303拉毛处理一道[类别]1.砂粒状;2.云母状[厚度]19[附注]涂料颜色由设计人定,并在施工图中注明[保温层及屋面传热系数]B10外墙18C 喷JH80-2型无机高分子建筑涂料墙面(混凝土墙)(混凝土砌块墙)[用料及分层做法]1. 喷JH80-1型无机建筑涂料(喷JH80-2型无机高分子建筑涂料);2. 12厚1:0.2:2水泥石灰膏砂浆找平;3. 刷素水泥浆一道(内掺水重5%的建筑胶);4. 5厚1:0.5:3水泥石灰膏砂浆打底扫毛;5. 刷一道YJ-302型混凝土界面处理剂(随刷随抹底灰)或YJ-303拉毛处理一道[类别]1.砂粒状;2.云母状[厚度]19[附注]涂料颜色由设计人定,并在施工图中注明[保温层及屋面传热系数]B10外墙17D 喷JH80-1型无机建筑涂料墙面(加气混凝土墙)1:2.5水泥砂浆找平;3. 9厚1:1:6水泥石灰膏砂浆中层底灰刮平扫毛,或划出纹道;4. 3厚外加剂专用砂浆底面刮糙;或专用界面剂甩毛;5. 喷湿墙面[类别]1.砂粒状;2.云母状[厚度]20[附注]涂料颜色由设计人定,并在施工图中注明[保温层及屋面传热系数]B10外墙18D 喷JH80-2型无机高分子建筑涂料墙面(加气混凝土墙)[用料及分层做法]1. 喷JH80-1型无机建筑涂料(喷JH80-2型无机高分子建筑涂料);2. 6厚1:2.5水泥砂浆找平;3. 9厚1:1:6水泥石灰膏砂浆中层底灰刮平扫毛,或划出纹道;4. 3厚外加剂专用砂浆底面刮糙;或专用界面剂甩毛;5. 喷湿墙面[类别]1.砂粒状;2.云母状[厚度]20[附注]涂料颜色由设计人定,并在施工图中注明[保温层及屋面传热系数]B11外墙19A 喷多层花纹涂料墙面(砖墙)[用料及分层做法]1. 喷无色罩光涂料一遍;2. 喷无色罩面涂料一遍;3. 花纹厚涂料一遍;4.喷封底涂料增强粘结力;5. 6厚1:2.5水泥砂浆找平;6. 12厚1:3水泥砂浆打底扫毛或划出纹道[类别][厚度]21[附注]涂料颜色由设计人定,并在施工图中注明[保温层及屋面传热系数]B11外墙19B 喷多层花纹涂料墙面(大模混凝土墙)1. 喷无色罩光涂料一遍;2. 喷无色罩面涂料一遍;3. 花纹厚涂料一遍;4.喷封底涂料增强粘结力;5. EC聚合物砂浆修补平整[类别][厚度]3[附注]涂料颜色由设计人定,并在施工图中注明[保温层及屋面传热系数]B11外墙19C 喷多层花纹涂料墙面(混凝土墙)(混凝土砌块墙)[用料及分层做法]1. 喷无色罩光涂料一遍;2. 喷无色罩面涂料一遍;3. 花纹厚涂料一遍;4.喷封底涂料增强粘结力;5. 12厚1:0.2:2水泥石灰膏砂浆找平;6. 刷素水泥浆一道(内掺水重5%的建筑胶);7.5厚1:0.5:3水泥石灰膏砂浆打底扫毛或划出纹道;8. 刷一道YJ-302型混凝土界面处[类别][厚度]20[附注]涂料颜色由设计人定,并在施工图中注明[保温层及屋面传热系数]B11外墙19D 喷多层花纹涂料墙面(加气混凝土墙)[用料及分层做法]1. 喷无色罩光涂料一遍;2. 喷无色罩面涂料一遍;3. 花纹厚涂料一遍;4.喷封底涂料增强粘结力;5. 6厚1:2.5水泥砂浆找平;6. 9厚1:1:6水泥石灰膏砂浆中层刮平扫毛或划出纹道;7. 3厚外加剂专用砂浆底面刮糙;或专用界面剂甩毛;8. 喷湿墙面[类别][厚度]21[附注]涂料颜色由设计人定,并在施工图中注明[保温层及屋面传热系数]B12外墙20A 喷硬质复层凹凸花纹涂料(浮雕型)墙面(砖墙)待六成干时进行花纹造型;3. 喷封底涂料一遍,增强粘结力;4. 6厚1:2.5水泥砂浆找平;5. 12厚1:3水泥砂浆打底扫毛或划出纹道[类别][厚度]22[附注]涂料颜色由设计人定,并在施工图中注明[保温层及屋面传热系数]B12外墙20B 喷硬质复层凹凸花纹涂料(浮雕型)墙面(大模混凝土墙)[用料及分层做法]1. 喷水乳型(或溶剂型)带色罩面涂料二遍;2. 喷装饰主体涂料(厚涂料)待六成干时进行花纹造型;3. 喷封底涂料一遍,增强粘结力;4. EC聚合物砂浆修补平整[类别][厚度]4[附注]涂料颜色由设计人定,并在施工图中注明[保温层及屋面传热系数]B12外墙20C 喷硬质复层凹凸花纹涂料(浮雕型)墙面(混凝土墙)(混凝土砌块墙)[用料及分层做法]1. 喷水乳型(或溶剂型)带色罩面涂料二遍;2. 喷装饰主体涂料(厚涂料)待六成干时进行花纹造型;3. 喷封底涂料一遍,增强粘结力;4. 12厚1:0.2:2水泥石灰膏砂浆找平;5. 刷素水泥浆一道(内掺水重5%的建筑胶);6. 5厚1:0.5:3水泥石灰膏砂浆打底扫毛或划出纹道B12外墙20D 喷硬质复层凹凸花纹涂料(浮雕型)墙面(加气混凝土墙)待六成干时进行花纹造型;3. 喷封底涂料一遍,增强粘结力;4. 6厚1:2.5水泥砂浆找平;5. 9厚1:1:6水泥石灰膏砂浆中层刮平扫毛或划出纹道;6. 3厚外加砖专用砂浆底面刮糙;或专用界面剂甩毛;7[类别][厚度]22[附注]涂料颜色由设计人定,并在施工图中注明[保温层及屋面传热系数]B13外墙21A 喷高级萤光涂料墙面(砖墙)[用料及分层做法]1. 喷高级萤光面涂料一遍;2. 喷高级萤光底涂料一遍;3. 6厚1:2.5水泥砂浆找平;4. 12厚1:3水泥砂浆打底扫毛或划出纹道[类别][厚度]21[附注]涂料颜色由设计人定,并在施工图中注明[保温层及屋面传热系数]B13外墙21B 喷高级萤光涂料墙面(大模混凝土墙)[用料及分层做法]1. 喷高级萤光面涂料一遍;2. 喷高级萤光底涂料一遍;3. EC聚合物砂浆修补平整[类别][厚度]3[附注]涂料颜色由设计人定,并在施工图中注明[保温层及屋面传热系数]B13外墙21C 喷高级萤光涂料墙面(混凝土墙)(混凝土砌块墙)1. 喷高级萤光面涂料一遍;2. 喷高级萤光底涂料一遍;3. 12厚1:0.2:2水泥石灰膏砂浆找平;4. 刷素水泥浆一道(内掺水重5%的建筑胶);5. 5厚1:0.5:3水泥石灰膏砂浆打底扫毛或划出纹道;6. 刷一道YJ-302型混凝土界面处理剂(随刷随抹底灰)或YJ-303拉毛处理一道[类别][厚度]20[附注]涂料颜色由设计人定,并在施工图中注明[保温层及屋面传热系数]B13外墙21D 喷高级萤光涂料墙面(加气混凝土墙)[用料及分层做法]1. 喷高级萤光面涂料一遍;2. 喷高级萤光底涂料一遍;3. 6厚1:2.5水泥砂浆找平;4. 9厚1:1:6水泥石灰膏砂浆中层底灰刮平扫毛或划出纹道;5. 3厚外加剂专用砂浆底面刮糙;或专用界面剂甩毛;6. 喷湿墙面[类别][厚度]21[附注]涂料颜色由设计人定,并在施工图中注明[保温层及屋面传热系数]B14外墙22A 喷丙烯酸(苯丙烯酸)外用乳胶漆墙面(砖墙)[用料及分层做法]1. 喷丙烯酸(或苯丙烯酸)外用乳胶涂料二遍;2. 6厚1:2.5水泥砂浆找平;3. 12厚1:3水泥砂浆打底扫毛或划出纹道[类别]1.丙烯酸,有光;2.丙烯酸,无光;3.苯丙烯酸,无光[厚度]21[附注]涂料颜色由设计人定,并在施工图中注明[保温层及屋面传热系数]。
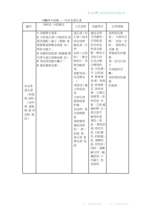
t业地K乍库装饰系统r.程服»商12BJ1-1图集一一外涂3真石漆编号用料及分层做法工艺说明性能特点应用领域外涂3真石漆(砂浆状涂料)(非外保温板抹面的涂料面层)1. 涂刷罩光清漆;2. 天然真石漆(可选单色或复色搭配)施工(根据效果需要选择喷涂或抹涂)等形式施工;3. 涂刷封闭底漆(根据需要可带与真石漆接近颜色);4. 刮涂柔性耐水腻子;5. 基层墙体处理;真石漆(仿石漆)是采用合成树脂乳液、天然彩砂(石英砂)、聚合物岩片、多种功能助剂复配而成,经过喷涂(或抹涂)施工形成具有天然石材装饰效果的建筑涂料,是合成树脂乳液砂壁状建筑涂料的一种;由底漆、真石漆和罩光漆组成通过采用不同颜色、不同粒径的天然采砂组合搭配、喷涂工艺的不同以及合理分割线的设计处理,可以形成多种装饰效果,如放瓷砖效果、花岗岩效果、大理石效果等。
具有色彩丰富,立体感墙的特点。
真石漆不能用色浆调色。
因此,颜色的选择受天然石矿颜色的限制,但漆膜的保色性好,同时,漆膜耐水性、耐碱性和户外耐久性也较好咼档居住建筑、大型写字楼、宾馆、学校、医院等公共建筑等建筑的外墙装饰。
还可以用于外饰面的浮雕、梁柱等异性墙面的装饰电话:400-000-4626 网址:t业地K乍库装饰系统r.程服»商。
外墙真石漆工程施工方案(已修改)外墙真石漆工程施工方案一、编制依据1.1 施工图1.2 建筑装饰装修工程质量验收规范1.3 建筑工程施工质量验收统一标准1.4 建筑施工高处作业安全技术规范1.5 施工现场临时用电安全技术规范 GB—-80-91 46-2005 1.6 外墙真石漆图集12BJ1-1二、工程概况2.1 工程名称:安康付家河安置楼工程27#、56#、57#楼2.2 工程地点:安康市高新七路西侧2.3 设计概况:建筑面积:约平方米地上建筑面积:约平方米建筑物占地面积:4500平方米地下建筑面积:约4500平方米建筑防火分类:一类高层住宅建筑结构形式:剪力墙结构,建筑结构类别为1类,合理使用年限50年抗震烈度:7度抗震设防烈度地面标高:27#楼±0.000相当于绝对标高266.8米,56#、57#楼±0.000相当于绝对标高265.9米。
室内外高差:室内外高差为0.30米建筑功能设计:住宅楼,地下车库层数:地上住宅楼地上均为26层,标准层层高为2.9米,56#一层为3.0米、二层为4.2米、三层为3.9米。
地下:地下室层高27#、57#为3.6米,56#为3.9米;地下车库为一层,层高为3.9米。
檐高:27#、57#为75.4米,56#为80.7米。
2.4 外墙装饰工程:总面积约平方米。
2.4.1 外墙真石漆做法:A。
面层罩光漆;B。
真石漆涂料;C。
底层耐碱涂料;D。
抗裂腻子层;三、施工部署3.1 施工部署原则及工期控制1、坡屋面找平层、防水层、保温层、混凝土保护层施工完成后即可进行山墙涂料批腻子,腻子批完打磨后将底漆刷完后方可进行屋面贴瓦;坡屋面挂瓦施工完成后,即可进行真石漆施工。
2、计划完成时间:第一阶段屋面工程:27#楼计划9月10日完成;56#楼计划9月25日完成;57#楼计划9月30日完成。
1、为了进行24~26层外墙装饰施工,我们利用主体工程悬挑脚手架,并进行局部修改。
陕建六建集团安康付家河项目部⋯⋯⋯⋯⋯⋯⋯⋯⋯外墙真石漆施工方案外墙真石漆工程施工方案(27#、56#、57#楼)编制:审核:批准:陕西建工第六建设集团安康高新七路付家河安置楼项目部2014.8.3陕建六建集团安康付家河项目部⋯⋯⋯⋯⋯⋯⋯⋯⋯外墙真石漆施工方案外墙真石漆工程施工方案一、编制依据1.1 施工图1.2 建筑装饰装修工程质量验收规范GB50210—20011.3 建筑工程施工质量验收统一标准GB50300-20011.4 建筑施工高处作业安全技术规范JGJ80-911.5 施工现场临时用电安全技术规范JGJ46-20051.6 外墙真石漆图集12BJ1-1二、工程概况2.1 工程名称:安康付家河安置楼工程27#、56#、57#楼2.2 工程地点:安康市高新七路西侧2.3设计概况:建筑面积2 约52000m地上建筑面积约47500m2建筑防火分类一类高层住宅建筑结构形式剪力墙结构,建筑结构类别为抗震烈度7度抗震设防烈度地面标高27#楼±0.000相当于绝对标高24500m2约4500m 1类,合理使用年限50年266.8m,56#、57#楼±0.000相当于绝对标高265.9m。
室内外高差室内外高差为0.30m建筑功能设计住宅楼,地下车库层数地上住宅楼地上均为26层,标准层层高为2.9m,56#一层为3.0m、二层层高为4.2m、三层为3.9m。
地下地下室层高27#、57#为3.6m,56#为3.9m;地下车库为一层,层高为 3.9m。
檐高檐口高度:27#、57#为75.4m,5,6#为80.7m。
2.4外墙装饰工程:总面积约2.4.1 外墙真石漆做法——A.面层罩光漆;216000m。
建筑物占地面积地下建筑面积2陕建六建集团安康付家河项目部⋯⋯⋯⋯⋯⋯⋯⋯⋯外墙真石漆施工方案C.底层耐碱涂料;D.抗裂腻子层;三、施工部署3.1、施工部署原则及工期控制1、坡屋面找平层、防水层、保温层、混凝土保护层施工完成后即可进行山墙涂料批腻子,腻子批完打磨后将底漆刷完后方可进行屋面贴瓦;坡屋面挂瓦施工完成后,即可进行真石漆施工。
(4)安装次龙骨:配套次龙骨T型轻钢次龙骨TB24×28中距600mm,间距与板横向规格相同,将次龙骨通过挂件吊挂在大龙骨上。
(5)安装边龙骨:采用L型边龙骨,与墙体用塑料胀管自攻螺钉固定,固定间距200mm。
(6)隐蔽检查:在水电安装、试水、打压完毕后,应对龙骨进行隐蔽检查,合格后方可进入下道工序。
(7)安装饰面板:矿棉板选用认可的规格形式,明龙骨矿棉板直接搭在T型烤漆龙骨上即可。
随安板随安配套的小龙骨,安装时操作工人须藏白手套,以防止污染。
600×600mm矿棉板吊顶安装详图见图5.2-1:图5.2-1 矿棉板吊顶安装详图(8)吊顶工程验收时应检查下列文件和记录:1)吊顶工程的施工图、设计说明及其他设计文件;2)材料的产品合格证书、性能检测报告、进场验收记录和复验报告;3)隐蔽工程验收记录;4)施工记录。
4、质量要求质量要求符合《建筑装饰装修工程施工质量验收规范》(GB50210-2001)的规定。
(1)主控项目1)吊顶标高、尺寸、起拱和造型应符合设计要求。
2)饰面材料的材质、品种、规格、图案和颜色应符合设计要求。
3)饰面材料的安装应稳固严密,饰面材料与龙骨的搭接宽度应大于龙骨受力面宽度的2/3。
或用铁滚滚压密实,全部操作过程要在3h内完成。
2、注意事项施工温度高于5℃以上;严禁使用过时灰浆,施工完的垫层应注意保护,常温3d后方能面层施工。
垫层施工过程中不得碰撞门框、管线和已完的立墙装修面层。
垫层施工过程中不得碰撞门框、管线和已完的立墙装修面层。
垫层浇筑完满足养护时间后,可继续进行面层施工。
如继续施工时应对垫层加以覆盖保护,避免在垫层上搅拌砂浆、存放油漆桶等物,以免污染垫层,影响面层与垫层的粘结力,而造成面层空鼓。
5.2 防滑地砖防水楼面(楼12A-1)施工方法及工艺1、工艺流程(1)10厚铺地砖,DTG擦缝;(2)5厚DTA砂浆粘接层;(3)25厚DS干拌砂浆找平层;(4)50厚干拌复合轻集料混凝土垫层;(5)钢筋混凝土楼板2、施工工艺①准备工作:以施工大样图和加工单为依据,熟悉了解各部位尺寸和作法,弄清洞口、边角等部位之间的关系。
12BJ1-1图集——外涂3 塑料漆简介本文档是关于12BJ1-1图集中外涂3塑料漆的介绍和应用指南。
概述外涂3塑料漆是一种常用的涂料,广泛应用于不同类型的产品上,如家具、塑料制品、金属制品等。
该涂料具有以下特点:- 耐候性:外涂3塑料漆能够抵抗紫外线照射、高温、湿度等恶劣环境条件,保持长久的色泽和光泽。
- 耐腐蚀性:该涂料能够防止金属表面被腐蚀,延长产品的使用寿命。
- 环保性:外涂3塑料漆符合环保标准,不含有害物质,对人体健康和环境无害。
- 良好的保护性能:该涂料能够有效保护产品表面不受划伤、磨损和污染。
应用领域外涂3塑料漆适用于以下领域的产品涂装:1. 家具:可用于木制家具、塑料家具等的表面涂装,提供美观和耐用的保护层。
2. 塑料制品:可用于注塑件、塑料等的表面涂装,增加光泽和耐用性。
3. 金属制品:可用于金属家居用品、汽车零部件等的表面涂装,防止金属氧化和腐蚀。
操作指南在使用外涂3塑料漆进行涂装时,请注意以下操作指南:1. 表面准备:确保涂装表面干净、平整,并进行必要的打磨和清洁处理。
2. 配比调制:按照产品说明书中的比例准确调配涂料和稀释剂,搅拌均匀。
3. 涂装方式:可采用喷涂、刷涂、滚涂等方式进行涂装,根据产品要求选择适当的涂装方式。
4. 干燥和固化:涂装后,置于通风干燥的环境中,等待涂层完全干燥和固化。
5. 检查和修复:检查涂层质量,如有不良情况,及时进行修复和返工。
注意事项在使用外涂3塑料漆时,请注意以下事项:- 请按照产品说明书中的建议操作,遵循安全操作规程。
- 避免与皮肤直接接触,如有接触,请立即用清水冲洗并就医处理。
- 涂装环境应保持通风良好,避免吸入有害气体。
- 存放涂料时,请避免阳光直射和高温环境,以免影响涂料性能。
以上是关于12BJ1-1图集中外涂3塑料漆的简介和应用指南。
如需更详细信息,请参考图集中的相关内容或咨询专业人士。
12BJ1-1图集——外涂3.瓷砖漆12BJ1-1图集——外涂3 瓷砖漆简介本文档旨在介绍12BJ1-1图集中的外涂3瓷砖漆。
瓷砖漆是一种用于外墙瓷砖表面的特殊涂料,具有耐候性和装饰效果,能有效保护瓷砖并增加其美观性。
产品特性耐候性强:外涂3瓷砖漆采用高质量的材料制成,具有出色的耐候性,能有效抵御太阳辐射、风吹雨打等自然环境因素对瓷砖的侵蚀。
保护功效显著:外涂3瓷砖漆形成一层具有保护作用的薄膜,能防止灰尘、污渍、水分等对瓷砖表面的侵害,延长瓷砖的使用寿命。
装饰效果佳:外涂3瓷砖漆有丰富的颜色选择,能为外墙瓷砖增添美观的装饰效果,符合各种建筑风格和设计需求。
使用方法1.清洁表面:在施工之前,先将外墙瓷砖表面清洁干净,确保___、无污渍。
2.底漆处理:根据需要,可以先涂刷一层底漆,提高瓷砖漆的附着力和装饰效果。
3.涂刷瓷砖漆:将外涂3瓷砖漆搅拌均匀后,用刷子或喷枪均匀涂刷在瓷砖表面上,注意涂刷厚度均匀。
4.干燥时间:根据气温和湿度,通常需要等待一定的干燥时间,以确保涂层完全干燥。
5.检查涂层:施工完成后,仔细检查涂层是否均匀、无漏刷等问题,如有修补需求,及时进行修补。
注意事项在施工时,请戴好个人防护用具,避免接触皮肤或吸入蒸气。
施工环境温度不宜过低或过高,通常在5℃至35℃之间为宜。
施工过程中请注意通风,避免涂料中的溶剂对人体造成损害。
使用后的瓷砖漆桶盖要盖紧,存放在阴凉、干燥的地方,避免阳光直射,以延长其保存期限。
以上是关于12BJ1-1图集中外涂3瓷砖漆的简要介绍,希望对您有所帮助。
如需更详细的信息,请参阅相关产品手册或咨询专业人士。
编号
用料及
分层做法
工艺说明性能特点应用领域
外涂3 真石漆(砂浆状
涂料)(非外保
温板抹面
的涂料面层)1.涂刷罩光清漆;
2.天然真石漆(可选单色
或复色搭配)施工(根据
效果需要选择喷涂或抹
涂)
等形式施工;
3.涂刷封闭底漆(根据需
要可带与真石漆接近颜
色);
4.刮涂柔性耐水腻子;
5.基层墙体处理;
真石漆(仿
石漆)是采
用合成树
脂乳液、天
然
彩砂(石英
砂)、聚合
物岩片、多
种功能助
剂
复配而成,
经过喷涂(
或抹涂)施
工形成具
有
天然石材
装饰效果
的建
筑涂料,是
合成树脂
乳
液砂壁状
建筑涂料
的一
种;由底
漆、真石漆
和罩光漆
组成
通过采用
不同颜色、
不同粒径
的天然采
砂组合搭
配、喷涂工
艺的不同
以及合理
分割线的
设
计处理,可
以形成多
种装饰效
果,如放瓷
砖效果、花
岗岩效
果、大理石
效果等。
具
有色彩
丰富,立体
感墙的特
点。
真石漆不
能用色浆
调色。
因此
,颜色的选
择受天然
石矿颜色
的限制,但
漆膜的保
色性好,
同时,漆膜
耐水性、耐
碱性和
户外耐久
性也较好
高档居住建
筑、
大型写字楼、
宾馆、学校、
医院等公共建
筑
等建筑的外墙
装
饰。
还可以用
于
外饰面的浮
雕、
梁柱等异性墙
面
的装饰。