直流充电设备技术规范
- 格式:doc
- 大小:48.00 KB
- 文档页数:8
直流系统技术规范书1. 总则本技术条件书适用于变电站微机直流系统.书中提出的是最低限度的技术要求,并未对一切技术细节作出规定,也未充分引述有关标准和规范的条文,供方应提供符合本《技术条件书》要求,符合行业有关规范、标准的优质产品。
本《技术条件书》中所使用的标准如遇与供方所执行的标准不一致时,按较高标准执行。
2. 技术要求2.1 引用标准GB/T3859.1-1993 半导体变流器基本要求的规定GB/T7261-1987 继电器及继电器保护装置基本试验方法GB/17478-1998 低压直流设备的特性及安全要求JB/T8456-1996 低压直流开关设备电力系统直流屏通用技术条件及安全要求电控设备用低压直流电源NDGJ8-89 火力发电厂、变电所二次接线设计技术规程DL/T459-2000 电力系统直流电源柜订货技术条件DL/T5120-2000 小型电力工程直流系统设计规程DL/T5044-2004 火力发电厂、变电所直流系统设计技术规定SDJ9-1999 电测量及电能计量装置设计技术规程DL/T637-1997 阀控式密封铅酸蓄电池订货技术条件2.2 使用环境条件2.2.1 周围空气温度最高温度: 55℃最低温度: -5℃2.2.2 最大相对湿度: 95%2.2.3 海拔高度: <1000m2.2.4 地震烈度: 8度水平加速度: 0.25g垂直加速度: 0.125g2.2.5 防护等级IP302.3 直流系统的技术性能2.3.1 直流系统的组成直流系统操作电源电压为: DC220V, 采用单母线分段接线, 每段母线各带1组蓄电池和1组充电装置, 正常工作时母线分段开关与进线开关之间相互联锁以确保两段母线上的蓄电池不并列运行,蓄电池与充电装置并接,接线方式为控制母线和合闸母线合二为一。
高频开关电源的充电模块须采用N+1热备份型式。
直流系统主要由以下部分组成:━充电模块━监控模块━蓄电池在线均衡装置━绝缘在线监测及接地故障定位装置━直流馈线柜━阀控式密封铅酸蓄电池━蓄电池柜2.3.2 功能要求━具有自动恢复功能, 实现市电恢复后自动开机, 自动选择。
编制:审核:批准:日期:配属部门:电气设备分公司一、设备概况:1、设备名称:直流充电设备2、设备数量:1台3、交货期:1个月4、交货地点:电气设备分公司5、设备用途:主要用于储能式电车地面联调试验。
6、设备描述:直流充电设备是为储能式电车提供大功率快速直流充电。
主要由直流接触器、斩波模块、控制模块等组成。
将输入电网DC1500V,降压斩波控制,输出DC0~750V为储能电源充电。
二、基本要求1、本设备必须是全新设备(包括所有零部件、元器件和附件),并且设计合理,技术先进、可靠,部件装配方便,操作简便,易于维护和维修。
2、本设备零部件应选用优质材料制造,所选用的机械、液压、电气、电子元器件是优质的、成熟的、可靠的品牌系列产品。
3、本设备应具有可靠的安全保护、报警、保险措施,以防止误操作或意外事故致使机器受损或造成人身伤亡。
4、本设备的零部件和仪器仪表及全部图纸资料的度量单位全部采用国际单位(SI)标准;所有仪表、零部件的设计、制造及所用材料应符合ISO和IEC标准或其它等同标准。
5、本设备必须是成熟的、可靠的,且能保证长期稳定运行的系列产品。
投标方必须生产过类似本技术条件要求的设备,投标时提供相应证明以及类似设备用户清单。
6、本设备在环境温度-10~45℃、相对湿度495%条件下,能正常连续工作,系统稳定可靠。
本设备安装环境的动能条件为:单相交流电:AC220V±10%、50HZ;三相交流电:AC380±10%、50HZ。
7、本设备附属的仪器、仪表及整机计量校准由买方负责检测并承担首次检测费用,由卖方负责送检,如首次检测不合格,后期检测费用由卖方承担。
8、卖方在投标文件中对技术条件各条必须逐条做出响应,投标文件技术方案不得简单复制招标技术要求,应提供见证性材料,包括设备组成及功能说明、设计图纸、主要元器件清单(包括品牌、规格/型号等)等。
三、主要技术参数17. 使用寿命充电装置应为免维护的成套设备,使用寿命230年。
附件9:直流电源系统技术标准(附编制说明)国家电网公司目录1 总则 (1)2 引用标准 (1)3 使用条件 (1)3.1 正常使用的环境条件 (1)3.2 正常使用的电气条件 (2)4 型号与基本参数 (2)4.1 型号 (2)4.2 基本参数 (2)5 通用技术要求 (3)5.1 系统组成 (3)5.2 各部件要求 (3)5.3 结构与元器件的要求 (4)5.4 电气间隙和爬电距离 (5)5.5 电气绝缘性能 (5)5.6 防护等级 (6)5.7 噪声 (6)5.8 温升 (6)5.9 蓄电池组容量 (7)5.10 事故放电能力 (7)5.11 负荷能力 (7)5.12 连续供电 (7)5.13 电压调整功能 (7)5.14 充电装置的技术性能 (7)5.15 效率 (8)5.16 保护及报警功能要求 (8)5.17 微机监控装置的要求 (9)5.18 电磁兼容性 (10)5.19 谐波电流 (10)6 检验与试验 (10)6.1 出厂试验 (10)6.2 型式试验 (10)6.3 试验项目 (10)6.4 试验方法 (11)7 标志、包装、运输、贮存 (17)7.1 标志 (17)7.2 包装 (18)7.3 运输 (18)7.4 贮存 (18)直流电源系统技术标准编制说明 (20)直流电源系统技术标准1 总则1.1 为了适应电网发展要求,提高设备运行的安全可靠性,加强直流电源系统设备技术管理,特制定本技术标准。
1.2 本标准是依据国家和行业的有关标准、规程和规范并结合国家电网公司输变电设备评估分析、生产运行情况分析以及设备运行经验而制定的。
1.3 本标准对直流电源系统设备的技术条件、订货、监造、出厂验收、包装贮运、现场安装、现场验收、试验方法等提出了具体要求。
1.4 本标准适用于国家电网公司系统的发电厂、变电所及其他电力工程对直流电源装置的技术管理。
2 引用标准以下为输电设备设计、制造及试验所应遵循的国家、行业和企业的标准及规范,但不仅限于此:GB 13337.1-1991 固定型防酸式铅酸蓄电池技术条件GB/T 17626.2-1998 电磁兼容试验和测量技术静电放电抗扰度试验GB/T 17626.12-1998 电磁兼容试验和测量技术振荡波抗扰度试验DL/T 637-1997 阀控式密封铅酸蓄电池订货技术条件DL/T 5044-2004 火力发电厂、变电所直流系统设计技术规定DL/T 459-2000 电力系统直流电源柜订货技术条件DL/T 724-2000 电力系统用蓄电池直流电源装置运行与维护规程DL/T 5120-2000 小型电力工程直流系统设计规程DL/T 781-2001 电力用高频开关整流模块国家电网公司电力生产设备评估管理办法(生产输电[2003]95号)国家电网公司关于加强电力生产技术监督工作意见(生产输电[2003]29号)国家电网公司预防直流电源系统事故措施(国家电网生[2004]641号)3 使用条件3.1 正常使用的环境条件3.1.1 海拔不超过1000m。
国标直流充电标准摘要:一、国标直流充电标准的概述二、新旧国标直流充电标准的区别三、新国标直流充电标准的要点四、新国标直流充电标准的注意事项五、总结正文:一、国标直流充电标准的概述国标直流充电标准是指在我国范围内,用于规范直流充电设施和设备之间的通信和充电过程的标准。
直流充电是指将直流电源通过充电设施传输给电动汽车进行充电的过程。
根据充电方式和充电功率的不同,直流充电可以分为快充和慢充两种方式。
二、新旧国标直流充电标准的区别新旧国标直流充电标准的主要区别在于通信协议和充电过程的管理。
旧国标直流充电标准中,充电机和电池管理系统(BMS)之间的通信采用CAN 总线协议,而新国标中则采用了CCS(充电通信协议)和CAN 总线协议的结合。
新国标直流充电标准中,握手阶段由充电机首先发起,而旧国标中则由BMS 发起。
此外,新国标还对报文长度和参数信息进行了增加。
三、新国标直流充电标准的要点新国标直流充电标准的要点包括:1.握手启动阶段:新国标中握手是由充电机首先发起的,充电机不握手,BMS 不做任何动作。
2.通信协议:新国标中采用CCS(充电通信协议)和CAN 总线协议的结合,以提高通信效率和安全性。
3.充电过程管理:新国标对充电过程进行了更为严格的管理,包括低压自检、充电can 报文、硬线信号等。
4.充电功率和电流:新国标对充电功率和电流进行了规定,以确保充电过程的安全性和稳定性。
四、新国标直流充电标准的注意事项在执行新国标直流充电标准时,需要注意以下几点:1.充电设备和充电设施需要兼容新国标中的通信协议和充电过程管理要求。
2.充电过程中需要对充电功率和电流进行实时监测,以确保充电过程的安全性和稳定性。
3.对于旧国标直流充电设施,需要进行改造和升级,以符合新国标的要求。
4.对于充电桩不能充电等状况,大部分可能是因为BMS 和充电机的连接标准问题,需要对连接标准进行检查和修正。
110kV变电站新建变电工程直流系统设备(不含蓄电池)专用技术规范工程名称:110kV变电站新建工程建设单位:电业局设计单位:勘察设计咨询有限公司设计联系人:(073 -)1 招标设备需求一览表2 供货范围:充、馈电屏、一套充电装置,设备范围和数量见表2-1。
表2-2 成套屏柜元器件规范和数量注:以上设备的具体技术要求见本规范书第4.5条3其他技术条款4 使用说明本专用技术规范与湖南省电力公司110kV变电所直流系统通用技术规范书(6.1版)构成完整的设备技术规范书。
湖南省电力公司110kV变电所直流系统通用技术规范书(6.1版)目次1. 总则2. 供货范围3. 工程条件4. 技术要求5. 技术服务6. 买方工作7. 质量保证和试验8. 包装、运输和储存1总则1.1 本设备技术协议书适用于110kV变电所直流充电屏、直流配电屏的招标订货,它提出了功能设计、结构、性能、安装和试验等方面的技术要求。
1.2 本设备技术规范书提出的是最低限度的技术要求,并未对一切技术细节作出规定,也未充分引述有关标准和规范的条文,卖方应提供符合本规范书和工业标准的优质产品。
1.3 如果卖方没有以书面形式对本规范书的条文提出异议,则意味着卖方提供的设备(或系统)完全符合本规范书的要求。
如有异议,不管是多么微小,都应在报价书中以“对规范书的意见和同规范书的差异”为标题的专门章节中加以详细描述。
1.4 本设备技术规范书所使用的标准如遇与卖方所执行的标准不一致时,按较高标准执行。
1.5 本设备技术规范书经买、卖双方确认后作为订货合同的技术附件,与合同正文具有同等的法律效力。
1.6投标者资格:1.6.1投标者应具有20套以上同类直流系统的设计制造经验,而且有20套以上同等设备已经受110kV及以上系统与本要求同等条件下成功运行2年及以上的考验。
1.6.2投标者必须具有全面承担直流系统的开发、设计、制造、设备调试、现场安装、监督指导、培训服务、维修服务的能力。
直流电源及其附属设备招标采购技术规范一、引言直流电源及其附属设备是现代电力系统中不可或缺的重要设备,用于为各种电子设备和系统提供稳定的直流电源。
为了确保招标采购过程的公平、公正和透明,制定本技术规范,明确直流电源及其附属设备的技术要求和采购程序。
二、适用范围本技术规范适用于直流电源及其附属设备的招标采购活动,包括但不限于直流电源、直流配电柜、直流电池组等。
三、技术要求1. 直流电源1.1 输入电压范围:220V±10%1.2 输出电压范围:24V、48V可调1.3 输出电流范围:根据实际需求,最小不低于10A1.4 效率:不低于90%1.5 过载保护:具备过载保护功能,当输出电流超过额定值时能自动切断输出1.6 温度保护:具备过温保护功能,当温度超过设定值时能自动切断输出1.7 可靠性:工作寿命不低于5年,故障率不高于0.1%1.8 安全性:符合国家相关安全标准2. 直流配电柜2.1 输入电压范围:220V±10%2.2 输出电压范围:24V、48V可调2.3 输出电流范围:根据实际需求,最小不低于20A2.4 过载保护:具备过载保护功能,当输出电流超过额定值时能自动切断输出2.5 温度保护:具备过温保护功能,当温度超过设定值时能自动切断输出2.6 可靠性:工作寿命不低于10年,故障率不高于0.05%2.7 安全性:符合国家相关安全标准3. 直流电池组3.1 额定电压:24V、48V可选3.2 额定容量:根据实际需求确定,最小不低于100AH3.3 充电时间:不超过8小时3.4 循环寿命:不低于500次3.5 安全性:具备过充、过放、过流、短路等保护功能3.6 环保性:符合国家相关环保标准四、采购程序1. 编制招标文件:招标文件应包括招标公告、招标说明、技术规范、投标文件要求等内容。
2. 发布招标公告:在指定的媒体上发布招标公告,明确招标时间、地点和要求。
3. 投标文件评审:对投标文件进行评审,包括技术要求的符合性、价格合理性等。
直流充电标准cc1
直流充电标准CC1是为了确保充电设备的性能和兼容性而制定的一项标准。
它规定了直流充电设备的电气和机械要求,包括充电接口、充电协议、充电功率等方面的要求。
随着电动汽车的普及,充电设备的兼容性和性能变得越来越重要。
不同的电动汽车品牌和型号可能需要不同的充电设备和协议,这使得充电设备的兼容性成为一个重要的问题。
因此,直流充电标准的制定旨在解决这个问题,以确保所有符合标准的充电设备都能够兼容,并且能够以更高的功率进行充电。
在CC1标准中,规定了充电接口的尺寸、插针布局、电气参数等方面的要求。
此外,还规定了充电协议的规范,包括通信协议、充电流程、安全措施等方面的要求。
同时,对于充电功率也规定了要求,以确保充电设备的性能和安全性。
总之,直流充电标准CC1是为了确保充电设备的性能和兼容性而制定的一项重要标准。
它的实施将有助于提高电动汽车的使用便利性和普及程度。
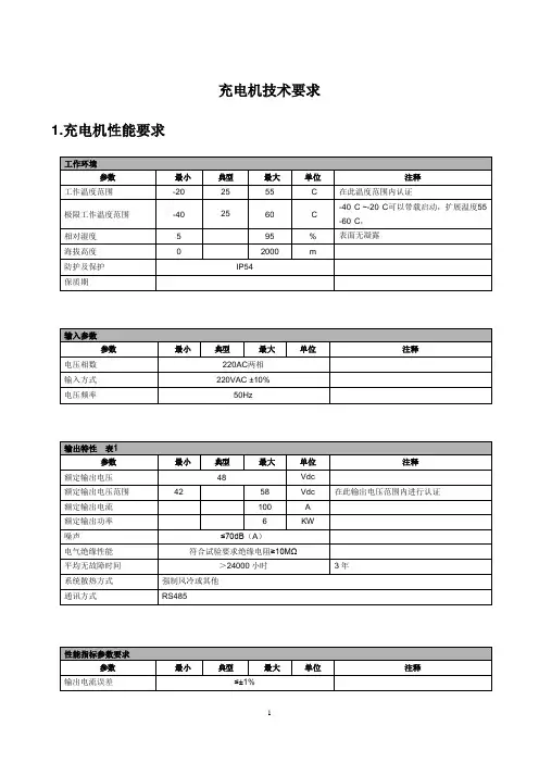
充电机技术要求1.充电机性能要求12.保护功能●具备输入过压、输入欠压、输出过压、输出短路、充电机过温等保护功能,当出现故障时,充电机应能自动切断输出,并有报警提示;●具备输出回路与电网隔离、绝缘检测功能,残压泄放、极性检测、通讯中断保护等功能,保护充电时设备和人员的安全;●具备急停功能,在发生紧急情况时能通过手动快速切断电源,停止输出;●与电池系统(保护板)进行通讯联络,实时监测储能电池的充电状态,当出现储能电池过冲、温度过高或电池极性反接等故障报警时,能迅速停止充电,保护车辆设备和储能电池的安全;●交流输入配置防雷器,具备防感应雷、防操作过电压的保护功能;3.相关标准●NB/T 33001 《低速电动汽车非车载传导式充电机技术条件》●NB/T 33008.1 《低速电动汽车充电设备检验试验规范第1部分:非车载充电机》●Q/GDW 1233-2014 《低速电动汽车非车载充电机通用要求》●GB/T 29317-2012 《低速电动汽车充换电设施术语》●GB 4208-2008 《外壳防护等级(IP 代码)》●DL/T 645-2007 《多功能电能表通信协议》●Q/GDW 1234.1-2014 《低速电动汽车充电接口规范第1部分:通用要求》●Q/GDW 1234.3-2014 《低速电动汽车充电接口规范第3部分:直流充电接口》●Q/GDW 1235-2014 《低速电动汽车非车载充电机通信协议》●GB/T 2423.1-2008 《电工电子产品环境试验第2部分:试验方法试验A: 低温》●GB/T 2423.2-2008 《电工电子产品环境试验第2部分:试验方法试验B: 高温》●GB/T 2423.4-2008 《电工电子产品环境试验第2部分:试验方法试验Db:交变湿热(12h+12h循环)》●GB/T 2423.17-2008 《电工电子产品环境试验第2部分:试验方法试验Ka:盐雾》2●GB/T 2423.55-2006 《电工电子产品环境试验第2部分:环境测试实验Eh:锤击试验》●GB/T 2423.9-2001 《电工电子产品环境试验第2部分: 试验方法试验Cb:设备用恒定湿热》●GB/T 2423.10-1995 《电工电子产品环境试验第2部分: 试验方法试验Fc:和导则:振动(正弦)》●GB 4943-2001 《信息技术设备的安全》●DIN ETS 300019-1-1-1993 《仪器研制.电讯设备的环境条件和环境试验.第1-1部分:环境条件分类.长期储存》●DIN ETS 300019-1-2-1993 《仪器研制.电讯设备的环境条件和环境试验.第1-2部分:环境条件分类.运输》●GB /T 18487.1 《低速电动汽车传导充电系统第1部分:一般要求》●GB /T 20234.1-2015 《低速电动汽车传导充电用连接装置第1部分:通用要求》●GB /T 20234.3-2015 《低速电动汽车传导充电用连接装置第3部分:直流充电接口》●GB /T 27930-2015 《低速电动汽车非车载传导式充电机与电池管理系统之间的通信协议》●GB/T 29318-2012 《低速电动汽车非车载充电机电能计量》●GB/T 29316-2012 《低速电动汽车充换电设施电能质量技术要求》●GB/T 29317-2012 《低速电动汽车充换电设施术语》●GB 4208-2008 《外壳防护等级(IP 代码)》●DL/T 645-2007 《多功能电能表通信协议》●GJB 1443-1992 《产品包装、装卸、运输、贮存的质量管理要求》●GB/T 3873-1983 《通信设备产品包装通用技术条件》●GB/T 17626.5-2008 《电磁兼容试验和测量技术浪涌(冲击)抗扰度试验》●GB/T 17626.11-2008 《电磁兼容试验和测量技术电压暂降、短时中断和电压变化的抗扰度试验》●GB 17625.1 《电磁兼容限值谐波电流发射限值(设备每相输入电流≤16 A)》●GB/Z 17625.6 《电磁兼容限值对额定电流大于16 A的设备在低压供电系统中产生的谐波电流的限制》●GB/T 19826-2005 《电力工程直流电源设备通用技术条件及安全要求》●EN55022:1998 《信息技术设备—无线干扰特性—限值和测量方法》●GB/T 17626.2-2006 《电磁兼容试验和测量技术静电放电抗扰度试验》●GB/T 17626.3-2006 《电磁兼容试验和测量技术射频电磁场辐射抗扰度试验》●GB/T 17626.4-2008 《电磁兼容试验和测量技术电快速瞬变脉冲群抗扰度试验》3。
目次目次 (I)前言 .................................................................................................................. 错误!未定义书签。
1 总则 (1)2 规范引用文件 (1)3 术语和定义 (2)4 使用条件 (4)4.1 正常使用的环境条件 (4)4.2 正常使用的电气条件 (5)5 通用技术要求 (5)5.1 系统组成及配置原则 (5)5.2 直流系统电气接线 (6)5.3 对直流供电网络的要求 (6)5.4 直流系统的功能 (10)5.5 直流系统的主要技术参数要求 (10)6 直流系统主要部件技术要求 (11)6.1 充电装置和高频开关电源模块 (11)6.2 监控单元 (12)6.3 直流系统绝缘监察装置 (13)6.4 蓄电池管理单元 (14)6.5 降压硅链 (15)6.6防雷器技术要求 (16)6.7 测量表计的配置 (16)6.8 蓄电池技术要求 (16)6.9 直流屏柜技术要求 (18)7 现场安装要求 (19)7.1 安装场所的布局要求 (19)7.2 安装接线要求 (20)7.3 蓄电池安装注意事项 (20)8 标志、包装、运输、储存 (21)8.1 标志 (21)8.2 包装 (22)8.3 运输 (22)8.4 储存 (22)附录A(资料性附录)图一110~500kV直流系统电气主接线图 (24)附录B(资料性附录)直流系统I/O表 (25)附录C(资料性附录)直流系统设备检验和试验 (27)附录D(规范性附录)本规范用词说明 (33)本规范编制说明............................................................................................... 错误!未定义书签。
直流充电桩检定规程
直流充电桩的检定规程根据国家标准《电动汽车直流充电设施技术规范》(GB/T 20234.2-2011)进行制定。
下面是其中的
一些重要内容:
1. 设备检验:对充电设备的外观进行检查,包括设备是否完好、标识是否齐全、连接线是否安全、设备是否漏电等。
2. 安全性能测试:对充电设备的安全性能进行测试,包括输入电压范围、输出电流范围、过载保护功能等。
3. 测试设备:需要使用专用测试设备进行检定,包括电能表、示波器、电压表、电流表等。
4. 充电性能测试:对充电设备的充电性能进行测试,包括充电电流、充电时间、充电效率等。
5. 校准:对检定设备进行定期校准,确保测试结果的准确性和可靠性。
6. 记录和报告:对每次检定进行详细的记录,包括设备的型号、序列号、检定结果等,并生成检定报告。
以上仅为大致的检定规程,具体检定方法和要求还需要参考相关的标准和技术规范。
直流充电桩技术规范1标准和规范1.1本规范按有关标准、规范或准则、本规范附件规定的合同设备,包括投标方向其他厂商购买的所有辅件和设备,也应符合这些标准、规范或准则、本规范附件的要求。
1.2表1所列标准中的条款通过本规范的引用而成为本规范的条款。
凡经修订的标准,其最新版本适用于本规范。
表1投标方提供的设备和附件需要满足的主要标准2需随设备提供的资料投标方应免费随设备提供给招标方相关资料,包括设备及配套软件的安装手册、管理维护手册以及参数配置手册等。
3到货及验收3.3.1投标方负责将合同设备运送到招标方指定的安装、调试地点,由此产生的费用由投标方承担。
3.3.2招标方依投标方在投标文件中的承诺对全部设备的型号、规格、数量、外形、外观、包装及资料、文件(包括装箱单、保修单、随箱介质等)等进行验收。
3.3.3买卖双方对设备到货后共同配合进行开箱检查,出现损坏、数量不全或产品不对等问题时,由投标方负责解决。
3.3.4在招标方指定的地点和环境下,投标方负责对合同设备进行调试(所有部件模块的功能能够正常运行和使用),加电实现正常运行,并达到投标方在投标文件中承诺的技术指标和性能。
3.4技术要求3.4.1 技术参数3.4.1.1环境条件a)环境温度:-20℃~50℃;b)相对湿度:5%~95%;c)海拔高度:≤2000m;d)大气压强:80kPa~110kPa;3.4.1.2电源条件a)交流输入电压:380V±15%;b)交流电源频率:50Hz±1Hz。
3.4.1.3输出电压、电流和额定功率(60kW为例)a)直流输出电压:300V-750V。
b)直流充电电流优选值:80A,带恒功率段,最大输出电流大于等于100A。
c)额定直流输出功率优选值:60kW。
3.4.1.4低压辅助电源充电桩应能为电动汽车提供低压辅助电源,且具备过负荷、过压、过温保护功能。
a)辅助电源电压:12V±5%b)辅助电源额定电流:10A;3.4.2基本构成直流充电桩为一体式结构,基本构成包括:功率单元、计费控制单元、充电控制器、计量表计、充电接口、人机交互界面等。
计费控制单元与充电控制器通信协议1 范围本部分规定了计费控制单元与充电控制器之间基于控制器局域网(Control Area Network,以下简称CAN)的通信物理层、数据链路层、交互流程、报文分类、报文格式和内容的定义。
本部分适用于计费控制单元和充电控制器之间的通信。
2 规范性引用文件下列文件对于本文件的应用是必不可少的。
凡是注日期的引用文件,仅注日期的版本适用于本文件。
凡是不注日期的引用文件,其最新版本(包括所有的修改单)适用于本文件。
GB/T 19596 电动汽车术语Q/GDW 11709.1-2017 电动汽车充电计费控制单元第1部分:技术条件IEC 60870-5-101 基本远动任务的配套标准(Transmission Protocols-Companion Standard for Basic Telecontrol Tasks)ISO 11898-1:2003 道路车辆控制器局域网络第1部分:数据链路层和物理信令(Road vehicle –Control area network (CAN) Part 1: Data link layer and physical signaling)SAE J1939-11:2006 商用车控制系统局域网CAN通信协议第11部分:物理层,250K比特/秒,屏蔽双绞线(Recommented practice for serial control and communication vehicle network Part 11: Physical layer–250K bits/s, twisted shielded pair)SAE J1939-21:2006 商用车控制系统局域网CAN通信协议第21部分:数据链路层(Recommented practice for serial control and communication vehicle network Part 21: Data link layer)3 术语和定义GB/T 19596、Q/GDW 11709.1-2017界定的以及下列术语和定义适用于本文件。
电动汽车非车载传导式充电机功率控制模块与充电模块通信协议1 范围本部分规定了电动汽车非车载传导式充电机功率控制模块与充电模块之间基于控制器局域网(Control Area Network,以下简称CAN)的通信物理层、数据链路层、交互流程、报文分类、报文格式和内容的定义。
本部分适用于电动汽车非车载传导式充电机功率控制模块与充电模块之间的通信。
2 规范性引用文件下列文件对于本文件的应用是必不可少的。
凡是注日期的引用文件,仅注日期的版本适用于本文件。
凡是不注日期的引用文件,其最新版本(包括所有的修改单)适用于本文件。
GB/T 19596 电动汽车术语IEC 60870-5-101 基本远动任务的配套标准(Transmission Protocols-Companion Standard for Basic Telecontrol Tasks)ISO 11898-1:2003 道路车辆控制器局域网络第1部分:数据链路层和物理信令(Road vehicle –Control area network (CAN) Part 1: Data link layer and physical signaling)SAE J1939-11:2006 商用车控制系统局域网CAN通信协议第11部分:物理层,250K比特/秒,屏蔽双绞线(Recommented practice for serial control and communication vehicle network Part 11: Physical layer–250K bits/s, twisted shielded pair)SAE J1939-21:2006 商用车控制系统局域网CAN通信协议第21部分:数据链路层(Recommented practice for serial control and communication vehicle network Part 21: Data link layer)3 术语和定义GB/T 19596界定的以及下列术语和定义适用于本文件。
直流充电设备技术条件编制:审核:批准:日期:配属部门:电气设备分公司直流充电设备技术规一、设备概况:1、设备名称:直流充电设备2、设备数量:1台3、交货期:1个月4、交货地点:电气设备分公司5、设备用途:主要用于储能式电车地面联调试验。
6、设备描述:直流充电设备是为储能式电车提供大功率快速直流充电。
主要由直流接触器、斩波模块、控制模块等组成。
将输入电网DC1500V,降压斩波控制,输出DC0~750V 为储能电源充电。
二、基本要求1、本设备必须是全新设备(包括所有零部件、元器件和附件),并且设计合理,技术先进、可靠,部件装配方便,操作简便,易于维护和维修。
2、本设备零部件应选用优质材料制造,所选用的机械、液压、电气、电子元器件是优质的、成熟的、可靠的品牌系列产品。
3、本设备应具有可靠的安全保护、报警、保险措施,以防止误操作或意外事故致使机器受损或造成人身伤亡。
4、本设备的零部件和仪器仪表及全部图纸资料的度量单位全部采用国际单位(SI)标准;所有仪表、零部件的设计、制造及所用材料应符合ISO和IEC标准或其它等同标准。
5、本设备必须是成熟的、可靠的,且能保证长期稳定运行的系列产品。
投标方必须生产过类似本技术条件要求的设备,投标时提供相应证明以及类似设备用户清单。
6、本设备在环境温度-10~45℃、相对湿度≤95%条件下,能正常连续工作,系统稳定可靠。
本设备安装环境的动能条件为:单相交流电:AC220V±10%、50HZ;三相交流电:AC380±10%、50HZ。
7、本设备附属的仪器、仪表及整机计量校准由买方负责检测并承担首次检测费用,由卖方负责送检,如首次检测不合格,后期检测费用由卖方承担。
8、卖方在投标文件中对技术条件各条必须逐条做出响应,投标文件技术方案不得简单复制招标技术要求,应提供见证性材料,包括设备组成及功能说明、设计图纸、主要元器件清单(包括品牌、规格/型号等)等。
用于标准直流充电接口的充电控制导引电路技术要求(GB/T20234.3)A.1充电控制导引电路A.1.1直流充电控制导引电路的基本方案应符合图A.1的规定。
电路中包括设备充电控制器、电阻(R1、R2、R3、R4、R5、R6)、开关(S、S1、S2、S3)、直流供电回路接触器C1和C2、低压控制(辅助)供电回路(额定电压:12V±1.8V;额定电流:10A;测量点为车辆插头触头)接触器K3和K4、车辆断开装置C5和C6以及车辆充电控制器。
A.1.2电阻R3安装在车辆插头上。
开关S为车辆插头的内部常闭开关,当车辆插头与车辆插座完全连接后,开关S闭合。
开关S1为直流供电设备内部的常闭开关,开关S2和S3为电动汽车内部的常闭开关。
A.1.3在整个充电过程中,设备充电控制器应能监测接触器C1、C2、K3和K4的状态并控制其断开及闭合,电动汽车车辆充电控制器应能监测车辆断开装置C5和C6的状态并控制其断开及闭合。
A.1.4直流供电回路的输入回路、输出回路以及低压控制(辅助)电源输出回路三者之间应具备电气隔离,低压控制(辅助)电源输出回路和PE之间应具备电气隔离。
A.1.5直流供电回路应具备预充功能、泄放功能以及绝缘监测功能。
泄放功能可通过投切泄放电路实现,也可通过其他方式实现。
泄放回路的参数选择应保证在闭合泄放回路开关后1s内将C1、C2内侧电压降到DC60V以下。
绝缘监测电路应具备投切控制功能。
A.1.6电动汽车在能量传输阶段应具备绝缘监测功能。
A.1.7电动汽车使用充电机的控制(辅助)电源时,额定电流应不大于1A。
注:图中车辆接口CC1、CC2、PE等触头定义见GB/T20234.3。
图中U1、U2、R1、R4等定义见表A.1。
图A.1直流充电控制导引电路原理图A.2充电控制导引电路参数值直流充电控制导引电路参数值应符合表A.1的规定。
表A.1直流充电控制导引电路的参数对象参数a符号单位标称值最大值b最小值b对应状态d充电机R1等效电阻R1Ω200020201980—R2等效电阻R2Ω300030302970—上拉电压U1V1212.611.4—检测点1电压U1a V1212.811.2未连接或完全连接且开关S断开U1b V1010.89.2完全连接且开关S2断开U1c V88.87.2完全连接且开关S1和S2断开U1d V4 4.8 3.2完全连接U1e V2 2.8 1.2完全连接且开关S1断开车辆插头R3等效电阻R3Ω10001010990—电动汽车R4等效电阻R4Ω10001010990—R6等效电阻R6Ω900090908910—检测点3电压U3a V1010.89.2完全连接且开关S2断开U3b V88.87.2完全连接且开关S1和S2断开U3c V4 4.8 3.2完全连接U3d V2 2.8 1.2完全连接且开关S1断开U3e V000未连接或开关S断开R5等效电阻R5Ω10001010990—上拉电压U2c V1212.611.4—检测点2电压U2a c V1212.811.2CC2未连接U2b c V6 6.8 5.2CC2连接U2c c V000CC2连接且开关S3断开注1:开关S3打开后,车辆接口PE触头断路也会导致检测点3电压为0V,此时检测点2电压为-12V。
直流-48V通信电源成套设备通用技术规范通信专用直流电源系统采购标准技术规范使用说明1、本物资采购标准技术规范分为标准技术规范通用部分和标准技术规范专用部分。
2、项目单位根据需求选择所需设备的技术规范。
技术规范通用部分条款、专用部分标准技术参数表和使用条件表固化的参数原则上不能更改。
3、项目单位应按实际要求填写“项目需求部分”。
如确实需要改动以下部分,项目单位应填写专用部分“表7 项目单位技术差异表”,并加盖该网、省公司物资部(招投标管理中心)公章,与辅助说明文件随招标计划一起提交至招标文件审查会。
1)改动通用部分条款及专用部分固化的参数;2)项目单位要求值超出标准技术参数值范围;3)根据实际使用条件,需要变更海拔高度、耐受地震能力、环境温度等要求。
对表7 “项目单位技术差异表”,随招标文件同时发出并视为有效,否则将视为无差异。
4、投标人应逐项响应专用技术规范中表1-1“直流-48V通信电源成套设备标准技术参数表”、表1-2 “通信蓄电池标准技术参数表”,表2-1 “直流-48V通信电源成套设备需求及供货范围一览表”、表2-2“通信蓄电池需求及供货范围一览表”的相应内容。
各表中,凡是投标人响应部分,投标人均应严格按招标文件技术规范专用部分的“招标方要求值”进行填写。
投标人还应对表7 “项目单位技术差异表”中项目单位给出的参数进行响应。
“项目单位技术差异表”与“标准技术参数表”和表6“使用条件表”中参数不同时,以“项目单位技术差异表”中给出的参数为准。
投标人填写技术参数和性能要求响应表时,如有偏差,除应填写表8 “投标人技术偏差表”外,必要时还应提供能证明所提供的参数优于招标方要求的相关试验报告。
5、对扩建工程,项目单位应在专用部分提出与原工程相适应的一次、二次及土建有关的接口要求。
6、本技术规范的设备范围只限通信专用直流电源系统的交流配电、高频开关整流设备、直流分配装置。
7、技术规范范本的页面、标题等均为统一格式,不得随意更改。
本规范对应的专用技术规范目录直流电源系统采购标准技术规范使用说明1. 本标准技术规范分为通用部分、专用部分。
2. 项目单位根据需求选择所需设备的技术规范。
技术规范通用部分条款、专用部分标准技术参数表和使用条件表固化的参数原则上不能更改。
3. 项目单位应按实际要求填写项目需求部分。
如确实需要改动以下部分,项目单位应填写专用部分项目单位技术差异表,并加盖该网、省公司物资部(招投标管理中心)公章,与辅助说明文件随招标计划一起提交至招标文件审查会:1)改动通用部分条款及专用部分固化的参数。
2)项目单位要求值超出标准技术参数值范围。
3)根据实际使用条件,需要变更海拔高度、耐受地震能力、环境温度等要求。
经招标文件审查会同意后,对专用部分的修改形成项目单位技术差异表,放入专用部分中,随招标文件同时发出并视为有效,否则将视为无差异。
4. 投标人逐项响应技术规范专用部分中标准技术参数表、项目需求部分和投标人响应部分三部分相应内容。
填写投标人响应部分,应严格按招标文件技术规范专用部分的“招标人要求值”一栏填写相应的投标人响应部分的表格。
投标人还应对项目需求部分的项目单位技术差异表中给出的参数进行响应。
项目单位技术差异表与标准技术参数表和使用条件表中参数不同时,以项目单位技术差异表给出的参数为准。
投标人填写标准技术参数表时,如有偏差除填写投标人技术偏差表外,必要时应提供证明参数优于招标人要求的相关试验报告。
5. 对扩建工程,项目单位应在专用部分提出与原工程相适应的一次、二次及土建的接口要求。
6. 技术规范范本的页面、标题等均为统一格式,不得随意更改。
目次直流电源系统采购标准技术规范使用说明 (3)1总则 (5)2技术要求 (5)2.1引用标准 (5)2.2通用要求 (6)2.3110V/220V高频开关电源模块 (7)2.4蓄电池 (8)2.548V通信电源模块 (8)2.6总监控单元 (9)2.7蓄电池管理单元 (9)2.8直流电源系统绝缘检测装置 (9)2.9仪表 (9)2.10事故照明切换屏 (9)2.11其他要求 (9)3试验 (10)4技术服务、设计联络、工厂检验和监造、工厂(现场)验收 (10)4.1技术服务 (10)4.2设计联络会 (11)4.3工厂检验和监造 (11)4.4工厂(现场)验收 (11)附录A(规范性附录)系统图 (12)1总则1.1投标人应具备招标公告所要求的资质,具体资质要求见招标文件的商务部分。
直流充电设备技术条件编制:审核:批准:日期:配属部门:电气设备分公司直流充电设备技术规范一、设备概况:1、设备名称:直流充电设备2、设备数量:1台3、交货期:1个月4、交货地点:电气设备分公司5、设备用途:主要用于储能式电车地面联调试验。
6、设备描述:直流充电设备是为储能式电车提供大功率快速直流充电。
主要由直流接触器、斩波模块、控制模块等组成。
将输入电网DC1500V,降压斩波控制,输出DC0~750V 为储能电源充电。
二、基本要求1、本设备必须是全新设备(包括所有零部件、元器件和附件),并且设计合理,技术先进、可靠,部件装配方便,操作简便,易于维护和维修。
2、本设备零部件应选用优质材料制造,所选用的机械、液压、电气、电子元器件是优质的、成熟的、可靠的品牌系列产品。
3、本设备应具有可靠的安全保护、报警、保险措施,以防止误操作或意外事故致使机器受损或造成人身伤亡。
4、本设备的零部件和仪器仪表及全部图纸资料的度量单位全部采用国际单位(SI)标准;所有仪表、零部件的设计、制造及所用材料应符合ISO和IEC标准或其它等同标准。
5、本设备必须是成熟的、可靠的,且能保证长期稳定运行的系列产品。
投标方必须生产过类似本技术条件要求的设备,投标时提供相应证明以及类似设备用户清单。
6、本设备在环境温度-10~45℃、相对湿度≤95%条件下,能正常连续工作,系统稳定可靠。
本设备安装环境的动能条件为:单相交流电:AC220V±10%、50HZ;三相交流电:AC380±10%、50HZ。
7、本设备附属的仪器、仪表及整机计量校准由买方负责检测并承担首次检测费用,由卖方负责送检,如首次检测不合格,后期检测费用由卖方承担。
8、卖方在投标文件中对技术条件各条必须逐条做出响应,投标文件技术方案不得简单复制招标技术要求,应提供见证性材料,包括设备组成及功能说明、设计图纸、主要元器件清单(包括品牌、规格/型号等)等。
三、主要技术参数65 dB四、设备功能要求直流充电设备功能设计应能够满足其安装位置远离电网的安装环境,直流充电设备的设计应该考虑实际运行中的工况,可以根据现场实测的数据或者业主的要求对充电方式/方案进行调整。
一般直流充电设备安装位置与电网的电气距离控制在300m范围以内。
直流充电设备应满足如下要求:1)具备恒流限压充电模式和恒功率充电模式,两种模式应能够根据储能装置的需求进行自动转换和人工切换。
2)充电控制应具备自动控制和手动控制两种基本控制模式。
自动控制应能够根据超级电容储能装置的状况,依据事先设置的各个阶段的充电方式进行智能化的自动充电过程,不需要人工干预,充电完成后给出相关的提示信息。
手动控制由人工对充电过程进行控制。
3)充电系统应具备必需的异常运行保护功能。
当充电系统出现异常时,为了保证充电装置和超级电容储能装置不被损坏,充电系统会立即停机或不能启动。
这些异常情况至少包括(但不限于)充电模块保护或故障告警、直流充电设备超级电容组连接状态不正常、直流充电设备超级电容组开关状态不正常、直流充电设备监控系统异常、监控通信中断等。
4)无论采用何种充电控制模式,直流充电设备的基本安全保护功能和异常运行保护应能够正常运行。
5)绝缘耐压主电路DC5000V,1min;辅助电路DC3000V,1min;冲击耐压12kV(波形50us)6)温升温升符合TB/T 《铁路应用机车车辆电气设备第1部分:一般使用条件和通用规则》中的温升限制和工作要求。
7)输出特性a)纹波系数:在恒流状态下,当输出直流电压在规定的电压调节范围内变化时,在任意数值上保持稳定,纹波电流有效值系数<±%,纹波电流峰值系数<±3%。
b)输出电流误差:在恒流状态下,输出电流整定误差<±%。
(我们试验所需的电流)c)输出电压误差:直流输出电压设定在规定的电压调节范围内,输出电压整定误差不超过±1%。
d)限压特性:直流充电设备在恒流状态下运行时,当输出直流电压超过限压整定值时,能自动限制其输出电压的增加。
e)均流不平衡度:各模块平均输出电流为100%额定电流时,电流不平衡度不超过±5%。
f)外特性:在恒流、限压等充电模式下实时监控充电网电压,防止电压超过阈值。
8) 监控功能a)实时监测充电车辆的运行状态及其车载储能装置的状态,启动、停止充电功能,并自动选择充电参数和运行模式。
直流充电设备应将其运行状态数据、故障数据和控制参数上传至上位监控系统,同时能够接受上位监控系统的监控。
b)具有供值班员使用的参数设置功能,所有设置的内容不受停电和干扰信号的影响。
c)控制系统采用模块化设计,控制模块具备冗余备份。
d)控制系统由显示单元、微机监控单元、开关面板、主控单元、采样单元、输入输出单元、及柜内风机和照明等部分组成。
为了满足用户的特殊需求,直流充电设备的控制器应可以根据需要增加某些特殊功能,在标准中作为选项。
9) 通讯功能a)直流充电设备采用标准的数据通信口接入变电所综合自动化系统。
物理接口优先采用光纤以太网口(或RJ45电口),通信速率为10/100M自适应,协议暂定为TCP/IP、IEC61850等国际开放协议。
通信协议应具有良好的通用性和开放性。
具体通信协议在设计联络中确认。
b)直流充电设备微机控制系统上送监控系统的信息带有时标,时标精确到毫秒级,并具有与上位监控系统进行时钟同步功能,对时方式为软件对时,对时精度为毫秒级。
10) 数据记录、显示功能实时记录系统数据,保存6个月以上。
显示界面具有友好的人机界面、易操作,可显示如下内容:a)主接线,充电控制参数和运行状态数据b)故障记录c)直流充电设备各个模块状态监视d)显示当前时间、保护动作时间,显示保护类型、保护动作时间等信息。
11) 保护功能a)直流充电设备具有基本的继电保护功能,包括:输入过压、欠压、过流,输出过压、过流,短路,接地,过热保护,内部通讯故障、外部通讯故障等。
b)直流充电设备保护装置能够为充电设备本体、充电设备至充电网之间电气故障、过电压和异常运行方式提供有效的保护功能。
c) 直流充电设备具备急停按钮,能快速切断充电模块电源和分断直流输出开关。
12) 照明每柜内均设有照明灯,并配备柜门连动开关,当柜门打开时,照明灯处于工作状态,当柜门闭合时,照明灯自动熄灭。
照明灯管上加设防护膜。
13) 报警装置与外部连接的所有报警、跳闸信号均采用干接点方式。
14) 工作电源直流充电设备辅助工作电源采用AC380/220V。
15) 工业级产品直流充电设备的主控制模块采用工业级产品,适应本工程的安装运行环境要求。
设备选型采用西门子、施耐德、ABB等国际知名品牌的高端主流型号的产品,所选设备在系统正式运营后5年内不应停产。
16) IGBT模块的选择a)直流充电设备中采用的IGBT模块应采用高可靠性、高一致性的IGBT功率器件,产品选用国际知名品牌(如英飞凌、ABB、三菱、Dynex等)的成熟产品。
IGBT的详细技术性能参数,如额定电压、额定电流等参数在设计联络中确定。
b)单个IGBT安装在水冷却散热器上,散热器具有良好的散热特性。
c)IGBT功率模块与控制系统间的传输介质为光纤。
d)选用合适的IGBT参数,合理设计母线路径,并考虑母排的电阻,使每个支路并联IGBT 的电流不平衡度小于10%。
当有一支路的IGBT损坏数量不超过规定值时,装置能正常运行。
单个IGBT器件均具备瞬态过电流保护,过电流响应时间(从检测到故障到完成对脉冲的封锁)小等于10微秒,硬件保护阈值可调。
18)结构参数1)直流充电设备根据其功能模块划分为若干柜体模块化结构,单体柜体的尺寸不应大于850(D)×1500(W)×2200(H)。
柜体应为独立式金属柜,外壳由钢板组成,钢板厚度,钢板应采用耐候钢或不锈钢,柜体裸露外界钢板禁止用碳钢。
2)柜体的所有开口应防止小动物的进入,设备安装结束后开口应进行封堵。
柜内各部件与柜体应绝缘,柜体应设置接地极。
3)直流充电设备的结构设计应满足在露天环境可靠运行和维护检修的要求。
4)柜体表面采用可靠的防腐措施,柜体表面颜色应采用标准色系,具体颜色设计联络中确定。
柜体边缘光滑,柜眉采用永久性标示牌。
5)板材连接采用自固螺栓,不采用焊接方式。
6)设备内一次回路连接用的紧固件一律采用不锈钢件,连接及安装固定螺栓采用高强度不锈钢螺栓。
柜内所有连接紧固件采用不锈钢或防锈处理螺栓。
7)柜体的进出线采用电缆,从底部进出,进出柜的电缆数量及型号在设计联络中确定。
8)柜体必须可靠接地,预留接地接口。
19)材料1)柜体材料都是新生产的优等产品,并选用使用寿命长和在规定工作条件下维修最少的材料。
2)所有材料具有阻燃、低烟、低卤特性。
3)制作结构用的钢材是热浸电镀产品。
不进行喷塑或喷漆的钢部件,进行采取镀锌或镀镉钝化处理。
4)铜材料符合有关国家标准。
用做母排的铜排进行镀银或镀锡处理,增加连接部位的导电性能。
铜含量≥%。
5)材料符合有关国家标准。
不使用石棉板做绝缘材料。
当使用合成树脂绝缘板时,所有的切边均漆封。
五、备品备件1、备品备件:投标时应提供设备正常运行一年所需的备品备件清单,包括名称、数量、规格型号等,要求分项报价并计入投标设备总价。
2、随机附件:投标应说明设备正常工作必须的附件(如工具),包括名称、数量、规格型等,要求分项报价并计入投标设备总价。
六、技术文件1、合同签订后10天内卖方应提供设备安装所必须的技术文件(卖方签字确认的纸质文件)一份,具体内容包括:具体内容包括全套设备基础设计工艺布置图、动力线路布置图(含电、水、风等动能用量和要求),提供与此相关的CAD电子文档等,如需配套辅助设备设施时卖方应提出详细要求。
2、卖方必须随机提供设备的有效合格证书、附属仪器仪表合格证、以及设备主要零部件合格证;3、卖方在设备安装调试完毕后提供全套设备安装、调试、使用、维修所必须的以技术文件各3套,包括但不限于以下内容:1)设备操作保养技术文件;2)设备故障诊断技术文件、设备维修技术文件;3)设备电气原理图、接线图(包括主要元件的规格型号、参数等);4、技术文件必须字迹清楚,内容完整,使用参考必须尽可能全面,买方有权无偿复制上述文件。
七、包装运输、开箱1、卖方负责设备的包装和运输,包装和运输必须符合国际、国内有关标准,包装必须能适应运输要求。
2、设备到买方后,双方在场的情况下买方负责开箱,并对设备数量、外观情况进行检查,如因卖方原因或运输造成设备的各种损坏,其责任由卖方承担。
3、包装运输所需费用(如有)应分项报价,并计入投标总价。
八、安装调试、培训、验收1、设备到买方后,卖方须在买方通知的日期内派有经验的人员到买方指定地点负责整台设备的安装、调试、试加工,直至设备正常运行。