110千伏变电站火灾报警系统技术规范
- 格式:doc
- 大小:55.50 KB
- 文档页数:6
110kv变电站消防设计规范
根据中国的相关法律法规和规范文件,110kV变电站的消防设计应符合以下要求:
1. 消防设计应遵循《建筑设计防火规范》,确保建筑结构和材料的耐火性能符合相应标准。
2. 变电站的消防设施应满足国家和地方规定的消防设备配置要求,包括但不限于消防水源、自动喷水灭火系统、消防器材等。
3. 变电站应设有防火分区和防火墙,保障变电站各区域的火灾扩散控制。
4. 在变电站内应设置合适的消防通道和安全疏散通道,以确保人员的安全疏散。
5. 变电站应配备火灾自动报警系统和消防监控系统,及时发现火灾隐患并采取相应措施。
6. 变电站应保持消防设施的正常运行状态,定期进行消防设备的检查、维修和消防演练,以确保消防设施的有效性。
需要注意的是,由于110kV变电站的特殊性,消防设计规范可能会有一定的区别,建议您在设计过程中参考有关规范标准,同时与相关部门进行咨询,以确保设计符合最新的法规要求。
110kV变电站消防现场运行规程目录1 总则 (2)2 引用文件 (2)3 防火重点部位及动火管理 (2)4 变电站一般消防措施和灭火规则 (3)5 消防设施和消防器材的检查、使用方法:4附表1:110kV**变灭火器及呼吸器台帐7附图1:110kV***变消防平面布置图 (1)1 总则为贯彻执行《中华人民共和国消防条例》和电力工业“安全第一”及消防工作“预防为主,防消结合”的方针,加强电力设备的消防工作,保障设备和人身安全,确保安全发供电,特制定本规程。
电力生产企业应按照“谁主管、谁负责”的原则,建立各级人员的防火责任制。
110kV变站长是本班的第一防火责任人,全面负责本站的消防工作。
2 引用文件下列文件中的条款通过本标准的引用而成为本标准的条款。
凡是注日期的引用文件,其随后所有的修改单(不包括勘误的内容)或修订版均不适用于本标准。
凡是不注日期的引用文件,其最新版本适用于本标准。
《电力设备典型消防规程》DL5027—93电业安全工作规程(发电厂和变电所电气部分)DL 408—91 19913 防火重点部位及动火管理3.1 防火重点部位是指火灾危险性大、发生火灾损失大、伤亡大、影响大(以下简称“四大”)的部位和场所。
一般指燃料油罐区、控制室、调度室、通信机房、计算机房、档案室、锅炉燃油及制粉系统、汽轮机油系统、氢气系统及制氢站、变压器、电缆间及隧道、蓄电池室、易燃易爆物品存放场所以及各单位主管认定的其他部位和场所。
变电站重点防火部位指主控室、继保室、通信室、电容器室、电缆层、主变压器、高压电抗器、低压配电室、站用变室、蓄电池室等部位和场所。
3.2 防火重点部位或场所应建立岗位防火责任制、消防管理制度和落实消防措施,并制定本部门或场所的灭火方案,做到定点、定人、定任务。
3.3 防火重点部位或场所应有明显标志,并在指定的地方悬挂特定的牌子,其主要内容是:防火重点部位或场所的名称及防火责任人。
3.4 防火重点部位或场所应建立防火检查制度。
G681_110kV变电站视频监控系统专用技术规范标准[详]一、总则1.1 编制目的本技术规范标准旨在为G681_110kV变电站视频监控系统的设计、施工、验收及运行维护提供详细的技术指导,确保系统安全、可靠、高效运行,满足变电站安全生产和智能化管理的需求。
1.2 适用范围本规范适用于G681_110kV变电站新建或改建工程中的视频监控系统。
其他电压等级的变电站视频监控系统可参照执行。
1.3 规范依据本规范依据国家相关法律法规、行业标准、电力系统安全规程以及视频监控技术发展现状编制而成。
二、系统设计要求2.1 设计原则(1)先进性:采用成熟、先进的技术和设备,保证系统长期稳定运行。
(2)可靠性:系统应具备高可靠性,关键设备应采用冗余配置。
(3)安全性:确保系统及信息的安全,防止非法侵入和恶意破坏。
(4)可扩展性:系统设计应考虑未来扩容和升级需求。
2.2 系统组成(1)前端设备:包括摄像头、云台、防护罩等。
(2)传输设备:包括光端机、光纤、同轴电缆等。
(3)中心控制设备:包括视频服务器、存储设备、监控工作站等。
(4)辅助设备:包括电源、防雷、接地等。
2.3 系统功能(1)实时监控:对变电站现场进行24小时实时监控。
(2)录像存储:对监控画面进行录像存储,便于事后查询。
(3)远程访问:支持远程客户端访问,实现远程监控。
(4)报警联动:与变电站其他系统(如安防、消防等)实现报警联动。
三、设备技术要求3.1 前端设备(2)云台:具备水平和垂直方向转动功能,运行平稳,响应速度快。
(3)防护罩:具备防水、防尘、防腐蚀等功能,适应户外恶劣环境。
3.2 传输设备(1)光端机:采用全双工通信方式,具备较强的抗干扰能力。
(2)光纤:采用单模或多模光纤,满足传输距离和带宽需求。
(3)同轴电缆:采用符合国标的高性能同轴电缆,保证信号传输质量。
3.3 中心控制设备(1)视频服务器:具备高处理能力,支持多路视频信号接入和存储。
. I火灾自动报警系统技术规范书工程名称:江凤220kV变电站新建工程目录1.总则2.工程概况3.设计和运行条件4.技术要求5.技术资料6.技术服务7.现场服务8.备品备件及专用工具9.供方填写的技术性能表10.差异表附件: 供货范围1总则本技术规范书适用于本工程所需的火灾自动报警控制系统,它提出了该系统主要技术要求。
火灾报警系统应技术先进、产品成熟,在省级以上电力系统中有良好的使用业绩,符合国际、国内标准并具备经国家公安消防部门批准的消防产品制造许可证的产品。
火灾报警系统原则上采用以微处理器为基础的“智能式”报警系统。
1.1在本技术规范书中,本设备技术规范书提出的是最低限度的技术要求,并未对一切技术细则作出规定,也未充分引述有关标准和规范的条文,需方应保证提供符合本规范书和工业标准的优质产品。
1.2本设备技术规范书所使用的标准如遇与需方所执行的标准不一致时,按较高标准执行。
从签订合同之后至投标人开始制造之日的这段时期内,需方有权提出因规程、规范和标准发生变化而产生的一些补充修改要求,投标人应遵守这些要求。
1.3本设备技术规范书经买、卖双方确认后作为订货合同的技术附件,与合同正文具有同等的法律效力。
1.4投标人对成套系统设备(含辅助系统与设备)负有全责,即包括分包(或采购)的产品。
分包(或采购)的产品制造商应事先征得招标人的认可。
1.5本设备技术规范书未尽事宜,由买卖双方协商确定。
2工程概况变电站有220kV、110kV、10kV三个电压等级,220kV、110kV配电装置采用GIS设备、主变布置在户外,10kV配电装置设备均室内布置。
3设计和运行条件3.1 自然环境条件3.1.1海拔高度:≤1000m。
3.1.2月平均最高相对湿度(25℃):≯90%。
3.1.3日平均最高相对湿度(25℃):≯95%。
3.1.4最高气温:+40℃。
3.1.5最低气温:-5℃。
3.1.6最大日平均温差:25K。
3.1.7年平均气温:+22℃。
火灾自动报警系统
配置原则
(1)110kV变电站应设置一套火灾自动报警系统,火灾自动报警系统设备包括:火灾报警控制器、探测器、控制模块、信号模块、手动报警按钮等。
(2)火灾自动报警系统应取得当地消防部门认证。
(3)火灾探测区域应按独立房间划分。
110kV变电站探测区域有:二次设备室、可燃介质电容器室、各级电压等级配电装置室、油浸式变压器、电缆夹层及电缆竖井等。
(4)根据所探测区域的不同,配置不同类型和原理的探测器。
(5)火灾报警控制器应设置在警卫室靠近门口处。
当火灾发生时。
火灾报警控制器可及时发出声光报警信号,显示发生火警的地点。
技术要求
(1)火灾自动报警系统应设有自动和手动触发方式。
(2)火灾报警控制器的容量和每一总线回路所连接的火灾探测器和控制模块或信号模块的地址编码总数应按变电站最终规模考虑应留有一定余量。
(3)火灾自动报警系统设备,应采用经国家有关产品质量监督检查单位检验合格的产品。
(4)火灾自动报警系统可设置消防联动控制设备,与站内防烟和排烟风机等连锁。
(5)手动火灾报警按钮应设置在明显和便于操作的位置。
(6)火灾报警控制器应预留标准通信接口与监控系统的通信。
(7)火灾自动报警控制系统的传输线,室内采用阻燃双绞线;室外采用带屏蔽的铜芯电缆,缆芯截面1.5mm2,布线方式为总线
(8)制。
(9)火灾自动报警控制系统的电源应由站内UPS电源供电。
火灾报警系统通用技术规范(范本)本规范对应的专用技术规范目录火灾报警系统采购标准规范使用说明1. 本标准规范作为国家电网公司火灾报警系统通用物资采购的统一技术规范书,由通用部分、专用部分、投标人响应和使用说明等四个部分组成,适用于国家电网公司火灾报警系统通用物资集中采购。
2. 通用部分包括一般性技术条款,原则上不需要项目招标人(项目单位)填写,不能随意更改。
如通用部分相关条款确实需要改动,项目单位应填写《通用部分技术条款\技术参数变更表》并加盖该网、省公司物资采购管理部门的公章,及辅助说明文件随招标计划一起提交至招标文件审查会。
经标书审查同意后,对通用部分的修改形成《技术通用部分条款变更表》,放入专用部分中,随招标文件同时发出并视为有效。
3. 本标准规范的专用部分主要包含货物需求及供货范围一览表、必备的备品备件、专用工具和仪器仪表供货表、工程概况、使用条件、技术参数要求等内容,项目单位和设计单位在招标前应结合技术发展并根据实际需求认真填写。
4. 本标准规范的投标人应答部分主要包括技术参数应答表、技术偏差表、投标产品的销售及运行业绩表、主要部件列表、推荐的备品备件、专用工具和仪器仪表供货表、培训及到货需求一览表等内容,由投标人填写。
5. 本标准规范的页面、标题等均为统一格式,不得随意更改。
6. 本规范将根据技术发展和市场变化定期或不定期做出修编,各使用单位注意查询最新版本,以免物资采购出现差错。
目录1 总则 (1)1.1 一般规定 (1)1.2 投标人应提供的资质及相关证明文件 (1)1.3 工作范围和进度要求 (2)1.4规范性引用文件 (2)1.5 需随设备提供的资料 (3)1.6 投标时必须提供的技术数据和信息 (3)1.7 到货、安装、调试、验收 (3)2 通用要求 (4)3 产品试验 (4)4其他要求 (4)火灾报警系统通用技术规范1 总则1.1 一般规定1.1.1本技术规范所列的火灾自动报警系统(含联动控制系统)包括火灾报警控制器、火灾探测器、声光报警器、手动报警按钮等,适用于国家电网公司系统。
国家电投博爱48MW风电场110kV预装式变电站电气设备采购技术文件附件72-4火灾自动报警系统设备编制时间:2016年1月目录一、通用技术规范11总则11.1 一般规定11.2 标准和规范11.3 投标人必须提交的技术参数和信息21.4 安装、调试、性能实验、试运行和验收22 技术要求22.1 环境条件22.2 工作条件22.3 基本技术条件22.4 技术性能要求33 实验93.1 型式实验93.2 出厂实验103.3 现场实验104 其他要求104.1 质量保证104.2 技术服务114.3 工厂检验和监造134.4 包装运输和储存13二、专用技术规范141 标准技术参数表142 工程需求部分182.1 货物需求及供货范围一览表(包含但不限于)18 2.2 必备的备品备件、专用工具和仪器仪表供货表19 2.3 图纸资料提交单位192.4 工程简况203 投标人响应部分203.1 投标人技术偏差表203.2 销售及运行业绩表203.3 推荐的备品备件、专用工具和仪器仪表供货20 3.4 最终用户的使用情况证明213.5 投标人提供的实验检测报告表213.6 投标人提供的鉴定证书表21火警附图1~2火灾自动报警系统图错误!未定义书签。
一、通用技术规范1总则1.1一般规定1.1.1投标人及所投产品制造商必须有权威机关颁发的ISO9001系列的认证书或等同的质量保证体系认证证书。
投标人应具备消防设施专项工程设计甲级资质、消防设施工程专业施工承包一级资质。
投标人及制造商应已设计、制造和提供过同类设备,且使用条件应与本工程相类似,或比规定的条件更严格。
如发现有失实情况,招标人有权拒绝该投标(详见招标文件商务部分)。
1.1.2本技术规范要求卖方需负责本工程火灾自动报警系统的方案报批、消防审查及验收,并要确保火警系统的消防部门验收一次通过。
设备的安装、调试、验收费用均应含在合同总价中。
1.1.3本规范提出的是基本技术要求,未尽的相关技术细节可在技术谈判中商定,投标人应提供符合DL、GB、IEC最新版本的标准和本规范要求的产品。
2023年°4月CH1NA标;隹技术规氾书(专用部分)标书编号:一、工程概述 (1)1.1工程概况 (I)1.2使用条件 (1)二、设备详细技术要求 (1)1.3供货需求及供货范围 (1)1.4标准技术特性参数表 (2)1.5投标人资料提交时间及培训要求 (5)1.6主要元器件来源 (5)2.5备品备件、专用工具和仪器仪表供货表 (27)三、投标方技术偏差 (27)3.1投标方技术偏差 (27)4.2投标方需说明的其他问题 (28)四、设计图纸提交要求 (28)4.1图纸资料提交单位 (28)4.2一次、二次及土建接口要求(适用于扩建工程) (29)4.3设备图纸及资料 (29)五、其他 (29)5.11CC数据文件 (29)一、工程概述1.1工程概况本技术规范书采购的设备适用的工程概况如下:表1I工程概况一览表(项目单位填写)1.2使用条件本技术规范书采购的设备适用的外部条件如下:表1.2设备外部条件一览表(项目单位填写)二、设备详细技术要求2.1供货需求及供货范围投标方提供的设备具体规格、数量见表2.1:供货范围及设备技术规格一览表。
投标方应如实填写“投标方保证”栏。
2.2标准技术特性参数表投标人应认真逐项填写技术参数表中投标人保证值,不能空格,也不能以“响应”两字代替,不允许改动招标人要求值。
如有差异,请填写投标方技术偏差表。
注:需按照以下类型参数填写方式准确填写:1、针对标准值特性“单一”,项目单位无需填写,投标人必须完全响应,如有偏差逐项填写在“3.1投标方技术偏差”部分;2、针对标准值特性“可选”,项目单位可选定参数,投标人必须完全响应,如有偏差逐项填写在“3.1投标方技术偏差”部分;3、针对标准值特性“投标人响应”,有标准参数值要求,投标方需根据自身实际情况,提供限制要求范围内的响应值,同时需将此部分逐项填写在“3.1投标方技术偏差”部分;4、针对标准值特性“投标人提供",无标准参数值要求,投标方根据实际情况填写投标响应值;5、针对标准值特性“扩建”,项目单位根据原项目情况填写,投标方根据实际情况填写投标响应值;6、针对标准值特性“特殊”,项目单位提出的所有特殊要求,需附对应审批流程,投标方根据实际情况填写投标响应值。
水电工程中的消防报警系统规范要求水电工程是现代建筑中必不可少的一项基础设施工程,而为了确保工程的安全性和可靠性,消防报警系统被广泛应用于水电工程中。
本文将介绍水电工程中消防报警系统的规范要求,以确保系统的正常运行和有效应对火灾的能力。
1. 消防报警系统的组成部分消防报警系统由以下组成部分构成:1.1 火灾自动报警装置(火灾探测器、火灾报警按钮等)1.2 报警信号传输装置(联动控制器、传输线路等)1.3 报警显示部分(报警控制面板、显示屏等)1.4 声光报警器和紧急广播装置1.5 消防联动控制部分(消防阀门、排烟设备等)1.6 电源和备用电源设备2. 设备选型与布置2.1 消防报警系统应选用具有国家强制性标准认证的产品,并具备防水、防尘、抗干扰等特性。
2.2 报警控制面板应布置在易于观察和操作的位置,且高度宜与地面平齐。
2.3 火灾探测器的布置应遵循相关规范,在每个房间、空间和走廊等位置设置合适数量和种类的探测器。
3. 系统设计与布线3.1 消防报警系统应根据建筑平面、结构、布局及火灾危险性进行合理设计,确保系统能够覆盖所有需要监测的区域。
3.2 系统的布线要求符合相关电气工程规范,且布线线路应采用阻燃、耐高温材料,并且不与强电线路混布。
4. 报警信号处理与传输4.1 报警信号的处理和传输应具备快速、稳定的特性,以确保实时性和准确性。
4.2 报警信号传输线路应具备良好的屏蔽和接地措施,以减少干扰和故障的发生。
5. 系统测试与维护5.1 消防报警系统安装完成后,应进行全面测试,确保系统的功能和性能符合规范要求。
5.2 定期对系统进行维护和检修,包括设备的清洁、功能检测、电源及备用电源的检查等。
5.3 消防报警系统的管理和维护应建立相应的档案记录,并进行日常巡检和备案。
总结:水电工程中消防报警系统的规范要求涉及系统的组成部分、设备选型与布置、系统设计与布线、报警信号处理与传输,以及系统测试与维护等方面。
110kV变电工程火灾报警系统技术规X 工程名称:建设单位:设计单位:设计__联系:承包商应提供以下,但不仅限于以下设备材料,且在商务报价中按下表分项报价.110kV变电站消防报警系统设备施工,火灾报警控制柜与主控制室内各屏柜的连线由需方负责.2.价格在商务报价中填写,报价时应标明设备型号规格.3. 一般技术性能要求3.1 系统功能4 质量保证与试验4.1 对提供产品应符合中华人民国家与消防行业的有关标准和规X:GB 50116-98 火灾自动报警系统设计规X GB 50229-96 火力发电厂与变电所设计防火规X DL 5027-93 电力设备典型消防规程 GB 50219-95 水喷雾灭火系统设计规X GB 4717-93 火灾报警控制器通用技术规X书 GA 61-93 固定灭火系统驱动、控制装置通用技术规X书 GBJ16-87 与修改条文文件建筑设计防火规X4.2 设备性能保证4.3 技术服务4.4 试验5. 备品备件与专用工具承包商应提供安装和检修所需专用工具,随机备品备件和运行一年所需备品备件,并提供详细清单.6 屏柜和制造要求6.1 对屏〔柜〕的要求×800×600<mm>.屏〔柜〕设计成封闭的,通风良好的垂直立式,并要求安装方便,控制电缆的进线和出线连接、检查和维护方便.1> 布线应整齐、清晰、美观,导线绝缘良好,无损伤,导线用铜质多股软线.2> 电源回路导线截面不小于4.0mm2,耐压不小于1000V.其它回路导线截面不小于1.5mm2耐压不小于1000V.3> 设备接线端部均应标明其回路编号,编号应正确,字迹清晰且不易褪色.4> 接线端子排a> 接线端子每侧接线通常应为一根,不得超过两根.b> 一般设备的接线用一般端子,端子要结实可靠,同时端子导电体〔包括螺丝和垫片〕应当用抗氧化铜质材料.c> 柜内的端子排应留有20%的备用.6.2对制造的要求所有设备应是新的、持久耐用,便于拆卸、检验和安装,构成设备的材料应从生产同类产品通常使用的高质量的材料中选择,并应进展全面的性能检查,即使在本协议书中没有表述,设备也应满足成套成品应当满足的所有要求.信号应由辅助继电器的无源接点发出,其介质强度应为一分钟2000V交流电压.1〕在电子回路中应使用金属屏蔽性电缆或绞接电缆等,以保证该回路在受外部与内部冲击时不产生误动作.2〕在电子和电气回路之间应留合理的间隙.3〕在电子回路的外部连接应采用具有抗干扰性能的连接器.4〕在屏内不应放冲击发生回路以防装置误动作和拒绝动作,在交流和直流回路中应有防止外部冲击和噪音影响的保护措施.5〕每块印刷电路板应有涂层以防潮湿和灰尘进入.屏柜下部应设有截面不小于100mm2的接地铜排,屏柜上装置的接地端子应用截面不小于4mm2的多股铜线和接地铜排相连.接地铜排应用截面不少于50mm的铜缆与控制室内的等电位接地网相连.1〕柜的铭牌应置于屏面和屏内明显位置.2〕柜上所有插件、信号灯与其辅助元件都应用中文标明其用途与名称.屏柜中应配有一个220V交流插座.屏柜的顶部应分别装有220V/20W日光灯并配有一个开关.7 技术文件7.1 承包商推荐的备品备件与专用工具表7.2 设备生产厂家在签定技术协议后 15天内向需方提供4套下面资料:1〕配置图2〕系统图3〕所有设备的详细清单;4〕使用说明书、用户手册.。
110kv报警管理制度第一章总则第一条为了加强110kV电网设备的运行管理,提高设备运行的安全性和可靠性,防范各类事故和故障的发生,特制定本制度。
第二条本制度适用于110kV电网设备的报警管理,包括设备运行异常的报警、故障报警的管理。
第三条报警管理必须遵循“预防为主、安全第一、全员参与、综合治理”的原则,确保电网设备的安全稳定运行。
第四条报警管理应当与相关的电网设备运行管理制度、安全生产管理制度相衔接,形成各方面的制度协同。
第二章报警机制第五条电网设备应当安装报警系统,并确保设备的报警系统正常运行。
第六条设备异常报警应当设置多级别的报警信号,便于运维人员快速判别异常情况的严重程度,采取相应的处理措施。
第七条设备故障报警应当明确故障报警的类型,包括设备自身故障报警、环境因素导致的故障报警等。
第八条报警系统应当实行24小时监控,并确保对报警信息的及时响应和处理。
第九条报警系统应当具有自动存储和历史查询功能,方便运维人员进行故障分析和追溯。
第三章报警处理第十条对于设备异常报警,运维人员应当立即进行初步判断,确认是否需要进一步处理。
第十一条对于设备故障报警,应当根据报警信息快速响应,采取相应的处理措施,以防止故障的扩大和事故的发生。
第十二条运维人员应当按照相关规程和操作规范对故障进行定位、检修和恢复,确保设备的正常运行。
第十三条对于无关紧要的报警信息,运维人员应当进行屏蔽和人工确认,避免干扰正常的运行管理。
第四章报警记录和汇报第十四条对于设备异常报警及时的响应和处理过程,应当进行记录和汇报,并存档备查。
第十五条对于设备故障报警的处理过程,应当进行详细记录和分析,及时向上级主管部门进行报告。
第十六条对于重大事故的报警处理过程,应当按照国家相关规定进行事故报告和归档,以备查阅。
第五章报警监督和检查第十七条运维人员对于报警信息的处理应当遵守各项规定和操作程序,确保处理过程的正常、合规。
第十八条主管部门应当对报警系统进行定期的巡检和维护,确保报警系统的正常运行和灵敏度。
变电所火灾报警设计规范随着现代化建筑技术的不断发展和电力需求的增加,变电所的设置与使用已成为现代城市的必备。
与此同时,变电所的火灾也成为我们要重点关注的问题之一。
作为变电所火灾预防的重要措施之一,火灾报警设计是需要被重视的。
本文将从变电所火灾报警设计规范的角度,探讨如何设计合理的变电所火灾报警系统。
一、变电所火灾报警设计的重要性变电所作为电网传输电力的重要组成部分,其爆炸和起火事故容易造成人员和财产损失,引发电力停电事故,甚至导致社会不稳定因素。
而变电所绝大部分设备全年持续工作,环境湿度、积尘严重,缺水、缺氧等重大安全隐患及使得火灾的可能性增加。
为此,变电所的火灾预防和报警系统建设至关重要。
二、变电所火灾报警设计应符合国家标准在变电所火灾报警系统的设计过程中,应该参照国家标准电气安全行业标准和相关地方法律法规。
比如GB50058-2014《建筑电气设计规范》规定了生活及工作场所、公共场所、商业场所等不同场所的电气设置标准、火灾报警设置标准等,需要根据实际情况选择合适的标准并执行。
此外,还应遵循当地的消防规定,确保完全符合当地的法律法规。
三、变电所火灾报警设计的原则变电所火灾报警设计的原则是保证及时、可靠、具备灵敏度。
在设计变电所火灾报警系统时,应该考虑以下几个方面:(1)采用多种灵敏度的传感器和检测器,检测各种不同类型的火灾。
如烟雾、火焰、热、火花,并能够及时区分人工干扰和真正的火灾。
(2)确保报警系统能够精确定位到火灾区域,并及时通知有关部门进行处置。
(3)需要设置报警控制室,并安装控制台,实现火灾报警信号的集中控制。
(4)应通过布线、电信、无线等系统相结合的多种方式,保证报警系统的可靠性和稳定性。
(5)报警系统需要具备自检、自诊断、自修复等功能。
四、变电所火灾报警系统设计注意事项在变电所火灾报警系统的设计过程中,应根据实际应用情况,而在依据标准设计的基础上,需要注意以下几点:(1)在变电所内部设置灭火设备,如干粉、二氧化碳灭火器,这样可以在火灾初期将火势控制在一定范围内。
(2011年版)国家电网公司物资采购标准(消防设施卷火灾报警系统册)变电站火灾报警系统专用技术规范(编号:500010595-01)国家电网公司二〇一一年五月目录1 技术规范要求 (1)1.1使用环境条件 (1)1.2 设备规范 (1)2 项目需求部分 (3)2.1 货物需求一览表 (3)2.2 必备的备品备件、专用工具和仪器仪表 (4)2.3 图纸资料提交单位 (5)2.4 工程概况 (5)2.5 培训及到货需求 (5)2.6 招标人提出的其他资料 (6)3 投标人响应部分 (6)3.1 投标人技术偏差表 (6)3.2 推荐的备品备件、专用工具和仪器仪表供货表 (6)3.3 销售及运行业绩表 (7)3.4 用户使用情况证明或有关合同证明材料 (7)3.5 本投标产品其他有关资料及说明 (7)变电站火灾报警系统专用技术规范1 技术规范要求1.1使用环境条件1.2.1.1周围空气温度最高温度:50︒C最低温度:-10︒C1.2.1.2环境相对湿度:多年平均相对值:90 %RH1.2.1.3地震烈度: 7 度水平加速度:0.2g垂直加速度:0.1g1.2.1.4防护等级:室内IP40,室外IP561.2.1.5抗电磁干扰要求:组成火灾自动报警系统的各类组件的抗电磁干扰性能应符合相应标准要求。
1.2 设备规范本火灾自动报警系统设一套火灾报警控制器,布置在控制室,实现对变压器、开关室、电缆夹层等区域的消防报警及控制系统的监控,能够实现全范围内消防报警及控制系统的操作和信息共享。
供方提供的火灾自动报警系统应能在变电站特定条件下可靠运行,以确保系统的正确性、稳定性。
控制器应能够实时显示火灾报警、故障、状态信息, 并能按时间顺序打印历史资料信息;探测报警区域内,任何一点出现报警,能发出声光报警信号、显示文字信息。
1.2.1 系统组成:火灾报警控制器(联动型控制器、手动操作系统等);探测系统(包括各种模块、探测器、手动报警触发装置等);火灾事故声光报警装置;备用直流电源装置;消防专用电话;与其它消防灭火系统相关设备的接口。
QB 广东电网公司企业标准广东电网公司统一编码:广东电网公司发布目录前言 (2)1 适用范围 (3)2 规范性引用文件 (3)3 总则 (5)4 主要术语 (5)5 系统构成 ...............................................................................7 5.1 系统结构. (7)5.2 网络结构 (7)6 硬件构成 ...............................................................................8 6.1 硬件设备总体要求..................................................... 8 6.2 站控层设备........................................................... 8 6.3 间隔层设备. (10)6.4 网络设备 (12)7 软件要求 (13)8 站控层功能要求 .......................................................................14 8.1 数据库的建立与维护.................................................. 14 8.2 监视和报警.......................................................... 15 8.3 人机界面............................................................ 17 8.4 控制与操作.......................................................... 17 8.5 远动功能............................................................ 19 8.6 同步对时............................................................ 19 8.7 继电保护信息采集.................................................... 19 8.8 事件顺序记录及事故追忆.............................................. 20 8.9 电能量处理..........................................................20 8.10 统计及计算......................................................... 20 8.11 制表打印........................................................... 20 8.12 自诊断与自恢复..................................................... 21 8.13 管理功能........................................................... 21 8.14 其他通信接口及协议. (22)8.15 系统备份与恢复 (22)9 间隔层的技术要求 .....................................................................22 9.1 数据采集和处理...................................................... 22 9.2 同期................................................................ 23 9.3 测控单元就地显示及操作.............................................. 23 9.4 同步对时 (23)9.5 备自投.............................................................. 23 9.6 小电流接地系统单相接地故障选线...................................... 24 9.7 自诊断功能. (25)10 五防子系统 ..........................................................................25 10.1 总体要求........................................................... 25 10.2 站控层防误技术要求................................................. 26 10.3 间隔层防误技术要求................................................. 28 10.4 五防操作步骤. (29)10.5 防误闭锁范围....................................................... 29 11 电压无功控制功能 ...................................................................30 11.1 VQC总体要求 ....................................................... 30 11.2 VQC功能要求 ....................................................... 31 11.3 性能指标........................................................... 32 12 变电站自动化系统的性能指标 ........................................................32 12.1 系统性能指标....................................................... 32 12.2 抗干扰能力......................................................... 34 13 防雷和接地 ..........................................................................34 13.1总体要求 ........................................................... 34 13.2信号系统防雷 ....................................................... 34 13.3接地与屏蔽 ......................................................... 35 14 机柜 .................................................................................36 15 场地与环境 ..........................................................................37 附录 A 本规范用词说明 ....................................................... 38 附录 B 模拟量输入信号 ....................................................... 39 附录 C 开关量输入信号........................................................ 48 附录 D 开关量输出信号 ....................................................... 86 附录 E 点能量信号采集参数 ................................................... 89 附录 F 220kV变电站自动化系统典型结构图...................................... 90 附录 G 110kV变电站自动化系统典型结构图...................................... 91 附录 H 变电站生产控制业务系统接入调度数据网方案示意图 ....................... 92 附录 I 电压无功控制典型图及闭锁信号 ......................................... 94 附录 J 变电站防误闭锁典型逻辑关系及操作闭锁回路 .. (98)- 1 -前言《广东电网 110~220kV变电站自动化系统技术规范》自颁布实施以来,为广东电网 110~220kV变电站的建设统一明确了建设标准,保证了变电站自动化水平的先进性、可靠性和经济性,并收到了良好的效果。
楚雄供电局110kV双柏变电站火灾自动报警系统及室外消火栓系统消防大修技术方案一、编制依据《中华人民共和国建筑法》《中华人民共和国安全生产法》《建筑设计防火规范》(GBJ16-87,2006年版)《火灾自动报警系统设计规范》(GB50116-98)《电力设备典型消防规程》(DL5027-93)《火力发电厂与变电所设计防火规范》(GB50229-96)《低压配电设计规范》(GB50054-1995)《金属管道工程施工及验收规范》(GB50235-97)《自动喷水灭火系统施工及验收规范》(GB50261-2005)《火灾自动报警系统施工及验收规范》(GB50166-92)《独立式感烟火灾探测报警器国家标准》GB20517-2006《线型光束感烟火灾探测器国家标准》GB14003-2005《电气火灾监控系统国家标准》GB14287-2005《火灾报警控制器国家标准》GB4717-2005《手动火灾报警按钮国家标准》GB19880-2005《电缆敷设国家标准》GB50217-94《感温电缆国家标准》GB16280-C2005《建筑设计防火规范》GBJ16-87变电站现场实际情况二、变电站现状(一)、火灾自动报警系统现状1、主控室内、10kV高压室、35kV高压室内探测器老化损坏、火灾报警控制器整改取消了、市场无法购买相匹配的备品备件,整套火灾自动报警系统无法运行。
2、主控室外、10kV高压室、35kV高压室无手动报警按钮及声光报警装置。
3、整套火灾自动报警系统线路老化,出现绝缘性差,导致短路、接地。
4、火灾自动报警系统不具有联动水泵启动、起停风机、强切空调等联动功能。
(二)室外消火栓系统现状1、消防水泵功率小、锈蚀、漏水、抱死无法正常工作,水泵控制柜老化、锈蚀,不能正常与火灾自动报警系统联动。
2、室外消火栓设置离变压器太远且不规范要求,无法使用。
3、消防水管埋地管网锈蚀,并且与生活水连接在一起。
(三)生活用水现状1、生活水与消防管网连接在一起,夏天缺水不能满足生活用水及消防用水。
110kv报警管理制度范文110kV报警管理制度第一章总则第一条为保障110kV变电站及配电线路的安全稳定运行,有效预防和处理各类故障和事故,制定本管理制度。
第二条本报警管理制度适用于110kV变电站及配电线路。
包括:变电站设备报警、线路故障报警、火警报警、异常工作状态报警等。
第三条变电站应建立完善的报警系统,保证报警设备的正常运行,严禁私自遮挡或禁用任何报警设备。
第四条报警管理制度的内容应以法律法规为基础,科学合理、严谨细致,有效防范各类风险。
第五条报警管理制度的执行应符合相关部门及监管机构的规程规定,并根据实际运行情况进行持续改进。
第二章报警设备第六条变电站应设置各类报警设备,包括但不限于火灾报警器、温度报警器、烟雾报警器、声光报警器、干接点报警器等。
第七条报警设备的选择应符合国家标准要求,具备相应的安全认证及检测报告。
第八条报警设备应定期进行巡检,发现故障或异常应及时修复或更换。
第九条报警设备的布设应根据变电站的实际情况合理规划,保证覆盖全面。
第十条报警设备应与监控设备、联动设备等相关系统相连接,确保报警信息能够及时传达至指定人员。
第三章报警信息处理第十一条报警信息应准确、明确,包括报警类型、报警位置、报警时间等信息。
第十二条报警信息应由专人负责接收,并及时记录。
第十三条接到报警信息后,应按照预定的应急处理流程进行具体处置。
第十四条报警信息的处理人员应具备相关的专业知识和技能,能够快速判断和处理各类报警情况。
第十五条对于特殊报警情况,如火警报警,应立即启动应急预案,并及时通知消防部门。
第十六条对于常见的报警情况,如设备故障报警,应及时组织专业人员进行维修和处理。
第十七条报警信息处理完毕后,应及时记录处理结果,并向相关部门进行汇报。
第十八条对于重大报警事件,应及时成立调查组,并按照相关程序进行调查和处理。
第四章报警记录与分析第十九条报警信息应及时、准确地记录在报警日志中,包括报警内容、处理流程和处理结果等。
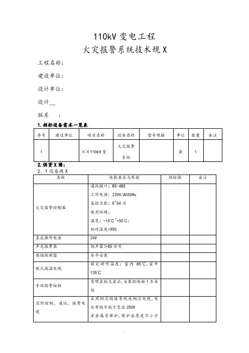
110kV变电工程
火灾报警系统技术规范工程名称:
建设单位:
设计单位:
设计联系人:
联系电话:
2.2供货范围
承包商应提供以下,但不仅限于以下设备材料,且在商务报价中按下表分项报价。
110kV变电站消防报警系统设备
施工,火灾报警控制柜与主控制室内各屏柜的连线由需方负责。
2.价格在商务报价中填写,报价时应标明设备型号规格。
3. 一般技术性能要求
3.1 系统功能
3.1.1 系统采用微机控制技术,火灾报警控制器的容量、性能要求及相应接口
均按照终期规模考虑,并可根据容量和功能的要求灵活组合,便于扩充。
3.1.2 系统应有冗余的网络,在发生局部故障时,能自动构成新的系统,最大限度的保证正常工作,从而达到系统的高可靠性。
3.1.3 当探测器报火警或故障信号时,主控机能立即响应,发出声光报警,显示时间、日期、区号、部位号、报警性质,并打印记录,并具备能通过RS-485接口将全部数据远传。
3.1.4 主控机含有系统数据库,能对系统各部分进行控制和显示,并有贮存事故功能。
3.1.5 探测器主要采用感烟型和线型感温型,其中室内设置感烟型探测器,控制室地板下和室外变压器处设置线型感温探测器。
3.1.6 探测器及探测回路,要求可靠性高,能准确探测火灾发生的情况。
3.1.7 系统应至少提供四对无源干接点(即火灾报警系统故障信号和火警信号各两对)至综合自动化系统。
3.1.8 消防控制设备的控制电源及信号回路电压宜采用直流24V。
4 质量保证及试验
4.1 对提供产品应符合中华人民共和国国家及消防行业的有关标准和规范:
GB 50116-98 火灾自动报警系统设计规范
GB 50229-96 火力发电厂与变电所设计防火规范
DL 5027-93 电力设备典型消防规程
GB 50219-95 水喷雾灭火系统设计规范
GB 4717-93 火灾报警控制器通用技术规范书
GA 61-93 固定灭火系统驱动、控制装置通用技术规范书
GBJ16-87 及修改条文文件建筑设计防火规范
4.2 设备性能保证
4.2.1 承包商提供的设备应符合上述设备规范和技术要求;
4.2.2 承包商应提供整套设备质量保证书;
4.2.3 承包商应提供整套设备产品合格证书(包括出厂试验报告);
4.2.4 业主要求的外购件质量报告和合格证书、生产许可证。
4.3 技术服务
4.3.1 设备生产厂家应能长期向使用方提供备品备件;
4.3.2 设备生产厂家应免费提供一定的时间对使用方有关人员的就地培训,直到使用方会使用为止,并免费提供有关的培训资料。
4.3.3 设备达到现场后在现场开箱检查,安装调试及运行保修期(保修期为设备运行后一年)中,如发现设备本身质量问题,设备生产厂家接到通知72小时内达到现场处理问题。
4.4 试验
4.4.1 消防用电设备电源的自动切换装置应进行3次切换实验,且每次正常。
4.4.2 火灾报警控制器应全部检查。
4.4.3 火灾报警探测器(包括手动报警按钮)应进行模拟火灾响应试验和故障报警试验。
4.4.4 整套火灾自动报警和控制系统进行整机试验。
5. 备品备件及专用工具
承包商应提供安装和检修所需专用工具,随机备品备件和运行一年所需备品备件,并提供详细清单。
6 屏柜和制造要求
6.1 对屏(柜)的要求
6.1.1 所制造的各种屏(柜)用以安装各种(系统)保护装置,这些屏(柜)还应包括有安装所必须的槽(H)钢底座支架、顶板和侧板。
6.1.2 结构:屏的外型尺寸为2260×800×600(mm)。
这些屏(柜)设计成封闭的,通风良好的垂直立式,并要求安装方便,控制电缆的进线和出线连接、检查和维护方便。
6.1.3 涂漆:所有的喷涂在机械振动、热、油等作用下,不应出现划痕或变软。
柜上的涂漆应有光泽的表面层。
6.1.4 乙方提供的涂漆颜色应符合国家规定标准,并按照甲方提出的色标要求供货。
6.1.5 对柜内布线及端子的要求
1) 布线应整齐、清晰、美观,导线绝缘良好,无损伤,导线用铜质多股软线。
2) 电源回路导线截面不小于4.0mm2,耐压不小于1000V。
其它回路导线截
面不小于1.5mm2耐压不小于1000V。
3) 设备接线端部均应标明其回路编号,编号应正确,字迹清晰且不易褪色。
4) 接线端子排
a) 接线端子每侧接线通常应为一根,不得超过两根。
b) 一般设备的接线用一般端子,端子要牢固可靠,同时端子导电体(包括螺丝和垫片)应当用抗氧化铜质材料。
c) 柜内的端子排应留有20%的备用。
6.2 对制造的要求
6.2.1 结构要求
所有设备应是新的、持久耐用,便于拆卸、检验和安装,构成设备的材料应从生产同类产品通常使用的高质量的材料中选择,并应进行全面的性能检查,即使在本协议书中没有表述,这些设备也应满足成套成品应当满足的所有要求。
6.2.2 信号引出
信号应由辅助继电器的无源接点发出,其介质强度应为一分钟2000V交流电压。
6.2.3 电气回路
1)在电子回路中应使用金属屏蔽性电缆或绞接电缆等,以保证该回路在受外部与内部冲击时不产生误动作。
2)在电子和电气回路之间应留合理的间隙。
3)在电子回路的外部连接应采用具有抗干扰性能的连接器。
4)在屏内不应放冲击发生回路以防装置误动作和拒绝动作,在交流和直流回路中应有防止外部冲击和噪音影响的保护措施。
5)每块印刷电路板应有涂层以防潮湿和灰尘进入。
6.2.4 接地
屏柜下部应设有截面不小于100mm2的接地铜排,屏柜上装置的接地端子应用截面不小于4mm2的多股铜线和接地铜排相连。
接地铜排应用截面不少于50mm的铜缆与控制室内的等电位接地网相连。
6.2.5 铭牌
1)柜的铭牌应置于屏面和屏内明显位置。
2)柜上所有插件、信号灯及其辅助元件都应用中文标明其用途及名称。
6.2.6 插座
屏柜中应配有一个220V交流插座。
6.2.7 照明
屏柜的顶部应分别装有220V/20W日光灯并配有一个开关。
6.2.8 火灾自动报警系统主电源的保护开关不应采用漏电保护开关。
7 技术文件
7.1 承包商推荐的备品备件及专用工具表
7.2 设备生产厂家在签定技术协议后 15天内向需方提供4套下面资料:
1)配置图
2)系统图
3)所有设备的详细清单;
4)使用说明书、用户手册。