提高墙面抹灰合格率
- 格式:ppt
- 大小:900.50 KB
- 文档页数:31
提高内外墙抹灰质量一次验收合格率 提高内外墙抹灰质量一次验收合格率湖南华菱集团总部基地建设是湖南华菱集团为适应集团发展需要,提升国际大公司的企业形象,改善办公条件及增加信息化的综合设施,整个小区由办公区和生活区组成。
办公区工程由办公主楼、写字楼、商住楼及连体地下室组成,北侧为住宅区,由七栋住宅、会所及沿街商铺组成。
办公区内外墙抹灰:公区内外墙抹灰:6408264082㎡,生活区内外墙抹灰:内外墙抹灰:237723237723㎡。
为了保证施工质量,我项目部工质量,我项目部QC QC QC小组针对小组针对小组针对如何如何如何提提高内外墙抹灰质量高内外墙抹灰质量一次一次一次验收合格率验收合格率验收合格率展展开活动开活动。
一、工程概况二、小组概况1.小组概况一览表资料收集、整理100小时组员助工资料员本科余 珊6检查、统计、反馈100小时组员助工质检部长大专徐恩华4方案实施100小时组员助工工程部长大专陈 雄3组织、协调、方案编制100小时副组长工程师施工经理本科刘 崴2全面负责100小时组长工程师项目经理本科谢荣辉1组内业务分工受QC教育时间组 内职 务职称职 务学历姓 名序号活动时间注册时间 2012年5月—2012年11月2012年 4 月课题名称注册编号 YYJA201203小组名称 一冶建安湖南华菱项目部QC小组成立时间 2012年 4 月 提高内外墙抹灰质量一次验收合格率活动频次2次/月课题类型现场型5谢元杰大专施工员技术员组员100小时方案实施小组人数6人出勤率 100%制表人:陈雄 审核人:刘崴 制表日期:2012年5月5日2.2.小小组活动计划表:制表人:陈雄 审核人:刘崴 制表日期:2012年5月7日三、选题理由我QC小组针对内外墙抹灰施工质量情况对华菱项目部收集2011年4月-10月施工的一期住宅楼项目的400面墙体600个检查点进行分析,分析结果如下:墙面抹灰质量检查表检查时间检查点不合格项数合格率2011年5月2004585%2011年7月2003389%2011年10月2000100%合 计6007887% 制表人:陈雄 审核人:刘崴 制表日期:2012年5月10日由上表可以看出合格率仅为87%。
提高内外墙抹灰质量一次验收合格率 提高内外墙抹灰质量一次验收合格率湖南华菱集团总部基地建设是湖南华菱集团为适应集团发展需要,提升国际大公司的企业形象,改善办公条件及增加信息化的综合设施,整个小区由办公区和生活区组成。
办公区工程由办公主楼、写字楼、商住楼及连体地下室组成,北侧为住宅区,由七栋住宅、会所及沿街商铺组成。
办公区内外墙抹灰:公区内外墙抹灰:6408264082㎡,生活区内外墙抹灰:内外墙抹灰:237723237723㎡。
为了保证施工质量,我项目部工质量,我项目部QC QC QC小组针对小组针对小组针对如何如何如何提提高内外墙抹灰质量高内外墙抹灰质量一次一次一次验收合格率验收合格率验收合格率展展开活动开活动。
一、工程概况二、小组概况1.小组概况一览表资料收集、整理100小时组员助工资料员本科余 珊6检查、统计、反馈100小时组员助工质检部长大专徐恩华4方案实施100小时组员助工工程部长大专陈 雄3组织、协调、方案编制100小时副组长工程师施工经理本科刘 崴2全面负责100小时组长工程师项目经理本科谢荣辉1组内业务分工受QC教育时间组 内职 务职称职 务学历姓 名序号活动时间注册时间 2012年5月—2012年11月2012年 4 月课题名称注册编号 YYJA201203小组名称 一冶建安湖南华菱项目部QC小组成立时间 2012年 4 月 提高内外墙抹灰质量一次验收合格率活动频次2次/月课题类型现场型5谢元杰大专施工员技术员组员100小时方案实施小组人数6人出勤率 100%制表人:陈雄 审核人:刘崴 制表日期:2012年5月5日2.2.小小组活动计划表:制表人:陈雄 审核人:刘崴 制表日期:2012年5月7日三、选题理由我QC小组针对内外墙抹灰施工质量情况对华菱项目部收集2011年4月-10月施工的一期住宅楼项目的400面墙体600个检查点进行分析,分析结果如下:墙面抹灰质量检查表检查时间检查点不合格项数合格率2011年5月2004585%2011年7月2003389%2011年10月2000100%合 计6007887% 制表人:陈雄 审核人:刘崴 制表日期:2012年5月10日由上表可以看出合格率仅为87%。
提高内组名称人有德行如水至清QC小组课题类型现场型课题名称提高内墙抹灰质量(一次性合格率)活动次数12小组注册号ZR-QC-2016-01注册时间2016年6月9日活动日期2016年6月-2016年12月课题注册号ZR-KT-2016-01成员简介姓名年龄性别职称职务组内职务42女高级工程师项目负责人组长55男高级工程师项目技术负责人副组长47男工程师施工员组员41男工程师质检员组员30男助工资料员组员39男助工材料员组员33男工程师安全员组员32男工程师安全员组员28男助工安全员组员日期:2016年6月10日三、选题理由1、该项目被公司确定为创优工程计划项目,质量目标为争创湖州市建设工程飞英杯奖(优质工程),而内墙抹灰质量是其中的一个重点。
2、墙体抹灰出现空鼓、开裂、起砂等仍是行业的质量通病,公司近几年完工的项目都不同程度的出现了墙体抹灰质量问题。
3、本工程内墙抹灰工程量较大,控制好抹灰质量能避免因大量返工而造成费用和工期的损失。
4、本工程为保障性安居工程,责任重大,提高工程质量显得尤为重要。
因此,我们QC小组选择“提高内墙抹灰质量(一次性合格率)”为活动课题。
四、现状调查根据公司项目部以往的施工经验,结合内墙抹灰施工中存在的问题,我们QC小组在公司领导的带领下对公司其它两个在建工程的内墙抹灰工程进行了实体测量,每个工程抽检10个房间,共抽检了20个房间,每个房间4面墙,每面墙测2处,每处检查平整度和垂直度、阴阳角方正、空鼓、开裂、起砂5项内容。
共检查800项次,合格667项次,不合格133项次,平均一次性合格率83.4%。
同时,我们将现场的测量、统计、分析的数据进行了归纳整理,并做出了缺陷频数统计表如下:缺陷频数统计表表2序号缺陷类别缺陷频数缺陷频率(%)累计频率(%)1空鼓8664.764.72平整度和垂直度偏差1612.076.73阴阳角不方正1410.587.24开裂118.395.55起砂6 4.5100合计133100制表人:张建军日期:2016年6月20日根据缺陷频数统计表绘制出排列图进行分析:制图人:张建军 日期:2016年6月20日图1 内墙抹灰质量缺陷排列图结论:从排列图中可以看出,“空鼓”占了64.7%的频率,是造成内墙抹灰合格率偏低的主要因素,也是我们QC 小组需要解决的问题。
提高内墙面抹灰的质量合格率内墙面抹灰在室内装修中非常常见,不仅可以美化室内环境,还可以增强室内的保温和隔音效果。
然而,由于施工工艺和技术不当,很容易出现抹灰质量不达标的现象,影响室内的美观和使用效果。
为了提高内墙面抹灰的质量合格率,以下几点应该引起施工人员的注意。
1. 选择优质原材料内墙面抹灰的质量和使用寿命与原材料的质量密切相关。
因此,在施工前,需要选择质量优良的原材料,如水泥、石灰、砂浆等,以确保抹灰质量。
在选择原材料时,需要注意以下几点:•水泥:选择强度等级为32.5或42.5的硅酸盐水泥。
应该避免使用劣质水泥,以避免出现开裂和脱落等问题。
•石灰:选用优质石灰,避免使用过期的石灰或不合格石灰。
•砂浆:可选用机制砂、人工砂或河砂等,但需要满足施工规范的相关要求。
2. 控制抹灰层厚度内墙面抹灰时,需要控制抹灰层的厚度,以确保抹灰层无裂缝、无空鼓、无松散情况。
据相关规范要求,抹灰层厚度应不大于3cm。
在抹灰过程中,需要及时检查抹灰厚度是否均匀、平整,并使用专业工具进行检测。
3. 合理配比施工内墙面抹灰时,应该按照规范要求进行配比施工,以确保抹灰的强度和抗渗能力。
同时,注意控制水泥用量,避免水泥过多或过少,影响抹灰的质量。
在配比施工过程中,需要按照一定的比例进行配料、搅拌和加水,以确保抹灰材料的均匀性和流动性。
4. 加强基层处理内墙面抹灰的质量还与基层的平整度和牢固度密切相关。
在施工前,需要对基层进行处理和加固,以确保抹灰层能够牢固地附着在基层上。
基层处理方法包括填充、清洗、刮平、打磨等。
为了避免基层过于光滑或不平整而影响抹灰效果,还可以在基层上进行微晶石处理。
5. 严格施工标准和验收最后,内墙面抹灰的质量合格率还要依靠严格的施工标准和专业的验收。
在施工过程中,需要按照相关施工规范和验收标准进行施工,并要时刻注意验收和纠正不合格的施工行为。
在施工完成后,需要进行专业验收,并对不合格的抹灰部分进行重新施工或修复,以确保抹灰质量符合相关标准和要求。
提高户内剪力墙预拌砂浆抹灰合格率中建三局集团有限公司烟台宝龙QC小组二〇一五年十二月一、工程概况烟台莱山宝龙城市广场项目位于烟台市迎春大街以东,金滩东路以南,紧邻烟台市政府。
总建筑面积17.6万平米,集办公楼、商业楼和住宅楼为一体的城市综合体。
该城市综合体合同额2.38亿元,由一栋办公楼、一栋SOHO楼、二栋住宅楼、商业区和Mall 组成。
基础形式为筏型基础,主楼结构形式为框架-核心筒和剪力墙结构,最大建筑高度为99.8m。
图1.1 烟台宝龙项目效果图二、小组概况表2.1 QC小组概况一览表小组名称中建三局烟台宝龙QC小组课题名称提高户内剪力墙预拌砂浆抹灰合格率成立时间2015年7月20日小组类型现场型小组人数7人注册时间2015年7月20日小组活动时间2015年7月20日~2015年11月24日小组制度1、小组每周一次进行活动;2、小组定期组织成员学习,总培训课时每人36小时;3、做好QC活动记录,积累原始资料;4、小组全体出勤率要达到90%以上。
成员介绍姓名性别年龄学历项目职务接受QC培训时间QC小组职务詹威男38 本科项目经理36小时组长彭云涛男38 本科项目指导36小时副组长唐伟男36 本科技术负责人36小时副组长李立峰男37 本科项目副经理36小时组员董新鹏男26 本科责任工程师36小时组员连维磊男30 本科质检员36小时组员熊思贤男24 大专队伍班组长36小时组员三、选题理由1、本工程住宅为抹灰面交房。
户内抹灰工程质量好坏直接影响房屋的交付。
2、加强工序控制,提高内墙抹灰质量,让墙面抹灰少出问题,减少维修工作量。
3、内墙抹灰工程中,剪力墙的抹灰量占比大,因此剪力墙抹灰质量是抹灰质量控制的重要环节。
为确保一次性交房成功,实现完美履约,提高剪力墙抹灰质量合格率至关重要。
4、贯彻公司质量管理要求,树立公司形象,提高公司信誉,开拓本地市场,进一步加深与宝龙集团的战略合作关系。
四、现状调查我QC小组按照《建筑装饰装修工程质量验收规范》(GB50210-2001)、《烟台市住宅工程质量分户验收指导手册》(2011版)和业主《质量实测合格率评估记录表》对内墙抹灰工程进行如下检查:表4.1 内墙抹灰质量检查内容表制表人:唐伟制表时间:2015年7月22日根据上表检查内容,小组对正在施工的东区2#住宅楼3-5层内墙抹灰质量的调查分析统计如下(此次共统计了200个点,其中剪力墙和砌体墙各占100个点):表4.2 内墙抹灰质量的调查分析统计汇总表制表人:董新鹏制表时间:2015年7月27日通过检查发现,预拌砂浆的配合比统一、质量一致,墙体抹灰中无明显色差和爆灰现象;抽查的抹灰厚度中未发现有厚度超过30mm的。
提高提高墙体抹灰一次合格率组名称方远建设集团股份有限公司天韵水岸工程QC小组课题名称提高墙体抹灰合格率QC培训时间60小时以上成立时间2017年03月15日小组人数12人小组注册号FYQC-XZ-2017-03课题注册号FYQC-KT-2017-03课题类型现场型小组活动时间2017年03月15日~2017年12月15日活动频率1次/月成员简介序号姓 名性别年龄职务职称组内职务组内职责分工1男35项目经理工程师组长全面指挥、决策2男35工程管理部经理高工副组长方案制定3男48现场总负责高工副组长策划组织4男52项目技术负责人工程师副组长方案实施5男35质量员助工组员方案实施6男23现场施工员助工组员现场施工管理7男40试验员助工组员试验检测8男30资料员助工组员活动记录0男39抹灰班组长技工组员班组方案实施10男42抹灰班组长技工组员班组方案实施11男40材料员助工组员材料、机具管理制表时间:2017年03月15日为了更好的开展QC小组活动,我们根据工程的施工进度要求,制定活动计划如下表2:表2:QC活动计划表2017年序号任务名称开始时间完成时间3月4月5月6月7月8月9月10月11月12月1选择课题2017.03.152017.03.202现状调查2017.03.202017.03.303设定目标2017.03.302017.04.054原因分析2017.04.052017.04.155要因确认2017.04.152017.04.306制定对策2017.04.302017.05.157对策实施2017.05.152017.08.258效果检查2017.08.252017.10.109巩固措施2017.10.102017.11.1510总结打算2017.11.152017.12.5图例:计划进度制表人:陈方利制表时间:2017年03月15日三、选择课题1、课题选择内墙抹灰是今年项目土建的重点工作,而墙体抹灰空鼓、开裂、起砂等施工质量问题一直困扰着我公司,也是我项目部目前急需解决的质量问题。
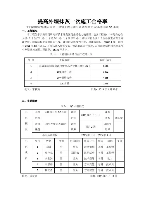
提高外墙抹灰一次施工合格率十四冶建设集团云南第三建筑工程有限公司四分公司云锗项目部QC小组一、工程概况本工程位于云南省昆明高新技术开发区马金铺电力装备园,包含工程有:1栋综合办公大楼、2个生产厂房、1个动力厂房、1个维修车间、1栋倒班宿舍及1个生活食堂及若干附属设施。
建筑结构安全等级为二级,建筑耐火等级为二级。
总建筑面积:57863.1㎡,项目于2011年12月开工,目前已进入装饰安装、调试的试运行阶段。
云南国家锗材料基地工程中外墙抹灰饰面工程面积:15151平方米。
表1-1 云锗项目外墙饰面工程统计表制表:宋秋鸿日期:2013年1月10日二、小组简介表2-1 QC小组概况制表:宋秋鸿日期:2013年1月11日表2-2 QC小组活动计划时间制表:宋秋鸿日期:2013年1月11日三、选择课题1、业主要求裂缝的出现不但影响建筑立面美观,还会引起雨水渗透到室内,造成内墙面及靠墙的木家具发霉,严重的甚至会引起持久强度的降低,影响结构完整、使用安全和使用寿命等。
业主要求外墙抹灰一次施工合格率达到90%。
制表:宋秋鸿日期:2013年1月14日2、本项目部现在状况:在102、104号厂房墙面抹灰施工时,发现多处墙面开裂,下雨天伴有渗水现象,无法达到规范要求。
3、小组的选择:针对这项难题,我们小组把“提高外墙抹灰一次施工合格率”作为现场型课题。
四、现状调查小组收集了我项目部在云锗项目外墙抹灰一次施工合格率的数据,统计出一次施工合格率为:表4-1 102、104号建筑外墙抹灰一次施工合格率统计表制表:宋秋鸿日期:2013年1月18日根据上图对外墙抹灰一次不合格数进行统计分类:表4-2 102、104号建筑外墙抹灰一次施工不合格点分类统计表制表:宋秋鸿日期:2013年1月18日根据分类统计表,统计外墙抹灰一次施工不合格点频数:表4-3 102、104号建筑外墙抹灰一次施工不合格点频率表制表:宋秋鸿日期:2013年1月18日小组成员通过调查、统计、分析。
提高内组名称人有德行如水至清QC小组课题类型现场型课题名称提高内墙抹灰质量(一次性合格率)活动次数12小组注册号ZR-QC-2016-01注册时间2016年6月9日活动日期2016年6月-2016年12月课题注册号ZR-KT-2016-01成员简介姓名年龄性别职称职务组内职务42女高级工程师项目负责人组长55男高级工程师项目技术负责人副组长47男工程师施工员组员41男工程师质检员组员30男助工资料员组员39男助工材料员组员33男工程师安全员组员32男工程师安全员组员28男助工安全员组员日期:2016年6月10日三、选题理由1、该项目被公司确定为创优工程计划项目,质量目标为争创湖州市建设工程飞英杯奖(优质工程),而内墙抹灰质量是其中的一个重点。
2、墙体抹灰出现空鼓、开裂、起砂等仍是行业的质量通病,公司近几年完工的项目都不同程度的出现了墙体抹灰质量问题。
3、本工程内墙抹灰工程量较大,控制好抹灰质量能避免因大量返工而造成费用和工期的损失。
4、本工程为保障性安居工程,责任重大,提高工程质量显得尤为重要。
因此,我们QC小组选择“提高内墙抹灰质量(一次性合格率)”为活动课题。
四、现状调查根据公司项目部以往的施工经验,结合内墙抹灰施工中存在的问题,我们QC小组在公司领导的带领下对公司其它两个在建工程的内墙抹灰工程进行了实体测量,每个工程抽检10个房间,共抽检了20个房间,每个房间4面墙,每面墙测2处,每处检查平整度和垂直度、阴阳角方正、空鼓、开裂、起砂5项内容。
共检查800项次,合格667项次,不合格133项次,平均一次性合格率83.4%。
同时,我们将现场的测量、统计、分析的数据进行了归纳整理,并做出了缺陷频数统计表如下:缺陷频数统计表表2序号缺陷类别缺陷频数缺陷频率(%)累计频率(%)1空鼓8664.764.72平整度和垂直度偏差1612.076.73阴阳角不方正1410.587.24开裂118.395.55起砂6 4.5100合计133100制表人:张建军日期:2016年6月20日根据缺陷频数统计表绘制出排列图进行分析:制图人:张建军 日期:2016年6月20日图1 内墙抹灰质量缺陷排列图结论:从排列图中可以看出,“空鼓”占了64.7%的频率,是造成内墙抹灰合格率偏低的主要因素,也是我们QC 小组需要解决的问题。
提高墙体抹灰一次合格率方远建设集团股份有限公司天韵水岸工程QC小组一、工程概况体育场路南侧、广场南路西侧地块(天韵水岸)工程由方远建设集团股份有限公司公司投资兴建,合同总造价3.4081亿元。
本工程位于台州经济开发区体育场路南侧、广场南路西侧,总建筑面积223011m2,其中地下28087 m2,地上137369m2,由5栋主楼及裙楼组成。
其中1#主楼地上十六层,建筑高度为77.85m;2#~5#主楼地上七层,建筑高度为38.85m;裙楼地上三层,建筑高度为16.9m。
本工程质量目标为“争创钱江杯”。
二、小组简介为实现公司“钱江杯”创优目标,我项目部在20XX年3月组建了本项目QC小组,并经过公司注册,注册号为FYQC20XX03,主要针对墙体抹灰质量进行现场型QC小组活动,本QC小组组员简介见下表1:表1:QC小组成员概况制表时间:20XX年03月15日为了更好的开展QC小组活动,我们根据工程的施工进度要求,制定活动计划如下表2: 表2:QC活动计划表制表人:陈方利制表时间:20XX年03月15日三、选择课题1、课题选择内墙抹灰是今年项目土建的重点工作,而墙体抹灰空鼓、开裂、起砂等施工质量问题一直困扰着我公司,也是我项目部目前急需解决的质量问题。
另外,公司也希望通过QC 小组活动将墙体抹灰质量提高至一个新的台阶,并为其它项目提供施工指导。
2、选题理由理由1:墙体抹灰空鼓、开裂、起砂等问题仍然是行业的质量通病,公司近期完工的项目抹灰质量调查统计显示一次验收合格率偏低;理由2:公司给本项目下达的质量目标是确保“争创钱江杯”,后期装修工程的质量是重点,要求无装修质量缺陷,一次验收合格,而抹灰质量是保证内墙装饰工程质量的重要前提;理由3:本工程建筑面积大,房间分隔墙体多,内抹灰工程量很大,约38万m2,控制好抹灰质量能避免大量返工造成的费用和工期的损失;鉴于上述理由,我们最终选择了“提高墙体抹灰合格率”作为本次QC活动的课题。
提高内墙抹灰质量(一次性合格率)浙江中荣建设有限公司人有德行如水至清QC小组一、工程概况武康城南保障性住房(二期)建设工程,位于德清县武康镇塔山街以南、英溪南路以西地块,总建筑面积52769.77平方米,其中:地上建筑面积39915.9平方米,地下建筑面积12853.87平方米,由3幢18层住宅(地上18层,地下1层),1幢17层住宅(地上17层,地下一层)、3幢16层住宅(地上16层,地下1层)、一幢2层配套用房(地上2层)组成,均为框剪结构。
工程造价12998. 1888万元。
由德清县微利房屋开发有限公司投资建设,上海远东建筑设计院设计,浙江华厦工程勘察院地质勘察,由浙江中荣建设有限公司施工总承包,德清县建设监理有限公司现场监理。
本工程为保障性安居工程,质量目标为争创湖州市建设工程飞英杯奖(优质工程)。
二、小组概况人有德行如水至清QC小组概况表表1小组名称人有德行如水至清QC小组课题类型现场型课题名称提高内墙抹灰质量(一次性合格率)活动次数12小组注册号ZR-QC-2016-01注册时间2016年6月9日活动日期2016年6月-2016年12月课题注册号ZR-KT-2016-01成员简介姓名年龄性别职称职务组内职务方红亚42女高级工程师项目负责人组长张建军55男高级工程师项目技术负责人副组长吴利群47男工程师施工员组员黄全红41男工程师质检员组员王建文30男助工资料员组员夏浩杰39男助工材料员组员王斌33男工程师安全员组员潘平32男工程师安全员组员倪振涛28男助工安全员组员制表人:方红亚日期:2016年6月10日三、选题理由1、该项目被公司确定为创优工程计划项目,质量目标为争创湖州市建设工程飞英杯奖(优质工程),而内墙抹灰质量是其中的一个重点。
2、墙体抹灰出现空鼓、开裂、起砂等仍是行业的质量通病,公司近几年完工的项目都不同程度的出现了墙体抹灰质量问题。
3、本工程内墙抹灰工程量较大,控制好抹灰质量能避免因大量返工而造成费用和工期的损失。
提高抹灰工程墙面实测实量验收一次性合格率汇报人:x中铁x集团第五工程有限公司金坛碧桂园项目经理部QC小组二0一八年三月目录第一部分、工程概况----------------------------------------------------------- 2 第二部分、小组概况----------------------------------------------------------- 3 第三部分、选题理由----------------------------------------------------------- 4 第四部分、调查现状----------------------------------------------------------- 5 第五部分、设定目标和可行性分析----------------------------------------------- 6 第六部分、原因分析----------------------------------------------------------- 7 第七部分、要因确认----------------------------------------------------------- 8 第八部分、制定对策---------------------------------------------------------- 21 第九部分、对策实施 (22)第十部分、效果检验---------------------------------------------------------- 25 第十一部分、巩固措施-------------------------------------------------------- 26 第十二部分、总结打算-------------------------------------------------------- 27第一部分、工程概况金坛碧桂园三期一标段总承包工程共包括1#楼、2#楼、3#楼、5#楼、7#楼、地下车库及沿街商业、其他活动用房等。
第四分公司***项目部Q C课题:提高抹灰接茬处的一次验收合格率工程项目:高提高抹灰接茬处的一次验收合格率*******QC小组一、工程概况本工程为高端专用粉生产项目初清车间、原粮仓工程和3.5万吨专用小麦仓储项目工程,建设单位:**,设计单位:**,监理单位:**,施工单位:河北省**。
原粮仓:本工程建筑面积为19831㎡,建筑占地面积3286.69㎡。
结构形式为钢筋混凝土框架结构体系,六层原粮仓,原粮仓主体高度均为38.30m。
接粮棚及液压翻板称间:本工程建筑面积为2826.59㎡,(接粮棚:2298.59㎡,液压轴翻板称间:528㎡),建筑占地面积1071.22㎡。
结构形式为钢筋混凝土框架结构体系,本项目为二类高层工业厂房,其中初清车间地坑深9.4m、一层层高7.2m、二层层高7m、三层层高5.5m、四层层高5m、五层层高6m;原粮仓一层层高6.64m,仓体层高26.36m,仓顶层高4.8m。
粮棚建筑主体高度为30.9m。
二、QC小组简介本小组为***QC小组,成立于2017年12月,由技术部、项目工程部联合组成。
小组成员5人,为质量型QC小组,以“提高抹灰接茬处的一次验收合格率”为课题展开活动。
QC小组概况表制表:审核人:时间:2017年12月9日三、课题选择根据以往工程中在砌筑完成后加气块与主体结构混凝土接茬处抹灰出现的裂缝的质量缺陷,本工程计划提高接茬处抹灰质量,避免出现质量缺陷,提高抹灰接茬处的一次验收合格率。
制图: 时间:2017年12月9日四、现状调查我们对近期施工的同项工程调查,对影响装饰抹灰工程质量潜在因素进行统计分析,见下表。
09日五、课题目标及可行性论证1、在调查现状的基础上,经小组成员讨论,决定本课题活动的目标为:抹灰质量目标柱状图 制图: 时间:2017年12月9日2、可行性论证① 此工程小组成员由项目经理、技术负责、施工员、等组成,责任心强,能团结协作。
② 小组成员大多是经验丰富的现场能手,对工程情况非常了解、熟悉。
提高内墙抹灰施工质量发布人:余芳XXX(集团)总公司XXX务会所项目部QC小组目录一、工程概况 (3)二、QC小组简介 (3)三、选题理由 (4)四、现状调查 (4)五、课题目标及可行性论证 (6)六、原因分析 (8)七、制定对策 (10)八、组织实施 (11)九、检查效果 (18)十、巩固措施 (20)十一、总结及今后打算 (20)一、工程概况本工程为XXX务会所,建设单位:福州XXX务会所有限公司,设计单位:北京蓝图工程设计有限公司,监理单位:福建璟源工程监理有限公司,施工单位:XXX(集团)总公司。
本工程总建筑面积22884.9㎡,其中地上建筑面积13796.0㎡,地下建筑面积为8876.7㎡。
地下为二层,地上为六层;地下二层层高4.00m,地下一层层高4.80m,一层层高4.7m,二层层高3.5m,三层层高5.5m,四层层高3.9m,五、六层层高3.6m,建筑高度为23.80m。
二、QC小组简介本小组为XXX(集团)总公司XXX务会所项目部QC小组,成立于2015年12月,由技术部、项目工程部联合组成。
小组成员8人,为现场型QC小组,以“提高内墙抹灰施工质量”为课题展开活动。
QC小组概况表表一制表:余芳时间:2013年11月1日三、选题理由降低成本、缩短工期、提高质量图一制图:余芳 时间:2015年10月1日四、现状调查我们QC 小组本着节约人工成本和材料成本,在内墙抹灰施工质量等方面取得工程质量控制经验这一目标,地下室内墙抹灰施工质量的调查分析统计如下:累计频%)1020304050607080901000阴阳角不方正墙表面不垂直墙表面不平整墙面空鼓墙面开裂N=100频数0100908070605040302010图二 内墙抹灰施工质量缺陷调查排列图制表:余芳 时间:2015年10 月10日结论:通过排列图分析,找出墙面开裂、墙面空鼓质量,是影响内墙总后抹灰施工质量的主要因素,经小组讨论本工程确定提高墙面开裂、墙面空鼓质量为本课题主攻向。