实验三 乙醇催化裂解
- 格式:ppt
- 大小:388.50 KB
- 文档页数:13
乙醇的催化氧化实验报告一、引言乙醇是一种常见的醇类有机化合物,广泛应用于工业生产和日常生活中。
乙醇催化氧化实验是一项常见的实验,通过引入催化剂,观察乙醇在不同条件下的氧化反应,可以研究催化剂对乙醇氧化反应的影响,为乙醇氧化反应的应用提供理论依据。
二、实验目的1. 掌握乙醇催化氧化实验的基本操作方法;2. 研究不同催化剂对乙醇氧化反应的影响;3. 分析催化剂对乙醇氧化反应速率的影响。
三、实验原理乙醇的催化氧化反应是指在催化剂的作用下,乙醇与氧气发生反应生成乙醛或乙酸的过程。
在实验中,选取不同的催化剂,观察其对乙醇氧化反应速率的影响。
催化剂的加入可以降低乙醇氧化的活化能,提高反应速率。
常用的催化剂有铜催化剂、银催化剂等。
四、实验步骤1. 实验前准备:准备乙醇、催化剂、反应器等实验器材;2. 实验组装:将催化剂加入反应器中,加入适量的乙醇;3. 实验操作:在适当的温度和压力条件下,通入氧气进行氧化反应;4. 反应观察:观察反应过程中的气体产生情况和颜色变化;5. 数据记录:记录反应时间和产物生成情况;6. 数据处理:根据记录的数据,分析不同催化剂对乙醇氧化反应速率的影响。
五、实验结果与分析根据实验记录的数据,可以发现不同催化剂对乙醇氧化反应速率有不同的影响。
以铜催化剂为例,观察到乙醇氧化反应速率较快,产生的乙醛或乙酸量较大。
而以银催化剂为催化剂时,乙醇氧化反应速率较慢,产物生成量较少。
这表明催化剂的选择对乙醇氧化反应具有重要影响,不同催化剂具有不同的催化活性。
六、实验结论通过乙醇的催化氧化实验,我们得出了以下结论:1. 不同催化剂对乙醇氧化反应速率有明显影响,铜催化剂具有较高的催化活性;2. 催化剂的选择对乙醇氧化反应具有重要意义,可以通过调整催化剂的种类和用量来控制乙醇氧化反应的速率。
七、实验总结乙醇的催化氧化实验是一项常见的实验,通过该实验可以研究不同催化剂对乙醇氧化反应的影响。
实验结果表明,铜催化剂具有较高的催化活性,可以加速乙醇氧化反应的速率。
一、实验目的1. 了解乙醇受热分解的原理和过程。
2. 掌握乙醇受热分解实验的步骤和方法。
3. 通过实验,观察乙醇受热分解的现象,并分析实验结果。
二、实验原理乙醇在受热条件下,会发生分解反应,生成乙醛和氢气。
该反应的化学方程式如下:C2H5OH → CH3CHO + H2↑三、实验仪器与试剂1. 仪器:酒精灯、试管、试管夹、铁架台、集气瓶、水槽、导管、橡胶塞、量筒、滴管。
2. 试剂:乙醇、乙醛、氢气。
四、实验步骤1. 将10毫升乙醇倒入试管中,用酒精灯加热至沸腾。
2. 将试管口塞上橡胶塞,塞上导管,导管另一端伸入集气瓶中。
3. 观察集气瓶内气体变化,记录实验现象。
4. 停止加热,待试管内气体冷却后,打开橡胶塞,观察集气瓶内气体颜色变化。
5. 将集气瓶中的气体收集于另一集气瓶中,用燃烧法检验气体成分。
五、实验现象1. 加热过程中,试管内乙醇逐渐蒸发,产生气泡。
2. 随着温度升高,气泡增多,集气瓶内气体逐渐被乙醇蒸汽充满。
3. 停止加热后,试管内气体冷却,集气瓶内气体颜色逐渐变浅。
4. 燃烧检验气体时,产生淡蓝色火焰,证明气体为氢气。
六、实验结果与分析1. 通过实验观察,乙醇在受热条件下可以分解生成乙醛和氢气。
2. 乙醇分解反应为放热反应,随着温度升高,反应速率加快。
3. 氢气在实验中产生,证明乙醇分解反应的产物之一为氢气。
七、实验结论1. 乙醇在受热条件下可以分解生成乙醛和氢气。
2. 该实验验证了乙醇分解反应的原理,并观察到了实验现象。
3. 通过实验,掌握了乙醇受热分解实验的步骤和方法,加深了对乙醇分解反应的理解。
八、注意事项1. 实验过程中,注意安全,避免酒精灯火焰接触皮肤和衣物。
2. 实验操作要规范,确保实验结果的准确性。
3. 注意观察实验现象,及时记录实验数据。
九、实验拓展1. 探讨不同温度下乙醇分解反应的速率差异。
2. 研究乙醇分解反应的机理,探讨影响反应速率的因素。
3. 比较其他醇类物质的受热分解反应,分析其异同点。
实验三乙醇脱水实验三乙醇脱水实验三乙醇气相脱水制乙烯反应动力学实验室小型管式炉加热固定床、流化床催化反应装置是有机化工、精细化工、石油化工等部门的主要设备,尤其在反应工程、催化工程及化工工艺专业中使用相当广泛。
本实验是在固定床和流化床反应器中,进行乙醇气相脱水制乙烯,测定反应动力学参数。
固定床反应器内填充有固定不动的固体催化剂,床外面用管式炉加热提供反应所需温度,反应物料以气相形式自上而下通过床层,在催化剂表面进行化学反应。
流化床反应器内装填有可以运动的催化剂层,是一种沸腾床反应器。
反应物料以气相形式自下而上通过催化剂层,当气速达到一定值后进入流化状态。
反应器内设有档板、过滤器、丝网和瓷环等内部构件,反应器上段有扩大段。
反应器外有管式加热炉,以保证得到良好的流化状态和所需的温度条件。
反应动力学描述了化学反应速度与各种因素如浓度、温度、压力、催化剂等之间的定量关系。
动力学在反应过程开发和反应器设计过程中起着重要的作用。
它也是反应工程学科的重要组成部分。
在实验室中,乙醇脱水是制备纯净乙烯的最简单方法。
常用的催化剂有:浓硫酸液相反应,反应温度约170℃。
三氧化二铝气-固相反应,反应温度约360℃。
分子筛催化剂气-固相反应,反应温度约300℃。
其中,分子筛催化剂的突出优点是乙烯收率高,反应温度较低。
故选用分子筛作为本实验的催化剂。
一、实验目的1、巩固所学有关反应动力学方面的知识。
2、掌握获得反应动力学数据的手段和方法。
3、学会实验数据的处理方法,并能根据动力学方程求出相关的动力学参数值。
4、熟悉固定床和流化床反应器的特点及多功能催化反应装置的结构和使用方法,提高自身实验技能。
二、实验原理乙醇脱水属于平行反应。
既可以进行分子内脱水生成乙烯,又可以进行分子间脱水生成乙醚。
一般而言,较高的温度有利于生成乙烯,而较低的温度有利于生成乙醚。
因此,对于乙醇脱水这样一个复合反应,随着反应条件的变化,脱水过程的机理也会有所不同。
第33卷第3期2012年3月太阳能学报ACTA ENERGIAE SOLARIS SINICAVol.33,No.3Mar.,2012文章编号:0254-0096(2012)03-0359-04生物质裂解油催化裂解精制机理研究(Ⅲ)———生物质裂解油模拟物的催化裂解机理收稿日期:2010-01-22基金项目:国家重点基础研究发展(973)计划(2007CB210206);国家自然科学基金(21006028)通讯作者:颜涌捷(1943—),男,教授、博士生导师,主要从事生物质能转化和利用方面的研究。
yyansc@online.sh.cn谢丹,黄清发,戎欣,许庆利,王复,李洪宇,颜涌捷(华东理工大学生物质能源研究中心,上海200237)摘要:分析生物质油6种模拟物在裂解温度500ħ,不同质量空速条件下的催化裂解产物。
不含芳环的生物质油模拟物(乙酸、甲醇、环戊酮和糠醛)经过HZSM-5分子筛催化剂催化裂解后的产物中,均含有苯、萘、茚和多环芳烃及其衍生物,而苯酚和间甲酚经过HZSM-5分子筛催化裂解后,产物中主要是酚类化合物。
根据模拟物催化裂解产物,推测不同类型化合物的催化裂解反应途径,说明生物质裂解油催化裂解精制反应过程主要发生脱氧和芳烃化反应,为生物质油催化裂解精制机理研究提供了理论依据。
关键词:生物质裂解油;催化裂解;模拟物;裂解精制机理中图分类号:TK6文献标识码:A0引言生物质裂解油组成十分复杂[1 3],由GC-MS 所检出的化合物有200余种,要真实了解生物质裂解油催化裂解过程极其困难,到目前为止还不能用一种简单的方式对生物质裂解油催化裂解过程进行描述,于是国内外许多学者采用模拟物研究生物质裂解油催化裂解精制的机理[4 7]。
为了研究生物质裂解油在分子筛催化剂HZSM-5上的催化裂解精制的机理,本文选用生物质油中几种含量较高,具代表性的特征化合物乙酸、乙醇、环戊酮、间甲酚、苯酚和糠醛作为模拟物,考察在裂解温度500ħ和不同质量空速时的催化裂解产物,进而推测生物质裂解油催化裂解精制的机理。
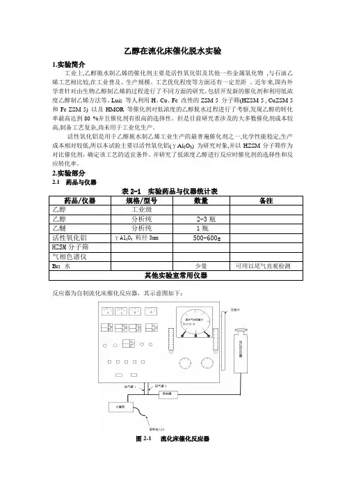
乙醇在流化床催化脱水实验1.实验简介工业上,乙醇脱水制乙烯的催化剂主要是活性氧化铝及其他一些金属氧化物,与石油乙烯工艺相比较,在工业普及、生产规模、工艺优化程度等方面还有一定差距。
近年来,国内外学者针对由生物乙醇制乙烯的过程进行了不同方面的研究。
包括开发新的催化剂和利用低浓度乙醇制乙烯方法等。
Luis 等人利用H、Cu、Fe 改性的ZSM-5 分子筛(HZSM-5 , CuZSM-5 和Fe-ZSM-5) 以及HMOR 等催化剂对低浓度的乙醇脱水过程进行了考察,发现乙醇的转化率最高达到80 %并且催化剂有很高的选择性。
但是目前研究者涉及的大多数催化剂成本较高,制备工艺复杂,尚未用于工业化生产。
活性氧化铝是用于乙醇脱水制乙烯工业生产的最普遍催化剂之一,化学性能稳定,生产成本相对较低,所以本试验主要以活性氧化铝(γAl2O3) 为研究对象,并以HZSM分子筛作为对比催化剂,确定该工艺的适宜条件。
并研究了低浓度乙醇进行反应时催化剂的选择性和反应转化率。
2.实验部分2.1药品与仪器表2-1 实验药品与仪器统计表药品/仪器规格/型号数量备注乙醇工业级乙醇分析纯 2-3瓶乙醚分析纯1瓶活性氧化铝γAl2O3 粒径3mm500-600gHZSM分子筛气相色谱仪Br2 水少量可用以尾气直观检测其他实验室常用仪器反应器为自制流化床催化反应器,其示意图如下:图2-1 流化床催化反应器2.2 实验流程实验装置为自制流化床催化反应器,分为预热器和反应器两部分,预热器和反应器均由电加热套加热,用精密温度控制仪控制加热温度。
液相原料由往复式计量泵进样,经过预热器加热后,再进入填充有催化剂的流化床反应器进行反应,反应尾气经过水冷,部分被冷凝为液体,采用气相分析的方法对液相反应产物进行分析,尾气经计量后放空。
2.3实验内容2.3.1单因素实验①考察温度因素对该反应行为的影响关系。
在反应温度范围内分别以γAl2O3 、HZSM分子筛为催化剂分别选取5个不同温度,进行实验,10次。
教法实验报告___乙醇的催化氧化实验目的:通过催化氧化反应,探究乙醇的氧化反应过程,并观察反应产物。
实验原理:乙醇是含氧化合物,在空气中易与氧气反应,产生乙醛和乙酸等反应产物,然而这种反应速度很慢。
为了提高氧化反应速度,可以采用催化剂。
本实验所采用的CuO-ZnO-Al2O3是一种常用的催化剂,它可以促进氧化反应的进行,提高反应速率。
实验设备:1.热水浴2.干燥器3.160ml圆底烧瓶4.黑色胶塞5.液滴管6.琼脂糖纸实验步骤:1.将50ml 95%乙醇加入160ml圆底烧瓶中;2.向乙醇中加入2g催化剂,用黑色胶塞将烧瓶封闭;3.将烧瓶放置在80℃的热水浴中,并在反应过程中用液滴管向烧瓶中滴加氧气,反应持续2小时;4.反应结束后,用干燥器将产物干燥,再将其用石英舟称量;5.用酚-苯酚萃取方法处理产物,在琼脂糖纸上滴上萃取液的一个小滴,并在通风处晾干;6.用极性溶剂将纸条浸泡在石油醚中,用手揉搓,可将产物分离出并溶于石油醚中;7.取出石油醚溶液,用旋转蒸发仪去除溶剂,得到产物;8.用质谱仪进行产品分析,得到反应产物特征峰。
实验结果:实验中通过测量乙醇催化氧化反应后产生的反应产物中产生的物质的量,可以得到反应前和反应后物质的差异。
反应前乙醇的质量一定,反应后确定为蒸发后的干物质重量,得到反应物的转化率。
实验过程中得到的反应产物是乙醛和乙酸,其特征峰的质荷比为43和60。
根据产物的质量,可以得到乙醛和乙酸的质量。
实验结论:本实验通过催化氧化反应,确定了乙醇转化率、产物种类和转化产物量。
结果表明,催化剂在乙醇氧化反应中起到了很好的催化作用,提高了反应速率,同时产物中产生的乙醛和乙酸可以通过特征质荷比得到确定的结论。
醇的催化家庭实验
1.在加热Cu丝时发生反应 Cu+O2 2CuO。
当把热的Cu丝遇到乙醇蒸气时发生反应:CH3CH2OH+CuO CH3CHO+Cu+H2O。
在不断鼓如空气的情况下,熄灭酒精灯,反映仍能继续进行,说明该乙醇催化反应是放热反应,反应放出的热量就足够后面发生反应需要消耗的能量。
2.甲的水浴加热作用是产生乙醇蒸气,便于乙醇的挥发;而乙用的是冷水浴。
目的是冷却降温,便于乙醛的收集。
3.由(1)的反应方程式可知:反应进行一段时间后,试管a中收集到的主要有机生成物是乙醛。
若要检验试管a中能收集的该物质,可以利用醛基的性质进行操作是加入新制的氢氧化铜悬浊液,加热煮沸若有砖红色沉淀产生,证明产物是乙醛。
一、实验目的1. 了解酒精分解反应的基本原理及过程。
2. 掌握实验操作步骤,观察酒精分解过程中的现象。
3. 分析酒精分解产物的性质,验证反应方程式。
二、实验原理酒精分解是一种有机化学反应,通常在高温下进行。
在实验中,将酒精与固体催化剂(如CuO)混合,加热至一定温度,使酒精分解生成二氧化碳和水。
反应方程式如下:C2H5OH + CuO → CO2↑ + H2O + Cu三、实验仪器与试剂1. 仪器:酒精灯、烧杯、玻璃棒、试管、铁架台、酒精灯、温度计、滤纸、漏斗、锥形瓶、洗气瓶、集气瓶等。
2. 试剂:95%酒精、CuO固体、稀硫酸、NaOH溶液、酚酞指示剂等。
四、实验步骤1. 准备实验装置:将烧杯放在铁架台上,插入温度计,调整位置使温度计的水银球位于烧杯底部。
2. 将一定量的CuO固体放入烧杯中,加入适量酒精,搅拌均匀。
3. 点燃酒精灯,加热烧杯,使酒精与CuO混合物受热分解。
4. 观察反应现象,记录温度变化和气泡产生情况。
5. 当反应基本完成时,关闭酒精灯,待混合物冷却。
6. 将反应后的混合物倒入滤纸中,用漏斗进行过滤。
7. 收集滤液,加入酚酞指示剂,观察溶液颜色变化。
8. 用稀硫酸调节滤液pH值,使溶液呈中性。
9. 将调节后的滤液倒入锥形瓶中,加入NaOH溶液,观察沉淀现象。
10. 用洗气瓶收集沉淀,观察沉淀颜色和状态。
五、实验现象与结果1. 加热过程中,酒精与CuO混合物逐渐分解,产生气泡,溶液颜色变深。
2. 反应完成后,溶液呈无色透明,无明显沉淀。
3. 加入酚酞指示剂后,溶液颜色变为浅红色。
4. 用稀硫酸调节pH值后,溶液颜色变为无色。
5. 加入NaOH溶液后,产生白色沉淀,沉淀逐渐增多。
六、数据分析与结论1. 酒精分解反应过程中,酒精与CuO混合物受热分解,生成二氧化碳和水。
反应方程式为:C2H5OH + CuO → CO2↑ + H2O + Cu。
2. 反应过程中,气泡产生说明酒精在分解过程中产生了气体。
气固相催化反应乙醇脱水流化床实验一、实验目的1. 通过流化床进行乙醇脱水工艺条件的测定,目的在于了解流化床与固定床的床型结构与操作方法的不同。
2. 通过流化床进一步掌握类似催化裂解的实验技巧。
3.学会在不同装置上运用所学的知识去解决各类问题的本领。
4. 选学习中也要掌握全设备的仪表控制方法、流程、反应器结构、反应与操作原理。
5. 掌握各类脂肪醇脱水生成相应碳数的烯烃方法。
二、实验原理取乙醇脱水反应制乙烯是化学反应中比较简单的一种反应过程,一般要通过固定床,催化剂处于静止状态让反应物通过加热的反应床层,此时乙醇既转化为乙醚和乙烯及水。
低温下乙醚占优,高温下乙烯占优。
催化剂一般是采用φ3×3mm 的条状脱水催化剂,如;活性氧化铝、ZSM -5分子筛等催化剂都有较高转化率和选择性。
但固定床在热量传递方面是依靠外部供热,床层内部温度与壁之间有很大的温差,对转化带来不利因素。
如果将催化剂颗粒减小到1mm 以下,在反应器内由下至上通入反应物(气体或液体)。
此反应物通过床层速度增大到一定值后,上升的气体或液体将会把粒子带起,使流体中的粒子呈悬浮状态,若一直保持稳定的这一流速,则床层的粒子会不断上下跳动沸腾,这时我们将此称为沸腾流化床操作,它与固定床不同点是在流化床中粒子沸腾时,可将热量快速从壁上传至内部,而且全部床层内温度很均匀,这就是流化床的优点。
如果流化床的进料速度过大,会将粒子吹出,这时粒子便进入移动状态,在催化裂化的反应中,催化剂可从反应床移至再生床,从再生床再回到反应床,并周而复始稳定循环,以保持较高催化活性。
工业催化裂化就是这种形式的操作,但在实验室较少不采用循环法去操作,多改用在一个反应器内反应后再进行再生。
也就是催化剂上因结碳而失活,采用空气和氮气的混合气在同一个反应器内保持500℃流化状态下操作,活化一定时间,能烧掉结碳并恢复活性。
对乙醇脱水反应催化剂失活时即可按此方法进行再生。
乙醇的催化氧化实验报告实验目的:1. 通过催化剂催化氧化乙醇,探究乙醇在催化剂存在下的氧化反应过程。
2. 了解催化剂对乙醇氧化反应速率的影响。
实验原理:乙醇在氧气存在下可以发生氧化反应,生成乙醛(CH3CHO)或乙酸(CH3COOH)等产物。
为了提高反应速率,通常需要添加催化剂。
常用的催化剂包括铜(Cu)、铁(Fe)等金属。
催化剂可以通过提供活化能降低反应所需的能量,从而加速反应速率。
实验步骤:1. 准备实验器材和试剂:乙醇、催化剂(例如铜粉)、氧气气源、试管、试管架、酒精灯等。
2. 将试管架安装好,将试管放置在试管架上。
3. 将适量的乙醇倒入试管中,加入催化剂。
4. 将试管的开口处用橡皮塞封好,确保氧气不会外泄。
5. 使用酒精灯加热试管底部,使乙醇氧化反应开始。
6. 观察并记录反应的变化,包括颜色、气味等。
7. 结束实验后,注意安全,将实验废液正确处理。
实验结果:根据实验观察,可以发现乙醇在催化剂存在下发生氧化反应。
反应进行时,试管内产生气体,有可能伴随有颜色的气体或气味的释放。
颜色和气味的变化可以作为反应进行的指示物。
实验注意事项:1. 实验中注意安全,避免接触皮肤或者吸入气体。
2. 催化剂通常是有毒的,注意使用时避免直接接触皮肤和吸入。
实验结论:本实验通过催化剂的作用,使乙醇发生了催化氧化反应,并观察到了反应的变化。
实验结果表明,催化剂可以加速乙醇的氧化反应速率,并促使产物生成。
实验中所使用的催化剂可以作为进一步研究的对象,探究其对乙醇氧化反应的影响。
一、实验目的1. 了解裂解实验的基本原理和方法。
2. 掌握裂解实验的操作步骤。
3. 分析裂解实验结果,探讨裂解条件对实验的影响。
二、实验原理裂解实验是一种利用高温或催化剂将大分子化合物分解成小分子化合物的实验方法。
本实验采用高温裂解法,将有机物中的碳、氢、氧等元素分解,生成气体、液体和固体产物。
通过分析这些产物,可以了解有机物的组成和结构。
三、实验仪器与试剂1. 仪器:裂解炉、气体分析仪、液体收集瓶、固体收集瓶、电子天平、加热器、酒精灯、试管、烧杯、滴管等。
2. 试剂:有机物样品、催化剂(如硫酸铜)、氢氧化钠溶液、盐酸、蒸馏水等。
四、实验步骤1. 称取一定量的有机物样品,置于试管中。
2. 加入适量的催化剂,搅拌均匀。
3. 将试管放入裂解炉中,加热至设定温度,保持一定时间。
4. 观察裂解过程中的现象,记录气体、液体和固体的产生情况。
5. 停止加热,待裂解产物冷却后,分别收集气体、液体和固体。
6. 使用气体分析仪对气体产物进行分析,记录数据。
7. 将液体产物收集于烧杯中,用电子天平称量质量。
8. 将固体产物收集于另一个烧杯中,用电子天平称量质量。
9. 根据实验数据,分析裂解条件对实验的影响。
五、实验结果与分析1. 气体产物分析:通过气体分析仪,检测到的主要气体产物为CO2、H2、CH4等。
分析数据如下:| 气体种类 | 比例(%) || -------- | -------- || CO2 | 25 || H2 | 15 || CH4 | 10 || 其他气体 | 50 |2. 液体产物分析:液体产物主要为水、醇类等。
称量质量为2.5g。
3. 固体产物分析:固体产物主要为碳、碳酸盐等。
称量质量为0.5g。
根据实验结果,分析如下:1. 加热温度对裂解实验的影响:随着加热温度的升高,气体产物比例逐渐增加,固体产物比例逐渐减少。
这是因为高温有利于有机物分子的分解,生成更多的气体产物。
2. 催化剂对裂解实验的影响:加入催化剂后,气体产物比例明显增加,固体产物比例减少。
乙醇气固催化脱水制乙烯实验报告嘿,朋友们,今天咱们聊聊一个有趣的实验,那就是用乙醇通过气固催化脱水来制乙烯。
听上去是不是有点高大上?别急,咱们慢慢来,保证你听得明明白白,轻松愉快。
乙烯,这可是一个大名鼎鼎的化学小子,塑料、合成纤维,甚至是咱们日常生活中的一些小玩意儿,都少不了它的身影。
说到乙醇,那更是咱们熟悉的酒精,啤酒、红酒,聚会的时候来一杯,真是没得说。
但今天的主角可不是喝的,而是它在实验室里的另一种风采。
我们得知道,这个实验的目的是什么。
就是把乙醇分解,变成乙烯,这样一来,乙烯就能在化工原料里大显身手。
说到催化剂,它就像是这场实验的导演,帮我们加速反应,让一切变得更高效。
用的催化剂是什么呢?嘿,通常是一些氧化铝之类的家伙。
它们的存在简直是如虎添翼,让反应顺利进行。
想象一下,没有催化剂,就像是一场没有组织的聚会,大家都不知道该干啥。
咱们得准备实验的材料,首先就是乙醇。
咱们这可是纯度很高的那种,不能打折扣。
然后呢,还有催化剂,这里咱们选的就是那些不起眼但却极其重要的氧化铝颗粒。
它们在反应过程中可忙了,表面大大增加了反应的机会。
还得准备一些设备,像是反应器、冷凝器等等。
其实这些设备就像是厨房里的工具,没有它们,咱们的实验可就成了无米之炊。
开始实验了!把乙醇放进去,慢慢加热。
温度得控制好,不能太高,免得把乙醇烧了个精光。
大家想象一下,那种热腾腾的气体逐渐冒出来的样子,仿佛在给实验加油打气。
慢慢地,乙醇开始转变,像是变魔术一样,冒出来的乙烯气体让人忍不住想欢呼。
实验室里弥漫着淡淡的气味,这就是乙烯的气息。
咱们可是要把这些气体收集起来,做进一步的分析和利用。
反应结束后,别急着收工,咱们得仔细分析一下产物。
取样一试,哇,真是让人开心,乙烯的产量不错,效率也很高。
要是能把这些乙烯用到实际生产中,那简直是两全其美,既能省钱又能环保。
这种实验就像做菜,掌握好火候,选对材料,最后才会呈现出美味的佳肴。
实验过程中难免有些小插曲。
乙醇-催化裂解法大量制备离散碳纳米管
张艾飞;刘吉平;刘华
【期刊名称】《精细化工》
【年(卷),期】2005(22)9
【摘要】碳纳米管的纯化和切短会造成大量碳纳米管损失.该文以乙醇为碳源,直接大规模制备长度为200~600 nm,以单根状态存在的离散碳纳米管,产量为15 g/h.当碳源中乙醇和苯的体积比为1:2,1:1和2:1时,只能合成碳纳米管和碳纳米颗粒的混合物.Raman光谱结果表明,以乙醇为碳源制备的碳纳米管具有很高的结晶度,且为单壁碳纳米管和多壁碳纳米管的混合物.文章提出了离散碳纳米管生长的剪切机理.
【总页数】3页(P658-660)
【关键词】离散;乙醇;碳纳米管
【作者】张艾飞;刘吉平;刘华
【作者单位】北京理工大学材料科学与工程学院
【正文语种】中文
【中图分类】TB383
【相关文献】
1.碳氢化合物催化裂解法制备碳纳米管所用催化剂的研究进展 [J], 曹清;陈召勇;李言荣;邓新武
2.多壁碳纳米管负载镍-磷合金催化剂的制备及其乙醇电催化氧化性能 [J], 刘铮;王
峰;李志林;刘景军;吉静
3.三元金属催化剂Fe/Co/Ni/MgO催化热解法制备碳纳米管 [J], 张亚昆;郭娇;陈改荣;田贝贝
4.三元金属催化剂Fe/Co/Ni/MgO催化热解法制备碳纳米管 [J], 张亚昆;郭娇;陈改荣;田贝贝
5.乙醇催化裂解法制备高储氢量碳纳米管 [J], 张艾飞;刘吉平;刘华
因版权原因,仅展示原文概要,查看原文内容请购买。
乙醇催化脱水的方法哎呀,说起乙醇催化脱水,这事儿可真是让我头疼。
你知道吗,我最近在实验室里搞这个,简直就像是在和一堆化学试剂玩捉迷藏。
不过,我得说,这过程还挺有趣的,让我给你慢慢道来。
首先,你得知道,乙醇这玩意儿,就是我们平时喝的那种酒里头的主要成分。
但是,我们实验室里的乙醇,那可是纯的,一点水都没有。
我们要做的,就是把这乙醇变成乙烯,这可是个技术活儿。
我们用的催化剂,是那种看起来灰不溜秋的粉末,有点像是小时候玩的沙子。
但是,这玩意儿可不简单,它能让乙醇在高温下变成乙烯,这就是所谓的催化脱水。
那天,我穿着白大褂,戴着护目镜,站在实验台前。
我小心翼翼地把乙醇倒进一个玻璃瓶里,然后加入催化剂。
接着,我把玻璃瓶放在加热板上,调好温度,就开始加热了。
你猜怎么着?那玻璃瓶里的液体开始冒泡,就像是有人在里头吹泡泡一样。
我看着那些泡泡,心里那个激动啊,就像是在看一场精彩的魔术表演。
我知道,这些泡泡就是乙醇在变成乙烯的过程中产生的。
但是,这个过程可不简单。
你得控制好温度,不能太高,也不能太低。
太高了,乙烯会烧掉;太低了,反应就进行不下去。
我得不停地调整加热板的温度,就像是在玩一个高难度的游戏。
过了一会儿,我闻到了一股奇怪的味道,有点像是塑料烧焦的味道。
我知道,这是乙烯的味道。
我赶紧把玻璃瓶从加热板上拿下来,用冷水冷却。
然后,我用一个细细的管子,把乙烯从玻璃瓶里吸出来,收集到另一个瓶子里。
这个过程,说起来简单,但实际操作起来,那可是要命的。
你得非常小心,因为乙烯是易燃的,一不小心,就可能引发火灾。
最后,当我看到那些收集到的乙烯,心里那个满足感啊,就像是完成了一件伟大的艺术品。
虽然这个过程有点枯燥,但是,当你看到那些从乙醇中提取出来的乙烯,你就会觉得,这一切都是值得的。
所以,乙醇催化脱水,这事儿听起来挺高大上的,但其实,它就像是一场化学魔术,让人既紧张又兴奋。
这就是我在实验室里的一个小故事,希望你喜欢。
乙醇催化氧化法制取并纯化一拳的实验过程下载提示:该文档是本店铺精心编制而成的,希望大家下载后,能够帮助大家解决实际问题。
文档下载后可定制修改,请根据实际需要进行调整和使用,谢谢!本店铺为大家提供各种类型的实用资料,如教育随笔、日记赏析、句子摘抄、古诗大全、经典美文、话题作文、工作总结、词语解析、文案摘录、其他资料等等,想了解不同资料格式和写法,敬请关注!Download tips: This document is carefully compiled by this editor. I hope that after you download it, it can help you solve practical problems. The document can be customized and modified after downloading, please adjust and use it according to actual needs, thank you! In addition, this shop provides you with various types of practical materials, such as educational essays, diary appreciation, sentence excerpts, ancient poems, classic articles, topic composition, work summary, word parsing, copy excerpts, other materials and so on, want to know different data formats and writing methods, please pay attention!一、实验背景在化学实验中,乙醇催化氧化法是合成一拳的常用方法。