万能充电路原理图
- 格式:doc
- 大小:694.00 KB
- 文档页数:3
手机电池简易万能充电器的原理与制作目前市场上面充斥着形形色色、各式各样的手机电池万能充电器,这里暂且不讨论这些万能充电器的充电效果如何,以及是否有损电池寿命等问题,因为事实上,有相当一部分人在使用这类万能充电器为手机电池充电.这些充电器虽然电路简单、成本低廉,但其内部大都采用了一个小型的开关电源电路,对于初学者而言,若能亲自动手组装一个手机万能充,并绘制其电路、剖析其原理,不失为入门学习开关电源原理的一个好途径。
这里介绍两款廉价、简易的手机电池万能充电器,该类充电器在市面上随处可见,价钱从4元到10几元不等,可以联系相关小厂购买电路散件套件,价格也仅为4—6元,如图1所示。
一. 跑马灯指示型万能充图2为该款跑马灯指示型万能充电路原理图,本电路完全根据实物绘制整理。
图2 跑马灯指示型万能充(一) 电路组成 从原理图中可知,该万能充实质就是一个小型开关电源电路,整个电路大致可分图1 廉价的手机万能充电器为以下几个部分:输入整流滤波电路、开关振荡电路、过压保护电路、次级整流滤波电路、稳压输出电路、自动识别极性及充电电路、跑马灯充电指示电路等。
(二)电路基本工作原理当充电器插到交流电源上后,220V交流电压经D1半波整流、C1滤波,得到约300V左右的直流电压。
由 Q1、T1、R1、R3、R4、R5、C2等元件组成的开关振荡电路将直流转换为高频交流,振荡过程如下:通电瞬间,+300V电压通过启动电阻R1为开关管Q1提供从无到有增大的基极电流I B,Q1集电极也随之产生从无到有增大的集电极电流I C,该电流流经开关变压器T1的1—2绕组,产生上正下负的自感应电动势,同时在T1的正反馈绕组3-4中也感应出上正下负的互感电动势,该电动势经R3、C2等反馈到Q1的基极,使I B进一步增大,这是一个强烈的正反馈过程:I I B↑在这个正反馈的作用下,Q1迅速进入饱和状态,变压器T1储存磁场能量。
此后正反馈绕组不断的对电容C2充电,极性为上负下正,从而使Q1基极电压不断下降,最后使Q1退出饱和状态,T1 1—2绕组的电流呈减小趋势,T1各绕组的感应电动势全部翻转,此时T1 3—4绕组的感应电动势极性为上负下正,该电动势反馈到Q1的基极后,使IB进一步减小,如此循环,进入另一个强烈正反馈过程,使Q1迅速截止.随后C2在自身放电及+300V对它的反向充电的作用下,又使Q1基极电压回升,进入下一轮循环,从而产生周期性的振荡,使Q1工作在不断的开、关状态下。
手机万能充电器由于各型号手机所附带的充电器插口不同,以造成各手机充电器之间不能通用。
当用户手机充电器损坏或丢失后,无法修复或购不到同型号充电器,使手机无法使用。
万能充电器厂家看到这样的商机,就开发生产出手机万能充电器,该充电器由于其体积小、携带方便,操作简单,价格便宜,适合机型多,深受用户的欢迎。
下面以深圳亚力通实业有限公司生产的四海通S538型万能充电器为例,介绍其工作原理和维修方法。
该充电器在市场上占有率较高,又没有随机附带电路图,给维修带来一定的难度,本文根据实物测绘出其工作原理图,见附图,供维修时参考。
四海通S538型万能充电器在外观设计上比较独特,面板上采用透明塑料制作的半椭圆形夹子,透明塑料面板上固定有两个距离可调节的不锈钢簧片作为充电电极。
面板的尾部并排有1个测试开关(极性转换开关)和4个状态指示灯,用户根据需要可以调节充电器电极距离和输出电压极性,并通过状态指示灯可方便看出电池的充电情况。
一、工作原理该充电器电路主要由振荡电路、充电电路、稳压保护电路等组成,其输入电压AC220V、50/60Hz、40mA,输出电压DC4.2V、输出电流在150mA~180mA。
在充电之前,先接上待充电池,看充电器面板上的测试指示灯TEST是否亮。
若亮,表示极性正确,可以接通电源充电;否则,说明电池的极性和充电器输出电压的极性是相反的,这时需要按一下极性转换开关AN1(测试键)才行。
具体电路原理如下。
1.振荡电路该电路主要由三极管VT2及开关变压器T1等组成。
接通电源后,交流220V经二极管VD2半波整流,形成100V左右的直流电压。
该电压经开关变压器T 1-1初级绕组加到了三极管VT2的c极,同时该电压经启动电阻R4为VT2的b极提供一个正向偏置电压,使VT2导通。
此时,三极管VT2和开关变压器T1组成的间歇振荡电路开始工作,开关变压器T1-1初级绕组中有电流通过。
由于正反馈作用,在变压器T 1-2绕组感应的电压通过反馈电阻R1和电容C1加到VT2的b极,使三极管VT2的b极导通电流加大,迅速进人饱和区。
手机万能充电器电路原理与维修一、手机万能充电器电路原理1.AC-DC变换器:手机万能充电器的输入是交流电,而手机需要的是直流电来进行充电。
因此,充电器需要内置一个AC-DC变换器将交流电转换为直流电。
AC-DC变换器的核心是变压器,通过变压器的转换,将输入电流转换为适合手机充电的直流电压。
2.电源管理芯片:电源管理芯片是手机万能充电器的重要组成部分。
它通过控制电流和电压的大小,使得充电器可以提供适合不同手机充电的电源输出。
电源管理芯片还可以对充电状态进行监控,并保证充电器的稳定性和安全性。
B输出接口:手机万能充电器通常使用USB输出接口,以便与各种手机进行连接。
USB接口可以提供稳定的电力输出,并且具有较强的兼容性,适用于多种手机充电。
二、手机万能充电器的维修方法1.充电器不工作或接触不良:首先,检查充电器是否与电源插座连接良好。
如果电源插座正常,那么可以使用万用表测量充电器的输出电压,看看是否正常。
如果输出电压异常,可能是电源管理芯片损坏,需要更换电源管理芯片。
2.充电器输出电压波动:如果充电器输出电压存在波动,可能是AC-DC变换器的问题。
可以使用电子万用表测量变压器输出端的电压波动情况,如果存在异常,可能是变压器损坏,需要更换变压器。
3.充电器过热:充电器过热可能是因为电源管理芯片负荷过重或者充电器散热不良。
可以检查电源管理芯片的负荷情况,如果过载,可能需要更换功率较大的芯片。
另外,可以在充电器上加装散热片或风扇来增加散热效果。
4.充电器无法适应多品牌手机:有些手机品牌的充电器对电流和电压的要求可能有所不同。
如果手机万能充电器无法适应多品牌手机,可以更换电源管理芯片,选择支持多种输出电压和电流的芯片。
万能充电器原理我有个朋友,叫老张,是个电器工程师。
老张这人,平时话不多,但一说起电器,那可就滔滔不绝了。
有一次,我俩在路边摊吃烤串,老张突然说:"你知道万能充电器吗?"我摇摇头,老张就来了劲儿,开始给我讲万能充电器的原理。
老张说,这万能充电器,其实原理很简单。
它里面有个芯片,叫电源管理芯片。
这芯片,就像个管家,负责管理电的进出。
你把手机插上去,芯片就先检测手机的电压和电流需求。
手机说:"我需要5伏电压,1安电流。
"芯片就点点头,说:"好嘞,马上给你安排。
"然后,芯片就指挥充电器内部的电路,把输入的220伏交流电,转换成手机需要的5伏直流电。
老张一边说,一边用手比划,好像那芯片就在他手里似的。
我听得入神,问:"那要是插个平板电脑呢?"老张笑了,说:"平板电脑需求大,可能需要9伏电压,2安电流。
芯片照样能搞定,它就像个魔术师,变着花样满足各种需求。
"我点点头,又问:"那要是插个电动牙刷呢?"老张哈哈大笑,说:"电动牙刷需求小,可能只需要3伏电压,0.5安电流。
芯片照样能应付,它就像个万能钥匙,什么锁都能开。
"老张越说越起劲,干脆把烤串一扔,从包里掏出个万能充电器,现场给我演示。
他把手机、平板、电动牙刷,一个个插上去,果然都能充电。
我看得目瞪口呆,老张得意洋洋,说:"这还不算什么,有些高级的万能充电器,还能自动识别设备类型,调整充电策略,保护电池寿命。
"我听得入迷,突然想起个问题:"那要是插个不认识的设备呢?"老张愣了一下,挠挠头,说:"这倒是个问题。
不过,现在的芯片都很聪明,会尽量匹配,实在不行,就提示你换个充电器。
"我点点头,觉得这万能充电器,真是神奇。
老张看我一脸崇拜,得意地说:"这还不算什么,以后科技发展了,说不定充电器还能自己学习,越来越聪明。
实用万能充电器电路原理图及分析一、工作原理该充电器电路主要由振荡电路、充电电路、稳压保护电路等组成,其输入电压AC220V、50/60Hz、40mA,输出电压DC4.2V、输出电流在150mA~180mA。
在充电之前,先接上待充电池,看充电器面板上的测试指示灯是否亮?若亮,表示极性正确,可以接通电源充电;否则,说明电池的极性和充电器输出电压的极性是相反的,这时需要按一下极性转换开关AN1(测试键)才行。
具体电路原理如下。
1.振荡电路该电路主要由三极管VT2及开关变压器T1等组成。
接通电源后,交流220V经二极管VD2半波整流,形成100V左右的直流电压。
该电压经开关变压器T的1-1初级绕组加到了三极管VT2的c极,同时该电压经启动电阻R4为VT2的b极提供一个正向偏置电压,使VT2导通。
此时,三极管VT2和开关变压器T1组成的间歇振荡电路开始工作,开关变压器T的1-1初级绕组中有电流通过。
由于正反馈作用,在变压器T的1-2绕组感应的电压通过反馈电阻R1和电容C1加到VT2的b极,使三极管VT2的b极导通电流加大,迅速进人饱和区。
随着电容C1两端电压不断升高,VT1的b极电压逐渐降低,使三极管VT2逐渐退出饱和区,其集电极电流开始减少,变压器T的1-1初级绕组中产生的磁通量也开始减少。
在变压器T的1-2绕组感应的负反馈电压,使VT2迅速截止,完成一个振荡周期。
在VT2进入截止期间,变压器T的1-3绕组就感应出一个5.5V左右的交流电压,作为后级的充电电压。
2.充电电路该电路主要由一块软塑封集成块IC1(YLT539)和三极管VT3等组成。
从变压器T的1-3绕组感应出的交流电压5.5V经二极管VD3整流、电容C3滤波后,输出一个直流8.5V左右电压(空载时),该电压一部分加到三极管VT3的e极;另一部分送到软塑封集成块IC1(YLT539)的1脚,为其提供工作电源。
集成块IC1有了工作电源后开始启动工作,在其8脚输出低电平充电脉冲,使三极管VT3导通,直流8.5V电压开始向电池E充电。
万能充产品培训资料一、万能充方框原理图:二、电路图的工作流程:市交流电100~240伏电压输入,经过一个二极管半波整流,形成直流电压到变压器初级。
另一路经过启动电路流向开关管控制电路,此时变压器与开关管共同产生开与关的振荡工作,使初级线圈绕组电路产生回路开始工作;反馈电路也同时维持开关管的振荡工作,及稳压电路将稳定所传送的电压值,并由开关管的调整电路及工作频率进行稳压。
变压器具备工作条件时,变压器开始振荡及感应产生电压输出;经过二极管半波整流滤波,输至充电器IC控制电路供电,充电IC进行内部运算工作,对各脚位的电压检测,检测LED灯会虽LED灯的启动电压值决定输出电压的高低,最后经过IC输出脚输出;充电检测时,当电池触点与输出点接触时,电池电压传送至IC的输出脚进入IC运算电路中,经过运算过程决定IC输出的正、负极方向,并传送至检测灯发亮。
表示检测过程已完成,插入市电对电池开始充电过程(充电LED灯会亮或闪烁)。
三、产品特点:1.成本价格低的优点;2.工作电压范围宽(100~240 50/60Hz)适合范广;3.充电稳定性强、充电速度快、对电池保护能力强达到优化电池的寿命;4.过流或短路时自动保护,具备高性能的判饱功能与检测功能;四、万能充的特色:1.充电时性能稳定性强,采用IC电路管理控制方式,IC电路芯片控制输出、充电、极性识别、判饱功能。
自动认识电池正、负极功能,可做连续做100次转换测试,IC不会损坏。
2.采用高效率电源电路,开关管采用大芯片功率管,保持电源工作的稳定性,并为确保大电流的输出;输出电流比市场的万能充产品高35%,更好的提快对电池的充电时间,更显示了我们产品的特大优点。
3.充电时;当电池电压处于低电位时,充电器检测电池极性。
插入市中,IC检测到电池电压低于输出电压时,检测极性后对电池充电,充电LED灯显示充电(亮或闪烁);充电过程中,充电器先对电池恒流充电,快速的提高电池的电流容量;当电池电压达到IC判定电压3.9V时, IC自动转成脉充充电状态下。
/huian333/blog/item/7beb8f620ef49ddae7113a96.html手机万能充电器电路原理2008-12-25 06:03由于各型号手机所附带的充电器插口不同,以造成各手机充电器之间不能通用。
当用户手机充电器损坏或丢失后,无法修复或购不到同型号充电器,使手机无法使用。
万能充电器厂家看到这样的商机,就开发生产出手机万能充电器,该充电器由于其体积小、携带方便,操作简单,价格便宜,适合机型多,深受用户的欢迎。
下面以深圳亚力通实业有限公司生产的四海通S538型万能充电器为例,介绍其工作原理和维修方法。
该充电器在市场上占有率较高,又没有随机附带电路图,给维修带来一定的难度,本文根据实物测绘出其工作原理图,见附图,供维修时参考。
四海通S538型万能充电器在外观设计上比较独特,面板上采用透明塑料制作的半椭圆形夹子,透明塑料面板上固定有两个距离可调节的不锈钢簧片作为充电电极。
面板的尾部并排有1个测试开关(极性转换开关)和4个状态指示灯,用户根据需要可以调节充电器电极距离和输出电压极性,并通过状态指示灯可方便看出电池的充电情况。
一、工作原理该充电器电路主要由振荡电路、充电电路、稳压保护电路等组成,其输入电压AC220V、50/60Hz、40mA,输出电压DC4.2V、输出电流在150mA~180mA。
在充电之前,先接上待充电池,看充电器面板上的测试指示灯是否亮?若亮,表示极性正确,可以接通电源充电;否则,说明电池的极性和充电器输出电压的极性是相反的,这时需要按一下极性转换开关AN1(测试键)才行。
具体电路原理如下。
1.振荡电路该电路主要由三极管VT2及开关变压器T1等组成。
接通电源后,交流220V经二极管VD2半波整流,形成100V左右的直流电压。
该电压经开关变压器T的卜1初级绕组加到了三极管VT2的c极,同时该电压经启动电阻R4为VT2的b极提供一个正向偏置电压,使VT2导通。
此时,三极管VT2和开关变压器T1组成的间歇振荡电路开始工作,开关变压器T的1-1初级绕组中有电流通过。
手机万能充电路原理图满意答案好评率:93%手机万能充电器的电子电路图与工作原理该充电器具有镍镉、镍氢、锂离子电池充电转换开关,并具有放电功能。
在150~250V、40mA的交流市电输入时,可输出300±50mA的直流电流。
该充电器采用了RCC型开关电源,即振荡抑制型变换器,它与PWM型开关电源有一定的区别。
PWM型开关电源由独立的取样误差放大器和直流放大器组成脉宽调制系统;而RCC型开关电源只是由稳压器组成电平开关,控制过程为振荡状态和抑制状态。
由于PWM型开关电源中的开关管总是周期性的通断,系统控制只是改变每个周期的脉冲宽度,而RCC型开关电源的控制过程并非线性连续变化,它只有两个状态:当开关电源输出电压超过额定值时,脉冲控制器输出低电平,开关管截止;当开关电源输出电压低于额定值时,脉冲控制器输出高电平,开关管导通。
当负载电流减小时,滤波电容放电时间延长,输出电压不会很快降低,开关管处于截止状态,直到输出电压降低到额定值以下,开关管才会再次导通。
开关管的截止时间取决于负载电流的大小。
开关管的导通/截止由电平开关从输出电压取样进行控制。
因此这种电源也称非周期性开关电源。
220V市电经VD1~VD4桥式整流后在V2的集电极上形成一个300V左右的直流电压。
由V2和开关变压器组成间歇振荡器。
开机后,300V直流电压经过变压器初级加到V2的集电极,同时该电压还经启动电阻R2为V2的基极提供一个偏置电压。
由于正反馈作用,V2 Ic 迅速上升而饱和,在V2进入截止期间,开关变压器次级绕组产生的感应电压使VD7导通,向负载输出一个9V左右的直流电压。
开关变压器的反馈绕组产生的感应脉冲经VD5整流、C1滤波后产生一个与振荡脉冲个数呈正比的直流电压。
此电压若超过稳压管VD17的稳压值,VD17便导通,此负极性整流电压便加在V2的基极,使其迅速截止。
V2的截止时间与其输出电压呈反比。
VD17的导通/截止直接受电网电压和负载的影响。
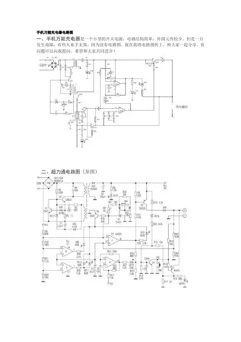
手机万能充电器电路图一、手机万能充电器是一个小型的开关电源,电路结构简单,外围元件较少。
但是一旦发生故障,有些人束手无策,因为没有电路图。
现在我将电路图传上,和大家一起分享。
有问题可以向我提问。
希望和大家共同进步!二、超力通电路图(原图)三、我修改过的图纸(我认为原图可能有错误)四、超力通电路原理该充电器具有镍镉、镍氢、锂离子电池充电转换开关,并具有放电功能。
在150~250V、40mA的交流市电输入时,可输出300±50mA的直流电流。
该充电器采用了RCC型开关电源,即振荡抑制型变换器,它与PWM型开关电源有一定的区别。
PWM型开关电源由独立的取样误差放大器和直流放大器组成脉宽调制系统;而RCC型开关电源只是由稳压器组成电平开关,控制过程为振荡状态和抑制状态。
由于PWM型开关电源中的开关管总是周期性的通断,系统控制只是改变每个周期的脉冲宽度,而RCC型开关电源的控制过程并非线性连续变化,它只有两个状态:当开关电源输出电压超过额定值时,脉冲控制器输出低电平,开关管截止;当开关电源输出电压低于额定值时,脉冲控制器输出高电平,开关管导通。
当负载电流减小时,滤波电容放电时间延长,输出电压不会很快降低,开关管处于截止状态,直到输出电压降低到额定值以下,开关管才会再次导通。
开关管的截止时间取决于负载电流的大小。
开关管的导通/截止由电平开关从输出电压取样进行控制。
因此这种电源也称非周期性开关电源。
220V市电经VD1~VD4桥式整流后在V2的集电极上形成一个300V左右的直流电压。
由V2和开关变压器组成间歇振荡器。
开机后,300V直流电压经过变压器初级加到V2的集电极,同时该电压还经启动电阻R2为V2的基极提供一个偏置电压。
由于正反馈作用,V2 Ic 迅速上升而饱和,在V2进入截止期间,开关变压器次级绕组产生的感应电压使VD7导通,向负载输出一个9V左右的直流电压。
开关变压器的反馈绕组产生的感应脉冲经VD5整流、C1滤波后产生一个与振荡脉冲个数呈正比的直流电压。
手机电池简易万能充电器目前市场上面充斥着形形色色、各式各样的手机电池万能充电器,这些充电器电路简单、成本低廉,其内部大都采用了一个小型的开关电源电路,这里介绍简易的手机电池万能充电器,(一)电路组成该万能充实质为小型开关电源电路,可分为:输入整流滤波电路、开关振荡电路、过压保护电路、次级整流滤波电路、稳压输出电路、自动识别极性及充电电路、跑马灯充电指示电路等。
(二)电路基本工作原理当充电器插到交流电源上后,220V交流电压经D1半波整流、C1滤波,得到约300V左右的直流电压。
由Q1、T1、R1、R3、R4、R5、C2等元件组成的开关振荡电路将直流转换为高频交流,振荡过程如下:通电瞬间,电压通过启动R1为开关管Q1提供从无到有增大的基极电流I B,Q1集电极产生从无到有增大的集电极电流I C,电流流经T1的1-2绕组,产生上正下负的自感应电动势,同时T1的正反馈绕组3-4中感应出上正下负的互感电动势,经R3、C2等反馈到Q1的基极,使I B增大,这是一个强烈的正反馈过程:↑→I C↑→T1(I此作用下,Q1进入饱和状态,T1储存磁场能量。
正反馈绕组不断对C2充电,极性上负下正,使Q1基极电压下降,后Q1退出饱和状态,T1 1-2绕组电流减小,T1感应电动势全部翻转,T1 3-4绕组的感应电动势极性上负下正,反馈到Q1的基极后,IB再减小,如此循环,进入另一个正反馈过程,Q1迅速截止。
C2在自身放电及+300V对它的反向充电的作用下,使Q1基极电压回升,进入下一轮循环,产生周期性的振荡,使Q1工作在不断的开、关状态下。
在Q1截止期间,T1次级绕组(5-6绕组)感应电动势的极性为上正下负,此时D3导通,该电动势对电容C4充电,在C4上得到约10V(带负载时约7.6V)左右的直流电压,向负载供电。
在T1正反馈绕组外还设有由D2、C3、Z1组成的过压保护电路,当220V电源电压异常升高导致输出电压也升高时,过压保护电路中的稳压二极管Z1将反向击穿导通,使开关管停振,输出端无电压,起到保护作用。
锂电池万能充电器,Lithium
锂电池万能充电器,Lithium-Ion Battery Charger
海陆通牌通用型旅行充电器.具有电池极性自动识别电路.免去了以往需要人工转换极性的操作.使用起来更加方便。
一、电路原理
电路如附图所示:Q1及外围元件构成自激振荡器.经变压器B降压、D5整流后在C4上得到9.4v的直流电压。
通过R6限流.Q10(TL431)稳压后.在Q3发射极输出4.2v电压供锂电池充电.其极性自动识别电路由
Q5~Q8、R12~R15组成。
当A点接电池正极,B点接负极时,Q8因为有R12提供正偏电压而导通,Q5由R14提供偏压导通。
充电电流由Q5→A点→电池E→B点→Q8的C极形成充电回路。
当A点接电池负极,而B接电池正极时充电电流则由Q7→B点→电池E→A点→Q6的C极形成充电回路.从而完成自动识别电池极性的功能.
当有充电电流流过R6时.Q4导通,LED1闪烁发光(LED1为自带振荡器。
CLT-688手机万能充电器电路剖析2008年01月10日星期四 11:18该充电器系深圳超力通电子有限公司制造,包装盒有以下说明:执行国家标准号:GB4943—2001性能:输入:220V,50Hz/60Hz 50mA 输出:DC4.2V 220mA±80mA特点:1、适用于对250—3000mAH容量手机锂离子3.6V(Li-ion)电池充电。
2、开关电源设计,适应交流电压宽150—265V供电。
3、采用微电脑芯片对整个充电过程进行准确检测和控制。
4、充电安全、可靠、充电饱和自动关机。
5、外形美观、轻巧、携带方便、操作简实用,可对绝大多数手机锂离子电池3.6V(Li-ion)电池充电。
打开包装盒,充电器外形如图。
出于好奇,笔者打开了该充电器。
其做工仔细,元件排列整齐,各元件都标有编号及大小数值,交流输入及直流输出也做了标注,并标有“CLT—688”、“2004.11.18”的字样。
印制板做的也很美观。
如图。
笔者根据实物画出了电路图,如下图(请点击图片查看放大后的电路),并进行简单的分析如下:该电路很简洁,采用了一块软封装的集成块并标有AE3102字样,通过对其8个引脚分析,是集成了两个运放。
开关电源部分采用抑制振荡型开关电源,它的简单工作原理是把220V交流电整流滤波成峰值电压300V左右的三角波(滤波电容C1不用),利用稳压器组成电平开关,控制开关管Q1的振荡与停止。
此开关电源初级电流很小,Q1的C极反峰电压也较低,因此可以使用Vceo大于300V的TO-92封装的小型开关管,以缩小体积降低成本。
开关电源部分:Q1和开关变压器组成间歇振荡器。
充电器加电后,220V市电经D1半波整流后在Q1的C极上形成一个300V左右的直流电压,经过变压器初级加到Q1的C极,同时该电压还经启动电阻R2为Q1的B极提供一个偏置电压。
由于正反馈作用,Q1的I C迅速上升而饱和,在Q1进入饱和期间,开关变压器次级绕组产生的感应电压使D2导通,向负载输出一个约9V左右的直流电压。