钢筋混凝土结构习题及答案最新版本
- 格式:doc
- 大小:280.50 KB
- 文档页数:12
第四章钢筋混凝土结构工程参考答案
一,填空
1,水泥、砂、石
2,模板及支撑系统
3,钢筋和钢丝
4,轧头→剥皮→通过润滑剂→进行拔丝模
5,搭接焊、帮条接头
6,压连接和锥螺纹套管
7,构件长度—保护层厚度+弯钩增加长度
8,划线、摆筋、穿箍、绑扎
9,井架、塔式起重机及混凝土提升机
10,设计要求和施工技术方案
二,选择
1,B 2,C 3,A 4,B 5,A
三,简答
1,A,钢筋和混凝土两种材料之间存在着较强的粘结力;
B,混凝土在硬化过程中产生收缩,体积缩小,混凝土将钢筋压紧,钢筋与混凝土之间产生的摩阻力,防止钢筋滑动。
C,钢筋与混凝土有相近的温度线性膨胀系数。
2,A,要保证结构和构件各部分的形状、尺寸及相互位置的正确性;
B,具有足够的强度、刚度和稳定性;
C,构造简单,装拆方便,能多次周转使用;
D,接缝严密,不得漏浆。
3,A,混拟稿土运输具有过程中要保持良好的均匀性、不离析、不漏浆;
B,使混凝土在初凝前浇入模板并捣实完毕;
C,保证混凝土具有设计配合比所规定的坍落度;
D,保证混凝土浇筑能连续进行
4,A,不承重的侧模板拆除时间,应在混凝土能保证其表面及棱角不因拆除模板而受损坏时,方可拆除。
B,承重模板的拆除时间,在混凝土强度达到按设计强度标准的百分率计后方能拆除。
5,A,结构整体性要求高,一般不留施工缝,要求整体浇筑;
B,结构体积大,水泥水化热温度应力大,要预防混凝土早期开裂;
C,混凝土体积大,泌水多,施工中对泌水应采取有效措施。
第四版混凝土结构设计原理试题库及其参考答案一、判断题(请在你认为正确陈述的各题干后的括号内打“√”,否则打“³”。
每小题1分。
)第1章 钢筋和混凝土的力学性能1.混凝土立方体试块的尺寸越大,强度越高。
( ) 2.混凝土在三向压力作用下的强度可以提高。
( ) 3.普通热轧钢筋受压时的屈服强度与受拉时基本相同。
( ) 4.钢筋经冷拉后,强度和塑性均可提高。
( ) 5.冷拉钢筋不宜用作受压钢筋。
( ) 6.C20表示f cu =20N/mm 。
( )7.混凝土受压破坏是由于内部微裂缝扩展的结果。
( ) 8.混凝土抗拉强度随着混凝土强度等级提高而增大。
( ) 9.混凝土在剪应力和法向应力双向作用下,抗剪强度随拉应力的增大而增大。
( )10.混凝土受拉时的弹性模量与受压时相同。
( )11.线性徐变是指压应力较小时,徐变与应力成正比,而非线性徐变是指混凝土应力较大时,徐变增长与应力不成正比。
( ) 12.混凝土强度等级愈高,胶结力也愈大( ) 13.混凝土收缩、徐变与时间有关,且互相影响。
( )第1章 钢筋和混凝土的力学性能判断题答案1. 错;对;对;错;对;2. 错;对;对;错;对;对;对;对;第3章 轴心受力构件承载力1. 轴心受压构件纵向受压钢筋配置越多越好。
( ) 2. 轴心受压构件中的箍筋应作成封闭式的。
( ) 3. 实际工程中没有真正的轴心受压构件。
( ) 4. 轴心受压构件的长细比越大,稳定系数值越高。
( ) 5.轴心受压构件计算中,考虑受压时纵筋容易压曲,所以钢筋的抗压强度设计值最大取为2/400mmN 。
( )6.螺旋箍筋柱既能提高轴心受压构件的承载力,又能提高柱的稳定性。
( )第3章 轴心受力构件承载力判断题答案1. 错;对;对;错;错;错;第4章 受弯构件正截面承载力1.混凝土保护层厚度越大越好。
( )2. 对于'fh x ≤的T 形截面梁,因为其正截面受弯承载力相当于宽度为'fb的矩形截面梁,所以其配筋率应按'h b Af s=ρ来计算。
钢筋混凝土结构期末考试题库含答案一、填空题1.在我国,混凝土结构中所采用的钢筋有热轧钢筋、钢丝、钢绞丝、螺纹钢筋及钢棒等。
2.结构应完成的基本功能为安全性、适用性和耐久性三个方面,并要求在偶然作用时具有必要的整体稳定性。
3.由于混凝土在结构中主要承受压力,故立方体抗压强度f就成为混凝cu 土各力学性能中最重要的性能指标。
4.混凝土的极限拉应变值的大小对水工钢筋混凝土的抗裂性能有很大影响。
所以提高混凝土的极限拉伸值对水工混凝土有其重要意义。
5.有明显流幅的钢筋以屈服强度值作为强度设计的依据;没有明显流幅的钢筋以协定流限作为强度设计的依据。
6.钢筋接长的方法有三种:即绑扎搭接、焊接、机械连接。
7.作用(荷载)按其随时间的变异性和出现的可能性不同,分为永久荷载、可变荷载和偶然荷载三类。
8.确定目标可靠指标β时应考虑的因素是结构的重要性、破坏性质和极T限状态。
9.纵向受拉钢筋的弯起一般应同时满足正截面受弯承载力、斜截面受剪承载力和斜截面受弯承载力三项要求。
10.钢筋混凝土受弯构件正截面承载力计算公式是建立在适筋破坏的模式基础上的,而斜截面受剪承载力的计算公式是建立在剪压破坏的模式基础上。
11.影响无腹筋斜截面受剪承载力的主要因素有剪跨比、混凝土强度fcu和纵筋配筋率等。
12.钢筋混凝土大偏心受拉构件正截面承载力计算公式的使用条件是ξ≤ξb 和x≥2a'。
13.在偏心受压构件中,轴向压力对构件的斜截面受剪承载力其有利作用;轴向拉力对构件的斜截面受剪承载力起不利作用。
14.构件的变形或裂缝宽度过大会影响结构的耐久性和使用功能。
15.无腹筋剪扭构件的受剪和受扭承载力相互关系大致是近似1/4圆规律变化。
16.对于超过五跨的多跨连续梁、板,可按五跨来计算内力。
17.提高钢筋混凝土梁抗弯刚度的主要措施是增加梁的截面高度。
18.提高受弯构件截面延性的方法,单筋矩形截面梁受拉钢筋配筋率不宜过高。
双筋矩形截面梁受压钢筋配筋率不宜过少。
钢筋混凝土试题及答案1. 钢筋混凝土结构中,钢筋的主要作用是什么?A. 提供抗压强度B. 提供抗拉强度C. 提供抗剪强度D. 提供抗弯强度答案:B2. 钢筋混凝土梁在受弯时,钢筋通常布置在梁的哪个部位?A. 梁的上部B. 梁的下部C. 梁的中部D. 梁的两侧答案:B3. 钢筋混凝土的耐久性主要取决于哪些因素?A. 钢筋的直径B. 混凝土的强度等级C. 钢筋的保护层厚度D. 混凝土的密实度答案:C4. 在钢筋混凝土结构设计中,通常采用哪种方法来确定配筋量?A. 经验法B. 计算法C. 试验法D. 观察法答案:B5. 钢筋混凝土柱在受压时,钢筋的作用是什么?A. 增加柱的抗压能力B. 增加柱的抗弯能力C. 增加柱的抗剪能力D. 增加柱的稳定性答案:A6. 钢筋混凝土结构的裂缝控制主要通过哪些措施实现?A. 增加钢筋数量B. 增加混凝土强度C. 减少钢筋直径D. 增加保护层厚度答案:D7. 钢筋混凝土结构中,钢筋的屈服强度通常比混凝土的抗压强度高多少?A. 1-2倍B. 2-3倍C. 3-4倍D. 4-5倍答案:B8. 在钢筋混凝土结构中,钢筋的锈蚀会对结构产生哪些影响?A. 增加结构重量B. 减少结构强度C. 增加结构美观D. 增加结构的耐久性答案:B9. 钢筋混凝土梁的抗弯能力主要取决于哪些因素?A. 梁的高度B. 梁的宽度C. 钢筋的直径D. 钢筋的配筋率答案:D10. 钢筋混凝土结构设计时,通常需要考虑哪些环境因素?A. 温度B. 湿度C. 腐蚀性环境D. 所有以上因素答案:D。
《钢筋混凝土结构》习题集1. 在钢筋混凝土结构设计计算中,对有屈服点的热轧钢筋取( )作为钢筋强度的设计依据。
A .抗拉强度B .屈服强度C .抗压强度D .延伸率 【答案:B 】2. 为了使钢筋在加工成型时不发生断裂,要求钢筋具有一定的( ),也是反映钢筋塑性性能的指标,它与延伸率对钢筋塑性的标志是一致的。
A .冷拉性能B .弹性模量C .冷弯性能D .屈服应变 【答案:C 】3. 属于有明显屈服点的钢筋有( )。
A .冷拉钢筋 ;B .钢丝;C .热处理钢筋;D .钢绞线。
【答案:A 】4. 下列钢筋中一般用于板的受力筋、箍筋以及构造钢筋的是( ) A .HPB235 B .HRB335 C .HRB400 D .RRB400 【答案:A 】5. 钢筋的屈服强度是指( )。
A.比例极限;B.弹性极限;C.屈服上限;D.屈服下限。
【答案:D 】6. 边长为100mm 的非标准立方体试块的强度换算成标准试块的强度,则需乘以换算系数( )。
A .1.05 ;B .1.0 ;C .0.95 ;D .0.90 。
【答案:C 】7. 《规范》确定k cu f ,所用试块的边长是( )。
A .150 mm ;B .200 mm ;C .100mm ;D .250 mm 。
【答案:A 】8. 同强度等级的混凝土延性随加荷速度的提高而( )。
A 增大 B 减小 C 不变 D 视钢筋级别而定 【答案:B 】9. 通过对混凝土的破坏机理进行分析说明混凝土受压破坏是由于( )的扩展。
A .外裂缝;B .内裂缝;C .微裂缝;D .粘结裂缝。
【答案:B 】10. 混凝土柱体的长期抗压强度是( )的。
A .0.8c f ;B .0.76c f ;C .0.67c f ;D .0.95c f 。
【答案:A 】11. 混凝土强度等级是由( )确定的。
A .k cu f ,;B .ck f ;C .cm f ;D .tk f 。
一、单项选择题1、混凝土的弹性模量是指( A )。
A .原点弹性模量;B .切线模量;C .割线模量;D .变形模量;2、属于有明显屈服点的钢筋有( A )。
A .冷拉钢筋;B .钢丝 ;C .热处理钢筋;D .钢绞线;3、对于高度、截面尺寸、配筋完全相同的柱,以支承条件为( A )时,其轴心受压承载力最大。
A .两端嵌固;B .一端嵌固,一端不动铰支;C .两端不动铰支;D .一端嵌固,一端自由;4、( A )作为受弯构件抗裂计算的依据。
A .Ⅰa 状态;B .Ⅱa 状态;C .Ⅲa 状态;D .第Ⅱ阶段;5、对于无腹筋梁,当1<λ时,常发生什么破坏( A )。
A.斜压破坏;B.剪压破坏; C 斜拉破坏; D 弯曲破坏;6、判别大偏心受压破坏的本质条件是:( C )。
A .03.0h e i >η;B .03.0h e i <η;C .B ξξ<;D .B ξξ>;7、对于钢筋混凝土偏心受拉构件,下面说法错误的是( A )。
A .如果b ξξ>,说明是小偏心受拉破坏B .小偏心受拉构件破坏时,混凝土完全退出工作,全部拉力由钢筋承担C .大偏心构件存在混凝土受压区;D .大、小偏心受拉构件的判断是依据纵向拉力N 的作用点的位置; 8、钢筋混凝土受扭构件,受扭纵筋和箍筋的配筋强度比7.16.0<<ζ说明,当构件破坏时,( A )。
A .纵筋和箍筋都能达到屈服; B .仅箍筋达到屈服; C .仅纵筋达到屈服; D .纵筋和箍筋都不能达到屈服;9、钢筋混凝土构件变形和裂缝验算中关于荷载、材料强度取值说法正确的是( B )。
A .荷载、材料强度都取设计值;B .荷载、材料强度都取标准值;C .荷载取设计值,材料强度都取标准值;D .荷载取标准值,材料强度都取设计值;10、预应力混凝土先张法构件中,混凝土预压前第一批预应力损失I l σ应为( C )。
A .21l l σσ+B .321l l l σσσ++C .4321l l l l σσσσ+++D .54321l l l l l σσσσσ++++11、下列表述中( C )为不正确?A.混凝土结构使用寿命的判别基础是大面积内出现纵向裂缝B.结构使用年限超过设计基准期后,其可靠性减小C.正常使用极限状态与承载能力极限状态相比,失效概率要小一些D.没有绝对安全的结构,因为抗力和荷载效应都是随机的12、混凝土若处于三向应力作用下,当( D )A.横向受拉,纵向受压,可提高抗压强度B.横向受压,纵向受拉,可提高抗压强度C.三向受压会降低抗压强度D.三向受压会提高抗压强度13、高碳钢筋采用条件屈服强度,以2.0σ表示,即:(D )A.取极限强度的20%B.取应变的0.002时的应力C.取应变为0.2时的应力D. 取残余应变为0.002时的应力14、对适筋梁,受拉钢筋屈服时:( C )A.梁达到最大承载力B.离最大承载力较远C.接近最大承载力D.承载力开始下降15、下列表述为错误的是:( B )A.第一类T 形梁应满足)5.0('0''1f f f c h h h b f M -≤αB.验算第一类T 形梁最小配筋率)(m in ρρ≥时用h b A f s '/=ρ计算C.验算第二类T 形梁最大配筋率)/(1m ax y c f f ξαρρ=≤时用02/bh A s =ρ计算D.第二类T 形梁应满足)5.0('0''1f f f c h h h b f M->α 16、设计双筋梁时,当求',s s A A 时,补充条件是:(B ) A.取's s A A = B.取b ξξ= C.取'2s a x = D.取'2s a x >17、采用双筋矩形截面受压构件是由于( C )A.施工简单,节约钢材B.防止构件脆性破坏C.截面尺寸已定,b ξξ>D.减轻构件自重18、无腹筋的钢筋混凝土梁沿斜截面的受剪承载力与剪跨比的关系是( D )A.随剪跨比的增加而提高B.随剪跨比的增加而降低C.在一定范围内随剪跨比的增加而提高D.在一定范围内随剪跨比的增加而降低19、规范规定的受拉钢筋锚固长度a l 为( C )A.随混凝土强度等级的提高而增大B.随钢筋等级提高而降低C.随混凝土强度等级的提高而减少,随钢筋等级提高而增大D.随混凝土及钢筋等级提高而减小20、剪跨比指的是( A )A .0/h a =λ B.h a /=λ C.l a /=λ D. 0/l a =λ21、受扭纵筋,箍筋的配筋强度比ξ在0.6~1.7之间时(B )A.均布纵筋,箍筋部分屈服B.均布纵筋,箍筋均屈服C.仅箍筋屈服D.不对称纵筋箍筋均屈服22、轴向压力N 对构件抗剪承载力u V 影响是(C )A.不论N 的大小,均可提高构件的抗剪承载力u VB.不论N 的大小,均可降低构件的u VC.N 适当时提高构件的u V ,N 太大时降低构件的u VD.N 大时提高构件u V ,N 小时降低构件的u V23、对称配筋大偏压构件的判别条件( C )A.003.0h e ≥B.003.0h e >ηC.b x x <D.'s A 屈服24、偏拉构件的抗弯承载力( B )A.随轴向力的增加而增加B.随轴向力的减小而增加C.小偏拉时随轴向力的增加而增加D.大偏拉时随轴向力的增加而增加25、矩形截面对称配筋小偏拉构件( A )A.'s A 受压不屈服B.'s A 受拉不屈服C.'s A 受拉屈服D.'s A 受压屈服26、受弯构件减小受力裂缝宽度最有效的措施之一是(C )A.增加截面尺寸B.提高混凝土强度等级C.增加受拉钢筋截面面积,减小裂缝截面钢筋应力D. 增加钢筋的直径27、预应力混凝土施工采用先张法或后张法,其适用范围分别是(C )A.先张法适用于工厂预制构件,后张法适用于现浇构件B.先张法适用于工厂预制的中小型构件,后张法适用于大型现浇构件C.先张法适用于中小型构件,后张法适用于大型构件D.先张法宜用于通用构件和标准构件,后张法宜用非标准构件28、地面上定制一块钢筋混凝土板,在养护过程中发现表面出现微细裂缝,其原因可能为(B )A.钢筋伸缩变形的影响B.混凝土干缩变形的结果C.混凝土与钢筋产生热胀冷缩差异变形的结果D.混凝土受到外荷载的作用29、矩形截面钢筋混凝土柱,该柱可能有下列四组内力组合,试问应用哪一组来计算配筋? (1)N=600kN , M=180kN·m (2)N=400kN ,M=170kN·m (3)N=500kN ,M=160kN·m (4)N=500kN ,M=170kN·m (A )A.(1)和(2)B.(2)和(3)C.(3)和(4)D.(1)和(4)30、梁斜压破坏可能是由于(C )A.纵筋配置过多B.腹筋配置过少C.梁剪跨比太小D.梁剪跨比太大31、在钢筋混凝土大偏心受压构件的正截面承载力计算中,要求受压区计算高度X≥2a′,是为了(B )A.保证受拉钢筋屈服B.保证受压钢筋在构建破坏时达到其抗压设计强度C.避免保护层剥落D.保证受压混凝土在构建破坏是能达到极限压应变32、某五跨连续梁。
第 1 篇钢筋混凝土结构构件·第01章钢筋和混凝土材料的力学性能·1.1第 1 篇钢筋混凝土结构构件·第01章钢筋和混凝土材料的力学性能·1.2A.横向受拉,纵向受压,可提高抗压强度;B.横向受压,纵向受拉,可提高抗压强度;C.三向受压会降低抗压强度;D.三向受压能提高抗压强度;参考答案:D第 1 篇钢筋混凝土结构构件·第01章钢筋和混凝土材料的力学性能·1.33.混凝土的弹性模量是指()。
A.原点弹性模量;B.切线模量;C.割线模量;D.变形模量;参考答案:A4.混凝土的极限拉应变与混凝土的()有很大关系A.强度;B.配比;C.养护条件;D.延伸率;参考答案:ABC1.钢筋与混凝土能共同工作的主要原因是()。
A.防火、防锈;B.混凝土对钢筋的握裹及保护;C.混凝土与钢筋有足够的粘结力,两者线膨胀系数接近;D.钢筋抗拉而混凝土抗压。
参考答案:C第 1 篇钢筋混凝土结构构件·第01章钢筋和混凝土材料的力学性能·1.5 轴心受力构件的应力分析1. Nu=Ncr时的配筋率称为理论上的()。
A.极限配筋率;B.最小配筋率;C.最大配筋率;D.构造配筋率;参考答案:B2.轴心受压短柱的极限轴力Nu的计算公式是()。
参考答案:D1.混凝土的收缩是一种随时间而增长的变形,一般()时间后趋于稳定A.1年;B.2年;C.2周;D.3个月;参考答案:B2.关于混凝土的收缩下列说法错误的是()A.骨料的级配好,弹性模量高,可减小混凝土的收缩;B.水泥用量越多、水灰比越大,收缩就越大;C.使用环境的温度越高,相对湿度越低,收缩越小;D.高温蒸养可加快水化作用,减少混凝土中的自由水分,因而可以减少收缩。
参考答案:C3.地上放置一块钢筋混凝土板,在养护过程中表面出现微细裂缝,其原因是()。
A混凝土徐变变形的结果B混凝土收缩变形的结果C混凝土与钢筋产生热胀冷缩差异变形的结果D是收缩与徐变共同作用的结果参考答案:B4.关于钢筋混凝土的收缩应力下列说法错误的是()A.混凝土的收缩应变越大,收缩引起的钢筋应力及混凝土应力就越大;第 1 篇钢筋混凝土结构构件·第02章梁的受弯性能的试验研究、分析·2.1B.钢筋混凝土梁的大部分工作阶段,受压区已开裂;C混凝土的抗拉强度比抗压强度小很多;D.混凝土是弹塑性材料,当应力超过一定限度时,塑性变形有较大的发展。
一、思考题1.工程中常用的钢筋有哪几大类?它们的应力-应变关系曲线有何不同?各自的抗拉强度是取曲线上何处的应力值?2.钢筋冷加工的目的是什么?冷加工的方法有哪些?冷加工后钢筋的性能有何改变?什么是冷拉时效?它与温度有何关系?3.普通钢筋混凝土结构宜采用哪些钢筋?能否采用高强度钢丝?为什么?4.什么是钢筋的疲劳强度?其影响因素有哪些?5.绘出混凝土在一次短期荷载下的应力-应变关系曲线,并分析曲线的主要特点。
6.什么是混凝土的立方体抗压强度?什么是混凝土的棱柱体抗压强度?棱柱体抗压强度的量测为何采用h/b=2~3的试件?7.试比较单向,双向及三向受压时混凝土抗压强度的大小,并分析原因。
8.一般条件下混凝土均匀受压时的极限压应变为多少?非均匀受压时的极限压应变又为多少?试分析造成此差距的原因。
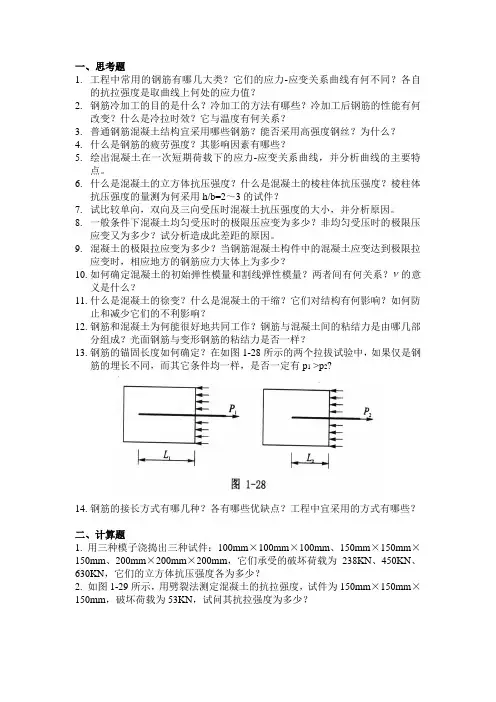
9.混凝土的极限拉应变为多少?当钢筋混凝土构件中的混凝土应变达到极限拉应变时,相应地方的钢筋应力大体上为多少?10.如何确定混凝土的初始弹性模量和割线弹性模量?两者间有何关系? 的意义是什么?11.什么是混凝土的徐变?什么是混凝土的干缩?它们对结构有何影响?如何防止和减少它们的不利影响?12.钢筋和混凝土为何能很好地共同工作?钢筋与混凝土间的粘结力是由哪几部分组成?光面钢筋与变形钢筋的粘结力是否一样?13.钢筋的锚固长度如何确定?在如图1-28所示的两个拉拔试验中,如果仅是钢筋的埋长不同,而其它条件均一样,是否一定有p1 >p2?14.钢筋的接长方式有哪几种?各有哪些优缺点?工程中宜采用的方式有哪些?二、计算题1. 用三种模子浇捣出三种试件:100mm×100mm×100mm、150mm×150mm×150mm、200mm×200mm×200mm,它们承受的破坏荷载为238KN、450KN、630KN,它们的立方体抗压强度各为多少?2. 如图1-29所示,用劈裂法测定混凝土的抗拉强度,试件为150mm×150mm×150mm,破坏荷载为53KN,试问其抗拉强度为多少?图 1-293. 规范给定混凝土的极限拉应变εtu=0.00010,对应此应变的Ⅰ级钢筋应力为多少?4. C20混凝土在应力为0.6f c时的变形模量为E′=21.5KN/mm2,求此时塑性变形、弹性变形及弹性系数。
土木建筑工程:钢筋混凝土组合结构找答案(题库版)1、单选有一五跨连续梁,欲求第三跨跨中最大弯矩,其活荷载的最不利布置为()。
A.2、4跨布置活荷载B.1、2、4跨布置活荷载C.1、3、5跨布置活荷载D.1、2、3、(江南博哥)4、5跨布置活荷载正确答案:C2、问答题何谓剪跨比?影响有腹筋梁受剪承载力的因素有哪些?正确答案:剪跨比反映了弯矩和剪力的相对大小,也是正应力和剪应力的相对关系。
影响有腹筋梁受剪承载力的因素:①剪跨比;②砼强度;③纵筋配筋率及强度;④截面形状及尺寸;⑤配筋率和箍筋强度;⑥弯起钢筋。
3、单选以下哪项不是钢筋混凝土结构的优点。
()A.耐久性好B.耐火性好C.整体性好D.自重轻正确答案:D4、多选建筑场地沉降点观测点位选择应符合下列规定:相邻地基沉降观测点可选在()。
A.建筑纵横轴线或边线的延长线上B.通过建筑重心的轴线延长线上C.建筑边角D.建筑每侧不少于4个正确答案:A, B5、多选钢筋探测仪检测遇到下列哪种情况时,应选取不少于30%的已测钢筋,且不应少于6处(当实际检测数量不到6处时应全部选取),采用钻孔、剔凿等方法验证()。
A.认为相邻钢筋对检测结果有影响B.钢筋公称直径未知或有异议C.混凝土含水率较高D.钢筋以及混凝土材质与校准试件有显著差异正确答案:A, B, D6、单选钢筋混凝土构件的抗力主要与下列哪项有关。
()A.材料强度和截面尺寸B.材料强度和荷载C.只与材料强度D.荷载正确答案:A7、判断题材料图又称为抵抗弯矩图,只要是材料图全部外包住弯矩包络图,该梁就安全。
()正确答案:对8、多选砌体结构相关规范GB50203-2011适用于烧结普通砖、()蒸压粉煤灰砖等砌体工程。
A.烧结多孔砖B.混凝土多孔砖C.蒸压加气混凝土砌块D.空心砌块正确答案:A, B9、单选?如图,加载图式的修正系数Ψ取值为()。
A.0.91B.0.97C.0.98D.计算确定正确答案:C10、填空题结构构件正常使用极限状态的要求主要是指在各种作用下()和()不超过规定的限值。
《钢筋混凝土结构》练习册及答案第一讲绪论和混凝土材料一、填空:1、钢筋和混凝土相结合并能共同工作的三个基本条件是(两者相近的线膨胀系数);(有可靠的粘结力、钢筋在混凝土中有可靠的锚固);(混凝土对钢筋的保护作用)。
2、反映钢筋塑性性能的指标有(伸长率)和(冷弯性能)。
3、不同强度等级的混凝土,其σ–ε曲线不同。
一般混凝土强度等级越高,其极限抗压强度越(高),延性越(差)。
4、混凝土徐变的特性与其作用的初应力大小有关,当初应力σ/c≤0.5时,产生(线性)徐变;当初应力σ/c>0.5时,产生(非线性)徐变。
5、混凝土强度等级是以尺寸这为(150mm某150mm某150mm)的标准试件,在(28)天龄期准试验准试验方法测得的具有(95%)保证率的抗压强度。
6、二、选择题:1、我国《混凝土结构设计规范》中,混凝土强度等级是按(C)确定的。
A、立方体抗压强度平均值;B、圆柱体抗压强度平均值;C、立方体抗压强度标准值;D、棱柱体抗压强度标准值。
2、对于混凝土的徐变和收缩,论述正确的是(A)。
A、混凝土在不变应力作用下,随时间的延续沿应力作用方向而增长的应变,称为混凝土的徐变;B、混凝土在不变应力作用下,随时间的延续沿应力作用方向而减小的应变,称为混凝土的收缩;C、混凝土在空气中结硬时,由于蒸发而失去水分,其体积缩小,称为混凝土的徐变;D、混凝土的徐变和收缩对钢筋混凝土结构只产生不利影响。
3、混凝土的变形模量是指(D)。
A、应力与塑性应变的比值;B、应力应变曲线切线的斜率dσ/dε;C、应力应变曲线原点切线的斜率;D、应力应变曲线上某一点的应力与总应变的比值。
4、混凝土的弹性系数是指(B)。
A、塑性应变与总应变的比值;B、弹性应变与总应变的比值;C、塑性应变与弹性应变的比值;D、变形模量与切线模量的比值。
5、三、简答题:1、在混凝土立方体强度试验中,尺寸效应是如何影响试件强度的?P62、什么是混凝土的徐变现象?徐变的性质与哪些因素有关?徐变对结构的影响有哪些?P15-16。
第二章 钢筋混凝土结构的设计方法一、填空题:1、建筑结构的功能是指: 、 、 。
2、我国的结构设计的基准期规定为 。
3、作用在结构上的荷载的类型有: 、 、 三种。
4、荷载的代表值有: 、 、 、 四种。
5、在荷载的代表值中, 是最基本的代表值,其它的值都是以此为基础进行计算的。
6、荷载的设计值是指 。
7、结构功能的两种极限状态包括 、 。
8、荷载的分项系数是通过 和 确定的。
9、为提高结构可靠度,结构设计时,从 、 、 三方面给予保证。
10、结构安全等级为二级的,结构重要性系数为 。
11、完成结构预定功能的规定的条件是 、 、 、 。
二、判断题:1、在进行构件承载力计算时,荷载应取设计值。
( )2、在进行构件变形和裂缝宽度验算时,荷载应取设计值。
( )3、设计基准期等于结构的使用寿命,结构使用年限超过设计基准期后,结构即告报废,不能再使用。
( )4、结构使用年限超过设计基准期后,其可靠性减小。
( )5、正常使用极限状态与承载力极限状态相比,失效概率要小一些。
( )6、结构的重要性系数,在安全等级为一级时,取0.10=γ。
( )7、以恒载作用效应为主时,恒载的分项系数取2.1。
( )8、以活载作用效应为主时,恒载的分项系数取35.1。
( )9、活载的分项系数是不变的,永远取4.1。
( )10、荷载的设计值永远比荷载的标准值要大。
( )11、恒载的存在对结构作用有利时,其分项系数取得大些,这样对结构是安全的。
( )12、任何情况下,荷载的分项系数永远是大于1的值。
( )13、结构的可靠指标β越大,失效概率就越大,β越小,失效概率就越小。
( )14、承载能力极限状态和正常使用极限状态都应采用荷载设计值进行计算,这样偏于安全。
( )15、荷载的组合值是考虑在多层结构设计时,各层活荷载都同时达到最大的值的可能性较小。
()16、荷载的组合值是考虑作用于结构上的活载有两种或两种以上时,多种荷载同时达到最大值的可能性较小的折减系数。
钢筋混凝土结构练习题A一、填空题1、1结构的功能要求有安全性、适用性和 。
2、结构的目标可靠指标【β 】与结构的 和 有关。
3、保证弯起钢筋弯起点离充分利用点之间的距离≥0.5h 0,目的是 。
4、钢筋混凝土弯、剪、扭构件,剪力的增加将使构件的抗扭承载力 ;扭矩的增加将使构件的抗剪承载力 。
混凝土受扭构件的抗扭纵筋与箍筋的配筋强度比ζ应在 范围内。
5、T 形截面弯、剪、扭构件的弯矩由 承受,剪力由 承受,扭矩由 承受。
6. 结构构件正常使用极限状态的要求主要是指在各种作用下 和 不超过规定的限值。
二.简答题1.试解释受弯构件最大裂缝宽度计算公式)08.09.1(1.2max te eq s sk d c E W ρσψ+=中ψ和sk σ的意义。
2.为什么T 形截面受弯构件翼缘的宽度应在计算中有所限制?3.钢筋混凝土及预应力钢筋混凝土结构中所用的钢筋可分为哪两类?分别绘制它们的应力-应变曲线,并标明它们各自的强度指标。
4.受弯构件计算时,受压区应力图形用矩形代替曲线的原则是什么?5.影响混凝土徐变的因素有哪些?三.计算题1.已知矩形截面梁b ×h=250×500mm ,s a =35mm ,由荷载设计值产生的弯矩M=200kNm 。
混凝土强度等级C30,钢筋选用HRB400级,求受拉钢筋面积s A 。
,/3.14,0.121mm N f c ==α2min 360/,0.52,0.2%y b f N mm ξρ===2、某矩形截面简支梁,混凝土强度等级2225(11.9 1.27)c t C f N mm f N mm ==、,截面尺寸见下图,纵向钢筋400HRB (2360y f N mm =),箍筋采用235HPB 钢筋(2210yf N mm=),试求该梁所承受的线荷载设计值(包括自重)。
(注:纵向钢筋采用单排,35,0.520s ba mmξ==,应考虑受弯和受剪承载力)钢筋混凝土结构练习题A 答案一. 填空题1、结构的功能要求有安全性、适用性和 耐久性。
混凝土结构钢筋混凝土组合结构试卷(练习题库)1、钢与混凝土组合构件主要有钢与混凝土组合()和钢与混凝土组合()。
2、组合梁剪力连接钢16、在我国,混凝土结构中所采用的钢筋有()、()、()、()及钢棒等。
17、结构应完成的基本功能为()、()和()三个方面,并要求在偶然作用时具有必要的整体稳定性。
18、由于混凝土在结构中主要承受(),故()就成为混凝土各力学性能中最重要的性能指标。
19、混凝土的()应变值的大小对水工钢筋混凝土的抗裂性能有很大影响。
所以提高混凝土的()对水工混凝土有其重20、有明显流幅的钢筋以()作为强度为JGJ/T152一2023,自2023年()起实施。
153、 JGJ/T152--2023钢筋间距和保护层厚度检测所规定检测方法不适用于含有()的混凝土检测。
154、 JGJ/T152--2023钢筋间距和保护层厚度检测应根据钢筋、出厂日期等进行检查,并应对其强度320、建筑生石灰、建筑生石灰粉熟化为石灰膏,分别不得少于()d和2d,沉淀池中储存的石灰膏,其熟化时间应防321、现场拌制的砂浆应随拌随用,拌制的砂浆应在()内使用完毕;当施工期间最高气温超过30℃时,应在2h内使322、根据砖砌体工程的一般规定,有冻胀环境和条件的地区,地面以下或防潮层以下的砌体,不应采用()。
323、根据砖砌体工程的一般规定,()mm厚承重墙的每层墙的最上一皮砖,砖砌体的阶台水平面上及挑出层的外皮砖324、根据砖砌体工程的一般规定,弧拱式及平拱式过梁的灰缝应砌成楔形缝,拱底灰缝宽度不宜小于(),拱顶灰缝宽325、根据砖砌体工程的一般规定,砖过梁底部的模板及其支架拆除时,灰缝砂浆强度不应低于应按()编号,编号应连续,不得重复和空号475、检测机构应定期对检测数据().476、检测机构应按规定向()有关检测数据477、检测机构应建立检测资料档案室,档案室的条件应能满足纸质文件和电子文件的()478、检测机构检测档案管理应由()负责479、销毁登记册保管期限不应少于()年480、下列哪项属于检测项目负责人的岗位职责()481、下列哪项属于A类检测设备().482、实验室技术主管、授权签字人应具有()以上技术职称,熟悉业务,经考核合格483、检测设备应由()的人员操作.484、检测结果不能溯源到()基标准的,实验室应设备比对、能力验证结果的满意证据485、实验室应具有检测或校准样品的(),避免样品或记录中的混淆486、建筑材料的检测取样应由()根据采购合同或有关技术标准的要求共同对样品的取样、制样过程、样品的留置、养487、验证性试验是指为科学研究及开发新技术的()等目的而进行的探讨结构性能和规律的试验。
混凝土结构设计习题及答案楼盖(200题)一、填空题(共48题)1.单向板肋梁楼盖荷载的传递途径为 楼面(屋面)荷载 → 次梁 → 主梁 →柱 → 基础 → 地基。
2.在钢筋混凝土单向板设计中,板的短跨方向按 计算 配置钢筋,长跨方向按_ 构造要求 配置钢筋。
3.多跨连续梁板的内力计算方法有_ 弹性计算法__和 塑性计算法___ 两种方法。
4.四边支承板按弹性理论分析,当L 2/L 1≥_2__时为_单向板_;当L 2/L 1<__2 _时为_双向板 。
5.常用的现浇楼梯有__板式楼梯___和___梁式楼梯___两种。
6.对于跨度相差小于10%的现浇钢筋混凝土连续梁、板,可按等跨连续梁进行内力计算。
7、双向板上荷载向两个方向传递,长边支承梁承受的荷载为 梯形 分布;短边支承梁承受的荷载为 三角形 分布。
8、按弹性理论对单向板肋梁楼盖进行计算时,板的折算恒载 p g g 21'+=, 折算活载p p 21'= 9、对结构的极限承载力进行分析时,需要满足三个条件,即 极限条件 、 机动条件 和平衡条件 。
当三个条件都能够满足时,结构分析得到的解就是结构的真实极限荷载。
10、对结构的极限承载能力进行分析时,满足 机动条件 和 平衡条件 的解称为上限解,上限解求得的荷载值大于真实解;满足 极限条件 和 平衡条件 的解称为下限解,下限解求得的荷载值小于真实解。
11、在计算钢筋混凝土单向板肋梁楼盖中次梁在其支座处的配筋时,次梁的控制截面位置应取在支座 边缘 处,这是因为 支座边缘处次梁内力较大而截面高度较小。
12、钢筋混凝土超静定结构内力重分布有两个过程,第一过程是由于 裂缝的形成与开展 引起的,第二过程是由于 塑性铰的形成与转动 引起的。
13、按弹性理论计算连续梁、板的内力时,计算跨度一般取 支座中心线 之间的距离。
按塑性理论计算时,计算跨度一般取 净跨 。
14、在现浇单向板肋梁楼盖中,单向板的长跨方向应放置分布钢筋,分布钢筋的主要作用是:承担在长向实际存在的一些弯矩、抵抗由于温度变化或混凝土收缩引起的内力、将板上作用的集中荷载分布到较大面积上,使更多的受力筋参与工作、固定受力钢筋位置。
《钢筋混凝土结构(1)》在线作业二单选题一、单选题(共20 道试题,共100 分。
)1. 减小构件挠度的最有效的措施是( )。
A. 增加梁截面宽度B. 选用直径较粗的钢筋C. 提高混凝土的强度等级D. 增加梁的截面高度-----------------选择:D2. 在配置普通箍筋的混凝土轴心受压构件中,箍筋的主要作用是:( )。
A. 帮助混凝土受压B. 提高构件的受剪承载力C. 防止纵筋在混凝土压碎之前压屈D. 对混凝土提供侧向约束,提高构件的承载力-----------------选择:C3. 截面塑性抵抗矩Wt是( )。
A. 根据弹性理论导出B. 在弹性理论基础上考虑塑性影响C. 假定截面上各点剪应力等于ft导出D. 经验公式-----------------选择:C4. 受拉构件的抗剪承载能力( )。
A. 随着轴力的增大而不断减小B. 与轴力大小无关C. 随轴力的增大而减小,但当轴力达到一定值时,就不再减小D. 随着轴力的增大而增大-----------------选择:C5. 钢筋混凝土梁( )。
A. 提高配箍率可以明显提高斜截面抗裂能力B. 提高配箍率可以防止斜压破坏C. 配置受压钢筋可以提高构件的延性D. 提高纵筋配筋率可以明显提高梁的正截面抗裂能力。
-----------------选择:C6. 轴心受压构件的稳定系数主要与( )有关。
A. 混凝土强度B. 配筋率C. 长细比D. 荷载-----------------选择:C7. 钢筋混凝土构件变形和裂缝验算中关于荷载、材料强度取值说法正确的是( )。
钢筋混凝土结构习题及答案一、填空题1、斜裂缝产生的原因是:由于支座附近的弯矩和剪力共同作用,产生的 超过了混凝土的极限抗拉强度而开裂的。
2、随着纵向配筋率的提高,其斜截面承载力 。
3、弯起筋应同时满足 、 、 ,当设置弯起筋仅用于充当支座负弯矩时,弯起筋应同时满足 、 ,当允许弯起的跨中纵筋不足以承担支座负弯矩时,应增设支座负直筋。
4、适筋梁从加载到破坏可分为3个阶段,试选择填空:A 、I ;B 、I a ;C 、II ;D 、II a ;E 、III ;F 、III a 。
①抗裂度计算以 阶段为依据;②使用阶段裂缝宽度和挠度计算以 阶段为依据;③承载能力计算以 阶段为依据。
5、界限相对受压区高度b ζ需要根据 等假定求出。
6、钢筋混凝土受弯构件挠度计算中采用的最小刚度原则是指在 弯矩范围内,假定其刚度为常数,并按 截面处的刚度进行计算。
7、结构构件正常使用极限状态的要求主要是指在各种作用下 和 不超过规定的限值。
8、受弯构件的正截面破坏发生在梁的 ,受弯构件的斜截面破坏发生在梁的 ,受弯构件内配置足够的受力纵筋是为了防止梁发生 破坏,配置足够的腹筋是为了防止梁发生 破坏。
9、当梁上作用的剪力满足:V ≤ 时,可不必计算抗剪腹筋用量,直接按构造配置箍筋满足max min ,S S d d ≤≥;当梁上作用的剪力满足:V ≤ 时,仍可不必计算抗剪腹筋用量,除满足max min ,S S d d ≤≥以外,还应满足最小配箍率的要求;当梁上作用的剪力满足:V ≥ 时,则必须计算抗剪腹筋用量。
10、当梁的配箍率过小或箍筋间距过大并且剪跨比较大时,发生的破坏形式为 ;当梁的配箍率过大或剪跨比较小时,发生的破坏形式为 。
11、由于纵向受拉钢筋配筋率百分率的不同,受弯构件正截面受弯破坏形态有 、 和 。
12、斜截面受剪破坏的三种破坏形态包括 、 和13、钢筋混凝土构件的平均裂缝间距随混凝土保护层厚度的增大而 。
混凝土结构设计原理课后习题答案(+思考题)第一章绪论1.什么是混凝土结构?答:混凝土结构是以混凝土材料为主,并根据需要配置和添加钢筋、钢骨、钢管、预应力钢筋和各种纤维,形成的结构,有素混凝土结构、钢筋混凝土结构、钢骨混凝土结构、钢管混凝土结构、预应力混凝土结构及纤维混凝土结构。
混凝土结构充分利用了混凝土抗压强度高和钢筋抗拉强度高的优点。
2.以简支梁为例,说明素混凝土与钢筋混凝土受力性能的差异。
答:素混凝土简支梁,跨中有集中荷载作用。
梁跨中截面受拉,拉应力在荷载较小的情况下就达到混凝土的抗拉强度,梁被拉断而破坏,是无明显预兆的脆性破坏。
钢筋混凝土梁,受拉区配置受拉钢筋梁的受拉区还会开裂,但开裂后,出现裂缝,拉力由钢筋承担,直至钢筋屈服以后,受压区混凝土受压破坏而达到极限荷载,构件破坏。
素混凝土简支梁的受力特点是承受荷载较小,并且是脆性破坏。
钢筋混凝土简支梁的极限荷载明显提高,变形能力明显改善,并且是延性破坏。
3.钢筋与混凝土共同工作的基础条件是什么?答:混凝土和钢筋协同工作的条件是:(1)钢筋与混凝土之间产生良好的粘结力,使两者结合为整体;(2)钢筋与混凝土两者之间线膨胀系数几乎相同,两者之间不会发生相对的温度变形使粘结力遭到破坏;(3)设置一定厚度混凝土保护层;(4)钢筋在混凝土中有可靠的锚固。
4.混凝土结构有什么优缺点?答:优点:(1)可模性好;(2)强价比合理;(3)耐火性能好;(4)耐久性能好;(5)适应灾害环境能力强,整体浇筑的钢筋混凝土结构整体性好,对抵抗地震、风载和爆炸冲击作用有良好性能;(6)可以就地取材。
钢筋混凝土结构的缺点:如自重大,不利于建造大跨结构;抗裂性差,过早开裂虽不影响承载力,但对要求防渗漏的结构,如容器、管道等,使用受到一定限制;现场浇筑施工工序多,需养护,工期长,并受施工环境和气候条件限制等。
5.房屋混凝土结构中各个构件的受力特点是什么?答:在房屋建筑中,永久荷载和楼面活荷载直接作用在楼板上,楼板荷载传递到梁,梁将荷载传递到柱或墙,并最终传递到基础上,各个构件受力特点如下:楼板:是将活荷载和恒荷载通过梁或直接传递到竖向支承结构(柱、墙)的主要水平构件,楼板的主要内力是弯矩和剪力,是受弯构件。
钢筋混凝土结构习题及答案
一、填空题
1、斜裂缝产生的原因是:由于支座附近的弯矩和剪力共同作用,产生的 超过了混凝土的极限抗拉强度而开裂的。
2、随着纵向配筋率的提高,其斜截面承载力 。
3、弯起筋应同时满足 、 、 ,当设置弯起筋仅用于充当支座负弯矩时,弯起筋应同时满足 、 ,当允许弯起的跨中纵筋不足以承担支座负弯矩时,应增设支座负直筋。
4、适筋梁从加载到破坏可分为3个阶段,试选择填空:A 、I ;B 、I a ;C 、II ;D 、II a ;E 、III ;F 、III a 。
①抗裂度计算以 阶段为依据;②使用阶段裂缝宽度和挠度计
算以 阶段为依据;③承载能力计算以 阶段为依据。
5、界限相对受压区高度b ζ需要根据 等假定求出。
6、钢筋混凝土受弯构件挠度计算中采用的最小刚度原则是指在 弯矩范围内,假定其刚度为常数,并按 截面处的刚度进行计算。
7、结构构件正常使用极限状态的要求主要是指在各种作用下 和 不超过规定的限值。
8、受弯构件的正截面破坏发生在梁的 ,受弯构件的斜截面破坏发生在梁
的 ,受弯构件内配置足够的受力纵筋是为了防止梁发生 破坏,配置足够的腹筋是为了防止梁发生 破坏。
9、当梁上作用的剪力满足:V ≤ 时,可不必计算抗剪腹筋用量,直接按构造配置箍筋满足max min ,S S d d ≤≥;当梁上作用的剪力满足:V ≤ 时,仍可不必计算
抗剪腹筋用量,除满足max min ,S S d d ≤≥以外,还应满足最小配箍率的要求;当梁上作用的
剪力满足:V ≥ 时,则必须计算抗剪腹筋用量。
10、当梁的配箍率过小或箍筋间距过大并且剪跨比较大时,发生的破坏形式为 ;
当梁的配箍率过大或剪跨比较小时,发生的破坏形式为 。
11、由于纵向受拉钢筋配筋率百分率的不同,受弯构件正截面受弯破坏形态
有 、 和 。
12、斜截面受剪破坏的三种破坏形态包括 、 和
13、钢筋混凝土构件的平均裂缝间距随混凝土保护层厚度的增大而 。
用带肋变形钢筋时的平均裂缝间距比用光面钢筋时的平均裂缝间距_______(大、小)些。
14、为了保证箍筋在整个周长上都能充分发挥抗拉作用,必须将箍筋做成 形状,且箍筋的两个端头应 。
答案:
1、复合主拉应力;
2、提高;
3、斜截面抗弯;斜截面抗剪;正截面抗弯;斜截面抗弯;正截面抗弯;
4、B ;C ;F ;
5、平截面;
6、同号;最大弯矩;
7、裂缝宽度;变形值;
8、最大弯矩值处的截面;支座附近(该处剪力较大);正截面;斜截面
9、001.750.7; 1.0t t f bh f bh λ⎡⎤⎢⎥+⎣⎦; 001.75[;(0.24)]1.0t t f bh f bh λ++;0[t f bh ;01.75(0.24)]1.0t f bh λ++。
10、斜拉破坏;斜压破坏。
11、由于纵向受拉钢筋配筋率百分率的不同,受弯构件正截面受弯破坏形态有适筋破坏、超筋破坏和少筋破坏。
12、斜截面受剪破坏的三种破坏形态包括斜压破坏、剪压破坏和斜拉破坏。
13、增大、小;
14、封闭;相互搭接且搭接长度不小于30d(d 为箍筋直径)
二、简答题
1、试述结构的可靠度与可靠性的含义是什么?结构的可靠性包括哪些方面的功能要求?
答:结构在规定的时间内,在规定的条件下,完成预定功能的能力称为结构可靠性;结构的可靠度是结构可靠性的概率度量,即结构在设计工作寿命内,在正常的条件下,完成预定功能的概率。
建筑结构应该满足的功能要求可以概况为:
安全性:建筑结构应该能承受正常施工和正常使用时可能出现的各种荷载和变形,在偶然事件发生时和发生后保持必需的整体稳定性,不致发生倒塌。
适用性:结构在正常使用过程中应具有良好的工作性。
耐久性:结构在正常维护条件下应具有足够的耐久性,完好使用到设计规定的年限。
2、界限相对受压区高度bξ的意义是什么?
答:截面受压区高度与截面有效高度之比称为相对受压区高度,记为ξ。
若钢筋达到屈服的同时受压混凝土刚好压崩,这种状态的ξ称为界限相对受压区高度,记为bξ,bξ是适筋梁与超筋梁相对受压区高度的界限。
3、如何保证受弯构件斜截面承载力?
答:斜截面受剪承载力通过计算配箍筋或弯起钢筋来满足;斜截面受弯承载力通过构造措施来保证;
4、受弯构件设计时,何时需要绘制材料图?何时不必绘制材料图?
答:当梁内需要设置弯起筋或支座负纵筋时,需要绘制材料图,确定弯起筋的位置、数量、排数和支座负纵筋的截断长度,以保证纵筋弯起后满足斜截面抗弯、斜截面抗剪、正截面抗弯3大功能的要求。
当梁内不需要设置弯起筋或支座负纵筋时,则不需要绘制材料图。
5、简述影响混凝土收缩的因素。
答:(1)、水泥的品种(2)、水泥的用量(3)、骨料的性质(4)、养护条件(5)、混凝
土的制作方法(6)、使用环境(7)、构件的体积与表面积比值
6、适筋梁正截面受弯全过程可分为哪三个阶段,试简述第三个阶段的主要特点。
答:(1)、三个阶段:未裂阶段、裂缝阶段和破坏阶段。
(2)、第三阶段主要特点:纵向受拉钢筋屈服,拉力保持为常值;裂缝截面处,受拉区大部分混凝土已退出工作,受压区混凝土压应力曲线图形比较丰满,有上升段曲线,也有下降段曲线;由于受压区混凝土合压力作用点外移使内力臂增大,故弯矩还略有增加;受压区边缘混凝土压应变达到其极限压应变实验值cu ε时,混凝土被压碎,截面破坏;弯矩-曲率关系为接近水平的曲线。
7、根据受剪构件破坏的三种类型,设计中相应地采取什么措施来防止三种类型的破坏? 答:斜截面受剪破坏的三种类型有:
(1)、剪压破坏,设计中通过斜截面受剪承载力计算来防止剪压破坏
(2)、斜拉破坏,设计中通过控制截面的最小配箍率,即截面箍筋配箍率
yv t sv sv sv f f bs nA /24.0min 1=≥=ρρ,来防止斜拉破坏。
(3)、斜压破坏,设计中通过控制截面尺寸限制条件,即07.0bh f V t ≤,来防止斜压破坏。
8、进行钢筋混凝土构件斜截面承载力计算时,应选取哪些计算截面位置?
答:(1)、支座边缘处的斜截面;
(2)、受拉区弯起钢筋弯起点处的截面;
(3)、受拉区箍筋直径与间距改变处的截面;
(4)、腹板宽度改变处的截面。
9、提高受弯构件的刚度和减小裂缝宽度较有效的措施有哪些?
答:提高构件截面刚度的有效措施是增加截面高度,因此在设计时常用控制高跨比来满足变形要求;减小裂缝宽度的有效措施是增加钢筋用量和采用直径较细的钢筋,因此在设计中常用控制钢筋应力和直径来满足裂缝宽度的要求。
10、预应力钢筋的张拉控制应力为什么后张法比先张法要低
答:这是由于在先张法中,张拉钢筋达到控制应力时,构件混凝土尚未浇筑,当混凝土凝固后受到预压时,钢筋会随着混凝土的压缩而回缩,此时钢筋预拉应力已小于张拉时的控制应力con σ了。
对于后张法来说,张拉钢筋的同时混凝土受到预压,张拉到控制应力con σ时,混凝土弹性压缩已完成,con σ不会降低,因此规定后张法的con σ比先张法低。
11、钢筋混凝土受弯构件正截面有哪几种破坏形式?其破坏特征有何不同? 答:钢筋混凝土受弯构件正截面有适筋破坏、超筋破坏、少筋破坏。
梁配筋适中会发生适筋破坏。
受拉钢筋首先屈服,钢筋应力保持不变而产生显著的塑性伸长,受压区边缘混凝土的应变达到极限压应变,混凝土压碎,构件破坏。
梁破坏前,挠度较大,产生较大的塑性变形,有明显的破坏预兆,属于塑性破坏。
梁配筋过多会发生超筋破坏。
破坏时压区混凝土被压坏,而拉区钢筋应力尚未达到屈服强度。
破坏前梁的挠度及截面曲率曲线没有明显的转折点,拉区的裂缝宽度较小,破坏是突然的,没有明显预兆,属于脆性破坏,称为超筋破坏。
梁配筋过少会发生少筋破坏。
拉区混凝土一旦开裂,受拉钢筋即达到屈服,并迅速经历整个流幅而进入强化阶段,梁即断裂,破坏很突然,无明显预兆,故属于脆性破坏。
12、简答钢筋混凝土结构的优缺点:
答:优点:耐久性好、耐火性好、整体性好、可模性好、取材容易、合理用材、阻止射线的穿透
缺点:自身重力较大、钢筋混凝土结构抗裂性差容易开裂、耗模板、隔热隔声性能差
13、试述混凝土和钢筋共同工作的原因?
答:1、混凝土和钢筋之间有良好的工作性能,两者可靠地结合在一起,可共同受力,共同变形 (两者存在黏结力)
2、两者的温度线膨胀系数很接近,避免产生较大的温度应力破坏两者的粘结力 (两者变形协调)
3、混凝土包裹在钢筋的外部,可使钢筋免于腐蚀或高温软化 (混凝土对钢筋有保护作用)
4、钢筋和混凝土结合在一起共同工作,混凝土承受压力,钢筋承受拉力,将可以充分发挥各自的优势。
14、什么是混凝土的立方体抗压强度、轴心抗压强度?
答:混凝土的立方体抗压强度是其基本强度指标,按照标准方法制作养护(温度20±3℃、相对湿度不小于90%的潮湿空气中养护28d )的边长150mm 的立方体试件,在28d 龄期用标准试验方法(试件表面不涂润滑剂,全截面受压,加载速度0.15~0.25MPa/sec )测得的具有95%保证率的抗压强度。
轴心抗压强度又叫棱柱体强度,其真实反映以受压为主的混凝土结构构件的抗压强度,用150mm ×150mm ×300mm 棱柱体为标准试件测得的抗压强度。