地下室外墙挡土墙计算书
- 格式:doc
- 大小:96.50 KB
- 文档页数:3
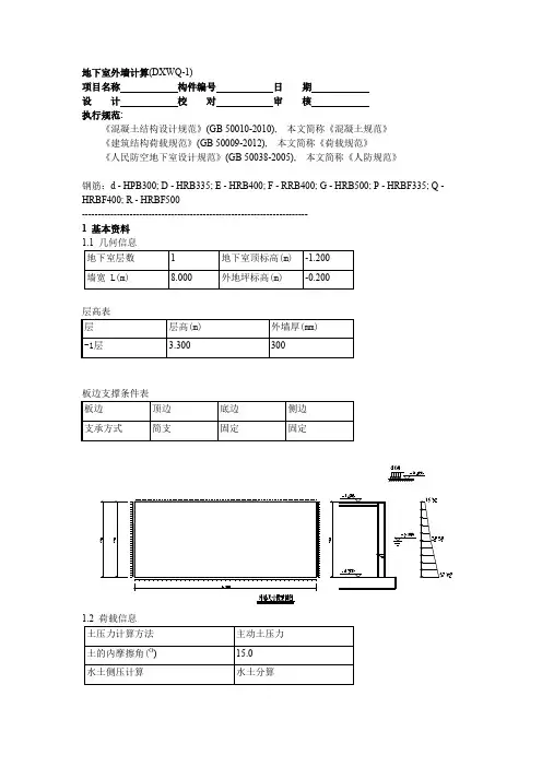
地下室外墙计算(DXWQ-1)项目名称构件编号日期设计校对审核执行规范:《混凝土结构设计规范》(GB 50010-2010), 本文简称《混凝土规范》《建筑结构荷载规范》(GB 50009-2012), 本文简称《荷载规范》《人民防空地下室设计规范》(GB 50038-2005), 本文简称《人防规范》钢筋:d - HPB300; D - HRB335; E - HRB400; F - RRB400; G - HRB500; P - HRBF335; Q - HRBF400; R - HRBF500-----------------------------------------------------------------------1 基本资料板边支撑条件表2 计算(1)荷载计算(2)内力计算(3)配筋计算(4)裂缝验算荷载说明:永久荷载:土压力荷载,上部恒载-平时,可变荷载:地下水压力,地面活载,上部活载-平时平时组合:平时荷载基本组合战时组合:战时荷载基本组合准永久组合:平时荷载准永久组合(用于裂缝计算)2.1 荷载计算2.1.1 墙上竖向压力平时组合(kN/m ):1.200×0.000+1.400×0.000=0.000 准永久组合(kN/m ):0.000+0.500×0.000=0.000 2.1.2 侧压荷载计算 (1) 土压力标准值(kPa)水土分算,土侧压系数按主动土压力计算,土的内摩擦角15.0o ,主动土压力系数:)地下室顶面,标高-1.200, 总埋深1.000,全位于地下水位以上 ===p k h ⨯⨯0.588191 11.172=pw土压力起算位置,标高-0.200 =p 0=p w-1层底,标高-4.500,总埋深4.300,地下水位以上2.700,地下水位以下1.600=+=+=p k h 1k()-s a t wh 2⨯⨯0.588192.7⨯⨯0.588()-20101.639.572===p w w h ⨯10 1.616地下水位处, 标高-2.900,埋深2.700===p k h ⨯⨯0.58819 2.7 30.164=p w式中:p --------土压力(kN/m 2) p w --------水压力(kN/m 2) k --------土压力系数r --------土的天然容重(kN/m 3) r sat --------土的饱和容重(kN/m 3) r w --------水的重度(kN/m 3)h 1 --------地下水位以上的土层厚度(m) h 2 --------地下水位以下的土层厚度(m)(2)地面上活载等效土压力(标准值,kPa ): p=kG k =0.588×4.000=2.352(3) 荷载组合系数表注:表中所列三角荷载值是对应于各层底的荷载值(最大)2.2 内力计算按连续梁计算竖向弯矩按连续梁模型计算,水平向弯矩仍按板块模型计算调幅:竖向内力按连续梁计算,可考虑支座处塑性,对竖向弯矩进行调幅,调幅幅度0.8% 调幅后的弯矩(kN.m/m)注:准永久组合的弯矩结果用于裂缝计算,此处不进行调幅。
计算一、墙身配筋计算(一)已知条件:墙身混凝土等级40钢筋设计强度N/mm2360混凝土容重γc=25KN/mm3墙背填土容重γ土=20KN/mm3水容重γ水=10KN/mm3裂缝限值0.2mm覆土面距离墙底H1=3m水位距离墙底H2=0m墙高H=4.5m地面堆积荷载q0=10KN/m2墙厚h(mm)=300mm保护层(mm)=35mm横载分项系数1.2(二)土压力计算:Ka=0.50q土=(γ土×H1-γ水×H2)×Ka=30.00KN/m2qo=5q水=γ水H2=0KN/m2q2=q土+q水+qo=35.00KN/m2q22=1.2×q2=42KN/m2(三)内力计算(基本组合下):β=b/c=0.666666667b=3mM1=q22*b2*(4-3β+3β2/5)/24=-35.70KN·MRA=q22*b3*(1-β/5)/8C2=20.48M2=RA*(a+2*b/3*(2*RA/q22b)^0.5)=54.05759KN·M(四)配筋计算混凝土抗压强度fcd=19.1N/mm2ho=255mm钢筋设计强度fy=360N/mm2计算宽度b=1000mmM1 =f cd bx(h0-x/2)35700000.00 =19100x(255-x/2)x =7.438 m≤ξb h0 =0.53×255.00 =解得A s = M支座/(ho-x/2)/f y =400mm2M2 =f cd bx(h0-x/2)54000000.00 =19100x(255-x/2)x =11.339 mm≤ξb h0 =0.53×255.00 =解得跨中A s = M2/(ho-x/2)/f y =618mm2(五)裂缝计算(仅计算支座处裂缝)钢筋直径d=14mm钢筋间距150mm每延米实配钢筋A s=1026.25mm2标准组合下M1=q2*b2*(4-3β+3β2/5)/24=-29.75KN·Mσsk=Mk支座/(0.87hoAs)=130.6691N/mm2αcr=2.1ρte=0.006841691ftk=2.39ψ=-0.63770071< 1 且<0.2所以ψ取0.2Es=200000c=35deq=14裂缝宽度W fk=0.063168659mm裂缝满足要求135.2mm 135.2mm。
地下室外墙计算书1、地下室外墙(DWQ1)计算主动土压力系数Ka取0.5土重度r=18KN/m³无地下水地下室9.9m深按单向板计算主动土压力q土=rHKa=18x0.5x9.9=89.1KN/m 地面荷载产生侧压力q活=10x0.5=5KN/m①竖向配筋计算计算简图三种压力产生的弯矩①地下二层弯矩支座基本组合弯矩值=(Ms+Mw)x1.27+1.4xMm=168.6KN·m支座准永久组合弯矩值=Ms+Mw+0.5Mm=129.9 KN·m跨中基本组合弯矩值=(Ms+Mw)x1.27+1.4xMm=81N·m跨中准永久组合弯矩值=Ms+Mw+0.5Mm=61.9KN·m②地下一层弯矩支座基本组合弯矩值=(Ms+Mw)x1.27+1.4xMm=147.1KN·m支座准永久组合弯矩值=Ms+Mw+0.5Mm=106.4KN·m跨中基本组合弯矩值=(Ms+Mw)x1.27+1.4xMm=67.2N·m跨中准永久组合弯矩值=Ms+Mw+0.5Mm=46.2KN·m假设壁厚地下二h2=350,地下一h1=300,混凝土强度C35(1)地下二层配筋地下室外墙外侧查表可知选筋C16@100的裂缝(0.20mm)和承载力弯矩分别为134.76KN·m、233.2KN·m,大于支座计算准永久弯矩129.9KN·m和基本组合弯矩168.6KN·m,满足要求。
且配筋率0.574%,合适。
地下室外墙内侧侧查表可知选筋C12@100的裂缝(0.20mm)和承载力弯矩分别为91.61KN·m、122.1KN·m,大于支座计算准永久弯矩61.9KN·m和基本组合弯矩81KN·m,满足要求。
且配筋率0.323%,合适。
∴外侧钢筋选配C16@100 As=2011mm²/m内侧钢筋选配C12@100 As=1131mm²/m(2)地下一层配筋地下室外墙外侧查表可知选筋C16@100的裂缝(0.20mm)和承载力弯矩分别为112.72KN·m、175.1KN·m,大于支座计算准永久弯矩106.4KN·m和基本组合弯矩147.1KN·m,满足要求。
(完整版)挡土墙模板计算书(完整版)挡土墙模板计算书1. 项目概述1.1 项目名称:挡土墙建设项目1.2 项目地点:(填写具体地点)1.3 项目目的:建设稳定可靠的挡土墙,提供土地保护和公共安全。
2. 设计要求2.1 承重能力:挡土墙应能承受预期荷载,并具备抗滑稳定性。
2.2 填土材料:填土材料应具备良好的排水性能和抗冲刷能力。
2.3 墙体结构:挡土墙应采用混凝土墙或者土工合成材料墙。
3. 设计计算3.1 挡土墙高度计算:根据设计要求和实际地形条件,确定挡土墙的高度(填写具体计算公式)。
3.2 挡土墙底宽计算:根据挡土墙高度、填土材料的重度、壁角系数等参数,计算挡土墙底宽(填写具体计算公式)。
3.3 排水系统设计:根据挡土墙高度和填土材料的排水性能要求,设计合适的排水系统,包括排水管道、排水孔等。
4. 施工要求4.1 基础处理:确保挡土墙基础的牢固和稳定。
4.2 墙体建设:按照设计要求,采用合适的墙体结构材料进行施工。
4.3 填土施工:选用良好的填土材料,按照设计要求进行填土施工。
4.4 排水系统安装:按照设计要求合理布置排水系统,并确保排水通畅。
5. 安全注意事项5.1 施工现场安全:施工过程中应注意安全措施,避免发生意外事故。
5.2 填土材料选择:选择具备抗冲刷能力的填土材料,确保挡土墙的稳定性。
6. 风险评估6.1 地质条件评估:根据现场地质勘探结果,评估地质条件对挡土墙的影响程度。
6.2 天气因素评估:考虑气候条件对挡土墙的影响,采取适当的防护措施。
7. 附件(相关附件名称及编号,如设计图纸、土质试验报告等)8. 法律名词及注释(根据实际情况相关法律名词及其注释)---(完整版)挡土墙施工方案1. 施工概述1.1 施工单位:(填写具体施工单位名称)1.2 施工地点:(填写具体地点)1.3 施工:根据设计要求建设稳定可靠的挡土墙。
2. 前期准备2.1 地质勘察:进行现场地质勘察,了解地质情况,为施工提供依据。
地下室外墙挡土墙计算书3.1地下室挡土墙高2.5m,挡土墙构造柱最大间距3.1m外墙厚370mm,砖标号MU15.水泥砂浆M10,地面荷载5KN/m2,墙侧土容重20kN/m3,静止土压力系数K=0.50。
(取Im宽板带计算)3.2 中部不设圈粱时砖墙承载力验算(1) 根据《土力学基础工程》(简称《土力学》)计算土压力:ql=kql=0.5×5×1=2.5kN/mq2=kγh l=0.5×20×2.5×1=25kN/m(2) 根据《建筑结构静力计算手册》(简称<手册》)计算墙内力:Mmax=Ma= q1H2/8+q2H2/I5=2.5×2.52/8+25×2.52/I5=12.4kN.m (3) 根据现行《砌体结构设计规范》(简称《砌规》)计算砖墙承载力:[M]=γa f tm W=1×0.33×103 xl×0.372/6=7.5kN.m(4)验算承载力:M>[M]不满足强度要求剪力验算略。
3.3 中部加设一道圈粱时砖墙承载力验算(1) 根据《土力学》计算土压力:ql=2.5kN/mq2=kγh l=0.5×20×1.5×1=15kN/mq3=kγh l=0.5×20×1.0×1=10kN/m(2)根据《手册》计算墙内力:Mbc= q1H12/8+q2H12/93=2.5×1.52/8+15×1.52/93=2.9kN.M<[M] Ma=(q1+q2)H22/8+q3H22/I5=(2.5+15)×1.02/8+10×1.02/15=2.8kN.m<[M]Qc=qlHl/2+q2H1/6=2.5×1.5/2+15×1.5/6=5.63KNQb上=qlH1/2+q2H1/3 =2.5×1.5/2+15×1.5/3=9.34KNQb下=(ql+q2)H2/2+q3H2/10=(2.5+15)×1.0/2+10×1.0/10=9.75KNQa=(ql+q2)H2/2-12/2+2q3H2/5=(2.5+15)×1.0/2+10×1.0×2/5=12.75kN(3)根据《砌规》计算砖墙承载力[M]= γa f tm W=7.5kN.m[Q]=γa f v bz=0.9×0.17×103×1×0.37×2/3=37.7KN(4)承载力验算Mmax=2.9kN .m<[M] 满足强度条件。
挡土墙工程量计算书一、工程概况本次挡土墙工程位于_____,主要用于防止土体坍塌和保持土体稳定。
挡土墙的长度为_____米,高度从_____米到_____米不等,墙体采用_____材料砌筑。
二、计算依据1、设计图纸及相关技术规范。
2、现场实测数据。
三、计算方法1、挡土墙体积计算挡土墙的体积可以分为基础部分和墙体部分分别计算。
基础部分体积=基础长度 ×基础宽度 ×基础高度。
墙体部分体积=墙体长度 ×墙体平均厚度 ×墙体高度。
2、土方工程量计算挖方量=基础开挖长度 ×基础开挖宽度 ×基础开挖深度。
填方量=(基础回填长度 ×基础回填宽度 ×基础回填深度)+(墙后填土长度 ×墙后填土宽度 ×墙后填土高度)。
3、钢筋工程量计算根据设计图纸,统计不同规格钢筋的长度和数量。
钢筋重量=钢筋长度 ×钢筋单位重量。
4、混凝土工程量计算混凝土体积=混凝土浇筑部位的长度 ×宽度 ×厚度。
四、计算过程1、基础体积计算基础长度:_____米基础宽度:_____米基础高度:_____米基础体积=_____立方米2、墙体体积计算墙体长度:_____米墙体平均厚度:_____米墙体高度:_____米墙体体积=_____立方米3、土方工程量计算基础开挖长度:_____米基础开挖宽度:_____米基础开挖深度:_____米挖方量=_____立方米填方量基础回填长度:_____米基础回填宽度:_____米基础回填深度:_____米墙后填土长度:_____米墙后填土宽度:_____米墙后填土高度:_____米填方量=_____立方米4、钢筋工程量计算钢筋规格及数量规格 1:_____,数量:_____根,长度:_____米规格 2:_____,数量:_____根,长度:_____米钢筋重量计算规格 1 钢筋重量=_____ ×单位重量=_____千克规格 2 钢筋重量=_____ ×单位重量=_____千克……总钢筋重量=_____千克5、混凝土工程量计算基础混凝土体积:_____立方米墙体混凝土体积:_____立方米总混凝土体积=_____立方米五、计算结果汇总1、挡土墙体积:_____立方米2、挖方量:_____立方米3、填方量:_____立方米4、钢筋重量:_____千克5、混凝土体积:_____立方米六、注意事项1、计算过程中应严格按照设计图纸和相关规范进行,确保数据的准确性。
挡土墙计算书(地下室)挡土墙计算书(地下室)1. 引言1.1 本文档旨在提供一个关于地下室挡土墙计算的综合指南。
挡土墙在地下室建筑中起到支撑土体、减少地下水渗流和保护建筑结构的重要作用。
1.2 本文档将介绍挡土墙设计的基本原理、计算方法和相关规范要求,以供工程师、设计师和相关人员参考和使用。
2. 挡土墙的类型和性能2.1 常见的挡土墙类型包括重力式挡土墙、悬臂式挡土墙、钢筋混凝土挡土墙和土工格栅挡土墙等。
2.2 挡土墙的性能包括承载力、变形性能、稳定性和耐久性等。
3. 挡土墙设计的基本原理3.1 挡土墙的设计应遵循土力学的基本原理和结构力学的原则。
3.2 挡土墙应考虑土壤的侧压力、水压力和地震力等作用。
4. 挡土墙计算的基本步骤4.1 确定设计参数,包括土壤参数、荷载参数和结构参数等。
4.2 进行挡土墙的稳定性分析,计算土壤的侧压力和结构的抗倾覆能力。
4.3 根据挡土墙的变形性能要求,计算挡土墙的变形和应力。
4.4 按照相关规范要求,确定挡土墙的尺寸和钢筋配筋等。
5. 挡土墙计算的常见问题和解决方法5.1 挡土墙的稳定性问题,包括滑动、倾覆和底部切割等。
5.2 挡土墙的变形问题,包括沉降、倾斜和裂缝等。
5.3 挡土墙的材料和施工质量问题,包括土体的质量和挡土墙的防水等。
6. 挡土墙计算的实例分析6.1 钢筋混凝土挡土墙的设计和计算。
6.2 土工格栅挡土墙的设计和计算。
7. 结论7.1 地下室挡土墙在地下建筑中起着至关重要的作用,其设计和计算必须严格遵循相关规范要求。
7.2 本文档提供了一个详尽和全面的挡土墙计算指南,供相关人员参考和使用。
附件:本文档所涉及的附件如下:1. 挡土墙设计参数表格2. 挡土墙稳定性计算表格3. 挡土墙变形和应力计算表格法律名词及注释:1. 土壤参数:指土壤的密度、摩擦角、内摩擦角等力学性质。
2. 荷载参数:指作用在挡土墙上的水压力、侧压力和地震力等。
3. 结构参数:指挡土墙的尺寸、钢筋配筋和防水措施等。
专业课程设计公路路基设计学号:班级:姓名:日期:挡土墙设计阐明书本次设计重点放在重力式挡土墙。
挡土墙样式如图所示,个别桩号填土高度不不小于3m,不设置挡土墙,改成设置边坡,尚有个别桩号填土高度不不小于10m,设置衡重式挡土墙,不小于8M 旳填土高度旳,设置成多层挡土墙,在验算时,先计算第一层挡土墙稳定性,后验算下一层(多层挡土墙设计措施:先设第一层,8米左右,然后设护坡道,继续设计第二道挡土墙,护坡道够宽,则不计入第一层旳荷载,假如护坡道较窄,则把第一层挡土墙自重和上部活载作为荷载作用在第二道挡土墙上!宽窄是通过计算挡土墙旳破裂角来判断旳。
详细见计算书:挡土墙计算书桩号0+000,截面尺寸如图所示,第一层挡土墙尺寸12128,0.8, 2.088, 2.788,0.5,1,0.558, 1.2s h m b m b m b m b m h m h m =======埋深米第二层挡土墙尺寸: 1217, 1.4, 2.64, 2.5,0.5,0.8, 1.2s h m b m b m b m b m h m ======埋深米墙面坡度1:0.2,墙底与地基旳交角0.2:1,基地摩擦系数f=0.5(1)汽车荷载当量换算L B=Nb+(N-1)d=4 3.5+30.5=15.5m 4550h 0.531815.515NQ m BL γ汽车前后轮总距(2)破裂角 与土压力旳计算()()12t 000353570700.639632.6cos()cos(32.635)()(32.60)sin()sin(32.635)0.264112A g tg tg tg KK tg tg tg tg E H KK ψαδϕθψθθϕθαθϕγ=-==++=++==-=-+==++=+=+++====01=2主动土压力系数3主动土压力E2h K 1+H()20111880.264152.0642cos()152.064cos(035)124.56sin()152.064sin(035)87.224 2.6733X y y E E E E h H Z K αδαδ⨯⨯⨯==+=⨯+==+=⨯+==+=y土压力作用点位置Z(3)挡土墙自重G1234()23(5.16 4.154 2.5880.712)290.11()G A A A A A KN γγ==+++=⨯+++=12342.19,0.93, 1.69, 1.13X m X m X m X m ====1234118.68,95.45,59.53,16.37G KN G KN G KN G KN ====(4) 挡土旳抗滑稳定性验算 yc Xyu N E K E N G E +=→=+∑∑∑其中N 作用于基底竖向力的代数和(KN)即()cos sin cos ()sin y X c X y u G E E K E G E αααα++==-+∑0.5((290.1187.22)cos11.3124.56sin11.3) 2.04124.56cos11.3(290.1187.22)sin11.3⨯+⨯+⨯=⨯-+⨯>1.3(满足规定) (5).挡土墙旳抗倾覆稳定性验算11223344118.68 2.1895.540.9359.53 1.6916.37 1.1387.22 2.588124.56 2.671.95 1.5y x l a f G X G X G X G X E Z K E Z ++++⨯=⨯+⨯+⨯+⨯+⨯=⨯=> (6) 基底偏心距与基底应力计算:0118.68 2.1895.540.9359.53 1.6916.37 1.1387.22 2.588124.56 2.67 1.24290.112.588/2 1.240.0540.647()24y nn M M Z N B B e Z m -=⨯+⨯+⨯+⨯+⨯-⨯===-=-=<=∑∑∑满足要求126290.1187.2260.054(1)(1)2.588 2.588164.05800()127.55y G E N M e A W B B KPa σσ++⨯=±=±=±=<∑∑满足要求(7) 墙身截面验算法向应力及偏心距e 验算1-1截面;23 3.61883.21i G A kN γ==⨯=1221118 3.2250.26424.71222cos()24.712cos(035)20.243sin()24.712sin(035)14.174i X i y i E H KK KN E E KNE E KNγαδαδ==⨯⨯⨯==+=⨯+==+=⨯+=1212123.87,59.34,0.21, 1.041.075, 1.444397.3823.870.2159.34 1.0414.174 1.44487.19.i i g g i xi yi i I YI yi i gi yi yi G kN G kN Z m Z mH Z m Z m N G E KN M G Z E Z KN m ========+==+=⨯+⨯+⨯=∑∑20.243 1.07521.76.87.1921.760.67297.38Oi xi xi yi oi ni I ME Z kN M M M Z m N ==⨯=--===∑∑∑∑ 0.720.6720.0482i i ni B e Z m =-=-=<0.35B=0.50(满足规定) 12697.3860.048(1)(1)1.444 1.44480.88800()53.98i N e B B KPa σσ⨯=±=±=<∑满足要求2-2截面:239.314214.2i G A kN γ==⨯=1221118 6.450.26498.84722cos()98.847cos(035)80.97sin()98.847sin(035)56.7i X i y i E H KK KN E E KNE E KN γαδαδ==⨯⨯⨯==+=⨯+==+=⨯+=12121118.68,95.54,1.688,0.8582.15, 2.0883270.92118.68 1.68895.540.85856.7 2.088400.69.i i g g i xi yi i I YI yi i gi yi yi G kN G kN Z m Z mH Z m Z m N G E KN M G Z E Z KN m ========+==+=⨯+⨯+⨯=∑∑80.97 2.15174.08.400.69174.080.836270.92Oi xi xi yi oi ni I ME Z kN M M M Z m N ==⨯=--===∑∑∑∑ 1.0440.8360.2082i i ni B e Z m =-=-=<0.35B=0.50(满足规定) 126270.9260.208(1)(1)2.088 2.088215.56800()52.2i N e B B KPa σσ⨯=±=±=<∑满足要求(8),剪应力验算水平方向剪切验算1-1截面剪切面上水平剪力等于1-1截面以上墙身折受水平土压力,则:120.24314.021601.444ixi i i T E kpa kpa B B τ====<∑∑ 2-2截面剪切面上水平剪力等于2-2截面以上墙身折受水平土压力,则:180.9738.781602.088i xi i i T E kpa kpa B B τ====<∑∑ 第二层挡土墙验算:t 000353570700.639632.6A g tg tg tg ψαδϕθψθ=-==++=++==-=-+== 荷载换算:0495.23/8.59 3.218q h m r === ()()122cos()cos(32.635)()(32.60)sin()sin(32.635)0.2643.2 1.91111870.264 1.91222.3622cos()222.36cos(035)182.15sin()222.36sin X y KK tg tg tg tg E H KK kn E E E E θϕθαθϕγαδαδ++=+=+++=⨯===⨯⨯⨯⨯==+=⨯+==+=⨯1=2主动土压力系数3主动土压力E2K 1+7()1(035)127.544 3.2 2.89332.5y X H Z m K Z m+==+==y土压力作用点位置Z (4) 挡土旳抗滑稳定性验算yc Xyu N E K E N G E +=→=+∑∑∑其中N 作用于基底竖向力的代数和(KN)即()y c X u G E K E +==∑0.5(225.4127.54) 1.51182.15⨯+=>1.3(满足规定) (5).挡土墙旳抗倾覆稳定性验算11223344118.68 2.1895.540.9359.53 1.6916.37 1.1387.22 2.588 1.95 1.5124.56 2.67y x l a f G X G X G X G X E Z K E Z ++++⨯=⨯+⨯+⨯+⨯+⨯==>⨯ (6) 基底偏心距与基底应力计算:0118.68 2.1895.540.9359.53 1.6916.37 1.1387.22 2.588124.56 2.67 1.24290.112.588/2 1.240.0540.647()24y n n M MZ N B B e Z m -==⨯+⨯+⨯+⨯+⨯-⨯==-=-=<=∑∑∑满足要求126290.1187.2260.054(1)(1)2.5882.588164.05800()127.55y G E N M e A W B B KPa σσ++⨯=±=±=±=<∑∑满足要求(7) 墙身截面验算法向应力及偏心距e 验算1-1截面;23 3.61883.21i G A kN γ==⨯=1221118 3.2250.26424.71222cos()24.712cos(035)20.243sin()24.712sin(035)14.174i X i y i E H KK KNE E KN E E KN γαδαδ==⨯⨯⨯==+=⨯+==+=⨯+=1212123.87,59.34,0.21, 1.041.075, 1.444397.3823.870.2159.34 1.0414.174 1.44487.19.i i g g i xi yi i I YI yi i gi yi yi G kN G kN Z m Z mH Z m Z m N G E KN M G Z E Z KN m ========+==+=⨯+⨯+⨯=∑∑20.243 1.07521.76.87.1921.760.67297.38Oi xi xi yi oi ni I ME Z kN M M M Z m N ==⨯=--===∑∑∑∑ 0.720.6720.0482i i ni B e Z m =-=-=<0.35B=0.50(满足规定) 12697.3860.048(1)(1)1.444 1.44480.88800()53.98i N e B B KPa σσ⨯=±=±=<∑满足要求 2-2截面:23 3.61883.21i G A kN γ==⨯=1221118 6.450.26498.84722cos()98.847cos(035)80.97sin()98.847sin(035)56.7i X i y i E H KK KN E E KNE E KNγαδαδ==⨯⨯⨯==+=⨯+==+=⨯+= 12121118.68,95.54,1.688,0.8582.15, 2.0883270.92118.68 1.68895.540.85856.7 2.088400.69.i i g g i xi yi i I YI yi i gi yi yi G kN G kN Z m Z mH Z m Z m N G E KN M G Z E Z KN m ========+==+=⨯+⨯+⨯=∑∑80.97 2.15174.08.400.69174.080.836270.92Oi xi xi yi oi ni I ME Z kN M M M Z m N ==⨯=--===∑∑∑∑ 1.0440.8360.2082i i ni B e Z m =-=-=<0.35B=0.50(满足规定)126270.9260.208(1)(1)2.088 2.088215.56800()52.2i N e B B KPa σσ⨯=±=±=<∑满足要求(8),剪应力验算水平方向剪切验算1-1截面剪切面上水平剪力等于1-1截面以上墙身折受水平土压力,则:120.24314.021601.444ixi i i T E kpa kpa B B τ====<∑∑ 2-2截面剪切面上水平剪力等于2-2截面以上墙身折受水平土压力,则:180.9738.781602.088i xi i i T E kpa kpa B B τ====<∑∑ 第二层 0 5.223/1.93 3.4418q h m r ⨯=== (2)破裂角θ与土压力旳计算()()2t 000353570700.639632.6cos()cos(32.635)()(32.60)sin()sin(32.635)0.264 1.9812A g tg tg tg KK tg tg tg tg E H K ψαδϕθψθθϕθαθϕγ=-==++=++==-=-+==++=+=+++===01=2主动土压力系数3主动土压力E2h K 1+H()120111870.264 1.98230.522cos()230.53cos(035)188.83sin()230.53sin(035)132.224 2.91333.14X y y x K E E E E h H Z K Z mαδαδ=⨯⨯⨯⨯==+=⨯+==+=⨯+==+==y土压力作用点位置Z(4) 挡土旳抗滑稳定性验算yc Xyu N E K E N G E +=→=+∑∑∑其中N 作用于基底竖向力的代数和(KN)即()y c X u G E K E +==∑0.6(478.048132.22) 1.51188.83⨯+=>1.3(满足规定) (5).挡土墙旳抗倾覆稳定性验算112233199.64 2.4488.412 1.3357.77 1.5132.22 3.14 2.0 1.5188.83 2.91y x l a f G X G X G X E Z K E Z ++++⨯=⨯+⨯+⨯+⨯==>⨯(6) 基底偏心距与基底应力计算:0199.64 2.4488.412 1.3357.77 1.5132.22 3.14188.83 2.910.913478.048132.223.14/20.9130.6570.785()24y nn M M Z N B B e Z m -=⨯+⨯+⨯+⨯-⨯==+=-=-=<=∑∑∑满足要求126478.048132.2260.657(1)(1)3.14 3.14438.35800()49.6380y G E N M e A W B B KPa KPaσσ++⨯=±=±=±<=->-∑∑满足要求(7) 墙身截面验算法向应力及偏心距e 验算1-1截面;23 5.27121.21i G A kN γ==⨯=1221118 3.10.264 1.9845.2122cos()45.21cos(035)37sin()45.21sin(035)25.9i X i y i E H KK KN E E KNE E KNγαδαδ==⨯⨯⨯⨯==+=⨯+==+=⨯+=1212199.8,21.39,1.32,0.4131.033,2.023147.1199.8 1.3221.390.41325.9 2.02192.88.i i g g i xi yi i I YI yi i gi yi yi G kN G kN Z m Z mH Z m Z m N G E KN M G Z E Z KN m========+==+=⨯+⨯+⨯=∑∑37 1.03338.22.192.8838.22 1.05147.11Oi xi xi yi oi ni I ME Z kN M M M Z m N ==⨯=--===∑∑∑∑ 1.01 1.050.042i i ni B e Z m =-=-=-<0.35B=0.50(满足规定) 126147.1160.04(1)(1)2.02 2.0281.48800()64.17i N e B B KPa σσ⨯=±=±=<∑满足要求2-2截面:2312.524288.05i G A kN γ==⨯=1221118 6.20.264 1.98180.8422cos()180.84cos(035)148.14sin()180.84sin(035)103.72i X i y i E H KK KN E E KNE E KNγαδαδ==⨯⨯⨯⨯==+=⨯+==+=⨯+=12121199.64,88.42,1.94,0.832.06, 2.643391.77199.64 1.9488.420.83103.72 2.64734.50.i i g g i xi yi i I YI yi i gi yi yi G kN G kN Z m Z mH Z m Z m N G E KN M G Z E Z KN m========+==+=⨯+⨯+⨯=∑∑148.14 2.06305.17.734.50305.17 1.096391.77Oi xi xi yi oi ni I ME Z kN M M M Z m N ==⨯=--===∑∑∑∑ 1.32 1.0960.2242i i ni B e Z m =-=-=<0.35B=0.924(满足规定) 126391.7760.224(1)(1)2.64 2.64223.9800()72.8i N e B B KPa σσ⨯=±=±=<∑满足要求(8),剪应力验算水平方向剪切验算1-1截面剪切面上水平剪力等于1-1截面以上墙身折受水平土压力,则:13718.31602.02ixi i i T E kpa kpa B B τ====<∑∑ 2-2截面剪切面上水平剪力等于2-2截面以上墙身折受水平土压力,则:1148.1456.11602.64i xi i i T E kpa kpa B B τ====<∑∑2>桩号0+020,截面尺寸如图所示,第一层挡土墙尺寸12128,0.8, 2.088, 2.788,0.5,1,0.558, 1.3,s h m b m b m b m b m h m h m =======埋深米第二层挡土墙尺寸:1217, 1.4, 2.64, 2.5,0.5,0.8, 1.3s h m b m b m b m b m h m ======埋深米墙面坡度1:0.2,墙底与地基旳交角0.2:1,基地摩擦f=0.5(1)汽车荷载当量换算L B=Nb+(N-1)d=4 3.5+30.5=15.5m 4550h 0.531815.515NQ m BL γ汽车前后轮总距(2)破裂角θ与土压力旳计算()()12t 000353570700.639632.6cos()cos(32.635)()(32.60)sin()sin(32.635)0.264112A g tg tg tg KK tg tg tg tg E H KK ψαδϕθψθθϕθαθϕγ=-==++=++==-+=-+==++=+=+++====01=2主动土压力系数3主动土压力E2h K 1+H()20111880.264152.0642cos()152.064cos(035)124.56sin()152.064sin(035)87.224 2.6733X y y E E E E h H Z K αδαδ⨯⨯⨯==+=⨯+==+=⨯+==+=y土压力作用点位置Z(3)挡土墙自重G1234()23(5.16 4.154 2.5880.712)290.11()G A A A A A KN γγ==+++=⨯+++=12342.19,0.93, 1.69, 1.13X m X m X m X m ====1234118.68,95.45,59.53,16.37G KN G KN G KN G KN ====(4) 挡土旳抗滑稳定性验算 yc Xyu N E K E N G E +=→=+∑∑∑其中N 作用于基底竖向力的代数和(KN)即()y c X u G E K E +==∑0.5(290.1187.22) 1.51124.56⨯+=>1.3(满足规定) (5).挡土墙旳抗倾覆稳定性验算11223344118.68 2.1895.540.9359.53 1.6916.37 1.1387.22 2.588 1.95 1.5124.56 2.67y x l a f G X G X G X G X E Z K E Z ++++⨯=⨯+⨯+⨯+⨯+⨯==>⨯ (6) 基底偏心距与基底应力计算:0118.68 2.1895.540.9359.53 1.6916.37 1.1387.22 2.588124.56 2.67 1.24290.112.588/2 1.240.0540.647()24y n n M M Z N B B e Z m -=⨯+⨯+⨯+⨯+⨯-⨯===-=-=<=∑∑∑满足要求126290.1187.2260.054(1)(1)2.588 2.588164.05800()127.55y G E N M e A W B B KPa σσ++⨯=±=±=±=<∑∑满足要求(7) 墙身截面验算法向应力及偏心距e 验算1-1截面;23 3.61883.21i G A kN γ==⨯=1221118 3.2250.26424.71222cos()24.712cos(035)20.243sin()24.712sin(035)14.174i X i y i E H KK KN E E KNE E KNγαδαδ==⨯⨯⨯==+=⨯+==+=⨯+=1212123.87,59.34,0.21, 1.041.075, 1.444397.3823.870.2159.34 1.0414.174 1.44487.19.i i g g i xi yi i I YI yi i gi yi yi G kN G kN Z m Z mH Z m Z m N G E KN M G Z E Z KN m ========+==+=⨯+⨯+⨯=∑∑20.243 1.07521.76.87.1921.760.67297.38Oi xi xi yi oi ni I ME Z kN M M M Z m N ==⨯=--===∑∑∑∑ 0.720.6720.0482i i ni B e Z m =-=-=<0.35B=0.50(满足规定) 12697.3860.048(1)(1)1.444 1.44480.88800()53.98i N e B B KPa σσ⨯=±=±=<∑满足要求2-2截面:239.314214.2i G A kN γ==⨯=1221118 6.450.26498.84722cos()98.847cos(035)80.97sin()98.847sin(035)56.7i X i y i E H KK KN E E KNE E KN γαδαδ==⨯⨯⨯==+=⨯+==+=⨯+=12121118.68,95.54,1.688,0.8582.15, 2.0883270.92118.68 1.68895.540.85856.7 2.088400.69.i i g g i xi yi i I YI yi i gi yi yi G kN G kN Z m Z mH Z m Z m N G E KN M G Z E Z KN m ========+==+=⨯+⨯+⨯=∑∑80.97 2.15174.08.400.69174.080.836270.92Oi xi xi yi oi ni I ME Z kN M M M Z m N ==⨯=--===∑∑∑∑ 1.0440.8360.2082i i ni B e Z m =-=-=<0.35B=0.50(满足规定) 126270.9260.208(1)(1)2.088 2.088215.56800()52.2i N e B B KPa σσ⨯=±=±=<∑满足要求(8),剪应力验算水平方向剪切验算1-1截面剪切面上水平剪力等于1-1截面以上墙身折受水平土压力,则: 120.24314.021601.444ixi i i T E kpa kpa B B τ====<∑∑ 2-2截面剪切面上水平剪力等于2-2截面以上墙身折受水平土压力,则: 180.9738.781602.088i xi i i T E kpa kpa B B τ====<∑∑ 第二层挡土墙验算:t 000353570700.639632.6A g tg tg tg ψαδϕθψθ=-==++=++==-+=-+== 荷载换算:0495.23/8.59 3.218q h m r === ()()122cos()cos(32.635)()(32.60)sin()sin(32.635)0.2643.2 1.91111870.264 1.91222.3622cos()222.36cos(035)182.15sin()222.36sin X y KK tg tg tg tg E H KK kn E E E E θϕθαθϕγαδαδ++=+=+++=⨯===⨯⨯⨯⨯==+=⨯+==+=⨯1=2主动土压力系数3主动土压力E2K 1+7()1(035)127.544 3.2 2.89332.5y X H Z m K Z m+==+==y土压力作用点位置Z (4) 挡土旳抗滑稳定性验算yc Xyu N E K E N G E +=→=+∑∑∑其中N 作用于基底竖向力的代数和(KN)即()y c X u G E K E +==∑0.5(225.4127.54) 1.51182.15⨯+=>1.3(满足规定) (5).挡土墙旳抗倾覆稳定性验算11223344118.68 2.1895.540.9359.53 1.6916.37 1.1387.22 2.588 1.95 1.5124.56 2.67y x l a f G X G X G X G X E Z K E Z ++++⨯=⨯+⨯+⨯+⨯+⨯==>⨯ (6) 基底偏心距与基底应力计算:0118.68 2.1895.540.9359.53 1.6916.37 1.1387.22 2.588124.56 2.67 1.24290.112.588/2 1.240.0540.647()24y n n M M Z N B B e Z m -=⨯+⨯+⨯+⨯+⨯-⨯===-=-=<=∑∑∑满足要求126290.1187.2260.054(1)(1)2.588 2.588164.05800()127.55y G E N M e A W BB KPa σσ++⨯=±=±=±=<∑∑满足要求(7) 墙身截面验算法向应力及偏心距e 验算1-1截面;23 3.61883.21i G A kN γ==⨯=1221118 3.2250.26424.71222cos()24.712cos(035)20.243sin()24.712sin(035)14.174i X i y i E H KK KNE E KN E E KN γαδαδ==⨯⨯⨯==+=⨯+==+=⨯+=1212123.87,59.34,0.21, 1.041.075, 1.444397.3823.870.2159.34 1.0414.174 1.44487.19.i i g g i xi yi i I YI yi i gi yi yi G kN G kN Z m Z mH Z m Z m N G E KN M G Z E Z KN m ========+==+=⨯+⨯+⨯=∑∑20.243 1.07521.76.87.1921.760.67297.38Oi xi xi yi oi ni I ME Z kN M M M Z m N ==⨯=--===∑∑∑∑ 0.720.6720.0482i i ni B e Z m =-=-=<0.35B=0.50(满足规定) 12697.3860.048(1)(1)1.444 1.44480.88800()53.98i N e B B KPa σσ⨯=±=±=<∑满足要求2-2截面:23 3.61883.21i G A kN γ==⨯=1221118 6.450.26498.84722cos()98.847cos(035)80.97sin()98.847sin(035)56.7i X i y i E H KK KN E E KNE E KNγαδαδ==⨯⨯⨯==+=⨯+==+=⨯+=12121118.68,95.54,1.688,0.8582.15, 2.0883270.92118.68 1.68895.540.85856.7 2.088400.69.i i g g i xi yi i I YI yi i gi yi yi G kN G kN Z m Z mH Z m Z m N G E KN M G Z E Z KN m ========+==+=⨯+⨯+⨯=∑∑80.97 2.15174.08.400.69174.080.836270.92Oi xi xi yi oi ni I ME Z kN M M M Z m N ==⨯=--===∑∑∑∑ 1.0440.8360.2082i i ni B e Z m =-=-=<0.35B=0.50(满足规定)126270.9260.208(1)(1)2.088 2.088215.56800()52.2i N e B B KPa σσ⨯=±=±=<∑满足要求(8),剪应力验算水平方向剪切验算1-1截面剪切面上水平剪力等于1-1截面以上墙身折受水平土压力,则:120.24314.021601.444ixi i i T E kpa kpa B B τ====<∑∑ 2-2截面剪切面上水平剪力等于2-2截面以上墙身折受水平土压力,则:180.9738.781602.088i xi i i T E kpa kpa B B τ====<∑∑第二层 0 5.223/1.93 3.4418q h m r ⨯=== (2)破裂角θ与土压力旳计算()()2t 000353570700.639632.6cos()cos(32.635)()(32.60)sin()sin(32.635)0.264 1.9812A g tg tg tg KK tg tg tg tg E H K ψαδϕθψθθϕθαθϕγ=-==++=++==-+=-+==++=+=+++===01=2主动土压力系数3主动土压力E2h K 1+H()120111870.264 1.98230.522cos()230.53cos(035)188.83sin()230.53sin(035)132.224 2.91333.14X y y x K E E E E h H Z K Z mαδαδ=⨯⨯⨯⨯==+=⨯+==+=⨯+==+==y土压力作用点位置Z(4) 挡土旳抗滑稳定性验算yc Xyu N E K E N G E +=→=+∑∑∑其中N 作用于基底竖向力的代数和(KN)即()y c X u G E K E +==∑0.6(478.048132.22) 1.51188.83⨯+=>1.3(满足规定) (5).挡土墙旳抗倾覆稳定性验算112233199.64 2.4488.412 1.3357.77 1.5132.22 3.14 2.0 1.5188.83 2.91y x l a f G X G X G X E Z K E Z ++++⨯=⨯+⨯+⨯+⨯==>⨯(6) 基底偏心距与基底应力计算:0199.64 2.4488.412 1.3357.77 1.5132.22 3.14188.83 2.910.913478.048132.223.14/20.9130.6570.785()24y nn M M Z N B B e Z m -=⨯+⨯+⨯+⨯-⨯==+=-=-=<=∑∑∑满足要求126478.048132.2260.657(1)(1)3.14 3.14438.35800()49.6380y G E N M e A W B B KPa KPaσσ++⨯=±=±=±<=->-∑∑满足要求(7) 墙身截面验算法向应力及偏心距e 验算1-1截面;23 5.27121.21i G A kN γ==⨯=1221118 3.10.264 1.9845.2122cos()45.21cos(035)37sin()45.21sin(035)25.9i X i y i E H KK KN E E KNE E KNγαδαδ==⨯⨯⨯⨯==+=⨯+==+=⨯+=1212199.8,21.39,1.32,0.4131.033,2.023147.1199.8 1.3221.390.41325.9 2.02192.88.i i g g i xi yi i I YI yi i gi yi yi G kN G kN Z m Z mH Z m Z m N G E KN M G Z E Z KN m ========+==+=⨯+⨯+⨯=∑∑37 1.03338.22.192.8838.22 1.05147.11Oi xi xi yi oi ni I ME Z kN M M M Z m N ==⨯=--===∑∑∑∑ 1.01 1.050.042i i ni B e Z m =-=-=-<0.35B=0.50(满足规定) 126147.1160.04(1)(1)2.02 2.0281.48800()64.17i N e B B KPa σσ⨯=±=±=<∑满足要求2-2截面:2312.524288.05i G A kN γ==⨯=1221118 6.20.264 1.98180.8422cos()180.84cos(035)148.14sin()180.84sin(035)103.72i X i y i E H KK KN E E KNE E KNγαδαδ==⨯⨯⨯⨯==+=⨯+==+=⨯+=12121199.64,88.42,1.94,0.832.06, 2.643391.77199.64 1.9488.420.83103.72 2.64734.50.i i g g i xi yi i I YI yi i gi yi yi G kN G kN Z m Z mH Z m Z m N G E KN M G Z E Z KN m========+==+=⨯+⨯+⨯=∑∑148.14 2.06305.17.734.50305.17 1.096391.77Oi xi xi yi oi ni I ME Z kN M M M Z m N ==⨯=--===∑∑∑∑ 1.32 1.0960.2242i i ni B e Z m =-=-=<0.35B=0.924(满足规定) 126391.7760.224(1)(1)2.64 2.64223.9800()72.8i N e B B KPa σσ⨯=±=±=<∑满足要求(8),剪应力验算水平方向剪切验算1-1截面剪切面上水平剪力等于1-1截面以上墙身折受水平土压力,则: 13718.31602.02ixi i i T E kpa kpa B B τ====<∑∑ 2-2截面剪切面上水平剪力等于2-2截面以上墙身折受水平土压力,则: 1148.1456.11602.64ixi i i T E kpa kpa B B τ====<∑∑ 验算成果满足规定.桩号0+060,截面尺寸如图所示,12128,0.8, 2.088, 2.788,0.5,1,0.558s h m b m b m b m b m h m h m =======墙面坡度1:0.2,墙底与地基旳交角0.2:1,基地摩擦系数f=0.5(1)汽车荷载当量换算L B=Nb+(N-1)d=4 3.5+30.5=15.5m 4550h 0.531815.515NQ m BL γ汽车前后轮总距(2)破裂角 与土压力旳计算()()12t 000353570700.639632.6cos()cos(32.635)()(32.60)sin()sin(32.635)0.264112A g tg tg tg KK tg tg tg tg E H KK ψαδϕθψθθϕθαθϕγ=-==++=++==-=-+==++=+=+++====01=2主动土压力系数3主动土压力E2h K 1+H()20111880.264152.0642cos()152.064cos(035)124.56sin()152.064sin(035)87.224 2.6733X y y E E E E h H Z K αδαδ⨯⨯⨯==+=⨯+==+=⨯+==+=y土压力作用点位置Z(3)挡土墙自重G1234()23(5.16 4.154 2.5880.712)290.11()G A A A A A KN γγ==+++=⨯+++=12342.19,0.93, 1.69, 1.13X m X m X m X m ====1234118.68,95.45,59.53,16.37G KN G KN G KN G KN ====(4) 挡土旳抗滑稳定性验算 yc Xy u N E K E N G E +=→=+∑∑∑其中N 作用于基底竖向力的代数和(KN)即()cos sin cos ()sin y X c X y u G E E K E G E αααα++==-+∑0.5((290.1187.22)cos11.3124.56sin11.3)2.04124.56cos11.3(290.1187.22)sin11.3⨯+⨯+⨯=⨯-+⨯>1.3(满足规定)(5).挡土墙旳抗倾覆稳定性验算11223344118.68 2.1895.540.9359.53 1.6916.37 1.1387.22 2.5881.95 1.5124.56 2.67y xl a fG X G X G X G X E Z K E Z ++++⨯=⨯+⨯+⨯+⨯+⨯==>⨯(6) 基底偏心距与基底应力计算:118.68 2.1895.540.9359.53 1.6916.37 1.1387.22 2.588124.56 2.67290.111.242.588/2 1.240.0540.647()24yn n M MZ NB Be Z m -=⨯+⨯+⨯+⨯+⨯-⨯===-=-=<=∑∑∑满足要求126290.1187.2260.054(1)(1)2.588 2.588164.05800()127.55y G E N M e A W B B KPa σσ++⨯=±=±=±=<∑∑满足要求(7) 墙身截面验算法向应力及偏心距e 验算 1-1截面;23 3.61883.21i G A kN γ==⨯=1221118 3.2250.26424.71222cos()24.712cos(035)20.243sin()24.712sin(035)14.174i X i y i E H KK KNE E KNE E KNγαδαδ==⨯⨯⨯==+=⨯+==+=⨯+=1212123.87,59.34,0.21, 1.041.075, 1.444397.3823.870.2159.34 1.0414.174 1.44487.19.i i g g ixi yi i I YI yii gi yi yi G kN G kN Z m Z m H Z m Z m N G E KN MG Z E Z KN m========+==+=⨯+⨯+⨯=∑∑20.243 1.07521.76.87.1921.760.67297.38Oixi xi yioiniIME Z kN MM M Z mN==⨯=--===∑∑∑∑ 0.720.6720.0482ii ni B e Z m =-=-=<0.35B=0.50(满足规定) 12697.3860.048(1)(1)1.444 1.44480.88800()53.98i N e B B KPa σσ⨯=±=±=<∑满足要求2-2截面:239.314214.2i G A kN γ==⨯=1221118 6.450.26498.84722cos()98.847cos(035)80.97sin()98.847sin(035)56.7i X i y i E H KK KNE E KNE E KNγαδαδ==⨯⨯⨯==+=⨯+==+=⨯+=12121118.68,95.54,1.688,0.8582.15, 2.0883270.92118.68 1.68895.540.85856.7 2.088400.69.i i g g ixi yi i I YI yii gi yi yi G kN G kN Z m Z m H Z m Z m N G E KN MG Z E Z KN m========+==+=⨯+⨯+⨯=∑∑80.97 2.15174.08.400.69174.080.836270.92Oixi xi yioini IME Z kN MM M Z mN==⨯=--===∑∑∑∑ 1.0440.8360.2082ii ni B e Z m =-=-=<0.35B=0.50(满足规定) 126270.9260.208(1)(1)2.088 2.088215.56800()52.2i N e B B KPa σσ⨯=±=±=<∑满足要求(8),剪应力验算 水平方向剪切验算1-1截面剪切面上水平剪力等于1-1截面以上墙身折受水平土压力,则:120.24314.021601.444ixiiiT Ekpa kpa B B τ====<∑∑2-2截面剪切面上水平剪力等于2-2截面以上墙身折受水平土压力,则:180.9738.781602.088ixiiiT Ekpa kpa B B τ====<∑∑ 验算成果满足规定.0.264K0桩号K0+080(1)求破裂角及系数K 由上可知=32.6,θθ2002411118250.26459.4/223548.7/3534.1//31.6710.742332.2/20.542346/0.6 1.52320.7/10.4 1.523 6.9/20.32/30.70.47X Y Y H K KN mE E COS KN m E E SIN KN mZ H mKN m G KN m KN mG KN m X 13(2)稳定性验算E= G G γ2341.250.751.0m X m X m Xm/0///(32.24620.76.934.1)11.348.711.3146.7/20.3/4.3 1.31.8 1.5X X Y N N COS E SIN COS SIN KN mT E COS NSIN KN mN TM M c 0抗滑移验算:K 满足要求抗倾覆验算:K 满足要求ααααμ00////////1////2/// 1.5/11.3 1.530.54/20.225/50.316(1)180.56(1)11.3YN N B COS COS mM M Z m Ne B Z m B m N e Kpa BBN e KpaBB/(3)基底应力及合力偏心距验算B 满足要求满足要求ασσσσ1212210.352238.05/20.522323/20.350.2330.350.250.6111840.2649.5/229.3/1.9//30.67238.051.932.95/X Y yi iyiyi i Gi yi y G KN mG KN mX m X m E H K KN mE KN m E KN m Z H m N G E KN m M G Z E Z (4)墙身截面验算截面:ΙΙγ8.050.23230.61.90.8517.39.30.673.44ioixi xiKNM E Z KN1217.3 3.440.432.950.85/20.40.0250.30.255632.9560.025(1)(1)45.60.850.85632.9560.025(1)(1)31.90.850.859.yioiNi iiNi iiaii ia i ii iiM M Z m N e Bi Z B m N e Kpa B B N e KpaB B T B 满足要求剪切力验算:σσσστ310.90.85Kpa 满足要求τ121210.742332.2/20.542346/20.70.4730.70.250.95G KN m G KN m X m X m 截面:ΠΠ21118160.26438/2237.3/7.4//31.33X Y yE H K KN mE KN m E KN m Z H mγ85.6/67.849.60.3i i yiyi i Gi yi yi oi xi xi yioiNiiN G E KN m M G Z E Z KNM E Z KN M M Z m N 120.85/20.40.30.30.366(1)178.36(1)35.737.331.11.2iNi iiaii ia i iiiie Bi Z B mN e Kpa B B N e KpaB B T Kpa B 满足要求剪切力验算:满足要求综上所述,该挡土墙设计满足要求。
地下室外墙计算书(纯手算)地下室外墙计算书(纯手算)一:设计要求1.1 墙体高度:5米1.2 墙体长度:20米1.3 墙体厚度:0.5米1.4 墙体材料:砖混结构二:风载荷计算2.1 风压标准值:0.8kN/m²2.2 风压高度变化系数:0.852.3 风荷载计算公式:F = 0.5 × C × P × A其中,F为风荷载,C为风压高度变化系数,P为风压标准值,A为墙体面积三:水压力计算3.1 地下水位高度:2.5米3.2 地下水压力计算公式:P = γ × H × A其中,P为水压力,γ为水的密度,H为水位高度,A为墙体面积四:自重计算4.1 砖的单位体积重量:20kN/m³4.2 混凝土的单位体积重量:25kN/m³4.3 墙体自重计算公式:G = A × [(t1 × γ1) + (t2 × γ2)]其中,G为墙体自重,A为墙体面积,t1、t2分别为砖和混凝土的厚度,γ1、γ2分别为砖和混凝土的单位体积重量附录:计算表格、技术图纸法律名词及注释:1. 风载荷:指风力作用在建筑物表面的力量2. 风压标准值:根据地区气象条件和建筑物高度确定的一定值3. 风压高度变化系数:考虑建筑物风压分布随高度变化的系数4. 水压力:指地下水对建筑物墙体施加的力量5. 砖混结构:指由砖和混凝土组成的建筑结构体系6. 自重:指建筑物结构本身所产生的重力地下室外墙计算书(纯手算)一:设计要求1.1 墙体高度:4米1.2 墙体长度:15米1.3 墙体厚度:0.4米1.4 墙体材料:钢筋混凝土结构二:风载荷计算2.1 风压标准值:1.2kN/m²2.2 风压高度变化系数:0.92.3 风荷载计算公式:F = 0.5 × C × P × A其中,F为风荷载,C为风压高度变化系数,P为风压标准值,A为墙体面积三:水压力计算3.1 地下水位高度:3.5米3.2 地下水压力计算公式:P = γ × H × A其中,P为水压力,γ为水的密度,H为水位高度,A为墙体面积四:自重计算4.1 钢筋混凝土的单位体积重量:24kN/m³4.2 墙体自重计算公式:G = A × t × γ其中,G为墙体自重,A为墙体面积,t为墙体厚度,γ为钢筋混凝土的单位体积重量附录:计算表格、技术图纸法律名词及注释:1. 风载荷:指风力作用在建筑物表面的力量2. 风压标准值:根据地区气象条件和建筑物高度确定的一定值3. 风压高度变化系数:考虑建筑物风压分布随高度变化的系数4. 水压力:指地下水对建筑物墙体施加的力量5. 钢筋混凝土结构:指由钢筋和混凝土组成的建筑结构体系6. 自重:指建筑物结构本身所产生的重力。
DQ1地 下 室 侧 壁 计 算 书 条件:1、土质参数:容重γ=18kN/mm γ` = 11kN/mm Ko=0.50,地下水头高度H1=3300mm ;(在负一层)2、地下室参数:覆土层厚Lo=800mm ,地下一层层高L1=3700mm ,地下二层层高L2=3300mm ,地下三层层高L3=3300mm ;地面堆载p=10kN/mm d1=300mm ;地下二层d2=350mm ;地下三层d3=400mm ;临水面保护层为50mm ;3、材料参数:混凝土强度等级为C30,fc=14.3 N/mmfy=360N/mm计算:1、荷载计算,土压力按静止土压力计算 [《全国民用建筑工程设计技术措施》2.6.2] 堆载折算为土压力 q1=Ko ×p=0.50×10=5.00kN/mm地下水位以上土压力 q2=Ko ×γ×H1=0.50×18×3300×10=29.70kN/mm 地下水位以下土压力 q3=Ko ×γ`×H2=0.50×11×7800×10=42.90kN/mm 水压力 q4=γw ×H2=10×7800×10=78.00kN/mm qD=q1+Ko ×γ×Lo=12.20kN/mmqC=q1+q2+(Ko ×γ` +10)×(L1+Lo-H1)=53.30kN/mmqB=q1+q2+(Ko ×γ` +10)×(L2+L1+Lo-H1)=104.45kN/mmqA=q1+q2+q3+q4=155.60kN/mm2、弯距计算,按多跨梁弯距分配法支座弯距调幅计算, 顶点按铰支座,其余按固支座,按静力计算手册计算 Mdc=0;Mcd=1.2×(7×qD+8×qC)×L1/120=70.07 kN.mMcb=1.2×qC ×L2/12+1.2×(qB-qC)×L2/30=80.32 kN.m Mbc=1.2×qC ×L2/12+1.2×(qB-qC)×L2/20=91.47 kN.m Mba=1.2×qB ×L3/12+1.2×(qA-qB)×L3/30=136.03 kN.m Mab=1.2×qB ×L3/12+1.2×(qA-qB)×L3/20=147.17 kN.m 弯距分配:D 点: C 点: B 点: A 点:截面: 1000×300 1000×350 1000×400 线刚度i=I/L : 0.61×10 1.08×10 1.62×10 分配系数μ: 0.30;0.70; 0.40;0.60 0 固端弯距: -70.07;+80.32; -91.47;+136.03; -147.17 开始分配: -3.04;-7.22 -17.88;-26.69 0 0;-8.94; -3.61;0 -13.34 +3.59;+6.29; +1.45;+2.16 0 0;+0.72; +3.14;0 +1.08 -0.21;-0.51; -1.26;-1.88 0 0;-0.63; -0.25;0 -0.94 支座弯距: ∑=-69.73;∑=70.04 ∑=-109.87;∑=109.62 ∑=-160.37简化为 Mc=70kN.m Mb=110kN.m Ma=160kN.m 支座调幅后 Mc=70kN.m Mb=110kN.m Ma=160kN.m 根据规范公式7.1.4: ξb=0.8÷{1+360÷[20000×(0.0033-<10-50>×10)]}=0.5382 根据规范公式7.2.1-1:受压区高度x=ho-(ho -2*M/α1/fc/b)xc=250-( 250- 2×56×10/1.0/14.3/1000)=16.80mm<ξb ×ho=134.55mm xb=300-( 300- 2×88×10/1.0/14.3/1000)=18.78mm<ξb ×ho=161.45mm xa=350-( 350- 2×128×10/1.0/14.3/1000)=26.61mm<ξb ×ho=188.36mm 根据规范公式7.2.1-2:纵向受拉钢筋 As=α1×fc ×b ×x/fyAsc=1×14.3×1000×16.80/360=667mm Asb=1×14.3×1000×18.78/360=746mm Asa=1×14.3×1000×26.61/360=1,057mm3、裂缝计算:弯距标准值: Mc=70/1.2=58kN.m Mb=110/1.2=91kN.m Ma=160/1.2=134kN.m 14@110钢筋面积As1=1,399mm 16@100钢筋面积As2=2,011mm 16@80钢筋面积As3=2,513mm 带肋钢筋的相对粘结特性系数 υ = 1.0 矩形截面受弯构件,构件受力特征系数 αcr = 2.1 对矩形截面的受弯构件:Ate=0.5×b ×h负一层: Ate1=0.5×1000×300=150000mm 负二层: Ate2=0.5×1000×350=175000mm 负三层: Ate3=0.5×1000×400=200000mm负一层: ρte1=As1/Ate1=1399.43554545455/150000=0.0093 负二层: ρte2=As2/Ate2=2010.6176/175000=0.0115 负三层: ρte3=As3/Ate3=2513.272/200000=0.0126 在最大裂缝宽度计算中,当ρte <0.01 时,取ρte = 0.01 纵向受拉钢筋的等效应力σsk=Mk/(0.87×ho ×As)负一层: σsk1=58×10/(0.87×250×1,399)=192N/mm 负二层: σsk2=91×10/(0.87×300×2,011)=174N/mm 负三层: σsk3=134×10/(0.87×350×2,513)=175N/mm 钢筋应变不均匀系数 ψ=1.1-0.65×ftk/ρte/σsk负一层: ψ1=1.1-0.65×2.01/0.01/192/=0.4187 负二层: ψ2=1.1-0.65×2.01/0.01/174/=0.4468 负三层: ψ3=1.1-0.65×2.01/0.01/175/=0.5046最大裂缝宽度 ωmax=αcr ×ψ×σsk ×(1.9×c+0.08×deq/ρte)/Es负一层:ωmax1=2.1×0.4187×192×(1.9×50+0.08×14/0.01)/200000=0.17mm 负二层:ωmax2=2.1×0.4468×174×(1.9×50+0.08×16/0.01)/200000=0.17mm 负三层:ωmax3=2.1×0.5046×175×(1.9×50+0.08×16/0.01)/200000=0.18mmDQ2地 下 室 侧 壁 计 算 书条件:1、土质参数:容重γ=18kN/mm γ` = 11kN/mm K=0.50,地下水位设防高度为=3300mm ;2、地下室参数:覆土层厚h1=0mm ,地下室侧墙计算跨度Lo=3300mm ,临水面保护层为50mm ; 地面堆载q=20kN/mm d=400mm ,截面有效高度ho=350mm3、材料参数:混凝土强度等级为C30,fc=14.3 N/mm 拉强度为fy=360N/mm 计算:1、荷载计算,土压力按静止土压力计算 [《全国民用建筑工程设计技术措施》2.6.2] 堆载折算为土压力 q1=K ×q=0.50×20=10.00kN/mm地下水位以上土压力 q2=K ×γ×(h1+h2)=0.50×18×(0.00+0.00)=0.00kN/mm 地下水位以下土压力 q3=K ×γ`×h3=0.50×11×3.3=18.15kN/mm 水压力 q4=γw ×h3=10×3.3=33.00kN/mm2、支座弯距计算,按单向板底端固定顶端简支计算,查静力计算手册 m1=q1×Lo /8=10.00× 3.3/8=13.61kN.m m2=q2×Lo /15=0.00× 3.3/15=0.00kN.m m3=q1×Lo /15=18.15× 3.3/15=13.18kN.m m4=q1×Lo /8=33.00× 3.3/15=23.96kN.m3、强度计算:土压力及水压力均按恒载考虑,[《全国民用建筑工程设计技术措施》2.6.2],按支座调幅计算 m=1.00×1.35×(m1+m2+m3+m4)=68.51kN.mξb=0.8÷{1+360÷[20000×(0.0033-<30-50>×0.00001)]}=0.5283 《砼》规公式7.1.4x=ho-√(ho -2×m/α1/fc/b)=350-√(350-2×68.51×1000000/1/14.3/1000) 《砼》规公式7.2.1-1 =13.97mm<ξb ×ho=184.91mmAs=α1×fc ×b ×x/fy 《砼》规公式7.2.1-2 =1×14.3×1000×13.97/360=555mm 4、裂缝计算:弯距标准组合Mk=m1+m2+m3+m4=13.61+0.00+13.18+23.96=50.75kN.m 14@150钢筋面积As=1,026mm 带肋钢筋的相对粘结特性系数 υ = 1.0 矩形截面受弯构件,构件受力特征系数 αcr = 2.1对矩形截面的受弯构件:Ate=0.5×b ×h=0.5×1000×350=200000mm ρte=As/Ate=1,026/200000=0.0051在最大裂缝宽度计算中,当ρte <0.01 时,取ρte = 0.01 纵向受拉钢筋的等效应力σsk=Mk/(0.87×ho ×As)=51×1000000/(0.87×350×1,026)=162 N/mm 钢筋应变不均匀系数 ψ=1.1-0.65×ftk/ρte/σsk=1.1-0.65×2.01/0.01/162/=0.2955最大裂缝宽度 ωmax=αcr ×ψ×σsk ×(1.9×c+0.08×deq/ρte)/Es=2.1×0.2955×162×(1.9×50+0.08×14/0.01)/200000=0.1043mmDQ3地 下 室 侧 壁 计 算 书 条件:1、土质参数:容重γ=18kN/mm γ` = 11kN/mm Ko=0.50,设防水位标高H3=-4.3mm ;(在负一层)2、地下室参数:覆土层厚h1=1.10mm ,地下一层层高L1=3.70mm ,地下二层层高L2=3.30mm ; 地面堆载p=10kN/mm d1=300mm ;地下二层d2=350mm ; 临水面保护层为50mm ;3、材料参数:混凝土强度等级为C30,fc=14.3 N/mmfy=360N/mm计算:1、荷载计算,土压力按静止土压力计算 [《全国民用建筑工程设计技术措施》2.6.2] 堆载折算为土压力 q1=Ko ×p=0.50×10=5.00kN/mm地下水位以上土压力 q2=Ko ×γ×(h1+h2)=0.50×18×4.3=38.70kN/mm 地下水位以下土压力 q3=Ko ×γ`×(h3 + h4)=0.50×11×3.8=20.90kN/mm 水压力 q4=γw ×(h3 + h4)=10×3.8=38.00kN/mm qC=q1+Ko ×γ×h1=14.90kN/mmqB=q1+q2+ko ×γ`×h3+γw ×h3=51.45kN/mmqA=q1+q2+q3+q4=102.60kN/mm2、弯距计算,按多跨梁弯距分配法支座弯距调幅计算, 顶点按铰支座,其余按固支座,按静力计算手册计算 Mcb=0;Mbc=1.35×(7×qC+8×qB)×L1/120=79.46 kN.m Mba=1.35×qB ×L2/12=63.03 kN.mMab=1.35×(qA-qB)×L2/20+Mba=100.63 kN.m 弯距分配:C 点: B 点: A 点: 截面: 1000×300 1000×350 线刚度i=I/L : 608.111,082.70分配系数μ: 0.36;0.64; 0 固端弯距: -79.46;+63.03; -100.63 开始分配: --5.91;--10.52 0 0;0 --5.26 支座弯距: ∑=-73.55;∑=73.55 ∑=-95.37 3、强度计算:支座调幅后mb=1.00×73.55=73.55 kN.m ;ma=1.00×95.37=95.37 kN.m根据规范公式7.1.4: ξb=β÷{1+360÷[20000×(0.0033-<30-50>×100000)]}=0.5283 根据规范公式7.2.1-1:受压区高度x=ho-√(ho -2*M/α1/fc/b)x1=250-√( 250- 2×74×1000000/1.0/14.3/1000)=21.50mm<ξb ×ho=132.08mm x2=300-√( 300- 2×95×1000000/1.0/14.3/1000)=23.12mm<ξb ×ho=158.49mm 根据规范公式7.2.1-2:纵向受拉钢筋 As=α1×fc ×b ×x/fy As1=1 ×14.3×1000×21.50/360=854mm As2=1×14.3×1000×23.12/360=918mm 4、裂缝计算:弯距标准值:Mk1=74/1.35=54kN.m ; Mk2=95/1.35=71kN.m 14@120钢筋面积As1=1,283mm 14@110钢筋面积As1=1,399mm 带肋钢筋的相对粘结特性系数 υ = 1.0 矩形截面受弯构件,构件受力特征系数 αcr = 2.1 对矩形截面的受弯构件:Ate=0.5×b ×h负一层: Ate1=0.5×1000×300=150000mm 负二层: Ate2=0.5×1000×350=175000mm 负一层: ρte1=As1/Ate1=1,283/150000=0.0086 负二层: ρte2=As2/Ate2=1,399/175000=0.0080 在最大裂缝宽度计算中,当ρte <0.01 时,取ρte = 0.01 纵向受拉钢筋的等效应力σsk=Mk/(0.87×ho ×As)负一层: σsk1=54×1000000/(0.87×250×1,283)=195N/mm 负二层: σsk2=71×1000000/(0.87×300×1,399)=193N/mm 钢筋应变不均匀系数 ψ=1.1-0.65×ftk/ρte/σsk负一层: ψ1=1.1-0.65×2.01/0.01/195/=0.4309 负二层: ψ2=1.1-0.65×2.01/0.01/193/=0.4245最大裂缝宽度 ωmax=αcr ×ψ×σsk ×(1.9×c+0.08×deq/ρte)/Es负一层:ωmax1=2.1×0.4309×195×(1.9×50+0.08×14/0.01)/200000=0.18mm 负二层:ωmax2=2.1×0.4245×193×(1.9×50+0.08×14/0.01)/200000=0.18mmDQ4地 下 室 侧 壁 计 算 书 条件:1、土质参数:容重γ=18kN/mm γ` = 11kN/mm Ko=0.50,设防水位标高H3=-3.7mm ;(在负一层)2、地下室参数:覆土层厚h1=0.00mm ,地下一层层高L1=3.70mm ,地下二层层高L2=3.30mm ; 地面堆载p=5kN/mm d1=300mm ;地下二层d2=350mm ; 临水面保护层为50mm ;3、材料参数:混凝土强度等级为C30,fc=14.3 N/mmfy=360N/mm计算:1、荷载计算,土压力按静止土压力计算 [《全国民用建筑工程设计技术措施》2.6.2] 堆载折算为土压力 q1=Ko ×p=0.50×5=2.50kN/mm地下水位以上土压力 q2=Ko ×γ×(h1+h2)=0.50×18×3.7=33.30kN/mm 地下水位以下土压力 q3=Ko ×γ`×(h3 + h4)=0.50×11×3.3=18.15kN/mm 水压力 q4=γw ×(h3 + h4)=10×3.3=33.00kN/mm qC=q1+Ko ×γ×h1=2.50kN/mmqB=q1+q2+ko ×γ`×h3+γw ×h3=35.80kN/mmqA=q1+q2+q3+q4=86.95kN/mm2、弯距计算,按多跨梁弯距分配法支座弯距调幅计算, 顶点按铰支座,其余按固支座,按静力计算手册计算 Mcb=0;Mbc=1.35×(7×qC+8×qB)×L1/120=46.80 kN.m Mba=1.35×qB ×L2/12=43.86 kN.mMab=1.35×(qA-qB)×L2/20+Mba=81.46 kN.m 弯距分配:C 点: B 点: A 点: 截面: 1000×300 1000×350 线刚度i=I/L : 608.111,082.70分配系数μ: 0.36;0.64; 0 固端弯距: -46.80;+43.86; -81.46 开始分配: --1.06;--1.89 0 0;0 --0.94 支座弯距: ∑=-45.75;∑=45.75 ∑=-80.52 3、强度计算:支座调幅后mb=1.00×45.75=45.75 kN.m ;ma=1.00×80.52=80.52 kN.m根据规范公式7.1.4: ξb=β÷{1+360÷[20000×(0.0033-<30-50>×100000)]}=0.5283 根据规范公式7.2.1-1:受压区高度x=ho-√(ho -2*M/α1/fc/b)x1=250-√( 250- 2×46×1000000/1.0/14.3/1000)=13.14mm<ξb ×ho=132.08mm x2=300-√( 300- 2×81×1000000/1.0/14.3/1000)=19.40mm<ξb ×ho=158.49mm 根据规范公式7.2.1-2:纵向受拉钢筋 As=α1×fc ×b ×x/fy As1=1 ×14.3×1000×13.14/360=522mm As2=1×14.3×1000×19.40/360=770mm 4、裂缝计算:弯距标准值:Mk1=46/1.35=34kN.m ; Mk2=81/1.35=60kN.m 14@200钢筋面积As1=770mm 14@110钢筋面积As1=1,399mm 带肋钢筋的相对粘结特性系数 υ = 1.0 矩形截面受弯构件,构件受力特征系数 αcr = 2.1 对矩形截面的受弯构件:Ate=0.5×b ×h负一层: Ate1=0.5×1000×300=150000mm 负二层: Ate2=0.5×1000×350=175000mm 负一层: ρte1=As1/Ate1=770/150000=0.0051 负二层: ρte2=As2/Ate2=1,399/175000=0.0080 在最大裂缝宽度计算中,当ρte <0.01 时,取ρte = 0.01 纵向受拉钢筋的等效应力σsk=Mk/(0.87×ho ×As)负一层: σsk1=34×1000000/(0.87×250×770)=202N/mm 负二层: σsk2=60×1000000/(0.87×300×1,399)=163N/mm 钢筋应变不均匀系数 ψ=1.1-0.65×ftk/ρte/σsk负一层: ψ1=1.1-0.65×2.01/0.01/202/=0.4545 负二层: ψ2=1.1-0.65×2.01/0.01/163/=0.2999最大裂缝宽度 ωmax=αcr ×ψ×σsk ×(1.9×c+0.08×deq/ρte)/Es负一层:ωmax1=2.1×0.4545×202×(1.9×50+0.08×14/0.01)/200000=0.20mm 负二层:ωmax2=2.1×0.2999×163×(1.9×50+0.08×14/0.01)/200000=0.11mmDQ5地下室侧壁计算书条件:1、土质参数:容重γ=18kN/mmγ` = 11kN/mm K=0.50,地下水位设防高度为=2300mm;2、地下室参数:覆土层厚h1=800mm,地下室侧墙计算跨度Lo=3700mm,临水面保护层为50mm;地面堆载q=20kN/mm d=300mm,截面有效高度ho=250mm3、材料参数:混凝土强度等级为C30,fc=14.3 N/mm fy=360N/mm计算:1、荷载计算,土压力按静止土压力计算[《全国民用建筑工程设计技术措施》2.6.2]堆载折算为土压力q1=K×q=0.50×20=10.00kN/mm地下水位以上土压力q2=K×γ×(h1+h2)=0.50×18×(0.80+1.40)=19.80kN/mm地下水位以下土压力q3=K×γ`×h3=0.50×11×2.3=12.65kN/mm水压力q4=γw×h3=10×2.3=23.00kN/mm2、支座弯距计算,按单向板底端固定顶端简支计算,查静力计算手册m1=q1×Lo/8=10.00×3.7/8=17.11kN.mm2=q2×Lo/15=19.80×3.7/15=18.07kN.mm3=q1×Lo/15=12.65×3.7/15=11.55kN.mm4=q1×Lo/8=23.00×3.7/15=20.99kN.m3、强度计算:土压力及水压力均按恒载考虑,[《全国民用建筑工程设计技术措施》2.6.2],按支座调幅计算m=1.00×1.35×(m1+m2+m3+m4)=91.42kN.mξb=0.8÷{1+360÷[20000×(0.0033-<30-50>×0.00001)]}=0.5283 《砼》规公式7.1.4x=ho-√(ho-2×m/α1/fc/b)=250-√(250-2×91.42×1000000/1/14.3/1000) 《砼》规公式7.2.1-1=27.03mm<ξb×ho=132.08mmAs=α1×fc×b×x/fy 《砼》规公式7.2.1-2=1×14.3×1000×27.03/360=1,074mm4、裂缝计算:弯距标准组合Mk=m1+m2+m3+m4=17.11+18.07+11.55+20.99=67.72kN.m14@100钢筋面积As=1,539mm带肋钢筋的相对粘结特性系数υ=1.0矩形截面受弯构件,构件受力特征系数αcr =2.1对矩形截面的受弯构件:Ate=0.5×b×h=0.5×1000×250=150000mmρte=As/Ate=1,539/150000=0.0103纵向受拉钢筋的等效应力σsk=Mk/(0.87×ho×As)=68×1000000/(0.87×250×1,539)=202 N/mm钢筋应变不均匀系数ψ=1.1-0.65×ftk/ρte/σsk=1.1-0.65×2.01/0.01/202/=0.4706最大裂缝宽度ωmax=αcr×ψ×σsk×(1.9×c+0.08×deq/ρte)/Es=2.1×0.4706×202×(1.9×50+0.08×14/0.01)/200000=0.2040mm。
钢筋砼地下室挡土墙计算书示例10、20kN/m2地面活荷载钢筋砼地下室挡土墙计算书(单层、墙顶高出室外地面)1计算简图如下图所示,取1米墙宽,按下端固定,上端铰接计算。
(1)几何信息:地下室层高 H=5400mm室内外高差 H1=600mm墙挡土高度 H2=4800mm墙厚 h=350mm(2)荷载信息:土侧压力系数K0=0.5(仅用于配筋计算,该系数已综合考虑土压力和地面活荷载分项系数) K1=0.4(仅用于裂缝计算,该系数不考虑土压力和地面活荷载分项系数)土重度γ=20 kN/m3土产生的侧压力g=γ·H2·K0=48 kN/m地面均布活荷载取q0=20 kN/m2地面活荷载产生的侧压力q=q0·K0=10 kN/m(3)材料信息混凝土强度等级:C40 f tk= 2.39N/mm2f t= 1.71N/mm2f c=19.1N/mm2受力钢筋等级:HRB335 f y=300N/mm2ξb=0.55Es=200000N/mm2受力钢筋保护层厚度及a s:室外竖向钢筋: c=40mm a s=50mm室内竖向钢筋: c=25mm a s=35mm2内力计算:Ⅰ室外墙底截面(B点)(1)土压力g作用下:18.71kN83.29kN ·m(2)地面活荷载产生的侧压力q作用下:(3)ⅡR A=R Ag+R Aq=33.46kN剪力零点即C点:2.37m剪力零点处(C点)的土侧压力值17.73 kN/m跨中最大弯矩 54.39kN ·m3承载能力极限状态计算:按单筋矩形截面梁计算!计算过程见下表:4正常使用极限状态计算:(1)裂缝计算:(2)挠度计算:地下室外墙一般较厚,其计算模型作为单向板,跨高比H/h=12~14,其挠度计算值一般较小,不起控制作用!。
挡土墙计算书按单向板(取1m宽)计算:q1静止土压力K0=0.5室外填土取1.5m厚室外活荷载取35 KN/m2折算土层厚度35/22=1.59m设计荷载:分项系数取:1.35q1=1.35K0γh=1.35×0.5×22×3.09=46.0 KN/mq2=1.35K0γh=1.35×0.5×22×(4.5+3.09)=113.0KN/m静力计算:q0= q2- q1=113.0-46.0=67.0KN/mR A=(11 q1+ 4q2)L/40=108.0 KNM B= -(7q1+ 8q2)L2/120=-207.0 KN·mM x= R A X-q1X2/2-q0X3/6L当X0=(γ-μ)L/(1-μ),式中μ= q1/ q2=0.407,γ=0.646,所以X0=1.81 mM max= R A X0-q1 X02/2-q0 X03/6L=105 KN·m调幅15%后得弯矩设M1=85% M max =89.0 KN.mM2=85%M B =176.0 KN.m板300mm厚,C50,fy=300,a=251.由弯矩设计值M1求配筋面积As:1.1 基本资料1.1.1 工程名称:M11.1.2 混凝土强度等级为C50,fc =23.1N/mm ,ft =1.89N/mm1.1.3 钢筋抗拉强度设计值fy =300N/mm ,Es =200000N/mm ;纵筋的混凝土保护层厚度 c =30mm所以as=c+a/2=42.5mm1.1.4 由弯矩设计值M 求配筋面积As,弯矩设计值M =89.0 kN·m1.1.5 截面尺寸b×h =1000×300,ho =h -as =300-42.5 =257.5mm 1.2 计算结果1.2.1 相对界限受压区高度ξb =β1 / [1 + fy / (Es ×εcu)]=0.8/[1+300/(200000×0.0033)] =0.5501.2.2 混凝土受压区高度x =ho -=257.5=15.4mm1.2.3 相对受压区高度ξ =x / ho =15.4/257.5 =0.060 ≤ξb =0.5501.2.4 纵筋受拉钢筋面积As =α1 ×fc×b ×x / fy=1×23.1×1000×15.4/300 =1186mm1.2.5 配筋率ρ =As / (b * ho) =1186/(1000*257.5) =0.46%纵筋的最小配筋率ρmin =Max{0.20%, 0.45ft/fy} =Max{0.20%, 0.28%} =0.28%配Ф14@125(1232mm ).裂缝宽度验算:1.1 基本资料1.1.1 工程名称:M11.1.2 矩形截面受弯构件构件受力特征系数αcr = 2.1 截面尺寸b×h =1000×300mm1.1.3 纵筋根数、直径:第1 种:8Φ14受拉区纵向钢筋的等效直径deq =∑(ni ×di2) / ∑(ni ×υ×di) =14mm 带肋钢筋的相对粘结特性系数υ =11.1.4 受拉纵筋面积As =1230mm 钢筋弹性模量Es =200000N/mm 1.1.5 最外层纵向受拉钢筋外边缘至受拉区底边的距离c =30mm纵向受拉钢筋合力点至截面近边的距离as =37mm ho =263mm1.1.6 混凝土轴心抗拉强度标准值ftk =2.64N/mm1.1.7 按荷载效应的标准组合计算的弯矩值Mk =78.0kN·m1.1.8 设计时执行的规范:《混凝土结构设计规范》(GB 50010-2002),以下简称混凝土规范1.2 最大裂缝宽度验算1.2.1 按有效受拉混凝土截面面积计算的纵向受拉钢筋配筋率ρte,按下式计算:ρte =As / Ate (混凝土规范式8.1.2-4)对矩形截面的受弯构件:Ate =0.5 ×b ×h =0.5×1000×300 =150000mmρte =As / Ate =1230/150000 =0.0082在最大裂缝宽度计算中,当ρte <0.01 时,取ρte =0.011.2.2 按荷载效应的标准组合计算的纵向受拉钢筋的等效应力σsk,按下列公式计算:受弯:σsk =Mk / (0.87 ×ho ×As) (混凝土规范式8.1.3-3)σsk =78000000/(0.87×263×1230) =277.0 N/mm1.2.3 裂缝间纵向受拉钢筋应变不均匀系数ψ,按混凝土规范式8.1.2-2 计算:ψ =1.1 - 0.65×ftk / (ρte×σsk) =1.1-0.65×2.64/(0.01×277) =0.4811.2.4 最大裂缝宽度ωmax,按混凝土规范式8.1.2-1 计算:ωmax =αcr ×ψ×σsk ×(1.9×c + 0.08 ×deq / ρte ) / Es=2.1×0.481×277×(1.9×30+0.08×14/0.01)/200000=0.236mm ≥ωlim =0.2mm,不满足要。
地下室挡土墙计算书专题范本一:地下室挡土墙计算书专题地下室挡土墙计算书1. 引言1.1 本旨在对地下室挡土墙进行详细计算和设计。
1.2 本适合于各类土木工程师和设计师。
2. 地下室挡土墙的类型2.1 塆砌挡土墙2.2 钢筋混凝土挡土墙2.3 土工合成材料挡土墙3. 地下室挡土墙的计算方法3.1 地下室挡土墙受力分析3.2 挡土墙土压力的计算3.3 挡土墙抗滑稳定性的计算3.4 挡土墙抗倾覆稳定性的计算3.5 挡土墙抗渗性的计算4. 地下室挡土墙的设计4.1 挡土墙的尺寸设计4.2 挡土墙的材料选择4.3 挡土墙的加固措施设计5. 附件5.1 地下室挡土墙设计图纸5.2 挡土墙所需材料清单5.3 相关设计计算表格6. 法律名词及注释6.1《土木工程设计规范》6.2《建设工程安全生产管理条例》6.3《城市建设法》7. 结论7.1 本为地下室挡土墙的计算和设计提供了详细指导。
7.2 按照本进行设计和施工,可确保地下室的安全和稳定。
附件:1. 地下室挡土墙设计图纸2. 挡土墙所需材料清单3. 相关设计计算表格法律名词及注释:1. 《土木工程设计规范》:国家发布的土木工程设计方面的规范文件。
2. 《建设工程安全生产管理条例》:国家发布的建设工程安全生产方面的管理条例。
3. 《城市建设法》:国家发布的城市建设相关法律法规。
范本二:地下室挡土墙计算书专题地下室挡土墙计算书1. 简介1.1 本旨在提供详细的地下室挡土墙计算和设计方法。
1.2 本适合于土木工程师和建造设计师等相关从业人员。
2. 地下室挡土墙的分类2.1 重力式挡土墙2.2 框架式挡土墙2.3 土工格栅挡土墙3. 地下室挡土墙的计算方法3.1 土压力的计算公式及参数 3.2 抗滑稳定性计算3.3 抗倾覆稳定性计算3.4 抗渗性计算4. 地下室挡土墙的设计要点4.1 挡土墙的尺寸设计4.2 挡土墙的材料选择4.3 挡土墙的施工工艺5. 附件清单5.1 地下室挡土墙设计图纸 5.2 挡土墙所需材料清单5.3 挡土墙施工工序计划表6. 相关法律名词及注释6.1 《土木工程设计规范》6.2 《建设工程安全生产管理条例》6.3 《城市建设法》7. 总结7.1 本为地下室挡土墙的计算和设计提供了全面指导。
WQ1计算书条件:1、土质参数:容重γ=18kN/mm,浮容重γ` = 11kN/mm,静止土压力系数K=0.50,地下水位设防高度为4400mm;2、地下室参数:覆土层厚h1=800mm,地下室侧墙计算跨度Lo=3400mm,临水面保护层为50mm;地面堆载q=10kN/mm,侧壁厚度d=285mm,截面有效高度ho=235mm3、材料参数:混凝土强度等级为C35,fc=16.7 N/mm,钢筋抗拉强度为fy=360N/mm;挡土墙荷载工况示意图计算:1、荷载计算,土压力按静止土压力计算[《全国民用建筑工程设计技术措施》2.6.2] 堆载折算为土压力q1=K×q=0.50×10=5.00kN/mm地下水位以上土压力q2=K×γ×h1=0.50×18×0.80=7.20kN/mm地下水位以下土压力q3=K×γ`×(h2 + h3)=0.50×11×(1.00+3.40)=24.20kN/mm水压力q4=γw×(h2 + h3)=10×(1.00+3.40)=44.00kN/mm2、支座弯距计算,按单向板底端固定顶端简支计算,查静力计算手册m1=q1×Lo/8=5.00×3.4/8=7.23kN.mm2=q2×Lo/15=7.20×3.4/15=5.55kN.mm3=q1×Lo/15=24.20×3.4/15=18.65kN.mm4=q1×Lo/8=44.00×3.4/15=33.91kN.m3、强度计算:土压力及水压力均按恒载考虑,[《全国民用建筑工程设计技术措施》2.6.2],按支座调幅0.8计算m=0.8×1.35×(m1+m2+m3+m4)=70.56kN.mξb=0.8÷{1+360÷[20000×(0.0033-<30-50>×0.00001)]}=0.5283 《砼》规公式7.1.4x=ho-√(ho-2×m/α1/fc/b)=235-√(235-2×70.559928×1000000/1/14.3/1000)=22.03mm<ξb×ho=124.15mmAs=α1×fc×b×x/fy=1×14.3×1000×22.03/360=875mm,根部实配12@75,As=1508,承载力满足要求。
DQ1一、计算条件墙高 = mm 墙宽 = mm 按单向板计算墙厚 = mm室外地坪高于板顶:900mm室外超载:10kN/m2回填土容重:18kN/m3侧压系数:墙底土压力标准值:+= kN/m墙外超载等效均布活载标准值:= kN/m恒载控制组合:墙顶设计荷载:qa=墙底设计荷载: qb=墙面均布荷载设计值:q0= kN/m墙面三角形荷载设计值:q1= kN/m墙底弯矩设计值:Mb=−51.03×4.2220−15.835x4.2212=−68.29kN−m墙顶弯矩设计值:Ma=−51.03×4.2230−15.835x4.2212=−53.28kN−m跨中弯矩设计值取墙底1/2:M中= kN-m墙底剪力设计值:Rb=7×51.03×4.220+15.835×4.22=108.27kN墙顶剪力设计值:Ra=3×51.03×4.220+15.835×4.22=65.40kN活载控制组合:墙顶荷载设计值:qa=墙底荷载设计值: qb=墙面均布荷载设计值:q0= kN/m墙面三角形荷载设计值:q1= kN/m墙底弯矩设计值:Mb=−45.36×4.2220−16.72x4.2212=−64.59kN−m墙顶弯矩设计值:Ma=−45.36×4.2230−16.72x4.2212=−52.25kN−m跨中弯矩设计值取墙底1/2:M中墙底剪力设计值:Rb=7×45.36×4.220+16.72×4.22= 101.79kN墙顶剪力设计值:Ra=3×45.36×4.220+16.72×4.22=63.68kN二、承载力验算混凝土强度等级: C35 fc= N/mm2 ft= N/mm2 ftk= N/mm2混凝土保护层:外侧35mm,h0=250-45=205mm;内侧20mm,h0=250-35=215mm钢筋级别 : HRB400 fy=360 N/mm2墙外侧实配钢筋F14100HRB400,As=1540 mm2x=f y A sf c b=360×154016.7×1000= mmM=f c bx(ℎ0−x2)=16.7×1000×33.2×(205−33.22)= kN-m, 墙顶和墙底抗弯承载力满足;墙内侧实配钢筋F14150HRB400,As=1026 mm2x=f y A sf c b=360×102616.7×1000= mmM=f c bx(ℎ0−x2)=16.7×1000×22.1×(215−22.12)= kN-m, 墙内侧抗弯承载力满足;V=0.7f t bℎ0=0.7×1.57×1000×205= kN,墙上下端斜截面承载力满足;三、墙外侧裂缝验算墙外超载准永值系数取墙面均布荷载标准值:q0=+= kN/m墙面三角形荷载设计值:q1= kN/m仅验算墙底部墙底弯矩标准值:Mb=−37.8×4.2220−10.6x4.2212=−48.92kN−mρte=AsA te=15400.5×1000×250=0.0123σsk=M k0.87×h0×A s=48.92×1060.87×205×1540=178 N/mm2φ=1.1−0.65f tkρteσsk=1.1−0.65× 2.20.0123×178=ωmax=αcrφσskE s (1.9c+0.08d eqρte)=2.1×0.447×1872.0×105×(1.9×35+0.08×140.0123)=,满足要求;DQ2一、计算条件墙高 = 见简图mm 墙宽 = mm 按单向板计算墙厚 = mm室外地坪低于板顶:500mm室外超载:10kN/m2回填土容重:18kN/m3侧压系数:墙顶C处土压力标准值:0 kN/m墙底D处土压力标准值:+= kN/m墙外超载等效均布活载标准值:= kN/m恒载控制组合:墙顶C处荷载设计值墙中B处荷载设计值墙底D处荷载设计值: qdAB段墙面均布荷载设计值:q0= kN/m墙面三角形荷载设计值:q1= kN/mβ=28333333⁄=墙中B处弯矩设计值:Mb上=−4.9×2.83328×(2−0.85)2−34.43×2.833224×(4−3×0.85+3×0.8525)=−28.18kN−m墙中b处上端截面剪力设计值:Rb上=4.9×2.8338×(8−4×0.852+0.853)−8×(4−0.852+0.8535)=51.39kNBD段墙面均布荷载设计值:q0= kN/m墙面三角形荷载设计值:q1= kN/m墙底D处弯矩设计值:Md=−22.49×1.852220−39.325x1.852212=−15.10kN−m墙中B处下截面弯矩设计值:Mb下=22.49×1.852230+39.325x1.852212=13.81kN−m墙底D处剪力设计值:Rd=7×22.49×1.85220+39.325×1.8522=50.99kN墙中B处下截面剪力设计值:Rb下=3×22.49×1.85220+39.325×1.8522=42.66kN墙中B处不平衡弯矩需要按上下段刚度分配,μBD=4×0.544×0.54+3×0.33=0.686;μBA=3×0.334×0.54+3×0.33=0.314墙中B处弯矩设计值:Mb=+ kN-m墙底D处弯矩设计:Mc=+ kN-m活载控制组合:墙顶C处荷载设计值:qc= = kN/m墙中B处荷载设计值墙底D处荷载设计值: qd= = kN/mAB段墙面均布荷载设计值:q0=7 kN/m墙面三角形荷载设计值:q1= kN/mβ=28333333⁄=墙中B处弯矩设计值:Mb上=−7×2.83328×(2−0.85)2−30.6×2.833224×(4−3×0.85 +3×0.8525)=−28.56kN−m墙中b处上端截面剪力设计值:Rb上=7×2.8338×(8−4×0.852+0.853)−8×(4−0.852+0.8535)=51.04kNBD段墙面均布荷载设计值:q0=m墙面三角形荷载设计值:q1= kN/m墙底D处弯矩设计值:Md=−20.0×1.852220−37.6x1.852212=−14.18kN−m墙中B处下截面弯矩设计值:Mb下=20.0×1.852230+37.6x1.852212=13.03kN−m墙底D处剪力设计值:Rd=7×20.0×1.85220+37.6×1.8522=47.78kN墙中B处下截面剪力设计值:Rb下=3×20.0×1.85220+37.6×1.8522=40.37kN墙中B处不平衡弯矩需要按上下段刚度分配,,μBD=4×0.544×0.54+3×0.33=0.686;μBA=3×0.334×0.54+3×0.33=0.314墙中B处弯矩设计值:Mb=+ kN-m墙底D处弯矩设计值:Mc=+ kN-m二、承载力验算混凝土强度等级: C35 fc= N/mm2 ft= N/mm2 ftk= N/mm2混凝土保护层:外侧35mm,h0=250-45=205mm;内侧20mm,h0=250-35=215mm钢筋级别 : HRB400 fy=360 N/mm2墙外侧实配钢筋F14100HRB400,As=1540 mm2x=f y A sf c b=360×154016.7×1000= mmM=f c bx(ℎ0−x2)=16.7×1000×33.2×(205−33.22)= kN-m, 墙顶和墙底抗弯承载力满足;墙内侧实配钢筋F14150HRB400,As=1026 mm2x=f y A sf c b=360×102616.7×1000= mmM=f c bx(ℎ0−x2)=16.7×1000×22.1×(215−22.12)= kN-m, 墙内侧抗弯承载力满足;V=0.7f t bℎ0=0.7×1.57×1000×205= kN,墙上下端斜截面承载力满足;三、墙外侧裂缝验算墙外超载准永值系数取墙顶C处荷载标准值:qc== kN/m墙中B处荷载标准值: qb= += kN/m墙底D处荷载标准值: qd= += kN/mAB段墙面均布荷载标准值:q0= kN/m墙面三角形荷载标准值:q1== kN/mβ=28333333⁄=墙中B处弯矩标准值:Mb上=−2.5×2.83328×(2−0.85)2−25.5×2.833224×(4−3×0.85+3×0.8525)=−19.36kN−mBD段墙面均布荷载标准值:q0= kN/m墙面三角形荷载标准值:q1= kN/m墙底D处弯矩设计值:Md=−16.76×1.852220−28.0x1.852212=−10.87kN−m墙中B处下截面弯矩设计值:Mb下=16.76×1.852230+28.0x1.852212=9.92kN−m墙中B处不平衡弯矩需要按上下段刚度分配,μBD=0.540.54+0.33=0.62;μBA=0.330.54+0.33=0.38墙中B处弯矩标准值:Mbk=+ kN-m墙底D处弯矩标准值:Mck=+ kN-mρte=AsA te=15400.5×1000×250=0.0123σsk=M k0.87×h0×A s =15.77×1060.87×205×1540= N/mm2φ=1.1−0.65f tkρteσsk=1.1−0.65× 2.20.0123×57.4=<,取φ=0.2ωmax=αcrφσskE s (1.9c+0.08d eqρte)=2.1×0.2×57.42.0×105×(1.9×35+0.08×140.0123)=,满足要求;DQ2b墙高 = 见简图mm 墙宽 = mm 按单向板计算墙厚 = mm 室外地坪低于板顶:500mm室外超载:10kN/m2回填土容重:18kN/m3侧压系数:墙顶C处土压力标准值:0 kN/m墙底B处土压力标准值:+= kN/m墙外超载等效均布活载标准值:= kN/m恒载控制组合: AC段墙面均布荷载设计值:q0= kN/m墙面三角形荷载设计值:q1= kN/mA处端弯矩设计值:MA上=4.9×1.16722+14.18×1.16726=6.56kN−mAB段由于A处上端弯矩较小,AB段上端按铰接计算墙底B处弯矩设计值:M b=7×19.08+8×66.86120×3.9332=86.16 kN−mA处剪力设计值:R a=11×19.08+4×66.8640×3.933=46.93 kNB处剪力设计值:R b=9×19.08+16×66.8640×3.933=122.07 kN跨中取下支座的倍:M中活载控制组合:墙顶C处荷载设计值:qc= = kN/m AC段墙面均布荷载设计值:q0= kN/m墙面三角形荷载设计值:q1= kN/mA处端弯矩设计值:MA上=7×1.16722+12.6×1.16726=7.63kN−mAB段由于A处上端弯矩较小,AB段上端按铰接计算墙底B处弯矩设计值:M b= 7×19.6+8×62.08120×3.9332=81.7 kN−m A处剪力设计值:R a=11×19.6+4×62.0840×3.933=45.61 kNB处剪力设计值:R b=9×19.6+16×62.0840×3.933=115.01 kN跨中取下支座的倍:M中二、承载力验算混凝土强度等级: C35 fc= N/mm2 ft= N/mm2 ftk= N/mm2混凝土保护层:外侧35mm,h0=250-45=205mm;内侧20mm,h0=250-35=215mm钢筋级别 : HRB400 fy=360 N/mm2墙外侧实配钢筋F14100HRB400,As=1540 mm2x=f y A sf c b =360×154016.7×1000= mmM=f c bx(ℎ0−x2)=16.7×1000×33.2×(205−33.22)= kN-m, 墙顶和墙底抗弯承载力满足;墙内侧实配钢筋F14150HRB400,As=1026 mm2x=f y A sf c b =360×102616.7×1000= mmM=f c bx(ℎ0−x2)=16.7×1000×22.1×(215−22.12)= kN-m, 墙内侧抗弯承载力满足;V=0.7f t bℎ0=0.7×1.57×1000×205= kN,墙上下端斜截面承载力满足;三、墙外侧裂缝验算墙外超载准永值系数取墙中A处荷载标准值: qa= kN/m墙底B处荷载设计值: qb= kN/mAB段由于A处上端弯矩较小,AB段上端按铰接计算墙底B处弯矩标准值:M bk=7×13.0+8×48.4120×3.9332=61.64 kN−mρte=AsA te=15400.5×1000×250=0.0123σsk=M k0.87×h0×A s =61.64×1060.87×205×1540= N/mm2φ=1.1−0.65f tkρteσsk=1.1−0.65× 2.20.0123×224.4=ωmax=αcrφσskE s(1.9c+0.08d eqρte)=2.1×0.58×224.42.0×105×(1.9×35+0.08×140.0123)=,满足要求;DQ3墙高 = 见简图mm 墙宽 = mm 按单向板计算墙厚 = mm室外地坪低于板顶:500mm室外超载:10kN/m2回填土容重:18kN/m3侧压系数:墙顶C处土压力标准值:0 kN/m墙中A处土压力标准值: kN/m墙底B处土压力标准值:+= kN/m墙外超载等效均布活载标准值:= kN/m恒载控制组合:墙中A处荷载设计值: qa= kN/m墙底B处荷载设计值: qb= kN/mAC段墙面均布荷载设计值:q0= kN/m墙面三角形荷载设计值:q1= kN/mA处上端弯矩设计值:MA上=−4.9×2.45322−29.81×2.45326=−44.64kN−mAB段墙面均布荷载设计值:q0= kN/m墙面三角形荷载设计值:q1= kN/m墙中A处下端弯矩设计值:MA下=34.71×2.897212+35.19×2.897230=34.12kN−m墙底B处弯矩设计值:M B=−34.71×2.897212−35.19×2.897220=−39.04kN−mA端弯矩设计值:Ma= kN-mB端弯矩设计值:Mb=+ kN-m跨中取下支座的倍:M中活载控制组合:墙顶C处荷载设计值:qc= = kN/m AC段墙面均布荷载设计值:q0= kN/m墙面三角形荷载设计值:q1= kN/mA处上端弯矩设计值:MA上=−7.0×2.45322−26.5×2.45326=−47.64kN−mAB段墙面均布荷载设计值:q0= kN/m墙面三角形荷载设计值:q1= kN/m墙中A处下端弯矩设计值:MA下=33.5×2.897212+31.28×2.897230=32.18kN−m墙底B处弯矩设计值:M B=−33.5×2.897212−31.28×2.897220=−36.55kN−mA端弯矩设计值:Ma= kN-mB端弯矩设计值:Mb=+ kN-m跨中取下支座的倍:M中配筋与DQ3b相同,承载力和裂缝验算详DQ3bDQ3b墙高 = 见简图mm 墙宽 = mm 按单向板计算墙厚 = mm 室外地坪低于板顶:500mm室外超载:10kN/m2回填土容重:18kN/m3侧压系数:墙中C处土压力标准值:0 kN/m墙外超载等效均布活载标准值:= kN/m恒载控制组合:墙面均布荷载设计值:q0= kN/m墙面三角形荷载设计值:q1= kN/mβ=53505850⁄=墙底B处弯矩设计值:Mb=−4.9×5.3528×(2−0.915)2−65.0×5.35224×(4−3×0.915+3×0.91525)=−156.87kN−m跨中取下支座的倍:M中kN-m墙底B处截面剪力设计值:Rb=4.9×5.358×(8−4×0.9152+0.9153)−8×(4−0.9152+0.91535)=161.89kN活载控制组合:墙中C处荷载设计值: qc= = kN/m墙面均布荷载设计值:q0= kN/m墙面三角形荷载设计值:q1= kN/mβ=53505850⁄=墙底B处弯矩设计值:Mb=−7.0×5.3528×(2−0.915)2−57.78×5.35224×(4−3×0.915+3×0.91525)=−150.58kN−m跨中取下支座的倍:M中墙底B处截面剪力设计值:Rb=7.0×5.358×(8−4×0.9152+0.9153)−8×(4−0.9152+0.91535)=153.49kN二、承载力验算混凝土强度等级: C35 fc= N/mm2 ft= N/mm2 ftk= N/mm2混凝土保护层:外侧35mm,h0=300-45=255mm;内侧20mm,h0=300-35=265mm钢筋级别 : HRB400 fy=360 N/mm2墙外侧实配钢筋F18100HRB400,As=2540 mm2x=f y A sf c b =360×254016.7×1000= mmM=f c bx(ℎ0−x2)=16.7×1000×54.8×(255−54.82)= kN-m, 墙顶和墙底抗弯承载力满足;墙内侧实配钢筋F16150HRB400,As=1333 mm2x=f y A sf c b =360×133316.7×1000= mmM=f c bx(ℎ0−x2)=16.7×1000×28.7×(265−28.72)= kN-m, 墙内侧抗弯承载力满足;V=0.7f t bℎ0=0.7×1.57×1000×255= kN,墙上下端斜截面承载力满足;三、墙外侧裂缝验算墙外超载准永值系数取kN/m墙底B处弯矩标准值:M bk=−2.5×5.3528×(2−0.915)2−48.15×5.35224×(4−3×0.915+3×0.91525)=−111.44kN−mρte=A sA te=25400.5×1000×300=0.0169σsk=M k0.87×h0×A s =111.44×1060.87×255×2540= N/mm2φ=1.1−0.65f tkρteσsk =1.1−0.65× 2.20.0169×197.8=ωmax=αcrφσskE s(1.9c+0.08d eqρte)=2.1×0.67×197.82.0×105×(1.9×35+0.08×180.0169)=,满足要求;RDQ1一、计算条件墙高 = mm 墙宽 = mm 按单向板计算, 墙厚 =mm室外地坪高于板顶:1150mm室外超载:10kN/m2回填土容重:18kN/m3侧压系数:墙顶土压力标准值:+= kN/m墙外超载等效均布活载标准值:= kN/m外墙人防等效荷载标准值:25 kN/m二、正常使用工况恒载控制组合:墙面均布荷载设计值:q0= kN/m墙面三角形荷载设计值:q1= kN/m墙底弯矩设计值:Mb=−46.17×3.8220−18.87x3.8212=−56.04kN−m墙顶弯矩设计值:Ma=−46.17×3.8230−18.87x3.8212=−44.93kN−m跨中弯矩设计值取墙底1/2:M中墙底剪力设计值:Rb=7×46.17×3.820+18.87×3.82=97.26kN墙顶剪力设计值:Ra=3×46.17×3.820+18.87×3.82=62.17kN活载控制组合:= kN/m墙面均布荷载设计值:q0= kN/m墙面三角形荷载设计值:q1= 墙底弯矩设计值:Mb=−44.01×3.8220−19.42x3.8212=−55.14kN−m墙顶弯矩设计值:Ma=−44.01×3.8230−19.42x3.8212=−44.55kN−m跨中弯矩设计值取墙底1/2:M中= kN-m墙底剪力设计值:Rb=7×44.01×3.820+19.42×3.82=95.43kN墙顶剪力设计值:Ra=3×44.01×3.820+19.42×3.82=61.98kN承载力验算混凝土强度等级: C50 fc= N/mm2 ft= N/mm2 ftk= N/mm2混凝土保护层:外侧35mm,h0=400-45=355mm;内侧20mm,h0=400-35=365mm钢筋级别 : HRB400 fy=360 N/mm2墙外侧实配钢筋F16150HRB400,As=1333 mm2x=f y A sf c b =360×133323.1×1000= mmM=f c bx(ℎ0−x2)=23.1×1000×20.8×(355−20.82)= kN-m, 墙顶和墙底抗弯承载力满足;墙内侧实配钢筋F16150HRB400,As=1333 mm2x=f y A sf c b =360×133323.1×1000= mmM=f c bx(ℎ0−x2)=23.1×1000×20.8×(365−20.82)= kN-m, 墙内侧抗弯承载力满足;V=0.7f t bℎ0=0.7×1.89×1000×355= kN,墙上下端斜截面承载力满足;墙外侧裂缝验算墙外超载准永值系数取墙面均布荷载标准值:q0=+= kN/m墙面三角形荷载设计值:q1= kN/m仅验算墙底部墙底弯矩标准值:Mbk=−34.2×3.8220−12.85x3.8212=−40.16kN−mρte=AsA te=13330.5×1000×400=0.0067<0.01,取ρte=0.01σsk=M k0.87×h0×A s=40.16×1060.87×355×1333= N/mm2φ=1.1−0.65f tkρteσsk=1.1−0.65× 2.20.01×97.5=< ,取ψ=ωmax=αcrφσskE s(1.9c+0.08d eqρte)=2.1×0.2×97.52.0×105×(1.9×35+0.08×140.0123)=,满足要求;三、人防工况墙底设计荷载: qb= = kN/m墙面均布荷载设计值:q0= kN/m墙面三角形荷载设计值:q1= kN/m墙底弯矩设计值:Mb=−41.04×3.8220−37.42x3.8212=−74.66kN−m墙顶弯矩设计值:Ma=−41.04×3.8230−37.42x3.8212=−64.78kN−m跨中弯矩设计值取墙底1/2:M中= kN-m墙底剪力设计值:Rb=7×41.04×3.820+37.42×3.82= 125.68kN墙顶剪力设计值:Ra=3×41.04×3.820+37.42×3.82= 94.49kN承载力验算混凝土强度等级: C50 fcd= N/mm2 ftd= N/mm2混凝土保护层:外侧35mm,h0=400-45=355mm;内侧20mm,h0=400-35=365mm钢筋级别 : HRB400 fyd==432 N/mm2墙外侧实配钢筋F16150HRB400,As=1333 mm2x=f yd A sf cd b =432×13330.8×34.65×1000= mmM=f cd bx(ℎ0−x2)=0.8×34.65×1000×20.8×(355−20.82)= kN-m, 墙顶和墙底抗弯承载力满足;墙内侧实配钢筋F16150HRB400,As=1333 mm2x=f yd A sf cd b =432×13330.8×34.65×1000= mmM=f cd bx(ℎ0−x2)=0.8×34.65×1000×20.8×(365−20.82)= kN-m, 墙内侧抗弯承载力满足;V=0.7f td bℎ0=0.8×0.7×2.835×1000×355= kN,墙上下端斜截面承载力满足;RDQ2、RDQ2a一、计算条件墙高 = mm 墙宽 = mm 按单向板计算, 墙厚 = mm室外地坪高于板顶:1150mm室外超载:10kN/m2回填土容重:18kN/m3侧压系数:墙顶土压力标准值:+= kN/m墙外超载等效均布活载标准值:= kN/m外墙人防等效荷载标准值:25 kN/m二、正常使用工况恒载控制组合:墙面均布荷载设计值:q0= kN/m墙面三角形荷载设计值:q1= kN/m墙底弯矩设计值:Mb=−51.03×4.2220−18.87x4.2212=−72.75kN−m墙顶弯矩设计值:Ma=−51.03×4.2230−18.87x4.2212=−57.74kN−m跨中弯矩设计值取墙底1/2:M中墙底剪力设计值:Rb=7×51.03×4.220+18.87×4.22= 114.64kN墙顶剪力设计值:Ra=3×51.03×4.220+18.87×4.22= 71.78kN活载控制组合:kN/m墙面均布荷载设计值:q0= kN/m墙面三角形荷载设计值:q1= kN/m墙底弯矩设计值:Mb=−45.36×4.2220−19.42x4.2212=−68.55kN−m墙顶弯矩设计值:Ma=−45.36×4.2230−19.42x4.2212=−55.22kN−m跨中弯矩设计值取墙底1/2:M中= kN-m墙底剪力设计值:Rb=7×45.36×4.220+19.42×4.22= 107.46kN墙顶剪力设计值:Ra=3×45.36×4.220+19.42×4.22= 69.36kN承载力验算混凝土强度等级: C35 fc= N/mm2 ft= N/mm2 ftk= N/mm2混凝土保护层:外侧35mm,h0=250-45=205mm;内侧20mm,h0=250-35=215mm钢筋级别 : HRB400 fy=360 N/mm2墙外侧实配钢筋F14100HRB400,As=1540 mm2x=f y A sf c b=360×154016.7×1000= mmM=f c bx(ℎ0−x2)=16.7×1000×33.2×(205−33.22)= kN-m, 墙顶和墙底抗弯承载力满足;墙内侧实配钢筋F14150HRB400,As=1026 mm2x=f y A sf c b =360×102616.7×1000= mmM=f c bx(ℎ0−x2)=16.7×1000×22.1×(215−22.12)= kN-m, 墙内侧抗弯承载力满足;V=0.7f t bℎ0=0.7×1.57×1000×205= kN,墙上下端斜截面承载力满足;墙外侧裂缝验算墙外超载准永值系数取墙面均布荷载标准值:q0=+= kN/m墙面三角形荷载设计值:q1= kN/m仅验算墙底部墙底弯矩标准值:Mb=−37.8×4.2220−12.85x4.2212=−52.23kN−mρte=AsA te=15400.5×1000×250=0.0123σsk=M k0.87×h0×A s =52.23×1060.87×205×1540=190 N/mm2φ=1.1−0.65f tkρteσsk=1.1−0.65× 2.20.0123×190=ωmax=αcrφσskE s (1.9c+0.08d eqρte)=2.1×0.488×1902.0×105×(1.9×35+0.08×140.0123)=,满足要求;三、人防工况kN/m墙底设计荷载: qb= = kN/m墙面均布荷载设计值:q0= kN/m墙面三角形荷载设计值:q1= kN/m墙底弯矩设计值:Mb=−45.36×4.2220−37.42x4.2212=−95.01kN−m墙顶弯矩设计值:Ma=−45.36×4.2230−37.42x4.2212=−81.68kN−m跨中弯矩设计值取墙底1/2:M中= kN-m墙底剪力设计值:Rb=7×45.36×4.220+37.42×4.22= 145.26kN墙顶剪力设计值:Ra=3×45.36×4.220+37.42×4.22= 107.16kN承载力验算混凝土强度等级: C35混凝土保护层:外侧35mm,h0=250-45=205mm;内侧20mm,h0=250-35=215mm钢筋级别 : HRB400 fyd==432 N/mm2墙外侧实配钢筋F14100HRB400,As=1540 mm2x=f yd A sf cd b=432×15400.8×25.05×1000= mmM=f cd bx(ℎ0−x2)=0.8×25.05×1000×33.2×(205−33.22)= kN-m, 墙顶和墙底抗弯承载力满足;墙内侧实配钢筋F14150HRB400,As=1026 mm2x=f yd A sf cd b=432×10260.8×25.05×1000= mmM=f cd bx(ℎ0−x2)=0.8×25.05×1000×22.1×(215−22.12)= kN-m, 墙内侧抗弯承载力满足;V=0.7f td bℎ0=0.8×0.7×2.355×1000×205= kN,墙上下端斜截面承载力满足;LKQ1计算条件墙高 = mm 墙宽 = mm 墙厚 = mm竖向均布荷载KN/M:墙面均布荷载KN/M2:墙面三角形荷载KN/M2:砼强度等级: C50配筋计算 asmm: 30钢筋级别 : HRB400支撑条件:上边下边左边右边简支固定固定固定内力计算 :轴压比 N/Afc=跨中弯矩kN-m/m:水平:竖向:垂直板边弯矩kN-m/m:上下左右, , , 配筋结果 :竖直方向配筋mm^2/m:上截面非荷载侧:实配F14150HRB400 荷载侧:实配F14150HRB400中截面非荷载侧:实配F14150HRB400 荷载侧:实配F14150HRB400下截面非荷载侧:实配F14150HRB400 荷载侧:实配F14150HRB400水平方向配筋mm^2/m:左中右非荷载侧 , , 实配F14150HRB400荷载侧 , ,实配F14150HRB400LKQ2、LKQ2a计算条件墙高 = mm 墙宽 = mm 墙厚 = mm竖向均布荷载KN/M:墙面均布荷载KN/M2:墙面三角形荷载KN/M2:砼强度等级: C50配筋计算 asmm: 30钢筋级别 : HRB400支撑条件:上边下边左边右边简支固定固定固定内力计算 :轴压比 N/Afc=跨中弯矩kN-m/m:水平:竖向:垂直板边弯矩kN-m/m:上下左右, , ,配筋结果 :竖直方向配筋mm^2/m:上截面非荷载侧:实配F14150HRB400 荷载侧:实配F16150HRB400中截面非荷载侧:实配F14150HRB400 荷载侧:实配F16150HRB400下截面非荷载侧:实配F14150HRB400 荷载侧:实配F16150HRB400水平方向配筋mm^2/m:左中右非荷载侧 , , 实配F14150HRB400荷载侧 , , 实配F16150HRB400LKQ2b、LKQ2c计算条件墙高 = mm 墙宽 = mm 墙厚 = mm竖向均布荷载KN/M:墙面均布荷载KN/M2:墙面三角形荷载KN/M2:砼强度等级: C50配筋计算 asmm: 30钢筋级别 : HRB400支撑条件:上边下边左边右边简支固定固定固定内力计算 :轴压比 N/Afc=跨中弯矩kN-m/m:水平:竖向:垂直板边弯矩kN-m/m:上下左右, , ,配筋结果 :竖直方向配筋mm^2/m:上截面非荷载侧:实配F14150HRB400 荷载侧:实配F14150HRB400中截面非荷载侧:实配F14150HRB400 荷载侧:实配F14150HRB400下截面非荷载侧:实配F14150HRB400 荷载侧:实配F14150HRB400水平方向配筋mm^2/m:左中右非荷载侧 , , 实配F14150HRB400荷载侧 , , 实配F16150HRB400LKQ3计算条件按单向板计算墙高 = mm 墙宽 = mm 墙厚 = mm竖向均布荷载KN/M:墙面均布荷载KN/M2:墙面三角形荷载KN/M2:砼强度等级: C50配筋计算 asmm: 30钢筋级别 : HRB400支撑条件:上边下边左边右边简支固定固定固定内力计算 :轴压比 N/Afc=跨中弯矩kN-m/m:水平:竖向:垂直板边弯矩kN-m/m:上下左右, , , 配筋结果 :竖直方向配筋mm^2/m:上截面非荷载侧:实配F16150HRB400 荷载侧:实配F18150HRB400中截面非荷载侧:实配F16150HRB400 荷载侧:实配F18150HRB400下截面非荷载侧:实配F16150HRB400 荷载侧:实配F18150HRB400水平方向配筋mm^2/m:左中右非荷载侧 , , 实配F16150HRB400荷载侧 , , 实配F16150HRB400LKQ3a计算条件墙高 = mm 墙宽 = mm 墙厚 = mm竖向均布荷载KN/M:墙面均布荷载KN/M2:墙面三角形荷载KN/M2:砼强度等级: C50配筋计算 asmm: 30钢筋级别 : HRB400支撑条件:上边下边左边右边简支固定固定固定内力计算 :轴压比 N/Afc=跨中弯矩kN-m/m:水平:竖向:垂直板边弯矩kN-m/m:上下左右, , , 配筋结果 :竖直方向配筋mm^2/m:上截面非荷载侧:实配F16150HRB400 荷载侧:实配F16150HRB400中截面非荷载侧:实配F16150HRB400 荷载侧:实配F16150HRB400下截面非荷载侧:实配F16150HRB400 荷载侧:实配F16150HRB400水平方向配筋mm^2/m:左中右非荷载侧 , , 实配F16150HRB400荷载侧 , , 实配F16150HRB400LKQ4计算条件墙高 = mm 墙宽 = mm 墙厚 = mm竖向均布荷载KN/M:墙面均布荷载KN/M2:墙面三角形荷载KN/M2:砼强度等级: C35配筋计算 asmm: 30钢筋级别 : HRB400支撑条件:上边下边左边右边简支固定固定固定内力计算 :轴压比 N/Afc=跨中弯矩kN-m/m:水平:竖向:垂直板边弯矩kN-m/m:上下左右, , ,配筋结果 :竖直方向配筋mm^2/m:上截面非荷载侧:实配F14150HRB400 荷载侧:实配F18150HRB400中截面非荷载侧:实配F14150HRB400 荷载侧:实配F18150HRB400下截面非荷载侧:实配F14150HRB400 荷载侧:实配F18150HRB400水平方向配筋mm^2/m:左中右非荷载侧 , , 实配F14150HRB400荷载侧 , , 实配F18150HRB400计算项目: 临战封堵上挡墙计算条件L = mm L1 = mm L2 = mmH = mmqe = KN/M2qi = KN/M2砼强度等级: C35配筋计算 asmm: 20纵筋级别 : HRB400箍筋级别 : HRB400箍筋间距 : 100mm计算结果弯矩kN-m/m: M =剪力kN/m: V =按悬臂梁计算抗弯受拉筋: As = mm^2/m 实配F12100HRB400抗剪箍筋: Av = mm^2/m计算项目: 桩承台-1 CT1计算条件1、承台信息剖面形状:阶形现浇平面形状:矩形承台阶数:1阶承台底标高:承台边数:4承台高:1200mm承台x方向移心:0mm承台y方向移心:0mm2、桩信息桩截面宽:500mm桩截面高:0mm单桩承载力:桩位坐标:NUm X Y1 875 -8752 -875 -8753 875 8754 -875 875 3、荷载信息竖向荷载:N =x方向弯矩:Mx =y方向弯矩:My =x方向剪力:Qx =y 方向剪力:Qy = 4、柱信息柱截面宽:600mm 柱截面高:600mm 5、混凝土信息 混凝土等级:C35 混凝土容重:m3 计算结果6、桩反力计算 采用公式:承台及土自重 Gk = B S H γ+ B S futu = + = kn∑XiXi = ∑YiYi = 桩号 X Y 桩反力QKN 桩净反力QNKN1 2 3 4 桩总反力QP= kN; 桩均反力QAVE= kN7、冲切抗剪计算 台阶1 H = 角桩冲切 公式如下: 其中:Nl------------角桩桩顶竖向力设计值β1x,β1y-------角桩冲切系数 λ1x,λ1y-------角桩冲垮比 c1,c2---------角桩内边缘至承台外边缘的距离α1x,α1y-------角桩内缘到冲切面顶部的水平距离h0------------承台外边缘的有效高度No.=1 h0= 1150. α1x=375. λ1x= c1=700. h0= 1150. α1y=375. λ1y= c2=700.β1x= β1y= βhp= ft=QPC=β1xC2+α1y/2+β1yc1+α1x/2βhpftho = > QPD = KN No.=2h0= 1150. α1x=375. λ1x= c1=700.h0= 1150. α1y=375. λ1y= c2=700.β1x= β1y= βhp= ft=QPC=β1xC2+α1y/2+β1yc1+α1x/2βhpftho= > QPD = KN No.=3 h0= 1150. α1x=375.λ1x= c1=700.h0= 1150. α1y=375. λ1y= c2=700.β1x= β1y= βhp= ft=QPC=β1xC2+α1y/2+β1yc1+α1x/2βhpftho = > QPD = KN No.=4h0= 1150. α1x=375. λ1x= c1=700.h0= 1150. α1y=375. λ1y= c2=700.β1x= β1y= βhp= ft=QPC=β1xC2+α1y/2+β1yc1+α1x/2βhpftho = > QPD = KN 柱冲切 公式如下: 其中:F------------柱根部轴力设计值Fl-----------扣除土和自重作用在锥体上的冲切设计值βox,βoy------冲切系数 βhp----------冲切截面高度影响系数λox,λoy-------冲跨比 αox,αoy-------柱边或变阶处到桩边的水平距离h0-----------冲切破坏锥体的有效高度∑Ni---------冲切破坏锥体范围内桩的净反力设计制之和 截面净高H00=x+ h0=1150. αox= 375. λox= x- h0=1150. αox= 375. λox= y+ h0=1150. αoy= 375. λoy= y+ h0=1150. αoy= 375. λoy= hc= 600. bc= 600. βox= βoy= ft= βhp= QCC = 2βoxbc+αoy+βoyhc+αox βhpftho=柱子抗冲切承载力QCC= > 冲切荷载QCD= KN抗剪计算 公式如下: 其中:b0-----------承台计算截面处的计算宽度V------------扣除土和自重作用在锥体上的最大剪力设计值β------------剪切系数 βhs----------受剪切截面高度影响系数λ------------计算截面的剪跨比h0-----------冲切破坏锥体的有效高度左 h0=1150. αx= 375. λx= VPL = βhs λ+b0h0ft =+2750.1150. =VCI1= > VDI1= KN 右 h0=1150. αx= 375. λx=VPL = βhs λ+b0h0ft =+2750.1150. =VCI2= > VDI2= KN 下 h0=1150. αy= 375. λy=VPL = βhs λ+b0h0ft =+2750.1150. =VCJ1= > VDJ1= KN 上 h0=1150. αy= 375. λy=VPL = βhs λ+b0h0ft =+2750.1150.=VCJ2= > VDJ2= KN 8、配筋计算 DMX1 =AGX = DMX1/h0fy/YS = /= mm/M 换算成HRB400,AGX=4593x210/360=2679mm 实配F 22130HRB400 AS=2923mm DMX2 =AGX = DMX2/h0fy/YS = /= mm/M 换算成HRB400,AGX=4756x210/360=2775mm 实配F 22130HRB400 AS=2923mmDMY1 =AGY = DMY1/h0fy/XS = /= mm/M换算成HRB400,AGX=4667x210/360=2722mm实配F 22130HRB400 AS=2923mm DMY2 =AGY = DMY2/h0fy/XS = /= mm/M 换算成HRB400,AGX=4682x210/360=2731mm 实配F 22130HRB400 AS=2923mm计算项目: 桩承台-2 CT2计算条件1、承台信息剖面形状:阶形现浇 平面形状:矩形 承台阶数:1阶 承台底标高: 承台边数:4 承台高:1500mm 承台x 方向移心:0mm 承台y 方向移心:0mm 2、桩信息桩截面宽:500mm 桩截面高:0mm 单桩承载力: 桩位坐标:NUm X Y1 875 -2 -875 -3、荷载信息竖向荷载:N =x方向弯矩:Mx =y方向弯矩:My =x方向剪力:Qx =y方向剪力:Qy =4、柱信息柱截面宽:600mm柱截面高:600mm5、混凝土信息混凝土等级:C35混凝土容重:m3计算结果6、桩反力计算采用公式:承台及土自重 Gk = B S H γ+ B S futu= += kn∑XiXi = ∑YiYi = 桩号 X Y 桩反力QKN桩净反力QNKN12桩总反力QP= kN; 桩均反力QAVE=kN7、冲切抗剪计算截面净高H00=x+ h0=1450. αox= 375. λox=x- h0=1450. αox= 375. λox=抗剪计算公式如下:其中:b0-----------承台计算截面处的计算宽度V------------扣除土和自重作用在锥体上的最大剪力设计值β------------剪切系数βhs----------受剪切截面高度影响系数λ------------计算截面的剪跨比h0-----------冲切破坏锥体的有效高度左 h0=1450. αx= 375. λx=QPC =VPL = βhsλ+b0h0ft=+1000.1450.=VCI1 = MIN VPL , QPCVCI1= > VDI1= KN右 h0=1450. αx= 375. λx=QPC =VPL = βhsλ+b0h0ft=+1000.1450.=VCI2 = MIN VPL , QPCVCI2= > VDI2= KN8、配筋计算DMX1 =AGX = DMX1/h0fy/YS = /= mm/MDMX2 =AGX = DMX2/h0fy/YS = /= mm/MDMY1 =AGY = DMY1/h0fy/XS = /= mm/M DMY2 =AGY = DMY2/h0fy/XS = /= mm/M ASX=mm/M ASY= mm/M换算成HRB400,AGX=5300x210/360=3091mm 实配F22100HRB400 AS=3800mm。
地下室外墙挡土墙计算书
3.1地下室挡土墙高2.5m,挡土墙构造柱最大间距3.1m外墙厚370mm,砖标号MU15.水泥砂浆M10,地面荷载5KN/m2,墙侧土容重20kN/m3,静止土压力系数K=0.50。
(取Im宽板带计算)
3.2 中部不设圈粱时砖墙承载力验算
(1) 根据《土力学基础工程》(简称《土力学》)计
算土压力:
ql=kql=0.5×5×1=2.5kN/m
q2=kγh l=0.5×20×2.5×1=25kN/m
(2) 根据《建筑结构静力计算手册》(简称<手
册》)计算墙内力:
Mmax=Ma= q1H2/8+q2H2/I5=2.5×2.52/8+25×2.52/I5=12.4kN.m (3) 根据现行《砌体结构设计规范》(简称《砌规》)计算砖墙承载力:
[M]=γa f tm W=1×0.33×103 xl
×0.372/6=7.5kN.m
(4)验算承载力:
M>[M]不满足强度要求
剪力验算略。
3.3 中部加设一道圈粱时砖墙承载力验算
(1) 根据《土力学》计算土压力:
ql=2.5kN/m
q2=kγh l=0.5×20×1.5×1=15kN/m
q3=kγh l=0.5×20×1.0×1=10kN/m
(2)根据《手册》计算墙内力:
Mbc= q1H12/8+q2H12/93=2.5×1.52/8+15×1.52/93=2.9kN.M<[M] Ma=(q1+q2)H22/8+q3H22/I5=(2.5+15)×1.02/8+10×1.02/15
=2.8kN.m<[M]
Qc=qlHl/2+q2H1/6=2.5×1.5/2+15×1.5/6
=5.63KN
Qb上=qlH1/2+q2H1/3 =2.5×1.5/2+15×1.5/3=9.34KN
Qb下=(ql+q2)H2/2+q3H2/10=(2.5+15)×
1.0/2+10×1.0/10=9.75KN
Qa=(ql+q2)H2/2-12/2+2q3H2/5=(2.5+15)×1.0/
2+10×1.0×2/5=12.75kN
(3)根据《砌规》计算砖墙承载力
[M]= γa f tm W=7.5kN.m
[Q]=γa f v bz=0.9×0.17×103×1×0.37×2/3
=37.7KN
(4)承载力验算
Mmax=2.9kN .m<[M] 满足强度条件。
Qmax=12.75kN<[Q] 满足强度条件。
式中:q 一地面荷载(kN /m);
b 一计算截面宽度(墙计算板带宽)(m);
K 一静止土压力系数;
γ一墙侧土重度(KN /M 3);
[M]一砖墙抗弯承载力( KN .m);
[O]一砖墙抗剪承载力(KN); γa 一调整系数.采用水泥砂浆时取0.9;
f tm 一砌体弯曲抗拉强度设计值(N /m );
w 一截面抵抗矩;
h 一计算截面高度(墙厚)(m);
fv 一砌体抗剪强度设计值(N /mm);
Z 一内力臂,Z=I /S ,矩形截面,Z :2h /3
3.4 圈梁构造柱计算
(1)圈梁计算
圈梁为钢筋混凝土连续梁。
梁内侧受拉。
本倒墙长7.20m ,设一根构造柱,柱距3.1 ,则
圈梁为等跨度二跨连续梁。
该墙上包括墙顶及基础地
梁共三道圈梁,现计算第二道:
梁跨度为构造柱距离:L=3.10m
梁截面尺寸(宽×高)为:b1×hl=240×370((mm 2
)
粱上均布线荷(p1)为上下墙段单位长度剪力和:
pl=(Qb 上+Qb 下)/b=(9.34+9.75)/1=19.09 KN /m
圈梁内力:
M1=0.08×19.09×3.12=14.7KN.m
M2=0 10×19.09×3.12=18.4kN.m
M3=0.025×19.09×3.12 =4.6kN.m
v1=0.4×19.09×3.1=23.67kN(第一支座反力)
v2=(0.6+0 5)×19.09×3.1=65.1kN(第二支座
反力) 圈梁配筋计算: b=240,h=370,h 0=320
mm 18042x 3.14x 18.4x101x 2-320320x 6
2
=-= 按单筋梁计算2mm 172360
x240x183.14x 1s ==A (计算配筋)
圈梁截面240x370,C30砼。
实配钢筋:As ’=4
14=452mm 2 As =414=452mm 2
结论:圈梁满足承载力要求。
(2)构造柱计算
构造柱为竖向钢筋混凝土受弯构件,柱内侧受拉。
柱上端支座铰支于楼板,下端支座嵌固于基础。
现计算构造柱。
跨度H1为基顶至楼板距离:HI=2.5m
构造柱截面尺寸:b2×h2 =370×370(mm 2
)
集中荷载P 为圈梁传至构造柱的支座反力:
p=65.1KN
构造柱内力:
Mb= 65.1×1.5×1.02/(2×2.52)×(3—1.0/2.5)=20.3kN .M Mc=65.1×1.5×1.0/(2×2.5)×(1+1.5/2.5)=31.2kN .m 构造柱配筋计算: b=370,h=370,h 0=320
mm 19370x 3.14x 1 1.2x103x 2-320320x 6
2
=-= 按单筋梁计算2mm 279360
x370x193.14x 1s ==A (计算配筋) 构造柱截面370x370,C30砼。
实配钢筋:As ’=4
14=452mm 2 As =4
14=452mm 2。