节能资料清单
- 格式:doc
- 大小:80.00 KB
- 文档页数:4
节能评估报告资料清单随着全球能源需求的增加和能源资源的减少,节能成为了当今社会的重要议题。
为了评估和监测节能措施的效果,制作一份节能评估报告就变得至关重要。
本文将介绍一份完整的节能评估报告所需要的资料清单,以帮助读者了解如何准备一份规范整洁的节能评估报告。
一、能源消耗数据评估节能措施的第一步是收集能源消耗数据。
这包括电力、天然气、燃料油等各种能源的消耗量。
这些数据可以从能源供应商、能源计量设备或能源管理系统中获取。
确保数据的准确性和完整性对于评估结果的可靠性至关重要。
二、建筑信息建筑信息是评估节能潜力的重要依据。
需要收集建筑的面积、用途、建筑材料、建筑年代等信息。
此外,还需要了解建筑的朝向、外墙保温材料、窗户类型等与能源消耗相关的信息。
这些信息有助于评估建筑的能源性能和潜在的节能改进措施。
三、设备清单一份完整的节能评估报告需要包括建筑内各个设备的清单。
这包括空调、采暖设备、照明设备、电梯等。
对每个设备,需要记录设备的型号、功率、能效等级等信息。
这些设备的能耗数据是评估节能措施的重要依据。
四、能源监测数据能源监测数据是评估节能措施效果的关键指标。
需要收集能源消耗的实时或历史数据,包括能源消耗量、能耗趋势、峰谷时段等信息。
这些数据有助于评估节能措施的效果和改进方向。
五、绩效评估数据绩效评估数据是评估节能措施的重要依据。
需要收集建筑使用者的满意度调查数据、设备运行情况记录、能源消耗的经济性评估数据等。
这些数据可以帮助评估节能措施的实际效果和经济效益。
六、节能措施清单一份完整的节能评估报告需要包括节能措施的清单。
根据前面收集到的数据和评估结果,列出可行的节能改进措施,包括建筑外墙保温、照明设备的替换、设备能效改进等。
每个措施应该包括预计的能源节约量和投资回报周期等信息。
七、技术和政策支持文件评估节能措施时,需要参考相关的技术和政策支持文件。
这包括国家和地方的节能政策、标准和规范、技术指南等。
这些文件对于评估节能措施的合规性和可行性有重要的影响。
节能报告资料清单
1、请详细列出本次扩建项目生产设备,完善表格内容。
(如果用到以前的设备,请写于表格内)
2、请详细列出本项目辅助设备,完善下列表格内容。
注:以上只是一般项目都会涉及到的辅助设备,如果本项目没有用到,可以不用填;另外,如果本项目还有其他辅助设备请完善在以上表格中。
3、如果本项目有使用到冷却塔,请提供本项目冷却塔循环水量为多少立方米/小时?
4、如果本项目有使用到空压机,请提供本项目空压机额定排气压力为多少MPa,容积流量为多少立方米/小时?
5、本项目空调通风系统是否配置变频器?
6、请提供营业执照。
7、本项目使用的厂房是租用的还是自建的?如果是租用的,请提供租赁协议。
8、请提供本项目厂区平面图、车间平面图。
9、请说明本次扩建项目厂房的总建筑面积、总占地面积大小,本项目厂房总共几层?
10、请提供本项目供水管管径大小、供水压力大小。
11、请完善下列表格内容。
12、请提供本项目经济技术指标。
注:固定资产投资=厂房装修+设备投资+环保设施
13、请提供本项目主要用电设备的节能说明方案。
(设备说明方案就是详细介绍用电设备在节约电能这方面的说明)
14、本项目是否使用天然气,如果使用到天然气,请提供本项目供气管径、供气压力、供应能力(立方米/小时)。
管径
15、请提供下列指标。
员工人数:年工作时间:
每天工作时间:
16、请提供本次扩建项目生产的产品方案
产品名称年产量(吨/年)年运行时数(小时)。
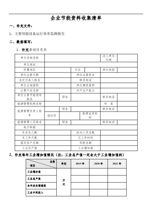
企业节能资料收集清单
一、补充文件:
1、主要用能设备运行效率监测报告
二、数据填写:
1、补充基础信息表
2、补充每年工业增加值情况(注:工业总产值一定会大于工业增加值的)
3、补充2020年企业购入能源消费情况(电、天然气、水)、补充2020-2021年产量
4、补充2021年每月产品产量
5、补充各车间/工序能源使用量(2021年)
6、补充照明系统
7、补充全厂计量器具情况表,并提供校准证书
8、补充空压机数据(或拍摄铭牌照片)
11、补充2019-2021年已实施的技术改造汇总表(并提供改造的合同、发票等)
12、补充2022-2025计划节能改造措施。
节能评估报告需提供的资料清单节能评估报告是一个组织或企业向政府或其他机构提交的一份文档,他需要清楚地阐明组织或企业的节能实践、正在实践的计划以及如何优化和改善他们的能源利用效率。
为编制拟定完备的节能评估报告,以下是需要提供的资料清单。
一、能耗数据提供组织或企业所有的能源消耗数据非常重要。
这将有助于确定能量使用量,以及每份文件所涉及的总能耗。
数据应包括所有类型的用电、水、天然气、燃料、氢气等的用量,以及机械设备的使用频率等信息。
把所有的数据集中起来,经过深度分析、处理和比较,可以计算出能源消耗量和成本,进而制定出节能潜力大的目标和计划。
二、设备清单组织或企业需要提供他们所拥有的设备清单,并标注设备使用用途、级别和能耗数据。
这将有助于确定节能优化的目标。
清除资料需包括设备的信息如:名称、型号、工作正常状态下的单机、功率、峰值负荷、生产厂家、安装时间、设备能耗降低改进方案等资料。
这些资料将有助于节能专家分析并为您提供节能建议和方案,以降低能源消耗量和节能成本。
三、气候数据为了更好的分析研究能源使用模式,需要收集所涉及场所的气候数据,包括温度、湿度、日照、降雨量、风速等信息,因为气候条件将会影响能源消耗量,一些区域可能会因天气条件,而影响发生灾害或房屋能耗。
四、使用模式为了分析基于不同使用模式的能效水平,提供这一信息很重要。
需要记录需要特别关注的一些事物,例如:跨越几年的用能量数据;租约跨越多年的建筑;特定使用模式的设备;人员数目等。
这些资料可以帮助节能专家深入分析,以评估每份文件的节能潜力。
五、费用信息提供全部的能耗数据的同时,还需要提供相关的费用信息,如零售价、采购价和税收。
这将强调该实体的节能成本,以帮助分析能源成本时进行比较,找到最具成本效益的方法。
六、节能措施需要列出现有的节能措施,什么方案已经实施,什么方案还在实施中,以及什么方案计划在未来执行。
这些信息可以帮助政府或其他机构了解组织或企业正在采取的节能措施,并帮助评估组织或企业的能源利用效率。
节能评估报告的资料清单1、项目建设单位的详细介绍;2、项目的详细介绍;3、项目工程设计方案(包括总平图、建筑方案、工艺流程、设备清单等);4、项目所在地市政设施情况,包括水(上水、排水、雨水、中水)、暖、电、气、电信等方面的实情;5、用能设备清单,设备能耗说明等资料;6、使用方案:包括暖通、给排水、建筑、电气等;7、项目建成后各系统监测、管理说明。
附件1:固定资产投资项目节能评估报告书内容深度要求一、评估依据相关法律、法规、规划、行业准入条件、产业政策,相关标准及规范,节能技术、产品推荐目录,国家明令淘汰的用能产品、设备、生产工艺等目录,以及相关工程资料和技术合同等。
二、项目概况(一)建设单位基本情况。
建设单位名称、性质、地址、邮编、法人代表、项目联系人及联系方式,企业运营总体情况。
(二)项目基本情况。
项目名称、建设地点、项目性质、建设规模及内容、项目工艺方案、总平面布置、主要经济技术指标、项目进度计划等(改、扩建项目需对项目原基本情况进行说明)。
(三)项目用能概况。
主要供、用能系统与设备的初步选择,能源消耗种类、数量及能源使用分布情况(改、扩建项目需对项目原用能情况及存在的问题进行说明)。
三、能源供应情况分析评估(一)项目所在地能源供应条件及消费情况。
(二)项目能源消费对当地能源消费的影响。
四、项目建设方案节能评估(一)项目选址、总平面布置对能源消费的影响。
(二)项目工艺流程、技术方案对能源消费的影响。
(三)主要用能工艺和工序,及其能耗指标和能效水平。
(四)主要耗能设备,及其能耗指标和能效水平。
(五)辅助生产和附属生产设施及其能耗指标和能效水平。
五、项目能源消耗及能效水平评估(一)项目能源消费种类、来源及消费量分析评估。
(二)能源加工、转换、利用情况(可采用能量平衡表)分析评估。
(三)能效水平分析评估。
包括单位产品(产值)综合能耗、可比能耗,主要工序(艺)单耗,单位建筑面积分品种实物能耗和综合能耗,单位投资能耗等。
节能评估报告资料清单随着全球能源消耗量的不断增加和环境污染问题的日益严重,节能已成为各国政府和企业必须重视的重要问题。
为了评估节能措施的实施效果,制定节能方案,进行节能管理,需要进行节能评估。
下面是一份节能评估报告资料清单,帮助大家了解有关节能评估的相关资料和文件。
1.企业能耗统计表企业能耗统计表是评估节能效果的重要依据之一。
该表格记录了企业在一定时间内的能源消耗情况,包括电、水、气等能源的消耗量及费用,通过对能耗的分析,可以评估企业的节能效果,制定节能目标。
2.节能评估报告节能评估报告是对企业节能措施实施效果评估的重要文件,其中包括节能措施的实施情况、节能效果评估、节能改进建议等信息,为企业制定下一步节能计划提供依据。
3.节能标识节能标识是评估节能效果的可视化标志之一。
企业可以在使用节能产品、节能设备或实施节能措施后,安装节能标识,展示企业的节能成果,激励员工参与节能工作。
4.节能技术文件节能技术文件是评估节能效果的重要依据之一。
该文件包括节能技术方案、节能技术标准、节能技术规范等,为企业实施节能措施提供技术支持,提高节能效果。
5.节能培训材料节能培训材料是为企业员工提供节能知识的重要依据之一。
该材料包括节能知识、节能法规、节能技术等内容,帮助员工掌握节能知识,提高节能意识,促进企业节能工作的开展。
6.节能合同节能合同是评估节能效果的重要依据之一。
该合同是企业与节能服务机构签订的协议,约定服务机构提供节能服务的内容、费用、效果等信息,为企业评估节能效果提供依据。
7.节能项目验收报告节能项目验收报告是评估节能效果的重要依据之一。
该报告记录了节能项目实施的情况、效果评估、验收结论等信息,为企业评估节能效果提供依据。
8.节能奖励文件节能奖励文件是激励企业实施节能措施的重要依据之一。
该文件包括节能奖励政策、奖励标准、奖励方式等信息,为企业实施节能措施提供激励和支持。
制定一份完整的节能评估报告需要收集和整理大量的资料和文件,通过对这些资料和文件的分析,才能评估企业的节能效果,制定下一步的节能计划。
节能评估报告需提供的资料清单(最终5篇)第一篇:节能评估报告需提供的资料清单节能评估报告所需资料清单1.项目建设单位概况(请提供营业执照副本及企业简介)2.评估项目基本情况(项目名称,项目类型,项目性质,建设地点、建设规模和内容,总投资、项目进度表等)。
3.项目涉及的市政基础设施(给排水、电、燃气)的供应来源情况(水需说明来自哪个电厂、电需说明来自哪个变电所、燃气需要说明来自哪里)。
4.项目工程设计说明(包括总平图、建筑方案、工艺流程、设备清单等),注:在建筑设计说明中,请重点描述建筑的节能理念及采取的节能设计措施、预期效果。
5.用能设备清单,设备能耗说明等资料,建筑类主要需要提供电梯、二次加压水泵、二次稳压水泵、地下室抽风机、变压器等的数量、规格及功率标准;中央空调及地暖等的方案及数量、面积。
6.项目立项审批文件。
7.总图给排水图暖通图,最好是高分辨率jpg格式方便打印输出。
请尽可能全面的提供以上资料信息的电子档文件,谢谢!江西省邮电规划设计院有限公司咨询研究所整理(0791-********)第二篇:节能评估报告所需资料清单发电厂节能评估报告所需资料清单1、项目建设单位概况(请提供企业简介)。
2、评估项目基本情况(项目名称,项目类型,项目性质,建设地点、建设规模和内容,总投资、项目进度表等。
3、项目涉及的市政基础设施(给排水、电、燃气)的供应来源情况(水需说明来自哪个电厂、电需说明来自哪个变电所、燃气需要说明来自哪里)。
4、项目工程设计说明(包括总平图、建筑方案、工艺流程、设备清单等)。
注:在建筑设计说明中,请重点描述建筑的节能理念及采取的节能设计措施、预期效果。
5、用能设备清单,设备能耗说明等资料,建筑类主要需要提供电梯、二次加压水泵、二次稳压水泵、地下室抽风机、变压器等的数量、规格及功率标准;中央空调及地暖等的方案及数量、面积。
6、项目立项审批文件。
7、总图给排水图暖通图。
8、可研报告或申请报告请尽可能全面的提供以上资料信息的电子档文件!(word、dwg 文件)发电厂节能评估报告需要资料:(第二次)1、工艺设备材料表(名称,规格:额定功率、效率等参数,数量,几用几备,年时基数,使用房间)2、电气设备材料表3、自控设备表(包括PLC、仪表、自控电缆及保护管)4、站内空调、照明、通风等生活用电设备的功率、数量、年时基数以及使用房间5、能源计量器具一览表(水表和电表,规格、准确度等级、数量、规格、用途、安装地点)第三篇:节能评估所需资料清单节能评估的资料清单:固定资产投资项目发起方需要给节能评估机构提供如下相关资料,协助节能评估机构完成项目的节能评估及文件制作工作,资料清单列示如下:1、项目建设单位的详细介绍;2、项目的详细介绍;3、项目工程设计方案(包括总平图、建筑方案、工艺流程、设备清单等);4、项目所在地市、县近两年GDP总量和生产总值能耗;5、项目所在地市政设施情况,包括水(上水、排水、雨水、中水)、暖、电、气、电信等方面的实情;6、用能设备清单,设备能耗说明等资料;7、使用方案:包括暖通、给排水、建筑、电气等;8、项目建成后各系统监测、管理说明;9、项目可行性研究报告。
2023年节能清单随着全球气候变化日益严重,节能减排已经成为我国乃至全世界共同关注的话题。
为了响应这一号召,推动绿色环保发展,我们为您整理了一份2023年节能清单,旨在为大家提供实用的节能产品和措施。
一、节能清单主要内容2023年节能清单涵盖了众多节能产品和措施,包括家用电器、建筑材料、节能汽车、绿色办公等多个领域。
以下是部分推荐的节能产品:1.节能家电:如一级能效的冰箱、洗衣机、空调等2.节能照明:如LED灯泡、节能灯等3.节能建筑材料:如低辐射玻璃、保温材料等4.节能汽车:如混合动力汽车、电动汽车等5.绿色办公:减少纸质文件、采购节能设备等二、节能产品分类1.家居节能:使用节能家电、节水器具、绿色家具等,降低家庭用电、用水量2.办公节能:推广无纸化办公、节能照明、合理配置办公设备等,降低能耗3.出行节能:选择节能汽车、公共交通、骑行或步行等低碳出行方式4.生产节能:采用先进节能技术、设备,提高能源利用率,降低排放三、节能措施1.日常生活:合理使用家电,关闭不必要的电器;节约用水,一水多用;减少一次性用品的使用2.工作时间:合理设置办公设备节能模式,减少打印、复印;采购节能设备,提高能源利用率3.学习环节:倡导低碳校园,节约用纸、用电;提倡徒步上学,减少私家车接送四、我国政策支持我国政府高度重视节能减排工作,制定了一系列政策措施,如税收优惠、补贴、绿色金融等,鼓励企业研发和推广节能产品。
同时,加强对节能减排的监管,严格执行能耗限额标准。
五、企业和个人参与节能减排不仅是政府的责任,更是企业和个人共同担当。
企业应积极响应国家政策,加大技术创新,提升能源利用率;个人要养成节能环保的生活习惯,积极参与低碳活动。
六、结论2023年节能清单的发布,旨在提高全社会对节能减排的认识,推动绿色可持续发展。
让我们携手共进,为构建美丽家园、呵护地球家园贡献一份力量。
节能评估报告资料清单一、引言随着能源资源的日益紧缺和环境问题的日益突出,节能已成为全球共同面临的挑战。
为了推动节能工作的开展,评估节能效果的报告成为了必要的工具。
本文将详细介绍节能评估报告所需的资料清单,以帮助各方更好地进行节能评估工作。
二、能源数据1. 用能数据:包括能源消耗量、能源消耗成本等,以不同时间段为单位进行统计,如年度、季度、月度等。
2. 能源价格数据:包括各种能源的价格,如电力、天然气、石油等。
3. 能源供应数据:包括能源供应商的数据,如供应商名称、供应能力、供应方式等。
三、设备数据1. 设备清单:列出所有使用能源的设备信息,包括设备名称、型号、数量等。
2. 设备参数:包括设备的能效指标、额定功率、额定容量等。
四、工艺流程数据1. 工艺流程图:详细描述能源在生产过程中的流向和消耗。
2. 工艺参数:包括各个环节的能耗指标、能效指标等。
五、建筑数据1. 建筑平面图:包括建筑物的布局、房间分布等。
2. 建筑参数:包括建筑物的面积、体积、热阻、热容等。
六、环境数据1. 温湿度数据:包括室内外温湿度的变化情况。
2. 光照数据:包括室内外光照强度的变化情况。
七、能源管理数据1. 节能措施清单:列出已实施的节能措施及其效果。
2. 能源管理制度:包括能源管理组织结构、管理流程、责任分工等。
八、其他数据1. 经济数据:包括生产产值、能源消耗强度等经济指标。
2. 监测数据:包括能源消耗监测、设备运行监测等数据。
九、结论与建议根据以上收集的资料,对节能效果进行评估,得出结论并提出相应的建议。
评估结果应具有科学性和可操作性,能够为节能工作提供有力的支持。
结语本文对节能评估报告所需的资料清单进行了详细介绍,希望能为相关工作提供一定的参考。
节能评估报告是推动节能工作的重要工具,只有准确收集并分析所需的资料,才能得出科学可靠的评估结果,从而为节能工作提供有效的支持。
节约能源资料
节约能源是指在使用能源时既能满足需求,又能减少能源消耗的行为和方法。
以下是一些常见的节约能源的方法和资料:
1. 减少家庭能源消耗:合理调整室温、使用高效节能家电、随时关闭不必要的电器设备、选择节能灯具、合理使用热水器等。
2. 减少交通工具能源消耗:选择公共交通工具或步行、骑自行车代步、购买燃油效率高的汽车、合理驾驶、减少空驶里程等。
3. 提高工业和商业能源效率:采用先进的生产技术和设备、优化能源的使用和配置、通过能源管理系统提高能源利用效率等。
4. 意识和宣传教育:宣传节约能源的重要性,增强公众对能源问题的认识和知识,提倡低碳生活方式,推广环保意识等。
5. 政策支持和促进:制定和执行能源节约政策,提供节能补贴和奖励措施,鼓励企业和个人投入到节约能源的实践中。
6. 科技创新和研发:加大对节能技术研发的资金投入,推广和应用新能源技术,提升能源利用效率。
7. 国际合作和交流:通过国际合作和交流,共同应对全球能源问题,分享经验和技术,推动全球能源的可持续发展。
节能环保清单随着全球环境问题的日益凸显,节能环保已成为当今社会的重要议题。
为了实现可持续发展,每个人都应该从自身做起,采取一系列的节能环保措施。
下面是一份节能环保清单,帮助大家更好地保护环境,节约能源。
1. 节约用电:合理使用电器和照明设备,及时关灯、关空调等,避免不必要的能源浪费。
可以使用节能灯泡或LED灯,降低能源消耗。
2. 节水措施:养成良好的用水习惯,使用节水设备如节水龙头、节水马桶等。
在洗菜、洗澡等过程中,尽量减少用水量,不浪费水资源。
3. 减少废物产生:进行垃圾分类,将可回收物、厨余垃圾和其他垃圾分开处理。
同时,减少使用一次性塑料制品,如购物袋、餐具等,选择可降解或可重复使用的替代品。
4. 推广可再生能源:积极使用太阳能、风能等可再生能源,减少对传统能源的依赖。
可以安装太阳能热水器、光伏发电设备等,为家庭和社区提供清洁能源。
5. 减少机动车使用:尽量选择公共交通工具出行,少开私家车。
步行、骑行或使用共享单车等低碳出行方式,减少车辆尾气排放,改善空气质量。
6. 节约纸张:在工作和生活中,减少纸张的使用量。
可以使用电子邮件、电子文件等替代纸质文件,尽量双面打印或复印,减少纸张的浪费。
7. 建筑节能:在建筑设计和装修过程中,注重节能环保。
采用保温材料,选择节能家电和照明设备,合理设计采光和通风系统,减少能源消耗。
8. 环保购物:购买环保产品,如有机食品、环保家居用品等。
避免购买过度包装的产品,减少塑料袋和塑料包装的使用。
9. 环保饮食:选择低碳环保的饮食方式,如减少肉类摄入,增加蔬菜和水果的比例。
同时,减少食物浪费,合理规划食物的摄入量,不浪费粮食资源。
10. 环保意识教育:加强环保意识教育,从小培养孩子们的环保意识。
可以通过组织环保活动、开展宣传教育等方式,提高公众对环保的认识和重视程度。
节能环保是每个人的责任和义务。
只有通过我们每个人的努力,才能真正实现可持续发展,保护我们的地球家园。
节能评估报告资料清单1. 引言在如今全球不断增长的能源需求和日益严重的环境污染问题下,节能已经成为各个国家和组织关注的重要议题。
为了有效衡量和评估一个机构、企业或者建筑物的节能水平,一份全面的节能评估报告是必不可少的。
本文将介绍一份完整的节能评估报告所需的资料清单,以帮助相关人员准备评估所需的材料。
2. 评估报告资料清单2.1. 机构/企业信息- 机构/企业的名称和地址- 负责人联系方式- 机构/企业的规模和行业背景- 机构/企业的能源消耗概况(包括用电量、用水量、燃料消耗等)2.2. 建筑物信息- 建筑物的名称和地址- 建筑物的类型(如商业建筑、住宅楼等)- 建筑物的年限和使用情况- 建筑物的平面图和结构图- 建筑物的能源消耗概况(包括用电量、用水量、燃料消耗等)- 建筑物的运行时间表和工作模式2.3. 能源数据- 过去三年的能源账单/记录(包括电费、水费等)- 过去三年的燃料消耗记录- 过去三年的能源供应合同(如电力供应合同、燃气供应合同等)2.4. 设备信息- 机构/企业的设备清单,包括用途、型号、年限等信息- 建筑物的设备清单,包括空调系统、照明系统、电梯等信息2.5. 设计和施工文件- 建筑物的设计和施工图纸- 建筑物的暖通空调系统设计图纸- 建筑物的照明设计和布置图纸2.6. 运行和维护记录- 建筑物的维护记录,包括保养和维修记录- 建筑物的运行日志,包括能源消耗情况、设备故障记录等2.7. 工作人员访谈- 负责能源管理的工作人员访谈记录(包括能源管理制度、节能意识等方面的信息)- 建筑物用户的访谈记录(包括使用习惯、舒适度偏好等)2.8. 其他信息- 建筑物的周围环境信息,如气候、附近建筑物等- 相关政策和规定,如国家能源法规、节能补贴政策等3. 结语本文列举了一份完整的节能评估报告所需的资料清单,这些资料涵盖了机构/企业信息、建筑物信息、能源数据、设备信息、设计和施工文件、运行和维护记录、工作人员访谈以及其他相关信息。
节能评估所需资料清单
1.★项目可行性研究报告
2.★建设单位:联系人及电话:
3.★建设内容(包括建筑内容:、、、、,面积分别为多少:、、、,构筑物包括:、、;其他附属用房:);
4.★哪类性质项目(新建、扩建、改扩建);
5.★项目规模万吨(万块)等,产品方案(包括产品名称:、、;
6.★产品生产工艺及文字描述:
8.★项目所在地能源供应及消耗情况;
10.★节能措施:工艺设备节能;供用电节能;供用水节能;建筑节能;办公节能;节能管理;
11.★平面图;
12.七通一平情况(水、电、路、通讯、排污、热力管线、燃气管线),场地是否达到七通一平,用水、用电、用气等来源等情况,尽量详细介绍);
13.改扩建项目,需要原有项目可研报告(电子版和纸质版),需分清本次评价范围包括哪些?哪些不需要考虑。
建筑节能资料目录
工程名称:
一、基本资料
1.建筑工程施工许可证
2.西安市建设项目城建费用(基金)统一征收缴纳证书
3.西安市城建费用缴款通知书
二、设计文件
1.西安市建筑节能设计审查备案表
2.建筑节能设计计算书
3.建筑节能专项审查合格(意见)书
4.建筑设计总说明
5.西安市建筑节能信息公示牌
三、自验资料
1.西安市建筑节能分部工程验收备案申请表
2.建设单位出具《建设工程竣工验收合格报告》
3.施工单位出具《建筑节能分部工程质量验收报告》
4.监理单位出具《建筑节能分部工程质量评估报告》
5.西安市住宅建筑节能分部工程质量保证书
6.房屋建筑工程质量保修书
四、保温材料
1.屋面保温材料进场复检报告及企业资质
2.外墙外保温材料进场复检报告及材料材质证明文件和企业资质
3.外墙外保温材料燃烧性能检测报告
4.外窗及幕墙三性、传热系数、中空露点进场复检报告
5.粘结剂复检报告、外墙饰面粘结强度检测报告
5.电线进场复检报告
6.空心砖、多孔砖、加气块材料进场复检报告及材质证明文件和企业资质
7.新型墙体材料质量保证书
8.现场照片
五、建筑节能分项质量验收资料
六、保温材料检验报告清单。
节能备案资料明细
1、工作联系函(质监站)
2、节能验收备案表(施工单位)
3、节能设计审查备案表(建设单位)
4、建筑节能工程验收报告(建设单位)
5、建筑节能工程质量评估报告(监理单位)
6、建筑节能工程竣工报告(施工单位)
7、建筑节能信息公示牌照片(建设单位)
8、节能计算书(设计单位)
9、节能监督报告(质监单位)
10、设计变更(设计单位)
11、开工报审表/开工报告(施工单位)
12、专项施工方案(施工单位)
13、施工技术交底(施工单位)
14、原材料供应商单位资质证明文件、节能备案证明等(施工单位)
15、材料进场报审、验收、见证取样、复检报告、合格证明、出厂报告(施工单位)(交复印件)
16、现场实体检测报告(墙体抽芯、门窗现场检测)(施工单位)(交复印件)
17、隐蔽验收记录(施工单位)
18、检验批验收记录(施工单位)
19、分部、分项验收记录(施工单位)
20、已签销售合同复印件(建设单位)
21、屋面太阳能照片(彩色打印)
注:刷红的字是节能备案需要上交纸字版、扫描件电子版(进窗)!。
申报重庆市建筑能效测评与标识资料
一、建设单位填写《重庆市建筑能效测评与标识申请表》。
申请表需一式2份。
二、光盘资料(同时应提供装订完整的竣工图纸及施工审查图纸):
1、全套竣工图及施工审查图(包括建筑、暖通、电气、给排水专业):
其中建筑部分图纸包含建筑的平面、立面、剖面图,节能构造大样图,门窗
(幕墙)大样图及门窗明细表;建筑总说明;建筑节能专篇;
2、建筑总平面图;
3、建筑节能设计模型、建筑节能计算报告书(设计单位提供)。
三、建设单位提供能效测评与标识资料,主要资料如下:
1、建筑节能初步设计审批意见;
2、施工图审查机构审查通过的施工图设计文件(包括建筑、暖通、电气(包括弱电)、给排水专业设计图及建筑节能设计模型,节能计算报告书,空调热负荷及逐项、逐时冷负荷计算书);施工图建筑节能专项审查意见及设计单位的回复资料;施工图建筑节能工程设计变更文件(包括变更图说、建筑节能设计模型、节能计算报告书和相应的审查文件);
3、重庆市民用建筑节能设计审查备案登记表;
4、涉及建筑节能分部工程的竣工图、施工变更、施工质量检查记录、验收报告等相关资料;
5、与建筑节能相关的设备、材料、产品(部品)合格证、进场复验报告,法定检测机构出具的节能性能检测报告;
6、已由法定检测机构进行了工程围护结构热工性能检测的,应提供检测报告;
7、采用建筑节能新技术、新设备、新材料的情况报告及按照有关规定应进行评审、鉴定及核准、备案和技术性能认定的有关文件。
建筑能效测评与标识资料清单。