【CN109979157A】森林稀有树木监测及预警系统【专利】
- 格式:pdf
- 大小:286.45 KB
- 文档页数:7
(19)中华人民共和国国家知识产权局(12)发明专利申请(10)申请公布号 (43)申请公布日 (21)申请号 201910336008.8(22)申请日 2019.04.24(71)申请人 根苗金服信息技术股份有限公司地址 100036 北京市海淀区复兴路47号天行建商务大厦0303室(72)发明人 林家伟 (74)专利代理机构 北京知呱呱知识产权代理有限公司 11577代理人 孙进华 丁彦峰(51)Int.Cl.G01N 33/00(2006.01)(54)发明名称一种苗木监测装置及方法(57)摘要一种苗木监测装置及方法,获取苗木的树围数据、震动数据、位置数据、苗木周围的光照强度数据、温度数据、湿度数据通过通信模组进行上传;预设树围预警阈值和震动预警阈值,将树围数据与树围预警阈值进行对比,将震动数据与震动预警阈值进行对比,当树围数据和震动数据至少一个超出预警阈值时进行盗窃预警;根据位置数据将苗木展示在电子地图上对应的监测点上,根据光照强度数据在电子地图上对应的监测点对苗木进行模拟光照,根据温度数据和湿度数据在电子地图上对应的监测点对苗木的环境状态进行模拟。
解决珍贵苗木资源保护及苗木资产管理工作中,人力时间成本高,信息反馈延迟,信息可靠度不确定问题,同时减少长期监管保护成本。
权利要求书2页 说明书6页 附图6页CN 110057978 A 2019.07.26C N 110057978A权 利 要 求 书1/2页CN 110057978 A1.一种苗木监测装置,包括壳体,其特征在于,所述壳体外侧粘贴有二维码标签和设备序列码标签,所述壳体内部设有微控制器、震动传感器、定位模块、拉伸传感器、电池电压传感器、光感传感器、温度传感器、湿度传感器和通信模组,所述微控制器分别与所述震动传感器、定位模块、绑带拉伸传感器、电池电压传感器、光感传感器、温度传感器、湿度传感器和通信模组经I2C端口建立连接关系;所述微控制器采用STM31L系列芯片;所述震动传感器用于检测苗木的异常震动;所述定位模块用于获取苗木的位置数据;所述拉伸传感器配置有绑带,拉伸传感器通过所述绑带缠绕在苗木树干上,拉伸传感器用于对苗木的树围进行监测;所述光感传感器用于对苗木周围的光照强度进行监测;所述温度传感器用于对苗木周围的温度进行监测;所述湿度传感器用于对苗木周围的湿度进行监测;所述通信模组采用M5310-A,通信模组用于对监测数据进行上传。
(19)中华人民共和国国家知识产权局(12)发明专利申请(10)申请公布号 (43)申请公布日 (21)申请号 202010533345.9(22)申请日 2020.06.11(71)申请人 南京林业大学地址 210037 江苏省南京市玄武区龙蟠路159号(72)发明人 张增信 高明坤 冯如 (74)专利代理机构 南京申云知识产权代理事务所(普通合伙) 32274代理人 田沛沛 邱兴天(51)Int.Cl.G01C 11/04(2006.01)G01D 21/02(2006.01)G06T 7/00(2017.01)G06T 7/62(2017.01)(54)发明名称一种树木健康的实时监测系统及方法(57)摘要本发明公开了一种树木健康的实时监测系统,包括采集终端、传输终端、树木健康自动分析终端和监控客户端,通过摄像头对树木的冠层实时监测,利用拍摄的冠层图像,将相关监测数据定期传输至传输模块,经过冠层自动分析系统处理自动估计冠层的覆盖面积,通过对比和长期资料数据的分析,判断树木的当前生长状态;当各传感器监测数据异常时,即时将异常数据上传并存储,由树木健康自动分析终端进行异常数据处理并向监控客户端发出相关指令,操作人员即可通过监控客户端接收到的指令对名木古树进行维护处理。
本发明还公开一种树木健康的实时监测方法,通过对名木古树进行科学、系统、规范化的维护及管理,延长名木古树的生长寿命。
权利要求书2页 说明书4页 附图4页CN 111578906 A 2020.08.25C N 111578906A1.一种树木健康的实时监测系统,其特征在于,包括采集终端、传输终端、树木健康自动分析终端和监控客户端;所述采集终端包括摄像头,所述摄像头用于采集树木的主干及冠幅图像数据,所述主干及冠幅图像数据通过传输终端发送至树木健康自动分析终端,所述树木健康自动分析终端基于主干及冠幅图像数据对树木处理分析,以获取树木的状态参数信息,并基于所述树木的状态参数信息生成维护建议,且将所述树木的状态参数信息和维护建议发送至所述监控客户端。
(19)中华人民共和国国家知识产权局(12)发明专利申请(10)申请公布号 (43)申请公布日 (21)申请号 201910176840.6(22)申请日 2019.03.08(71)申请人 郭弋硙地址 250000 山东省济南市历下区环山路1号4号楼1单元501号(72)发明人 郭弋硙 (74)专利代理机构 济南千慧专利事务所(普通合伙企业) 37232代理人 姜月磊(51)Int.Cl.G08B 17/00(2006.01)G08B 17/06(2006.01)G08B 17/10(2006.01)G08B 17/12(2006.01)(54)发明名称一种森林防火预警系统及方法(57)摘要本发明涉及森林防火技术领域,尤其是一种森林防火预警系统及方法。
包括:N个间隔设置的第一监控组件,主监控组件包括云台、设置于云台上的图像采集件;M个间隔设置的第二监控组件,第二监控组件包括安装件、火情监测单元、引火条件监测单元;处理单元,与第一监控组件、第二监控组件信号连接,用于判断图像采集件所采集图像上的烟火区域,并启动烟火区域位置处的火情监测单元,获得火情监测单元所监测的火情信息;其中,N为大于0的整数,M为大于1的整数,相邻第一监控组件之间的距离为L ,1KM≤L≤10KM,相邻第二监控组件之间的距离为S,20m≤S ≤50m,可以快速、精准的确定烟火区域的位置和范围,解决了现有技术中存在的问题。
权利要求书2页 说明书6页 附图2页CN 109767591 A 2019.05.17C N 109767591A权 利 要 求 书1/2页CN 109767591 A1.一种森林防火预警系统,其特征在于,包括:N个间隔设置的第一监控组件,所述主监控组件包括云台、设置于所述云台上的图像采集件;M个间隔设置的第二监控组件,所述第二监控组件包括安装件、火情监测单元、引火条件监测单元;处理单元,与所述第一监控组件、第二监控组件信号连接,用于判断所述图像采集件所采集图像上的烟火区域,并启动烟火区域位置处的火情监测单元,获得火情监测单元所监测的火情信息;其中,N为大于0的整数,M为大于1的整数,相邻所述第一监控组件之间的距离为L,1KM ≤L≤10KM,相邻所述第二监控组件之间的距离为S,20m≤S≤50m。
专利名称:智能森林防火预警系统专利类型:实用新型专利
发明人:罗昆
申请号:CN201620762733.3
申请日:20160719
公开号:CN206075464U
公开日:
20170405
专利内容由知识产权出版社提供
摘要:本实用新型公开了一种智能森林防火预警系统,包括在森林中按照设定距离布设用来测量森林内部温湿度的温湿度传感器和用来测量森林土壤表层温湿度的温湿度传感器,所述Zigbee模块同Zigbee无线局域网相无线连接,所述Zigbee无线局域网同移动通讯网络连接,所述移动通讯网络同无线通讯网络控制中心或巡山管理员的移动通讯装置相连接无线通讯网络控制中心中存储有历史上的森林火灾的温湿度数据。
避免了现有技术的准确率低、需要地面花费大量的人力、物力、财力进行核实、巡护面积小、视野狭窄、确定着火位置时常因地形地势崎岖或森林茂密而出现较大误差、成本高的问题。
申请人:南京苗苗智能科技有限公司
地址:211112 江苏省南京市江宁区禄口街道神舟路37号
国籍:CN
代理机构:北京轻创知识产权代理有限公司
代理人:谈杰
更多信息请下载全文后查看。
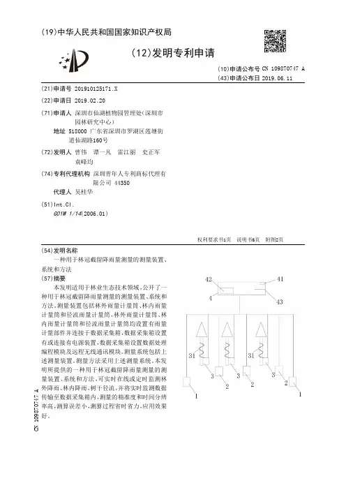
(19)中华人民共和国国家知识产权局(12)发明专利申请(10)申请公布号 (43)申请公布日 (21)申请号 201910125171.X(22)申请日 2019.02.20(71)申请人 深圳市仙湖植物园管理处(深圳市园林研究中心)地址 518000 广东省深圳市罗湖区莲塘街道仙湖路160号(72)发明人 曾伟 谭一凡 雷江丽 史正军 袁峰均 (74)专利代理机构 深圳青年人专利商标代理有限公司 44350代理人 吴桂华(51)Int.Cl.G01W 1/14(2006.01)(54)发明名称一种用于林冠截留降雨量测量的测量装置、系统和方法(57)摘要本发明适用于林业生态技术领域,公开了一种用于林冠截留降雨量测量的测量装置、系统和方法。
测量装置包括林外雨量计量筒、林内雨量计量筒和径流雨量计量筒,林外雨量计量筒、林内雨量计量筒和径流雨量计量筒均设置有雨量计量部件并连接于数据采集箱,数据采集箱设置有或连接有电源装置,数据采集箱设置数据处理编程模块及远程无线通讯模块。
测量系统包括上述测量装置。
测量方法采用上述测量系统。
本发明所提供的一种用于林冠截留降雨量测量的测量装置、系统和方法,可实时在线或定时监测林外降雨、林内降雨、树干径流,并将实时监测数据传输至数据采集箱内,测量的精准度和时间分辨率高,测算误差小,测算过程省时省力,应用效果好。
权利要求书1页 说明书6页 附图2页CN 109870747 A 2019.06.11C N 109870747A权 利 要 求 书1/1页CN 109870747 A1.一种用于林冠截留降雨量测量的测量装置,其特征在于,包括设置于林外的林外雨量计量筒、设置于林内的林内雨量计量筒和用于计量树干径流的径流雨量计量筒,所述径流雨量计量筒连接有缠绕于树径上的收集管,所述收集管具有收集开口槽,且所述收集管与所述树径之间设置有密封胶;所述径流雨量计量筒具有盖体,所述收集管的一端插于所述径流雨量计量筒或所述盖体,所述径流雨量计量筒或所述盖体设置有插孔,所述收集管的外侧与所述插孔之间密封;所述林外雨量计量筒、林内雨量计量筒和所述径流雨量计量筒均设置有雨量计量部件,各所述雨量计量部件连接于数据采集箱,所述数据采集箱设置有或连接有电源装置,所述数据采集箱设置有或连接有数据处理编程模块及用于发送雨量计量数据的远程无线通讯模块。
专利名称:一种古树名木病虫害防治预警系统专利类型:发明专利
发明人:刘洪全,陈超,张国文
申请号:CN202110022846.5
申请日:20210108
公开号:CN112825832A
公开日:
20210525
专利内容由知识产权出版社提供
摘要:本发明公开了一种古树名木病虫害防治预警系统,包括分区检测模块、ARM控制器、分区捕捉模块、存储器、数据信息库、虫害对比模块、通信模块以及诱捕控制装置,分区检测模块连接ARM控制器以用于采集古树名木的风速信息、降水量信息、温湿度信息;分区捕捉模块连接ARM控制器;存储器连接ARM控制器以用于对分区检测模块的采集信息以及虫害信息进行本地端存储。
通过设置分区检测模块、存储器、数据信息库、虫害对比模块、通信模块以及诱捕控制装置的配合连接方式,使得本发明解决了现有技术无法及时预估以及处理古树名木上的虫害信息的问题,从而具备实时采集害虫信息、精准捕捉害虫、自动化处理以及实现本地端与远端数据库信息交互的优点。
申请人:江苏久智环境科技服务有限公司
地址:210000 江苏省南京市江宁区百家湖科技产业园10栋
国籍:CN
代理机构:南京禾易知识产权代理有限公司
代理人:王彩君
更多信息请下载全文后查看。
专利名称:一种森林防火预警系统专利类型:发明专利
发明人:李勇,熊新明,杨兴光
申请号:CN202010184880.8申请日:20200317
公开号:CN111508179A
公开日:
20200807
专利内容由知识产权出版社提供
摘要:本发明属于森林防火领域,尤其是一种森林防火预警系统,针对现有的森林火灾探测技术发展滞后,森林大火时有发生,经济损失异常巨大的问题,现提出如下方案,其包括监控模块、通讯模块、处理模块、报警模块、喷淋模块和太阳能供电模块,所述监控模块与通讯模块相连接,所述通讯模块与处理模块相连接,所述处理模块与报警模块和喷淋模块相连接,所述太阳能模块与监控模块、通讯模块、处理模块、报警模块和喷淋模块相连接,所述监控模块包括温度传感器单元、湿度传感器单元、风速传感器单元、风向传感器单元和红外摄像头单元。
本发明能够在森林发生小火时能够立即将小火扑灭,防止引发较大的火灾,智能化程度高,使用操作便捷。
申请人:猫头鹰安防科技有限公司
地址:518000 广东省深圳市龙华区观澜街道广培社区高尔夫大道5号1014(D11)
国籍:CN
代理机构:成都华复知识产权代理有限公司
代理人:任丽娜
更多信息请下载全文后查看。
专利名称:一种森林防火智能监测预警系统及方法专利类型:发明专利
发明人:王崇顺,徐军建,张鹏
申请号:CN201910775456.8
申请日:20190821
公开号:CN110390787A
公开日:
20191029
专利内容由知识产权出版社提供
摘要:本发明提供一种森林防火智能监测预警系统及方法。
该系统包括监测模块、通讯模块和后台模块,监测模块中采集设备包括光摄像机、热成像摄像机、无线烟火探测器、气象站;通讯模块包括无线和有线通信模块;后台模块包括显示器、火灾分析预警器及管理平台硬件;采集设备将采集数据传输至编码器编码,通过通讯模块传输至后台模块,后台模块通过解码器对采集数据解码,在后台的显示器上展示采集数据,分析预警器分析火灾发生可能性,生成火灾基础信息。
通过该方案解决现有森林巡护成本高、预警不及时的问题,降低森林火灾监测成本,可以保障对火灾的实时显示预警。
申请人:湖北泰龙互联通信股份有限公司
地址:430000 湖北省武汉市东湖开发区光谷大道35号银久科技产业园一期6幢7层
国籍:CN
代理机构:武汉蓝宝石专利代理事务所(特殊普通合伙)
代理人:严超
更多信息请下载全文后查看。
(19)中华人民共和国国家知识产权局(12)发明专利申请(10)申请公布号 (43)申请公布日 (21)申请号 201611264425.9(22)申请日 2016.12.30(71)申请人 安徽杰瑞信息科技有限公司地址 230000 安徽省合肥市高新区科学大道103号浙商大厦A-601(72)发明人 卢玲 (74)专利代理机构 北京联瑞联丰知识产权代理事务所(普通合伙) 11411代理人 郑自群(51)Int.Cl.G08B 17/00(2006.01)(54)发明名称一种基于物联网的森林火灾预警系统(57)摘要本发明提供了一种基于物联网的森林火灾预警系统,包括监测装置和监控平台;监测装置包括烟雾传感器、温度传感器、风向传感器、摄像机和控制器;烟雾传感器、温度传感器、风向传感器和摄像机与控制器连接,风向传感器与摄像机连接;摄像机设置有云台;控制器设置有无线通讯装置,控制器通过无线通讯装置与监控平台连接;监控平台与监测装置无线连接。
本发明能够节省人力物力,及时发现火情。
权利要求书1页 说明书3页 附图1页CN 106530577 A 2017.03.22C N 106530577A1.一种基于物联网的森林火灾预警系统,其特征在于,包括监测装置和监控平台;所述监测装置包括烟雾传感器、温度传感器、风向传感器、摄像机和控制器;所述烟雾传感器、所述温度传感器、所述风向传感器和所述摄像机与所述控制器连接,所述风向传感器与所述摄像机连接;所述摄像机设置有云台;所述控制器设置有无线通讯装置,所述控制器通过所述无线通讯装置与所述监控平台连接;所述监控平台与所述监测装置无线连接。
2.如权利要求1所述的基于物联网的森林火灾预警系统,其特征在于,所述摄像机设置有透明防火涂层。
3.如权利要求1所述的基于物联网的森林火灾预警系统,其特征在于,所述控制器连接有温控器和防火隔板,所述防火隔板设置在所述监测装置外部,所述防火隔板与所述温控器连接,所述温控器控制所述防火隔板打开或关闭。
(19)中华人民共和国国家知识产权局
(12)发明专利申请
(10)申请公布号 (43)申请公布日 (21)申请号 201910379956.X
(22)申请日 2019.05.08
(71)申请人 广西贺州市网源科技有限公司
地址 542800 广西壮族自治区梧州市贺州
市八步区太白社区东坡巷11号
(72)发明人 龙大源
(74)专利代理机构 北京世誉鑫诚专利代理事务
所(普通合伙) 11368
代理人 孙国栋
(51)Int.Cl.
G08B 19/00(2006.01)
H04W 4/029(2018.01)
H04W 4/38(2018.01)
H04N 7/18(2006.01)
H04L 29/08(2006.01)
G01D 21/02(2006.01)
(54)发明名称
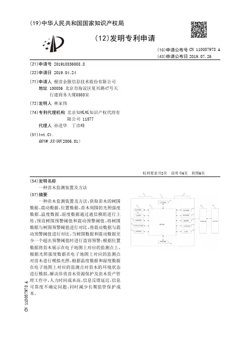
森林稀有树木监测及预警系统
(57)摘要
本发明公开的森林稀有树木预警系统,涉及
森林预警技术领域,包括Lora模块、Lora基站、数
据采集模块、云服务器及后台服务器,使得在4G
信号不能覆盖的情况下,也能实现对深林稀有树
木的监测及预警,功耗低,在同样的功耗条件下
比其他无线方式传播的距离更远,实现了低功耗
和远距离的统一,
提高了通用性及耐用性。
权利要求书1页 说明书4页 附图1页CN 109979157 A 2019.07.05
C N 109979157
A
权 利 要 求 书1/1页CN 109979157 A
1.一种森林稀有树木监测及预警系统,其特征在于,包括:
Lora模块、Lora基站、数据采集模块、云服务器及后台服务器,其中:
所述数据采集模块,包括图像传感器、温度传感器、定位传感器、位移传感器及倾角传感器;
所述Lora模块内置4G模块,植入在稀有树木内,用于利用所述Lora基站实时传输数据,其中,所述Lora基站设置于距离森林设定的范围内;
所述图像传感器,用于实时采集稀有树木周围的视频数据并将所述视频数据发送至所述云服务器;
所述温度传感器,用于实时采集稀有树木周围的温度数据并将所述温度数据发送至所述云服务器;
所述定位传感器,用于实时采集稀有树木的位置数据;
所述位移传感器,用于监测稀有树木的水平方向的位移数据并将所述位移数据发送至所述云服务器;
所述倾角传感器,用于监测稀有树木与地面之间的角度数据并将所述角度数据发送至所述云服务器;
所述云服务器,用于实时接收所述数据采集模块发送的数据并对所述数据加密后,将所述数据发送至所述后台服务器;
所述后台服务器,用于实时接收所述云服务器发送的数据,对所述数据进行解密后解析所述数据,判断稀有树木是否被砍伐或存在着火险情,若是,则发送预警信息及所述稀有树木的位置数据至客户端。
2.根据权利要求1所述的森林稀有树木监测及预警系统,其特征在于,所述后台服务器具体用于,
根据所述视频数据,判断稀有树木附近是否有人;
若是,则判断所述位移数据是否大于设定的阈值,若是,则进一步判断所述角度数据是否小于设定的阈值,若是,则确定稀有树木被砍伐。
3.根据权利要求1所述的森林稀有树木监测及预警系统,其特征在于,所述后台服务器具体用于,
判断所述温度数据是否大于设定的阈值,若是,则确定稀有树木存在着火险情。
4.根据权利要求1所述的森林稀有树木监测及预警系统,其特征在于,
所述Lora模块型号为SX1301。
2。