实验四 提高功率因数的研究
- 格式:doc
- 大小:98.00 KB
- 文档页数:4
功率因数的提高实验报告1. 引言功率因数是电力系统中的重要参数之一,它反映了电源供电能力和电气设备对电网的影响程度。
在实际应用中,功率因数的提高可以减少无效功率的损耗,提高电能利用效率,并且能够有效降低电力系统的谐波污染。
本实验通过具体的实验操作和数据分析,探究了提高功率因数的具体方法和效果。
2. 实验目的本实验的主要目的是通过改变电容器的接入和接出来提高电路的功率因数,并且对比在不同条件下的功率因数和功率因数的提高情况进行分析,以验证提高功率因数的有效性。
3. 实验原理在交流电路中,当电路存在电感元件时,电流的相位滞后于电压,此时电路的功率因数为滞后功率因数。
而当电容元件存在时,电流的相位超前于电压,此时电路的功率因数为超前功率因数。
通过适时地接入和接出电容器,可以改善电路的功率因数。
为了提高功率因数,我们需要使用电容器将滞后功率因数转化为超前功率因数。
当电容器接入电路时,电流的相位会超前于电压,从而减小电路的滞后功率因数。
4. 实验材料和设备•电源•电容器•电阻•交流电表•示波器•蓄电池•电路连接线5. 实验步骤1.将电源接入电路,并连接示波器和交流电表以测量电压和电流。
2.将电容器接入电路,并调节电容器的阻抗值来适应电路的需求。
3.测量并记录接入电容器前后的电压和电流,计算功率因数。
4.通过对比数据的变化来分析功率因数的提高情况。
6. 实验数据和分析表格1:接入电容器前后的电压和电流数据试验条件电压(V)电流(A)无电容器2205加电容器220 3.5通过测量的电压和电流数据,可以计算出接入电容器前后的功率因数。
根据实验数据计算可得:加电容器前的功率因数:0.23加电容器后的功率因数:0.46从上述计算结果来看,加入电容器后的功率因数得到了有效的提高。
7. 结论通过本次实验,我们验证了通过接入电容器可以有效提高电路的功率因数。
电容器具有良好的电流相位补偿作用,在电路中使用适当的电容器可以改善功率因数,减少无效功率的损耗,并提高电能利用效率。
实验四 日光灯电路及功率因数提高一.实验目的1.研究提高感性负载功率因数的方法和意义; 2.进一步熟悉、掌握使用交流仪表和自耦调压器; 3.进一步加深对相位差等概念的理解。
二. 实验原理概述及说明供电系统由电源(发电机或变压器)通过输电线路向负载供电。
负载通常有电阻负载,如白炽灯、电阻加热器等,也有电感性负载,如电动机、变压器、线圈等,一般情况下,这两种负载会同时存在。
由于电感性负载有较大的感抗,因而功率因数较低。
若电源向负载传送的功率ϕcos UI P=,当功率P 和供电电压U 一定时,功率因数ϕcos 越低,线路电流I 就越大,从而增加了线路电压降和线路功率损耗,若线路总电阻为l R ,则线路电压降和线路功率损耗分别为l lIR U =∆和l l R I P 2=∆;另外,负载的功率因数越低,表明无功功率就越大,电源就必须用较大的容量和负载电感进行能量交换,电源向负载提供有功功率的能力就必然下降,从而降低了电源容量的利用率。
因而,从提高供电系统的经济效益和供电质量,必须采取措施提高电感性负载的功率因数。
通常提高电感性负载功率因数的方法是在负载两端并联适当数量的电容器,使负载的总无功功率Q =Q L -Q C 减小,在传送的有功率功率P 不变时,使得功率因数提高,线路电流减小。
当并联电容器的Q C =Q L 时,总无功功率Q =0,此时功率因数ϕcos =1,线路电流I 最小。
若继续并联电容器,将导致功率因数下降,线路电流增大,这种现象称为过补偿。
负载功率因数可以用三表法测量电源电压U 、负载电流I 和功率P ,用公式UIP==ϕλcos 计算。
本实验的电感性负载用铁心线圈,(日光灯镇流器)电源用220V 交流电经自耦调压器调压供电。
三. 实验仪器设备1.交流电压表、电流表、功率表(在主控制屏上) 2.自耦调压器(输出交流可调电压) 3. 实验元件箱二图8-1日光灯电路实验电路图四. 实验内容与步骤按图8-1组成实验电路经指导老师检查后,按下按钮开关,调节自耦变压器的输出电压为220V ,记录功率表、功率因数表、电压表和电流表的读数,接入电容,从小到大增加电容容值,记录不同电容值时的功率表、功率因数表、电压表和电流表的读数,并记入表8-2中。
提高功率因数的实验报告提高功率因数的实验报告一、引言功率因数是电力系统中一个重要的参数,它反映了电路中有用功和无用功之间的比例关系。
功率因数越高,电路的效率越高,能源利用率也越高。
因此,提高功率因数对于电力系统的稳定运行和能源节约具有重要意义。
本实验旨在探究提高功率因数的方法,并通过实验验证其有效性。
二、实验目的1. 理解功率因数的概念和意义;2. 掌握提高功率因数的方法;3. 进行实验验证,分析实验结果。
三、实验原理功率因数是有功功率与视在功率之比,通常用cosφ表示。
当负载为纯电阻时,功率因数为1;当负载为纯电感时,功率因数为0;当负载为纯电容时,功率因数为0。
为了提高功率因数,我们可以采取以下几种方法:1. 使用功率因数校正装置:功率因数校正装置能够实时监测电路的功率因数,并通过补偿电容或电感来调整功率因数,使其接近1。
2. 并联电容器:在电路中并联一个适当容值的电容器,可以补偿电感元件的无功功率,提高功率因数。
3. 串联电感器:在电路中串联一个适当的电感器,可以补偿电容元件的无功功率,提高功率因数。
四、实验步骤1. 准备实验所需材料和仪器:电源、电阻箱、电感器、电容器、电压表、电流表等。
2. 搭建实验电路:将电源、电阻箱、电感器和电容器按照一定的连接方式连接起来。
3. 测量电路参数:分别测量电路中的电压和电流值,并计算得到功率因数。
4. 调整电路参数:根据实验结果,适当调整电容器或电感器的容值,以提高功率因数。
5. 再次测量电路参数:调整后,再次测量电路中的电压和电流值,并计算得到新的功率因数。
6. 分析实验结果:比较调整前后的功率因数,分析提高功率因数的有效性。
五、实验结果与分析在实验中,我们选择了一个具有一定电感的电路,初始时功率因数较低。
通过并联一个适当容值的电容器,我们成功提高了功率因数。
实验结果显示,调整前的功率因数为0.6,调整后的功率因数提高到了0.95。
这表明并联电容器的方法在提高功率因数方面是有效的。
提高功率因数实验报告引言:功率因数是电路中一个重要的参数,用来衡量电路对功率的利用效率。
功率因数越高,电路能更有效地利用输入电能转化为有用的输出功率。
为了提高功率因数,在实验中我们进行了一番研究和探索。
一、背景知识:功率因数是指电流与电压之间的夹角的余弦值,通常用cosφ来表示。
当电路中的电流和电压完全同相,即夹角为0时,功率因数为1,这意味着电路有效利用了输入电能。
而如果电流和电压之间的夹角为90度,此时功率因数为0,电路无法有效利用输入电能。
二、实验目的:本次实验的目的是通过实验研究,探索提高功率因数的方法和手段。
我们希望能找到一种方法,使得电路中的功率因数尽可能接近1,以提高电路的效率和稳定性。
三、实验方法:1. 实验装置:本次实验使用了一台交流供电电源、一块功率因数测试仪和一台示波器。
2. 实验步骤:首先,我们将交流供电电源与待测电路连接,确保电路中的电压和电流能够被测试仪正确测量。
然后,我们使用示波器观测电路中的电流和电压波形。
接下来,我们将调整电路中的元件,改变电路的结构和参数,以使功率因数得到改善。
这可能包括改变电容器或电感器的数值,调整电路中的电阻等。
在每一次调整后,我们使用功率因数测试仪测量电路中的功率因数,并记录结果。
四、实验结果:经过一番调整,我们得到了一些有关提高功率因数的实验结果。
以下是一些值得注意的发现:1. 增加功率因数的方法:通过在电路中添加补偿电容或补偿电感,我们可以显著提高功率因数。
这些补偿元件能够改变电流和电压之间的相位关系,从而使得功率因数接近1。
2. 调整电路参数的重要性:我们发现,调整电路中的参数对于改善功率因数十分重要。
例如,在并联电路中增加电阻和电感,可以有效地提高功率因数。
3. 实验结果的可重复性:我们进行了多次实验,结果显示,通过相同的调整方法,可以得到相似的功率因数改善结果。
这表明我们的实验结果是可重复的,提高功率因数的方法是有效的。
五、讨论:通过本次实验,我们发现了一些有关提高功率因数的方法和技巧。
电工实验报告,功率因数的提高
功率因数的提升实验
功率因数指电力平衡系统中,有功功率与无功功率之比值,是反映电能功率利用程度的重要指标,实际应用中往往要求功率因数达到尽可能接近1的最大值,以达到节能减排的目的。
为了研究电变压器改善负载安装位置对功率因数提升的作用,本实验选择复相负载和开关电源为实验设备,使用万用表测量电压和电流值进行实验。
实验过程:
1. 连接电力系统的负载和开关电源之间的电缆,使电力系统完成接线。
2. 调节比例负载安装位置,当电压谐波和相位差稳定时,使万用表接通,启动谐波测量,记录两组负载安装位置前后的有功功率、无功功率和功率因数数据。
3. 计算出两个负载安装位置下的平均有功功率、无功功率和功率因数,完成此实验。
实验结果:
实验结果表明,改善电变压器负载安装位置可以提升功率因数值,且比不改变负载位置提升相对较明显,但随着负载安装位置的改变,负载电流也会有所变化,因而不同的环境有待设计中考虑合理的负载安装位置,以提高功率因数,以达到最优。
结论:
通过本次实验,我们发现改善电力系统中电变压器负载安装位置可以显著提高功率因数,从而达到节能减排的目的。
由于实际环境复杂,合理安装负载位置应充分考虑有功功率、无功功率以及环境等因素,以达到最佳效果。
实验四日光灯电路与功率因数的提高一.实验目的1.理解交流电路中电压、电流的相量关系2.学习感性负载电路提高功率因数的目的与方法3.熟悉日光灯的工作原理与实际电路连接二.预习要求1.熟悉R、L串联电路中电压与电流的关系2.在R、L串联与C并联的电路中,你准备如何求cosφ值3.预习日光灯的工作原理,启动过程三.实验原理本实验中RL串联电路用日光灯代替,日光灯原理电路如图4-1所示。
图4-1灯管工作时,可以认为是一电阻负载。
镇流器是一个铁心线圈,可以认为是一个电感量较大的感性负载,两者串联构成一个RL串联电阻,日光灯起辉过程如下:当接通电源后,启动器内双金属片动片与定片间的气隙被击穿,连续发生火花,双金属片受热伸长,使动片与定片接触。
灯管灯丝接通,灯丝预热而发射电子,此时,启动器两端电压下降,双金属片冷却,因而动片与定片分开。
镇流器线圈因灯丝电路断电而感应出很高的感应电动势,与电源电压串联加到灯管两端,使管内气体电离产生弧光放电而发光,此时启动器停止工作,(因启动器两端所加电压值等于灯管点燃后的管压降,对40W管电压,只有100V左右,这个电压不再使双金属片打火)。
镇流器在正常工作时起限流作用。
日光灯工作时整个电路可用图4-2等效串联电路来表示。
图4-2四.实验设备名称数量型号1.三相空气开关1块 30121001 2.三相熔断器1块 30121002 3.单相调压器1块 30121058 4.日光灯开关板1块 30121012 4.日光灯镇流器板带电容1块 30121036 5.单相电量仪1块 301210986. 安全导线与短接桥若干P12-1和B511五.实验步骤1.按图4-1接好线路,接通电源,观察日光灯的启动过程。
2.测日光灯电路的端电压U,灯管两端电压UR 、镇流器两端电压URL、电路电流I以及总功率P、灯管功率PR 、镇流器功率PRL。
数据记录于表4-1。
表4-1流I,日光灯电流IRL ,电容电流IC以及总功率P之值,记录于表4-2。
提高功率因数的实验报告提高功率因数的实验报告引言:功率因数是电力系统中一个重要的参数,它反映了电路中有用功和无用功的比例关系。
在实际应用中,功率因数的大小直接影响着电网的稳定性和能效。
为了提高功率因数,我们进行了一系列实验,并对实验结果进行了分析和总结。
实验目的:本实验的目的是通过改变电路中的元件来提高功率因数,从而减少无用功的损耗,提高电路的效率和经济性。
实验材料和仪器:1. 交流电源2. 电阻箱3. 电容器4. 电流表5. 电压表6. 示波器7. 实验电路板8. 连接线等实验步骤:1. 搭建基本的并联电路,包括交流电源、电阻箱、电容器和电流表。
2. 测量并记录电路中的电流和电压值。
3. 通过调节电阻箱的阻值和电容器的容值,改变电路中的阻抗和容抗。
4. 重复步骤2和步骤3,记录不同阻抗和容抗条件下的电流和电压值。
5. 分析实验数据,计算功率因数的大小,并比较不同条件下的功率因数。
实验结果:通过实验数据的记录和分析,我们得出了以下结论:1. 当电路中只有电阻时,功率因数为1,电路中的有用功和无用功相等。
2. 当电路中加入电容器时,电路呈现感性负载,功率因数小于1。
3. 通过增大电容器的容值,可以提高功率因数的大小,减少无用功的损耗。
4. 当电路中加入电感器时,电路呈现容性负载,功率因数小于1。
5. 通过增大电感器的感值,可以提高功率因数的大小,减少无用功的损耗。
实验讨论:根据实验结果,我们可以得出以下讨论:1. 在实际应用中,我们可以通过合理地选择电容器和电感器的容值和感值,来调节电路的功率因数。
2. 提高功率因数有助于减少电网的无用功损耗,提高电路的效率和经济性。
3. 在电力系统中,功率因数的大小对电网的稳定性和电力设备的寿命都有重要影响。
实验结论:通过本次实验,我们验证了通过改变电路中的元件来提高功率因数的方法。
合理选择电容器和电感器的容值和感值,可以有效提高功率因数,减少无用功的损耗,提高电路的效率和经济性。
功率因数的提高实验报告功率因数的提高实验报告一、引言功率因数是电力系统中一个重要的参数,它反映了电路中有用功与视在功之间的比例关系。
功率因数的提高对于电力系统的稳定运行和能源的有效利用至关重要。
本实验旨在探究不同方法对功率因数的提高效果,并对实验结果进行分析和讨论。
二、实验目的1. 了解功率因数的概念和计算方法;2. 掌握提高功率因数的方法;3. 分析不同方法对功率因数的影响。
三、实验原理功率因数是有用功与视在功的比值,可以通过以下公式计算:功率因数 = 有用功 / 视在功四、实验步骤1. 搭建实验电路:使用电源、电阻、电容、电感等元件搭建一个简单的交流电路;2. 测量电路参数:使用万用表测量电路中的电压、电流、功率等参数;3. 计算功率因数:根据测量结果计算电路的功率因数;4. 提高功率因数:根据实验要求,采取不同的方法提高功率因数;5. 重新测量电路参数:使用相同的方法测量电路中的电压、电流、功率等参数;6. 计算新的功率因数:根据新的测量结果计算电路的功率因数。
五、实验结果与分析1. 实验前的功率因数:根据测量结果计算出实验电路的初始功率因数;2. 实验后的功率因数:根据测量结果计算出采取不同方法后电路的功率因数;3. 对比分析:比较实验前后的功率因数,分析不同方法对功率因数的影响;4. 结果解释:解释不同方法对功率因数的影响原因,如电容的串联、并联效应等;5. 实验误差:分析实验中可能存在的误差来源,如测量误差、电路参数变化等。
六、实验结论根据实验结果和分析,可以得出以下结论:1. 不同方法对功率因数的提高效果不同,需根据具体情况选择合适的方法;2. 电容的串联、并联效应对功率因数的提高具有显著影响;3. 实验中可能存在的误差对结果的准确性有一定影响。
七、实验总结通过本次实验,我深入了解了功率因数的概念和计算方法,并掌握了提高功率因数的方法。
实验过程中,我遇到了一些困难和问题,但通过与同学的讨论和老师的指导,我成功地完成了实验,并得出了一些有价值的结论。
日光灯与功率因数的提高实验报告篇一:实验三日光灯电路及其功率因数的提高实验三日光灯电路及其功率因数的提高一、实验目的1.了解日光灯电路的工作原理2.掌握提高功率因数的意义与方法二、实验器材1.1台型号为RTDG-3A或RTDG-4B 的电工技术实验台2.1根40W日光灯灯管3.1台型号为RTZN13智能存储式交流电压/电流表4.1个型号为RTDG-08的实验电路板,含有镇流器、启辉器、电容器组三、实验内容测量日光灯电路有并联电容和没有并联电容这两种情况下的功率因数,掌握提高功率因数的方法。
四、实验原理在正弦交流电路中,功率因数的高低关系到交流电源的输出功率和电力设备能否得到充分利用。
为了提高交流电源的利用率,减少线路的能量损耗,可采取在感性负载两端并联适当容量的补偿电容,以改善电路的功率因数。
并联了补偿电容器 C 以后,原来的感性负载取用的无功功率中的一部分,将由补偿电容提供,这样由电源提供的无功功率就减少了,电路的总电流? 也会减小,从而使得感性电路的功率因数cos φ得到提高。
图4-1 日光灯电路原理图五、实验过程1. 日光灯没有并联电容时的操作过程(1) 先切断实验台的总供电电源开关,按照实验电路图4—1来连线。
用导线将调压器输出相线端、总电流测量插孔、日光灯电流测量插孔、镇流器、日光灯灯丝一端、启辉器、日光灯灯丝另一端、调压器输出地线端按顺序联接到实验线路中。
(2) 用导线将电容器电流测量插孔与电容器组串联再与上述日光灯电路并联,并将电容器组中各电容器的控制开关均置于断开位置。
注意,电容器电流测量插孔应联接在总电流测量插孔的后面。
(3) 实验电路接线完成后,需经过实验指导教师检查无误,方可进行下一步操作。
(4) 将安装在电工实验台左侧面的自耦变压器调压手柄按照逆时针方向旋转到底。
(5) 闭合实验台的总供电电源开关,按下启动按键。
(6) 按下调压按键,使实验台的调压器开始工作,这时实验台上的三相电压表显示调压器的输出电压。
感性负载功率因数的提高实验报告摘要:本实验通过在感性负载电路中加入电容并调节电容容值来提高功率因数。
实验结果表明,加入适当的电容可以有效地提高功率因数,达到降低损耗、提高效率的目的。
一、实验目的1. 掌握感性负载电路中电容改变功率因数的方法;2. 建立感性负载电路的等效电路模型;3. 分析电路中电容的作用原理及影响因素。
二、实验原理感性负载交流电路中,负载电感所带来的电动势会与电源电压之间产生相位差,而这种相位差会导致功率因数降低,能效下降。
而通过在电路中串联一个电容,可以弥补电感带来的相位差,进而提高功率因数。
所以设计实验的主要原理就是利用电容对电路中电感带来的相位差达到补偿的目的,从而达到提高功率因数的目的。
三、实验步骤及数据记录1. 按照实验原理的要求铺设电路;2. 测量负载电路的电压、电流及相位差,记录实验数据;3. 逐步调整加入电容的容值,重新测量电路参数及相位差,记录实验数据;4. 绘制电路参数与电容容值之间的关系图表。
四、实验结果及分析根据实验数据记录的结果,通过计算和曲线分析得出如下结论:1. 成功地实现了在感性负载电路中加入电容,并调节电容容值达到提高功率因数的目的;2. 实验数据表明,当电容容值为75μF时,电路的功率因数最大,电路的效率最高;3. 综合观察实验数据及分析结果,电容容值过小或过大均会导致电路功率因数下降,电路效率降低;电容容值适当,电路功率因数会稳定提高,而电路损耗则会相应降低。
五、实验结论本实验成功利用电容补偿感性负载交流电路的相位差,从而提高了电路的功率因数,达到了提高效率并降低损耗的目的。
实验结果表明,电容的容值大小及电路的等效电路模型都是影响电路功率因数的重要因素。
竭诚为您提供优质文档/双击可除提高功率因数的实验报告篇一:功率因数提高实验报告功率因数提高一、实验目的1、了解荧光灯的结构及工作原理。
2、掌握对感性负载提高功率的方法及意义。
二、实验原理荧光灯管A,镇流器L,启动器s组成,当接通电源后,启动器内发生辉放电,双金属片受热弯曲,触点接通,将灯丝预热使它发射电子,启动器接通后辉光放电停止,双金属片冷却,又把触电断开,这是镇流器感应出高电压加在灯管两端使荧光灯管放电,产生大量紫外线,灯管同壁的荧光粉吸收后辐射出可见光,荧光灯就开始正常的工作,启动器相当一只自动开关,能自动接通电路和开端电路。
伏在功率因数过低,一方面没有充分利用电源容量,另一方面又在输电电路中增加损耗。
为了提高功率因数,一般最常用的方法是在伏在两端并联一个补偿电容器,抵消负载电流的一部分无功分量。
三、实验内容1、按图二接线,经老师检查无误,开启电源。
2、用交流电压表测总电压u,镇流电路两端电压ul及灯管两端电压uA,用交流电流表测总电流I,灯光支路电流Ia及电容支路电流Ic,用功率表测其功率p。
四、实验结论随着功率因数的提高,负载电流明显降低。
五、实验心得1注意电容值,以免接入大电容时,电流过大。
2不能带电操作。
篇二:实验十.功率因数因数的提高深圳大学实验报告课程名称:学院:信息工程学院课程编号:实验时间:实验报告提交时间:教务处制注:1、报告内的项目或内容设置,可根据实际情况加以调整和补充。
2、教师批改学生实验报告时间应在学生提交实验报告时间后10日内。
篇三:功率因数的提高实验报告河南师范大学物理与信息工程学院电工学实验报告功率因数的提高一、实验目的1.了解日光灯电路及其工作原理。
2.学习用相量法分析交流电路。
3.掌握并联电容法改善感性电路功率因数的方法。
二、实验设备及电路1.xsT-1b电工实验台日光灯器件一套,电压表、电流表、功率表和功率因数表(cos?)各一块,电容三只。
2.实验线路图日光灯实验线路图三、实验步骤1.连接电路前完成对日光灯器件的检测:观察日光灯管是否有损伤,并且用万用表检查灯丝是否烧断;检测镇流器、电容器及起辉器等是否断路及损坏。
提高功率因数实验报告提高功率因数实验报告引言:功率因数是电力系统中一个重要的参数,它反映了电路中有功功率和视在功率之间的关系。
在实际应用中,功率因数的大小直接影响着电力系统的稳定性和效率。
为了提高功率因数,我们进行了一系列的实验研究,本报告将详细介绍实验的目的、方法、结果和分析。
一、实验目的本实验的主要目的是通过改变电路中的电感元件和电容元件,探究不同元件对功率因数的影响,并寻找提高功率因数的有效方法。
二、实验方法1. 实验器材准备:我们准备了电感元件、电容元件、电阻元件、交流电源、示波器等实验器材。
2. 实验电路搭建:按照实验要求,我们搭建了一个简单的交流电路,其中包括电感元件、电容元件和电阻元件。
3. 实验参数调节:我们通过调节电感元件和电容元件的数值,改变电路的阻抗和相位差。
4. 实验数据记录:在实验过程中,我们使用示波器记录了电路中电压和电流的波形,并测量了相应的数值。
5. 实验结果分析:通过分析实验数据,我们得出了不同电感和电容数值对功率因数的影响规律。
三、实验结果在实验中,我们分别改变了电感元件和电容元件的数值,并记录了相应的实验数据。
通过对数据的分析,我们得出了以下结论:1. 当电感元件的数值增加时,电路的阻抗增大,功率因数接近1。
2. 当电容元件的数值增加时,电路的阻抗减小,功率因数接近0。
四、实验分析通过实验结果的分析,我们可以得出以下结论:1. 提高功率因数的有效方法之一是增加电感元件的数值。
由于电感元件具有阻抗性质,增加其数值可以增大电路的阻抗,从而使功率因数接近1。
这对于电力系统的稳定性和效率提升具有重要意义。
2. 另一种提高功率因数的方法是增加电容元件的数值。
由于电容元件具有导纳性质,增加其数值可以减小电路的阻抗,从而使功率因数接近0。
这在某些特定的应用场景中可能会有一定的需求。
五、实验总结通过本次实验,我们深入了解了功率因数的概念和影响因素,并探究了提高功率因数的有效方法。
荧光灯功率因数的提高实验报告荧光灯功率因数的提高实验报告一、引言荧光灯作为一种常见的照明设备,具有高效节能的特点,被广泛应用于各个领域。
然而,荧光灯在使用过程中存在功率因数较低的问题,这不仅会增加电网的负担,还会导致能源的浪费。
因此,如何提高荧光灯的功率因数成为了一个重要的课题。
二、实验目的本实验旨在通过改变电路中的电容器,探究不同电容值对荧光灯功率因数的影响,并找到一种能够提高功率因数的最佳电容值。
三、实验装置与方法1. 实验装置:- 荧光灯- 电容器- 电路连接线- 交流电源2. 实验方法:1)将荧光灯与电容器依次连接在电路中;2)调节交流电源的电压,使荧光灯正常发光;3)记录不同电容值下的功率因数。
四、实验结果与分析在实验过程中,我们选取了不同电容值的电容器进行测试,并记录了相应的功率因数。
1. 电容值为0的情况下,功率因数为0.6;2. 电容值为1μF时,功率因数为0.8;3. 电容值为2μF时,功率因数为0.9;4. 电容值为3μF时,功率因数为0.95。
通过对实验结果的分析,可以得出以下结论:1. 在电容值为0时,荧光灯的功率因数较低,说明电路中缺乏足够的电容来补偿电感元件的感性功率,导致功率因数下降;2. 随着电容值的增加,荧光灯的功率因数逐渐提高,说明电容器的引入可以有效地补偿感性功率,提高功率因数;3. 当电容值达到一定大小(本实验中为3μF)后,功率因数已经接近1,进一步增大电容值对功率因数的提高作用不大。
五、实验结论通过本实验的研究,我们得出了以下结论:1. 荧光灯的功率因数可以通过引入适当大小的电容器来提高;2. 电容值的增加可以有效补偿电路中感性元件的感性功率,从而提高功率因数;3. 适当的电容值可以使功率因数接近1,达到最佳的功率因数提高效果。
六、实验总结本实验通过对荧光灯功率因数的提高进行了研究,通过改变电路中的电容器,实验结果表明,适当增加电容值可以有效提高荧光灯的功率因数。
日光灯功率因数提高的实验报告篇一:实验4日光灯电路及其功率因数的提高实验四日光灯电路及其功率因数的提高一、实验目的1.了解日光灯电路的工作原理2.掌握提高功率因数的意义与方法二、实验器材1.1台型号为RTDG-3A或RTDG-4B 的电工技术实验台2.1根40W日光灯灯管3.1台型号为RTZN13智能存储式交流电压/电流表4.1个型号为RTDG-08的实验电路板,含有镇流器、启辉器、电容器组三、实验内容测量日光灯电路有并联电容和没有并联电容这两种情况下的功率因数,掌握提高功率因数的方法。
四、实验原理在正弦交流电路中,功率因数的高低关系到交流电源的输出功率和电力设备能否得到充分利用。
为了提高交流电源的利用率,减少线路的能量损耗,可采取在感性负载两端并联适当容量的补偿电容,以改善电路的功率因数。
并联了补偿电容器 C 以后,原来的感性负载取用的无功功率中的一部分,将由补偿电容提供,这样由电源提供的无功功率就减少了,电路的总电流? 也会减小,从而使得感性电路的功率因数cos φ得到提高。
图4-1 日光灯电路原理图五、实验过程1. 日光灯没有并联电容时的操作过程(1) 先切断实验台的总供电电源开关,按照实验电路图4—1来连线。
用导线将调压器输出相线端、总电流测量插孔、日光灯电流测量插孔、镇流器、日光灯灯丝一端、启辉器、日光灯灯丝另一端、调压器输出地线端按顺序联接到实验线路中。
(2) 用导线将电容器电流测量插孔与电容器组串联再与上述日光灯电路并联,并将电容器组中各电容器的控制开关均置于断开位置。
注意,电容器电流测量插孔应联接在总电流测量插孔的后面。
(3) 实验电路接线完成后,需经过实验指导教师检查无误,方可进行下一步操作。
(4) 将安装在电工实验台左侧面的自耦变压器调压手柄按照逆时针方向旋转到底。
(5) 闭合实验台的总供电电源开关,按下启动按键。
(6) 按下调压按键,使实验台的调压器开始工作,这时实验台上的三相电压表显示调压器的输出电压。
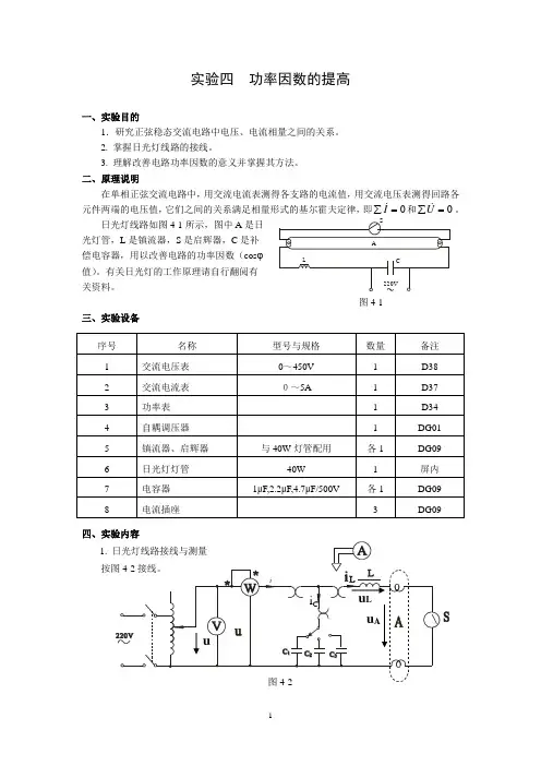
实验四 日光灯电路及功率因数提高
一.实验目的
1.研究提高感性负载功率因数的方法和意义; 2.进一步熟悉、掌握使用交流仪表和自耦调压器; 3.进一步加深对相位差等概念的理解。
二. 实验原理概述及说明
供电系统由电源(发电机或变压器)通过输电线路向负载供电。
负载通常有电阻负载,如白炽灯、电阻加热器等,也有电感性负载,如电动机、变压器、线圈等,一般情况下,这两种负载会同时存在。
由于电感性负载有较大的感抗,因而功率因数较低。
若电源向负载传送的功率ϕcos UI P
=,当功率P 和供电电压U 一定时,功率因数ϕcos 越低,
线路电流I 就越大,从而增加了线路电压降和线路功率损耗,若线路总电阻为l R ,则线路电压降和线路功率损耗分别为l l
IR U =∆和l l R I P 2=∆;另外,负载的功率因数越低,表明无功功率就越大,电源就必
须用较大的容量和负载电感进行能量交换,电源向负载提供有功功率的能力就必然下降,从而降低了电源容量的利用率。
因而,从提高供电系统的经济效益和供电质量,必须采取措施提高电感性负载的功率因数。
通常提高电感性负载功率因数的方法是在负载两端并联适当数量的电容器,使负载的总无功功率Q =Q L -Q C 减小,在传送的有功率功率P 不变时,使得功率因数提高,线路电流减小。
当并联电容器的Q C =Q L 时,总无功功率Q =0,此时功率因数ϕcos =1,线路电流I 最小。
若继续并联电容器,将导致功率因数下降,线路电流增大,这种现象称为过补偿。
负载功率因数可以用三表法测量电源电压U 、负载电流I 和功率P ,用公式
UI
P
=
=ϕλcos 计算。
本实验的电感性负载用铁心线圈,(日光灯镇流器)电源用220V 交流电经自耦调压器调压供电。
三. 实验仪器设备
1.交流电压表、电流表、功率表(在主控制屏上) 2.自耦调压器(输出交流可调电压) 3. 实验元件箱二
图
8-1日光灯电路实验电路图
四. 实验内容与步骤
按图8-1组成实验电路经指导老师检查后,按下按钮开关,调节自耦变压器的输出电压为220V ,记录功率表、功率因数表、电压表和电流表的读数,接入电容,从小到大增加电容容值,记录不同电容值时的功率表、功率因数表、电压表和电流表的读数,并记入表8-2中。
表8-2提高感性负载功率因数实验数据
五.实验注意事项
1.功率表要正确接入电路,通电时要经指导教师检查。
2.注意输出电压为零(即调压器逆时针旋到底)
3.本实验用电流取样插头测量三个支路的电流。
4.在实验过程中,一直要保持负载电压U2等于220V,以便对实验数据进行比较。
六. 实验预习与思考
1.一般的负载为什么功率因数较低?负载较低的功率因数对供电系统有何影响?为什么?
2.为了提高电路的功率因数,常在感性负载上并联电容器,此时增加了一条电流支路,试问电路的总电流是增大还是减小?此时感性负载上的电流和功率是否改变?
3.提高线路功率因数为什么只采用并联电容器法,而不用串联法?
4.自拟实验所需的所有表格。
5.了解日光灯工作原理
七. 实验报告要求及结果分析
1.根据实验1、2数据,计算出日光灯和并联不同电容器时的功率因数。
并说明并联电容器对功率因数的影响。
绘制出功率因数与所并电容的曲线,所并电容是否越大越好?
2.根据表8-1中的电流数据,说明I=I C+I RL吗?为什么?
3.画出所有电流和电源电压的相量图,说明改变并联电容的大小时,相量图有何变化?
4.根据实验2、3数据,从减小线路电压降、线路功率损耗和充分利用电源容量两个方面说明提高功率因数的经济意义。
5.回答思考题1、2、3。
八综合实验(大型作业)
功率因素提高这一实验项目与工程实际联系紧密。
在完成一套日光灯电路提高功率因数的基础上,要求同学查阅资料,了解工业中功率因数的意义以及提高功率因数的方法,利用几套日光灯设计出分组补偿,集中补偿方案。
设计方案经指导教师检查,学生修改完善之后,利用实验室现有设备,在实验室开放时间完成,并写出实验报告。
九电力系统提高功率因数的必要性及其补偿途径
1. 提高功率因数的意义
对于整个电力系统,除白炽灯、电阻电热器等设备负荷的功率因数接近于1外,而其他如三相交流异
步电动机、三相变压器、电焊机、电抗器、架空线等的功率因数均小于1,特别是在轻载情况下,功率因数更加降低,而用电设备功率因数的偏低,将对电网及工业企业、设备造成影响
提高功率因数,可挖掘发电设备的潜力。
发电机是通过额定电流与额定电压之积定额的,有功功率P=UI cosφ=S cosφ,视在功率S一定,如果功率因数提高,即功率因数角由φ1到φ2,(φ1>φ2)则发电设备可以提供的有功功率P也随之增大。
可见在发电设备容量不变的条件下,功率因数提高可以少送无功功率,多送有功功率。
发电机容量达到充分利用,达到铭牌出力。
提高功率因数,可以减少发电机绕组和输电线上的功率损耗和电压损失。
I=P/ Ucosφ,在P、U一定时,cos φ提高,电流I下降,电压损失△U=IR下降,绕组与输电线功率损耗△P=I2R (R为内阻)下降。
2提高功率因数的方法
自然功率因数提高的方法。
正确选用电动机的型号,规格和容量,使其接近满载运行;使其额定容量与所带负载相配合。
在选型方面要注意选用节能型,淘汰高能耗的电动机。
根据负荷选用相匹配的变压器,改善变压器的运行方式。
为了充分利用设备提高功率因数,变压器不应空载运行或长期处于低负载运行状态。
对负载率比较低的配电室,采取撤、换、并、停等方法,使其负载率提高到最佳值,从而改善电网的自然功率因数。
工厂企业有时仅靠提高自然功率因数的方法,一般不能满足要求,需要安装补偿装置对功率因数进行人工补偿,其中最常用的方法是,在供电线路中加装并联的电力电容器,对电感性负载进行无功功率补偿。
集中补偿。
将电容器安装于变电所一次或二次侧的母线上,实际中会将电容器安装在变电所的高压母线上如图1或低压母线上如图2。
图1 高压集中补偿电路图
图 2 低压集中补偿电路图个别补偿。
在用电设备附近按其本身无功功率的需要量装设电容器组与用电设备共用一套控制系统,同时投入运行和断开。
采用这种方式的特点是不但可使高压线路上的电流减小,而且低压干线和分支线上的电流也同时减小,电压损失功率的损失相应降低,使无功功率得到彻底补偿,适用于低压网络。
如图3为感应电动机单独补偿
图3 单独补偿电路图
分组补偿。
将电容器组安装在车间配电室或变电室各分路出线上,它可与工厂部分负荷的变动同时投入或切除,也就是在实际中将电容器分别安装在各车间配电盘的母线上。
十日光灯工作原理
日光灯的工作原理是:当开关接通的时候,电源电压立即通过镇流器和灯管灯丝加到启辉器的两极。
220伏的电压立即使启辉器的惰性气体电离,产生辉光放电。
辉光放电的热量使双金属片受热膨胀,两极接触。
电流通过镇流器、启辉器触极和两端灯丝构成通路。
灯丝很快被电流加热,发射出大量电子。
这时,由于启辉器两极闭合,两极间电压为零,辉光放电消失,管内温度降低;双金属片自动复位,两极断开。
在两极断开的瞬间,电路电流突然切断,镇流器产生很大的自感电动势,与电源电压叠加后作用于管两端。
灯丝受热时发射出来的大量电子,在灯管两端高电压作用下,以极大的速度由低电势端向高电势端运动。
在加速运动的过程中,碰撞管内氩气分子,使之迅速电离。
氩气电离生热,热量使水银产生蒸气,随之水银蒸气也被电离,并发出强烈的紫外线。
在紫外线的激发下,管壁内的荧光粉发出近乎白色的可见光。
日光灯正常发光后。
由于交流电不断通过镇流器的线圈,线圈中产生自感电动势,自感电动势阻碍线圈中的电流变化,这时镇流器起降压限流的作用,使电流稳定在灯管的额定电流范围内,灯管两端电压也稳定在额定工作电压范围内。
由于这个电压低于启辉器的电离电压,所以并联在两端的启辉器也就不再起作用了。