图纸会审标准格式
- 格式:doc
- 大小:34.50 KB
- 文档页数:1
会审记录
卷扬机室(SF630.1土7-3)
1、8号图屋面梁配筋图A轴往上一米处无柱型号及柱配筋图?而且与屋面板配筋图不一致?
2、4号图中板负筋的尺寸未标注具体位置?
3、5号图A轴板是否有板负筋?
4、6号图中卷扬机室五层梁板及单轨吊平面布置图下标注板厚110mm,而说明第一条中说除阴影部分其余板厚为100mm,二者是否冲突,按那个施工?
5、3号图中卷扬机室三层模板图中标注板厚120mm,而说明第一条中说除阴影部分其余板厚为100mm,二者是否冲突,按那个施工?
6、7号图卷扬机室五层梁配筋图中8轴和7轴板外挑竖向尺寸未标注
7、10号图中楼梯剖面图中1.95米平台TB-7 D轴到A轴1.5米处的TL-1梁怎么固定的
8、3号图P-3埋件无详图
9、9号图柱平面布置图中CM-1埋件无详图
10、10号图中LZ1为4φ18与2号图中4φ18不一致。
【最新整理,下载后即可编辑】
施工图纸会审记录
“图纸修订意见”栏内注明“无”。
2、本表一式四份,由施工单位填写、整理并存一份,与会单位会签各存一份。
施工图纸会审记录
“图纸修订意见”栏内注明“无”。
2、本表一式四份,由施工单位填写、整理并存一份,与会单位会签各
存一份。
施工图纸会审记录
“图纸修订意见”栏内注明“无”。
2、本表一式四份,由施工单位填写、整理并存一份,与会单位会签各存一份。
施工图纸会审记录
“图纸修订意见”栏内注明“无”。
2、本表一式四份,由施工单位填写、整理并存一份,与会单位会签各存一份。
施工图纸会审记录
“图纸修订意见”栏内注明“无”。
2、本表一式四份,由施工单位填写、整理并存一份,与会单位会签各存一份。
施工图纸会审记录
“图纸修订意见”栏内注明“无”。
2、本表一式四份,由施工单位填写、整理并存一份,与会单位会签各存一份。
施工图纸会审记录
“图纸修订意见”栏内注明“无”。
2、本表一式四份,由施工单位填写、整理并存一份,与会单位会签各存一份。
【最新整理,下载后即可编辑】。
一、图纸会审工作规定(ZYSC/MC101)1 总则施工图纸是项目监理部开展工作最直接的依据,为保证监理工作顺利实施,总监理工程师应组织监理人员熟悉施工图纸,了解工程特点以及质量和安全要求,做好施工图纸会审工作。
2 主要内容(1)施工图纸是否完整,审批签认手续是否齐全,是否通过主管部门对设计单位资质的认可和施工图的审查;(2)设计文件是否完整,图纸内容和表达尝试是否满足施工需要,是否与图纸目录相符;(3)熟悉工程地质、水文地质勘察报告(如土建结构布置与设计应符合抗震设计要求);(4)施工图纸中所用材料、构配件、设备等到是否符合现行规范、规程和规定的要求;(5)施工图纸规定的施工工艺是否符合现行规范、规程的规定,尤其是否符合工程建设标准强制性条文的规定,以保证生命财产安全和人身健康,强化环境意识和防公害意识,以消除质量、安全隐患,杜绝质量、安全事故;(6)施工图纸中有无遗漏、差错或相互矛盾之处(如各部分尺寸、标高、位置、地上地下之间、上下楼层之间、各专业之间、平立剖面之间、总图与分图之间等);(7)对新技术、新工艺、新材料的采用有无主管部门的签定和确认批准文件,并考虑对环境和职业健康安全的影响;(8)检修、防火、消防设计是否满足有关规程要求;(9)各种使用功能是否满足建设单位的要求;(10)其他需要审查的内容。
3 要求3.1 图纸会审工作由总监主持,有关监理人员参加。
3.2 图纸会审完成后,应填写〈监理图纸会审记录〉(MC101JL-1),与会人员签字。
3.3 将会审记录通过建设单位提交给设计单位,必要时应提出监理的建议,以便在设计交底时由设计单位统一重答复。
3.4 图纸会审工作原则上应在设计交底前完成。
3.5 〈监理图纸会审记录〉应随相应工程监理资料保存。
4 记录(1)〈监理图纸会审记录〉(MC101JL-1)监理图纸会审记录填表人:年月日二、监理业务指导工作规定(ZYSC/MC102)1 总则为贯彻项目监理规划(含安全监理方案),使现场监理人员掌握工程质量、进度、造价、环境、安全控制的目标,以及控制的主要内容和要求,提高现场监理工作水平,制定本规定。
填写说明:
1、每个问题描述前需说明问题所在图纸图号。
2、当问题描述需配图时,配图需保证打印成纸质版时清晰可见,CAD图纸配图建议使
用BWF进行复制粘贴,保证清晰可见,字体使用宋体10号,插图环绕文字格式建议设置为四周型;严禁黑底配图。
且该空间布置有用作钢筋支架的型钢,是否
可行。
3、同一个问题不允许跨页描述,当页末位置不够时,另起一页对该问题进行描述。
4、表“施工图设计文件会审记录(二)”中每页须有签名栏,如下图:
GD-C1-322/1
GD-C1-322/1
GD-C1-322/2
记录整理单位:
记录整理人: 整理完成日期: 年 月 日
GD-C1-322/2
GD-C1-322/2
记录整理单位:
记录整理人: 整理完成日期: 年 月 日
GD-C1-322/2。
图纸会审制度(一)图纸会审的目的了解设计意图,明确质量要求,将图纸上存在的问题和错误、专业之间的矛盾等尽最大可能地在工程开工前解决。
(二)图纸会审的参加人员项目经理、项目技术负责人、各专业施工员、质检员及其他相关人员。
(三)图纸会审前的准备由项目技术负责人组织各专业施工员全面熟悉图纸,并自审,对图纸上存在的问题、错误、矛盾等进行汇总,会审前提前交给设计方,以便会审时各专业设计人员在现场解答所提出的各种问题。
(四)图纸会审内容1.图纸会审时,一般先由设计单位进行设计交底,交待设计意图,关键部位的做法和要求以及要达到的质量标准,新技术、新结构、新材料等情况。
2.查对施工图设计是否符合国家有关技术、经济政策和有关规定。
3.查对建设项目座标、标高与总平面图中标注是否一致,与相关建设项目之间的几何尺寸关系以及轴线关系和方向等有无矛盾和差错。
4.查对图纸及说明是否齐全、清楚明确,核对建筑、结构、上下水、暖卫、通风、电气、设备安装等与图纸是否相符,相互间的关系尺寸、标高是否一致。
5.查对建筑平、立、剖面图之间关系是否矛盾或标注是否遗漏,建筑图本身平面尺寸是否有差错,各种标高是否符合要求,与结构图的平面尺寸及标高是否一致。
6.查对地下构筑物、管线等之间有无矛盾。
7.查对结构图本身是否有差错及矛盾,结构图中是否有《钢筋明细表》,若无《钢筋明细表》,钢筋砼关于钢筋构造方面的要求在图中是否说明清楚,如钢筋锚固长度与抗震要求长度等。
8.查对施工图中特殊部位及难点,特殊材料的采用,件与配件的采用,货源的组织形式。
9.对设计采用的新技术、新结构、新材料、新工艺和新设备的可能性、应采用的必要措施等进行商讨。
10.设计的新技术、新结构限于施工条件和施工机械设备能力以及安全施工等因素,要求设计单位予以改变部分设计的,审查时必须提出,共同研讨,求得圆满的解决方案。
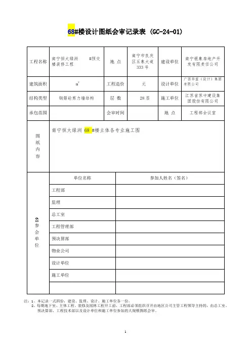
68#楼设计图纸会审记录表 (GC-24-01)
注:1、本记录一式四份,建设、监理、设计、施工单位各一份。
2、每期地下室、主体工程、装修及园林工程开工前,工程部必须组织召开由地区公司主管工程领导主持的,由总工室、
预决算部、工程技术部以及设计单位和施工单位参加的大规模图纸会审。
68#楼结构设计图纸会审记录表(GC-24-01)
2、每期地下室、主体工程、装修及园林工程开工前,工程部必须组织召开由地区公司主管工程领导主持的,由总工室、预决算部、工程技术部以及设计单位和施工单位参加的大规模图纸会审。
2、每期地下室、主体工程、装修及园林工程开工前,工程部必须组织召开由地区公司主管工程领导主持的,由总工室、预决算部、工程技术部以及设计单位和施工单位参加的大规模图纸会审。
2、每期地下室、主体工程、装修及园林工程开工前,工程部必须组织召开由地区公司主管工程领导主持的,由总工室、预决算部、工程技术部以及设计单位和施工单位参加的大规模图纸会审。
施工图纸会审记录工程名称乌力吉口岸服务中心共7 页第 1 页会审地点乌力吉口岸建设指挥部会议室记录整理人日期参加人员建设单位:设计单位:监理单位:施工单位:序号图纸编号提出图纸问题图纸修订意见1 结施图-1消防水池当中的坑0.65米深,结构图中没有明确的做法?2 集水坑的做法不明确?3 建施-01中3-4/B-D轴间物业用房门的位置?4 结施图中消防水池爬梯的做法及型号?5 建施-0110-11/D-E、4-8/D-E轴间1.5米宽的走道能否取消?物业用房或污水机房放大哪,即增加有效面积又能优化作业程序?6 结施-01中室外挡土墙的垫层标高是否能放在同一标高?建设单位:年月日设计院代表:年月日监理单位:年月日施工单位:年月日1、所有会审图纸均应记录在表内。
无意见时,应在“提出图纸问题”、“图纸修订意见”栏内注明“无”。
2、本表一式四份,由施工单位填写、整理并存一份,与会单位会签各存一份。
施工图纸会审记录会审地点乌力吉口岸建设指挥部会议室记录整理人日期参加人员建设单位:设计单位:监理单位:施工单位:序号图纸编号提出图纸问题图纸修订意见7 建施-03结施-034-5/D-E、8-10/D-E处能否为了增大其利用率及建筑物的整体优化而将其全封闭那?8 结施-01Π1.框架柱及构造柱与砌体填充墙交接处,从柱内甩出的2 6@1500的拉结筋能否改为植筋?全长贯通是指所有墙体吗?9 结施-26结施-26中坡道与建施-11中的度数12度与11度哪个为准?10 结构层中梁板砼标号为C30柱子C40能否调为一致(其浇筑时控制不好容易造成梁柱交接处标号达不到要求)11 建施-11与结施-26坡道图平面尺寸不同,以哪份为准?12 建施-11与结施-26坡道柱间尺寸不否(建29.7、结29.6)以哪份为准?建设单位:年月日设计院代表:年月日监理单位:年月日施工单位:年月日1、所有会审图纸均应记录在表内。
无意见时,应在“提出图纸问题”、“图纸修订意见”栏内注明“无”。
瀚海.晴宇图纸会审纪要
(暖施部分)共 10 条序号图号图纸问题设计院回复备注
1
采暖平面图中,30层以下进出水由DG、DH进出水,系
统图15层以上从GG、GH进出水,15层以下由DG、DH
进出水,以何为准
以系统图为准
(水施部分)共 26 条序号图号图纸问题设计院回复备注1
标准层冷热水管间距不详,请明示
冷热水管间距100mm
2
给水管敷设方式不详,地面压槽敷设还是在装饰层内给水干管埋地敷设,卫生间、厨房间支
管沿墙暗装。
3
幼儿园容积式电热水器及管道敷设是否在合同范围内,
请明示
由甲方确定
4
幼儿园与污水管相连的检查井,隔油池是否在合同范围
内,污水管是否仅伸出外墙皮
1.5米即可,请明示
?
污水管伸出外墙皮1.5米,隔油池和
检查井属于总图范围,由甲方确定。
5
1-3#楼雨水系统所使用管材为金属方管,与地漏如何连
接
采用金属地漏。
(电施部分)共 3 条序号图号图纸问题设计院回复备注1 建施01
电缆各层配电间引至各分户配电箱的敷设方式不详,请
明示
在电井内沿电缆梯架引上明敷。
见电施
04电井详图
2 建施14
幼儿园接地装置平面图说明中要求焊接后做沥青防腐,
混凝土内焊接是否可不做沥青防腐
按02501-2国标图集做施工。
3 幼儿园未设计应急电源,应急灯具无切换,是否合理
本工程应急照明是三级负荷,灯具自带
蓄电池,已符合规范要求.。
施管表4 工程名称XX市快速轨道交通轻轨X期工程(X号线X段)XXX站至XXX站区间桥梁工程图纸会审部位XXX站—XXX站日期2010年6月2日会审中发现的问题:1、QGB-SYY-J001-SS-QL-15中墩一般构造图中未标明制动墩与非制动墩,请设计明确?2、QGB-SYY-J001-SS-QL-03、04通过设计高程值计算的支座空间与QGB-SYY-J001-SS-QL-22、23垫石高度不符?3、盆式橡胶支座工程数量表与实际不符?4、承台垫层未标注几何尺寸?5、墩柱部分型号钢筋量与实际不符?如中墩N7-2,联间墩N7-1等。
6、墩身防雷接地未给工程量?7、QGB-SYY-J001-SS-QL-31图中Ⅳ-Ⅳ剖中箍筋N15 N16-1、N16 N17与详图不符?8、QGB-SYY-J001-SS-QL-33、35图中端横梁梁底支座顶面预埋钢板,钢板顶布置三层钢筋网,每层间距7cm,中横梁做法是否同端横梁做法一致,工程量为?9、桥面电缆槽钢筋预埋,在施工中无法保证钢筋的准确位置,可否在桥梁纵向增加定位钢筋?处理情况:1、2#、5#、8#为制动墩;1#、4#、7#为非制动墩。
2、3、4、垫层尺寸比承台尺寸每边大10cm。
5、按实际发生的工程量为准。
6、按实际发生的工程量为准。
7、Ⅳ-Ⅳ剖中箍筋N15 N16-1应为N15 N16、N16 N17应为N17 N18-18、QGB-SYY-J001-SS-QL-33、35图中横梁加三层钢筋网,做法同端横梁,工程量按实际发生为准。
9、在电缆槽内、外墙各铺设一根Ф12纵向钢筋作为定位钢筋。
参加会审单位及人员单位名称姓名职务单位名称姓名职务填表人:施管表4工程名称XX市快速轨道交通轻轨X期工程(X号线X段)XXX站至XXX站区间桥梁工程图纸会审部位XXX站—XXX站日期2010年6月2日会审中发现的问题:10、箱梁波纹管无法精确定位,在施工过程中可否采用钢筋进行定位及定位形式?处理情况:10、可采用钢筋定位,定位形式如下图及说明。
图纸会审记录模板一、图纸会审记录的基本信息1、工程名称:_____2、会审日期:_____3、地点:_____4、参加单位及人员:建设单位:_____设计单位:_____监理单位:_____施工单位:_____二、图纸会审的目的和范围本次图纸会审旨在对施工图纸进行全面审查,发现并解决其中存在的问题,确保施工图纸的准确性、完整性和可操作性,为工程的顺利施工提供保障。
会审范围包括建筑、结构、给排水、电气、暖通等各专业图纸。
三、建筑专业图纸会审要点1、建筑总平面图建筑物的定位坐标、标高是否明确。
周边道路、场地的标高与建筑物的关系是否合理。
消防车道、消防登高面的设置是否符合规范要求。
2、建筑平面图轴线、尺寸标注是否清晰准确。
房间的布局、功能是否满足使用要求。
门窗的位置、尺寸、开启方式是否合理。
楼梯、电梯的位置、数量、尺寸是否符合规范。
3、建筑立面图建筑外立面的造型、色彩是否与效果图一致。
外墙装饰材料、做法的标注是否明确。
门窗的样式、位置与平面图是否对应。
4、建筑剖面图建筑物各层的层高、标高是否准确。
梁、板、柱的位置、尺寸与结构图纸是否一致。
楼梯的踏步高度、宽度是否符合规范。
四、结构专业图纸会审要点1、基础平面图基础的类型、埋深、尺寸是否合理。
基础的持力层、承载力特征值是否明确。
桩基础的桩型、桩长、桩径、桩间距是否符合要求。
2、结构平面图梁、板、柱的编号、尺寸、配筋是否清晰准确。
预留孔洞、预埋件的位置、尺寸是否标注清楚。
结构构件的混凝土强度等级是否明确。
3、结构剖面图各层结构的标高、层高是否准确。
梁、板、柱的节点构造是否合理。
楼梯的结构形式、配筋是否符合规范。
4、结构设计说明工程的抗震设防烈度、抗震等级是否明确。
钢材、混凝土等材料的性能要求是否符合规范。
结构计算的主要参数、荷载取值是否合理。
五、给排水专业图纸会审要点室外给排水管网的布置、走向是否合理。
检查井、化粪池的位置、数量是否满足要求。
给排水管道与其他专业管线的交叉处理是否合理。