电梯平衡系数测试表
- 格式:docx
- 大小:15.21 KB
- 文档页数:1
电梯平衡系数平衡差值测量法
电梯平衡系数是指电梯在使用过程中,各根钢丝绳受力的平衡性能。
电梯平衡差值是指各根钢丝绳承受的张力之间的差异。
电梯平衡系数平衡差值测量法是通过测量各根钢丝绳的张力,来计算电梯平衡系数和平衡差值的一种方法。
具体测量步骤如下:
1. 空载状态下,电梯停在一个固定位置。
2. 分别测量每根钢丝绳的张力,可以使用称量仪器或张线仪进行测量。
3. 记录测得的每根钢丝绳的张力数值。
4. 计算电梯平衡系数,可以使用下面的公式进行计算:
平衡系数 = (最大钢丝绳张力 - 最小钢丝绳张力) / (最大钢丝绳张力 + 最小钢丝绳张力)
其中,最大钢丝绳张力是指测得的所有钢丝绳张力中的最大值,最小钢丝绳张力是指测得的所有钢丝绳张力中的最小值。
5. 计算平衡差值,可以使用下面的公式进行计算:
平衡差值 = 平均钢丝绳张力差值 / 最大钢丝绳张力
其中,平均钢丝绳张力差值是指测得的所有钢丝绳张力差值的平均值。
通过以上步骤可以测得电梯的平衡系数和平衡差值,用于评估电梯的平衡性能。
需要注意的是,在测量过程中要确保电梯处于静止状态,且测得的张力值准确可靠。
同时,电梯平衡系数和平衡差值应符合相关的标准要求,以确保电梯的安全和正常运行。
电梯平衡、静载、制动性能及安全钳联动试验记录
电梯使用单位:
施工地点: 设备编号:
一、平衡系数测试:
日 期: 年 月 日
轿厢内装载150%的额定载荷1500Kg,历时10 min。
曳引绳无打滑现象。
三、制电动性能及安全钳联动测试:
●电梯在行程上部范围内空载上行及行程下部范围轿厢内装载125%额定载荷1250Kg下行,分別停层
3次以上,轿厢应被可靠地制停(下行不考核平层要求)。
在轿厢内装125%额定载荷 1250 Kg以正常运行速度下行时。
切断电动机与制动器供电,轿厢已被可靠制动:
●电梯在行程下部范围轿厢内装载125%额定载荷 1250 Kg检修速度下行,人为动作限速器轿厢已被
可靠制停。
安装(改造)单位印章:使用单位印章:
负责人签字:负责人签字:
日期:日期:。
电梯平衡系数及其检测---转载电梯平衡系数计算的数学表达式为:K平=(W1-W)/Q其中:Q:电梯额定载荷(kg);W:轿厢重量(kg);W1:对重重量(kg);K平:电梯平衡系数;平衡系数对电梯专业人员来说是一个既熟悉又生疏的参数。
说它熟悉是因为大家都知道曳引式电梯对重的配置都有一个“平衡系数”,都知道国家标准中有规定“平衡系数应在40% ~50%的范围内”,说它生疏是因为到底平衡系数在电梯上起什么作用?其取值大小将影响什么?应如何取值最为合适?以及到底如何测定才是准确的?许多电梯安装、检验人员并不清楚。
现时,各地特种设备检验检测机构在对电梯进行验收检验时,最费时,也最费人力、物力的,便是检测电梯的平衡系数。
按检验规定:必须在轿厢分别承载0、25%、40%、50%、75%、100%、110%额定载荷下,测定电梯运行的载荷—电流曲线,取其上、下行曲线的交汇点的载荷系数,便是该梯的平衡系数,交汇点在40% ~50%范围内为合格。
为了测定这一参数,除了两名检验人员,还需要多名来回搬运法码的工人。
由于影响试验的因素太多,其结果是否可信尚且不说,即便测试结果在40%~50%的范围之内,一定合格吗?若是超出此范围,为什么就不合格呢?“平衡系数”的意义是什么?对电梯有什么影响?不知其所以然,测定“平衡系数”就失去了意义。
1、“平衡系数”的实质要探讨平衡系数的实质,必须从曳引式电梯的原理讲起。
垂直电梯是使重物作垂直上下运动的升降设备。
从力学的角度,要使一重物在空中保持静止状态,必须有一拉力T与物体的重力Q 相平衡,即T = Q , 这时物体处于静止或匀速运动状态,称为力的平衡。
此系统称为平衡系统。
若要使物体向上运动,速度发生改变,则这一拉力T除了克服物体的重力Q,还要提供一个产生加速度的力F,即T = Q + F = Q + m a ( m -- 为物体的质量;a—为加速度)。
如果物体的重力Q被另外一个平衡力W所平衡,W = Q , 即构成一个平衡系统,这时拉力T就不用去克服重力Q了,而只需提供使物体产生加速度所需的力, 即T = F= m a 这样就大大减小了拉力T。
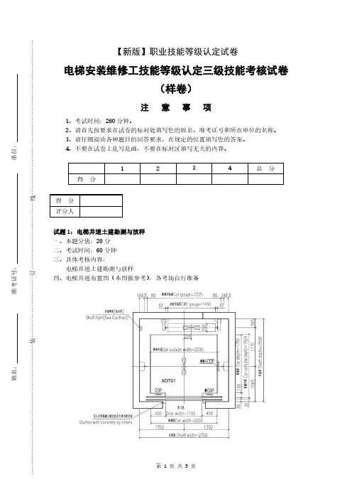
【新版】职业技能等级认定试卷电梯安装维修工技能等级认定三级技能考核试卷(样卷)注意事项1、考试时间:260分钟。
2、请首先按要求在试卷的标封处填写您的姓名、准考证号和所在单位的名称。
3、请仔细阅读各种题目的回答要求,在规定的位置填写您的答案。
4、不要在试卷上乱写乱画,不要在标封区填写无关的内容。
1234总分得分得分评分人试题1:电梯井道土建勘测与放样一、本题分值:20分二、考试时间:60分钟三、具体考核内容:电梯井道土建勘测与放样四、电梯井道布置图(本图做参考),各考场自行准备姓名:准考证号:单位:…………………………………………………装…………………………订……………………………线…………………………………………………………………五、考核要求:1、本试题重在考核考生的识图能力、根据图纸施工能力;2、考生按照考场给定的井道布置图,进行施工;3、考生按样板架制作的正确流程进行放样;4、考生需在规定时间内完成项目,否则扣除相应分数;5、考生必须穿好工作服、防护鞋,戴好安全帽等,做好个人防护;6、考生所有操作符合行业安全文明生产规范。
得分评分人试题2:自动扶梯设备诊断修理一、本题分值:35分二、考试时间:80分钟三、具体考核内容:PLC、变频器多段速度控制四、参考接线图(实际图纸由各考场准备)图1五、考核要求:1、本试题重在考核学生变频器接线、参数设定、PLC程序编写能力;2、考生根据参考电梯接线图,结合实际变频器和PLC,独立完成实物接线;3、考生编制PLC的I/O分配表;4、考生根据控制要求,进行PLC程序编写,并上传、调试;5、考生根据控制要求,设定变频器参数;6、控制要求为:(1)三段速度控制高速为48HZ、爬行速度为4HZ、检修速度为15HZ、加速时间4S、减速时间3S;(2)三段速度控制要求用变频器的外部控制的两个端子(如安川的S5、S6,三菱的RH、RM、RL)来控制;(3)电梯的上升和下降用变频器的外部控制的两个端子(如安川的S1、S2,三菱的STF、STR)来控制;(4)平层停车、减速爬行、上升和下降以及检修的输入信号由外部按钮控制;7、考生能独立完成运行调试过程;8、考生必须穿好工作服、防护鞋,戴好安全帽等,做好个人防护;9、所有操作符合行业安全文明生产规范。
怎样用钳形电流表测量平衡系数2023-3-16 00:11:41刘震雯
怎样用钳形电流表测量平衡系数
1:做之前慢车将电梯轿厢和对重开平,并在机房主机钢丝绳上做好醒目的标记(例:黄色油漆)
2.轿厢放入想达到的平衡系数的重量百分比(例:额载1000KG,平衡系数48%,放入480KG 重物)
3.将钳形表夹住用户进线电源(380v)中的任意一根(三根都夹一下,选择波动小的线为测试线),也有朋友会夹变频器输出到电机的线,其实这两种并不影响平衡系数点,影响的是0%-100%的电流值,画出的图有所不同,交点应该相同。
4.电梯上下行全程运行,过钢丝绳上的平衡标记瞬间时钳形表的电流值记录下来,当上下行电流值平衡时那说明此时的平衡系数就是48%,如果上行大,下行小,那么说明对重轻了,在轿厢重物480KG不变的基础上,往对重架加对重铁,然后再测试。
如果上行小,下行大,那么说明对重重了,再轿厢重物480KG不变的基础上,减少对重架中的对重铁,然后再测试。
还有一种方式就是先不确定想要做的平衡点是多少,因为国标就是40%-50%之间,所以也可以直接加入40%重量上下运行一次,记录上下行电流,然后50%重量运行一次,记录上下行电流,如果这两次电流之间有交点那么说明平衡系数就是40%-50%之间,通过画图就可以确定平衡系数为多少!
5.找到准确的平衡系数后(即对重铁数量确定后),依次测试0KG、25KG、40KG、50KG、75KG、100KG、110KG等上下行电流,应该最后还需要测试个125%下行断电试验。
刘震雯2023-3-16 0:11:41。
平衡系数是曳引式电梯的一个重要性能指标,国标GB/T 10058-2009 3.3.8规定:曳引式电梯的平衡系数应在0.4~0.5范围内。
在安装工地,测量和调整电梯的平衡系数是调试的一个重要项目。
在维保工地,对于改造过的电梯或者电梯经过装饰,平衡系数是需要重新测定的重要项目,或者对于过早出现钢丝绳打滑等异常现象的电梯需要核实平衡系数等。
精确测定平衡系数的一个有效方法是绘制电流曲线,首先在电梯轿厢和对重绳头(轮)位于同一水平面的时候,在曳引钢丝绳上做出中点标记,指示读取电流的时间点,有的电梯显示屏可以监控这个中点,可用来作为读取电流的时间点,推荐使用中点标记。
用砝码依次按0%额重,25%额重,40%额重,50%额重,75%额重,100%额重均匀放入轿厢,使电梯在底层和顶层之间反复快车运行,用钳形电流表测量电梯每次运行到中点标记时的电流值,每个载荷值应测量不少于3次的上下行中点电流值,并分别求平均值,作记录。
测量完毕,按记录的电流值绘制电流曲线,横坐标表示额重比,纵坐标表示电流值,得出额重比与电流值相应的交点,然后将上行交点和下行交点分别用平滑的曲线连接形成上行和下行电流曲线,上行电流曲线与下行电流曲线的交点对应的额定载荷百分比就是电梯的平衡系数,用百分数表示或化成小数表示均可,推荐测量电源侧的电流值,此电流曲线更平滑准确。
通过测定出的平衡系数值,可以对比国标要求,看是否在0.4~0.5范围之内,如果超出这个范围就必须根据偏差方向和大小加上或去掉适当的对重块,然后重新进行平衡系数的测量确认,最终必须确保电梯的平衡系数在0.4~0.5范围内。
曳引驱动电梯平衡系数测量方法及其调整摘要:最近几年,曳引驱动电梯因平衡系数不符合要求,出现事故的案例很多,因此本文通过探讨平衡系数定义、测量方法、平衡系数调整,使检验人员、安装维修人员能较好撑握平衡系数测量及调整,使电梯安全运行,避免电梯因平衡系数不符合要求而发生的事故。
关键词:电梯;平衡系数;测量方法;对重块调整电梯的驱动方式有曳引驱动、强制驱动、液压驱动等多种方式,曳引驱动是现代电梯应用最普遍的驱动方式,在这几年工作经验积累中,下面浅谈曳引驱动电梯的一个关键参数—平衡系数。
平衡系数是曳引驱动电梯的重要指标,引入对重可以部分平衡轿厢及轿内负载的重量,使曳引电机运行的负荷减轻,理想的运行状态是对重侧的重量正好等于轿厢自重加上轿内负载的重量,这样曳引机运行负荷最小。
由于轿厢内负载的大小是经常变化的,每次运行时都是从空载到满载之间的某一个值,而对重在电梯安装调试完毕后已经固定,不便于随时改变,所以上述理想的平衡运行状态不是每次运行总能达到的。
但是我们可以调整对重至一个恰当的重量(即选择一个合适的平衡系数),使电梯多次运行的情况基本上接近于理想的平衡状态。
曳引驱动电梯的平衡系数定义如下:K=(G对- P轿)/ Q额,式中K:电梯的平衡系数,G对:对重的重量,P轿:轿厢自重,Q额:电梯额定载重量。
国家标准GB/T10058-1997《电梯技术条件》中规定,各类电梯的平衡系数应在0.4-0.5范围内,调试时可根据电梯的具体情况决定实际的平衡系数。
如果电梯经常轻载运行,平衡系数可取接近规范下限(0.4)值;如果电梯经常重载运行,则取接近规范上限(0.5)值。
而通过电梯平衡系数定义公式分析,电梯生产出厂后,其中P轿(轿厢自重)、Q额(电梯额定载重量)是固定不变的(其中电梯厂家预留了轿厢装潢重量的除外)。
在平常检验过程中,接触到厂家预留了轿厢装潢重量的电梯是很少的,但从全国统计情况看,由于电梯装潢而造成轿厢重量改变,造成平衡系数不符合要求,致使电梯发生不同程度的事故很多,因此预留了轿厢装潢重量的电梯,装潢后要确定装潢的重量是否在预留的范围内,超出预留重量是不允许的,装潢后再确定平衡系数。
平衡系数、制动器力、缓冲器检查方法平衡系数公式:K=(W-P)/qh,式中K=平衡系数,P=轿厢自重,W=对重重量qh是轿厢额定载荷,国标要求电梯平衡系数应在0.4~0.5范围内,对它的检测主要有以下几种方法。
方法一:直接称量法:由衡系数公式可以看出K是由对重重量大小决定的,采用最为直接、最简单的方法就是直接称量对重的整体重量和轿厢的自重重量,做称这种方法操作起来比较困难,我们可以查询配置,撑握轿厢自重与对重框和单块对重块的重量,然后带入公式计算。
方法法二:手动松闸法,在轿厢内均匀装入40%~50%额定载重,然后将轿厢停在中间位置即对重和轿厢在同一位置,切断主电源,用手动松闸打开抱闸(按松闸要求进行)观查电梯是否移动,若轿厢向上移动再增加轿厢重量,反之减少,直到中间这个点上保持不移动说明轿厢已经平衡,此时轿厢内的载入重量%即为此台电梯的平衡系数,需注意的是其范围必须符合国家要求40%~50之间。
方法三:使用电流测量法。
这种方法是国家质量监督局检验采用的方法。
轿厢分别加入0、25%、40%、50%、75%、100%的额定载荷,进行上下终端运行,当刚好经过对重与轿厢在同一位置时刻分别记录上下电流值,将每次的记录值以点标入座标中,最后将这几个点连起来形成线,上行值和下行值这两条线交叉的地方对应的载荷%即是这部电梯的平衡系数。
电流测量采用钳行电流表,注意电流表最好卡变频器的输出端。
大家可以根据现场结合使用。
制动制动力检查:做单抱试验和上行超速试验,必须能有效刹住电梯。
还须平时注意检查调整抱闸间隙0.05~0.1mm,且四周均匀,动作同步可靠,抱闸闸皮上刹殻上不能有油污,刹皮厚度不小于3mm,中心螺母要有0.5mm的间隙能用手能转动。
安全钳动作可靠检查:安全钳左右两边间隙均匀(3毫米),鍥块动作灵活可靠,连杆灵活,保证动作时两边同步,动作时有效动作电气开关。
可做安全钳实验验证。
缓冲器检查:检查固定牢固,到撞板距离符合。