汽车发动机的特性[1]
- 格式:ppt
- 大小:1.84 MB
- 文档页数:90
第五章 发动机特性§5-1 发动机工况和性能指标分析式一 发动机工况在绪论中我们已经介绍过工况的概念。
有效功率e N 和转速n 决定了发动机的工作运行情况。
工况:有效功率e N ,转速n 。
发动机的工况分为点工况、线工况和面工况。
二 发动机性能指标分析式1 p k e vi m =1ηαηη2 M k e vi m =2ηαηη3 N k n e vi m =3ηαηη4 g k e i m =41ηη 5 G k n T v=5ηα§5-2 发动机速度特性发动机节气门开度(或油门开度)不变,发动机性能指标随转速n 变化的关系。
如:汽车爬坡或阻力变化时,节气门(或油门)开度不变,转速n 随外界负荷的变化而变化。
外界负荷大,n ↓,外界负荷小,n ↑,这时发动机沿速度特性工作。
一 汽油机的速度特性 (一)定义汽油机节气门开度固定不变,汽油机性能指标随转速n 变化的关系。
外特性(全负荷的速度特性):节气门全开(100%),测得的速度特性。
部分速度特性:节气门固定在部分开启位置,测得的速度特性。
(二)外特性曲线 1 e M 曲线m i ve k M ηηαη2=n ↑→∆g ↑→α↓(不多)。
m i v e k M ηηη2'= (1)ηv :n ↑→气流惯性↑→ηv ↑;n ↑↑→节流损失↑→v η↓。
(2)ηi :n ↑→气流运动↑→混合气形成改善→ηi ↑;n ↑↑→燃烧时间↓,燃烧恶化→ηi ↓。
(3)ηm :n ↑→ηm ↓。
(4)e M :低速时: ηv ↑ n ↑ →ηi ↑ 使e M 变化不大,略有↑;ηm ↓高速时: ηv ↓n ↑ → ηi ↓ 使e M ↓↓。
ηm ↓2 e N 曲线N k n e vi m =3ηαηη低速时:n ↑→e M ↑(不大),但e e M N ∝↑ ⋅ n ↑→e N ↑↑; 高速时:n ↑ →e M ↓→e N ↑(不大)。
汽车发动机分类详解汽车发动机是汽车的心脏,是驱动汽车运行的重要部件。
根据不同的工作原理和结构特点,汽车发动机可以分为多种不同类型。
本文将详细介绍几种常见的汽车发动机分类,帮助读者更好地了解汽车发动机的工作原理和特点。
一、按燃料形式分类1.1 汽油发动机汽油发动机是目前应用最广泛的汽车发动机之一。
它以汽油为燃料,通过点火系统将混合气点燃,产生爆炸推动活塞运动,驱动汽车前进。
汽油发动机具有功率大、噪音小、振动小等优点,适用于大多数家用轿车和商用车辆。
1.2 柴油发动机柴油发动机以柴油为燃料,通过高压喷射系统将柴油喷入燃烧室,利用高压高温的条件使柴油自燃,推动活塞做功。
柴油发动机具有扭矩大、燃油经济性好等优点,适用于大型货车、客车等需要长途运输的车辆。
1.3 混合动力发动机混合动力发动机结合了汽油发动机和电动机的优点,既可以利用传统燃油驱动,也可以通过电池驱动。
混合动力发动机在节能环保方面具有明显优势,逐渐受到消费者的青睐。
二、按工作循环分类四冲程发动机是目前主流的汽车发动机类型之一。
它包括进气、压缩、爆燃和排气四个工作过程,每个活塞往复运动完成一个循环。
四冲程发动机结构简单,运行稳定,燃烧效率高,是大多数汽车所采用的发动机类型。
2.2 两冲程发动机两冲程发动机相较于四冲程发动机,每个活塞往复运动完成两个工作循环,即一个循环包括进气、压缩和爆燃排气三个过程。
两冲程发动机结构简单,功率密度高,但燃烧效率较低,逐渐被淘汰。
三、按气缸排列方式分类3.1 直列发动机直列发动机的气缸排列方式为直线型,气缸依次排列在一条直线上。
直列发动机结构紧凑,功率输出平稳,适用于小型汽车和摩托车等。
3.2 V型发动机V型发动机的气缸排列方式呈V形,通常有V6、V8等不同气缸数的设计。
V型发动机功率输出大,扭矩充沛,适用于中大型轿车和SUV等。
3.3 W型发动机W型发动机是在V型发动机的基础上增加了一组气缸,形成"W"字形排列。
第9章发动机特性内容提要1 .发动机特性与特性曲线的含义、分类与意义2 .发动机调整特性的含义、分类与曲线3 .发动机负荷特性4 .发动机速度特性5 .发动机方有特性6 .发动机调速特性7 .发动机性能指标的校正9.1基本概念全面了解发动机在全部工况下的性能指标的变化,对合理使用、检查与修理发动机,都有很强的适用价值。
10.LI发动机特性与特性曲线1 .发动机特性发动机性能指标随调整状况及运转状况而变化的关系称为发动机特性。
发动机性能指标主要有功率、转矩、燃料消耗率、排气温度、排气烟度等;调整状况主要指柴油机的供油提前角、汽油机的点火提前角、发动机燃料等可调因素对发动机性能的影响;运转状况一般指发动机转速和负荷等。
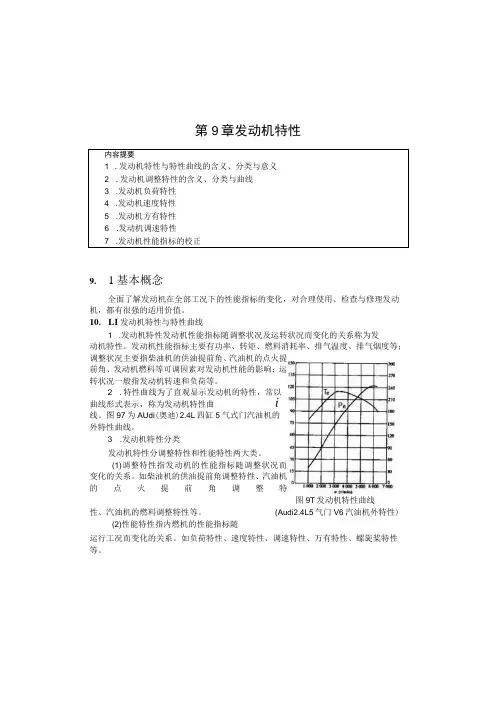
2 .特性曲线为了直观显示发动机的特性,常以曲线形式表示,称为发动机特性曲i线。
图97为AUdi(奥迪)2.4L四缸5气式门汽油机的外特性曲线。
3 .发动机特性分类发动机特性分调整特性和性能特性两大类。
(1)调整特性指发动机的性能指标随调整状况而变化的关系。
如柴油机的供油提前角调整特性、汽油机的点火提前角调整特图9T发动机特性曲线性、汽油机的燃料调整特性等。
(Audi2.4L5气门V6汽油机外特性)(2)性能特性指内燃机的性能指标随运行工况而变化的关系。
如负荷特性、速度特性、调速特性、万有特性、螺旋桨特性等。
9.1.2 发动机特性的制取发动机特性需在特地的试验台(俗称发动机台架)上进行,图9-2显示了带水力测功器的试验台的基本组成。
它可以模拟发动机的实际工况,使其在要求的转速和负荷下工作,并可以同步测量发动机在各种工况下的功率、燃料消耗、废气排放、气缸压力等性能参数。
发动机特性试验,我国已有标准,需按有关标准,在规定的条件下进行。
9-水温传感器Io-油压传感器11-排温传感器12-气缸压力传感器13-油压传感器14-针阀升程仪15-电 荷放大器16-电荷放大器17-霍尔针阀传感器18-示 波器19-水力测功器20-转角信号发生器21-电荷放 大器22-A/D 转换板23-微机24-打印机25-显示器它是指在发动机转速肯定和油量掌握机构条件下,其功率、燃料消耗率等性能指标随供油提前角变化而变化的关系。
发动机的分类及各类发动机的特点发动机是现代机械工业中最为重要的工业动力装置。
按照不同的分类标准,可以将发动机分为多个不同的类型,具有不同的特点和适用范围。
以下是发动机分类及各类发动机的特点的详细解释。
1.按燃料类型分类(1)汽油发动机汽油发动机是以汽油为燃料的发动机。
它具有功率大、噪音小、体积小、重量轻、稳定性高的特点,使用广泛。
目前主流的汽车多采用汽油发动机。
(2)柴油发动机柴油发动机是以柴油为燃料的发动机。
它具有动力强劲、节约燃料、使用寿命长等特点,但噪音较大、排放污染物较高。
柴油发动机主要应用于货车、客车等重型车辆。
(3)天然气发动机天然气发动机是以天然气为燃料的发动机,具有环保、经济等特点。
由于天然气发动机较为复杂,使用受限,主要应用于公交车、出租车等城市公共交通工具。
(4)混合动力发动机混合动力发动机是将汽油发动机和电动机相结合的发动机。
它具有节能、环保、动力强等特点,是未来发动机发展的方向。
目前,一些高档车型已采用混合动力发动机。
2.按工作原理分类(1)内燃发动机内燃发动机是将燃料和空气混合在汽缸内燃烧产生动力的发动机,包括汽油发动机、柴油发动机等。
内燃发动机体积小、重量轻、功率大,是目前应用最广泛的发动机。
(2)外燃发动机外燃发动机是将燃料和空气混合在燃烧室外部燃烧,使工作物质(如水蒸汽、燃气)在机体内产生压力而推动活塞运动。
这类发动机包括蒸汽发动机、燃气轮机等,具有热效率高、节能等特点,但体积大、重量重、不适合作为移动设备动力。
3.按循环方式分类(1)四冲程发动机四冲程发动机是指将燃油、火花塞、气缸、曲轴箱和排气管组成的系统。
它实现了进气、压缩、爆炸、排气等四个过程。
它结构简单,维护成本低,是目前汽车、摩托车等机动车最常见的发动机类型。
(2)两冲程发动机两冲程发动机是指将油、气混合物、点火、活塞、零件需要两次工作完成的系统。
它的结构相对简单、自重轻、功率高,但是燃料消耗量较大、噪声高等缺点,目前逐渐被四冲程发动机替代。
欢迎共阅汽车发动机概述发动机——是将某一种形式的能量转换为机械能的机器。
其功用是将液体或气体的化学能通过燃烧后转化为热能,再把热能通过膨胀转化为机械能并对外输出动力。
汽车的动力来自发动机。
发动机是汽车的心脏,为汽车的行走提供动力,汽车的动力性、经济性、环保性。
简单讲发动机就是一个能量转换机构,即将汽油(柴油)的热能,通过在密封汽缸内燃烧气体膨胀时,推动活塞作功,转变为机械能,这是发动机最基本原理。
汽车发动机大多是热能动力装置,简称热力机。
热力机是借助工质的状态变化将燃料燃烧产生的热能转变为机械能。
按活塞运动方式分类:活塞式内燃机可分为往复活塞式和旋转活塞式两种。
前者活塞在汽缸内作往复直线运动,后者活塞在汽缸内作旋转运动。
1876 一. (1) 。
真空度,由。
(2) pc 可达800 (3) 压的燃气推动活塞从上止点向下止点运动,并通过曲柄连杆机构对外输出机械能。
随着活塞下移,汽缸容积增加,气体压力和温度逐渐下降,到达b 点时,其压力降至300~500kPa ,温度降至1200~1500K 。
在做功冲程,进气门、排气门均关闭,曲轴转动180°。
在示功图上,做功行程为曲线c-Z-b 。
(4)排气冲程(exhauststroke)排气冲程时,排气门开启,进气门仍然关闭,活塞从下止点向上止点运动,曲轴转动180°。
排气门开启时,燃烧后的废气一方面在汽缸内外压差作用下向缸外排出,另一方面通过活塞的排挤作用向缸外排气。
由于排气系统的阻力作用,排气终点r 点的压力稍高于大气压力,即pr=(1.05~1.20)p0。
排气终点温度Tr=900~1100K 。
活塞运动到上止点时,燃烧室中仍留有一定容积的废气无法排出,这部分废气叫残余废气。
二.四冲程柴油机工作原理欢迎共阅四冲程柴油机和汽油机一样,每个工作循环也是由进气冲程、压缩冲程、做功冲程和排气冲程组成。
由于柴油机以柴油作燃料,与汽油相比,柴油自燃温度低、黏度大不易蒸发,因而柴油机采用压缩终点压燃着火,也叫压燃式点火,其工作过程及系统结构与汽油机有所不同.(1)进气冲程进入汽缸的工质是纯空气。
汽车发动机的运动学与动力学特性汽车发动机,作为汽车的“心脏”,其运动学与动力学特性是决定汽车性能的关键因素。
对于很多车主和汽车爱好者来说,了解发动机的这些特性,不仅能增加对汽车的认识,还能在日常使用和维护中更好地发挥汽车的性能。
首先,我们来谈谈汽车发动机的运动学特性。
简单来说,运动学主要研究物体的运动规律,而在发动机中,就是研究各个部件的运动轨迹、速度和加速度等。
发动机中的活塞是一个关键的运动部件。
在工作过程中,活塞在气缸内做往复直线运动。
这个运动是由曲轴的旋转运动通过连杆转化而来的。
当曲轴旋转一周,活塞完成一个往复运动,即从上止点运动到下止点,再回到上止点。
气门的运动也是发动机运动学中的重要部分。
进气门和排气门需要按照精确的时间和行程开启和关闭,以实现进气和排气过程。
气门的运动由凸轮轴控制,凸轮轴的形状和转速决定了气门的开启时间、持续时间和升程。
而在多缸发动机中,各个气缸的活塞和气门的运动需要协调配合,以保证发动机的平稳运行。
例如,四缸发动机的点火顺序通常为 1-3-4-2 或 1-2-4-3,这样可以使发动机的动力输出更加平稳,减少振动。
接下来,我们再深入了解一下发动机的动力学特性。
动力学主要研究物体的受力与运动之间的关系。
在发动机中,就是研究各个部件所受到的力以及这些力如何影响部件的运动和发动机的性能。
燃烧过程产生的气体压力是推动活塞运动的主要动力。
当混合气在气缸内燃烧时,气体迅速膨胀,产生巨大的压力,推动活塞向下运动。
这个压力的大小和变化规律直接影响到活塞的运动速度和加速度,进而影响发动机的输出功率和扭矩。
活塞在运动过程中还会受到摩擦力的作用。
气缸壁与活塞之间的摩擦、连杆与曲轴之间的摩擦等都会消耗一部分能量,降低发动机的效率。
因此,减少摩擦损失是提高发动机性能的一个重要途径,例如采用优质的润滑油、优化部件的表面粗糙度等。
曲轴在旋转过程中也会受到各种力的作用。
除了来自连杆的推力和拉力外,还有自身的惯性力和离心力。
汽车发动机动力学特性分析与优化设计随着汽车行业的发展,汽车发动机的动力学特性分析和优化设计变得越来越重要。
本文将探讨汽车发动机的动力学特性,并介绍一些常见的优化设计方法。
一、汽车发动机的动力学特性分析汽车发动机的动力学特性是指在不同工况下,发动机输出的扭矩和功率随转速的变化规律。
了解发动机的动力学特性对于提高发动机的性能以及优化车辆的驾驶体验至关重要。
1.1 扭矩-转速曲线扭矩-转速曲线是描述发动机工作状态的关键曲线之一。
通过测量发动机在不同转速下输出的扭矩,可以绘制出扭矩-转速曲线,从而了解发动机的输出能力。
一般来说,扭矩曲线应该尽可能平坦,以提供较大的驾驶灵活性。
1.2 功率-转速曲线功率-转速曲线是描述发动机输出功率变化规律的曲线。
通过测量发动机在不同转速下输出的功率,可以绘制出功率-转速曲线,从而了解发动机的高速性能。
一般来说,功率曲线应该保持较为平稳,在高转速区域有较强的爆发力。
1.3 响应速度发动机的响应速度是指发动机在响应驾驶者操作时的反应速度。
较好的发动机响应速度能够提升驾驶体验,使驾驶者更加舒适自如。
常用的衡量指标有加速时间、减速时间等。
二、汽车发动机动力学特性的优化设计为了优化汽车发动机的动力学特性,提高车辆性能,工程师们采用了许多设计方法。
2.1 气门控制系统优化气门控制系统是发动机的重要组成部分,对发动机的动力学特性影响较大。
通过优化气门的开启和关闭时机,可以精确控制燃air混合气的进入和排出,从而提高发动机的吸气和排气效率。
2.2 进气道和排气道优化通过优化进气道和排气道的结构,可以改善气流的流通效果,提高燃air的充填效率和废气的排出效率。
常用的方法包括采用流线型设计、增加进气道和排气道的直径等。
2.3 燃油系统优化燃油系统对发动机的动力学特性也有一定影响。
通过优化喷油系统、提高燃油的喷射效果,可以提高燃烧效率,从而提高发动机的输出能力。
2.4 点火系统优化点火系统的性能直接关系到发动机的燃烧效率和功率输出。