ZXD2-1型巡线小车
- 格式:pptx
- 大小:24.81 MB
- 文档页数:17
d2-1型巡线小车工作原理
d2-1型巡线小车是一种用于自动巡线的智能机器人,其工作原
理是基于传感器技术和控制系统的组合。
该小车通常配备红外线传
感器,通过这些传感器可以检测地面上的线路,从而实现自动跟踪
线路运动。
当传感器检测到线路时,控制系统会相应地调整小车的
方向和速度,使其沿着线路移动。
这种设计能够使小车在不需要人
工干预的情况下,沿着预先设定的线路进行移动和巡线工作。
同时,控制系统还可以根据传感器的反馈信息进行实时调整,以确保小车
能够稳定地跟踪线路,实现精准的巡线工作。
总的来说,d2-1型巡
线小车的工作原理是基于传感器检测和控制系统的协同作用,实现
自动巡线的功能。
TYJJ-BX型接触网智能巡检设备(小车)产品简介:一、概述TYJJ-BX型接触网智能巡检设备(小车)是公司最新研发的用于测量高速铁路接触网各项几何参数的多功能、多用途、一体化的产品。
设备区别于普通测量仪测量方式,通过人性化的设计,设备可在轨道上推行行走及实现自动找线功能,有效的降低了工作人员劳动强度、提升了测量稳定性及工作效率。
同时该设备有效地解决了现有大型接触网检测车占用行车区间,影响铁路调度运行图等问题。
二、主要功能2.1.用于高速铁路上对接触网参数进行连续检测,设备为非接触测量方式。
可在轨道上推行测量,可对接触网几何参数(拉出值、导线高度、侧面限界、线岔中心等)进行测量;2.2自动寻线通过高清晰度进口摄像头在平板电脑上的成像,用户不需转动主机瞄准接触线,用户只需在平板电脑上的成像图中点击需要测量的接触线,设备便自动瞄准完成测量。
此功能提高了测量效率与测量精度,将人为误差降低。
2.3无缝测量,数据记录全面可连续记录巡视测量里程和路径轨迹,并同时测量导高、拉出值、支柱跨距等参数;同时系统具有拍照、录像功能,能高清录制接触网悬挂设备工作状况,通过图像分析可以实现接触网悬挂病害自动识别(扩展功能)。
系统数据分析处理部分能兼容铁道部目前正在推广的《铁路牵引供电运营管理信息系统》,可以与其数据库实现无缝连接;(扩展功能)2.5界面友好、操作简便采用军工级三防平板电脑,采用windows操作系统,中文操作界面,全数字测量方式。
系统配置64G的固态硬盘系统更为稳固可靠,同时提升了测量精度。
采用聚锂合物电池,可提供连续10小时的不间断测量。
2.6结构轻巧,方便携带整机中文操作界面,使用方便。
测量架采用航空铝材一体化制作,机身重量轻,包括推行把手在内的推行装置固定端均可折叠,上下道操作方便。
三、技术参数:。
10.16638/ki.1671-7988.2019.16.039D2-1型巡线小车的设计马雪丽,樊钺骄,王宏阳,孙进龙(河北农业大学,河北保定071000)摘要:巡线小车结构简单,特别有趣,原理容易理解,深受人们的喜欢。
它涉及到许多知识,包括传感器、电子技术和机械部分。
通过对小车进行制作,不仅锻炼了动手的能力,还使得学到的知识加以运用。
小车可以沿着黑色轨道自动行驶,可以自动转弯,不需要人为控制。
文章介绍了其主要元件,还对其整体的电路进行了分析。
还介绍了小车的组装、焊接以及调试。
关键词:小车;智能;循迹;光敏电阻中图分类号:U462 文献标识码:A 文章编号:1671-7988(2019)16-105-03Design of D2-1 Patrol CarMa Xueli, Fan Yuejiao, Wang Hongyang, Sun Jinlong(Hebei Agricultural University, Hebei Baoding 071000)Abstract: The structure of patrol car is simple, its principle is easy to understand, and it is very interesting and be loved by people. It involves a lot of knowledge, including sensors, electronic technology and mechanical parts. By making the car, it not only exercises our practical ability, but also makes the knowledge we have learned to be used. The car can drive automatically along the black track, can turn automatically, and does not need artificial control. In this paper, the main components of the patrol car are introduced, and its whole circuit is analyzed. At the same time, the assembly, welding and debugging of the patrol car are also introduced.Keywords: car; intelligence; tracking; photosensitive resistanceCLC NO.: U462 Document Code: A Article ID: 1671-7988(2019)16-105-03引言现今,许多学校特别重视学生的动手能力,有的老师会选择让学生制作循迹小车,不仅涉及到很多知识,还提高了学生的动手能力。
d2-5型巡线小车参考文献D2-5型巡线小车是一种智能机器人,广泛应用于巡线、监测、自动化仓储等领域。
为了更好地了解和研究这款小车,本文将在不使用链接的前提下,介绍一些相关的参考内容。
首先,关于D2-5型巡线小车的技术原理和设计,可以参考以下文献:1. 《机器人技术与应用》(李静整理):该书介绍了机器人的基础知识、工作原理以及各种类型的机器人的应用。
其中,第十章介绍了巡线机器人的原理和设计,对于了解D2-5型巡线小车的相关技术有很大帮助。
2. 《机器人学导论》(John J. Craig):该书是机器人技术领域的经典教材,详细介绍了机器人的基本概念、机器人的运动学、动力学以及感知和控制系统等方面的知识。
其中,第九章涵盖了移动机器人的主题,对于研究D2-5型巡线小车的移动性能和控制系统有较为全面的讲解。
3. 《移动机器人技术及应用》(党建华):本书全面介绍了移动机器人技术的理论和应用,包括移动机器人的动力学建模、导航算法、感知与处理等内容。
特别是第四章介绍了基于视觉的巡线机器人技术,对于理解D2-5型巡线小车的视觉传感器和图像处理算法有所帮助。
其次,关于D2-5型巡线小车的应用案例和实践经验,可以参考以下文献:1. 《巡线机器人在工业自动化仓储中的应用研究》(陈辉、杨帆):该论文以巡线机器人在工业自动化仓储中的应用为主题,详细介绍了巡线机器人在仓储过程中的具体应用场景和实践经验。
对于了解D2-5型巡线小车在自动化仓储中的潜在应用具有很大参考价值。
2. 《基于巡线小车的自动化巡检系统设计与实现》(刘超、张萌):该论文详细阐述了基于巡线小车的自动化巡检系统的设计和实现,涵盖了巡检需求分析、系统架构设计、巡检算法和软件开发等方面的内容。
对于研究D2-5型巡线小车的巡检算法和系统架构具有一定的借鉴意义。
3. 《巡线机器人在智能化巡检系统中的应用研究》(张兴琦、刘晓霞等):该论文以巡线机器人在智能化巡检系统中的应用为研究对象,详细介绍了巡线机器人的应用架构、巡线算法以及系统性能评估等方面的内容。
轨道检查车检测资料分析与应用发布时间:2022-11-04T01:13:49.309Z 来源:《工程管理前沿》2022年第13期7月作者:邱仕辉[导读] 从当前轨道检查车应用类型、特点、检测标准、检测资料包含内容以及认识波形图等方面展开阐述邱仕辉(广州地铁集团有限公司运营事业总部)摘要从当前轨道检查车应用类型、特点、检测标准、检测资料包含内容以及认识波形图等方面展开阐述。
通过图表举例详细介绍了应用波形图准确找到设备病害地点以及应用轨道质量指数指导日常维修保养等的方法。
关键词铁路轨道检查车轨道检测波形图分析应用1 引言随着铁路既有干线网提速、高铁建设战略的推进和城市轨道交通蓬勃发展,提升线路设备质量、实时检测轨道状态已成为保障行车安全的首要任务。
轨道检查车对线路设备质量情况进行动态检查,是减轻日常静态检查劳动强度、帮助现场找准设备病害点、指导线路设备实行状态维修、提升设备质量的一种最佳方法。
但是,如果日常没有充分了解轨道检查车基本原理及没有认真读懂轨检车资料,没有在现场准确进行点对点复查,使一些设备病害得不到有效、彻底地整治,从而造成病害继续发展。
因此,如何应用轨道检查车,正确分析应用检测资料找准设备病害源,提高整治效果,是值得我们探讨的技术问题。
2 轨道检查车概述2.1 概念轨道检查车是一种在动态情况下检查线路轨道状态的检测设备,通常所说的轨道检查车,有轨检车、动检车。
轨检车是一节独立车厢,自身带有发电功能,仅装有线路轨道检查仪器,检测时需连挂旅客列车或机车车尾的一种检测设备。
城市轨道交通行业配备是网检车,除装有线路轨道检查仪器,还装有接触网(轨)供电检查仪器和巡检系统。
动检车是以一整列和谐号动车组进行编组,多节车厢上分别装有不同的检查仪器(如线路轨道检查仪器、接触网供电检查仪器、环境保护监测仪器等),且装有动力学检查仪器的综合性检测设备。
2.2 轨道检查车的发展及类型、特点我国轨检车发展经历了四代,现在应用较多的第四代(GJ-4型)轨检车(DJ997758和WX999246),是在进口的XGJ-1型轨检车基础上进行改良,增加了地面表识物、车体水平和垂直振动加速度等检测项目,用于评价线路质量状态、指导养护维修等。
d2-1型巡线小车作品感悟
通过这次对D2-1型循迹小车的设计的焊接与组装,使我们对电子工艺的理论有了更进一步的了解。
我们了解到了焊普通元件与电路元件的技巧、印制电路板图的设计制作与
工艺流程、循迹小车的工作原理与组成元件的作用等。
这些知识不仅在课堂上有效,对以后的电子工艺课的学习有很大的指导意义。
在日常生活中更是有着现实意义,也对自己的动手能力是个很大的锻炼。
实践出真知,没有足够的动手能力就奢谈在未来的科研尤其是实验研究中有所成就。
在实习中我们锻炼了自己动手技巧提高了自己解决问题的能力。
比如做循迹小车的组装与调试时,好几个焊盘的间距特别小,稍不留神就焊在一起,但是我还是完成了任务。
虽然在实践中会遇到难题,但是我从中学到了很多,使自己的动手能力也有所提高,我想在以后的理论学习中我就能够明白自己的学习方向,从而增进专业知识的强化。
D2-1型循迹小车的顺利完成不但增强了我对电子技术知识学习与运用的兴趣,也让我认识理论必须要有实践的结合我们才能更好地运用我们所学的知识,此外我们必须要端正科学的态度认真对待,做事要认真仔细要谨慎遵循规律循序渐进不能马虎,更不能急于求成。
在以后的学习生活中我们更应该加强动手能力,让自己能更好地发展,而不是局限于理论的学习,对于我们电气专业而言,能够把理论运用
到实践中去才是真正学到了知识。
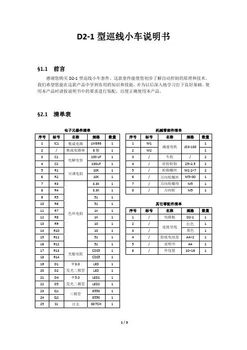
D2‐1型巡线小车说明书§1.1 前言感谢您购买D2‐1型巡线小车套件。
这款套件能使您初步了解自动控制的原理和技术。
我们希望您能在这款产品中学到有用的知识和技能,并为以后深入地学习打下良好基础。
使用本产品时请按说明书中的要求进行装配,以便正确使用本产品。
§2.1 清单表电子元器件清单 机械零部件清单序号 标号 名称 规格 数量 序号 标号 名称 规格 数量1 IC1 集成电路 LM393 1 1 M1减速电机 JD3‐100 12 / 集成电路座 8脚 1 2 M2 13 C1电解电容 100 uF 1 3 / 车轮 / 24 C2 100uF 1 4 / 硅胶轮胎 25×2.5 25 R1可调电阻 10K 1 5 / 轮毂螺丝 M2.2×7 26 R2 10K 1 6 / 万向轮螺丝 M5×30 17 R3色环电阻 3.3K 1 7 / 万向轮螺母 M5 18 R4 3.3K 1 8 / 万向轮 M5 19 R5 51 110 R6 51 1 其它零配件清单11 R7 1K 1 序号 标号 名称 规格 数量12 R8 1K 1 1 / 电路板 D2‐1 113 R9 10 1 2 /连接导线 红色 114 R10 10 1 3 / 黑色 115 R11 51 1 4 / 胶底电池盒 AA×2 116 R12 51 1 5 / 说明书 A4 117 R13光敏电阻 CDS5 1 6 / 外包装 10×16 118 R14 CDS5 119 D1 Φ3.0发光二极管 LED 120 D2 LED 121 D4 Φ5.0发光二极管 LED1 122 D5 LED2 123 Q1三极管 8550 124 Q2 8550 125 S1 开关 SEITCH 1§3.1 原理图§4.1 装配说明§4.1.1 电路装配(1) 按电路图和电路板上的标识符依次将色环电阻、8脚IC座、开关、电位器、三极管、电解电容、Φ3.0发光二极管焊接在电路板上,注意IC座的方向,不要焊错。
10.16638/ki.1671-7988.2019.16.039D2-1型巡线小车的设计马雪丽,樊钺骄,王宏阳,孙进龙(河北农业大学,河北保定071000)摘要:巡线小车结构简单,特别有趣,原理容易理解,深受人们的喜欢。
它涉及到许多知识,包括传感器、电子技术和机械部分。
通过对小车进行制作,不仅锻炼了动手的能力,还使得学到的知识加以运用。
小车可以沿着黑色轨道自动行驶,可以自动转弯,不需要人为控制。
文章介绍了其主要元件,还对其整体的电路进行了分析。
还介绍了小车的组装、焊接以及调试。
关键词:小车;智能;循迹;光敏电阻中图分类号:U462 文献标识码:A 文章编号:1671-7988(2019)16-105-03Design of D2-1 Patrol CarMa Xueli, Fan Yuejiao, Wang Hongyang, Sun Jinlong(Hebei Agricultural University, Hebei Baoding 071000)Abstract: The structure of patrol car is simple, its principle is easy to understand, and it is very interesting and be loved by people. It involves a lot of knowledge, including sensors, electronic technology and mechanical parts. By making the car, it not only exercises our practical ability, but also makes the knowledge we have learned to be used. The car can drive automatically along the black track, can turn automatically, and does not need artificial control. In this paper, the main components of the patrol car are introduced, and its whole circuit is analyzed. At the same time, the assembly, welding and debugging of the patrol car are also introduced.Keywords: car; intelligence; tracking; photosensitive resistanceCLC NO.: U462 Document Code: A Article ID: 1671-7988(2019)16-105-03引言现今,许多学校特别重视学生的动手能力,有的老师会选择让学生制作循迹小车,不仅涉及到很多知识,还提高了学生的动手能力。
题目D2-1型巡线小车的设计院系内蒙古大学鄂尔多斯学院专业名称电子信息科学与技术年级学生姓名指导教师2017年06月10日D2-1型巡线小车的设计摘要寻迹智能小车生动有趣具有结构简单、原理清晰、趣味性强等特点。
还牵涉到机械结构、电子基础、传感器原理、自动控制甚至单片机编程等诸多学科知识,通过动手实践能大大提高解决实际问题的能力,制作完成后的产品,能沿预定的轨道自动前进,生动、有趣,深受初学者喜爱。
而且智能小车还是一个很好的硬件平台,只要增加一些控制电路就能完成循迹小车、救火机器人、足球机器人、避障机器人、遥控汽车等课题。
关键词:小车,智能,循迹,光敏电阻The design of D2-1 type patrol carAbstractTracking smart car interesting with a simple structure, the principle of clear, strong interest and so on. Also involves mechanical structure, electronic based, sensor, automatic control and microcontroller programming and so on many discipline knowledge, through hands-on practice can greatly improve the ability to solve practical problems, after the completion of the production of products, along a predetermined path automatically advance, vivid, interesting, loved by beginners. And smart car or a good hardware platform, as long as the increase in some control circuit can complete tracking car, fire fighting robot, robot soccer, avoid obstacle robot, remote control cars and other topics.Key words: car, intelligent tracking, photosensitive resistance目录前言 (1)1.设计目的 (2)2. 设计要求 (3)3. 主要器材 (4)4. 元器件介绍及其工作原理 (5)4.1套件概况 (5)4.2主要原器件介绍 (5)4.3工作原理 (6)4.4电路图及系统框图 (6)5.元件识别 (8)5.1主要元件功能 (8)5.1.1电阻识别 (8)5.1.2三极管 (8)5.1.3集成电路 (8)6.设计及组装过程 (10)6.1组装前准备 (10)6.2装配说明 (10)6.2.1电路装配 (10)6.2.2机械零部件装配 (10)7.焊接及调试 (11)7.1焊接过程简介 (11)7.2初步调试 (11)7.3整车调试 (11)8.特色与创新 (13)9.课程设计体会 (14)参考文献 (15)内蒙古大学鄂尔多斯学院电工电子综合课程设计论文第 1 页前言智能的出现,为我们的生活和生产带来了很大的便利,同时也是以后的发展方向,智能就是可以在一个特定的环境中按照我们前面设定好的模式去自动的运作,它并不需要我们去人为的管理,就可以达到我们前面设定的第1 页共19 页第 1 页共19 页目标,它的应用领域很广,如可以应用于工业控制、科学勘探、智能家居等领域。
(19)中华人民共和国国家知识产权局(12)发明专利申请(10)申请公布号 (43)申请公布日 (21)申请号 202010601823.5(22)申请日 2020.06.28(71)申请人 上海应用技术大学地址 200235 上海市徐汇区漕宝路120-121号(72)发明人 李培刚 兰才昊 管署刚 陈江 郭超 凌忠信 郭俊豪 王春洋 宣淦清 詹志军 (74)专利代理机构 上海汉声知识产权代理有限公司 31236代理人 胡晶(51)Int.Cl.B61D 15/10(2006.01)B61K 9/08(2006.01)(54)发明名称铁路轨道巡检作业小车(57)摘要本发明提供了一种铁路轨道巡检作业小车,包括:车架、轮毂安装板、轮毂、搭载平台的小车,所述轮毂安装板设置在车架上,所述轮毂安装板下方安装有轮毂,所述轮毂与轨道滑动连接;当所述轮轮毂沿轨道滑动时,带动所述车架沿轨道方向移动;所述车架上设置有多个位置可调的仪器安装板,部分所述仪器安装板上安装有摄像头;所述摄像头用于对轨道进行图像采集,并将采集结果传输给位于所述轮毂安装板上的搭载平台。
相较于现有的检查小车,本发明中的小车结果简单,重量小,便于携带,能够对轨道进行全方位检测,检测效率高,适用性强。
权利要求书1页 说明书4页 附图3页CN 111619598 A 2020.09.04C N 111619598A1.一种铁路轨道巡检作业小车,其特征在于,包括:车架、轮毂安装板、轮毂、搭载平台,所述轮毂安装板设置在车架上,所述轮毂安装板下方安装有轮毂,所述轮毂与轨道滑动连接;当所述轮轮毂沿轨道滑动时,带动所述车架沿轨道方向移动;所述车架上设置有多个位置可调的仪器安装板,部分所述仪器安装板上安装有摄像头;所述摄像头用于对轨道进行图像采集,并将采集结果传输给位于所述轮毂安装板上的搭载平台。
2.根据权利要求1所述的铁路轨道巡检作业小车,其特征在于,所述轮毂安装板还安装有轮毂电机,用以驱动所述轮毂沿轨道滑动。
d2-5型巡线小车参考文献
以下是关于d2-5型巡线小车的一些参考文献:
1. 冯江河, 张明华, 张大智. 基于d2-5型巡线小车的自动导航系统设计[J]. 电子测量技术, 2016(8):68-7
2.
2. 魏源, 张乐, 赵建华. d2-5巡线小车的控制与定位研究[J]. 自动化与仪器仪表, 2017, 38(3):67-71.
3. 王亚杰, 刘红杰, 雷志刚. d2-5型巡线小车的导航与控制系统设计[J]. 测试技术学报, 2019, 43(10):69-7
4.
4. 王月明, 王云飞, 刘春泉. 基于d2-5巡线小车的寓教于乐机器人设计[J]. 机电工程, 2018, 35(11):206-209.
5. 王瑞涛, 李晨辰. 基于d2-5巡线小车的路径规划算法研究[J]. 现代交通, 2017(10):28-31.
希望以上文献能为您提供一些关于d2-5型巡线小车的相关信息。