毕业设计说明书(三栏式)
- 格式:pdf
- 大小:415.58 KB
- 文档页数:23
毕业设计说明例文一、设计背景及意义本毕业设计是以艺术类为主题的设计项目,旨在通过创作一件艺术作品来表达我对当代社会的思考和对艺术表达的独特见解。
通过艺术作品的创作,可以为观众带来美的享受,引发思考,并表达我对社会问题的关注和态度。
此外,本设计也是对我艺术技能的考验和提升,通过实践来拓宽自己的艺术才华,增加自己的艺术创作经验。
二、设计目标1.创作一件独特、具有个人风格的艺术作品;2.通过作品的展示,引发观众对当代社会问题的思考;3.提升个人艺术技能,增加艺术创作经验。
三、设计内容本毕业设计主要包括以下几个方面的内容:1.创作理念和艺术风格:本设计将以当代社会问题为创作背景,采用现代艺术手法和独特的艺术风格来表达对社会问题的关注和态度。
通过抽象、寓意等手法,让观众对作品有不同的解读,引发思考。
2.创作材料和技巧:本设计将采用多种材料和技巧进行创作,如绘画、雕塑、摄影等。
通过不同的材料和技巧的组合和运用,打造出独特的艺术形式和效果。
3.展示形式和场所:本设计将选择合适的展示场所,如画廊、艺术展览等,以及适合的展示形式,如单件展示、组合展示等,来展示作品。
通过展示形式和场所的选择,提升作品的观赏性和艺术性。
四、设计步骤与时间安排1.设计前期调研:花费2周时间,对当代社会问题进行调研和分析,了解相关艺术作品和艺术家的创作方式和思路。
2.创作构思和方案设计:花费1周时间,根据调研结果,开始进行创作构思,并制定详细的方案和计划。
3.创作实践:花费6周时间,按照方案和计划开始创作艺术作品,在创作过程中不断修正和完善,保证作品质量和艺术效果。
4.作品展示和总结:花费1周时间,选择合适的展示场所,进行作品展示,并对毕业设计进行总结和评价。
五、设计预期成果及评价标准1.预期成果:创作一件独特、具有个人风格的艺术作品,并进行作品展示和宣传。
2.评价标准:作品的艺术性、观赏性和表现力;作品对当代社会问题的反映和引发思考的能力;个人对艺术技能和创作经验的提升和成长。
毕业设计说明书(完整版)一、项目背景及意义随着社会的发展和科技的进步,各行业对专业人才的需求日益增长。
毕业设计作为高校教育的重要环节,旨在培养学生综合运用所学知识解决实际问题的能力。
本毕业设计项目立足于我国当前某行业现状,针对某一具体问题进行研究与探讨,具有一定的现实意义和实用价值。
二、项目目标1. 分析现有问题,明确研究目标;2. 设计出一套切实可行的解决方案;3. 验证方案的有效性,为实际应用提供理论依据;4. 提高自身综合素质,为即将步入职场做好准备。
三、研究内容与方法1. 研究内容(1)行业现状分析;(2)问题识别与归纳;(3)解决方案设计;(4)方案实施与效果评估。
2. 研究方法(1)文献分析法:通过查阅相关文献,了解行业背景及研究现状;(2)实地调查法:深入企业或实地进行调查,收集一手资料;(3)比较分析法:对比不同解决方案的优缺点,选择最佳方案;(4)实验验证法:对设计方案进行实验验证,评估其实际效果。
四、项目进度安排2. 第二阶段(第34周):进行实地调查,收集数据,分析问题;4. 第四阶段(第912周):实施方案,进行实验验证;五、预期成果与创新点1. 预期成果(1)形成一份详尽的行业现状分析报告;(2)提出一套针对研究问题的创新性解决方案;(3)完成实验验证,证实方案的有效性和可行性;2. 创新点(1)研究视角:从全新的角度审视行业问题,为解决问题提供新思路;(2)解决方案:结合前沿技术,设计具有创新性的解决方案;(3)实验方法:采用独特的实验方法,确保研究成果的科学性和准确性。
六、可能遇到的困难与对策1. 困难(1)研究过程中可能遇到数据收集不全、不准确的问题;(2)设计方案可能在实际操作中遇到技术难题;(3)实验过程中可能受到外部环境因素的影响。
2. 对策(1)加强与相关企业和机构的沟通,确保数据来源的可靠性;(2)请教专业人士,对设计方案进行优化;(3)严格控制实验条件,减少外部环境因素的干扰。
超时空另类家居设计
系部电子信息工程
专业名称电脑艺术设计
班级电艺1091班
姓名严增镔
学号 20091234
指导教师严增镔
2012年X月X日
宜宾职业技术学院电脑艺术设计专业超时空另类家居设计
目录
1 题目来源 (1)
2 市场调查 (1)
2.1 xxxxxx (1)
2.1.1 xxxxxx (1)
2.1.2 xxxxxx (1)
2.2 xxxxxx (1)
3 设计思想定位 (1)
3.1 xxxxxx.........................................错误!未定义书签。
3.2 xxxxxx.........................................错误!未定义书签。
4 设计创意说明 (1)
4.1 xxxxxx (1)
4.2 xxxxxx (1)
5 结论 (1)
6 致谢 (1)
题目名称XXXXXXX(黑体三号加粗居中)
1 题目来源(四号黑体加粗 1.5倍行距)
正文(小四宋体)
2 市场调查
2.1 xxxxxx
2.1.1 xxxxxx
(1)
2.1.2 xxxxxx
(1)
2.2 xxxxxx
3 设计思想定位
正文(小四宋体)
4 设计创意说明
4.1 xxxxxx
4.2 xxxxxx
5 结论
正文(小四宋体)
6 致谢
正文(小四宋体)。
毕业设计说明书范文
《毕业设计说明书》
一、设计目的
本毕业设计旨在对学生在学习过程中所获得的知识进行综合运用和实践,通过设计、实施和总结,培养学生的综合素质和创新能力。
二、设计内容
本毕业设计选取了《XXX》作为设计研究的对象,通过对其进行深入的调查研究,结合相关理论知识和技术手段,进行设计和分析,最终得出科学合理的解决方案。
三、设计方法
本毕业设计采用了文献资料法、实地调查法、问卷调查法、实验研究法、数学统计法等多种研究方法,以保证研究的全面性和客观性。
四、设计步骤
1. 调研阶段:收集相关文献资料,了解市场现状和发展趋势;
2. 研究阶段:通过实地调查和问卷调查,获取更多的数据和信息;
3. 实施阶段:根据前期研究,进行设计方案的制定和实施;
4. 总结阶段:在设计实施完成后,对设计过程和结果进行总结和分析。
五、设计意义
本毕业设计的完成将有助于学生对所学知识的深入理解和应用,培养了学生的创新能力和实践技能,同时为相关专业领域提供了有价值的理论研究和实践经验。
六、结语
通过本毕业设计的完成,相信学生们将会收获满满,不仅在知识上有所提升,更在实践中锻炼了自己,为将来的工作和学习打下了坚实的基础。
希望学生们在未来的道路上能够继续不断地努力和创新,为社会发展做出更大的贡献。
(完整版)毕业设计说明书范文目录第一章前言........................................................................................................................... ...................第二章工程概述........................................................................................................................... ..........2.1 设计概述........................................................................................................................... .................2.2 沈阳万科柏翠园2#楼电气系统设计 ........................................................................................2.2.1 380220V低压供配电系统 ........................................................................................................2.2.2 照明系统 .......................................................................................................................... .............2.2.3 防雷与接地系统 .........................................................................................................................2.2.4 等电位连接........................................................................................................................... ........2.2.5 电话系统 .......................................................................................................................... .............2.2.6 有线电视系统........................................................................................................................... ...2.2.7 火灾自动报警系统.....................................................................................................................第三章照明、插座系统设计..............................................................................................................3.1 照明系统概述........................................................................................................................... ........3.1.1 照明方式 .......................................................................................................................... .............3.1.2 照明种类 .......................................................................................................................... .............3.1.3 照度计算 .......................................................................................................................... .............3.1.4 导线的选择........................................................................................................................... ........3.2 照明和插座的设计 .........................................................................................................................3.2.1 照明设计的原则及要求............................................................................................................3.2.2 插座设计的原则及要求............................................................................................................3.3 万科柏翠园2#楼插座系统设计 .................................................................................................3.4 万科柏翠园2#楼照明系统设计 .................................................................................................3.4.1 照明设计概述..............................................................................................................................3.4.2 照明平面设计........................................................................................................................... ...4.1 配电系统概述........................................................................................................................... ........4.2 万科柏翠园2#楼供配电系统设计.............................................................................................4.2.1 需要系数法确定计算负荷 .......................................................................................................4.2.2 供电电源及负荷等级 ................................................................................................................4.2.3 配电室及设备间设置 ................................................................................................................4.2.4 低压配电系统的接线方式 .......................................................................................................4.2.5 导线的选择及敷设.....................................................................................................................第五章防雷接地系统设计...................................................................................................................5.1 防雷与接地系统概述.....................................................................................................................5.1.1 建筑物防雷的意义.....................................................................................................................5.1.2 建筑物的防雷等级.....................................................................................................................5.1.3第三类防雷建筑物的防雷措施 ...............................................................................................5.1.4 接地系统与等电位保护概述...................................................................................................5.2 万科柏翠园2#楼防雷接地系统的设计....................................................................................5.2.1 防雷设计 .......................................................................................................................... .............5.2.2 接地设计 .......................................................................................................................... .............第六章消防系统设计............................................................................................................................6.1 建筑消防系统概述 .........................................................................................................................6.1.1 消防系统概述........................................................................................................................... ...6.1.2 建筑物的防火等级.....................................................................................................................6.2 消防系统联动控制 .........................................................................................................................6.3 万科柏翠园2#楼的消防系统设计.............................................................................................第七章有线电视系统设计...................................................................................................................7.1概述........................................................................................................................... .........................7.2.1 CATV系统的组成 ........................................................................................................................7.2.2 系统的主要设备选择 ................................................................................................................7.2.3 本工程有线电视系统的设计...................................................................................................第八章电话系统设计............................................................................................................................8.1 电话系统概述 .......................................................................................................................... ......8.2 系统构成 .......................................................................................................................... ...............第九章可视对讲系统设计...................................................................................................................9.1 对讲系统概述........................................................................................................................... ........9.2 可视对讲系统设计 .........................................................................................................................第十章技术经济分析 .........................................................................................................................第十一章结论 .......................................................................................................................... .............参考文献........................................................................................................................... ..........................致谢........................................................................................................................... ...................................附录一中文译文附录二外文资料原文附录三工程设计图纸沈阳万科柏翠园2#楼电气系统设计第一章前言本次设计的题目是沈阳万科柏翠园2#电气系统设计。
20 届毕业设计(论文)说明书题目院、部:学生姓名:指导教师1:职称指导教师2:职称专业:班级:完成时间:摘要(三号,黑体,居中,字间空两格字符)(空二行换行)空4格打印摘要内容(小四号宋体,行距20)。
关键词:(摘要内容后下空一行打印“关键词”三字(小四号黑体),其后为关键词(小四号宋体),每一关键词之间用分号隔开,最后一个关键词后不打标点符号。
ABSTRACT①居中打印“ABSTRACT”,再下空二行打印英文摘要内容。
②摘要内容每段开头留四个空字符。
③摘要内容后下空一行打印“Key words”,其后为关键词用小写字母,每一关键词之间用分号隔开,最后一个关键词后不打标点符号。
Key words aaa;bbb;ccc目录(3号,黑体,居中)(空1行,以小4号黑体设置字体及大小,行间距22、字间距标准)1 XXXXXX…………………………………………………………………………1.1 XXXXXX……………………………………………………………………… 1.2 XXXXXX………………………………………………………………………┇2 XXXXXX…………………………………………………………………………2.1 XXXXXX……………………………………………………………………… 2.2 XXXXXX………………………………………………………………………┇参考文献………………………………………………………………………………. 致谢……………………………………………………………………………………附录……………………………………………………………………………………正文1 ××××(小3号,黑体,行距30)(空2行)1.1 XXXXXX (4号,黑体,左起,行距30)1.1.1 XXXXXX(小4号,黑体,左起,行距26)(1)XXXXXX(小4号,黑体,左起,行距20)(一般不设四级标题,如确属需要,第四层+正文:空4格左起以小四号宋体打印正文,行距20。
毕业设计(论文)说明书
步
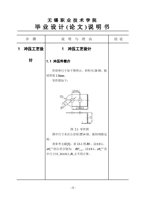
骤说明与理由结论1冲压工艺设
计1冲压工艺设计1.1冲压件简介
形状和尺寸如下图所示。
材料为20钢,板
材厚度1.0mm 。
零件图如下:
图2.1零件图
图中尺寸未注公差取IT14级。
板材规格定
制。
查参考文献[3],表13-1得9R ,1.012±,
2.006+φ的公差分别为:036.09-R ,
1.012±,
2.006+φ其中尺寸15,1.024±,1R ,2不用计算。
毕业设计(论文)说明书
毕业设计(论文)说明书
毕业设计(论文)说明书
毕业设计(论文)说明书
图2.1模具结构图
毕业设计(论文)说明书
毕业设计(论文)说明书
毕业设计(论文)说明书
毕业设计(论文)说明书
毕业设计(论文)说明书
毕业设计(论文)说明书
毕业设计(论文)说明书
毕业设计(论文)说明书
毕业设计(论文)说明书
毕业设计(论文)说明书
毕业设计(论文)说明书
毕业设计(论文)说明书
毕业设计(论文)说明书
毕业设计(论文)说明书
毕业设计(论文)说明书
毕业设计(论文)说明书
毕业设计(论文)说明书
毕业设计(论文)说明书。
毕业设计(论文)说明书毕业设计(论文)说明书是对毕业设计或论文内容的规范化描述,目的是使读者能够充分了解设计或论文的主要内容、研究方法、结果和体现研究贡献等方面。
下面是该说明书的一般结构和内容:一、选题背景和研究意义在这一节中,需要详细描述你选择该课题的原因,为什么重要,以及它与其他研究和实践的关系。
也可以简要介绍一些相关的研究和实践情况,让读者对该课题有更深入的理解。
二、研究目的和研究问题这一节需要明确你的研究目标和要解决的问题。
它应简要列出设计或论文的主要目标,并描述如何通过该研究来解决问题。
需要确保写得具有一定的可操作性。
三、研究内容和方法在这一节中,应对设计或论文的主要内容、数据来源、数据分析方法等进行详细描述。
需要描述你用来达成目标的具体步骤,并解释为何该方法最标准、最合理、最可实施。
需要确保写得清晰、完整。
四、论文结构和内容概述在这一节中,应对设计或论文的结构进行详细描述。
需要对每一章节的主要内容进行概述,以帮助读者了解设计或论文的主要内容,以及如何组织这些内容。
五、预期结果和贡献这一节需要描述你预期得到的结果和贡献。
需要清晰地说明你用什么方法验证假设或解决问题,以及通过该研究的成果对学术、实践或其他领域做了哪些贡献。
这需要写得具有一定的可信度。
六、参考文献在这一节中,需要列出你在研究过程中使用的参考文献列表。
需要写得详细、标准、规范化,以避免因引用方式不当而造成的抄袭等问题。
以上是设计或论文说明书的一般结构和内容,它可以根据你的特定研究主题和研究方向进行调整和修改。
在写作时需要遵循明确、清晰、具体的原则,确保写得简洁、准确、有说服力。
毕业设计说明书1. 引言本毕业设计致力于xxxxx(设计主题)。
设计目标是xxxxx(目标描述)。
通过本设计的实施,将达到xxxxx(预期成果)。
2. 问题陈述本设计的问题陈述如下:在现有的xxxxx(相应领域/行业),存在哪些什么问题/挑战/需求等。
以此为基础,我们提出了xxxxx(设计主题)作为解决方案。
3. 设计背景为了更好地理解本设计的背景和必要性,我们对相关领域的研究进行了综述。
根据相关文献和市场调研的结果,我们发现了xxxxx(相关问题),并确定了这个设计的重要性。
4. 设计方案本设计采取以下方法来解决问题:4.1 方法一我们将采用xxxxx(方法一的描述),以解决xxxxx(问题一)。
4.1.1 实施步骤以下是方法一的实施步骤:1.xxxxx2.xxxxx3.xxxxx4.2 方法二我们还将采用xxxxx(方法二的描述),以解决xxxxx(问题二)。
4.2.1 实施步骤以下是方法二的实施步骤:1.xxxxx2.xxxxx3.xxxxx5. 预期结果通过本设计的实施,我们预计可以获得以下结果:1.xxxxx2.xxxxx3.xxxxx6. 计划与时间安排为了按时完成本设计,我们将遵循以下计划和时间安排:任务时间任务1 xxx - xxx任务2 xxx - xxx任务3 xxx - xxx任务4 xxx - xxx7. 风险与挑战在实施本设计的过程中,我们可能会面临以下风险和挑战:1.xxxxx2.xxxxx3.xxxxx为了应对这些风险和挑战,我们将采取以下措施:•xxxxx•xxxxx•xxxxx8. 结论通过本毕业设计,我们有望解决xxxxx(问题陈述)。
该设计采用了xxxxx (设计方案),并预计实现了xxxxx(预期结果)。
在我们按照计划和时间安排进行实施的过程中,我们可能会面临一些风险和挑战,但我们将采取相应的措施来应对。
9. 参考文献•[参考文献1]•[参考文献2] •[参考文献3]。
毕业设计说明书(论文)撰写格式为提高我校毕业生毕业设计()的撰写质量,做到毕业设计说明书(毕业论文)在内容和格式上的统一和规范,特规定如下:一、装订顺序论文(设计说明书)内容一般应由9个部分组成,严格按以下顺序装订,但学院可根据专业特点制订装订项目。
(1) 封面 (6) 正文(2) 中文摘要 (7) 附录(根据具体情况可省略)(3) 英文摘要 (8) 参考文献(4) 目录 (9) 致谢(5) 主要符号表(根据具体情况可省略)二、内容及书写格式要求1、毕业设计说明书(毕业论文)应用中文撰写(外语专业除外)。
2、毕业设计(论文)成果分毕业设计说明书和毕业论文两种,所有出现相关字样之处请根据具体情况选择“毕业设计说明书” 或“毕业论文”字样。
3、毕业设计说明书(毕业论文)word软件编辑,一律打印在a4幅面白纸上,单面打印。
4、毕业设计说明书(毕业论文)的上边距:30mm;下边距:25mm;左边距:3omm;右边距:2omm;行间距1.5倍行距。
5、页眉的文字为“中北大学x届毕业设计说明书” 或“中北大学××××届毕业论文”,用小四号黑体字,页眉线的上边距为25mm;页脚的下边距为18mm。
6、论文页码从引言部分开始,至致谢止,在页脚中标出。
封面、摘要、目录不编入页码,目录单独编页码。
7、正文用小四号宋体字;每章的大标题用小三号黑体,加粗,留出上下间距为:段前0.5行,段后0.5行;二级标题用小四号黑体,加粗;其余小标题用小四号黑体,不加粗。
8、文中的图、表、附注、公式一律采用阿拉伯数字分章编号。
如图1.2,表2.3,附注3.2或式4.3。
图表应认真设计和绘制,不得徒手勾画。
表格与插图中的文字一律用5号宋体。
每一插图和表格应有明确简短的图表名,图名置于图之下,表名置于表之上,图表号与图表名之间空一格。
插图和表格应安排在正文中第一次提及该图表的文字的下方。
当插图或表格不能安排在该页时,应安排在该页的下一页。
西南交通大学本科毕业设计(论文)(此处为论文题目,黑体二号字)(中文题目应不超过25字,并不设副标题,一行写不下时可分两行写)(以下各项居中列,黑体,小四)年级:学号:姓名:专业:指导老师:年月院系(宋体,小四)专业机械设计制造及其自动化(工程机械)年级姓名题目指导教师评语指导教师 (签章)评阅人评语评阅人 (签章) 成绩答辩委员会主任 (签章)年月日(注:此页内容必须安排在一页内)毕业设计(论文)任务书班级学生姓名学号发题日期:年月日完成日期:月日题目1、本论文的目的、意义2、学生应完成的任务3、论文各部分内容及时间分配:(共 16 周)第一部分 ( 周) 第二部分 ( 周) 第三部分( 周) 第四部分( 周) 第五部分( 周) 评阅及答辩( 周)备注此处可以指出主要参考文献。
(以下需要老师签字)指导教师:年月日审批人:年月日摘要(黑体,居中,小二号)与正文隔行书写摘要的文字部分。
(正文略)摘要是毕业设计(论文)内容的简要陈述,是一篇具有独立性和完整性的短文。
摘要应包括本设计(论文)的创造性成果及其理论与实际意义。
摘要中不宜使用公式、图表,不标注引用文献编号。
避免将摘要写成目录式的内容介绍。
中文摘要部分的标题为“摘要”,用黑体小二号字。
摘要内容用小四号字书写,两端对齐,汉字用宋体,外文字用Times New Roman体,标点符号一律用中文输入状态下的标点符号。
论文摘要控制在500-800汉字(符),并限制在一页内书写。
中文摘要不能使用第一人称书写,可用“本文”或“作者”代替。
论文摘要中不要出现图片、图表、表格或其他插图材料。
(摘要文字之后隔一行顶格(齐版心左边线)写出关键词)关键词:机车;车辆;制动论文的关键词,是为了文献标引工作从论文中选取出来用以表示全文主题内容信息的单词或术语,一般为3~5个。
宋体,小四号。
每个关键词之间用分号(中文状态下输入)间隔。
Abstract(Arial,居中,小二号)外文摘要在中文摘要的基础上进行编写。
word毕业设计制作分栏Word毕业设计制作分栏毕业设计是每个大学生必须完成的任务,它是对所学知识的综合运用和实践。
在毕业设计中,我们需要运用各种工具和软件来完成我们的设计任务。
其中,Word作为一个常用的文字处理软件,可以帮助我们完成论文的撰写和排版工作。
在本文中,我将介绍如何使用Word来制作分栏,以提升论文的可读性和美观度。
首先,我们需要打开Word软件,并创建一个新的文档。
接下来,我们可以在文档中输入我们的论文内容。
在输入完一段文字后,我们可以通过选中这段文字,然后点击鼠标右键,在弹出的菜单中选择“段落”选项。
在“段落”对话框中,我们可以找到“分栏”选项,并点击它。
在弹出的“分栏”对话框中,我们可以选择分栏的方式和列数。
一般来说,我们可以选择“等宽”方式,这样可以保证每一栏的宽度相同。
而对于列数,我们可以根据实际需要来选择。
如果我们希望将论文分为两栏,可以选择“2”列;如果我们希望将论文分为三栏,可以选择“3”列,以此类推。
在选择完分栏方式和列数后,我们可以点击“确定”按钮,完成分栏设置。
在完成分栏设置后,我们可以看到论文已经被分为多栏。
接下来,我们可以继续输入论文的内容。
在输入完一段文字后,我们可以按下回车键,将光标移至下一行。
Word会自动将光标移至下一栏的相同位置,以便我们继续输入。
这样,我们就可以轻松地在多栏中编写论文了。
除了分栏设置,Word还提供了一些其他的功能,可以帮助我们进一步优化论文的排版效果。
例如,我们可以通过调整字体、字号和行间距等参数,来使论文更加易读和美观。
我们还可以插入页眉和页脚,以显示论文的标题和页码等信息。
此外,我们还可以插入图片和表格,以更好地展示我们的研究结果和数据。
在完成论文的撰写和排版后,我们可以对整篇论文进行审阅和修改。
Word提供了丰富的审阅功能,可以帮助我们发现和修正论文中的错误和不足之处。
我们可以使用拼写检查、语法检查和自动修正等功能,来提高论文的质量和准确性。
目录(居中,三号字,宋体加粗)(下面:小四号字,宋体)摘要 (2)Abstract (2)1 前言(或绪论,或引言) (4)4 汽车运动校核与性能预测 (5)4.1 汽车运动校核 (5)4.1.1 汽车的制动性参数 (5)4.2 汽车性能校核 (5)4.2.1 汽车动力性能校核 (5)5 结论 (6)总结与体会 (6)谢辞 (6)参考文献 (7)附录 (8)说明:(1)目录中单独两个字的标题中间不留空格,如“前言”,不写成中间有空格的“前言”。
(2)全部行间距为1.5倍行距;(3)图的标题使用五号宋体,居中,在图下方;(4)表的标题使用五号宋体,居中,在表上方。
中文题目(居中,宋体,小三号字,加粗)摘要(居中,四号字,楷体_GB2312加粗)本设计是在原有车型BJ1041轻型载货汽车的基础上进行的一系列改装设计。
发动机的选择是经查阅资料在其现有的外特性曲线上选择的常州柴油机厂CZ4102Q 发动机;离合器的改装设计选择了膜片弹簧液压式操纵机构单片干式离合器;后桥、转向器、传动轴、差速器和制动器等部件的选择和布置参照了BJ1041 轻型载货汽车的相应部件选择和布置设计。
文中还对汽车进行了主要部件的运动校核和性能预测,包括转向轮跳动、传动轴跳动、转向拉杆与悬架导向机构的运动协调校核,以及汽车的动力性、燃油经济性、机动性、操纵稳定性、通过性、制动性和平顺性等的预测。
(小四号字,楷体_GB2312)关键词(小四号字,黑体):汽车,设计,总布置(小四号字,楷体_GB2312)英文题目(居中,Times New Roman,小三号字,加粗)AbstractThis project is a series of refitting design based on the original light truck BJ1041. Consulting the relevant information, the engine CZ4102Q made in Changzhou Diesel Engine Factory is chosen according to the full-load speed characteristic. The clutch adopts dry single-plate diaphragm spring one which is operated by hydraulic pressure system. The choices and arrangements of rear axle, steering gear, propeller shaft, differential and brake, etc is referred to the related parts on BJ1041 light truck. The movement corrections of key parts and the performance predictions of main components have been fulfilled including steering wheel hop, propeller hop and the mechanical motion correspondency between steering drag link and suspension guiding mechanism, so do the performances of driving, fuel economy, flexibility, steering stability, mobility over unprepared terrain, braking and riding comfort.Key words:Automobile, Design, Layout1 前言(或绪论,或引言,选其一均可)(左对齐,小三号字,宋体加粗)随着经济的发展,各城市之间的交通货物运输日渐增多,需要相当量的运输工具,其中以中、轻型货车见多。
毕业设计说明书格式范文
以下是毕业设计说明书的格式范文:
毕业设计说明书
设计题目:xxxxxx
学号:xxxxxx
姓名:xxxxxx
专业:xxxxxx
学院:xxxxxx
指导教师:xxxxxx
完成时间:xxxxxx年xx月
一、设计背景与意义
(这部分主要介绍设计的背景和意义,阐述为什么进行这个设计研究,以及设计研究对该领域的贡献)
二、设计目标与内容
(这部分主要描述设计的目标和具体内容,即设计研究要解决的问题以及进行的主要工作)
三、设计原理与方法
(这部分主要介绍设计所采用的原理和方法,包括理论基础、算法或模型等)
四、设计流程与系统架构
(这部分主要描述设计的流程和系统架构,展示整个设计过程和设计模块的关系)
五、设计实施与结果分析
(这部分主要描述设计的实施步骤和所得到的结果,进行数据分析和结果验证)
六、设计总结与展望
(这部分主要对整个设计过程进行总结,并展望未来的发展方向和改进措施)
参考文献
(这部分列出设计过程中参考的文献,格式按照所采用的引用格式要求)
附录
(这部分列出设计过程中所需的附加资料,如代码、数据样本等)
注:具体的章节和内容根据自己的设计情况进行适当调整和修改。
毕业设计(论文)说明书
步
骤说明与理由结论1冲压工艺设
计1冲压工艺设计1.1冲压件简介
形状和尺寸如下图所示。
材料为20钢,板
材厚度1.0mm 。
零件图如下:
图2.1零件图
图中尺寸未注公差取IT14级。
板材规格定
制。
查参考文献[3],表13-1得9R ,1.012±,
2.006+φ的公差分别为:036.09-R ,
1.012±,
2.006+φ其中尺寸15,1.024±,1R ,2不用计算。
毕业设计(论文)说明书
毕业设计(论文)说明书
毕业设计(论文)说明书
毕业设计(论文)说明书
图2.1模具结构图
毕业设计(论文)说明书
毕业设计(论文)说明书
毕业设计(论文)说明书
毕业设计(论文)说明书
毕业设计(论文)说明书
毕业设计(论文)说明书
毕业设计(论文)说明书
毕业设计(论文)说明书
毕业设计(论文)说明书
毕业设计(论文)说明书
毕业设计(论文)说明书
毕业设计(论文)说明书
毕业设计(论文)说明书
毕业设计(论文)说明书
毕业设计(论文)说明书
毕业设计(论文)说明书
毕业设计(论文)说明书
毕业设计(论文)说明书。