初中物理电功率计算专题复习
- 格式:doc
- 大小:713.50 KB
- 文档页数:8
1.如图所示电路,电源电压保持不变.灯泡额定电压为6V,额定电流为0.8A,电阻R2阻值为R1的2倍,当开关接a时,R1消耗的功率为3W;当开关接b时,R1消耗的功率为0.75W.求:(1)灯泡的额定功率.(2)当开关接b时,灯泡的实际功率.2.如图甲所示的电路中,电阻R1的阻值为20Ω,R2为滑动变阻器,其规格能够满足电路要求.电流表A、A1的表盘均如图乙所示,电源电压为12V,且保持不变.闭合开关S,在保持电路元件正常使用的情况下,求:(1)电流表A1的示数;(2)电路中的最大电功率为多少?此时通过R2的电流I2是多少?(3)若R2为一个规格为“30Ω 2A”的滑动变阻器,电流表A的示数变化的最大值△I是多少?(4)联系家庭电路,并结合以上计算结果,类比说一说对合理使用家用电器的启示.3.如图所示电路中定值电阻R1=20Ω,R2为滑动变阻器,电源电压保持不变.当滑片在a端时,电流表示数为0.6A.当滑片在滑动变阻器的中点(b点)时电压表示数为4V.求:(1)电源电压;(2)滑动变阻器R2的最大阻值.4.如图所示,L是“12V36W”的灯泡,R1是阻值为30Ω的定值电阻,R2是最大阻值为20Ω的滑动变阻器,电源电压和灯泡电阻均不变,求:(1)灯泡的阻值;(2)开关S、S1均闭合,滑片P移到最左端时,灯泡恰好正常发光,求此时通过R1的电流;(3)闭合开关S,断开开关S1,求在滑片P移到最右端,电路消耗的总功率及通电1min灯泡消耗的电能.5.如图甲所示电路,电源电压为3V,R1为定值电阻,R2为滑动变阻器,当开关S1、S2都闭合后,电流表的示数为0.6A.(1)求电阻R1的阻值;(2)当S1闭合,S2断开时,将滑片P移到中点,电流表的示数如图乙所示,求电阻R2的最大阻值;(3)当S1闭合,S2断开时,将滑片P从a端移至b端,求电路消耗的总功率的变化量.6.L1正常发光时的电是?灯L1标有“12V 9.6W”的字样,L2上只看清12V字样,得两灯电流与电压关如图,路中只有L1、2两灯串联,使L正常工时,电路的总功是多少?7.如图是某学校食堂电水壶的和电路图,为加热.控开处于闭合状态,加热器加热当水腾后,会自断开进保态.气压为1标准大,加热器电阻值不变.[c水=.2×03J/(k℃]则:(1)电水作时,其加热电阻的阻值是多大?(2)当电水壶处于保状态时,通过加热的电流是1A,阻R0电功是?。
初中物理专题复习专练易错点分析之电功和电功率的计算学校:___________姓名:___________班级:___________考号:___________评卷人得分一、填空题1.如图所示的电能表的读数是______kW·h;若该电能表的表盘转了360转,则此时的用电器消耗了______kW·h的电能。
2.小明家电能表本月初的示数为821.6KWh,本月底的示数如图所示,小明家本月消耗的电能为______kw•h,如果按0.5元/(kw•h)的电价计费。
本月应付电费______元。
3.民航局规定:严禁乘客携带超过160W·h(瓦・时)的锂电池上飞机,某品牌笔记本电脑的电池铭牌标有“10.8V10A·h”字样,充满电后,存储的电能为______kW·h,该笔记本电脑______(选填“能”或“不能”)带上飞机。
4.某次雷电的电流是2×104A,电压约为1×108V,放电时间约为0.001s,这次雷电释放的能量是____J.5.冬天,人们常用电热毯来取暖。
如图所示,是某品牌电热毯的等效电路,有高温档和低温档,低温档电功率为25W,已知电阻R=484Ω。
求:(1)开关S闭合时电热毯处于______档;(2)电热毯在低温档下工作1小时所消耗的电能为______。
6.如图所示是某用户家的电能表,单独将电烤箱接入电路,正常工作30min,电能表的转盘转过300转,则电烤箱消耗的电能为______kW·h,它的实际功率为______W。
7.物理兴趣小组的师生自制了一个电炉。
电炉的电阻丝通过5A的电流时,每分钟可产生6.6×104J的热量,则这个电炉的电功率为______W,电阻丝工作时的电阻为______Ω。
8.某玩具车电动机M的转子线圈电阻R0=1Ω,一同学把该电动机M接入如图所示的电路中,闭合开关,调节滑动变阻器R,使电动机M正常工作,此时电压表的示数为9V,电流表的示数为1A,则该电动机的额定功率为___________W;正常工作1min,该电动机M把___________J的电能转换为机械能。
1、如图所示,灯L标有“6V 3W”字样,电源电压恒为6V,定值电阻R=6Ω,设灯L的阻值不随温度变化而变化.求(1)灯L正常发光时的电阻是多少?(2)只闭合S1、S3时,电阻R在60s内产生的热量是多少?(3)要使整个电路消耗的电功率最小(且电路电流不为0),各开关的合闭情况应如何?此时的最小电功率为多少?解:(1)由P=得灯正常发光时的电阻:R===12Ω;(2)当闭合S1、S3时,灯L与电阻R并联接在电源两端,I===1AQ=I2Rt=(1A)2×6Ω×60s=360J;(3)当断开S1、S3,闭合S2时,灯L与电阻R串联,整个电路消耗的电功率最小;R总=R L+R=12Ω+6Ω=18ΩI min===AP min=UI min=6V×A=2W.答:(1)灯L正常发光时的电阻是12Ω;(2)只闭合S1、S3时,电阻R在60s内产生的热量是360J;(3)要使整个电路消耗的电功率最小(且电路电流不为0),断开S1、S3,闭合S2时,灯L 与电阻R串联;此时的最小电功率为2W.2、如图所示,电源电压不变.电阻R1的阻值为20Ω,R2的阻值为30Ω,闭合开关S,电流表的示数为0.3A,求:(1)电源电压U;(2)通电100s电流通过电阻R2产生的热量.解:由电路图可知,R1与R2并联,(1)因为并联电路中各支路两端的电压相等,所以根据欧姆定律可得,电源的电压:U=U1=I1R1=0.3A×20Ω=6V;(2))因为R1、R2并联,所以R1、R2两端的电压均等于电源电压,通过电阻R2的电流I2===0.2A;根据W=Pt=UIt可得,通电100s电阻R2产生的热量Q2=I22R2t2=(0.2A)2×30Ω×100s=120J.答:(1)电源电压U是6V;(2)通电100s电流通过电阻R2产生的热量是120J.3、如图所示,是小勇设计的某电器设备的部分电路.电源电压9V保持不变,灯泡L标有“8V 4W”字样,电流表的量程为0~3A,电压表的量程为0~15V,滑动变阻器R2的最大阻值为20Ω.闭合开关S和S1时,电路消耗的功率为4.05W.(不计灯丝电阻随温度的变化)求:(1)小灯泡L的电阻;(2)开关S、S1、S2都闭合时,通过电流表的最小电流;(3)在不超过电表量程和灯泡额定电压的条件下,只闭合开关S2时滑动变阻器R2的电功率变化范围.解:(1)因为灯的额定电压为U L=8V,额定功率为P L=4W,则由P=可得灯的电阻为:R L===16Ω;(2)闭合开关S和S1时,灯泡短路,R1单独接入电路,此时其两端电压为U=9V,又知电路消耗的功率为P1=4.05W由P=可得灯的电阻为:R1===20Ω;开关S、S1、S2都闭合时,两电阻并联,灯泡被短路,当R2全部接入电路时,电路中电阻最大,由I=可知此时,通过R1的电流为:I1===0.45A通过R2的电流为:I2===0.45A,并联电路中干路电流等于各支路电流之和,故I=I1+I2=0.45A+0.45A=0.9A;(3)当只闭合S2时,R2和L串联,由于灯泡正常发光时,电压为U L=8V,额定功率为P L=4W,额定电流为I L===0.5A<3A,故电路中最大电流为I=0.5A,此时滑动变阻器两端电压为U′=U﹣U L=9V=8V=1V,滑动变阻器消耗的电功率为P1=U′I L=1V×0.5A=0.5W;只闭合S2时,灯和R2串联,灯正常工作电流为I L===0.5A;滑动变阻器消耗的功率为P=U2I=(U﹣U L实)I=(9V﹣IR L)I=9V×I﹣16Ω×I2=W﹣(4I ﹣)2W当4I﹣=0即I=A<0.5A时,R2的功率最大P max=W=1.27W;故滑动变阻器R2的电功率变化范围为0.5W~1.27W.答:(1)小灯泡L的电阻16Ω;(2)开关S、S1、S2都闭合时,通过电流表的最小电流0.9A;(3)在不超过电表量程和灯泡额定电压的条件下,只闭合开关S2时滑动变阻器R2的电功率变化范围0.5W~1.27W.4、如图所示,将滑动变阻器的滑片P移向M端,闭合开关S,表有示数为1.0A,表的示数为6V;滑片P移向N端,闭合开关S,表的示数为2V.求:(1)电源的电压及电阻R0的阻值;(2)R0消耗的最大电功率和滑动变阻器的最大阻值.解:(1)由电路图可知,滑片移到M端时,R连入阻值为0,只有定值电阻接入电路,电压表测电源电压,电源电压:U=U V=6V;IA=I0=1.0A,由I=可知,R0的阻值:R0===6Ω;(2)滑片在M点时,R0电压最大,消耗的功率最大,最大功率:P0最大===6W;滑片在N端时,滑动变阻器阻值全部接入电路,R与R0串联接入电路,电压表测R0两端电压,电路中电流:I′===A,滑动变阻器最大阻值:R滑最大====12Ω,答:(1)电源的电压为6V,电阻R0的阻值为6Ω;(2)R0消耗的最大电功率为6W,变阻器的最大阻值为12Ω.5、如图所示的电路中,电源电压保持不变,当开关S闭合,滑片P置于滑动变阻器b端时,电压表V1示数为12V,电流表A示数为0.4A;当滑片P移至滑动变阻器中点时,电压表V2的示数恰好等于V1示数的一半(滑片P处于任何位置灯泡均可发光,灯丝电阻不随温度而改变).求:(1)滑动变阻器的最大阻值为多少?(2)滑片P由滑动变阻器b端移至中点过程中,灯泡L消耗的电功率变化了多少?(3)当开关S闭合,在任意移动滑片P的过程中,电路消耗的最大功率为多少?解:(1)有图示电路图可知,当开关S闭合,滑片P置于滑动变阻器的b端时,灯泡与滑动变阻器的最大阻值串联,电压表V1测电源的电压,电压表V2测灯泡两端电压,由题意可知,电压表V1示数为12V,电流表A示数为0.4A,则:电源的电压U=12V,电路中的电流I=0.4A,由I=可知,电路总电阻:R总=R L+R===30Ω﹣﹣﹣﹣﹣﹣﹣①当滑片P移至滑动变阻器的中点时,灯泡与滑动变阻器阻值的一半串联,由题意可知,电压表V2的示数恰等于V1示数的一半,即:U L=U=×12V=6V,此时滑动变阻器两端电压:U R=U﹣U L=12V﹣6V=6V,串联电路中各处的电流相等,灯泡电阻:R L=R﹣﹣﹣﹣﹣﹣﹣﹣﹣﹣﹣②把②式代入①式可得:R L=10Ω,R=20Ω;(2)滑片P置于滑动变阻器的b端时灯泡消耗的电能:P L=I2R L=(0.4A)2×10Ω=1.6W,当滑片P移至滑动变阻器的中点时消耗的电功率:P L′===3.6W,滑片P的由变阻器的b端移至中点过程中,灯泡E消耗的电功率变化:△P=P L′﹣P L=3.6W﹣1.6W=2W.(3)当滑片P在a端时,滑动变阻器接入电路的阻值为零,只有灯泡接入电路,此时电路消耗的总功率最大,电路消耗的最大功率:P===14.4W;答:(1)滑动变阻器的最大阻值为20Ω.(2)滑片P由滑动变阻器b端移至中点过程中,灯泡L消耗的电功率变化了2W.(3)当开关S闭合,在任意移动滑片P的过程中,电路消耗的最大功率为14.4W6、如图甲所示,已知电源电压恒为4V不变,小灯泡L1标有“2.5V 0.2A”字样,设灯丝的电阻不随温度的变化而变化,求:(1)灯泡L1正常发光时的功率是多少?(2)要使图甲中的灯泡L1正常发光,与它串联的电阻R的阻值为多少?(3)如果把电阻R换成另一只标有“1.5V 0.2A”的小灯泡L2,其它条件不变,如图乙所示,闭合开关后,灯泡L1能(选填“能”或“不能”)正常发光.(注意:此问不要求写出任何推断过程)解:(1)灯泡L1正常发光时的功率:P1=U1I1=2.5V×0.2A=0.5W;(2)灯泡正常发光时,滑动变阻器两端电压:U R=U﹣U1=4V﹣2.5V=1.5V,由I=可知,电阻阻值:R===7.5Ω;(3)由I=可知,灯泡L2的电阻:R2===7.5Ω,灯泡L2与电阻阻值相等,把电阻R换成另一只标有“1.5V 0.2A”的小灯泡L2,其它条件不变,闭合开关后,灯泡L1能正常发光;答:(1)灯泡L1正常发光时的功率是0.5W;(2)要使图甲中的灯泡L1正常发光,与它串联的电阻R的阻值为7.5欧姆.(3)如果把电阻R换成另一只标有“1.5V 0.2A”的小灯泡L2,其它条件不变,如图乙所示,闭合开关后,灯泡L1能正常发光.7、把标有“2.5V 2W”的两个小灯泡并联到2.5V的电路中,两个小灯泡同时工作10min。
初中物理电功率经典计算题100个1、一根阻值为20Ω的电炉丝做成电热器,接上10V电源能正常工作;用这个电热器与一个小灯泡串联接人该电源时,电热器消耗的功率是其额定功率的0.64倍。
求:(1)电热器正常工作的电流和额定功率;(2)小灯泡的电阻值。
答案:(1)电热器正常工作电流:电热器额定功率(2)电热器与小灯泡串联后P实=0.64P额.2、用R1=121Ω、R2=60.5Ω的两根电阻丝,两个开关(S1、S2)设计有低、中、高三档不同的电功率的取暖器,简化如图求:(1)取暖器工作于低档时,S1、S2的断开或闭合情况是怎样的?此时电路的电流和电功率各多大?(2)电取暖器工作于高档时,S1、S2的断开或闭合情况是怎样的?此时电路的干路电流和电功率多大?答案:(1)I1=1.82A,P1=400W(2)I2=3.64A,I=5.46A,P2=800W,P=1200W3、小灯泡L标有“6V 6W”字样,R2=3Ω,当S1、S2都闭合时,电流表示数为1.2A,这时小灯泡L正常发光,求:(1)电源电压U ;(2)电阻R1的阻值 ;(3)当S1、S2都断开时,小灯泡L消耗的功率.答案:(1)当S1、S2都闭合时,R2短路,R1与L并联接入电源两端∵L正常发光∴电源电压U=UL=6V(2) ∵PL=ILUL 。
∴IL===1AR1====30Ω(3)当S1、S2都断开时,R2与L串联在此电路中RL===6Ω IL=I==== APL=IL2RL=×6Ω=2.67W.4、电源电压u=7.5v , R 为保护电阻,L 为标有“6 V 3w”的小灯泡,电流表量程为0~0.6A ,电压表量程为0~3v 。
闭合开关S 后,要求灯L两端的电压不超过额定电压,且两电表的示数均不超过各自的量程,则滑动变阻器允许接入电路的最大阻值为。
答案:105、L是标有“6V 3W“的电灯,电压是8伏特的电源求:电阻R和滑动变阻器RW的阻值各是多大时,才能使滑动变阻器的滑片P无论在什么位置上,加在电灯两端的电压都不超过3~6伏特的范围。
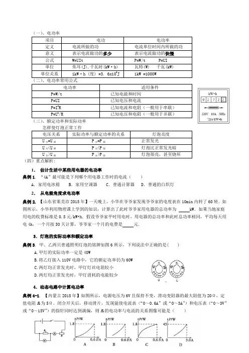
(一)、电功率项目电功电功率定义电流所做的功电流单位时间内所做的功意义表示电流做功的多少表示电流做功的快慢公式W=UIt P=W/t P=UI单位焦耳(J),千瓦时(k W·h)瓦特(W) 千瓦(kW)单位关系1k W·h (度) =3. 6x106J1kW =1000W电功率适用条件P=W/t已知电能和时间P=UI已知电压和电流P=I2R已知电流和电阻(一般用于串联)P=U2/R已知电压和电阻(一般用于并联)(三)、额定功率和实际功率电压关系实际功率与额定功率的关系灯泡亮度U实=U额P实=P额正常发光U实<U额P实<P额灯泡比正常发光暗U实>U额P实>P额灯泡很亮,甚至烧坏1.估计生活中某些用电器的电功率典例1. “4A”最可能是下列哪个用电器工作时的电流()A.家用电冰箱 B.家用空调器 C.普通计算器 D.普通的白炽灯2.从电能角度求电功率典例2.【山东省莱芜市2015年】一天晚上,小华在爷爷家发现爷爷家的电度表在10min内转了60转.如图所示,小华利用物理课上学到的知识,计算出了此时爷爷家用电器的总功率为 kW.如果当地家庭用电的收费标准是0.5元/kW•h.假设爷爷家平时用电时,用电器的总功率和此时总功率相同,平均每天用电4h,一个月按30天计算,爷爷家一个月的电费是元.3.灯泡的实际功率和额定功率典例3. 甲、乙两只普通照明灯泡的铭牌如图6所示,下列说法中正确的是( )A.甲灯的实际功率一定是40WB.将乙灯接入110V电路中,它的额定功率仍为60WC.两灯均正常发光时,甲灯灯丝电阻较小D.两灯均正常发光时,甲灯消耗的电能较少4.动态电路中计算电功率典例4-1. 【内蒙古2015年】如图所示,电源电压为6V且保持不变,滑动变阻器的最大阻值为20Ω,定值电阻R0为5Ω。
闭合开关后,移动滑片,发现能使电流表(“0~0.6A”或“0~3A”)和电压表(“0~3V”或“0~15V”)的指针同时达到满偏,则R0的电功率与电流的关系图像可能是()典例4-2. 如图是某简易电吹风工作原理的电路图(R 0为电热丝,M 为电动机),下表是该电吹风的铭牌.不计电热丝阻值随温度的变化,求:(1) 电吹风正常工作且吹热风时,流过电热丝R 0的电流多大? (2) 吹热风时,1min 内电流通过电热丝R 0产生的热量为多少?5.求生活中常见用电器的电功率典例5-1. 某学校食堂有一个电水壶的铭牌如下表所示。
年中考物理电功电功率复习复习目标:通过复习知道电能、电功率概念。
了解电能表的使用。
能对消耗电能、电功率进行计算。
知道测电功率的方法。
能识别实际电压、额定电压;实际功率、额定功率。
知道焦耳定律,能计算电热。
知道生活用电常识。
复习时间:第5课时【知识点梳理】(一)【电能】。
1、定义:消耗的电能,用符号“W”表示。
2、实质:消耗电能的过程实质是电能转化为其它形式的能的过程。
消耗了多少电能,就有多少电能转化为其它形式的能。
3、单位:国际单位——焦耳(焦)(J)其它单位——千瓦时(kwh),生活中也用“度”来表示。
4、公式:定义式W=UIt=Pt 导出式W=I2Rt W=U2t /R W=UQ (Q在这指电量)。
5、测量:用电能表(电度表)测量。
应掌握它的读数方法(最后一位是小数)。
6、电能表上铭牌上通常有以下内容:“220V”——表示电能表的额定电压是220伏;“5A”——表示这只电能表允许通过的最大电流是5安。
“kwh”——表示电功的单位,即“度”“3000R/kwh”——表示每消耗1度电,电能表的转盘就转过3000转。
7、特点:a.串联电路和并联电路中,总消耗电能等于各部分用电器消耗电能之和。
即W总=W1+W2b.串联电路中消耗电能分配关系:串联电路中,消耗电能多少与其电阻成正比,即W1/W2=R1/ R2c.并联电路中消耗电能分配关系:并联电路中,消耗电能多少与其电阻成反比,即W1/W2=R2/ R1。
(二)【电功率】。
1、定义:1S内所消耗的电能叫电功率。
用符号“P”表示。
2、意义:表示消耗电能快慢的物理量。
3、单位:国际单位——瓦特(瓦)(W)常用的单位还有——千瓦(kW)4、公式:定义式—P=W/t 决定式—P=UI (因为W=UIt=Pt)导出式—P=U2/R=I2R (因为P=UI、I=U/R、U=IR)注意:推导公式同样只适用于纯电阻电路。
定义公式和普适公式适用于任何电路。
典例:“220v,40w”,“220v,100w”的灯泡40W的电阻大,灯丝细;并联时,100W的较亮,串联时,40W的较亮;灯泡的明亮程度由其实际功率决定。
中考物理电功率题20套(带答案)一、电功率选择题1.如图所示是“探究电流通过导体时产生热量的多少与什么因素有关”的实验装置,两个透明容器中密闭这等量的空气,R1=R2=R3,当开关S闭合后,下列说法正确的是()A. 该实验装置是探究电流通过电阻时产生的热量与电阻大小的关系B. 通过电阻R1和R2的电流相等C. 通电一段时间后,右边U形管内液面的高度差比左边小D. 该实验装置是利用U形管中液体的热胀冷缩来反映电阻放出热量的多少的【答案】C【解析】【解答】解:A、装置中R2、R3并联后再与R1串联,通过R1的电流I1=I2+I3,而I2=I3,所以右边容器中通过R3的电流I3是左侧通过R1电流的一半,即是研究电流产生的热量与电流的关系,故A错误;B、由图知,通过R1的电流I1=I2+I3,而I2=I3,所以通过电阻R1和R2的电流不相等,故B 错;C、左右两容器中的电阻相同,而通过电阻R1的电流大于R2的电流,通电时间相同,由Q=I2Rt可知,左边容器中的电阻产生的热量多,左边U形管内液面的高度差比右边U形管内液面的高度差大,故C正确;D、电流产生的热量不能用眼睛直接观察,对密封容器中空气加热,引起U型管中液面变化,通过液面高度差的变化来反映,是利用容器内气体的热胀冷缩来反映电阻放出热量的多少,故D错误.故选C.【分析】A、电流产生的热量跟电流大小、电阻大小、通电时间有关,在通电时间和电阻相同时,是探究电流产生热量跟电流的关系;B、根据串、并联电路的电流大小关系分析判断C、通电时间相同、电阻相同,通过的电流不同,利用焦耳定律Q放=I2Rt分析判断;D、电流通过导体产生热量的多少不能直接观察,但气体温度的变化可以通过U型管中液面高度差的变化来反映,体现的是转换思想.2.如图所示电路中,电源电压保持不变,闭合开关S,滑动变阻器滑片向左移动时,下列判断正确的是()A. 电路总功率变小B. 电压表示数变大C. 电压表与电流表示数的比值不变D. 电流表示数变大【答案】 A【解析】【解答】解:由电路图可知,定值电阻R与滑动变阻器并联,电压表测电源两端的电压,电流表测干路电流,因电源电压保持不变,所以,滑片移动时,电压表的示数不变,B不符合题意;因并联电路中各支路独立工作、互不影响,所以,滑片移动时,通过R的电流不变,当滑动变阻器滑片向左移动时,接入电路中的电阻变大,由I=可知,通过滑动变阻器的电流变小,因并联电路中干路电流等于各支路电流之和,所以,干路电流变小,即电流表A的示数变小,D不符合题意;电压表的示数不变、电流表A的示数变小,则电压表与电流表示数的比值变大,C不符合题意;电源电压保持不变,干路电流变小,由P=UI可知,电路总功率变小,A符合题意。
专题复习:电功和电功率一、电功和电功率1电功的意义.用电器消耗电能的过程实际上就是的过程。
电流做了多少功,就消耗了多少体验电能可以转化为其他形式能量。
例:电热器将能转化为能;电风扇将能转化为能;电动机将能转化为能;发电机将能转化为能。
太阳能电池将能转化为能。
手电筒中灯泡消耗的电能是提供的,家中电冰箱消耗的电能是提供的。
蓄电池对外供电时。
是把能转化成能。
给蓄电池充电时,能转化成能。
1)电功和电功率所描述的物理概念不同:电功是描述电流做功____________的物理量,而电功率是描述电流做功____________的物理量。
电功率不仅跟电流做功的多少有关,还跟做功的____________有关。
(2)电功和电功率的计算公式不同:电功的基本计算公式是____________,由此可以看出,电流做功多少跟电压、电流强度和通电时间三个因素有关,是由它们三者的乘积来决定大小的。
电功率的基本公式是____________,它表明电功率跟电压、电流两个因素有关,其大小由它们的乘积决定。
(3)电功和电功率的单位不同:电功的单位是____________和____________,而电功率的单位是____________和____________(4)电功和电功率的测量方法不同:电功用____________表来直接测量的,而电功率有两种测量方法,第一种方法是用伏安法间接进行测量,即测出用电器____________的____________及通过的____________,然后根据_______________________求出电功率。
第二种方法是用____________表和____________表间接测量,即测出某一段时间用电器所做的功,然后根据____________可得用电器电功率。
(5)电功和电功率的联系密切,利用公式可得出____________。
二、额定功率和实际功率一个用电器的电功率是随着它两端电压的改变而改变的,一个用电器不是随便接入任何一个电路都能正常工作。
初中物理总复习:电功率第一节 电能1、电功:定义:电流所做的功叫电功。
电功的符号是W 单位:焦耳(焦,J )。
电功的常用单位是度,即千瓦时(kW ·h )。
1kW ·h =3.6×106J 电流做功的过程,实际上就是电能转化为其他形式能的过程。
公式:①W=UIt U=W It I =W U t t =WU I②W=I 2Rt I 2=W R t I = W R t R = W I 2 t t = W I 2R③W=U 2Rt U 2= W R t U = W R t R =U 2 t W t =W R U 2④W=UQ U=W Q Q =WU ⑤ W=Pt P=W t t=WP公式中的物理量:W ——电能——焦耳(J ) U ——电压——伏特(V ) I ——电流——安培(A ) t ——时间——秒(s ) R ——电阻——欧姆(Ω) Q ——电荷量——库伦(C ) P ——功率——瓦特(W )1、 电能表:测量电功的仪表是电能表(也叫电度表)。
下图是一种电能表的表盘。
表盘上的数字表示已经消耗的电能,单位是千瓦时,计数器的最后一位是小数,即1234.5 kW ·h 。
用电能表月底的读数减去月初的读数,就表示这个月所消耗的电能。
“220 V ”表示这个电能表的额定电压是220V ,应该在220V 的电路中使用。
“10(20 A )”表示这个电能表的标定电流为10A ,额定最大电流为20 A 。
“50 Hz ”表示这个电能表在50 Hz 的交流电中使用;“600 revs/kW ·h ”表示接在这个电能表上的用电器,每消耗1千瓦时的电能,电能表上的表盘转过600转。
根据转盘转数计算电能或根据电能计算转盘转数时,可以列比例式: h 600revs/kW h1kW 电表转数消耗电耗⋅⋅=2、 串并联电路电功特点:① 在串联电路和并联电路中,电流所做的总功等于各用电器电功之和;② 串联电路中,各用电器的电功与其电阻成正比,即W 1W 2=R 1R 2;③ 并联电路中,各用电器的电功与其电阻成反比,即W 1W 2=R 2R 1(各支路通电时间相同)。
初三物理电功率知识点总结
电功率是初中物理中的一个重要概念,它表示电流在单位时间内所做的功,是表示电流做功快慢的物理量。
以下是关于电功率的知识点总结:
1. 电功率的计算公式:P=UI。
其中,P表示电功率,U表示电压,I表示电流。
这个公式是电功率的定义式,适用于任何电路。
2. 额定功率和实际功率:额定功率是指用电器在额定电压下工作时的功率,而实际功率则是指用电器在实际电压下工作时的功率。
在额定电压下工作的用电器,其电功率等于额定功率。
3. 测量电功率的方法:可以使用电压表和电流表来测量用电器的电压和电流,然后通过计算得出电功率。
此外,也可以使用电能表来测量用电器的电功率。
4. 焦耳定律:电流通过导体产生的热量与电流的平方、导体的电阻和通电时间成正比。
这个定律可以用公式Q=I²Rt表示,其中Q表示电流通过导体产生的热量,I表示电流,R表示导体的电阻,t表示通电时间。
5. 安全用电:在使用电器时,要注意避免过载、短路、漏电等情况,以免发生危险。
同时,也要注意不要使用破损的电器和电线,以免触电或发生火灾。
以上是关于电功率的知识点总结,希望对你有所帮助。
中考物理电学知识点第一部分 电功率一 、电能及电能表1、电能:电源将其他形式的能转化为电能。
用电器可以把电能转化成其他形式的能。
(将电能全部转化成内能的用电器称为纯电阻用电器。
如电饭煲、电炉子等;非纯电阻电路是有一部分电能转化成除内能以外的其他形式的能,如洗衣机,电风扇等。
2、电能的单位:国际单位是焦耳,简称焦,符号J ,常用的单位是度,即千瓦时,符号kW ·h ,1kW ·h =3.6×106J3、电能表作用:电能表是测量电功或者说是用户的用电器在某段时间内消耗电能多少的仪表。
读数:电能表的计数器上前后两次的读数之差就是用户在这段时间内用电的度数。
注意:计数器显示的数字中最后一位是小数。
表盘上的参数:220V 表示电能表应接到220V 的电路中使用;5A 表示电能表允许通过的最大电流不超过5A ;2500r/kW ·h 表示消耗1kW ·h 的电能,电能表的表盘转2500转;50HZ 表示这个电能表应接在频率为50HZ 的电路中使用。
4、电功与电能电流做功的实质:电流做功的过程实质就是电能转化成其他形式的能的过程。
电流做了多少功就有多少电能转化成其他形式的能。
电功的单位也是焦耳。
5、计算普遍适用公式W=UIt=Pt (所有电路) 即电流在某段电路上所做的功等于这段电路两端的电压和电路中的电流,和通电时间的乘积。
电压的单位用V ,电流的单位用A ,时间的单位用s ,电功的单位就是J 。
导出公式t R U R I W 22t ==(纯电阻电路) 二 、电功率1、定义:电功与时间之比。
它是表示电流做功快慢的物理量。
2、单位:国际主单位 瓦特(W )常用单位 千瓦(kW )换算关系 1kW=1000W3、计算 普遍适用公式 UI tW P == 推导公式 P=I 2R=U 2/R (适用于纯电阻电路)4、额定功率和实际功率额定功率:用电器在额定电压下的功率。
中考电功率知识点
中考电功率知识点包括:
1. 电功率的定义:电流在1秒内所做的功叫电功率。
电功率是表示消耗电能的快慢的物理量。
符号为P,单位为瓦特(瓦,W),常用单位为千瓦(kW),1kW=103W。
2. 电功率的计算式:P=W/t,其中W代表电功,t代表通电时间。
另一种常用单位是P=UI,U代表电压,I代表电流。
此外,还有P=U2/R和
P=I2R等计算式。
3. 在串联电路和并联电路中,总功率等于各用电器电功率之和。
4. 串联电路中,各用电器的电功率与其电阻成正比,即P1/P2=R1/R2。
5. 并联电路中,各用电器的电功率与其电阻成反比,即P1/P2=R2/R1。
6. 额定功率:用电器在额定电压下的功率。
实际功率:用电器在实际电压下的功率。
7. 测小灯泡的实际功率:需要根据小灯泡的额定电压和额定功率,通过实验测量小灯泡的实际电压和电流,再根据电功率计算式计算实际功率。
以上就是中考电功率知识点的内容,考生可以根据自身实际情况进行针对性的复习。
初中物理电功率专题及详细解析【典型例题】类型一、基础知识 1、(多选)如图所示,电源电压U=12V 且保持不变,电阻R 为定值电阻。
当开关S 闭合后,如果要使电路消耗的总功率稍稍变化一些,则可行的办法是( )A .给R 串联一个较小的电阻B .给R 并联一个较小的电阻C .给R 串联一个较大的电阻D .给R 并联一个较大的电阻【思路点拨】由电功率的计算公式RU P 2=可知:电压不变,当总电阻减小时,电路的总功率增大;当总电阻增大时,电路的总功率减小。
【答案】AD【解析】根据串、并联电路的特点可知:总电阻变小,需要并联一个电阻,电路消耗的总功率稍稍变化,所以需要并联一个较大的电阻;总电阻变大,需要串联一个电阻,电路消耗的总功率稍稍变化,所以需要串联一个较小的电阻。
【总结升华】本题综合考查电路中总电功率和总电阻的关系以及串、并联电路电阻的特点,熟练掌握串、并联电路电阻变化的规律即可轻松解题。
举一反三【变式】有一个“6V 3W ”的小电灯,用8伏的电源做实验,测定小电灯的额定功率,所选滑动变阻器的最大阻值不得小于多少欧? 【答案】4Ω2、一台“220V 、1000W ”的电炉,想把它改装后接到110伏的电源上,但功率保持不变,以下哪个措施是正确的( )A 、将电炉丝截掉一半后接入电路B 、将电炉丝截掉四分之三接入电路C 、将电炉丝分成等长的两段,然后并联接入电路D 、将电炉丝截掉四分之一后接入电路【思路点拨】由公式RU P 2=可知:当实际电压变为额定电压的一半时,实际电压的平方就变为额定电压平方的1/4,要想电功率不变化,电阻阻值就要减小为原来阻值的1/4。
【答案】C【解析】根据题意要求额实U U 21=时,P 实=P 额。
由R U P 2=可知要满足题设条件,只有改变电阻R ,才能满足要求。
由222222441R U R UR U P 额额实实===若时1241R R =,P 实才能等于P 额。
一、初中物理电功率的综合计算问题1.定值电阻 R 1、R 2 和滑动变阻器R 3接入如图电路中,电源电压不变。
当开关S 1闭合,S 2断开,滑片P 位于a 点时,电压表V 1和V 2的示数之比U 1∶U 2=2∶1.电流表的示数 I 1=1A ;滑片 P 位于最右端时,电压表 V 1 和 V 2 的示数之比 U 1′∶U 2’=2∶5.当开关 S 1 断开,S 2闭合,两个电压表V 1 和 V 2的示数之比U 1’’ ∶U 2’’=3∶l 。
当通过开关的闭合与 断开及调节滑动变阻器的滑片,可使电路消耗的功率最小为4.5W ,则下列说法 正确的是( )A .电源的电压为 10VB .滑动变阻器的最大阻值是 20ΩC .当开关 S 1 断开,S 2 闭合,R 1 消耗的电功率为 4WD .当开关 S 1 闭合,S 2 断开,R 1 消耗的最大功率为 4.5W【来源】湖南长沙市广益实验中学2019-2020学年九年级3月月考物理试题 【答案】B 【解析】 【分析】根据串联电路中电压与电阻成正比,电路最小功率时,就是电压不变时电阻最大解答。
【详解】A .由上图可知,闭合S 1断开S 2时R 2被短路,电路为R 1与滑动变阻器的串联电路,V 1测R 1的电压,V 2测滑动变阻器的电压,根据串联电路中电压与电阻成正比,由题意可得11221aU R U R == 推出R 1=2R a -----------(1)112325U R U R '==' 推出5R 1=2R 3------------(2)1a1A +U R R =源-----------(3) 当闭合S 2,断开S 1时,滑动变阻器被短路,为R 1与R 2的串联电路,V 1测R 1与R 2的总电压,V 2测R 2的电压,根据串联电路中电压与电阻成正比,由题意又可得1122231U R R U R ''+=='' 推出R 1=2R 2-------(4)电路最小功率时,就是电压不变时电阻最大则有21234.5W ++U R R R =源--------(5)联立(1) (2) (3) (4) (5)解之得12V U =源 ;18R =Ω ;24R =Ω ;320R =Ω ;a 4R =Ω故A 错误;B .滑动变阻器的最大阻值是320R =Ω,故B 正确;C .当开关 S 1 断开,S 2 闭合,滑动变阻器被短路,R 1与R 2串联这时R 1消耗功率2211212V ()()88W +8+4U P R R R =⨯=⨯Ω=ΩΩ源 不是4W ,故C 错误;D .当开关 S 1 闭合,S 2 断开,R 2被短路,当滑动变阻器R 3=0时,R 1 消耗的功率最大为221(12V)8U P R '===Ω源18W不是4.5W 所以D 错误。
初中物理总复习:电功率第一节 电能1、电功:定义:电流所做的功叫电功。
电功的符号是W 单位:焦耳(焦,J )。
电功的常用单位是度,即千瓦时(kW ·h )。
1kW ·h =3.6×106J 电流做功的过程,实际上就是电能转化为其他形式能的过程。
公式:①W=UIt U=W It I =W U t t =WU I②W=I 2Rt I 2=W R t I = W R t R = W I 2 t t = W I 2R③W=U 2Rt U 2= W R t U = W R t R =U 2 t W t =W R U 2④W=UQ U=W Q Q =WU ⑤ W=Pt P=W t t=WP公式中的物理量:W ——电能——焦耳(J ) U ——电压——伏特(V ) I ——电流——安培(A ) t ——时间——秒(s ) R ——电阻——欧姆(Ω) Q ——电荷量——库伦(C ) P ——功率——瓦特(W )1、 电能表:测量电功的仪表是电能表(也叫电度表)。
下图是一种电能表的表盘。
表盘上的数字表示已经消耗的电能,单位是千瓦时,计数器的最后一位是小数,即1234.5 kW ·h 。
用电能表月底的读数减去月初的读数,就表示这个月所消耗的电能。
“220 V ”表示这个电能表的额定电压是220V ,应该在220V 的电路中使用。
“10(20 A )”表示这个电能表的标定电流为10A ,额定最大电流为20 A 。
“50 Hz ”表示这个电能表在50 Hz 的交流电中使用;“600 revs/kW ·h ”表示接在这个电能表上的用电器,每消耗1千瓦时的电能,电能表上的表盘转过600转。
根据转盘转数计算电能或根据电能计算转盘转数时,可以列比例式: h 600revs/kW h1kW 电表转数消耗电耗⋅⋅=2、 串并联电路电功特点:① 在串联电路和并联电路中,电流所做的总功等于各用电器电功之和;② 串联电路中,各用电器的电功与其电阻成正比,即W 1W 2=R 1R 2;③ 并联电路中,各用电器的电功与其电阻成反比,即W 1W 2=R 2R 1(各支路通电时间相同)。
项目电功电功率定义电流所做得功电流单位时间内所做得功意义表示电流做功得多少表示电流做功得快慢公式W=UIt P=W/tP=UI单位焦耳(J),千瓦时(kW·h) 瓦特(W) 千瓦(kW)单位关系1kW·h (度) =3、6x106J 1kW =1000W电功率适用条件P=W/t已知电能与时间P=UI已知电压与电流P=I2R已知电流与电阻(一般用于串联)P=U2/R已知电压与电阻(一般用于并联)(三)、额定功率与实际功率电压关系实际功率与额定功率得关系灯泡亮度U实=U额P实=P额正常发光U实<U额P实<P额灯泡比正常发光暗U实>U额P实>P额灯泡很亮,甚至烧坏(四)1.估计生活中某些用电器得电功率典例1、“4A”最可能就是下列哪个用电器工作时得电流( )A.家用电冰箱B.家用空调器C.普通计算器D.普通得白炽灯2.从电能角度求电功率典例2、【山东省莱芜市2015年】一天晚上,小华在爷爷家发现爷爷家得电度表在10min内转了60转.如图所示,小华利用物理课上学到得知识,计算出了此时爷爷家用电器得总功率为 kW.如果当地家庭用电得收费标准就是0、5元/kW•h.假设爷爷家平时用电时,用电器得总功率与此时总功率相同,平均每天用电4h,一个月按30天计算,爷爷家一个月得电费就是元.3.灯泡得实际功率与额定功率典例3、甲、乙两只普通照明灯泡得铭牌如图6所示,下列说法中正确得就是( )A、甲灯得实际功率一定就是40WB、将乙灯接入110V电路中,它得额定功率仍为60WC、两灯均正常发光时,甲灯灯丝电阻较小D、两灯均正常发光时,甲灯消耗得电能较少4.动态电路中计算电功率典例4-1、【内蒙古2015年】如图所示,电源电压为6V且保持不变,滑动变阻器得最大阻值为20Ω,定值电阻R0为5Ω。
闭合开关后,移动滑片,发现能使电流表(“0~0、6A”或“0~3A”)与电压表(“0~3V”或“0~15V”)得指针同时达到满偏,则R0得电功率与电流得关系图像可能就是( )典例4-2、 如图就是某简易电吹风工作原理得电路图(R 0为电热丝,M 为电动机),下表就是该电吹风得铭牌.不计电热丝阻值随温度得变化,求:(1) 电吹风正常工作且吹热风时,流过电热丝R 0得电流多大? (2) 吹热风时,1min 内电流通过电热丝R 0产生得热量为多少?5、求生活中常见用电器得电功率典例5-1、 某学校食堂有一个电水壶得铭牌如下表所示。
如图就是电水壶得电路图,R 为加热器,当温度较低时,温控开关S 处于闭合状态,加热器加热;当水沸腾后,会自动断开进入保温状态,从而实现了自动温度开关控制。
若加热器电阻阻值不随温度变化而改变,且此时得大气压为1标准大气压,求: (1)电水壶正常工作时,其加热电阻得阻值就是多大?(2)当电水壶处于保温状态时,通过加热器得电流就是2A,此时电阻R 0得电功率就是多少?典例5-2、新型电饭锅采用“聪明火”技术,智能化地控制食物在不同时间段得温度,以得到最佳得营养与口感,其简化电路如图16甲所示。
R 1与R 2均为电热丝,S 1就是自动控制开关。
煮饭时,把电饭锅接入220V 电路中,在电饭锅工作得30min 内,电路中总电流随时间变化得图象如图16乙所示。
求: (1)S 与S 1都闭合时电饭锅得电功率; (2)电热丝R 2得阻值;(3)这30min 内电饭锅产生得热量。
6、伏安法测电功率典例6、 小勇在测量额定电压就是2、5 V 小灯泡电功率得实验中:(1)为完成实验,请用笔画线代替导线,将甲图连接完整.(2)闭合开关前,滑动变阻器得滑片应调至最________(填“左”或“右”)端.若开关闭合后,发现无论怎样调额定电压/V 220 频率/Hz 20 吹热风时得功率/W 460 吹冷风时得功率/W20额定电压 220V 额定功率 4400W 水壶装水质量 10kg频率50Hz节滑动变阻器,小灯泡发光较暗且亮度一直不变,则故障原因就是________________________________ . (3)故障排除后,调节滑动变阻器得滑片,当电压表示数为2 V时,电流表示数如图乙所示,此时通过小灯泡得电流为________A,小灯泡此时得电功率为________W.若要测量小灯泡得额定功率,应将滑动变阻器得滑片向________(填“左”或“右”)移动,直到电压表示数为________V为止.(4)移动滑动变阻器得滑片,记下多组电流表及对应电压表得示数,并画出图丙所示得IU图象,从图象可算出小灯泡得额定功率为________W、(5)小勇继续调节滑动变阻器得过程中,小灯泡突然熄灭,电压表示数________(填“变大”“变小”或“不变”),经检查发现灯丝烧断.随堂小练:1、如下图所示,所列用电器得额定功率最接近1000W得就是( )2、小明家电能表得表盘如图所示,她家能同时工作得用电器得总功率不宜超过___________W。
若将一台额定功率为1000W得冷暖空调接入电路中,当它正常工作2h后,她家电能表上计数器得示数为_______。
3、【山东省临沂市2015年】如图所示,将标有“12V 6W”得灯泡L1与“6V 6W”得灯泡L2并联后,接在6V得电源上(设灯丝电阻不变),则( )A.两灯得实际功率之与等于12WB.两灯得实际功率之与大于12WC.灯泡L1比灯泡L2亮D.灯泡L 2比灯泡L1亮4、【青海省2015年】如图所示就是电阻甲与乙得U—I图像,下列说法正确得就是( )A.甲、乙两元件得电流与电压都成正比B.乙元件就是一个定值电阻且阻值大小为10ΩC.甲、乙并联在电路中,当电源电压为2V时,电路得总电流为0、3AD.甲、乙串联在电路中,当电路电流为0、2A时,甲得功率为0、6W5、如图就是家用电热壶及铭牌,假设电热壶电阻丝电阻不变,水得比热容c水=4、2×103J/(k g·℃),水得密度1、0×103kg/m3。
求:(1)电热壶电阻丝得电阻;(2)不考虑热损失,电热壶正常工作时,把1L水从20℃加热到100℃所需要得时间;(3)当电压为200V时,电热壶得实际功率、6、【2015•雅安】在“测量小灯泡电功率”得实验中,电源电压恒为6V,小灯泡得额定电压为2、5V,正常发光时灯丝电阻约为10Ω,所用滑动变阻器得最大阻值40Ω.(1)请用笔画线代替导线在图甲中完成实物电路得连接;(2)同学们进行试触时,发现小灯泡不发光,电流表无示数,电压表有示数,则电路中发生得故障可能就是(选填“小灯泡断路”、“小灯泡短路”或“滑动变阻器处断路”);(3)某次实验中,同学们瞧到电压表示数为1、8V,要使灯泡L正常发光应向(选填“A”或“B”)端移动滑片,同时视线应注意观察(选填“电流表”或“电压表”)示数,当灯正常发光时,电流表示数如图乙所示,则小灯泡得额定功率就是W;(4)某同学还想探究电流与电阻得关系,于就是将甲图中得小灯泡换成定值电阻R,并使电压表得示数始终保持2V不变,多次更换阻值不同得定值电阻R,记录各次电流表得示数,在不更换其她器材得情况下,为了能够完成实验,她更换得定值电阻R得阻值不能大于Ω.图3图5图1 图2课后练习题一、填空题1、电灯泡上标着“PZ220V 100W ”字样,它表示正常工作时,这盏灯得功率就是 W,此时通过它得电流就是 A,灯泡得电阻就是 Ω。
把它接入110V 得电压得电路中,这盏灯得功率就是 W 。
2、两只灯泡,L 1标有“220V4OW ”,L 2标有“220V100W ” 得字样,如果把它们串联在220V 得电源上,如图1所示,则通过它们得电流I 1:I 2= ,(此括号内为选做:它们得电功率P 1:P 2= );如果把它们并联在220V 得电源上,如图2所示,则它们得电功率P 1:P 2= ;3、如图3所示,目前农村使用得电能表上标有“600r/kW ·h ”字样。
某同学家得电能表10min 转过了120转,在这段时间内,她家用电器消耗得电能就是 kW ·h,用电器得功率就是 W 。
4、在某一温度下,两个电路元件甲与乙中得电流与电压得关系如图4所示。
由图可知,元件甲得电阻 就是 Ω,将元件甲、乙并联后接在电压为2V 得电源两端,则流过元件甲得电流就是 A,流过元件乙得电流就是 A,此时乙元件得电功率就是_____w 、5、在某一温度下,两个电路元件甲与乙中得电流与电压得关系如图5所示。
由图可知,元件甲得电阻 就是 Ω,将元件甲、乙串联后接在电压为3V 得电源两端,电路消耗得电功率就是 W 。
6、图6某同学探究电流与电压关系得电路图。
开关S 闭合后,将滑动变阻器得滑片P 从a 端移至b 端,电流表与电压表得示数变化关系如图7所示。
由图像可得:通过R o 得电流与R o 两端得电压成 ,电阻Ro 得阻值就是 Ω。
实验时,电源电压3V 保持不变,当滑片P 位于a 端时,滑动变阻器消耗得电功率就是 W 。
二、计算题7、如图8所示,现有一只小灯泡,规格为“4V 1、6W ”。
如果只有电压为6V 得电源,要使小灯泡正常发光,需要串联一个多大得电阻?图4 图6图78、如图9所示,电源电压恒定,小灯泡L标有“6V 3W”得字样,闭合开关S1,小灯泡L正常发光,再闭合开关S2,电流表A得示数为0、8A,求:(1)电源电压;(2)R1得电阻值;(3)R1得电功率。
图9图109、有两个电路元件A 与B,流过元件得电流与其两端电压得关系如图(甲)所示。
把它们串联在电路中,如图(乙)所示。
闭合开关S,这时电流表得示数为0、2A 、(1)求电源电压与元件A 得电阻; (2)此时元件B 得电功率;(3)元件B 通电10分钟所耗得电能。
10、如图10为伏安法测小灯泡电阻得电路图。
滑动变阻器R 得阻值调节范围为0~20Ω,电源电压不变。
当滑片P 置于变阻器得中点时,小灯泡正常发光,电流表示数为0、3A,电压表示数为3V 。
求: (1)小灯炮得阻值R; (2)电源电压就是多少?(3)当滑片P 滑至最右端时,小灯炮得实际功率。
11、(2015•雅安)如图所示,灯L标有“6V 3W”字样,电源电压恒为6V,定值电阻R=6Ω,设灯L得阻值不随温度变化而变化.求(1)灯L正常发光时得电阻就是多少?(2)只闭合S1、S3时,电阻R在60s内产生得热量就是多少?(3)要使整个电路消耗得电功率最小(且电路电流不为0),各开关得合闭情况应如何?此时得最小电功率为多少?12、(2013•苏州)某型号得家用电饭煲有两档,其原理如图所示.“1”档就是保温焖饭,“2”档就是高温烧煮.若已知电阻R0=44Ω,R=2156Ω,求:(1)当开关S置于“1”档时,电路中得电流I1与R0两端得电压U0;(2)当开关S置于“2”档时,电饭煲高温烧煮得功率P.。