国内现有确定地基承载力表格汇总Word版
- 格式:doc
- 大小:114.00 KB
- 文档页数:5
成都地区建筑地基基础设计规范(DB51/T5026-2001)表F.0.1 岩石地基极限承载力标准值f uk单位:(kPa)F.0.2 根据室内物理、力学指标平均值确定地基极限承载力标准值时,应按附录E中E.0.3-3式的规定将表F.0.2-1至表F.0.2-5的极限承载力基本值乘以回归修正系数。
1 粘性土表F.0.2-1 粘性土极限承载力基本值f uo单位:(kPa)注:1 有括号者仅供内插用;2 折算系数ε为0.1;3 在湖、塘、沟、谷与河漫滩地段新近沉积的粘性土,其工程性质一般较差,这些土应根据当地经验选取分项系数。
2 粉土表F.0.2-2 粉土极限承载力基本值f uo单位:(kPa)注:1 有括号者仅供内插用;2 折算系数ε为0;3 在湖、塘、沟、谷与河漫滩地段新近沉积的粘性土,其工程性质一般较差,应根据当地经验选取分项系数。
3 淤泥及淤泥质土表F.0.2-3 淤泥和淤泥质土极限承载力基本值f uo4 素填土表F.0.2-4 素填土极限承载力基本值f uo注:1 本表只适用于堆填时间超过十年的粘性土以及超过五年的粉土;2 压实填土地基的承载力,可按本规范有关条文采用。
5 膨胀土表F.0-.2-5 膨胀土极限承载力基本值f uo单位:(kPa)注:1 折算系数ε为0;2 含水比V为天然含水量ω与液限ωL之比值(V=ω/ωL)。
F.0.3 根据现场原位测试确定地基承载力标准值,试验指标应按附录E (E.0.3-1)式的规定进行修正。
按表F.0.3-1确定卵石土的极限承载力 1 根据超重型动力触探锤击数N120标准值及变形模量:表F.0.3-1 卵石土极限承载力标准值(f uk)及变形模量E o,按表F.0.3-2确定松散卵石、圆砾、砂土地 2 根据重力触探锤击数N63.5基极限承载力标准值:表F.0.3-2 松散卵石、圆砾、砂土极限承载力标准值f uk单位:(kPa)3 根据标准贯入试验锤击数N,轻便动力触探试验锤击数N,按表F.0.3-310至表F.0.3-4确定砂土、粉土、粘性土和素填土地基极限承载力标准值:表F.0.3-3砂土极限承载力标准值f uk单位:(kPa)表F.0.3-4粉土极限承载力标准值f uk表F.0.3-5粘性土极限承载力标准值f uk注:本表不适用于软塑~流塑状态的粘性土。
国内现有确定地基承载力表格资料汇总根据轻型动力触探试验确定地基承载力标准值N10(击) 15 20 25 30f k(kPa) 105 145 190 230备注依据老的《建筑地基基础设计规范》(7—89)。
N10(击) 6 10 20 30 40 50 60 70 80 90 f k(kPa) 51 69 114 159 204 249 294 339 384 429 备注依据广东省建筑设计研究院资料。
N10(击) 15~20 18~25 23~30 27~35 32~40 35~50e ~~~~~<f k(kPa) 40~70 60~90 80~120 100~150 130~180 150~200备注依据西安市资料。
饱和度Sr>取下限,Sr<取上限。
N10(击) 10 20 30 40f k(kPa) 85 115 135 160备注依据老的《建筑地基基础设计规范》(7—89)。
根据重型动力触探试验确定地基承载力标准值(击) 3 4 5 6 8 10 12 碎石土f k(kPa)140 170 200 240 320 400 480中、粗、砾砂f k(kPa)120 150 200 240 320 400备注1、依据原一机部勘察公司西南大队资料。
2、本表适用于冲、洪积成因的碎石土和砂土,对碎石土, d60不大于30mm,不均匀系数不大于120。
对中、粗砂,不均匀系不大于6,对砾砂,不均匀系数不大于20。
(击) 1 2 3 4 5 6 7 8 9 10 粘土96 152 209 265 321 382 444 505粉质粘土88 136 184 232 280 328 376 424 粉土80 107 136 165 195 (224)素填土79 103 128 152 176 (201)粉细砂(80) (110) 142 165 187 210 232 255 277 备注括号内值供内插用,依据《油气管道工程地质勘察技术规定》。
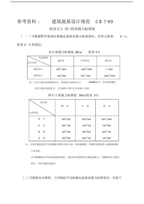
参考资料 :建筑地基设计规范GB 7-89附录五土 (岩 )的承载力标准值( 一 ) 当根据野外鉴别结果确定地基承载力标准值时,应符合附表5—1、附表 5—2 的规定:岩石承载力标准值 (kPa) 附表 5-1风化程度强风化中等风化微风化岩石分类硬质岩石500~1900 1500~2500 ≥ 4000软质岩石200~500 700~1200 1500~2000 注:①对于微风化的硬质岩石,其承载力加取用大于4000kPa 时,应由试验确定②对于强风化的岩石,当与残积土难于区分时按土考虑.碎石土承载力标准值 (kPa)附表5-2密实度稍密中密密实土的名称卵石300~500 500~800 800~1000碎石250~400 400~700 700~900圆砾200~300 300~500 500~700角砾200~250 250~400 400~600 注:①表中数值适用于骨架颗粒空隙全部由中砂、祖砂或硬塑、坚硬状态的粘性土或稍湿的粉上所充填,②当粗颗粒为中等风化或强风化时,可按其风化程度适当降低承裁力,当颗粒间呈半胶结状时,可适当提高承裁力。
( 二) 当根据室内物理、力学指标平均值确定地基承载力标准值时,应按下列规定将附表 5—3 至附表 5—7 中的承载力基本值乘以回归修正系数:回归修正系数,应按下式计算:ψf= √N+N^2)* δ粉土承载力基本值 (kPa)附表5-3第二指标含水量W(%)10152025303540 第一指标孔隙比 e0. 5 410 390 (385)0. 6 31o 800 280(270)0. 7 250 240 225 215(205)0. 8 200 190 180 170 (165)(125)0. 9 160 150 145 140 130(106)1051. 0 130 125 120115 110注:①有括号者仅供内插用;折算系数ξ为0;②在湖、塘、沟、谷与河漫滩地段,新近沉积的粉土,其工程性质较差,应根据当地实践经验取值.粘性土承载力基本值— (kPa) 附表 5-4第二指标液性指数IL00. 250. 500. 751. 001. 20 第一指标孔隙比 e475 430 390 (380)400 360 325 295(265)325 295 265 240 210170275 240 220 200 170135230 210 190 170 135 105200 180 160 135 115160 135 115 105注:①有括号者仅供内插用:.②折算系数ξ为③在湖、塘、沟、谷与河漫滩地段新近沉积的粘性土,其工程性能一般较差.第四纪晚更新世(Q3)及其以前沉积的老粘性土,其工程性能通常较好.这些土均应根据当地实践经验取值。
参考资料: 建筑地基设计规范GB 7-89附录五土(岩)的承载力标准值(一)当根据野外鉴别结果确定地基承载力标准值时,应符合附表5—1、附表5—2的规定:岩石承载力标准值(kPa) 附表5-1②对于强风化的岩石,当与残积土难于区分时按土考虑.碎石土承载力标准值(kPa) 附表5-2注:①表中数值适用于骨架颗粒空隙全部由中砂、祖砂或硬塑、坚硬状态的粘性土或稍湿的粉上所充填,②当粗颗粒为中等风化或强风化时,可按其风化程度适当降低承裁力,当颗粒间呈半胶结状时,可适当提高承裁力。
(二)当根据室内物理、力学指标平均值确定地基承载力标准值时,应按下列规定将附表5—3至附表5—7中的承载力基本值乘以回归修正系数:回归修正系数,应按下式计算:ψf=1-2.884/√N+7.917/N^2)*δ粉土承载力基本值(kPa) 附表5-3注:①有括号者仅供内插用;折算系数ξ为0;②在湖、塘、沟、谷与河漫滩地段,新近沉积的粉土,其工程性质较差,应根据当地实践经验取值.粘性土承载力基本值—(kPa) 附表5-4注:①有括号者仅供内插用:.②折算系数ξ为0.1③在湖、塘、沟、谷与河漫滩地段新近沉积的粘性土,其工程性能一般较差.第四纪晚更新世(Q3)及其以前沉积的老粘性土,其工程性能通常较好.这些土均应根据当地实践经验取值。
沿海地区淤泥和淤泥质土承载力基本值附表5—5注:对于内陆淤泥和淤泥质上,可参照使用.红粘土承载力基本值(kPa)附表5-6注:①本表仅适用于定义范围内的红粘土②折算系数ξ为0.4素填土承载力基本值附表5-7注:①本表只适用于堆积时间超过十年的粘性土,以及超过五年的粉土②压实填土地基的承载力,可按本规范第6.3.2条采用。
(三)当根据标准贯入试验锤击数N,轻便触探试验锤击数Nl0。
自附表5—8至附表5—11确定地基承载力标准值时,现场试验锤击数应经下式修正:N(或Nl0)=μ一1.645σ(附5—6)计算值取至整数位。
8.5 地基容许承载力与承载力特征值所有建筑物和土工建筑物地基基础设计时,均应满足地基承载力和变形的要求,对经常受水平荷载作用的高层建筑高耸结构、高路堤和挡土墙以及建造在斜坡上或边坡附近的建筑物,尚应验算地基稳定性。
通常地基计算时,首先应限制基底压力小于等于地基容许承载力或地基承载力特征值( 设计值) ,以便确定基础的埋置深度和底面尺寸,然后验算地基变形,必要时验算地基稳定性。
地基容许承载力是指地基稳定有足够安全度的承载能力,也即地基极限承载力除以一安全系数,此即定值法确定的地基承载力;同时必须验算地基变形不超过允许变形值。
地基承载力特征值是指地基稳定有保证可靠度的承载能力,它作为随机变量是以概率理论为基础的,分项系数表达的极限状态设计法确定的地基承载力;同时也要验算地基变形不超过允许变形值。
因此,地基容许承载力或地基承载力特征值的定义是在保证地基稳定的条件下,使建筑物基础沉降的计算值不超过允许值的地基承载力。
地基容许承载力:定值设计方法承载力特征值:极限状态设计法按定值设计方法计算时,基底压力P不得超过修正后的地基容许承载力.按极限状态设计法计算时,基底压力P不得超过修正后的承载力特征值。
理论公式确定地基承载力均为修正后的地基容许承载力和承载力特征值.原位法和规范法确定地基承载力未包含基础埋深和宽度两个因素理论公式法确定地基承载力特征值在国标《建筑地基基础设计规范》(GB50007) 中采用地基临塑荷载P 1/4 的修正公式:b: 大于6m,按6m考虑,对于砂土小于3m,按3m考虑关于地基承载力特征值- 结构论文一、原因与钢、混凝土、砌体等材料相比,土属于大变形材料,当荷载增加时,随着地基变形的相应增长,地基承载力也在逐渐加在,很难界定出下一个真正的“极限值”,而根据现有的理论及经验的承载力计算公式,可以得出不同的值。
因此,地基极限承载力的确定,实际上没有一个通用的界定标准,也没有一个适用于一切土类的计算公式,主要依赖根据工程经验所定下的界限和相应的安全系数加以调整,考虑一个满足工程的要求的地基承载力值。
8.5 地基容许承载力与承载力特征值所有建筑物和土工建筑物地基基础设计时,均应满足地基承载力和变形的要求,对经常受水平荷载作用的高层建筑高耸结构、高路堤和挡土墙以及建造在斜坡上或边坡附近的建筑物,尚应验算地基稳定性。
通常地基计算时,首先应限制基底压力小于等于地基容许承载力或地基承载力特征值( 设计值) ,以便确定基础的埋置深度和底面尺寸,然后验算地基变形,必要时验算地基稳定性。
地基容许承载力是指地基稳定有足够安全度的承载能力,也即地基极限承载力除以一安全系数,此即定值法确定的地基承载力;同时必须验算地基变形不超过允许变形值。
地基承载力特征值是指地基稳定有保证可靠度的承载能力,它作为随机变量是以概率理论为基础的,分项系数表达的极限状态设计法确定的地基承载力;同时也要验算地基变形不超过允许变形值。
因此,地基容许承载力或地基承载力特征值的定义是在保证地基稳定的条件下,使建筑物基础沉降的计算值不超过允许值的地基承载力。
地基容许承载力:定值设计方法承载力特征值:极限状态设计法按定值设计方法计算时,基底压力P不得超过修正后的地基容许承载力.按极限状态设计法计算时,基底压力P不得超过修正后的承载力特征值。
理论公式确定地基承载力均为修正后的地基容许承载力和承载力特征值.原位法和规范法确定地基承载力未包含基础埋深和宽度两个因素理论公式法确定地基承载力特征值在国标《建筑地基基础设计规范》(GB50007) 中采用地基临塑荷载P 1/4 的修正公式:b: 大于6m,按6m考虑,对于砂土小于3m,按3m考虑关于地基承载力特征值- 结构论文一、原因与钢、混凝土、砌体等材料相比,土属于大变形材料,当荷载增加时,随着地基变形的相应增长,地基承载力也在逐渐加在,很难界定出下一个真正的“极限值”,而根据现有的理论及经验的承载力计算公式,可以得出不同的值。
因此,地基极限承载力的确定,实际上没有一个通用的界定标准,也没有一个适用于一切土类的计算公式,主要依赖根据工程经验所定下的界限和相应的安全系数加以调整,考虑一个满足工程的要求的地基承载力值。
拌合站地基承载力计算为了确保混凝土拌合站使用安全,我单位对拌合站所选位置处地基进行了设计验算,并在基础施工时,进行了重力触探试验。
一、HZS50拌和机各基础承载力计算1.1水泥罐地基承载力计算1个100T罐(装满水泥)自重约为1050KN,1个200T罐(装满水泥)自重约为2100KN,1个200T罐(装满粉煤灰)自重约为1900KN,本站共设1个100T 水泥罐,1个200T水泥罐,1个200T粉煤灰罐,总重为:G罐=1050+2100+1900=5050KN;混凝土基础分为A第二层基础1个(4.4×15.75×2m)和B整体式扩大基础(5.4×15.75×1.8m),基础自重为:G基础=(4.4×15.75×2+5.4×15.75×1.8) ×2400×9.8÷1000=6860KN;混凝土基础底面积为:S=5.4×15.75=85.05m2地基承载力为:σ=(G罐+ G基础)/S=(6860+5050)/85.05=140kPa;取安全系数1.5,则:1.5×140=210kPa;经静力触探现场实测,地基承载力为315 kPa>210kPa,满足安全施工要求。
1.2主机地基基础承载力计算一个主机自重为73.5KN,一次拌料1m3,搅拌层平台、下立柱、出料斗组装重量70KN,总重为:G主机=73.5+70+1×2.4×9.8=167KN;主机采用整体式扩大基础,支腿尺寸0.8×0.8×0.8m,自重为:G基础=(6.5×5×0.4+0.8×0.8×0.8)×2400×9.8÷1000=317.8KN;混凝土基础底面积:S=6.5×5=32.5m2地基承载力为:σ=(G主机+ G基础)/S=(167+317.8)/32.5=14.9kPa;14.9×1.5=22.35kPa经静力触探现场实测,地基承载力为150kPa>22.35kPa,满足安全施工要求。
表H.0.1-1 单位工程质量竣工验收记录注:单位工程验收时,验收签字人员应由相应单位法人代表书面授权。
表H.0.1-4 单位工程观感质量检查记录注:12 对质量评价为差的项目应进行返修;观感质量现场检查原始记录应作为本表附件。
01010101 00101010201 001土工合成材料地基检验批质量验收记录01010301 00101010401 00101010501 001土和灰土挤密桩复合地基检验批质量验收记录水泥粉煤灰碎石桩复合地基检验批质量验收记录混凝土小型空心砌块砌体检验批质量验收记录01020102 00101020103 00201020104 00301020201 00101020202 00201020204 00401020205 00501020206 006混凝土设备基础外观及尺寸偏差检验批质量验收记录模板安装检验批质量验收记录01020301 001模板拆除检验批质量验收记录01020302 00201020303 00301020304 00401020305 00501020306 006混凝土设备基础外观及尺寸偏差检验批质量验收记录钢结构焊接检验批质量验收记录01020401 001焊钉(栓钉)焊接工程检验批质量验收记录01020402 00201020403 00301020404 004钢零部件加工检验批质量验收记录01020405 005钢构件组装检验批质量验收记录01020406 006钢管构件进场验收检验批质量验收记录01020501 001钢管混凝土构件现场拼装检验批质量验收记录01020502 002L≤1000,2.0;L>1000,3.0 柱两端最外侧安装孔、穿钢筋孔距离L柱底面到到牛腿支承面距离L ±L/1500, 且≤±8牛腿端孔到柱轴线距离Ld不宜小于50;d不宜小于50;钢管混凝土构件现场拼装检验批质量验收记录钢管混凝土柱柱脚锚固检验批质量验收记录录(Ⅱ) 01021102 00201050101 00101050201 001场地平整检验批质量验收记录01050301 001喷锚支护检验批质量验收记录01060101 00101060201 00101060301 00202010101 00102010102 00202010201 00102010202 00202010203 00302010204 004。
国内现有确定地基承载力表格资料汇总1.1根据轻型动力触探试验确定地基承载力标准值
1.2根据重型动力触探试验确定地基承载力标准值
平均击数N63.5
(击)
平均击数N63.5
(击)
1.3根据标准贯入试验确定地基承载力标准值
1.4根据岩土的物理指标确定地基承载力标准值
根据构成边坡的岩性不同,将边坡分为岩质边坡与土质边坡,而岩质边坡按岩
石的软硬又分为软岩边坡和硬岩边坡。
一般认为,软岩高陡边坡是坡度大且高、构成边坡的岩石介质为软弱岩体的边坡,但现今并没有统一的定义。
有人认为,岩质高边坡是指高度为15m~30m、坡度为30 度~60 度的边坡,而高度超过30m、坡度为60 度~90 度的边坡为超高急坡[1,2]。
但不同系统对岩石高边坡的定义有所不同。
黄润秋建议城建系统为大于15m,公路系统为大于30m,铁道系统为大于50m,而矿山系统和水电系统为大于100m[3],但未对坡度进行界定。
综上所述,本人认为,对城建系统,软岩高陡边坡是指其地质软岩岩体抗压强度介于1.5MPa~25MPa 之间、坡度为30 度~60 度、高度为15m~30m 的边坡。
[1]杨宇航, 颜志平, 朱赞凌,等.公路边坡防护与治理[M].北京: 人民交通出版社,2002
[2]周培德,张俊云.植被护坡工程技术[M].北京:人民交通出版社,2003
[3]黄润秋.中国岩石高边坡工程及其研究[A].工程地质原理分析精品课程建设[DB。
国内现有确定地基承载力表格资料汇总1.1根据轻型动力触探试验确定地基承载力标准值
1.2根据重型动力触探试验确定地基承载力标准值
平均击数
(击)
N
63.5
平均击数
(击)
N
63.5
1.3根据标准贯入试验确定地基承载力标准值
1.4根据岩土的物理指标确定地基承载力标准值
根据构成边坡的岩性不同,将边坡分为岩质边坡与土质边坡,而岩质边坡按岩石的软硬又分为软岩边坡和硬岩边坡。
一般认为,软岩高陡边坡是坡度大且高、构成边坡的岩石介质为软弱岩体的边坡,但现今并没有统一的定义。
有人认为,岩质高边坡是指高度为15m~30m、坡度为30度~60度的边坡,而高度超过30m、坡度为60度~90度的边坡为超高急坡[1,2]。
但不同系统对岩石高边坡的定义有所不同。
黄润秋建议城建系统为大于15m,公路系统为大于30m,铁道系统为大于50m,而矿山系统和水电系统为大于100m[3],但未对坡度进行界定。
综上所述,本人认为,对城建系统,软岩高陡边坡是指其地质软岩岩体抗压强度介于1.5MPa~25MPa之间、坡度为30度~60度、高度为15m~30m的边坡。
[1] 杨宇航,颜志平,朱赞凌,等.公路边坡防护与治理[M].北京:人民交通出版社,2002
[2] 周培德,张俊云.植被护坡工程技术[M].北京:人民交通出版社,2003
[3] 黄润秋.中国岩石高边坡工程及其研究[A].工程地质原理分析精品课程建设[DB
(注:可编辑下载,若有不当之处,请指正,谢谢!)。