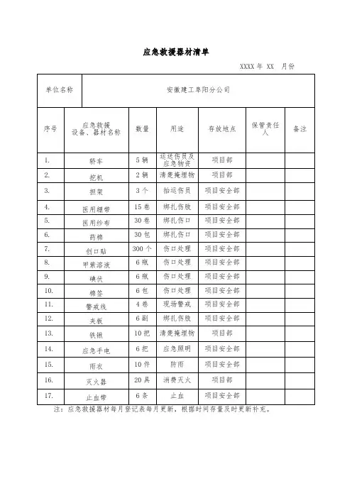
安全生产事故应急救援配备器材、设备一览表
- 格式:doc
- 大小:25.00 KB
- 文档页数:2
应急工程所需物资配备目录一、基础工程物资1.1 建筑材料- 混凝土:用于建筑结构的主体- 钢筋:用于加固和支撑建筑结构- 砖块:用于墙体建筑- 瓦片:用于屋顶覆盖- 木材:用于梁、柱、楼梯等结构1.2 安装材料- 电线:用于供电系统- 电缆:用于供电和数据传输- 水管:用于供水系统- 排水管:用于排水系统1.3 装饰材料- 油漆:用于墙面和家具的涂装- 地板:用于地面铺设- 壁纸:用于墙面装饰二、应急设备2.1 安全设备- 安全帽:用于保护头部安全- 安全带:用于高处作业的安全- 防护眼镜:用于眼部保护- 防护手套:用于手部保护2.2 消防设备- 灭火器:用于初期火灾的扑救- 消防栓:用于消防水源的供应- 消防喷头:用于消防系统的喷洒三、施工工具3.1 手工工具- 锤子:用于敲打和紧固- 螺丝刀:用于拆卸和安装螺丝- 扳手:用于拧紧和松开螺丝和螺母3.2 电动工具- 电钻:用于钻孔和拧螺丝- 电磨:用于磨削和平滑表面- 电锯:用于切割木材和其他材料3.3 测量工具- 卷尺:用于测量长度和距离- 水平仪:用于检测水平线- 垂度仪:用于检测垂直线四、其他物资4.1 办公用品- 笔记本:用于记录重要信息- 文件夹:用于整理和管理文件- 电脑:用于处理数据和文档4.2 生活用品- 帐篷:用于临时住宿- 床铺:用于休息和睡眠- 食物和饮用水:用于维持生活需求五、特殊物资5.1 专业设备- 发电机:用于提供电力供应- 空气压缩机:用于提供气压动力- 混凝土搅拌机:用于搅拌混凝土5.2 技术材料- 光纤:用于高速数据传输- 太阳能板:用于太阳能发电- 无线电设备:用于无线通信以上是应急工程所需物资配备目录的详细信息,根据实际情况可能需要根据项目需求进行调整和补充。
请根据具体情况进行准备和采购,确保应急工程的有效实施。
新疆准南东煤矿安全生产应急指挥(管理)机构及救援设备装备情况表二零一七年新疆准南东煤矿安全生产应急指挥(管理)机构安全生产应急救援队伍基本情况表安全生产应急救援设备装备情况表重要救援装备也必须填写。
2、主要参数以生产产家的参数说明为准。
3、同一型号的同种装备应填写在同一张表中。
4、表格不够,可自行添加。
安全生产应急物资普查登记表用到的重要救援装备也必须填写。
2、主要参数以生产产家的参数说明为准。
3、同一型号的同种装备应填写在同一张表中。
4、表格不够,可自行添加。
安全生产应急救援设备装备情况表重要救援装备也必须填写。
2、主要参数以生产产家的参数说明为准。
3、同一型号的同种装备应填写在同一张表中。
4、表格不够,可自行添加。
安全生产应急救援设备装备情况表重要救援装备也必须填写。
2、主要参数以生产产家的参数说明为准。
3、同一型号的同种装备应填写在同一张表中。
4、表格不够,可自行添加。
安全生产应急救援设备装备情况表重要救援装备也必须填写。
2、主要参数以生产产家的参数说明为准。
3、同一型号的同种装备应填写在同一张表中。
4、表格不够,可自行添加。
安全生产应急救援设备装备情况表重要救援装备也必须填写。
2、主要参数以生产产家的参数说明为准。
3、同一型号的同种装备应填写在同一张表中。
4、表格不够,可自行添加。
安全生产应急救援设备装备情况表重要救援装备也必须填写。
2、主要参数以生产产家的参数说明为准。
3、同一型号的同种装备应填写在同一张表中。
4、表格不够,可自行添加。
安全生产应急物资普查登记表用到的重要救援装备也必须填写。
2、主要参数以生产产家的参数说明为准。
3、同一型号的同种装备应填写在同一张表中。
4、表格不够,可自行添加。
安全生产应急救援设备装备情况表重要救援装备也必须填写。
2、主要参数以生产产家的参数说明为准。
3、同一型号的同种装备应填写在同一张表中。
4、表格不够,可自行添加。
安全生产应急救援设备装备情况表重要救援装备也必须填写。
应急物资及装备清单
应急物资及装备清单
(1)救护人员的装备:头盔、防护服、防护靴、防护手套、安全带、呼吸保护器具等;
(2)灭火剂:水、泡沫、CO2、卤代烷、干粉、惰性气体等;
(3)灭火器:干粉、泡沫、1211气体灭火器等;
(4)简易灭火工具:扫帚、铁锹、水桶、脸盆、沙箱、石棉被、湿布、干粉袋等;
(5)消防救护器材:救生网、救生梯、救生袋、救生垫、救生滑杆、缓降器等;
(6)自动苏生器:适用于抢救因中毒窒息、胸外伤、溺水、触电等原因造成的呼吸抑制或窒息处于假死状态的伤员。
(7)通讯器材:固定电话一个,移动电话:原则上每个管理人员一人一个,对讲机若干。
叉车事故应急救援物资表
在工业生产和仓储物流中,叉车是一种常见的运输工具,它在货物搬运过程中发挥着重要作用。
然而,叉车事故时有发生,一旦发生事故,及时的应急救援是至关重要的。
因此,建立一份叉车事故应急救援物资表,对于准备应对突发情况至关重要。
下面是一份叉车事故应急救援物资表的示例,以供参考:
1. 急救箱:急救箱是应急救援的基本工具,内含纱布、绷带、消毒棉球、止血带等物品,用于处理事故中的轻伤。
2. 安全帽:事故发生时,头部是最容易受伤的部位,配备安全帽可以有效保护头部免受伤害。
3. 防护手套:叉车作业时,操作人员需要接触各种物品,配备防护手套可以保护双手免受伤害。
4. 防护眼镜:叉车工作环境复杂,可能存在异物飞溅的情况,配备防护眼镜可以保护眼睛免受伤害。
5. 紧急停车装置:叉车事故发生时,紧急停车装置可以迅速将叉车停下,避免进一步伤害。
6. 灭火器:叉车事故可能导致火灾发生,配备灭火器可以及时扑灭火势,保障人员安全。
7. 通讯设备:事故发生时,及时的通讯能够联系救援人员,配备手机或对讲机是必不可少的。
8. 急救应急预案:建立完善的急救应急预案,包括人员分工、救援流程等,可以提高应对事故的效率。
以上是一份叉车事故应急救援物资表的示例,企业在日常工作中应做好这些准备工作,以应对突发情况。
叉车事故可能导致人员受伤甚至生命危险,及时有效的应急救援是至关重要的,只有做好充分准备,才能最大程度地保障人员安全。
希望各企业能认真对待叉车事故应急救援工作,确保工作场所的安全和稳定。
施工场地急救装备清单
1. 急救箱:
- 一个标准急救箱,内含急救工具和药品,如创口贴、消毒棉球、绷带、止血剂、医用手套、急救剪等。
2. 灭火器:
- 根据施工场地的规模和类型,选择合适的灭火器。
常见的灭
火器包括干粉灭火器、二氧化碳灭火器和泡沫灭火器。
3. 灭火毯:
- 用于扑灭火源和保护人员,特别适用于电器火灾和油类火灾。
4. 安全警示标志:
- 标志应清晰可见,用于指示紧急出口、安全设备位置和施工
现场危险区域。
5. 紧急呼救设备:
- 保持现场通讯畅通非常重要。
确保施工场地配备可靠的通讯
设备,如无线对讲机或手机等。
6. 紧急救援绳索:
- 用于高空作业和紧急救援。
绳索应具备足够的强度和耐用度。
7. 个人防护装备:
- 包括头盔、安全鞋、防护眼镜、耳塞、口罩等,以确保人员
在施工现场的个人安全。
8. 急救培训手册:
- 为所有施工人员提供基本的急救培训手册,以便他们在紧急
情况下能够正确应对和处理。
9. 应急联系人名单:
- 列出施工场地的紧急联系人名单,包括医疗机构、消防部门
和施工负责人等。
请根据实际情况和施工场地的特点进行具体的急救装备选择和
配置。
同时,定期检查和维护急救装备,确保其正常运作和有效性。
以上清单仅供参考,具体需根据法律法规和实际需要进行调整和完善。
附件2:应急救援装备和应急物资指导目录一、防护用品[卫生防疫] 防护服(衣、帽、鞋、手套、眼镜),测温计(仪);[化学放射污染] 防毒面具, 防护服;[消防] 防火服,头盔,手套,面具,消防靴;[海难] 潜水服(衣)、水下呼吸器:[爆炸] 防爆服,排爆杆,排爆球:[防暴] 盾牌、盔甲;[通用]安全帽(头盔)、安全鞋、水靴,呼吸面具。
二、生命救助[外伤]止血绷带,骨折固定托架(板),快速止血粉,消毒药水,强酸强碱洗消剂;[海难] 救捞船,救生圈,救生衣,救生艇(筏),救生缆索,减压舱;[高空坠落] 保护气垫,防护网,充气滑梯,云梯;[掩埋] 红外探测器,生物传感器;[通用]担架(车),保温毯,氧气机(瓶、袋),直升机救生吊具(索具、网),生命探测仪。
三、生命支持[窒息] 便携呼吸机;[呼吸中毒] 高压氧舱;[食物中毒] 洗胃设备:[通用] 输液设备、输氧设备、急救药品、防疫药品。
四、救援运载[防疫] 隔离救护车,隔离担架:[海难] 医疗救生船(艇);[空投] 降落伞,缓冲底盘;[通用] 救护车,救生飞机(直升、水上、短距起降、土地草地跑道起降)。
五、临时食宿[饮食]炊事车(轮式、轨式),炊具,餐具:[饮用水] 供水车,水箱,瓶装水,过滤净化机(器),海水淡化机;[食物]紧缩食物,罐头,真空包装食物;[住宿]帐篷(普通、保温),宿营车(轮式、轨式),移动衡宇(组装、集装箱式、轨道式、轮式),棉衣,棉被:[卫生] 简易茅厕(移动、固定),简易淋浴设备(车)。
六、污染清理[防疫] 消毒车(船、飞机),喷雾器,垃圾焚烧炉;[污染处置]化学事故救援车,污染现场处置车,垃圾箱(车、船),垃圾袋;[环境监测]环境应急监测车,环境监测采样设备,环境监测分析仪[核辐射] 消洗车;[通用] 杀菌灯,消毒杀菌药品,堵漏材料,消油剂、吸油材料、围油栏、收油机、溢油分散剂、吸油索、吸油枕、活性炭,常常利用化学处置药剂:七、动力燃料[发电] 发电车(轮式、轨式),燃油发电机组,便携式发电机:[配电」防爆防水电缆、配电箱(开关),电线杆;[气源] 移动式空气紧缩机,乙炔发生器,工业氧气瓶;[燃料] 煤油,柴油,汽油,液化气:[通用] 干电池、蓄电池(配充电设备)。
应急救援设备汇总在面对各种突发灾害和紧急情况时,拥有合适且高效的应急救援设备是至关重要的。
这些设备能够在关键时刻挽救生命、减少损失,并为救援工作提供有力的支持。
以下将为您详细介绍一些常见的应急救援设备。
一、个人防护设备1、安全帽安全帽是保障救援人员头部安全的重要装备。
它能够减轻头部受到坠落物、撞击等伤害的风险。
2、防护手套防护手套有多种类型,如耐磨损、防切割、绝缘等,能够保护救援人员的手部免受伤害。
3、防护鞋具备防砸、防滑、绝缘等功能,确保救援人员在复杂的救援环境中行动安全。
4、呼吸防护设备如防尘口罩、防毒面具等,防止救援人员吸入有害气体、粉尘等有害物质。
5、防护服包括防火服、防化服等,提供身体的全面防护。
二、通讯设备1、对讲机在救援现场,对讲机是常用的通讯工具,能够实现短距离、即时的语音通讯。
2、卫星电话在没有常规通讯信号的地区,卫星电话能够保证与外界的联系。
三、照明设备1、手提式强光手电筒便于携带,提供强光照明,方便救援人员在黑暗环境中行动和作业。
2、头灯佩戴在头部,解放双手,不影响救援操作。
3、移动照明车可为大面积的救援现场提供充足的照明。
四、救援工具1、破拆工具如液压破拆工具组,包括扩张器、剪切器等,用于破除障碍物,开辟救援通道。
2、消防斧可用于砍断障碍物、破门等。
3、撬棍用于撬动重物或打开缝隙。
4、绳索及相关配件如安全绳、攀岩绳等,用于救援人员的自身保护和被困人员的吊运。
五、医疗急救设备1、急救箱配备常用的药品、绷带、止血带、消毒用品等。
2、担架用于搬运受伤人员。
3、除颤仪对心脏骤停的患者进行电击除颤。
4、氧气袋和氧气瓶为呼吸困难的患者提供氧气支持。
六、侦测设备1、生命探测仪包括声波生命探测仪、红外生命探测仪等,用于寻找被困人员。
2、气体检测仪检测空气中的有害气体浓度,保障救援人员安全。
3、水质检测仪检测灾区的水质情况,防止污染和疾病传播。
七、消防设备1、灭火器常见的有干粉灭火器、二氧化碳灭火器等,用于扑灭初期火灾。
建筑工程现场应急救援装备清单为了确保建筑工程现场的安全,应对突发事件,特制定本应急救援装备清单。
本清单列出了建筑工程现场所需配备的应急救援装备及其数量、规格等,以便在紧急情况下迅速投入使用。
1. 个人防护装备1.1 头部防护- 安全帽:500顶/规格1.2 眼部防护- 护目镜:200副/规格1.3 面部防护- 口罩:500个/规格1.4 呼吸道防护- 防尘口罩:300个/规格1.5 身体防护- 防护服:200套/规格1.6 手部防护- 手套:500双/规格2. 急救装备2.1 急救包- 急救包:50个/规格2.2 自动体外除颤器(AED)- AED:2台/规格2.3 心脏按压泵- 心脏按压泵:2台/规格2.4 氧气瓶- 氧气瓶:5个/规格3. 消防装备3.1 灭火器- 灭火器:20个/规格3.2 消防水带- 消防水带:10盘/规格3.3 消防枪头- 消防枪头:5个/规格3.4 消防服- 消防服:10套/规格3.5 消防呼叫器- 消防呼叫器:10个/规格4. 照明装备4.1 手电筒- 手电筒:100个/规格4.2 便携式照明灯- 便携式照明灯:20个/规格4.3 发电机- 发电机:2台/规格5. 通讯装备5.1 对讲机- 对讲机:50台/规格5.2 移动电话- 移动电话:10部/规格6. 其他装备6.1 便携式风扇- 便携式风扇:10个/规格6.2 便携式遮阳伞- 便携式遮阳伞:10顶/规格6.3 急救培训教材- 急救培训教材:20册/规格7. 注意事项1. 所有应急救援装备应定期检查、维护,确保其处于良好状态。
2. 所有应急救援装备的存放位置应固定、标识清晰,便于快速取用。
3. 定期组织应急救援装备的使用培训,提高员工应对突发事件的能力。
4. 本清单仅供参考,具体配备应根据工程实际情况和相关规定进行调整。
以上为建筑工程现场应急救援装备清单,请根据实际情况进行调整和完善,以确保施工现场的安全。