(完整版)材料力学习题册答案-附录平面图形几何性质
- 格式:doc
- 大小:117.01 KB
- 文档页数:2
《材料力学》课程习题集西南科技大学成人、网络教育学院版权所有习题【说明】:本课程《材料力学》(编号为06001)共有单选题,计算题,判断题,作图题等多种试题类型,其中,本习题集中有[判断题]等试题类型未进入。
一、单选题1.构件的强度、刚度和稳定性________。
(A)只与材料的力学性质有关 (B)只与构件的形状尺寸有关(C)与二者都有关 (D)与二者都无关2.一直拉杆如图所示,在P力作用下。
(A) 横截面a上的轴力最大(B) 横截面b上的轴力最大(C) 横截面c上的轴力最大(D) 三个截面上的轴力一样大3.在杆件的某一截面上,各点的剪应力。
(A)大小一定相等(B)方向一定平行(C)均作用在同一平面内(D)—定为零4.在下列杆件中,图所示杆是轴向拉伸杆。
(A) P(C) (D)5.图示拉杆承受轴向拉力P的作用,斜截面m-m的面积为A,则σ=P/A为。
(A)横截面上的正应力(B)斜截面上的剪应力(C)斜截面上的正应力(D)斜截面上的应力6.解除外力后,消失的变形和遗留的变形。
(A)分别称为弹性变形、塑性变形(B)通称为塑性变形(C)分别称为塑性变形、弹性变形(D)通称为弹性变形7.一圆截面轴向拉、压杆若其直径增加—倍,则抗拉。
(A)强度和刚度分别是原来的2倍、4倍(B)强度和刚度分别是原来的4倍、2倍(C)强度和刚度均是原来的2倍(D)强度和刚度均是原来的4倍8.图中接头处的挤压面积等于。
P(A)ab (B)cb (C)lb (D)lc9.微单元体的受力状态如下图所示,已知上下两面的剪应力为τ则左右侧面上的剪应力为。
(A)τ/2(B)τ(C)2τ(D)010.下图是矩形截面,则m—m线以上部分和以下部分对形心轴的两个静矩的。
(A)绝对值相等,正负号相同(B)绝对值相等,正负号不同(C)绝对值不等,正负号相同(D)绝对值不等,正负号不同11.平面弯曲变形的特征是。
(A)弯曲时横截面仍保持为平面(B)弯曲载荷均作用在同—平面内;(C)弯曲变形后的轴线是一条平面曲线(D)弯曲变形后的轴线与载荷作用面同在—个平面内12.图示悬臂梁的AC段上,各个截面上的。
材料力学(金忠谋)第六版答案-附录附录I 截面图形的几何性质I-1 求下列截面图形对z 轴的静矩与形心的位置。
解:(a ))2)2((2)2(2h t h b t h ht t h bt s z ++=⋅++=hb h t h b h b t h t h b t A s y zc +++=+++==2)2()()2)2((22(b )322332219211)}2)4()43()41()43(32(])4()43[(2{4442DD D D D D D D D D s z =--⨯-+⨯⨯-=ππDD D D D DAs y z c 1367.0])2()43[(2)44(219211223=-⨯+⨯==π(c )]22)[(22)(2h t t b t h ht t t t b s z +⋅-=⨯+⨯⨯-=tb)(2)(2t b h h t t b A s y z c -++-==I-2 试求(1)图示工字形截面对形心轴 y 及 z 的惯性矩zI 与I y 。
(2)图示 T 字形截面对形心轴的惯矩zI 与I y 。
解(a)12)2)((12)2)((123333t h t b bh t h t b bh J z ---=---=12))2(2(12))(2(1222333t t h b t t t h tb J y -+=-+=(b) cmy c 643.9)520515(2)515(552522=⨯+⨯-⨯+⨯=(b433423231615121551252010186520)643.91025(12205515)5.2643.9(12515cm J cm J y z =⨯+⨯==⨯⨯--+⨯+⨯⋅-+⨯=I-3 求图示椭圆截面对长轴的惯矩、惯性半径与对形心的极惯矩。
解:θθcos ,sin ⋅=⋅=a z b yθθd b dy cos = ⎰⎰--⋅==∴b bbbz zdyy dA y J 222322223224cos sin 2cos cos sin 2ab d abd b a b J bb z πθθθθθθθππ==⋅=⎰⎰--)(4)(42422333b a ab b a ab J J J b ab ab AJ i y z p zz +=+=+====ππππI-4 试求图示的41的圆面积(半径a )对于z ,yyy 轴的惯性积zyI 。
材料力学习题册参考答案材料力学习题册参考答案(无计算题)第1章:轴向拉伸与压缩一:1(ABE )2(ABD )3(DE )4(AEB )5(C )6(CE)7(ABD )8(C )9(BD )10(ADE )11(ACE )12(D )13(CE )14(D )15(AB)16(BE )17(D )二:1对2错3错4错5对6对7错8错9错10错11错12错13对14错15错三:1:钢铸铁 2:比例极限p σ 弹性极限e σ 屈服极限s σ 强度极限b σ3.横截面 45度斜截面4. εσE =, EAFl l =5.强度,刚度,稳定性;6.轴向拉伸(或压缩);7. llb b ?μ?=8. 1MPa=106 N/m 2 =1012 N/mm 2 9. 抵抗伸缩弹性变形,加载方式 10. 正正、剪 11.极限应力 12. >5% <5% 13. 破坏s σ b σ 14.强度校核截面设计荷载设计15. 线弹性变形弹性变形 16.拉应力 45度 17.无明显屈服阶段的塑性材料力学性能参考答案:1. A 2. C 3. C 4. C 5. C 6. 5d ; 10d 7. 弹塑8. s2s 9. 0.1 10. 压缩11. b 0.4σ 12. <;< 剪切挤压答案:一:1.(C ),2.(B ),3.(A ),二:1. 2bh db 2. b(d+a) bc 3. 4a δ a 2 4. F第2章:扭转一:1.(B ) 2.(C D ) 3.(C D ) 4. (C ) 5. (A E ) 6. (A )7. (D )8. (B D ) 9.(C ) 10. (B ) 11.(D ) 12.(C )13.(B )14.(A ) 15.(A E )二:1错 2对 3对 4错 5错 6 对三:1. 垂直 2. 扭矩剪应力 3.最外缘为零4. p ττ< 抗扭刚度材料抵抗扭转变形的能力5. 不变不变增大一倍6. 1.5879τ7.实心空心圆8. 3241)(α- 9. m ax m in αττ= 10. 长边的中点中心角点 11.形成回路(剪力流)第3章:平面图形的几何性质一:1.(C ),2.(A ),3.(C ),4.(C ),5.(A ),6.(C ),7.(C ),8.(A ),9.(D )二:1). 1;无穷多;2)4)4/5(a ; 3),84p R I π=p 4z y I 16R I I ===π4)12/312bh I I z z ==;5))/(/H 6bh 6BH W 32z -= 6)12/)(2211h b bh I I I I z y z y +=+=+;7)各分部图形对同一轴静矩8)两轴交点的极惯性矩;9)距形心最近的;10)惯性主轴;11)图形对其惯性积为零三:1:64/πd 114; 2.(0 , 14.09cm )(a 22,a 62)3: 4447.9cm 4, 4:0.00686d 4 ,5: 77500 mm 4 ;6: 64640039.110 23.410C C C C y y z z I I mm I I mm ==?==?第4章:弯曲内力一:1.(A B )2.(D )3.(B )4.(A B E )5.(A B D )6.(ACE ) 7.(ABDE ) 8.(ABE )9. (D ) 10. (D ) 11.(ACBE ) 12.(D ) 13.(ABCDE )二:1错 2错 3错 4对 5错 6对 7对三:1. 以弯曲变形 2.集中力 3. KNm 2512M .max =4. m KN 2q = 向下 KN 9P = 向上5.中性轴6.荷载支撑力7. 小8. 悬臂简支外伸9. 零第5章:弯曲应力一:1(ABD)2.(C )3.(BE )4.(A )5.(C )6.(C )7.(B )8.(C )9.(BC )二:1对 2错 3错 4 对 5 错 6错 7 对三:1.满足强度要求更经济、更省料2. 变成曲面,既不伸长也不缩短3.中性轴4.形心主轴5.最大正应力6.剪力方向7.相等8.平面弯曲发生在最大弯矩处9.平面弯曲第6章:弯曲变形一:1(B ),2(B ),3(A ),4(D ),5(C ),6(A ),7(C ),8(B ),9(A )10(B ),11(A )二:1对2错3错4错5错6对7错8错9错10对11错12对三:1.(转角小量:θθtan ≈)(未考虑高阶小量对曲率的影响)2. 挠曲线采用近似微分方程导致的。
《材料力学》课程习题集西南科技大学成人、网络教育学院版权所有习题【说明】:本课程《材料力学》(编号为06001)共有单选题,计算题,判断题,作图题等多种试题类型,其中,本习题集中有[判断题]等试题类型未进入。
一、单选题1.构件的强度、刚度和稳定性________。
(A)只与材料的力学性质有关(B)只与构件的形状尺寸有关(C)与二者都有关(D)与二者都无关2.一直拉杆如图所示,在P力作用下。
(A) 横截面a上的轴力最大(B) 横截面b上的轴力最大(C) 横截面c上的轴力最大(D) 三个截面上的轴力一样大3.在杆件的某一截面上,各点的剪应力。
(A)大小一定相等(B)方向一定平行(C)均作用在同一平面内(D)—定为零4.在下列杆件中,图所示杆是轴向拉伸杆。
(A) (B)(C) (D)P5.图示拉杆承受轴向拉力P的作用,斜截面m-m的面积为A,则σ=P/A为。
(A)横截面上的正应力(B)斜截面上的剪应力(C)斜截面上的正应力(D)斜截面上的应力6.解除外力后,消失的变形和遗留的变形。
(A)分别称为弹性变形、塑性变形(B)通称为塑性变形(C)分别称为塑性变形、弹性变形(D)通称为弹性变形7.一圆截面轴向拉、压杆若其直径增加—倍,则抗拉。
(A)强度和刚度分别是原来的2倍、4倍(B)强度和刚度分别是原来的4倍、2倍(C)强度和刚度均是原来的2倍(D)强度和刚度均是原来的4倍8.图中接头处的挤压面积等于。
P(A)ab (B)cb (C)lb (D)lc9.微单元体的受力状态如下图所示,已知上下两面的剪应力为τ则左右侧面上的剪应力为。
(A)τ/2(B)τ(C)2τ(D)010.下图是矩形截面,则m—m线以上部分和以下部分对形心轴的两个静矩的。
(A)绝对值相等,正负号相同(B)绝对值相等,正负号不同(C)绝对值不等,正负号相同(D)绝对值不等,正负号不同11.平面弯曲变形的特征是。
(A)弯曲时横截面仍保持为平面(B)弯曲载荷均作用在同—平面内;(C)弯曲变形后的轴线是一条平面曲线(D)弯曲变形后的轴线与载荷作用面同在—个平面内12.图示悬臂梁的AC段上,各个截面上的。
8-1 试求图示各杆的轴力,并指出轴力的最大值。
(2) 取1-1(3) 取2-2(4) 轴力最大值: (b)(1) 求固定端的约束反力; (2) 取1-1(3) 取2-2(4) (c)(1) 用截面法求内力,取1-1、2-2、3-3截面;(2) 取1-1(3) 取2-2 (4) 取3-3截面的右段;(5) 轴力最大值: (d)(1) 用截面法求内力,取1-1、(2) 取1-1(2) 取2-2(5) 轴力最大值: 8-2 试画出8-1解:(a) (b) (c) (d) 8-5与BC 段的直径分别为(c) (d)F RN 2F N 3 F N 1F F Fd 1=20 mm 和d 2=30 mm ,如欲使AB 与BC 段横截面上的正应力相同,试求载荷F 2之值。
解:(1) 用截面法求出(2) 求1-1、2-28-6 题8-5段的直径d 1=40 mm ,如欲使AB 与BC 段横截面上的正应力相同,试求BC 段的直径。
解:(1)用截面法求出1-1、2-2截面的轴力;(2) 求1-1、2-2截面的正应力,利用正应力相同;8-7 图示木杆,承受轴向载荷F =10 kN 作用,杆的横截面面积A =1000 mm 2,粘接面的方位角θ= 450,试计算该截面上的正应力与切应力,并画出应力的方向。
解:(1) (2) 8-14 2=20 mm ,两杆F =80 kN 作用,试校核桁架的强度。
解:(1) 对节点A(2) 列平衡方程 解得: (2) 8-15 图示桁架,杆1A 处承受铅直方向的载荷F 作用,F =50 kN ,钢的许用应力[σS ] =160 MPa ,木的许用应力[σW ] =10 MPa 。
解:(1) 对节点A (2) 84 mm 。
8-16 题8-14解:(1) 由8-14得到的关系;(2) 取[F ]=97.1 kN 。
8-18 图示阶梯形杆A 2=100 mm 2,E =200GPa ,试计算杆AC 的轴向变形 解:(1) (2) AC 8-22 图示桁架,杆1与杆2的横截面面积与材料均相同,在节点A 处承受载荷F 作用。
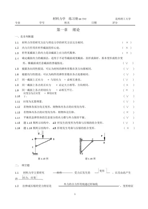
材料力学练习册 80 学时昆明理工大学专业学号姓名日期评分第一章绪论一、是非判断题1.1材料力学的研究方法与理论力学的研究方法完全相同。
(×) 1.2内力只作用在杆件截面的形心处。
(×) 1.3杆件某截面上的内力是该截面上应力的代数和。
(×) 1.4确定截面内力的截面法,适用于不论等截面或变截面、直杆或曲杆、基本变形或组合变形、横截面或任意截面的普遍情况。
(∨) 1.5根据各向同性假设,可认为材料的弹性常数在各方向都相同。
(∨) 1.6根据均匀性假设,可认为构件的弹性常数在各点处都相同。
(∨) 1.7同一截面上正应力σ与切应力τ必相互垂直。
(∨) 1.8同一截面上各点的正应力σ必定大小相等,方向相同。
(×) 1.9同一截面上各点的切应力τ必相互平行。
(×)1.10应变分为正应变ε和切应变γ。
(∨)1.11应变为无量纲量。
(∨) 1.12若物体各部分均无变形,则物体内各点的应变均为零。
(∨) 1.13若物体内各点的应变均为零,则物体无位移。
(×) 1.14平衡状态弹性体的任意部分的内力都与外力保持平衡。
(∨) 1.15题 1.15 图所示结构中, AD 杆发生的变形为弯曲与压缩的组合变形。
(∨) 1.16题 1.16 图所示结构中, AB 杆将发生弯曲与压缩的组合变形。
(×)FFA A CBBCD D题 1.15 图题 1.16 图二、填空题1.1材料力学主要研究杆件受力后发生的变形,以及由此产生的应力,应变。
1.2拉伸或压缩的受力特征是外力的合力作用线通过杆轴线,变形特征专业学号姓名日期评分是沿杆轴线伸长或缩短。
1.3剪切的受力特征是受一对等值,反向,作用线距离很近的力的作用,变形特征是沿剪切面发生相对错动。
1.4扭转的受力特征是外力偶作用面垂直杆轴线,变形特征是任意二横截面发生绕杆轴线的相对转动。
外力作用线垂直杆轴线,外力偶作用面通过杆轴线1.5 弯曲的受力特征是,变形特征是梁轴线由直线变为曲线。
附录I 截面的几何性质 习题解[习题I-1] 试求图示各截面的阴影线面积对x 轴的静积。
(a )解:)(24000)1020()2040(3mm y A S c x =+⨯⨯=⋅=(b )解:)(42250265)6520(3mm y A S c x =⨯⨯=⋅= (c )解:)(280000)10150()20100(3mm y A S c x =-⨯⨯=⋅=(d )解:)(520000)20150()40100(3mm y A S c x =-⨯⨯=⋅=[习题I-2] 试积分方法求图示半圆形截面对x 轴的静矩,并确定其形心的坐标。
解:用两条半径线和两个同心圆截出一微分面积如图所示。
dx xd dA ⋅=)(θ;微分面积的纵坐标:θsin x y =;微分面积对x 轴的静矩为: θθθθθdxd x x dx xd y dx xd y dA dS x ⋅=⋅⋅=⋅⋅=⋅=sin sin )(2半圆对x 轴的静矩为:32)]0cos (cos [3]cos []3[sin 33003002r r x d dx x S r rx =--⋅=-⋅=⋅=⎰⎰πθθθππ因为c x y A S ⋅=,所以c y r r ⋅⋅=232132π π34ry c = [习题I-3] 试确定图示各图形的形心位置。
(a ) 习题I-3(a): 求门形截面的形心位置矩形 Li Bi Ai Yci AiYci Yc 离顶边上 4 左 225000 右22500014000123.646.4Ai=Li*Bi Yc=∑AiYci/∑Ai(b) 解: 习题I-3(b): 求L 形截面的形心位置矩形 Li Bi AiYciAiYci Yc Xci AiXci Xc 下 16 0 80 128000 左9 00 5 45002500 575002313250053Ai=Li*Bi Yc=∑AiYci/∑Ai Xc=∑AiXci/∑Ai(c)习题I-3(c): 求槽形与L 形组合截面的形心位置型钢号 Ai(cm2) Yci(cm ) AiYci(cm3) Yc(cm ) Xci(cm ) AiXci(cm3) Xc(cm ) 槽钢20 32.837 10 328.37 -1.95 -64.03 等边角钢80*1015.126 2.35 35.546 2.35 35.54647.963363.927.6-28.49-0.6Yc=∑AiYci/∑Ai Xc=∑AiXci/∑Ai[习题I-4] 试求图示四分之一圆形截面对于x 轴和y 轴的惯性矩x I 、y I 和惯性积xy I 。
第二章轴向拉(压)变形[习题2-1]试求图示各杆1-1和2-2横截面上的轴力,并作轴力图。
(a)解:(1)求指定截面上的轴力FN =-11FF F N -=+-=-222(2)作轴力图轴力图如图所示。
(b)解:(1)求指定截面上的轴力FN 211=-02222=+-=-F F N (2)作轴力图FF F F N =+-=-2233轴力图如图所示。
(c)解:(1)求指定截面上的轴力FN 211=-FF F N =+-=-222(2)作轴力图FF F F N 32233=+-=-轴力图如图所示。
(d)解:(1)求指定截面上的轴力FN =-11F F a aFF F qa F N 22222-=+⋅--=+--=-(2)作轴力图中间段的轴力方程为:x aF F x N ⋅-=)(]0,(a x ∈轴力图如图所示。
[习题2-2]试求图示等直杆横截面1-1、2-2和平3-3上的轴力,并作轴力图。
若横截面面积2400mm A =,试求各横截面上的应力。
解:(1)求指定截面上的轴力kNN 2011-=-)(10201022kN N -=-=-)(1020102033kN N =-+=-(2)作轴力图轴力图如图所示。
(3)计算各截面上的应力MPa mm N A N 504001020231111-=⨯-==--σMPamm N A N 254001010232222-=⨯-==--σMPa mmN A N 254001010233333=⨯==--σ[习题2-3]试求图示阶梯状直杆横截面1-1、2-2和平3-3上的轴力,并作轴力图。
若横截面面积21200mm A =,22300mm A =,23400mm A =,并求各横截面上的应力。
解:(1)求指定截面上的轴力kNN 2011-=-)(10201022kN N -=-=-)(1020102033kN N =-+=-(2)作轴力图轴力图如图所示。
(3)计算各截面上的应力MPa mm N A N 10020010202311111-=⨯-==--σMPa mmN A N 3.3330010102322222-=⨯-==--σMPamm N A N 254001010233333=⨯==--σ[习题2-4]图示一混合屋架结构的计算简图。
第一章 绪论一、是非判断题1.1 材料力学的研究方法与理论力学的研究方法完全相同。
( × ) 1.2 内力只作用在杆件截面的形心处。
( × ) 1.3 杆件某截面上的内力是该截面上应力的代数和。
( × ) 1.4 确定截面内力的截面法,适用于不管等截面或变截面、直杆或曲杆、基本变形或组合变形、横截面或任意截面的普遍情况。
( ∨ ) 1.5 根据各向同性假设,可认为材料的弹性常数在各方向都相同。
( ∨ ) 1.6 根据均匀性假设,可认为构件的弹性常数在各点处都相同。
( ∨ ) 1.7 同一截面上正应力σ与切应力τ必相互垂直。
( ∨ ) 1.8 同一截面上各点的正应力σ必定大小相等,方向相同。
( × ) 1.9 同一截面上各点的切应力τ必相互平行。
( × ) 1.10 应变分为正应变ε和切应变γ。
( ∨ ) 1.11 应变为无量纲量。
( ∨ ) 1.12 假设物体各部分均无变形,则物体内各点的应变均为零。
( ∨ ) 1.13 假设物体内各点的应变均为零,则物体无位移。
( × ) 1.14 平衡状态弹性体的任意部分的内力都与外力保持平衡。
( ∨ ) 1.15 题1.15图所示结构中,AD 杆发生的变形为弯曲与压缩的组合变形。
( ∨ )1.16 题1.16图所示结构中,AB 杆将发生弯曲与压缩的组合变形。
( × )二、填空题材料力学主要研究 受力后发生的,以及由此产生的 。
1.2 拉伸或压缩的受力特征是 ,变形特征是 。
1.3 剪切的受力特征是 ,变形特征B题5图题6图外力的合力作用线通过杆轴线 杆件 变形 应力,应变 沿杆轴线伸长或缩短 受一对等值,反向,作用线距离很近的力的作用 沿剪切面发生相对错动是 。
1.4 扭转的受力特征是 ,变形特征是 。
1.5 弯曲的受力特征是 ,变形特征是 。
1.6 组合受力与变形是指 。
附录I 截面的几何性质 习题解[习题I-1] 试求图示各截面的阴影线面积对x 轴的静积。
(a )解:)(24000)1020()2040(3mm y A S c x =+⨯⨯=⋅=(b )解:)(42250265)6520(3mm y A S c x =⨯⨯=⋅= (c )解:)(280000)10150()20100(3mm y A S c x =-⨯⨯=⋅=(d )解:)(520000)20150()40100(3mm y A S c x =-⨯⨯=⋅=[习题I-2] 试积分方法求图示半圆形截面对x 轴的静矩,并确定其形心的坐标。
解:用两条半径线和两个同心圆截出一微分面积如图所示。
dx xd dA ⋅=)(θ;微分面积的纵坐标:θsin x y =;微分面积对x 轴的静矩为: θθθθθdxd x x dx xd y dx xd y dA dS x ⋅=⋅⋅=⋅⋅=⋅=sin sin )(2半圆对x 轴的静矩为:32)]0cos (cos [3]cos []3[sin 33003002r r x d dx x S r rx =--⋅=-⋅=⋅=⎰⎰πθθθππ因为c x y A S ⋅=,所以c y r r ⋅⋅=232132π π34ry c = [习题I-3] 试确定图示各图形的形心位置。
(a ) 习题I-3(a): 求门形截面的形心位置矩形 Li Bi Ai Yci AiYci Yc 离顶边上 4 左 225000 右22500014000123.646.4Ai=Li*Bi Yc=∑AiYci/∑Ai(b) 解: 习题I-3(b): 求L 形截面的形心位置矩形 Li Bi AiYciAiYci Yc Xci AiXci Xc 下 16 0 80 128000 左9 00 5 45002500 575002313250053Ai=Li*Bi Yc=∑AiYci/∑Ai Xc=∑AiXci/∑Ai(c)习题I-3(c): 求槽形与L 形组合截面的形心位置型钢号 Ai(cm2) Yci(cm ) AiYci(cm3) Yc(cm ) Xci(cm ) AiXci(cm3) Xc(cm ) 槽钢20 32.837 10 328.37 -1.95 -64.03 等边角钢80*1015.126 2.35 35.546 2.35 35.54647.963363.927.6-28.49-0.6Yc=∑AiYci/∑Ai Xc=∑AiXci/∑Ai[习题I-4] 试求图示四分之一圆形截面对于x 轴和y 轴的惯性矩x I 、y I 和惯性积xy I 。
《材料力学》课程习题集西南科技大学成人、网络教育学院 版权所有习题【说明】:本课程《材料力学》(编号为06001)共有单选题,计算题,判断题,作图题等多种试题类型,其中,本习题集中有[判断题]等试题类型未进入。
一、单选题1. 构件的强度、刚度和稳定性________。
(A)只与材料的力学性质有关(B)只与构件的形状尺寸有关 (C)与二者都有关(D)与二者都无关 2. 一直拉杆如图所示,在P 力作用下 。
(A) 横截面a 上的轴力最大(B) 横截面b 上的轴力最大 (C) 横截面c 上的轴力最大(D) 三个截面上的轴力一样大 3. 在杆件的某一截面上,各点的剪应力 。
(A)大小一定相等(B)方向一定平行 (C)均作用在同一平面内 (D)—定为零 4. 在下列杆件中,图 所示杆是轴向拉伸杆。
(A) (B)(C)(D) 5. 图示拉杆承受轴向拉力P 的作用,斜截面m-m 的面积为A ,则σ=P/A 为 。
(A)横截面上的正应力(B)斜截面上的剪应力 (C)斜截面上的正应力(D)斜截面上的应力 6. 解除外力后,消失的变形和遗留的变形 。
(A)分别称为弹性变形、塑性变形(B)通称为塑性变形 (C)分别称为塑性变形、弹性变形(D)通称为弹性变形 7. 一圆截面轴向拉、压杆若其直径增加—倍,则抗拉 。
(A)强度和刚度分别是原来的2倍、4倍(B)强度和刚度分别是原来的4倍、2倍 (C)强度和刚度均是原来的2倍 (D)强度和刚度均是原来的4倍8. 图中接头处的挤压面积等于 。
P P(A)ab (B)cb (C)lb (D)lc9.微单元体的受力状态如下图所示,已知上下两面的剪应力为τ则左右侧面上的剪应力为。
(A)τ/2(B)τ(C)2τ(D)010.下图是矩形截面,则m—m线以上部分和以下部分对形心轴的两个静矩的。
(A)绝对值相等,正负号相同(B)绝对值相等,正负号不同(C)绝对值不等,正负号相同(D)绝对值不等,正负号不同11.平面弯曲变形的特征是。
练习1 绪论及基本概念1-1 是非题(1)材料力学是研究构件承载能力的一门学科。
( 是 )(2)可变形固体的变形必须满足几何相容条件,即变形后的固体既不可以引起“空隙”,也不产生“挤入”现象。
(是 )(3)构件在载荷作用下发生的变形,包括构件尺寸的改变和形状的改变。
( 是 ) (4)应力是内力分布集度。
(是 )(5)材料力学主要研究构件弹性范围内的小变形问题。
(是 ) (6)若物体产生位移,则必定同时产生变形。
(非 ) (7)各向同性假设认为,材料沿各个方向具有相同的变形。
(F )(8)均匀性假设认为,材料内部各点的力学性质是相同的。
(是)(9)根据连续性假设,杆件截面上的内力是连续分布的,分布内力系的合力必定是一个力。
(非) (10)因为构件是变形固体,在研究构件的平衡时,应按变形后的尺寸进行计算。
(非 )1-2 填空题(1)根据材料的主要性质对材料作如下三个基本假设:连续性假设 、均匀性假设 、 各向同性假设 。
(2)工程中的 强度 ,是指构件抵抗破坏的能力; 刚度 ,是指构件抵抗变形的能力。
(3)保证构件正常或安全工作的基本要求包括 强度 , 刚度 ,和 稳定性 三个方面。
(4)图示构件中,杆1发生 拉伸 变形,杆2发生 压缩 变形, 杆3发生 弯曲 变形。
(5)认为固体在其整个几何空间内无间隙地充满了物质,这样的假设称为 连续性假设 。
根据这一假设构件的应力,应变和位移就可以用坐标的 连续 函数来表示。
(6)图示结构中,杆1发生 弯曲 变形,构件2发生 剪切 变形,杆件3发生 弯曲与轴向压缩组合。
变形。
(7)解除外力后,能完全消失的变形称为 弹性变形 ,不能消失而残余的的那部分变形称为 塑性变形 。
(8)根据 小变形 条件,可以认为构件的变形远 小于 其原始尺寸。
1-3 选择题(1)材料力学中对构件的受力和变形等问题可用连续函数来描述;通过试件所测得的材料的力学性能,可用于构件内部的任何部位。
附录 截面图形的几何性质
一、是非判断题
⒈ 图形对某一轴的静矩为零,则该轴必定通过图形的形心。
( √ )
⒉ 图形在任一点只有一对主惯性轴。
( × )
⒊ 有一定面积的图形对任一轴的轴惯性矩必不为零。
( √ )
⒋ 图形对过某一点的主轴的惯性矩为图形对过该点所有轴的惯性矩中的极值。
( √ )
二、填空题
⒈ 组合图形对某一轴的静矩等于 各组成图形对同一轴静矩 的代数和。
⒉ 图形对任意一对正交轴的惯性矩之和,恒等于图形对 两轴交点的极惯性矩 。
⒊ 如果一对正交轴中有一根是图形的对称轴,则这一对轴为图形 主惯性轴 。
⒋ 过图形的形心且 图形对其惯性积等于零 的一对轴为图形的形心主惯性轴。
三、选择题
⒈ 图形对于其对称轴的( A )
A 静矩为零,惯性矩不为零;
B 静矩和惯性矩均为零
C 静矩不为零,惯性矩为零;
D 静矩和惯性矩均不为零
⒉ 直径为d 的圆形对其形心主轴的惯性半径i =( C )。
A d/2
B d/3
C d/4
D d/8 ⒊ 图示截面图形中阴影部分对形心主轴z 的惯性矩Z I =( C )。
A 123234dD D -π B 6323
4dD D -π C 126434dD D -π D 6643
4dD D -π
z
四、计算题
1、求图示平面图形中阴影部分对z 轴的静矩。
232.0)2.06.0(4.0bh h h h b S Z =+⋅⋅=
()
8842422222bh h H B h h b h H h h H B S Z +-=⋅⋅+⎪⎭⎫ ⎝⎛-+⋅-⋅=
2、求图示平面图形对z 、y 轴的惯性矩。
4523231023.251040121040251040123010mm I I I II I Z ⨯=⋅⋅+⋅+⋅⋅+⋅=+= 由于图形对称,4
51023.2mm I I Z Y ⨯=== 3、试求图示平面图形的形心主惯性轴的位置,并求形心主惯性矩。
mm y C 7.56100
20201401010020902010=⋅+⋅⋅⋅+⋅⋅= 4723231021.17.46200.1012201003.33201401214020mm I I I II I Z ⨯=⋅⋅+⋅+⋅⋅+⋅=+=46331076.112
100201220140mm I Y ⨯=⋅+⋅=
z z
z。