食品快速检测实验室建设方案(1)
- 格式:docx
- 大小:143.75 KB
- 文档页数:25
食品实验室建设方案1. 引言食品安全是现代社会中一项重要的议题,食品行业的企业和政府都非常重视食品的质量和安全性。
为了确保食品的质量和安全性,食品实验室的建设变得非常重要。
本文将介绍一个食品实验室的建设方案,包括实验室的设备和设施,人员培训和管理,质量控制和安全措施等。
2. 实验室设备和设施食品实验室需要一些特定的设备和设施来进行食品质量和安全性的检测。
下面是一些常见的实验室设备和设施:•高性能液相色谱仪(HPLC):用于检测食品中的化学物质和添加剂。
•气相色谱仪(GC):用于检测食品中的挥发性化合物和残留农药。
•质谱仪:用于食品中各种成分的定性、定量分析。
•核磁共振仪(NMR):用于对复杂食品中的化合物结构进行分析。
•紫外-可见分光光度计(UV-Vis):用于分析食品中的色素和光学特性。
•电子显微镜:用于观察食品中微小结构和病原微生物。
•实验室试剂:如标准品、试剂盒等。
此外,食品实验室还需要安装通风系统、洗手间、实验台和实验室报警系统等设施。
3. 人员培训和管理食品实验室的人员培训和管理非常重要,保证实验室工作的准确性和可靠性。
以下是一些人员培训和管理的建议:•招聘和培训合格的实验室人员,包括实验师、实验助理和技术支持人员。
•制定实验操作手册,确保每个实验人员都能按照规定的步骤进行实验。
•定期组织培训课程,包括新技术、新方法和实验室安全等方面的培训。
•建立实验室管理系统,包括实验记录、样品管理和设备维护等方面的管理。
•实行严格的质量控制措施,如定期校准设备、进行质控样品和参比物的检测。
4. 质量控制和安全措施为了保证食品实验室的质量和安全性,以下是一些质量控制和安全措施的建议:•实行严格的质量控制制度,确保实验结果的准确性和可靠性。
包括实验前的样品准备、实验中的实验操作和实验后的数据分析等。
•建立实验室储存样品的系统,确保样品的保存和标识的准确性。
•建立实验室的危险废物管理制度,确保危险废物的安全处理和储存。
学校食堂食品快检室建设方案及管理规范一、建设方案1.建设目的食品快检室是确保学校食堂食品质量安全的重要环节,为提高食品质量监测效率,减少食品安全风险,应建设一套完善的食品快检室,以确保食品安全,保障师生健康。
2.建设内容(1)场地选择:食品快检室应选择在距离食堂近、通风条件良好、设备易于安装和维护的地方。
(2)设备配置:应配备充足、先进的食品检测设备,包括快速检测设备、微生物检测设备、化学检测设备等。
(3)建设布局:根据实际需要,食品快检室应包括样品采集区、样品处理区、检测仪器区、数据处理区等功能区,确保每个区域的功能布局合理、流程顺畅。
(4)环境条件:食品快检室应保持干净、整洁、无异味,确保食品检测的准确性。
(5)安全措施:采取必要的安全措施,如防火、防爆、防护装置等,确保食品快检室的安全运行。
3.人员配备(1)食品快检室应配备具有相关专业知识的技术人员,包括食品检测师和实验室助理等,以保证检测的准确性和稳定性。
(2)相关人员应接受规范的培训,了解食品安全法律法规和操作规程,提高食品快检室的管理水平。
二、管理规范1.检测流程(1)样品采集:确保样品采集的随机性和代表性,采用标准的样品采集方法,并做好标识和保存工作。
(2)样品处理:对于不同的食品样品采用不同的处理方法,如去皮、切块等,确保样品符合检测要求。
(3)检测操作:按照国家标准和操作规程进行检测操作,保持操作的规范性和准确性。
(4)数据处理:对检测结果进行及时、准确的数据处理和分析,作出相应的判定和结论,并及时通报相关部门和学校。
2.设备维护(1)定期维护:按照设备厂商的要求,制定设备的定期维护计划,确保设备的正常运行和使用寿命。
(2)卫生清洁:定期对设备进行清洁和消毒,防止交叉污染和感染。
(3)设备校验:定期进行设备的校验,确保设备的准确性和稳定性。
3.培训与考核(1)新员工培训:对新进入食品快检室的员工进行相关培训,包括食品安全法律法规、操作规程和设备使用方法等,确保员工具备相关知识和操作技能。
食品快速检测室建设标准
一、快速检测室使用面积应不小于15平方米;应具备良好通风,满足实验排风需要,可配备专业通风厨/柜。
二、应有空调、上下水、无线或有线网络等基本设施,位置设置合理,保证实验正常操作。
三、应有固定操作台或操作桌,台面长不小于5米,宽不小于0.6米,便于快速检测实验操作。
四、辅助设备要求:快速检测室应有试剂常温存储柜、试剂冷藏及冷冻冰箱/柜,可设置试剂间;应有样品常温存储货架、样品冷藏及冷冻冰箱/柜,可设置样品间。
五、安全保障要求:配备足够的灭火器、急救箱等安全防护装备和急救设施,并定期检查其功能的有效性,确保检测工作在安全条件下顺利进行。
食品快速检测实验室建设方案一、引言随着人们对食品安全意识的提高,食品安全问题已成为全球范围内关注的焦点。
因此,建立一套高效、准确的食品快速检测实验室显得尤为重要。
本方案旨在提供一个完整的食品快速检测实验室建设方案。
二、实验室设备选购1.分析仪器:选择具有高精度和高灵敏度的分析仪器,包括质谱仪、光谱仪、电化学分析仪等。
这些仪器可以提供针对不同食品成分的快速分析和检测。
2.试剂和标准物质:选择符合国家标准要求的试剂和标准物质,确保检测结果的准确性和可靠性。
3.生物安全柜:为了保护实验人员免受有害物质的影响,应选购符合生物安全标准的生物安全柜。
4.样品处理设备:包括离心机、冷冻离心机、自动样品制备仪等。
这些设备可以加快样品处理的速度,提高实验效率。
5.数据处理设备:选择高性能的计算机和软件,以便进行数据处理和分析。
6.实验室家具和消耗品:选择耐腐蚀、易清洁的实验室家具,并储备适量的实验室消耗品,如试剂瓶、移液器等。
三、实验室布局设计1.实验室空间划分:根据实验室功能的不同,将实验室划分为样品处理区、分析区和数据处理区。
确保各区域之间的流动性和无交叉污染。
2.合理布局:根据实验室流程和工作人员的操作习惯,设计合理的实验室布局。
确保设备之间的距离合理,操作的方便性和效率性。
3.安全考虑:实验室内应设置安全措施,如消防设施、急救设备和应急出口等。
与有害物质相关的设备和区域应有专门的标识和防护措施。
四、实验室操作规范1.建立操作规程:制定实验室操作规程,明确实验室工作人员的责任和权益。
2.员工培训和考核:对实验室工作人员进行培训,提高他们的技能和操作水平。
定期进行员工考核,确保实验室操作符合标准要求。
3.实验室清洁和消毒:定期进行实验室清洁和消毒工作,确保环境卫生,并避免交叉污染。
4.安全措施:制定安全操作规定,包括戴防护手套、穿实验服等。
确保实验室操作的安全性。
五、与监管机构的合作1.获取认证和资质:与相关监管机构合作,获得实验室运营所需的认证和资质。
食品检测实验室建设方案及流程下载温馨提示:该文档是我店铺精心编制而成,希望大家下载以后,能够帮助大家解决实际的问题。
文档下载后可定制随意修改,请根据实际需要进行相应的调整和使用,谢谢!并且,本店铺为大家提供各种各样类型的实用资料,如教育随笔、日记赏析、句子摘抄、古诗大全、经典美文、话题作文、工作总结、词语解析、文案摘录、其他资料等等,如想了解不同资料格式和写法,敬请关注!Download tips: This document is carefully compiled by the editor. I hope that after you download them, they can help yousolve practical problems. The document can be customized and modified after downloading, please adjust and use it according to actual needs, thank you!In addition, our shop provides you with various types of practical materials, such as educational essays, diary appreciation, sentence excerpts, ancient poems, classic articles, topic composition, work summary, word parsing, copy excerpts,other materials and so on, want to know different data formats and writing methods, please pay attention!食品检测在当前社会中具有重要意义,为确保人们的食品安全,建设一座高效的食品检测实验室至关重要。
食品行业检测实验室建设方案一、食品安全实验室选址要求1. 实验室应选择在清洁安静的场所,远离生活区,锅炉房与交通要道;2。
实验室应选择在光线充足,通风良好的场所,要与生产加工车间有一定距离;3。
实验室应选择在方便扦样与检验,距离车间较近的工作场所。
二、实验室结构和布局根据生产实际需要,一般工厂应设置细菌与理化检验兼有的综合实验室,主要包括以下三大部分:细菌实验室、理化实验室、办公室.办公室:工作人员行政办公区域.理化分析实验室:(或者和细菌检验操作室合并)①理化分析室(兼作感观检验室)②仪器室(兼放细菌室显微镜等少量仪器)细菌实验室:①细菌检验操作室;②无菌室;③培养基制作室;④洗涤消毒室;三、食品安全实验室整体布局要求1。
办公室:办公室是化验人员进行原始记录等各项工作的场所,是与非化验室人员交往较多的场所,因此,应设在整体综合化验室的最外层,只需有桌、椅等简单设施即可。
2. 细菌检验操作室(常规操作)细菌检验操作室是细菌培养与检验主要操作室,主要设施是实验台.对实验台的要求:a.实验台面积一般不小于2。
4×1.3m;b。
实验台位置应在实验室中心位置,要有充足光线;也可以做边台。
c。
实验台两侧安装小盆与水龙头;d.实验台中间设置试剂架,架上装有日光灯与插座;e。
实验台材料要以耐热、耐酸碱为宜。
3。
无菌室:无菌室通过空气的净化和空间的消毒为微生物实验提供一个相对无菌的工作环境,无菌室是处理样品和接种培养的主要工作间,应与细菌检验操作室紧密相连。
为满足无菌室无菌要求,无菌间应满足以下布局:a.入口避开走廊,设在细菌检验操作室内;b。
与操作室用两道缓冲间隔开;c。
无菌室与缓冲间均装有紫外灯,要求每3平米安装30w紫外灯一盏;d。
无菌室内设有实验台中央(实验台与边台皆可),紫外灯距实验台面要小于1。
5m;e。
无菌室与操作室之间设有双层窗构成小通道.4。
培养基制作室:培养基室是制作、配制微生物培养所需培养基及检验用试剂的场所,其主要设备应为边台与药品柜。
目次1 范围 (1)2 规范性引用文件 (1)3 术语和定义 (1)4 实验室基础建设要求 (1)5 组织机构与人员 (2)6 仪器设备 (2)7 检测工作要求 (3)8 规章制度 (3)9 其他要求 (3)附录 A (资料性)实验室功能分区参考示意图 (5)附录 B (资料性)设备、设施基本配置表 (6)附录 C (资料性)检测工作流程图 (9)附录 D (规范性)快速检测标准参考依据 (10)附录 E (资料性)食品安全快速检测原始记录示例 (12)食品安全快速检测实验室建设规范1 范围本文件规定了食品安全快速检测实验室基础建设、组织结构与人员、仪器设备和设施、检测质量控制、规章制度的一般要求。
本文件适用于食品安全快速检测实验室的建设。
本文件不适用于移动快速检测实验室的建设。
2 规范性引用文件下列文件中的内容通过文中的规范性引用而构成本文件必不可少的条款。
其中,注日期的引用文件,仅该日期对应的版本适用于本文件;不注日期的引用文件,其最新版本(包括所有的修改单)适用于本文件。
GB 8978 污水综合排放标准GB 16297 大气污染物综合排放标准GB 50011 建筑抗震设计规范GB 50016 建筑设计防火规范GB 50189 公共建筑节能设计标准GB 50352 民用建筑设计统一标准3 术语和定义下列术语和定义适用于本文件。
3.1食品安全快速检测food safety rapid determination食品安全各检测主体利用快速检测设施设备,按照市场监管总局或国务院其他有关部门规定的快检方法,对食品(包括食用农产品)中特定物质或指标进行定性定量检测,并在较短时间内显示检测结果的行为。
3.2食品安全快速检测实验室food safety rapid determination laboratory开展食品安全快速检测的固定场所。
4 实验室基础建设要求4.1 选址要求4.1.1 实验室应选择在清洁安静、光线充足、通风良好的场所。
食品检测实验室建设方案根据生产实际需要,一般工厂应该设置细菌与理化检验兼有的结合实验室,主要包括以下三大部分;细菌实验室、理化实验室、办公室。
食品检测实验室规划设计前期,需要考虑实验室的选址通风良好,光线充足。
待加工食品与直接入口食品、原料与成品分不同区域和不同环境存放,确保接收样品储存方便,不受交叉感染。
考虑遇到强酸碱的特殊实验环境,设置特殊的保护措施以及实验室材料,保证人员的安全重要性。
食品检测设计实验分区包括:清洁区,操作区,无菌区,微生物实验区;以及设计流程分布概况:样品室,理化分析室,仪器室,培养基制备室,无菌室,鉴定室,PCR实验流程,洗涤消毒室等等,确保人流,物流,污物流不受交叉感染。
采用先进的设计理念,结合废气、废水、废液、供气、强电、弱电、洁净、空调各专业的合理分布,达到安全,舒适,美观,符合现代感以及对未来适应性强的设计成效。
基础条件:1、实验室应选择清洁安静的场所,远离生活区,锅炉与交通要道;2、实验室应选择在光线充足、通风良好的场所,要与生产加工车间有一定的距离;3、实验室应选择在方便取样和检验,距离车间较近的工作场所。
根据生产实际需要,一般工厂应该设置细菌与理化检验兼有的结合实验室,主要包括以下三大部分;细菌实验室、理化实验室、办公室。
A. 办公室B.理化实验室(或者和细菌操作室合并)理化分析室(兼作感官检验室)仪器室(兼放细菌室显微镜等少量仪器)C.细菌实验室:细菌检验操作室;无菌室;培养基制作室;④洗涤消毒室某食品实验室建设规划布局平面图参考实验室设备及装备配置要求:食品检验检测实验室可根据生产的产品品种、检测项目的多少和生产规模的大小设置,实验室设备及装备的配置也可繁可简。
食品检验可分两项:一是检测产品的品质项目;二是检测产品的卫生项目,这一类项目的检测难度相对大、投资高。
食品检验检测实验室品质项目筹建:品质项目包括水分、含盐量、含糖量、蛋白质含量、脂肪含量、纤维含量、维生素含量、酸度等。
食品安全快速检测实验室建设要求及预算基于农业部《农产品质量安全监督检测实验室建设标准》及有关规定基础上,融入人性化操作的特点及有关仪器操作规范要求,从安全、实用的角度出发,科学合理布置实验操作台及其他设备,达到安全与实用为一体的设计效果。
快速检测实验室每间约20 平方米,含样品处理检验室和计算机工作室。
检验室应根据实际工作需要进行功能分区,包括样品存放区、样品前处理区、样品检验区、试剂耗材存放区、清洗区、废物污物存放区等,并有显著标识。
根据快速检测室操作要求,需完善快速检测室的水电、试剂及样品存放、设备布局、样品消化和通风排气、照明、废弃物处理等配套设施,使实验室达到结构布局合理、基础设施完善、配套设备齐全的要求。
每间实验室配备食品快速检测仪、前处理工具等。
快速检测实验室,应建设在远离粉尘、有害气体、嗓声、振动等地点,电源电压应相对稳定,有配套的上下水、电、通风橱,建议选择通风良好的房间。
实验室内应配备空调、除湿设备,并配有温度湿度计,保证快速检测实验室的温度控制在15-28 度左右,湿度控制在70%以下。
室内照明采用日光灯安全照明即可,平均照度不低于100 勒克斯,室内配备干粉或二氧化硫灭火器,以备电路故障或化学品燃烧引发明火是灭火使用。
所有设备插座均有牢固的地线装置,以防止设备带电导致操作人员触电事故,如有条件,可在地面上铺设绝缘地板。
一、监管所快检室装修规格(预算34700.00元/间)二、监管所快检室配套设施(预算16300.00元/间)空调、除湿设备、温度计、湿度计、干粉或二氧化硫灭火器三、农贸市场快检室装修规格(预算23600.00元/间)四、农贸市场快检室配套设施(预算16300.00元/间)空调、除湿设备、温度计、湿度计、干粉或二氧化硫灭火器五、监管所快检室检测设备配置清单及预算:129600.00元STD-9000便携式食品安全快速检测仪STD-6000手持式超声提取机电子天平HH-1恒温水浴锅样品粉碎机移液器(大、中、小)离心机干燥烘箱恒温采样箱样品前处理配件箱实验室其他器皿试管架六、农贸市场快检室检测设备配置清单及预算:59800.00元STD-7000农贸市场食品安全快速检测仪超声提取机电子天平HH-1恒温水浴锅样品粉碎机移液器(大、中、小)离心机干燥烘箱恒温采样箱样品前处理配件箱实验室其他器皿试管架七、监管所实验室建设预算:188500.00元八、农贸市场实验室建设预算:99700.00元。
食品快速检测实验室
一、硬件建设
食品快速检测实验室成立于2013年6月,是集科研和教学于一体的综合性实验室。
实验室拥有低场核磁共振、光纤光谱仪、电子舌、傅立叶变换近红外仪等食品快速检测设备。
该实验室拥有各类专业技术人员2人,其中高级和中级职称各1人,实验室面积为108m2,设备价值200余万元。
二、人才培养
主要教学对象为食品科学与工程专业、食品质量与安全专业本科学生。
本实验室通过模拟动物的嗅觉、味觉和视觉等感知器官对食品的品质和安全进行快速评估,为学生提供一个对食品快速检测技术认知的实验室。
三、实验教学
该实验室承担的教学任务:(1)食品中功能物质紫外吸收光谱的绘制及定性和定量分析;(2)电子舌评价牛奶品质;(3)光纤光谱法检测面粉中蛋白质变化状况;(4)电子舌检测牛奶品质;(5)荧光法快速检测肉糜抗氧化物质变化;(6)近红外光谱法快速检测牛奶中蛋白质含量;(7)近红外光谱法快速检测牛奶中脂肪含量;(8)低场核磁共振快速检测肉制品水分含量
四、科研服务
实验室致力食品品质快速检测技术、食品营养成分快速分析、食品污染物质快速分析、食品真伪快速检测科学研究。
共承担科研项目8项,其中国家自然科学基金等国家级纵向项目4项,省厅级纵向项目4项。
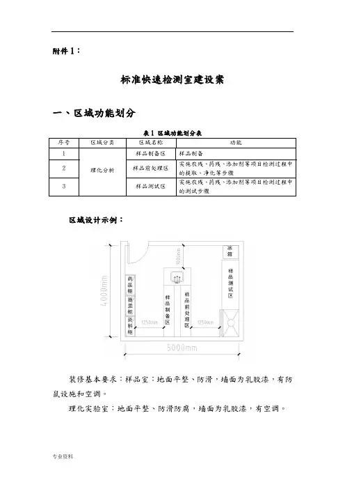
附件1:标准快速检测室建设案一、区域功能划分表1 区域功能划分表序号区域分类区域名称功能1理化分析样品制备区样品制备2 样品前处理区实施农残、药残、添加剂等项目检测过程中的提取、净化等步骤3 样品测试区实施农残、药残、添加剂等项目检测过程中的测试步骤区域设计示例:装修基本要求:样品室:地面平整、防滑,墙面为乳胶漆,有防鼠设施和空调。
理化实验室:地面平整、防滑防腐,墙面为乳胶漆,有空调。
二、快速检测实验室家具配置三、设备选型及配置四、检测项目附件 2:简易快速检测室检测建设案一、区域功能划分二、快速检测实验室家具配置三、设备选型及配置四、检测项目备注:以上快速检测项目供参考,各地可根据实际情况确定检测项目。
食品安全快速检测工作流程(参考)快速检测室管理规定(参考)一、工作人员进入检测室应穿工作服(白色长褂),戴口罩。
实验时要认真负责,格遵守操作规程,实验中不得擅离工作岗位。
二、不得在检测室处理与检测工作无关的业务,不准放置与检测无关的物品,保持室清洁卫生。
三、检测室的仪器设备、试剂、用具等要建帐登记,专人保管,实验用器皿要分类存放,并做好消毒杀菌、无害化处理工作。
四、检测试剂要定位存放,标记清楚,摆放整齐,易燃、易爆、有毒物品要按照有关规定保管执行,受污染和过期失效试剂不得使用。
五、不准由下水道排放引起堵塞的杂物以及能引起污染、腐蚀的废试剂。
六、抽检样品必须是两人以上,按程序抽样,按要求贮存,检测人员抽取样品后,应及时检测和公示。
七、检测工作结束后,工作人员要认真做好记录。
快速检测室工作人员职责(参考)一、负责在完成食品安全监管部门下达检测工作任务的同时,结合本市场或商场实际,拟定季度、全年检测计划,并提交市场监管部门审定。
二、负责保管检测室仪器设备和物品,确保仪器设备安全。
三、格按照食品快速检测规程、规标准使用食品检测设备和进行食品快速检测。
四、对检测质量和结果负责,有权拒绝被检单位(个人)的不合理要求,做到公正检测。
实验室建设方案(食品)一、选址:1. 实验室应选择在清洁安静的场所,远离生活区,锅炉房与交通要道;2. 实验室应选择在光线充足,通风良好的场所,要与生产加工车间有一定距离;3. 实验室应选择在方便扦样与检验,距离车间较近的工作场所。
二、结构和布局:根据生产实际需要,一般工厂应设置细菌与理化检验兼有的综合实验室,主要包括以下三大部分:细菌实验室、理化实验室、办公室。
1. 办公室2. 理化分析实验室:(或者和细菌检验操作室合并)①理化分析室(兼作感观检验室)②仪器室(兼放细菌室显微镜等少量仪器)3.细菌实验室:①细菌检验操作室;②无菌室;③培养基制作室;④洗涤消毒室。
一般布局要求如下:1.办公室:办公室是化验人员进行原始记录等各项工作的场所,是与非化验室人员交往较多的场所,因此,应设在整体综合化验室的最外层,只需有桌、椅等简单设施即可。
2.细菌检验操作室(常规操作)细菌检验操作室是细菌培养与检验主要操作室,主要设施是实验台。
对实验台的要求:a.实验台面积一般不小于2.4×1.3m;b.实验台位置应在实验室中心位置,要有充足光线;也可以做边台。
c.实验台两侧安装小盆与水龙头;d.实验台中间设置试剂架,架上装有日光灯与插座;e.实验台材料要以耐热、耐酸碱为宜。
3.无菌室:无菌室通过空气的净化和空间的消毒为微生物实验提供一个相对无菌的工作环境,无菌室是处理样品和接种培养的主要工作间,应与细菌检验操作室紧密相连。
为满足无菌室无菌要求,无菌间应满足以下布局:a.入口避开走廊,设在细菌检验操作室内;b.与操作室用两道缓冲间隔开;c.无菌室与缓冲间均装有紫外灯,要求每3平米安装30w紫外灯一盏;d.无菌室内设有实验台(中央实验台与边台皆可),紫外灯距实验台面要小于1.5m;e.无菌室与操作室之间设有双层窗构成小通道。
4. 培养基制作室:培养基室是制作、配制微生物培养所需培养基及检验用试剂的场所,其主要设备应为边台与药品柜。
加快建设食品安全检验检测体系实施方案食品安全检验检测体系的建设对于保障国民身体健康、维护广大人民群众的饮食安全具有重要意义。
通过加强食品安全检验检测体系建设,可以提高食品安全管理水平,确保食品安全。
下面是一份关于加快建设食品安全检验检测体系实施方案的草案。
一、总体要求食品安全检验检测体系建设是一个系统性工程,需要多个部门的协调合作。
方案中的各项任务需要各相关单位主动配合,形成合力,确保方案的顺利实施。
二、目标任务1.增强检验检测能力:提高实验室的检测设备和技术水平,提升食品安全检验检测能力。
2.完善监管机制:健全实施食品安全检验检测的机构设置,明确责任分工,建立监管的全过程。
3.加强食品安全信息共享:建立食品安全信息共享平台,加强与相关部门的信息互通。
4.加强食品安全宣传教育:通过多种渠道宣传食品安全知识,提高公众的食品安全意识。
三、具体措施1.增强检验检测能力:(1)改善实验室设施:增加实验室的面积,改善实验室的环境条件,提高实验室的检测效率。
(2)引进先进设备:采购先进的检测设备,提高检测精度和效率。
(3)加强人员培训:组织人员参加培训,提高检测人员的技术水平。
(4)实施质控体系:建立质控体系,确保检测结果的准确性和可靠性。
2.完善监管机制:(1)建立食品安全检验检测的机构设置:明确各级食品安全监管机构的职责,确保监管职能的有效实施。
(2)加强食品安全风险评估:建立食品安全风险评估机制,及时发现食品安全隐患。
(3)建立投诉举报机制:建立食品安全投诉举报受理中心,便于公众举报食品安全问题。
(4)加强对食品生产加工企业的监督检查:加大对食品生产加工企业的监督力度,确保食品安全。
3.加强食品安全信息共享:(1)建立食品安全信息共享平台:各级食品安全监管部门建立信息共享平台,加强与相关部门的信息互通。
(2)加强食品安全信息发布:建立定期发布食品安全信息的制度,及时发布食品安全风险信息,提高公众的知情权。
食品残留农药快速检测实验室建设方案详细1. 背景和目的:随着农药在食品生产中广泛使用,食品中残留的农药问题越来越引起人们的关注。
因此,建设一座高效、快速检测食品残留农药的实验室是非常必要的。
该实验室旨在提供准确、可靠的农药检测结果,确保食品安全,保护消费者的健康。
2. 实验室设备和仪器:为了满足快速、准确进行食品农药残留检测的需求,实验室需要配备必要的设备和仪器,包括但不限于以下内容:- 液相色谱质谱联用仪(LC-MS/MS)- 气相色谱质谱联用仪(GC-MS/MS)- 高效液相色谱仪(HPLC)- 气相色谱仪(GC)- 电化学检测仪器- 紫外可见光谱仪- 样品前处理设备(如萃取仪、浓缩仪等)3. 实验室建设方案:为了确保实验室能够高效运行并满足检测要求,以下是一份详细的实验室建设方案:3.1 实验室布局设计实验室布局设计需要考虑到实验室流程的合理性和实验室安全。
建议按照以下流程将实验室划分为不同的区域:- 样品接收及登记区- 样品前处理区- 分析仪器区- 数据处理及结果记录区- 办公区3.2 环境条件为了保证实验室的准确性和可靠性,实验室应满足以下环境条件:- 温度控制:实验室温度应稳定在20-25摄氏度。
- 湿度控制:实验室湿度应保持在45-55%的范围内。
- 噪音控制:实验室内部应控制噪音的产生,以确保仪器的准确性。
- 无尘环境:实验室应保持清洁、无尘的工作环境,以防止样品污染。
3.3 人员培训和安全为了确保实验室的正常运行和操作的准确性,对实验室人员进行相关培训是非常重要的。
应制定培训计划,培训内容包括但不限于以下方面:- 实验室安全操作规程- 仪器操作和维护- 样品前处理方法- 数据分析和结果解读另外,实验室应制定相关的安全管理制度和应急预案,确保在任何情况下都能及时、有效地处理安全问题。
3.4 质量控制和质量保证为了确保实验室所提供的农药检测结果的准确性和可靠性,应建立严格的质量控制和质量保证体系。
食品快检实施方案为了保障食品安全,加强食品快速检测工作显得尤为重要。
食品快检实施方案是指在食品生产、加工、流通等环节中,通过快速、高效的检测手段,及时准确地对食品进行检测,以确保食品安全的一系列措施和方法。
下面将从食品快检的意义、实施方案的具体内容和实施过程中的注意事项等方面,对食品快检实施方案进行详细介绍。
食品快检的意义。
食品快检是保障食品安全的重要手段。
通过快速检测,可以及时发现食品中的有害物质和微生物,减少食品安全事故的发生,保障人民群众的身体健康。
同时,食品快检还可以提高食品生产企业的生产效率,减少资源浪费,保护环境,促进食品产业的可持续发展。
实施方案的具体内容。
(一)建立健全的食品快检体系。
建立健全的食品快检体系是食品快检实施的基础。
这包括建立食品快检实验室,配备先进的检测设备和仪器,培养专业的检测人员,建立完善的质量管理体系等。
(二)制定科学合理的检测标准。
制定科学合理的检测标准是食品快检实施的关键。
只有建立起严格的检测标准,才能保证检测结果的准确性和可靠性,为食品安全提供有力的保障。
(三)加强食品快检技术研究和创新。
加强食品快检技术研究和创新,是提高食品快检水平的关键。
只有不断引进先进的检测技术和方法,不断进行技术创新,才能适应食品安全形势的发展,提高食品快检的效率和准确性。
(四)加强食品快检人员的培训和管理。
加强食品快检人员的培训和管理,是保证食品快检实施顺利进行的重要保障。
只有培养一支专业的、高素质的食品快检人员队伍,才能保证食品快检工作的顺利进行。
实施过程中的注意事项。
在实施食品快检的过程中,需要注意以下几个方面的问题:(一)严格按照检测标准进行检测,确保检测结果的准确性和可靠性。
(二)加强对食品生产企业的监督和管理,确保食品生产企业严格按照食品安全法律法规进行生产。
(三)加强对食品快检人员的培训和管理,提高他们的专业水平和业务能力。
(四)加强对食品快检设备和仪器的维护和管理,确保设备和仪器的正常运转。
食品检测实验室规划建设方案——SLD中检实验室技术食品行业实验室的工作环境与办公环境不同,食品检测实验室在专业上涉及很多领域。
随着人们文化意识的提高,对食品、饮食等问题越来越重视,健康、科学的食品越来越受人们的关注,食品安全问题也越来越备受关注。
所以,严格控制食品的质量已成为食品加工企业及相关检测机构的重要手段。
食品的理化性能及营养成份分析、细菌含量等等都成为食品行业实验室的重要控制目标。
SLD中检实验室技术认为,在规划过程中坚持“以人为本”,规划设计出一套安全的整体方案,以及功能化的产品,美观实用的家具,是成功建造实验室的前提。
一、食品检测实验室的规划设计要求1、实验台高度要求根据人体力学原理设计:(1)坐式操作实验台高度一般为750~850mm;(2)站式操作高度一般为850~920mm;(3)试剂架高度一般为1200~1650mm;(4)高柜高度一般为1800~2200mm。
2、食品检测实验室的安全通道(1)常规实验室门宽为900~1500mm,并设有安全门;(2)内部操作流程要求顺畅,防止发生危急情况时,出现通道堵塞现象,设计时常用岛型、半岛型、L字型、U字型等实验室布局方案;(3)主通道、两个中央台双面操作,间距大于1500mm,边台单向距离大于1200mm。
排毒柜双面操作距离大于1500mm。
3、食品检测实验室通风系统(1)通风系统管道符合安全要求:工程必须达到化学类实验室安全要求,诸如防腐,防火,防爆,防泄漏,防雷击,保障通风排毒系统在安全状态下运行,安全要求是设计规划工程第一重要因素。
(2)充分实现功能要求:在系统安全的前提下,充分实现通风系统通风换气、排毒的功能,并通过综合降噪,营造相对舒适的实验室工作环境。
(3)符合经济节约原则:在保证系统安全,充分实现系统功能的前提下,通过优化管系,优化风机,达到降低建设成本,节约运行成本的目的。
(4)保证系统技术先进性:通过优化管系和气流组织,充分考虑通风工作面状况、管系组成、消声设施、风机运行和系统控制等综合因素。
食品微生物快速检测实验室建设方案详细1. 引言食品安全是现代社会中一个重要的问题,而微生物污染是导致食品安全问题的主要因素之一。
为了确保食品质量和保护公众健康,建设一个高效的食品微生物快速检测实验室至关重要。
2. 实验室设备和仪器为了进行食品微生物快速检测,实验室应当配备如下的设备和仪器:- 微生物培养室:提供适宜的环境条件,用于培养微生物样品。
- 快速检测设备:使用先进的技术,如PCR仪器,以便快速准确地检测微生物。
- 生物安全柜:提供实验室工作人员和样品的生物安全保护。
- 实验室小型设备:如离心机、高速冷冻离心机等,用于样品处理。
3. 实验室操作流程为了确保食品微生物快速检测的准确性和效率,以下是实验室的操作流程建议:1. 样品采集:从不同食品源收集样品,确保样本的多样性和代表性。
2. 样品预处理:根据不同的检测方法和需求,对样品进行预处理,如提取、过滤等。
3. 微生物培养:根据需要培养微生物,在适宜的培养条件下进行培养。
4. 快速检测:使用快速检测设备,如PCR仪器,进行微生物的快速检测。
5. 数据分析:对检测结果进行数据分析和解读,确定微生物的存在与否及其数量。
6. 报告撰写:根据检测结果撰写食品微生物检测报告,包括检测方法、结果和建议。
4. 实验室管理与质控为了确保实验室的运作和检测结果的可靠性,以下是实验室管理和质控的建议:- 人员培训:对实验室工作人员进行相关培训,包括操作流程、安全知识和质控要求。
- 校准和质控:定期校准实验室设备,并参与外部质量评估,确保实验室的准确性和一致性。
- 样品追踪:建立样品追踪系统,确保样品的溯源和可追溯性。
- 实验室清洁与消毒:定期清洁和消毒实验室,保持良好的实验环境。
5. 结论食品微生物快速检测实验室的建设对于保障食品安全至关重要。
通过合适的设备和仪器、规范的操作流程以及有效的管理与质控措施,可以提高食品微生物检测的效率和可靠性,从而保护公众健康和维护食品行业的信誉。
附件1:
标准快速检测室建设方案
一、区域功能划分
装修基本要求:样品室:地面平整、防滑,墙面为乳胶漆,有防鼠设施和空调。
理化实验室:地面平整、防滑防腐,墙面为乳胶漆,有空调。
二、快速检测实验室家具配置
三、设备选型及配置
四、检测项目
附件 2:
简易快速检测室检测建设方案一、区域功能划分
二、快速检测实验室家具配置
三、设备选型及配置
四、检测项目
备注:以上快速检测项目供参考,各地可根据实际情况确定检测项目。
食品安全快速检测工作流程(参考)
快速检测室管理规定(参考)
一、工作人员进入检测室应穿工作服(白色长褂),戴口罩。
实验时要认真负责,严格遵守操作规程,实验中不得擅离工作岗位。
二、不得在检测室处理与检测工作无关的业务,不准放置与检测无关的物品,保持室内清洁卫生。
三、检测室内的仪器设备、试剂、用具等要建帐登记,专人保管,实验用器皿要分类存放,并做好消毒杀菌、无害化处理工作。
四、检测试剂要定位存放,标记清楚,摆放整齐,易燃、易爆、有毒物品要按照国家有关规定保管执行,受污染和过期失效试剂不得使用。
五、不准由下水道排放引起堵塞的杂物以及能引起污染、腐蚀的废试剂。
六、抽检样品必须是两人以上,按程序抽样,按要求贮存,检测人员抽取样品后,应及时检测和公示。
七、检测工作结束后,工作人员要认真做好记录。