机柜及密闭通道技术规范
- 格式:doc
- 大小:313.50 KB
- 文档页数:13
中国移动浙江公司IDC冷通道封闭综合柜技术规范书中国移动通信集团浙江有限公司二○一五年二月目录1概述 (1)2机柜总体技术要求 (1)35KW综合机柜技术指标及要求 (3)3.1框架及结构要求 (3)3.2电气(PDU)要求 (4)3.3外观和涂覆要求 (7)3.4通风和走线要求 (7)3.5封闭冷通道的要求 (8)3.6环境要求 (10)3.7标识要求 (10)3.8包装、运输、贮存 (10)48KW综合机柜技术指标及要求 (11)4.1框架及结构要求 (11)4.2电气(PDU)要求 (12)4.3外观和涂覆要求 (14)4.4通风和走线要求 (15)4.5封闭冷通道的要求 (15)4.6环境要求 (17)4.7标识要求 (17)4.8包装、运输、贮存 (18)510KW综合机柜技术指标及要求 (18)5.1框架及结构要求 (18)5.2电气(PDU)要求 (19)5.3外观和涂覆要求 (21)5.4通风和走线要求 (22)5.5封闭冷通道的要求 (22)5.6环境要求 (25)5.7标识要求 (25)5.8包装、运输、贮存 (25)6质量保证体系 (26)6.1质量保证体系标准 (26)6.2外配产品的质量保证 (26)7试验和检验 (26)7.1质量抽检 (26)7.2试验方法 (26)7.3出厂检验 (27)1概述1.1本文件为中国移动2015年IDC冷通道封闭综合柜集中采购的技术规范书。
1.2本文件未规定的其他技术要求应不劣于相关的中国国家标准及通信行业标准的要求。
1.3投标方应对本文件所提出的各项条款进行逐条答复、说明和解释,并写出具体技术数据和指标。
首先对实现或满足程度明确做出“满足”、“部分满足”、“不满足”等应答。
对于规范书中要求列举的条款,必须在点对点应答书中进行列举,不得简单答复“满足”等,否则视该条款的应答为“不满足”。
如果回答“部分满足”,需要详细说明哪些部分满足,哪些部分不满足,并说明原因。
中国移动浙江公司IDC冷通道封闭综合柜技术规范书中国移动通信集团浙江有限公司二○一五年二月目录1概述 (1)2机柜总体技术要求 (1)35KW综合机柜技术指标及要求 (3)3.1框架及结构要求 (3)3.2电气(PDU)要求 (4)3.3外观和涂覆要求 (7)3.4通风和走线要求 (7)3.5封闭冷通道的要求 (8)3.6环境要求 (10)3.7标识要求 (10)3.8包装、运输、贮存 (10)48KW综合机柜技术指标及要求 (11)4.1框架及结构要求 (11)4.2电气(PDU)要求 (12)4.3外观和涂覆要求 (14)4.4通风和走线要求 (15)4.5封闭冷通道的要求 (15)4.6环境要求 (17)4.7标识要求 (18)4.8包装、运输、贮存 (18)510KW综合机柜技术指标及要求 (18)5.1框架及结构要求 (18)5.2电气(PDU)要求 (19)5.3外观和涂覆要求 (21)5.4通风和走线要求 (22)5.5封闭冷通道的要求 (22)5.6环境要求 (25)5.7标识要求 (25)5.8包装、运输、贮存 (25)6质量保证体系 (26)6.1质量保证体系标准 (26)6.2外配产品的质量保证 (26)7试验和检验 (26)7.1质量抽检 (26)7.2试验方法 (26)7.3出厂检验 (27)1概述1.1本文件为中国移动2015年IDC冷通道封闭综合柜集中采购的技术规范书。
1.2本文件未规定的其他技术要求应不劣于相关的中国国家标准及通信行业标准的要求。
1.3投标方应对本文件所提出的各项条款进行逐条答复、说明和解释,并写出具体技术数据和指标。
首先对实现或满足程度明确做出“满足”、“部分满足”、“不满足”等应答。
对于规范书中要求列举的条款,必须在点对点应答书中进行列举,不得简单答复“满足”等,否则视该条款的应答为“不满足”。
如果回答“部分满足”,需要详细说明哪些部分满足,哪些部分不满足,并说明原因。
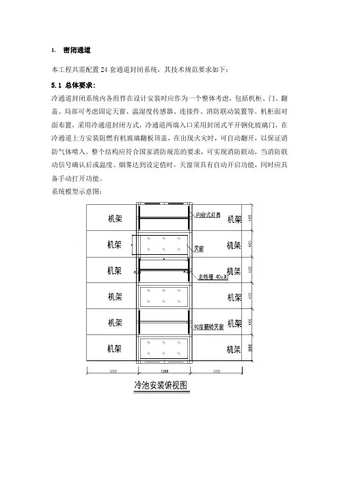
1.密闭通道本工程共需配置24套通道封闭系统,其技术规范要求如下:5.1 总体要求:冷通道封闭系统内各组件在设计安装时应作为一个整体考虑,包括机柜、门、翻盖、局部可考虑固定天窗、温湿度传感器、连接件、消防联动装置等。
机柜面对面布置,采用冷通道封闭方式,冷通道两端入口采用封闭式平开钢化玻璃门,在冷通道上方安装阻燃有机玻璃翻板顶盖,在出现火灾时,可自动翻开,以保证消防气体喷入。
整个结构应符合国家消防规范的要求,可实现消防联动,当消防联动信号确认后或温度、烟雾达到设定值时,天窗须具有自动开启功能,同时应具备手动打开功能。
系统模型示意图:5.2 技术要求:冷通道密闭系统应以机柜为单元模块式设计,安装机柜正面的顶部,每个单元均能独立安装,并能与相邻的单元连接。
通道支撑板需与机柜水平支架连接稳固,同时具有按需扩展的功能。
冷通道机房两侧门为平开门,设计为常闭状态,应安装自动闭门装置。
门均制有缓冲密闭装置,提供较好防护,门与机架的密合度要求严密。
通道门可采用视窗结构,门框采用高强度A级优质碳素冷轧钢板或铝型材,厚度为1.0~2.0mm,内部使用不小于5MM钢化玻璃, 门两侧及底部配有密封材料,钢化玻璃面积达到80%以上,透光率应大于90%,主体颜色采用深黑色(与机柜一致),表面为亚光颜色,自动门尺宽度不短于1200mm,高度不低于2200mm。
在正常状态下,翻板顶盖由通电的磁铁吸合,顶部密封不透气,翻板顶盖需配密封胶圈,当一旦发生火警或当温度或者烟雾达到设定值时,阻燃有机玻璃天窗在可自动打开,开启面积可以达到整个冷通道面积的60%,为消防气体进入冷通道提供通路,满足气体灭火要求,从而实现火灾情况下的自动开启,完成消防联动控制。
按冷通道尺寸及机架尺寸规格确定天窗模块尺寸,天窗顶板距机柜高200mm,旋转天窗开启后下沿距地距离不应小于2000mm,可以完全杜绝在意外事件时,阻燃有机玻璃天窗在进入消防联动状态时可能对机房工作人员造成的伤害。
机柜及密闭通道技术规范目录1、总则 (4)2、基础服务器机柜 (5)2.1总体要求: (5)2.2★尺寸: (5)2.3颜色: (5)2.4机柜板材: (5)2.5★机柜表面处理: (5)2.6★机柜承重: (6)2.7机柜侧板: (6)2.8机柜前门: (6)2.9机柜后门: (6)2.10方孔条(导轨固定及承重的立柱)/ 立柱: (6)2.11机柜固定: (7)2.12机柜顶盖: (7)2.13机柜底盖: (7)2.14机柜接地: (7)2.15机柜理线装置: (7)2.16盲板: (7)2.17L型支架: (7)2.18★PDU: (8)2.19与通道封闭的配合: (8)2.20横梁: (8)ODF机柜 (8)密闭通道 (9)5.1 总体要求: (9)5.2 技术要求: (11)5.3表面喷涂要求: (11)5.4消防控制要求: (12)5.5 环境监测要求: (12)5.6接地要求: (12)5.7其他要求: (12)1、总则1)本技术规范书用于规定机柜及密闭通道采购和安装工程的技术要求。
2)本技术规范提出的是最低限度的技术要求,并未对一切技术细节作出规定,也未充分引述有关标准和规范的条文,投标人应保证提供符合本技术规范和工业标准的优质产品和服务。
3)投标人应对本技术规范中所列明的各项内容和要求逐项作出明确的响应。
如投标产品的技术性能指标优于本技术规范所提出的要求,应在投标文件中作出明确说明。
4)如果投标人没有以书面形式对本技术规范的条文提出异议,则意味着投标人提供的产品和服务完全符合本技术规范的要求。
投标人如对本技术规范有异议,应在其投标文件中以“技术规范偏离/响应表”的方式加以详细描述说明。
5)投标人提供的技术文件中应包括由制造商印制的投标产品的样本,如投标文件的内容与样本不一致,以样本为准。
6)本技术规范所使用的标准如遇与投标人所执行的标准发生矛盾时应按水平较高的标准执行。
7)投标人提供的一切资料均应以中文为准,如果因为语言误差造成的损失由投标人负责。
密封冷通道系统技术手册上海长跃通信技术有限公司目次目次 (I)密封冷通道技术手册 (1)1 概述…………………………………………………………………………………………………………………….。
12 注意事项 (2)2.1声明 (2)2。
2设备使用规定 (2)2.3预期的不正当使用 (2)2。
4事故预防 (3)2。
5运输、存储、拆包 (3)2。
6外观 (3)3 冷通道 (3)3。
1冷通道的应用 (3)3。
2冷通道的排布 (3)3.3冷通道的组成 (4)3。
4关于取消机柜前门 (4)4 机柜 (4)4.1机柜概述 (4)4.2框架 (4)4.3安装梁 (5)4.4方孔条 (5)4。
5前后门 (5)4。
6挡风板…………………………………………………………………………………………………………。
64。
7假面板…………………………………………………………………………………………………………。
64.8并柜侧门………………………………………………………………………………………………………。
65 通道门 (7)5.1通道门总概述 (7)5.2自动门,如图23 所示为自动门效果图.…………………………………………………………………。
.75。
3手动转轴对开门(门外形如图32 所示)。
(8)6 顶盖(含天窗) (9)6。
1顶盖(含天窗)安装。
……………………………………………………………………………………….。
96。
2顶盖……………………………………………………………………………………………………………。
96。
3天窗 (9)7 冷通道内的摄像头、烟雾感器、温度传感器安装 (10)8 桥架 (10)8.1简易桥架...................................................................。
(10)8.2冷通道机柜顶上加装简易式桥架,如图43 所示 (10)9 特殊的安装环境 (10)9。
XXX项目机柜和通道技术规范书(根据实际项目做修改)ﻬ发客户前,请删除该页变更记录1目录 (2)2前言 ........................................................................................................................................... 43机柜技术规范 ........................................................................................................................... 53.1 机柜整体要求ﻩ53.2机柜外观要求ﻩ63.3 机柜运行环境要求ﻩ93.4 机柜附件ﻩ93.4.1 线缆管理ﻩ错误!未定义书签。
3.4.2 设备安装 (11)3.4.3 气流管理 ....................................................................................................................................... 123.4.4 机柜底座ﻩ错误!未定义书签。
3.4.5机柜PDUﻩ134通道技术规范ﻩ164.1通道整体要求 (16)4.2通道结构要求............................................................................................................ 错误!未定义书签。
4.2.2天窗 ............................................................................................................................................... 174.2.3端门 (18)4.2.4走线槽 .................................................................................................................. 错误!未定义书签。
一、结构要求:1.为满足各种设备的安装要求,提高集装架空间的利用率,要求机房内统一采用19英寸标准架。
2.网络柜应采用柜式结构,前、后采用钢门,前门为单扇门,后面为双扇门,门上应有通风孔。
为保证设备良好散热,前后门应保证50%以上的通透率。
通透率=(前后门网孔面积/前后门整体面积)x 100%3.网络柜应采用框架设计,底座四角应有加固钢板,机架侧面应有足够的加固横梁。
4.网络柜侧板可拆卸,方便设备并机。
5.网络柜顶部设四个轴流风机,采用交流220V电源,用空气开关控制。
风扇:要求质量可靠,带风扇保护罩,带风扇开关。
网络机柜噪声测试需严格依据国际标准中的规定和GB6882-86标准中关于机器噪声声功率测量方法有以下几个:ISO3741,声学—噪声源声功率级的测定—混响室内宽频带声源的精密方法。
ISO3744,声学—噪声源的声功率测定—反射平面上自由场条件的工程方法。
GB6882-86,声学噪声源生功率级的测定消声室和半消声室对于不同的测量要求,测量环境,噪声特性等因素来测量,对于网络机柜的噪声测量方法是ISO3741和ISO3744。
网络机柜到货后将进行风扇噪声的检测。
6.网络柜内应装有配电单元,配电单元采用交流220V电源,并分主、备路输出,每一路输出采用独立空气开关控制操作。
空气开关要求:i.为保证设备可靠工作,可独立更换每个空气开关,即更换一个空气开关时,连接其他空气开关的设备无需断电;ii.断路器电气性能要求:a)小型断路器应符合标准GB10963.1-2005、应符合标准IEC60898-1;b)塑壳断路器应符合国际标准IEC60947-1:总则;IEC60947-2:断路器;IEC60947-3:负荷开关c)断路器产品应通过CCC产品认证;d)断路器额定电压(V):230/400;e)小型断路器额定绝缘电压(V):Ui≥400;f)小型断路器最大工作电压(V):Umax≥440;g)小型断路器额定绝缘电压不宜小于500V;h)额定工作频率(Hz):50/60;i)小型断路器额定短路能力应符合GB10963.1-2005标准;j)小型断路器额定短路能力:Icn≥4kAk)额定冲击耐受电压(kV)应符合GB10963.1-2005标准中相关项目;l)小型断路器机械寿命不应小于20000次;m)小型断路器电气寿命不应小于10000次;n)小型断路器防护等级:小型断路器本体应达到IP20安装于网络柜内应达到IP40;iii.数量规格:10个*2路、16个*2路、8个*3路三种规格(不含风扇空气开关),并可根据项目需求灵活调整。
定制网络机柜冷通道封闭系统技术规范冷通道机房两侧为手动推拉,在冷通道进门地面上不得有门框、导轨等阻碍设备运输车辆进出的设施。
1)应采用与机房消防系统联合动作的方式解决冷通道内消防要求问题。
冷通道顶部应具备消防联动自动翻开顶盖功能,工作方式:在正常状态下,翻板顶盖由通电的磁铁吸合,翻板面处于与走道平行达到密封效果,当一旦发生火警,在消防系统启动之前,翻板顶盖的电磁铁断电并脱扣,翻板顶盖由于重力的作用迅速打开,保证消防系统启动后灭火气体由翻板顶盖处进入封闭的冷通道空间内。
2)冷通道消防天窗框架采用为保证通道内透光性,玻璃面积应不小于天窗的70%,顶盖尺寸600MM*1200MM,顶盖框架采用专业磁力吸锁,锁吸板采用蓝锌电镀处理,防残磁设计,锁芯双绝缘处理。
(如能设计如火警时天窗能自动打开,当恢复通电时自动闭合),每个天窗位左右两边各安装一支LED灯,每五个天窗安装烟感。
3)冷通道要求密封性能达到IP30,符合消防规范。
(此图只作功能参考,不作为产品标准样式.)冷通道图例说明:○1冷通道活动门(采用平开门或推拉门)、○2自重式翻转活动天窗、○3冷通道顶盖、○4、活动门吊槽、○5机柜、○6600x600mm全钢抗静电活动地板、○7冷气送风位4)材料要求5.1)钢板材料采用优质冷轧钢板,所有承重零组件材料厚度:≥2.0mm,其他材料厚度:≥1.5mm。
5.2)活动天窗材料采用5mm覆膜钢化玻璃,材料应符合GB 15763.2 -2005《建筑用安全玻璃》标准增加玻璃强度及玻璃粉碎从而造成对数据机房及维护人员的影响。
5.3)冷通道结构应牢固,各装配件为标准式,能互换性使用,紧固件无松动,外露和操作部位的零件无锐棱毛刺。
5.4)表面质量:涂覆层应表面光洁、色泽均匀、无流挂、无露底;金属件无锈蚀。
5.5)龙骨及板材颜色、质感与机柜一致,。
目录1 总则 (2)2 引用规范 (2)3 总体要求 (2)4 环境要求 (3)5 冷通道密闭系统基本技术要求 (3)5.1外观与结构 (3)5.2材料要求 (5)5.3表面质量要求 (5)5.4电气防护性能 (6)5.5冷通道密闭组件抗震强度 (6)5.6冷通道密闭系统功能要求 (6)6 冷通道密闭组件主要技术性能参数 (8)6.1通道活动门 (8)6.2天窗 (8)6.3天窗电控组件 (10)6.4骨架 (10)6.5节能照明装置 (11)6.6环境信息采集组件 (11)6.7中央控制单元 (12)6.8冷通道供电 (13)7 货物需求一览表................................................................................................ 错误!未定义书签。
8 场地布局图 (14)9 技术文件 (15)10 工厂监制、检验 (15)1 总则本规范主要针对广州电信沙溪IDC项目冷通道系统与机架相关部分的规划、设计,数据中心机房的扩建或改建也可参照此规范执行。
广州电信沙溪IDC项目冷通道密闭系统在“满足现在、适应未来”的总体建设策略上,其设计、建设坚持先进性、高可靠性、高安全性、可持续发展性、易管理维护性、开放性、实用性和舒适性的原则,以最终实现运营一个高能效、低能耗的绿色数据中心。
冷通道密闭系统的设计、安装必须符合国家技术政策及现行相关消防、安全、抗震、环保节能等标准规定。
2 引用规范✓GB 50174-93 《电子计算机机房设计规范》✓中国电信[2005]741号《关于发布中国电信数据中心机房电源、空调、环境设计规范(暂行)》中国电信集团公司文件;✓中国电信[2005]741号《关于发布中国电信数据中心机房电源、空调、环境验收规范(暂行)》中国电信集团公司文件;✓中国电信[2005]658 号《关于印发中国电信IDC 产品规范(试行)的通知》。
中国移动浙江公司IDC冷通道封闭综合柜技术规范书中国移动通信集团浙江有限公司二○一五年二月目录1概述 (1)2机柜总体技术要求 (1)35KW综合机柜技术指标及要求 (3)3.1框架及结构要求 (3)3.2电气(PDU)要求 (4)3.3外观和涂覆要求 (6)3.4通风和走线要求 (7)3.5封闭冷通道的要求 (7)3.6环境要求 (9)3.7标识要求 (9)3.8包装、运输、贮存 (9)48KW综合机柜技术指标及要求 (10)4.1框架及结构要求 (10)4.2电气(PDU)要求 (11)4.3外观和涂覆要求 (13)4.4通风和走线要求 (14)4.5封闭冷通道的要求 (14)4.6环境要求 (16)4.7标识要求 (16)4.8包装、运输、贮存 (16)510KW综合机柜技术指标及要求 (17)5.1框架及结构要求 (17)5.2电气(PDU)要求 (18)5.3外观和涂覆要求 (20)5.4通风和走线要求 (20)5.5封闭冷通道的要求 (21)5.6环境要求 (23)5.7标识要求 (23)5.8包装、运输、贮存 (23)6质量保证体系 (23)6.1质量保证体系标准 (23)6.2外配产品的质量保证 (24)7试验和检验 (24)7.1质量抽检 (24)7.2试验方法 (24)7.3出厂检验 (24)1概述1.1本文件为中国移动2019年IDC冷通道封闭综合柜集中采购的技术规范书。
1.2本文件未规定的其他技术要求应不劣于相关的中国国家标准及通信行业标准的要求。
1.3投标方应对本文件所提出的各项条款进行逐条答复、说明和解释,并写出具体技术数据和指标。
首先对实现或满足程度明确做出“满足”、“部分满足”、“不满足”等应答。
对于规范书中要求列举的条款,必须在点对点应答书中进行列举,不得简单答复“满足”等,否则视该条款的应答为“不满足”。
如果回答“部分满足”,需要详细说明哪些部分满足,哪些部分不满足,并说明原因。
目录1 总则 (2)2 引用规范 (2)3 总体要求 (2)4 环境要求 (3)5 冷通道密闭系统基本技术要求 (3)5.1外观与结构 (3)5.2材料要求 (5)5.3表面质量要求 (5)5.4电气防护性能 (6)5.5冷通道密闭组件抗震强度 (6)5.6冷通道密闭系统功能要求 (6)6 冷通道密闭组件主要技术性能参数 (8)6.1通道活动门 (8)6.2天窗 (8)6.3天窗电控组件 (10)6.4骨架 (10)6.5节能照明装置 (11)6.6环境信息采集组件 (11)6.7中央控制单元 (12)6.8冷通道供电 (13)7 货物需求一览表................................................................................................ 错误!未定义书签。
8 场地布局图 (14)9 技术文件 (15)10 工厂监制、检验 (15)1 总则本规范主要针对广州电信沙溪IDC项目冷通道系统与机架相关部分的规划、设计,数据中心机房的扩建或改建也可参照此规范执行。
广州电信沙溪IDC项目冷通道密闭系统在“满足现在、适应未来”的总体建设策略上,其设计、建设坚持先进性、高可靠性、高安全性、可持续发展性、易管理维护性、开放性、实用性和舒适性的原则,以最终实现运营一个高能效、低能耗的绿色数据中心。
冷通道密闭系统的设计、安装必须符合国家技术政策及现行相关消防、安全、抗震、环保节能等标准规定。
2 引用规范✓GB 50174-93 《电子计算机机房设计规范》✓中国电信[2005]741号《关于发布中国电信数据中心机房电源、空调、环境设计规范(暂行)》中国电信集团公司文件;✓中国电信[2005]741号《关于发布中国电信数据中心机房电源、空调、环境验收规范(暂行)》中国电信集团公司文件;✓中国电信[2005]658 号《关于印发中国电信IDC 产品规范(试行)的通知》。
江苏省广电有线信息网络股份有限公司苏州分公司传输中心机房工程集成化机柜技术规范书二○一七年六月目录1.概述 (1)1.1.定义 (1)1.2.必须满足的技术标准/规范 (3)1.3.名词和术语 (4)2.工程建设背景及采购需求 (5)2.1. 工程建设背景 (5)2.2. 采购需求一览表 (5)3.机柜主要技术要求 (8)3.1.使用环境要求 (8)3.2.主要技术性能 (9)3.2.1 机柜外观要求 (9)3.2.2 机柜尺寸、结构及配置要求 (9)3.2.3 机柜内气流组织要求 (13)3.2.4 机柜配电要求 (14)3.2.5 电量监测与告警装置 (17)3.2.6 安全防护性能 (17)4.密闭通道结构主要技术要求 (18)4.1. 密闭通道结构部件功能 (18)4.2. 冷通道控制、联动功能 (20)4.3. 外观要求 (20)4.4. 其它技术要求 (20)5.技术服务要求 (20)5.1.标志、包装、运输、贮存 (20)5.2设备检验 (21)5.2.1.出厂检验 (21)5.2.2.供货 (22)5.2.3.到货检验 (23)5.2.4.到货抽检 (23)5.3.工程服务方式 (25)5.3.1.交钥匙服务 (25)5.3.1.1分工界面 (25)5.3.1.2工程服务要求 (26)5.4.设备验收 (26)5.4.1初验 (26)5.4.2.试运行 (27)5.4.3.终验 (27)5.5.保修 (28)5.5.1.保修期 (28)5.5.2.故障件修理 (28)5.5.3.故障响应及技术支持服务 (28)5.5.4.备件供应 (31)5.5.5.技术文件 (31)5.5.6.特殊情况下的服务 (32)5.5.7.电子文档提供服务 (32)5.5.8.资料共享 (32)5.6.技术培训 (32)5.6.1.现场培训 (32)5.6.2.其它培训 (32)5.7.其它服务要求 (33)6.技术建议书 (34)6.1.说明 (34)7. 附件 (34)1. 概述1.1. 定义1.本文件为江苏有线苏州分公司(以下称甲方)为苏州有线传输中心机房采购机柜相关内容的工程技术规范书。
中国移动浙江公司IDC冷通道封闭综合柜技术规范书中国移动通信集团浙江有限公司二○一五年二月目录1概述 (1)2机柜总体技术要求 (1)35KW综合机柜技术指标及要求 (3)3.1框架及结构要求 (3)3.2电气(PDU)要求 (4)3.3外观和涂覆要求 (7)3.4通风和走线要求 (7)3.5封闭冷通道的要求 (8)3.6环境要求 (10)3.7标识要求 (10)3.8包装、运输、贮存 (10)48KW综合机柜技术指标及要求 (11)4.1框架及结构要求 (11)4.2电气(PDU)要求 (12)4.3外观和涂覆要求 (14)4.4通风和走线要求 (15)4.5封闭冷通道的要求 (15)4.6环境要求 (17)4.7标识要求 (17)4.8包装、运输、贮存 (18)510KW综合机柜技术指标及要求 (18)5.1框架及结构要求 (18)5.2电气(PDU)要求 (19)5.3外观和涂覆要求 (21)5.4通风和走线要求 (22)5.5封闭冷通道的要求 (22)5.6环境要求 (25)5.7标识要求 (25)5.8包装、运输、贮存 (25)6质量保证体系 (26)6.1质量保证体系标准 (26)6.2外配产品的质量保证 (26)7试验和检验 (26)7.1质量抽检 (26)7.2试验方法 (26)7.3出厂检验 (27)1概述1.1本文件为中国移动2015年IDC冷通道封闭综合柜集中采购的技术规范书。
1.2本文件未规定的其他技术要求应不劣于相关的中国国家标准及通信行业标准的要求。
1.3投标方应对本文件所提出的各项条款进行逐条答复、说明和解释,并写出具体技术数据和指标。
首先对实现或满足程度明确做出“满足”、“部分满足”、“不满足”等应答。
对于规范书中要求列举的条款,必须在点对点应答书中进行列举,不得简单答复“满足”等,否则视该条款的应答为“不满足”。
如果回答“部分满足”,需要详细说明哪些部分满足,哪些部分不满足,并说明原因。
密封冷通道系统技术手册上海长跃通信技术有限公司目次密封冷通道技术手册1 概述通过对机房气流进行控制(如图2、图3所示)来节省制冷能耗和提高服务器运行可靠性已是数据中心机房建设者的共识;冷热通道隔离方法、机柜内使用挡风板和假面板防止热空气无限制流窜等等也已是成熟的简单技术。
(图1所示为一般机房的机柜布置,远离主机房空调的机柜内设备无法得到有效的散热,机柜内设备处于高温环境下运行,要想使远离主机房空调的机柜内设备得到有效散热,要么增加辅助空调,要么再降低主机房空调的冷气温度,都将大大地增加能耗。
)图1 传统机房内的气流图图2 冷通道机房内的气流图-1图3 冷通道机房内的气流图-2当今,数据中心的规模越来越大,基础设施的投入也越来越多,但我们看到,大量的数据中心在设计时,默认机柜的标准高度为2米高、42U的容量,极少有考虑再挖掘机房的空间资源来提高机房的IT安装密度。
经过分析,推荐用2米6高度、56U容量的机柜来组成数据中心冷通道封闭系统,使用2米6高度的冷通道封闭系统具备以下优点:1、同样IT装机容量下,机房面积可以减少33.3%。
这对于一个中大型数据中心来说可以节省几千万到上亿之巨的基础设施投资;或在现有的机房中提高IT设备容量33.3%而不需要支出额外的基础设施建设开支。
即:2000mm高的机柜的装机容量为42U,2600mm高机柜的装机容量为56U(如图4),在两种不同高度机柜的宽度和深度尺寸一样时,两种机柜相比,56U机柜比42U机柜的装机容量增加了:(56-42)/42*100%=33.3%,即每台机柜增加了33.3%的容量,在同样的IT装机容量时,选用56U机柜的用量比选用42U机柜的用量减少了33.3%,即占用机房的面积减少了33.3%。
图4 2000mm高42U与2600mm高56U高机柜比较图2、可以提高建筑面积IT设备密度达33.3%,而冷通道机柜内空间体积IT设备密度并没有增加。
机柜及通道封闭系统目录1系统概述 (3)2机柜选型及布置 (3)2.1机柜设计 (3)2.2.机柜布置 (3)2.3机柜选型要求 (3)3通道封闭 (5)3.1通道封闭概述 (5)通道封闭方式选择 (7)3.3通道封闭特点 (8)通道封闭组成 (10)4联动与控制 (12)1系统概述机柜和机架用于安装服务器、存储设备、网络设备、布线设备等IT设备,承担了数据中心中设备的物理承载,它是数据中心的重要组成部分之一;为IT 设备提供电力、冷却、安装空间、智能管理以及综合布线接口,解决数据中心应用中的高密度散热、大量线缆敷设和管理、大容量供配电以及全面兼容不同厂家机架式设备的安装,从而使数据中心能够在高稳定性的环境下运行。
机柜一般采用冷轧钢板或合金制作,可提供对存放设备的保护,屏蔽电磁干扰,整齐有序的排列设备,方便设备维护管理,还具有坚固、美观、功能性强的的特性。
2机柜选型及布置2.1机柜设计机柜系统一般分为2个功能区,一个为计算和存储区,另外一个为网络和布线区。
前者为机房机柜系统最重要的部分,以服务器机柜为主,也包括设备自带机柜,如小型机、存储设备;后者为机房的交通枢纽,以网络机柜为主,包括核心配线柜、列头柜等。
2.2.机柜布置本期机柜包括服务器机柜,网络机柜等。
机柜采用面对面布置方式,间距不小于1.2米;同时成行排列的机柜其长度超过6米,未超过15米,两端设有出口通道,出口通道宽度大于等于1米,另外设备搬运通道净宽大于等于1.5米;完全符合GB50174-2017数据中心设计规范的相关要求。
2.3机柜选型要求所有机柜(含强电列头柜)颜色为统一颜色,没有明显色差,并按业主要求印制LOGO或制作永久标牌。
⏹弱电列头柜机柜宽度为800mm宽(含垂直理线部分),服务器机柜宽度为600mm宽。
服务器机柜深度为1200mm;网络机柜深度为1200mm。
所有机柜的高度为42U高。
⏹机柜承重:静载不小于1500KG。
1.2.9.1冷通道封闭施工要点硬件安装流程:安装准备—安装底座—安装机柜—安装密闭通道组件—安装rpdu—安装检查—结束机柜安装流程:摆放机柜—调平机柜—固定机柜—机柜并柜—结束机柜安装机柜调平后的高度测量应以防静电地板为基准,要求机柜顶面到防静电地板上表面高度为2200±1mm,不可将2200mm误认为是机柜顶面到底座上表面的高度,应以防静电地板上表面为基准测量,防静电地板上表面和底座上表面的高度差为零最佳,若有高度差,其绝对值不大于2mm。
以机柜侧梁为测量基准,列头与列尾机柜的外侧应保证同面,误差≤2mm。
两排机柜间距离为1200mm,重点检查列头或列尾的两个机柜之间的距离。
机柜放置位置应严格与机房布局图相符;所有螺栓都要拧紧(尤其要注意电气连接部分),平垫、弹垫要齐全,且不能装反。
机柜清洁干净,及时清理灰尘、污物。
机柜保持清洁,并且满足防尘要求。
柜门开闭灵活,门锁正常。
各种标识正确、清晰、齐全。
双排密封冷通道安装安装天窗,本次项目天窗有控制天窗、300mm、600mm平顶天窗和旋转天窗。
首先检查通道宽度,通道宽度要求尺寸为1200mm,固定天窗连接板与机柜,使用M6螺栓、螺母固定相邻天窗连接板,使用相同方法依次完成其他天窗连接板的安装。
安装控制天窗,首先将安装完监控部件的控制天窗抬到天窗顶部,过线孔橡胶塞朝向通道外侧,并使用M4螺栓将控制天窗固定在天窗连接板上。
在翻转天窗位置安装电吸锁吸铁,作为翻转天窗。
安装控制天窗档边,关窗注意事项:正常关窗方法,人站在台阶上或人字梯上,手扶天窗,缓慢闭合天窗,可保证天窗电磁锁能正常吸合。
非正常关窗,大力向上推天窗。
非正常关窗后果,电磁锁无法正常吸合,天窗被反弹回来。
可能导致相邻天窗电磁锁吸合解释,相邻天窗非正常开启。
避免使用尖锐金属杆顶天窗,否则产生如下后果,划伤天窗表面喷涂层。
可能导致钢化玻璃破裂。
机柜及密闭通道技术规范目录1、总则 (4)2、基础服务器机柜 (5)2.1总体要求: (5)2.2★尺寸: (5)2.3颜色: (5)2.4机柜板材: (5)2.5★机柜表面处理: (5)2.6★机柜承重: (6)2.7机柜侧板: (6)2.8机柜前门: (6)2.9机柜后门: (6)2.10方孔条(导轨固定及承重的立柱)/ 立柱: (6)2.11机柜固定: (7)2.12机柜顶盖: (7)2.13机柜底盖: (7)2.14机柜接地: (7)2.15机柜理线装置: (7)2.16盲板: (7)2.17L型支架: (8)第2页共13页2.18★PDU: (8)2.19与通道封闭的配合: (8)2.20横梁: (8)ODF机柜 (9)密闭通道 (9)总体要求: (9)技术要求: (11)表面喷涂要求: (12)消防控制要求: (12)环境监测要求: (12)接地要求: (12)其他要求: (12)1、总则1)本技术规范书用于规定机柜及密闭通道采购和安装工程的技术要求。
2)本技术规范提出的是最低限度的技术要求,并未对一切技术细节作出规定,也未充分引述有关标准和规范的条文,投标人应保证提供符合本技术规范和工业标准的优质产品和服务。
3)投标人应对本技术规范中所列明的各项内容和要求逐项作出明确的响应。
如投标产品的技术性能指标优于本技术规范所提出的要求,应在投标文件中作出明确说明。
4)如果投标人没有以书面形式对本技术规范的条文提出异议,则意味着投标人提供的产品和服务完全符合本技术规范的要求。
投标人如对本技术规范有异议,应在其投标文件中以“技术规范偏离/响应表”的方式加以详细描述说明。
5)投标人提供的技术文件中应包括由制造商印制的投标产品的样本,如投标文件的内容与样本不一致,以样本为准。
6)本技术规范所使用的标准如遇与投标人所执行的标准发生矛盾时应按水平较高的标准执行。
7)投标人提供的一切资料均应以中文为准,如果因为语言误差造成的损失由投标人负责。
8)本技术规范中标有“★”的条款为主要技术要求,如果投标人所提供的产品不符合这类要求,在评标时将作废标处理。
9)所提供设备保修期为 2年。
2、基础服务器机柜2.1总体要求:工艺先进,尺寸准确,机柜安装角规符合ANSI/EIA R-310-D DIN41491;PART1、IEC297-2、DIN41494;DART7 GB/T3047-92 标准,兼容19英寸国际标准, EISI 标准。
所采用的材料、紧固件、密封件,其机械、化学、电气性能以及各种性能的检测方式均应符合中国国家标准、通信行业标准及IEC的有关标准。
机柜厂家需要通过机柜企业标准认证及质量体系ISO9001认证(需提供证书)。
机柜并放时满足图纸要求,且机柜间隙小于1.5mm。
2.2★尺寸:600mm ×1200mm×2200mm,柜内有效安装高度至少为46U,从下到上为1U到46U。
2.3颜色:颜色为黑色或其它(由业主选定),亚光,机房灯光下无晕眩感。
2.4机柜板材:采用优质A级优质碳素冷轧钢板和镀锌板制作,能满足ROHS要求,可以提供相关报告,内部材料防火性能应符合UL标准,可提供测试报告。
机柜主要承重部件(框架、横梁、立柱、U位方孔条)所使用钢板厚度要求≥,顶板、底板等非主要承重部件所使用钢板厚度要求, 前后网孔门、侧门板不承重部件所使用钢板厚度要求≥,盲板宜采用塑料材料,方便拆除及更换,。
2.5★机柜表面处理:机架表面要求进行脱脂、酸洗、防锈磷化、纯水清洗、静电喷塑等处理,不脱漆、耐酸碱、耐溶剂、耐腐蚀、耐指纹不受手汗影响、附着力应100%附着、抗冲击,安全防护达到IP20标准;表层外观应表面光洁、色泽均匀、无露底、无流积、无起泡、无裂纹、无桔皮、金属件无毛刺和锈蚀、防静电;机柜表面平整度在1㎡面积内不能超过1mm。
焊缝应整齐均匀,不允许有裂缝、咬边、豁口,烧穿等缺陷,焊缝外表物夹渣、气孔、焊瘤,凹坑等缺陷,焊后应该进行打磨,表面粗糙度应符合行业相关标准。
各项指标(包含但不限定于上述)均需符合国家相关标准。
相关证明在交货时一并提供。
外部件表面喷涂必须达到国家无毒无害的喷涂标准。
2.6★机柜承重:静态承重(不含机柜自身重量)≥1100kg,移动承重(不含机柜自身重量)≥500Kg。
2.7机柜侧板:可快速拆卸,方便设备安装。
每个机柜配置单侧板,安装后应平滑无突起部件,无透光缝隙,应有防止凹陷变形的横梁。
采用专用的机柜并柜连接件,并柜点设置在机柜立柱上,可支持无需拆卸机柜门的情况下实现机柜快速并柜功能,节省人力成本,快速部署,2.8机柜前门:单开通风网孔门,通孔率大于70%(通孔率定义为:孔的总面积与整扇门的面积之比),开启度(并柜)≥120°,要求带两点式门锁,门锁要求方便灵活,便于开关。
门边与框架接触位置应配有发泡胶式减震条,安装后,无倾斜、凹陷、凸起或局部歪、扭现象存在。
2.9机柜后门:机柜后门要求为双开通风网孔门,通孔率大于70%(通孔率定义为:孔的总面积与整扇门的面积之比),开启度(并柜)≥120°,要求带两点式门锁,门锁要求方便灵活,便于开关。
门边与框架接触位置应有发泡胶式减震条,安装后,无倾斜、凹陷、凸起或局部歪、扭现象存在。
安装热管背板的机柜无需提供后门,后门轴需满足安装热管背板的要求,并提供一台样机给热管背板厂家。
2.10方孔条(导轨固定及承重的立柱)/ 立柱:前后各设一对方孔条/立柱,开档距离需满足相应机柜要求;与横梁灵活固定,前后可调,有清晰U位刻度显示,服务器上架后不会遮盖刻度。
螺丝固定方式应便于并柜后在柜体内进行操作调整;为加强承重效果,除与框架、横梁、导轨固定孔外无其他孔洞;机柜承重方孔条设计应满足可前后调节式安装固定、承重、前部密闭性、并柜后操作便利等要求,避免设备无法上架。
安装所有服务器后,冷风只能通过服务器进气孔进入到机柜背部,不会通过其他区域直接进入热通道,柜体立柱采用一次滚轧成型的型材技术,机柜立柱强度大,前后方孔条之间距离可支持按照25mm步距灵活调节。
2.11机柜固定:机柜龙门框为四角部件为铸件,可支持膨胀螺栓固定安装。
横向紧邻的两个机柜必须进行横向并柜,机柜要求固定,由厂家提供固定方式。
2.12机柜顶盖:顶部前600mm为封闭式,防止冷风泄露,后部600mm要求开有6个190mm×95mm 方孔,方便强电、弱电走线,所有孔用橡胶皮裹边,以免损伤线缆,支持上走线系统安装,并配置2个可固定、可拆卸盖板。
2.13机柜底盖:需要机柜底盖,全封闭。
机柜底部配有专业工程底座安装接口,支持底座安装2.14机柜接地:须配置铜制接地排1块,配套各类长度的接地线材,分别连接到机柜顶盖、方孔条/立柱、前后门和侧板等处,保证机柜内部各部分完全接地。
机柜接地位于顶部或底部,提供全方位接地保护, 机柜应单独为PDU或者配电单元设置接地点,提高接地的安全及可靠性2.15机柜理线装置:须在机柜后部左右两侧配垂直理线槽或具此功能的器件装置,用于方便机柜内布线、理线、更换、扩展。
每个机柜网线数约为23×2根,电源线约为23×2根。
理线装置高度应考虑导轨的2mm厚度,确保理线器安装后,与上下交换机、配线架之间无缝隙。
理线器穿线孔处应采用发泡软胶进行封堵,避免冷热气流短路。
2.16盲板:盲板要求便于安装及拆卸,密闭性好。
每个机柜需要配置1U免工具盲板15块。
盲板的高度应考虑导轨的2mm厚度,确保盲板安装后,盲板之间无缝隙,若最上面一块盲板与机柜顶板间存在的缝隙,应有将此缝隙封堵的措施。
2.17L型支架:支架使用厚度为2mm,长度600mm角钢,支架前后可采用螺钉与方孔条/立柱固定,支架固定后,螺钉固定面的边角不应超出方孔条/立柱的垂直边,防止造成服务器无法安装;每个机柜需要配备16对L型支架。
每对L型支架间距最小89mm,L型支架厚度适中,保证L型支架+2U服务器能放在服务器机柜“2U”机架位内。
L型支架承重不小于80KG,折弯处应有加强筋或焊点,承重截面需宽度足够,避免服务器脱落。
服务器上架后,支架受力后折弯角度应≤90度,避免压迫到下一层服务器。
2.18★PDU:每个机柜配置2个单相32APDU,1-6#机房(自用机房)的PDU为微断形式,安装于机柜顶输入2P\32A*1,输出:2P\16A*6+10A*10;其他机房PDU为插排形式,输入32A*1,输出16A*6+10A*10,国标插座,各分路带空开,不带数字显示,不带防脱扣功能,竖直安装于机柜后门内的左侧,要求距离前方孔条/立柱距离≥900mm(即保障服务器机柜进风面至PDU距离≥900mm);电缆的规格的配置需符合国家规范和设计图纸要求,电缆的长度需符合设计图纸要求。
与布线、布线桥架的配合:强电线槽为上走线,将从机柜顶部进入机柜,应留好进线口,并做好密封设计。
弱电线槽(铜缆、光缆)为上走线,铜缆、光缆将从机柜顶部进入机柜,应留好进线口,并密封设计。
投标人需说明机柜产品在线缆管理方面特色和高密度跳线管理解决方案。
2.19与通道封闭的配合:由于本次设计需要进行通道封闭,具体做法详见图纸。
2.20横梁:每侧需至少3根与前后方孔条/立柱固定的横梁,避免设备高密度上架后,方孔条/立柱变形。
横梁与框架、方孔条/立柱的固定方式需灵活、可上下、前后微调。
与方孔条/立柱的固定孔外,横梁上无其他孔洞,便于增加横梁承重强度。
ODF机柜机柜尺寸要求840mm×300mm×2200mm,高度及机柜内安装高度与基础服务器机柜一致,无需配置PDU、L型支架,该机柜主要用汇聚大量光缆或者光纤。
顶部需开1个230mm×600mm方孔(600mm方向为与机柜前后门方向平行),距离机柜前门100mm,距离后门100mm处各开1个方孔,方便光纤、光缆走线,孔用橡胶皮裹边,以免损伤线缆,支持上走线系统安装。
前后方孔条/立柱距离要求为600mm,方孔条/立柱与前门、后门距离均为300mm,留为跳线空间。
并在机柜前后分别配置适用大量光缆或光纤的理线装置。
除以上要求外,其他要求同基础服务器机柜。
密闭通道本工程技术规范要求如下:总体要求:冷通道封闭系统内各组件在设计安装时应作为一个整体考虑,包括机柜、门、翻盖、局部可考虑固定天窗、温湿度传感器、连接件、消防联动装置等。
机柜面对面布置,采用冷通道封闭方式,冷通道两端入口采用封闭式平开钢化玻璃门,在冷通道上方安装阻燃有机玻璃翻板顶盖,在出现火灾时,可自动翻开,以保证消防气体喷入。
整个结构应符合国家消防规范的要求,可实现消防联动,当消防联动信号确认后或温度、烟雾达到设定值时,天窗须具有自动开启功能,同时应具备手动打开功能。