温度传感器基础知识大全
- 格式:doc
- 大小:154.50 KB
- 文档页数:6
传感器基础知识点整理
本文档旨在梳理传感器的基础知识点,帮助读者了解传感器的工作原理和常见类型。
1. 传感器简介
传感器是一种用于检测和测量物理量的器件,可以将各种物理量(如温度、压力、力、光等)转换为可读取的电信号。
2. 传感器的工作原理
传感器工作原理根据不同的物理量而异,但通常包括以下几个步骤:
- 接收:传感器接收待测物理量的信号。
- 转换:传感器将接收到的信号转换成可读取的电信号。
- 输出:传感器将转换后的电信号输出给其他设备或系统。
3. 传感器的常见类型
3.1 温度传感器
温度传感器用于测量环境或物体的温度。
常见的温度传感器有:
- 热电偶:基于热电效应,利用两种不同金属的接触产生电势
差来测量温度。
- 热敏电阻:利用材料电阻与温度的关系来测量温度。
3.2 压力传感器
压力传感器用于测量气体或液体的压力。
常见的压力传感器有:
- 压阻式传感器:利用应变片的变形来测量压力。
- 电容式传感器:利用电容的变化来测量压力。
- 压力膜片传感器:利用薄膜片的弯曲来测量压力。
3.3 光传感器
光传感器用于检测光的存在、光的强度或光的颜色。
常见的光传感器有:
- 光敏电阻:利用光照射产生的光电效应来测量光的强度。
- 光电二极管:基于光电效应来测量光的强度。
- 光电三极管:在光电二极管的基础上增加了一个控制端口,用于增强灵敏度。
4. 总结
本文档简要介绍了传感器的基础知识点,包括传感器的工作原理和常见类型。
通过了解这些知识,读者可以更好地理解传感器的应用场景和原理。
温度传感器基础知识大全温度传感器使用在多种应用中,例如食品加工、HVAC 环境控制、医疗装置、化学处理与汽车引擎盖内部监控(如冷却液、进气孔、汽缸头温度等)。
温度传感器能测量温度,确保流程维持在特定范围内,以便安全执行应用;或者也可确保在处理极高温度、危险或无法触及的测量点时符合法定规定。
温度传感器分为两种主要类型:接触式和非接触式。
接触式感测器包括热电偶和热敏电阻,在量测时会接触受测物体;非接触式感测器则会量测热源所释放的温度辐射,藉此判定其温度。
非接触式感测器能从远方测量温度,通常用於危险环境中。
温度传感器类型1.热电偶热电偶(TC) 是一对由两种不同金属所制成的接面所组成。
其中一个接面代表基准温度,另一个则是测得温度。
运作方式是温度差异会产生电压(席贝克效应,受温度影响),然後此电压会转换成温度读数。
TC 成本低廉、坚固可靠、无需电池,并且能用於宽广的温度范围,因此受到采用。
热电偶能在高达2,750°C 下达到良好效能,甚至能在高达3,000°C 和低至-250°C 下短暂维持运作。
热电偶的优势与难题:∙量测值为自身温度。
∙物体的温度必须经过推定,且使用者必须确保热电偶之间无热流动。
∙长期使用後容易发生温度读数错误。
原因为何?线路的绝缘层受潮或受热导致失效,?或是受到环境中的化学物质、核子辐射或机械性干扰。
∙热电偶属於电气导体,因此不可接触其他电力来源。
∙接面处无法进行量测。
∙与电阻式温度计相比,这些元件反应速度较快。
2.热敏电阻热敏电阻,如同热电偶一样是不昂贵、立即可取得、容易使用,并且可调适的温度传感器。
但是仅可进行简易的温度量测,无法用於高温应用。
由具有电阻性的半导体材料制成,对温度特别敏感。
热敏电阻的电阻值会在温度上升时降低,因此温度变化时,即可预测电阻的变动。
广泛用於涌入电流限制器、温度传感器、自我重置式过电流保护器,以及自我调节加热单元。
热敏电阻与电阻温度侦测器(RTD) 的不同之处在於:1) RTD 的材质为纯金属,2) 两者对温度的反应不同。
温度传感器温度是一个基本的物理量,自然界中的一切过程无不与温度密切相关。
温度传感器是最早开发,应用最广的一类传感器。
温度传感器主要可分为三种:传统分立传感器,如热电偶、热敏电阻、热敏二极管等;模拟集成传感器,如AD590、SG590、LM94022、LM35等;数字温度传感器,如DS18B20、DS1624、DS1629、DS1722、MAX6575、MAX6636、TMP275、AD7187等。
根据波与物质的相互作用规律,相继开发了声学温度传感器、激光传感器、红外传感器和微波传感器。
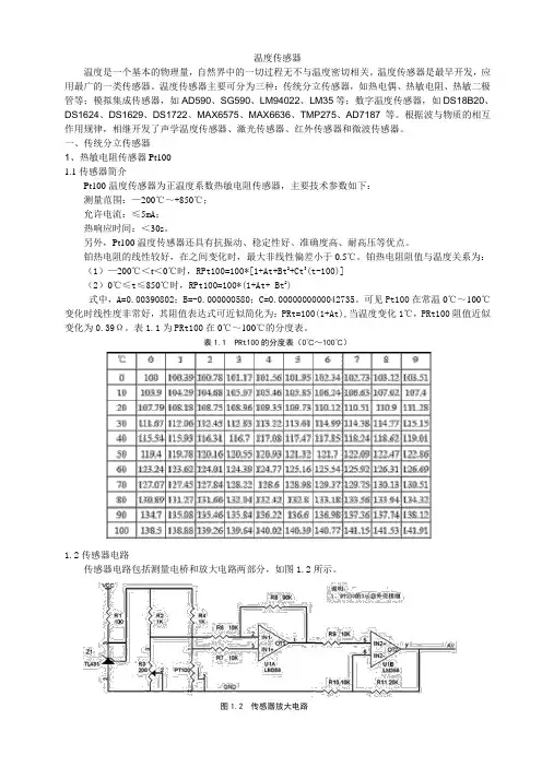
一、传统分立传感器1、热敏电阻传感器Pt1001.1传感器简介Pt100温度传感器为正温度系数热敏电阻传感器,主要技术参数如下:测量范围:—200℃~+850℃;允许电流:≤5mA;热响应时间:<30s。
另外,Pt100温度传感器还具有抗振动、稳定性好、准确度高、耐高压等优点。
铂热电阻的线性较好,在之间变化时,最大非线性偏差小于0.5℃。
铂热电阻阻值与温度关系为:(1)—200℃<t<0℃时,RPt100=100*[1+At+Bt2+Ct3(t-100)](2)0℃≤t≤850℃时,RPt100=100*(1+At+ Bt2)式中,A=0.00390802;B=-0.000000580;C=0.0000000000042735。
可见Pt100在常温0℃~100℃变化时线性度非常好,其阻值表达式可近似简化为:PRt=100(1+At),当温度变化1℃,PRt100阻值近似变化为0.39Ω。
表1.1为PRt100在0℃~100℃的分度表。
表1.1 PRt100的分度表(0℃~100℃)1.2传感器电路传感器电路包括测量电桥和放大电路两部分,如图1.2所示。
图1.2 传感器放大电路图中,R2、R3、R4和Pt100组成传感器测量电桥,为了保证电桥输出电压信号的稳定,电桥的输入电压通过TL431稳至2.5V。
从电桥获取的差分信号通过两级运放放大后输入单片机。
温度传感器:温度传感器基础类型概述温度传感器是一种用于测量环境温度的电子设备,它能够将温度转化为电信号,并通过信号输出端口输出。
温度传感器在很多领域中都有着广泛的应用,比如家电、冷却设备、汽车、医疗器械等。
温度传感器的种类很多,可以按照不同标准进行分类,比如工作原理、传感器种类、输出方式等。
本文将主要介绍温度传感器基础类型。
温度传感器基础类型热电温度传感器(Thermocouple)热电温度传感器是一种利用热电效应来测量温度的传感器,它由两个不同材质的金属导线的连接点组成。
当连接点的温度发生变化时,两个导线之间将产生电动势。
根据电动势的大小,可以计算出温度的变化量。
热电温度传感器的优点是在非常高或者非常低的温度下都有很好的性能,但是它们的响应速度比较慢,不适用于快速变化的温度场景。
热敏电阻温度传感器(RTD)热敏电阻温度传感器是一种利用电阻变化来测量温度的传感器。
它是利用电阻材料的温度系数(单位温度电阻值的变化),来推算出环境的温度变化量。
由于RTD的温度响应速度比热电温度传感器更快,因此被广泛用于需要高精度测量的场合,比如实验室或者工业现场。
热敏电容温度传感器(Thermistor)热敏电容温度传感器是一种利用电容值变化来测量温度的传感器。
它常常由一对电极和一个热敏电容器构成。
当环境温度变化时,热敏电容器的电容值也会发生变化,从而带来电容值的变化量。
这个变化量可以被转换为温度值。
和RTD一样,热敏电容温度传感器的响应速度也很快,但是对于一些特定的温度范围会有一定的误差,因此需要校准。
红外线温度传感器(Infrared)红外线温度传感器是一种利用红外线辐射来测量对象表面温度的传感器。
它能够通过测量出被测对象与其周围环境所发射出的红外线辐射量来推算出接收器所接收的温度值。
这种传感器常常被应用在热工学、红外测温、太阳溅射等领域。
总结温度传感器种类很多,选择哪一种类型的温度传感器需要结合应用场合和需要测量的温度范围来选择。
温度传感器深度解析一、温度传感器简介温度传感器从17世纪初人们开始利用温度进行测量。
在半导体技术的支持下,本世纪相继开发了半导体热电偶传感器、PN结温度传感器和集成温度传感器。
与之相应,根据波与物质的相互作用规律,相继开发了声学温度传感器、红外传感器和微波传感器。
温度传感器是五花八门的各种传感器中最为常用的一种,现代的温度传感器外形非常得小,这样更加让它广泛应用在生产实践的各个领域中,也为人们的生活提供了无数的便利和功能。
温度传感器有四种主要类型:热电偶、热敏电阻、电阻温度检测器(RTD)和IC温度传感器。
IC温度传感器又包括模拟输出和数字输出两种类型。
二、温度传感器主要分类300K范围内的温度。
1、非接触式温度传感器它的敏感元件与被测对象互不接触,又称非接触式测温仪表。
这种仪表可用来测量运动物体、小目标和热容量小或温度变化迅速(瞬变)对象的表面温度,也可用于测量温度场的温度分布。
最常用的非接触式测温仪表基于黑体辐射的基本定律,称为辐射测温仪表。
辐射测温法包括亮度法(见光学高温计)、辐射法(见辐射高温计)和比色法(见比色温度计)。
各类辐射测温方法只能测出对应的光度温度、辐射温度或比色温度。
只有对黑体(吸收全部辐射并不反射光的物体)所测温度才是真实温度。
如欲测定物体的真实温度,则必须进行材料表面发射率的修正。
而材料表面发射率不仅取决于温度和波长,而且还与表面状态、涂膜和微观组织等有关,因此很难精确测量。
在自动化生产中往往需要利用辐射测温法来测量或控制某些物体的表面温度,如冶金中的钢带轧制温度、轧辊温度、锻件温度和各种熔融金属在冶炼炉或坩埚中的温度。
在这些具体情况下,物体表面发射率的测量是相当困难的。
对于固体表面温度自动测量和控制,可以采用附加的反射镜使与被测表面一起组成黑体空腔。
附加辐射的影响能提高被测表面的有效辐射和有效发射系数。
利用有效发射系数通过仪表对实测温度进行相应的修正,最终可得到被测表面的真实温度。
【知识文章格式】 ## 1. 引言温度传感器是一种广泛应用于各种领域的电子器件,它能够感知和测量物体的温度。
在现代科技发展中,温度传感器对于工业自动化、电子设备、医疗仪器等方面都起着重要的作用。
本文将对温度传感器的基本原理进行概述,以帮助读者更好地了解这个重要的传感器。
2. 温度传感器的分类根据工作原理和应用场景的不同,温度传感器可以分为多种类型,包括热敏电阻、热电偶、热电阻、半导体温度传感器等。
不同类型的温度传感器有着各自的特点和适用范围。
2.1 热敏电阻热敏电阻是一种基于电阻值与温度之间的关系变化来进行温度测量的传感器。
它的工作原理是通过材料的电阻值随温度发生变化来实现温度测量。
常见的热敏电阻材料有铂、镍、铜等。
热敏电阻具有响应速度快、精度高等优点,广泛应用于工业控制、温度补偿等领域。
2.2 热电偶热电偶是一种基于两个不同材料的电动势变化来进行温度测量的传感器。
它的原理是根据热电效应,当两个不同金属的焊点处于不同温度时,会产生电动势。
通过测量这个电动势,可以间接地得到温度值。
热电偶具有稳定性好、抗干扰能力强等特点,广泛应用于工业控制、火力发电等领域。
2.3 热电阻热电阻是一种基于电阻值与温度之间的关系变化来进行温度测量的传感器。
它的工作原理是通过金属或合金材料电阻值随温度变化的特性进行温度测量。
常见的热电阻材料有铂、镍、铜等。
热电阻具有精度高、稳定性好等优点,在工业过程控制、环境监测等领域有着广泛应用。
2.4 半导体温度传感器半导体温度传感器是一种基于半导体材料电特性与温度的变化关系来进行温度测量的传感器。
它的工作原理是通过材料的电阻值或半导体器件的电压特性与温度变化呈现一定关系,从而实现温度的测量。
半导体温度传感器具有体积小、响应速度快、精度高等优点,在电子设备、汽车行业等方面应用广泛。
3. 温度传感器的工作原理不同类型的温度传感器有着不同的工作原理,下面将分别介绍几种常见的温度传感器的工作原理。
传感器知识点传感器是一种能够将物理量转化为电信号的设备,广泛应用于各个领域。
本文将介绍传感器的概念、分类、工作原理以及应用,并对未来的发展进行展望。
一、概念传感器是一种用于检测、测量和感知环境中各种物理量的装置,它能够将检测到的物理量转化为可用的电信号或其他形式的输出信号。
传感器可以监测温度、湿度、压力、光线强度、位置等多种物理量。
传感器的产生使得我们能够更好地了解和控制我们所处的环境。
二、分类传感器根据其工作原理和应用领域的不同,可以分为多种类型。
下面我们将介绍几种常见的传感器分类。
1. 温度传感器温度传感器用于测量物体或环境的温度。
常见的温度传感器有热敏电阻、热电偶和双金属温度计等。
它们根据温度的变化而改变其电阻、电压或电流的特性,从而实现温度的测量。
2. 压力传感器压力传感器用于测量物体或介质的压力。
常见的压力传感器有压阻式传感器、压电传感器和毫微量压力传感器等。
它们通过检测压力对传感器的影响来测量压力大小。
3. 光电传感器光电传感器是一种能够检测光线强度和光照条件的传感器。
常见的光电传感器有光敏电阻、光敏二极管和光电管等。
它们能够根据光线的强弱和频率变化来检测光照的条件。
4. 位置传感器位置传感器用于检测物体的位置和位置变化。
常见的位置传感器有旋转编码器、位移传感器和霍尔传感器等。
它们可以通过测量物体相对于某个基准点的移动来实现位置的检测。
三、工作原理传感器的工作原理根据不同的类型而有所不同。
下面我们将介绍几种常见传感器的工作原理。
1. 热敏电阻热敏电阻是一种温度敏感的电阻。
当温度发生变化时,电阻的值也会发生变化。
通过测量电阻的变化,可以计算出温度的大小。
2. 压阻式传感器压阻式传感器是一种基于电阻变化的传感器。
当外部压力作用于传感器时,电阻的值会发生变化。
通过测量电阻的变化,可以得知压力的大小。
3. 光敏二极管光敏二极管是一种具有光电效应的器件。
当光线照射到光敏二极管上时,会产生电流。
温度传感器原理与应用知识热电偶是一种基于两个不同金属导线间的热电效应测量温度的传感器。
它由两根不同金属的导线连接构成,当两个导线的连接处温度不同时,就会产生热电效应,即产生电势差。
通过测量这个电势差可以得出温度信息。
热电阻是一种利用材料电阻随温度变化的特性进行温度测量的传感器。
根据欧姆定律,电阻值随温度升高而增大。
常见的热电阻材料有铂、镍和铜等。
其中,铂热电阻是最常用的热电阻材料,因为它具有稳定性好、精度高、线性范围广等优点。
半导体温度传感器是利用半导体材料的电学特性来测量温度的传感器。
它的工作原理是根据PN结或PNP结的温度特性来测量温度。
当温度升高时,半导体材料的电阻值或电压值也会随之变化,通过测量这些变化可以得到温度信息。
半导体温度传感器具有快速响应、高精度和体积小等特点,广泛应用于电子设备、家电和汽车等领域。
红外线温度传感器是一种利用物体发射的红外辐射能来测量温度的传感器。
它的工作原理是根据物体的温度与发射的红外辐射能量之间的关系来测量温度。
通过感应物体辐射的红外线,并将其转化为电信号进行分析和处理,可以实现对物体表面温度的测量。
红外线温度传感器通常具有快速响应、非接触式测量和测量范围广等优点,并广泛应用于工业生产、食品安全、医疗等领域。
温度传感器的应用非常广泛。
在工业领域中,温度传感器用于监测和控制各种设备和系统的工作温度,如炉温监测、空调系统、汽车发动机温度控制等。
在农业领域中,温度传感器用于监测和控制温室、畜牧场等环境的温度,以提高农作物和动物的生长质量。
在医疗领域中,温度传感器用于测量人体体温,以进行疾病诊断和治疗。
此外,温度传感器还可以在生活中使用,如智能家居中的温度监控和空调调节、电子温度计等。
总之,温度传感器是一种测量温度的重要设备,其工作原理大致可分为热电偶、热电阻、半导体温度传感器和红外线温度传感器。
不同类型的传感器适用于不同的应用场景,广泛应用于工业生产、农业、医疗和生活等领域。
温度传感器的使用方法温度传感器是一种常用的电子设备,主要用于测量和监测环境的温度变化。
它在工业生产、电子产品、医疗设备等领域都有广泛的应用。
本文将介绍温度传感器的使用方法,为读者提供一些基本知识和操作指南。
一、何时使用温度传感器温度传感器主要用于测量温度,在一些特定的场景下尤为重要。
比如,在家庭生活中,我们经常需要知道室内或室外的温度,以便调整空调或采取适当的措施。
此外,在工业生产中,温度传感器能够监测设备的温度变化,及时发现异常情况,保证生产过程的稳定性和安全性。
因此,当我们需要了解温度信息或者对温度进行控制时,就需要使用温度传感器。
二、温度传感器的种类目前市场上有很多种不同类型的温度传感器,每一种都有其特点和适用范围。
常见的温度传感器有热电偶、热敏电阻、红外温度传感器等。
热电偶是一种利用两种不同金属的热电势差来测量温度的传感器,具有精度高、反应迅速的特点。
热敏电阻则是利用电阻值随温度的变化来测量温度的传感器,常见的有铂电阻和陶瓷电阻。
红外温度传感器则可以通过测量物体发出的红外辐射来推断温度,适用于无接触测量和特殊环境测量。
三、温度传感器的安装和使用在选择温度传感器之前,我们首先需要确定测量的温度范围和精度要求。
根据实际需求,选择合适的温度传感器,并参照其使用说明书进行安装和调试。
在安装过程中,需要注意以下几点。
首先,尽量避免传感器暴露在强烈的光线和辐射源下,以免影响测量的准确性。
其次,传感器的安装位置应选取温度变化比较均匀、无振动和无风的位置,这样可以获得更准确的温度数据。
在使用过程中,我们还应注意以下几个方面。
首先,采集温度数据的时间间隔要根据实际需求进行调整,以免数据过多或者过少。
其次,及时校准温度传感器,以保证测量结果的准确性。
最后,温度传感器是一种比较脆弱的仪器,使用过程中要避免撞击和摔落,避免损坏。
四、温度传感器的数据处理与应用获取到温度传感器的原始数据后,我们还需要进行一些数据处理和应用。
温度传感器基础知识大全
温度传感器使用在多种应用中,例如食品加工、HVAC 环境控制、医疗装置、化学处理与汽车引擎盖内部监控(如冷却液、进气孔、汽缸头温度等)。
温度传感器能测量温度,确保流程维持在特定范围内,以便安全执行应用;或者也可确保在处理极高温度、危险或无法触及的测量点时符合法定规定。
温度传感器分为两种主要类型:接触式和非接触式。
接触式感测器包括热电偶和热敏电阻,在量测时会接触受测物体;非接触式感测器则会量测热源所释放的温度辐射,藉此判定其温度。
非接触式感测器能从远方测量温度,通常用於危险环境中。
温度传感器类型
1.热电偶
热电偶(TC) 是一对由两种不同金属所制成的接面所组成。
其中一个接面代表基准温度,另一个则是测得温度。
运作方式是温度差异会产生电压(席贝克效应,受温度影响),然後此电压会转换成温度读数。
TC 成本低廉、坚固可靠、无需电池,并且能用於宽广的温度范围,因此受到采用。
热电偶能在高达2,750°C 下达到良好效能,甚至能在高达3,000°C 和低至-250°C 下短暂维持运作。
热电偶的优势与难题:
∙量测值为自身温度。
∙物体的温度必须经过推定,且使用者必须确保热电偶之间无热流动。
∙长期使用後容易发生温度读数错误。
原因为何?线路的绝缘层受潮或受热导致失效,?或是受到环境中的化学物质、核子辐射或机械性干扰。
∙热电偶属於电气导体,因此不可接触其他电力来源。
∙接面处无法进行量测。
∙与电阻式温度计相比,这些元件反应速度较快。
2.热敏电阻
热敏电阻,如同热电偶一样是不昂贵、立即可取得、容易使用,并且可调适的温度传感器。
但是仅可进行简易的温度量测,无法用於高温应用。
由具有电阻性的半导体材料制成,对温度特别敏感。
热敏电阻的电阻值会在温度上升时降低,因此温度变化时,即可预测电阻的变动。
广泛用於涌入电流限制器、温度传感器、自我重置式过电流保护器,以及自我调节加热单元。
热敏电阻与电阻温度侦测器(RTD) 的不同之处在於:1) RTD 的材质为纯金属,2) 两者对温度的反应不同。
热敏电阻可依据k 的符号分为两类(此函数指Steinhart-Hart 热敏电阻公式,能将热敏电阻的电阻值转换成凯氏温度度数)。
若k 为正值,电阻会随着温度上升而增加,而此元件则称为正温度系数(PTC) 热敏电阻。
若k 为负值,电阻会随着温度上升而减少,而此元件则称为负温度系数(NTC) 热敏电阻。
本文将探讨NTC 热敏电阻的一个例子:GE 的Type MA 系列热敏电阻组件,专为间断或持续性病患体温监测用途所设计。
此应用要求可重复性和快速反应,特别是用於婴儿照护与一般麻醉过程。
MA300(图1)以病患的皮肤区域做为体温指标,即可方便进行例行且持续性的病患体温监测。
本产品采用不锈钢外罩,因此适合重复使用和抛弃式应用,并可为病患提供最大的使用舒适度。
在25°C 下,提供的标称电阻值包括2,252、3,000、5,000 和10,000 Ω。
GE 的MA300 热敏电阻组件
∙∙
图1:GE 的MA300 热敏电阻组件系由不锈钢制成,采用医疗级PVC Teflon 绝缘。
(资料来源:GE)
3.电阻温度侦测器
电阻温度侦测器(RTD) 是具有电阻的温度传感器,会在温度变化时同时改变电阻值。
RTD 以准确性、可重复性与可靠度着名,薄膜型可在-50°C 至500°C 的宽广温度范围内使用,绕线型可在-200°C 至850°C 内使用。
薄膜型RTD 单元的基板上具有一层铂薄膜。
电路布局经过微调,能提供指定电阻。
并附有引线,且组件经过镀层,可保护薄膜和连接部分。
比较之下,绕线式单元属於陶瓷管或玻璃管封装的线圈,或者是沿着玻璃或陶瓷材质缠绕。
Honeywell 的TD 系列是RTD 的例子之一,可用於HVAC(室温、风管和冰箱温度)、马达过载保护以及汽车(空气或汽油温度)应用。
在TD 系列中,TD4A 液体温度传感器具有双端子螺纹式阳极镀铝外罩。
此环境密封式液体温度传感器能简化安装,例如安装於卡车侧边,但并不能完全浸入液体中。
单一时间常数在静止空气中的典型反应时间为4 分钟,在静止水中为15 秒。
Honeywell TD 系列
∙∙
图2:TD 系列- 电阻与温度之间的关系(资料来源:Honeywell)
TD 系列温度传感器能对温度变化快速反应(图2),且精准度在20°C 时达±0.7°C。
此外可完全替换,无需重新校准。
这些电阻温度侦测器(RTD) 感测器提供8 Ω/°C 灵敏度,且本质上具有近似线性的输出。
RTD 具有比热电偶更好的精准度以及良好的替换性,此外也具备长期稳定性。
具备
高温能力,因此通常用於工业配置中。
RTD 若以白金制成,就不会受到腐蚀和氧化影响,因此能提升稳定性。
4.红外线感测器
红外线感测器可用来量测介於-70 至1,000°C 的表面温度。
能将物体释放的热能(波长介於0.7 至20 um)转换成电气讯号,接着会依据环境温度进行补偿,并且转换成可用温度单位显示的讯号。
这些感测器可在下列情况量测温度:
∙无法使用热电偶或探针时。
∙目标物体正在移动(在滚轮、活动机械、输送带上)。
∙目标物体处於真空环境。
∙具有危险,如高电压。
∙距离太远。
∙温度太高,无法使用接触式感测器。
∙需要超快速反应。
选择红外线元件时,重要的考量包括:视野(视角)、发射率(在相同温度下物体辐射能量与理想辐射体散发能量的比率)、频谱响应、温度范围和安装方式。
Texas Instruments 推出TMP006 产品(图3)就是红外线热电堆感测器,采用晶片
级封装。
此非接触式感测器使用热电堆吸收从被量测物体发射的红外线能量,然後利用热电堆电压的相对应变化判定物体的温度。
TI 的TMP006 柱状图
∙∙
图3:TMP006 柱状图(资料来源:Texas Instruments)
红外线感测器的指定电压范围介於-40°C 至+125°C,以便用於多种应用。
此元件兼具低功耗和低工作电压特性,因此适合电池供电式应用。
晶片级尺寸的薄型封装能采
用标准大量组装方式,而且当受测物体的空间有限时也很实用。
使用接触或非接触式感测器量测温度时,需先进行基本假设与推定。
因此,详读规格表并且确保了解相关的影响因素,即可确保温度读数符合实际的温度。