上海三门中学物理电与磁(培优篇)(Word版 含解析)
- 格式:doc
- 大小:195.00 KB
- 文档页数:15
上海三门中学物理电功率(培优篇)(Word 版 含解析)一、初三物理 电功率 易错压轴题(难)1.0U P U I U I R ==-额额额额额().用“伏安法”测未知电阻的阻值. (1)请用笔画线表示导线,将图甲所示的实物连接成完整电路.要求:滑动变阻器的滑片P 向右移动时,电流表示数变小(请勿更改原有导线,导线不能交叉).(________)(2)连接电路前,开关必须___.电路接通前,滑动变阻器的滑片P 应该移至图中_____处(选填“A ”或“B ”).(3)小林闭合开关后,发现电流表示数为零,但电压表有示数,此时电路中的一处故障是待测电阻R x _____(选填“短路”或“断路”).(4)小林排除故障后,用滑动变阻器调节接入电路中的电阻,对应每次变化各测一次电流值和相应的电压值并记录到表格中.有一次测量电流表的指针如图乙所示,其示数为_____A ;另一次测量电压表的指针如图丙所示,其示数为_____V .小林根据几组实验数据计算出R x 的值,为了进一步减小误差,绘制了R x 的U -I 图像.(5)另一组的小宇用相同的器材进行实验,并根据自己所记录的实验数据绘制了如图丁所示的U -I 图像.小林发现小宇绘制的U-I 图像和自己绘制的U -I 图像不同,你认为其原因是_____;小林根据小宇的图像也可计算出待测电阻R x =_____Ω.(实验过程中电源电压保持不变).【答案】 断开 B 断路 0.28 2.6 电压表并联在滑动变阻器的两端 10【解析】【分析】【详解】(1)滑动变阻器的滑片P 向右移动时,电流表示数变小,说明变阻器连入电路的电阻变大,故变阻器左下接线柱连入电路中,如下图所示:(2)连接电路前,开关必须断开.电路接通前,滑动变阻器的滑片P应该移至图中阻值最大处的B端;(3)若待测电阻短路,电压表示数为0,不符合题意;若待测电阻断路,电流表示数为零,电压表串联在电路中测电源电压,电压表有示数,符合题意,电路中的一处故障是待测电阻R x断路;(4)有一次测量电流表的指针如图乙所示,电流表选用小量程,分度值为0.02A,其示数为0.28A;另一次测量电压表的指针如图丙所示,电压表分度值为0.1V,其示数为2.6V;2.故小灯泡正常发光时电流为:4V0.8A5ΩUIR===,则小灯泡的额定功率为:5V40W.8AP U I==⨯=额额.图甲为测定额定电压为“2.5V”小灯泡电功率的实验电路,电源电压恒为3V不变.(1)请用笔划线代替导线,将图甲中的实物图连接完整.(_______)(2)闭合开关前,滑片应移到滑动变阻器的最______端(选填“左”或“右”).(3)正确连接好电路,闭合开关,发现灯泡不亮,电流表有示数,电压表无示数;移动滑片,发现除了电流表示数改变外,其余均无变化.经检查,电压表完好,则故障可能是小灯泡______(选填“短路”或“断路”).(4)排除故障后,移动滑片,实验小组记下多组对应的电压表和电流表的示数,并绘制成图乙所示的I-U图象,由图象可计算出小灯泡的额定功率为______W.(5)实验过程中,当电压表示数为1V时,滑动变阻器连入电路的阻值为______Ω.【答案】 左 短路 0.75 10【解析】【详解】第一空.灯的额定电压为2.5V ,故电压表选用小量程与灯并联,变阻器按一上一下接入电路中,如下所示:;第二空.闭合开关前,滑片应移到滑动变阻器的阻值最大处,即最左端;第三空.正确连接好电路,闭合开关,发现电流表有示数,则电路为通路,灯泡不亮,电压表无示数,因电压表完好,故障可能是小灯泡短路;第四空.根据绘制成的图乙所示的I-U 图象,灯在额定电压下的电流为0.3A ,则小灯泡的额定功率为:P =UI =2.5V×0.3A=0.75W ;第五空.实验过程中,当电压表示数为1V 时,电流为0.2A ,根据串联电路分压的规律及欧姆定律,滑动变阻器连入电路的阻值为: 3.13V -1V ==10Ω0.2AU U U R I I -==滑滑.在“测量小灯泡的电功率”实验中,小丹设计了如图甲所示的电路图,已知小灯泡的额定电压为2.5V ,滑动变阻器规格为“20Ω1A ”,电源是由2节新干电池串联组成。
一、选择题1.如图为Maxwell 超级电容器,其标有“3V ,3000F”。
它是一种新型储能装置,不同于传统的化学电源,是一种介于传统电容器与电池之间、具有特殊性能的电源,它具有功率密度高、充放电时间短、循环寿命长、抗振动和抗冲击性能强的特点。
关于此电容器下列说法正确的是( )A .在3V 电压下才能正常工作B .充电时把电能转化为化学能和内能C .工作电压是3V 时,电容才是3000FD .加额定电压时所储存的电荷量是手机锂电池“4.2V ,4000mAh”带电量的58倍 2.某一电流计G 的满偏电流为I g 、内阻为R g ,与一电阻箱R 并联后构成一电流表A ,接在电路中的M 、N 两点。
若增大电阻箱的电阻R ,下列说法正确的是( )A .电流表A 的内阻增大B .电流表A 的量程增大C .若MN 两端的电流不变,G 的指针偏角变小D .若MN 两端的电压不变,G 的指针偏角变小3.如图所示,厚薄为1mm 的矩形金属薄片边长10cm ab =,5cm bc =,当将1与2接入电路中时,电阻为R ,若将3与4接入电路中,则电阻为( )A .12RB .14R C .2R D .4R4.一个灵敏电流计的满偏电流g 100μA I =,内阻为50Ω,要把它改装成一个量程为10V的电压表,则应在电流表上( )A .串联一个阻值较小的电阻B .串联一个阻值较大的电阻C .并联一个阻值较小的电阻D .并联一个阻值较大的电阻5.如图是某导体的I-U 图像,图中倾角45α=︒,下列说法正确的是( )A .该导体的电阻与其两端的电压成正比B .此导体可能是半导体C .I-U 图线的斜率表示电阻,所以R =0.5ΩD .在该导体两端加6.0 V 电压时,每秒通过导体截面的电荷量是3.0C6.国际单位制中电压的单位符号是V ,如果用国际单位制基本单位的符号来表示,正确的是( )A .A Ω⋅B .1JC -⋅ C .213kg m A s --⋅⋅⋅D .13kg m A s --⋅⋅⋅ 7.如图,虚线框内为改装好的电表,M 、N 为新电表的接线柱,其中灵敏电流计G 的满偏电流为200μA ,已测得它的内阻为495.0Ω。
九年级下册物理电与磁(培优篇)(Word版含解析)一、三物理电与磁易错压轴题(难)1.在观察“磁场对通电直导线的作用”活动中,小明用导线在固定的接线柱MN下悬挂一根轻质的铝棒ab,然后将其作为通电导线接入电路放在蹄形磁体的磁场里,如图甲所示。
(1)小明闭合开关,看到铝棒稳定时如图乙所示;在探究导线在磁场中受力方向与电流方向、磁场方向的关系时,小明先仅对调磁极位置,闭合开关,观察到铝棒ab稳定时如丙所示,由此可知通电导线在磁场中受力的方向与____________方向有关。
然后小明保持图甲中的磁极位置不动,将铝棒ab两端对调后接入电路,发现铝棒ab的摆动方向依然如图乙所示,由此小明认为通电导线在磁场中的受力方向与电流方向无关。
你认为小明的做法对吗?____为什么?_________。
(2)小明进一步猜想:在同一磁场中,磁场对导线的作用力是否与通过导线的电流大小有关呢?为此小明决定在图丙所示的实验基础上,在电路中串入电流表,并通过将铝棒ab换成长短、粗细均相同但电阻更大的铁棒和电阻更小的铜棒来改变电路中的电流,进行对比实验。
① 实验过程中,小明应根据______(选填“电流表的示数”或“导线摆动角度”)来推断通电导线在磁场中的受力大小。
② 闭合开关,小明发现铁棒稳定时的位置都如图丁所示,与丙图实验现象相比,小明感到非常困惑。
请你指出小明实验设计中存在的问题并提出改进方法。
存在问题:_____________。
改进方法:_________________。
(3)若想利用小明的实验装置继续探究电磁感应现象,我们只需将图甲中的__________(选填“开关”、“铝棒ab” 或“电源”)替换成_____________即可。
【答案】磁场不对因为将铝棒ab两端对调后接入电路,电流方向还是不变导线摆动角度铁棒在磁场中会受到磁铁的吸引力把丁图的铁棒换成与丙图相同的铜棒电源灵敏电流表【解析】【详解】(1)[1]仅对调磁极位置,由此可知通电导线在磁场中受力的方向与磁场方向有关;[2][3]小明的做法不对;因为将铝棒ab两端对调后接入电路,电流方向还是不变,那么受力方向也不变,电流方向实际上是没有变化的;(2)[4]为了探究磁场对导线的作用力是否与通过导线的电流大小有关,需改变电流的大小,观察金属棒的受力大小,应根据导线摆动角度来推断通电导线在磁场中的受力大小;[5][6]由于铁棒比铝棒电阻大,根据UIR可知,在电源电压不变时,通过铁棒的电流较小,当磁场强度相同时,电流越小,导体受到的磁场力越小,因此铁棒比铝棒摆动的幅度小;所以实验中存在的问题是:铁棒在磁场中会受到磁铁的吸引力;改进方法是:把丁图的铁棒换成与丙图相同的铜棒;(3)[7][8]探究电磁感应现象,即磁生电,只需将图甲中的电源替换成灵敏电流表即可,这电流表能显示是否有电流产生。
上海莘松中学物理电与磁(培优篇)(Word版含解析)一、三物理电与磁易错压轴题(难)1.两个电磁铁A和B都用粗细相同的漆包线绕制而成,其外形及所用的铁芯都相同,但线圈面数不同(外观上看不出)要比较哪个电磁铁的线匝数多,小明用相同的恒压电源、滑动变阻器、导线、开关,并提供足够多的大头针,连接电路进行了图两个实验。
(1)关于小明的实验:①磁性较强的电磁铁是______ (选填“A”或“B”)。
依据是_____ ;②该实验,无法比较哪个电磁铁的线圆匝数更多,原因是______;(2)利用上述器材设计实验,要求能比较哪个电磁铁的线圈匝数更多(可增加一个器材,或不增加器材):①步骤(可用文字或画图表述)______;②结论分析:______。
【答案】A 吸引大头针的数量较多不能确保流过两个电磁铁的电流相同见解析吸引大头针数量较多的电磁铁,线圈匝数较多【解析】【分析】【详解】(1)[1][2]由图可知电磁铁A吸引的的大头针数量比电磁铁B多,可判断电磁铁A的磁性较强。
[3]影响电磁铁磁性强弱的因素有线圈匝数、电流大小,该实验中无法通过电磁铁磁性强弱来判断谁的线圈匝数多,谁的少,原因在于无法确保流过两个电磁铁的电流相同。
(2)[4]步骤:将电磁铁A、B串联在一个电路中,通过它们的电流相等,是电磁铁A、B上的线圈匝数不同。
[5]结论分析:在电磁铁通过电流相同时,线圈匝数较多的电磁铁,吸引大头针数量较多;线圈匝数较少的吸引大头针数量较少;可判断:吸引大头针数量较多的电磁铁,线圈匝数较多。
2.如图是小明“探究导体在磁场中运动时产生感应电流的条件”的实验装置。
(1)闭合开关后,当导体ab向左或向右运动时,电流表指针偏转,当导体ab向上或向下运动时,电流表指针不偏转,说明闭合电路中的部分导体在磁场中做___________运动时导体中会产生感应电流。
(2)实验中发现,当导体ab向左运动时,电流表指针向右,当导体ab向右运动时,电流表指针向左偏转,说明_________________________。
新课标沪科版初中初三物理《电和磁》总结及精选试题(含答案)一.教学内容:电和磁总结基本要求:1. 通过对具体知识点的复习,唤起同学们对所学的知识的回忆。
2. 通过总结与复习,使同学们对所学知识形成知识体系。
3. 通过具体的例题讲评,提高同学们利用知识来解决实际问题的能力。
重点内容:知识体系的形成、应用能力的提高。
难点内容:灵活应用所学知识来解决生活中的常见问题。
重点、难点解析一. 简单的磁现象知识要点:1. 知道什么是磁性、磁体和磁极。
2. 知道磁体有吸铁性和指向性。
3. 知道磁极间的相互作用规律。
4. 知道磁化现象,知道软磁体和永磁体。
5. 能判断物体有无磁性及磁体的极性。
重点知识解析:1. 磁体具有吸引铁、钴、镍等物质的性质,我们称其为磁性。
磁体上磁性最强的部分叫磁极,磁体有两个磁极,即南极(S极)和北极(N极)。
磁体总有两极:自然界中的磁体总有N和S两个磁极。
如图1所示,一根条形磁铁断为三截以后,立即变成三根磁铁,每一段都有N、S极。
只有单个磁极的磁体在自然界里是不存在的。
2. 磁极间的相互作用规律:同名磁极相互排斥,异名磁极相互吸引。
我们可以通过磁体的吸铁(钴、镍)性、指向性和磁极间的相互作用规律来判断一个物体是否具有磁性。
3. 判别磁极极性的方法:将小磁针靠近磁体,就能判别磁铁的极性。
如图2所示,由静止在磁体旁小磁针甲的指向,可以断定条形磁铁的A端是N极,B端是S极;同时也可以判定小磁针乙的左端是N极,右端是S极。
4. 磁化:使原来不具有磁性的物体获得磁性的过程。
二. 磁场和磁感线知识要点:1. 知道磁体周围存在磁场,知道磁场的基本性质和磁场具有方向性。
2. 知道可用磁感(应)线来形象地描述磁场。
3. 会画条形磁体和蹄形磁体周围的磁感线的分布。
重点知识解析:1. 磁场:磁体的周围存在着一种叫做磁场的物质,磁体间的相互作用就是通过它们各自的磁场而发生的。
磁场的基本性质是它对放入其中的磁体产生磁力的作用,我们常用小磁针是否受到磁力的作用来检验小磁针所在的空间是否存在磁场。
九年级电与磁(培优篇)(Word版含解析)一、三物理电与磁易错压轴题(难)1.在探究“影响电磁铁磁性强弱的因素”实验中,小明制成简易电磁铁甲、乙,并设计了如图所示的电路。
(1)实验中是通过观察_____________________来比较电磁铁磁性强弱。
这种研究方法称为___________。
(2)把甲、乙两个电磁铁串联,目的是____________相同,以探究电磁铁磁性强弱与____________的关系。
(3)由现象可得结论:电流一定时,________________,电磁铁磁性越强。
(4)若要使电磁铁甲、乙吸引大头针数目变多,最简单易行的办法是_________【答案】电磁铁吸引大头针的数量转换法控制电流线圈匝数线圈匝数越多将变阻器滑片P向左移动【解析】【详解】(1)[1]磁性的强弱是无法直接观察的.题中就是利用电磁铁吸引大头针数目的不同来反映磁性强弱的不同的;[2]这是转换的方法;(2)[3]串联电流相等,所以串联的目的是控制电流相同;[4] 根据图示可知,电磁铁甲吸引的大头针数目多,说明甲的磁性强;两电磁铁串联,电流相同,甲乙线圈匝数不同,所以探究的是电磁铁磁性强弱与匝数的关系;(3)[5] 由现象可得结论:电流一定时,线圈匝数越多,磁性越强;(4)[6]磁场变强,吸引大头针的数量就多了,所以最简单的方法是向左移动滑动变阻器滑片,使电路中电流变强,磁场就变强了。
2.如图所示电路,是某学校楼道自动控制照明系统,R3是一光敏电阻,其阻值随“光照度E“的增大而减小,且成反比,其具体关系如下表所示(光照度E的单位是:勒克斯,符号Lx:光越强,光照度越大),光照度E/L x0.51 1.52 2.53光敏电用R3阻603020151210值/Ω(1)根据表格中数据写出光敏电阻的阻值R 3与光照度E 的函数关系式_________________; (2)当线圈中电流减小至10mA 时,电磁继电器衔铁被弹簧拉起,启动照明系统,利用该装置可以实现当光照度低至某一设定值E 0 Lx 时,照明系统内照明灯自动工作。
上海东门中学初三九年级物理电与磁汇编一、电与磁压轴实验培优题1.磁感应强度B用来描述磁场的强弱,国际单位是特斯拉,符号是T。
为了探究电磁铁外轴线上磁感应强度的大小与哪些因素有关,小聪设计了如图1所示的电路,图甲中电源电压为6V,R1为磁感应电阻,其阻值随磁感应强度变化的关系图线如图2所示。
(1)闭合开关S1和S2,图乙中滑动变阻器的滑片P向右移动,图甲中电流表的示数逐渐减小,这说明磁感电阻R1处的磁感应强度B逐渐________。
(选填“增大”或“减小”)(2)闭合开关S1和S2,保持滑片P不动,沿电磁铁轴线向左移动磁感应电阻R1,测出R1离电磁铁左端的距离s与对应的电流表示数I,算出R1处磁感应强度B的数值如表。
请计算s=5cm时,B=______T。
s/cm123456I/mA101215203046B/T0.680.650.600.510.20(3)综合以上实验数据可以得出:电磁铁外轴线上磁感应强度随电磁铁电流的增大而_______;离电磁铁越远,磁感应强度越______。
2.研究电动机的工作过程.(1) 电动机的工作原理是磁场对______有力的作用.甲图中,线圈左右两边框ab、cd的受力方向相反,其原因是______.线圈从图示位置再转动______度后线圈将恰好达到平衡位置,并最终停在该位置.(2) 乙图中的线圈可以持续转动,是因为它加装了______,该装置能在线圈______(选填“刚转到”、“即将转到”或“刚转过”)平衡位置时,自动改变线圈中的电流方向.(3) ①丙图所示的电动机模型中,调换器件______(填图中的序号)的放置可方便改变电动机的转动方向.②通电后电动机模型不转动,若是接触不良,可以把铜片(电刷)再弯曲一下,以增加它的______(填物质的物理属性).3.小双想探究感应电流的大小与什么因素有关?他设计了如图所示的装置进行实验。
铁块上绕有导线,线框与灵敏电流计(G表示)相连(线框高度大于铁块高度,实验过程中线框不旋转)。
上海三门中学物理内能的利用(培优篇)(Word版含解析)一、初三物理内能的利用易错压轴题(难)1.如图所示,甲、乙、丙三图中的装置完全相同.燃料的质量都是10g,烧杯内的液体质量也相同.假设燃料完全然烧释放热量都被液体吸收.(1)若比较不同燃料的热值,应选择______两图进行实验,燃料完全燃烧放出热量的多少,是通过_____来反映的,通过本次试验得到的燃料热值与实际热值相比偏______(选填“大”或“小”).(2)若比较不同物质的吸热本领,应选择____两图进行实验;不同物质吸热的多少是通过____来反映的.【答案】甲乙升高的温度小甲丙加热时间【解析】【分析】【详解】(1)[1]为了比较不同燃料的热值,应控制被加热液体相同而燃料不同,应选择甲、乙两图进行实验;[2]燃料燃烧放出的热量被液体吸收,燃料完全燃烧放出热量的多少,可以通过液体升高的温度来反映;[3]因为燃料燃烧释放的热量不能全部被液体吸收,则通过实验得到的燃料热值与实际相比是偏小;(2)[4]若比较不同物质的吸热本领,应控制燃料相同而被加热的液体不同,应选择甲、丙两图进行实验;[5]用相同的加热装置对液体加热,相等时间内液体吸收的热量相等,加热时间反应了不同物质吸热的多少.2.为了比较水和沙子吸热本领的大小,小文做了如图所示的实验:在两个相同的烧杯中,分別装有质量、初温都相同的水和沙子,用两个相同的酒精灯对其加热,实验数据记录如表:质量/g升温10℃所需时间/s升温20℃所需时间/s升温30℃所需时间/s 沙子306492124水3092163220(1)在此实验中用______________表示水和沙子吸热的多少;(2)分析表中的实验数据可知:当物体温度变化量和______________相同时,水吸收的热量______________(选填“大于”或“小于”)沙子吸收的热量;(3)如果加热相同的时间,质量相同的水和沙子,___________升高的温度更高.【答案】酒精灯加热时间质量大于沙子【解析】【分析】【详解】(1)[1]采用相同的酒精灯对其加热,加热时间越长,沙子和水吸收的热量越多,因此实验中用酒精灯加热时间表示水和沙子吸热的多少.(2)[2][3] 分析表中的实验数据可知:水和沙子质量相同,升高温度相同时,即温度变化量和质量相同时,水所需加热的时间比沙子更长,所以水吸收的热量大于沙子吸收的热量.(3)[4]质量相同的水和沙子加热相同的时间,吸收的热量相同,由于Q=cm t,又因为水的比热容大于沙子的比热容,故沙子升高的温度更高.3.比热容是表示物质吸放热能力的物理量,不同的物质比热容一般不同.(1)下列物理量也表示了物质的某种特性的是__________;A.热值 B.热量 C.质量(2)水的比热容为4.2×103J/(kg·℃),表示的物理意义是质量为1kg的水升温1℃_________的热量是4.2×103J.(3)张红在家经常学习做饭根据观察,她猜想食用油的比热容可能比水小。
上海七宝第三中学物理电与磁检测题(Word版含答案)一、三物理电与磁易错压轴题(难)1.在观察“磁场对通电直导线的作用”活动中,小明用导线在固定的接线柱MN下悬挂一根轻质的铝棒ab,然后将其作为通电导线接入电路放在蹄形磁体的磁场里,如图甲所示。
(1)小明闭合开关,看到铝棒稳定时如图乙所示;在探究导线在磁场中受力方向与电流方向、磁场方向的关系时,小明先仅对调磁极位置,闭合开关,观察到铝棒ab稳定时如丙所示,由此可知通电导线在磁场中受力的方向与____________方向有关。
然后小明保持图甲中的磁极位置不动,将铝棒ab两端对调后接入电路,发现铝棒ab的摆动方向依然如图乙所示,由此小明认为通电导线在磁场中的受力方向与电流方向无关。
你认为小明的做法对吗?____为什么?_________。
(2)小明进一步猜想:在同一磁场中,磁场对导线的作用力是否与通过导线的电流大小有关呢?为此小明决定在图丙所示的实验基础上,在电路中串入电流表,并通过将铝棒ab换成长短、粗细均相同但电阻更大的铁棒和电阻更小的铜棒来改变电路中的电流,进行对比实验。
① 实验过程中,小明应根据______(选填“电流表的示数”或“导线摆动角度”)来推断通电导线在磁场中的受力大小。
② 闭合开关,小明发现铁棒稳定时的位置都如图丁所示,与丙图实验现象相比,小明感到非常困惑。
请你指出小明实验设计中存在的问题并提出改进方法。
存在问题:_____________。
改进方法:_________________。
(3)若想利用小明的实验装置继续探究电磁感应现象,我们只需将图甲中的__________(选填“开关”、“铝棒ab” 或“电源”)替换成_____________即可。
【答案】磁场不对因为将铝棒ab两端对调后接入电路,电流方向还是不变导线摆动角度铁棒在磁场中会受到磁铁的吸引力把丁图的铁棒换成与丙图相同的铜棒电源灵敏电流表【解析】【详解】(1)[1]仅对调磁极位置,由此可知通电导线在磁场中受力的方向与磁场方向有关;[2][3]小明的做法不对;因为将铝棒ab两端对调后接入电路,电流方向还是不变,那么受力方向也不变,电流方向实际上是没有变化的;(2)[4]为了探究磁场对导线的作用力是否与通过导线的电流大小有关,需改变电流的大小,观察金属棒的受力大小,应根据导线摆动角度来推断通电导线在磁场中的受力大小;[5][6]由于铁棒比铝棒电阻大,根据UIR可知,在电源电压不变时,通过铁棒的电流较小,当磁场强度相同时,电流越小,导体受到的磁场力越小,因此铁棒比铝棒摆动的幅度小;所以实验中存在的问题是:铁棒在磁场中会受到磁铁的吸引力;改进方法是:把丁图的铁棒换成与丙图相同的铜棒;(3)[7][8]探究电磁感应现象,即磁生电,只需将图甲中的电源替换成灵敏电流表即可,这电流表能显示是否有电流产生。
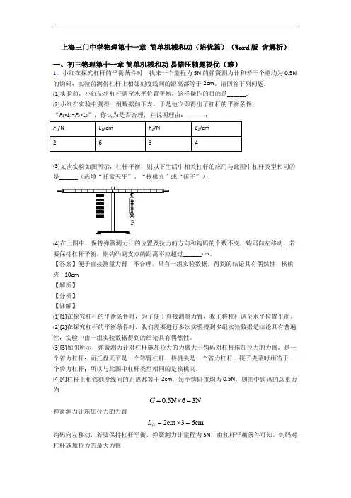
上海三门中学物理第十一章简单机械和功(培优篇)(Word版含解析)一、初三物理第十一章简单机械和功易错压轴题提优(难)1.小红在探究杠杆的平衡条件时,找来一个量程为5N的弹簧测力计和若干个重均为0.5N 的钩码,实验前测得杠杆上相邻刻度线间的距离都等于2cm。
请回答下列问题:(1)实验前,小红先将杠杆调至水平位置平衡,这样操作的目的是______;(2)小红在实验中测得一组数据如下表,于是他立即得出了杠杆的平衡条件:“F1×L1=F2×L2”,你认为是否合理,并说明理由:______;F1/N L1/cm F2/N L2/cm2634(3)某次实验如图所示,杠杆平衡,则以下生活中相关杠杆的应用与此图中杠杆类型相同的是______(选填“托盘天平”、“核桃夹”或“筷子”);(4)在上图中,保持弹簧测力计的位置及拉力的方向和钩码的个数不变,钩码向左移动,若要保持杠杆平衡,则钩码到支点的距离不应超过______cm。
【答案】便于直接测量力臂不合理,只有一组实验数据,得到的结论具有偶然性核桃夹 10cm【解析】【分析】【详解】(1)[1]在探究杠杆的平衡条件时,为了便于直接测量力臂,我们将杠杆调至水平位置平衡。
(2)[2]在探究杠杆的平衡条件时,我们需要进行多次实验得到多组实验数据是结论具有普遍性,实验中由一组实验数据得到的结论具有偶然性。
(3)[3]如图所示,弹簧测力计对杠杆施加拉力的力臂大于钩码对杠杆施加拉力的力臂,是一个省力杠杆;而托盘天平是一个等臂杠杆,核桃夹是一个省力杠杆,筷子夹菜时相当于一个费力杠杆;所以与此图中杠杆类型相同的是核桃夹。
(4)[4]杠杆上相邻刻度线间的距离都等于2cm,每个钩码重均为0.5N,则图中钩码的总重力为0.5N63NG=⨯=弹簧测力计施加拉力的力臂L=⨯=2cm36cm右钩码向左移动,若要保持杠杆平衡,弹簧测力计量程为5N,由杠杆平衡条件可知,钩码对杠杆施加拉力的最大力臂5N6cm10cm3NFLLG⨯===右左即钩码到支点的距离不应超过10cm。
上海上海中学东校初三九年级物理电与磁汇编一、电与磁压轴实验培优题1.如图所示,是某学习小组同学设计的研究“电磁铁磁性强弱”的实验电路图。
(1)要改变电磁铁线圈中的电流大小,可通过 来实现;要判断电磁铁的磁性强弱,可观察___________________ 来确定。
(2)下表是该组同学所做实验的记录:①比较实验中的1、2、3(或4、5、6),可得出的结论是:电磁铁的匝数一定时,通过电磁铁线圈中的 ;②比较实验中的1和4(或2和5或3和6),可得出的结论是:电磁铁线圈中的电流一定时, ;(3)在与同学们交流讨论时,另一组的一个同学提出一个问题:“当线圈中的电流和匝数一定时,电磁铁的磁性强弱会不会还与线圈内的铁芯大小有关?” ①你对此猜想是: ;②现有大小不同的两根铁芯,利用本题电路说出你验证猜想的方法。
2.如图所示,在“探究电磁铁磁性强弱与电流大小关系”的实验中,某同学用绝缘细线将电磁铁M 悬挂在铁架台上,并保持它与软铁块P 的距离不变。
(1)以下是他的部分实验步骤:①断开开关S ,按图组装实验电路,将滑动变阻器的滑片置于最_______(选填“左”或电磁铁(线圈) 50匝 100匝 实验次数 123456电流 / A0.8 1.2 1.5 0.8 1.2 1.5 吸引铁钉的最多数目 / (枚)5810 711 14“右”)端。
用已调零的电子测力计测出软铁块P对测力计的压力F0并记录在表格中;②闭合开关S,调节滑动变阻器的滑片到适当位置,读出电流表的示数I和电子测力计的示数F,并将I、F的数据记录在表格中;③仿照步骤②再进行两次实验。
实验次数123I/A0.340.400.44F0/N0.90.90.9F/N0.840.820.81(2)由表中数据可以得出的实验结论是:对于同一电磁铁,______________.(3)闭合开关S后,电磁铁下端的磁极为________________(选填“N”或“S”)极。
电流的磁效应、电磁感觉和磁场对电流的作用的应用与差别一、选择题1.如下图,在水平川面上的磁体上方,有挂在弹簧测力计上的小磁体(下部N极).小辉提着弹簧测力计向右缓慢挪动,挂在弹簧测力计上的小磁体下端,沿图示水平路线从A迟缓移到B.则图乙中能反应弹簧测力计示数F随地点变化的是()A B C D如下图是我们物理讲堂上做过的实验,此顶用来研究发电机原理的是如下图,扬声器是把电信号转变为声信号的装置,工作时线圈中通入携带声音信息、时辰变化的电流.以下说法中错误的选项是()A.线圈中通入的是方向变化的电流,因此锥形纸盆往返振动,产生声音B.锥形纸盆振动越快,产生的声音音调越高C.锥形纸盆振幅越大,产生的声音响度越大 D.扬声器工作过程利用的是电磁感觉原理4.如下图是研究电磁铁磁性的实验。
闭合开关后,以下说法正确的选项是.A.电磁铁的下端是N极B.电磁铁能吸引大头针是电磁感觉现象C.将铁钉换成铜棒会使磁性加强D.滑片P向左挪动,电磁铁吸引大头针的数量会增加5.对于电与磁的相关知识,以下说法中正确的选项是()A.磁体间的互相作用是经过磁场发生的B.水平面内自由转动的小磁针静止时北极指向南方C.发电机是利用电磁感觉现象工作的D.电磁铁磁性的强弱能够经过改变电流的方素来控制为了防备中考考试舞弊,监考人员利用手持式金属探测器对考生进行检查(如下图),当凑近金属物体时,在金属导体中就会产生涡电流,探测器发出警报.以下选项中也是利用该原理工作的是()A.发电机B.电铃C.电磁铁D.电动机7.如下图,以下对螺线管电流和磁极方向间关系的判断,正确的选项是()A.B.C.D.8.以下表述不切合物理学史实的一项为哪一项()A.伽利略研究发现运动不需要力来保持,牛顿第必定律正是在此基础长进一步归纳总结而来的B.牛顿不单发现了万有引力规律,他还发现了白光经过棱镜会出现色散现象C.中国先人发了然“司南”,认识到了利用磁石能确立地理方向D.奥斯特第一发现了“磁生电”的规律,而法拉第是第一位发现“电能生磁”的科学家9.对以下四幅图的理解不正确的选项是()A.如图通电导体四周存在磁场B.如牟利用磁场对电流的作用,能够制成电动机C.如图闭合电路的一部分导体在磁场中运动时,导体中必定会产生感觉电流D.如图电磁继电器是依据电流磁效应原理制成的电路自动控制开关10如下图,闭合开关S,A、B、C、D四个小磁针静止时指向正确的选项是().A.小磁针A B.小磁针B C.小磁针C D.小磁针D小华同学在做“研究电磁铁”实验中,使用两个同样的大铁钉绕制成电磁铁进行实验,如下图,以下说法中正确的选项是()A.要使电磁铁磁性加强,应将变阻器的滑片向右挪动B.电磁铁B的磁性比电磁铁A的磁性强C.电磁铁B磁性较强,因此经过它的电流较大D.若将两电磁铁上部凑近,会互相吸引12.在如下图的电路.电磁铁AB正上方放有一小磁针.闭合开关,可能出现的状况是()A.电磁铁A端为S极B.小磁针极N指向水平向右C.若滑动阻器的滑片P向右挪动,电磁铁的磁性加强D.挪动滑动阻器的滑片P,不影响电磁铁的磁性强弱13.如下图,是小宇同学画出的几种磁体四周的磁感线散布状况,此中正确的选项是()A.B.C.D.14.以下各组的动物行为和人们制造的先进仪器设施中,波及的物理学原理不同样的是()A.鱼在水中自由浮沉﹣﹣潜水艇B.蝙蝠在夜间能正常飞翔﹣﹣声呐C.雄鹰在空中展翅遨游﹣﹣飞机D.鸽子飞翔定向﹣﹣GPS 导航系统15.如下图在“研究产生感觉电流”的实验中,小宇同学做了四次实验,此中有感觉电流产生的是().专题26电流的磁效应、电磁感觉和磁场对电流的作用的应用与差别一、选择题1.如下图,在水平川面上的磁体上方,有挂在弹簧测力计上的小磁体(下部N极).小辉提着弹簧测力计向右缓慢挪动,挂在弹簧测力计上的小磁体下端,沿图示水平路线从A迟缓移到B.则图乙中能反应弹簧测力计示数F随地点变化的是()A B C D【答案】C.考点:磁极间的互相作用;力的合成..(2014·茂名)如下图是我们物理讲堂上做过的实验,此顶用来研究发电机原理的是【答案】B.考点:电和磁(2014·佛山)如下图,扬声器是把电信号转变为声信号的装置,工作时线圈中通入携带声音信息、时辰变化的电流.以下说法中错误的选项是()A.线圈中通入的是方向变化的电流,因此锥形纸盆往返振动,产生声音B.锥形纸盆振动越快,产生的声音音调越高C.锥形纸盆振幅越大,产生的声音响度越大D.扬声器工作过程利用的是电磁感觉原理【答案】D【分析】试题剖析:扬声器内有一永磁体,当线圈内通入电流后,依据磁场对通电导线有力的作用,线圈会运动,扬声器中的线圈中经过变化电流时,力的大小会发生变化,线圈会带动与线圈相连的纸盆振动,发作声音,此过程中将电信号转变成声信号.应选项A正确;音调是指声音的高低,它和物体振动频次相关.声音的强弱叫响度,响度与发声体的振幅相关:振幅越大,响度越大,此外响度还与距离发声体的远近相关;锥形纸盆振动越快,物体振动频次越快,产生的声音音调越高,应选项B正确;锥形纸盆振幅越大,产生的声音响度越大,应选项C正确;扬声器是利.用通电导体在磁场中遇到力的作用原理工作的,不是利用电磁感觉原理,应选项D错误。
上海上海中学东校物理电与磁(提升篇)(Word版含解析)一、三物理电与磁易错压轴题(难)1.某同学猜想电磁铁磁性强弱与电流大小和线圈匝数有关。
在探究“电磁铁磁性强弱与电流大小是否有关”时,使用的器材有:学生电源、电磁铁、电流表、滑动变阻器、开关、软铁块P、铁架台、电子秤、导线若干。
某同学用绝缘细线将电磁铁M悬挂在铁架台上,并保持它与软铁块P的距离不变:(1)实验时,他_______开关S,组装实验电路如图所示,请将滑动变阻器连入电路中,要求:滑片向左滑动时电路中电流变大;(2)本实验中根据______________比较电磁铁磁性强弱;(3)请设计出记录实验数据的表格,表中要有必要的信息。
(_________)【答案】断开,电子秤的示数实验次数电流I/A电子秤的示数/g123……【解析】【分析】【详解】(1)[1]在连接电路时,开关S应处于断开状态。
由题意知,电路中变阻器调节电路的电流,所以各元件串联;而滑片向左滑动时电路中电流变大,即滑片向左滑动时,变阻器接入电路的电阻变小,所以变阻器下边的接线柱应接左边的;电路所用电源为学生电源,则电流表应用大量程0~3A,故电路连接如下:(2)[2]实验根据电子秤的示数来比较电磁铁磁性强弱。
因为当开关闭合时,电路中有电流通过,电磁铁有磁性,对放在电子秤上的软铁块P有吸引力。
当电流越大时,电磁铁的磁性就越强,对软铁块的吸引力就越大,那么软铁块对电子秤的作用力就越小,则电子秤的示数就越小。
(3)[3]实验探究的是“电磁铁磁性强弱与电流大小的关系”,所以在实验时需记录电流的大小,而磁性的强弱是通过电子秤的示数来反映的,所以还需要记录电子秤的示数。
故实验表格如下:实验次数电流I/A电子秤的示数/g123……2.小谦在探究“磁体间相互作用规律”时发现:磁体间的距离不同,作用力大小也不同。
他想:磁体间作用力的大小与磁极间的距离有什么关系呢?(1)小谦用如图所示的实验进行探究。
一、选择题1.如图所示,一个正电子沿着逆时针方向做匀速圆周运动,则此正电子的运动()A.不产生磁场B.产生磁场,圆心处的磁场方向垂直纸面向里C.产生磁场,圆心处的磁场方向垂直纸面向外D.只在圆周内侧产生磁场2.磁场具有能量,磁场中单位体积内所具有的磁场能量叫磁场的能量密度,用符号ω表示,其表达式为ω=σB2,式中B为磁感应强度,在空气中σ为一常量。
小明同学通过实验测量一条形磁铁N极端面附近的磁感应强度B的大小,他用一块与磁铁端面等大的铁片吸在磁铁上,然后用力缓慢拉开一段微小距离L,如图所示,他测出磁铁端面的面积为S,用力传感器测得拉力F的大小,已知拉力F做的功等于间隙中磁场的能量,则条形磁铁端面附近磁感应强度B的大小可表示为()A.FLσB.FSσC.FLσD.FSσ3.为观察电磁感应现象,某学生将电流表.螺线管A和B。
蓄电池.电键用导线连接成如图所示的实验电路.当只接通和断开电键时,电流表的指针都没有偏转,其原因是___________。
A.电键位置接错B.电流表的正、负极接反C.线圈B的接头3、4接反D.蓄电池的正、负极接反4.如图所示,下列说法正确的是()A.线圈中有感应电流,电压表有示数B.线圈中有感应电流,电压表没有示数C.线圈中无感应电流,电压表有示数D.线圈中无感应电流,电压表没有示数5.1831年8月29日,法拉第经历近十年的研究终于在一次实验中发现了电磁感应现象:把两个线圈绕在同一个铁环上(如图),一个线圈接到电源上,另一个线圈接入“电流表”,在给一个线圈通电或断电的瞬间,另一个线圈中也出现了电流。
之后他设计出几十个关于电磁感应现象的实验,并把它们总结成五类情况,请结合你学习电磁感应知识判断以下哪个选项不属于这五类现象()A.恒定的电流B.变化的磁场C.运动的磁铁D.在磁场中运动的导体6.人们的现代生活越来越离不开电磁波,我国自主建立的北斗导航系统所使用的电磁波频率约为1561MHz;家用微波炉所使用的电磁波频率约为2450MHz;家用Wi-Fi所使用的电磁波频率约为5725MHz。
一、选择题1.如图所示,下列关于物理实验表述正确的是()A.图甲,地理的两极和地磁场的两极并不重合的现象是我国宋代学者沈括最早发现的B.图乙实验揭示了电流的周围存在磁场,应用电动机C.图丙实验揭示了通电导体在磁场中受力运动,应用发电机D.图丁实验电源的左端是正极,小磁针A端是S极2.如图所示,条形磁铁置于水平桌面上,电磁铁水平放置且左端固定,当电路中滑动变阻器的滑片P逐渐向右移动,条形磁铁仍静止,在此过程中,条形磁铁受到的摩擦力A.逐渐增大,方向向右B.逐渐减小,方向向右C.逐渐增大,方向向左D.逐渐减小,方向向左3.小华在综合实践中自制的简易电动机示意图如图所示。
矩形线圈由漆包线绕制而成,漆包线的两端分别从线圈的一组对边的中间位置引出,并作为线圈的转轴。
将线圈架在两个金属支架之间,线圈平面位于竖直面内,永磁铁置于线圈正下方。
为了使电池与两金属支架连接后线圈能连续转动起来,则小华应将A.电池的正、负极对调一下B.在线圈正上方增加磁体S极C.左转轴绝缘漆全部刮掉,右转轴下侧绝缘漆刮掉一半D.左、右转轴绝缘漆全部刮掉4.物理学史上,很多杰出的科学家发现了很多重要的物理现象或规律,对于下列物理现象或规律的理解错误的是A.欧姆定律——欧姆发现“导体中的电流跟导体两端的电压成正比,跟导体的电阻成反比”B .电流的磁效应——奥斯特通过实验证实“电流的周围存在着磁场”C .电磁感应现象——法拉第通过实验发现“闭合电路的一部分导体在磁场中做切割磁感线运动时,导体中就产生电流”D .焦耳定律——焦耳通过大量实验发现“电流通过导体产生的热量跟电流成反比,跟导体的电阻成正比,跟通电时间成正比”5.如图所示的四个装置,以下关于它们的说法中正确的( )A .图a 装置可探究电磁感应现象B .图b 装置可用来制作电动机证明磁场对电流的作用C .图c 可用来演示电磁铁的磁性强弱与电流大小的关系D .图d 装置原理可用来制作发电机6.如图所示是智能扶手电梯工作原理图,其中R 是压敏电阻,当有人乘梯时,压敏电阻受压阻值变化改变线圈中电流,引起电磁铁磁性强弱变化,使得电磁继电器动触点的位置变动电动机转速加快:当没有人乘梯时,电动机转速减慢减少耗电。
一、选择题1.下列生活、生产实例与所包含物理知识的说法中,正确的是()A.吸排油烟机是利用电磁感应现象制成的B.我们看到水面树木的倒影是因为发生了光的折射C.放在桌面上的书处于静止状态,是因为桌面对书的支持力和书对桌面的压力相互平衡D.“不敢高声语,恐惊天上人”中的“高”是指声音的响度D解析:DA.吸排油烟机的核心部件是电动机,电动机是利用通电线圈在磁场中受力能转动的原理制成的,将电能转化为机械能;电磁感应现象是机械能转化成电能的过程,利用这一原理制成的是发电机,不是电动机;B.水面上看到两岸树木的倒影是平面镜成像,其本质是光的反射;C.在桌面上的书处于静止状态,是因为书受到的重力和桌面对书的支持力相互平衡,而桌面对书的支持力和书对桌面的压力是一对相互作用力;D.此句中的“高声语”意思是大声说话,指声音的响度大。
2.图是我国早期的指南针﹣﹣司南.东汉学者王充在《论衡》中记载为:“司南之杓,投之于地,其柢指南”.司南是把天然磁石琢磨成勺子的形状,放在一个水平光滑的“地盘”上制成的,静止时它的长柄指向南方.下列说法正确的是()A.司南的长柄是磁石的南极B.地磁场的磁感线真实存在C.地理的两极和地磁场的两极相互重合D.司南静止时,它的长柄指向地磁南极A解析:AAD.地球本身是一个大磁体,司南是用天然磁石磨制成的勺子,即其实质就是一块磁铁,其静止时其勺柄指向南方,勺柄是磁石的南极,故A正确,D错误;B.磁感线是人们为了研究磁场的方便而假想出来的,所以磁感线不是真实存在的,故B错误;C.地磁的南极在地理北极附近,地磁的北极在地理南极附近,地理南北两极与地磁南北两极并不是完全重合,而是存在着一个夹角,叫磁偏角,故C错误.3.如图所示,在竖直放置的矩形通电线框中,悬挂一个能自由转动的小磁针.当通以图中所示方向的电流时,小磁针N极将()A.转动90°,垂直指向纸里B.转动90°,垂直指向纸外C.转动180°,指向左边D.静止不动,指向不变A解析:A根据安培定则由图知道,当通电时,矩形线圈的里面是N极,其外面是S极,所以矩形线圈中磁感线的方向是垂直于纸面向里;由于小磁针静止时的N极指向与矩形线圈中磁感线的方向是一致的,所以小磁针最终静止时的N极应该是垂直指向纸里,即从图中位置转动90°,故A符合题意.4.如图所示的四个装置,以下关于它们的说法中正确的()A.图a装置可探究电磁感应现象B.图b装置可用来制作电动机证明磁场对电流的作用C.图c可用来演示电磁铁的磁性强弱与电流大小的关系D.图d装置原理可用来制作发电机A解析:AA. 图a装置可探究的是闭合电路的部分导体在磁场中切割磁感线运动时产生电流,即电磁感应现象,故A正确.B. 图b装置为奥斯特实验,演示电流的磁效应,故B错误;C. 图c可用来演示电磁铁的磁性强弱与线圈匝数的关系,故C错误;D. 图d装置原理,即磁场对通电导体的作用力,可用来制作电动机,故D错误;故选A.点睛:注意分清楚研究电磁感应和磁场对通电导线作用力的两个实验,两个实验从图看很相似,容易混淆,区分的方法是,有电源的是研究磁场对通电导线作用力的实验,有灵敏电流计的是研究电磁感应的实验.5.如图所示的四个装置,以下关于它们分别用来演示哪个物理现象的描述,错误的是A.图a可用来演示发电机的工作原理B.图b可用来演示电流的磁效应C.图c可用来演示电磁铁磁性强弱与线圈匝数的关系D.图d可用来演示电磁感应现象D解析:DA. 图a没有电池,验证闭合电路的一部分导体切割磁感线时产生感应电流,是电磁感应现象实验,故A正确;B. 图b验证了通电导体周围存在磁场,这是奥斯实验,说明了电流的磁效应,故B正确;C. 图c电流大小一定,匝数多的线圈吸引较多的铁钉,验证了磁性强弱与线圈匝数关系,故C正确;D. 图d有电池,验证通电导体在磁场中受力的实验,故D 错误.点睛:题目给出了四个类似的实验,首先要弄清各实验所揭示的原理,再结合题设要求来进行选择.6.台阶式自动电梯的运动快慢能根据是否有人乘坐自动调节,其原理是电梯台阶下连接着一个压敏电阻R,电路可简化为如图所示,压敏电阻R起初阻值很大,但随压力的增大而迅速减小,从而改变电梯电动机M的转动快慢,已知电梯及压敏电阻的电源电压均恒定,则下列分析正确的是()A.当没有人在电梯上时,衔铁与触点2接触,电动机的转速较小B.当没有人在电梯上时,衔铁与触点1接触,电动机的转速较大C.当有人站在电梯上时,衔铁与触点2接触,电动机的转速较大D.当有人站在电梯上时,衔铁与触点1接触,电动机的转速较小C解析:C当人站在电梯上时,压敏电阻R的阻值减小,控制电路中电流增大,电磁铁磁性变强,则衔铁被吸下,与触点2接触,此时电阻R1没有接入电路,电动机两端电压为电源电压,电动机的功率变大,则电动机转速变快;当人走下电梯后,压敏电阻的阻值增大,则控制电路中电流变小,电磁铁的磁性变弱,衔铁被拉起与触点1接触,此时R1与电动机串联,电动机两端电压变小,电动机的功率变小,则电动机转速变小;综上所述C正确。
一、选择题1.如图,磁场垂直于纸面,磁感应强度在竖直方向均匀分布,水平方向非均匀分布。
一铜制圆环用丝线悬挂于O点,将圆环拉至位置a后无初速释放,在圆环从a摆向b的过程中()A.感应电流方向先逆时针后顺时针再逆时针B.感应电流方向一直是逆时针C.安培力方向始终与速度方向相反D.安培力方向始终沿竖直方向2.如图所示,两根足够长且平行的金属导轨置于磁感应强度为B=3 T的匀强磁场中,磁场的方向垂直于导轨平面,两导轨间距L=0.1m,导轨左端连接一个电阻R=0.5Ω,其余电阻不计,导轨右端连一个电容器C= 2.5 ⨯1010 pF,有一根长度为 0.2m 的导体棒ab,a端与导轨下端接触良好,从图中实线位置开始,绕a点以角速度ω = 4 rad/s 顺时针匀速转动75°,此过程通过电阻R的电荷量为()A.3 ⨯10-2 C B.23⨯10-3 CC.(30 + 23)⨯10-3 C D.(30 - 23)⨯10-3 C3.如图所示,P、Q是两个完全相同的灯泡,L是电阻为零的纯电路,且自感系数L很大,C是电容较大且不漏电的电容器,下列判断正确的是()A.S闭合,P灯逐渐变亮,Q灯逐渐变暗B.S闭合,P灯、Q灯同时亮,然后P灯变暗,Q灯亮度不变C.S闭合,电路稳定后,S再断开时,P灯突然亮一下,然后熄灭,Q灯立即熄灭D.S闭合,电路稳定后,S再断开时,P灯突然亮一下,然后熄灭,Q灯逐渐熄灭4.如图所示,两条光滑金属导轨平行固定在斜面上,导轨所在区域存在垂直于斜面向上的t 时,一导体棒由静止开始沿导轨下滑,下滑过程中匀强磁场,导轨上端连接一电阻。
0导体棒与导轨接触良好,且始终与导轨垂直。
不计导轨电阻,则导体棒下滑过程受到的安培力F、位移x、速度v、通过电阻的电流i随时间t变化的关系图中,可能正确的是()A.B.C.D.5.如图所示,一正四边形导线框恰好处于匀强磁场的边缘,如果将导线框以某一速度匀速向右拉出磁场,则在此过程中,下列说法正确的是()A.如果导线框的速度变为原来的2倍,则外力做的功变为原来的4倍B.如果导线框的速度变为原来的2倍,则电功率变为原来的2倍C.如果导线框的材料不变,而边长变为原来的2倍,则外力做的功变为原来的2倍D.如果导线框的材料不变,而边长变为原来的2倍,则电功率变为原来的2倍6.如图所示,通电直导线L和平行直导线放置的闭合导体框abcd,直导线与导体框在同一平面内,以下说法正确的是()A .导线固定,当导体框向上平移时,导体框中感应电流的方向为abcdaB .导体框固定,当导线L 向左平移时,导体框中感应电流的方向为adcbaC .导线固定,当导体框向右平移时,导体框中感应电流的方向为abcdaD .导体框固定,当导线L 向右平移时,导体框中感应电流的方向为abcda7.如图所示,水平放置的两条光滑轨道上有可自由移动的金属棒PQ 、MN ,MN 的左边有一闭合电路,当PQ 在外力的作用下运动时,MN 向右运动。
上海三门中学物理电与磁(培优篇)(Word版含解析)一、三物理电与磁易错压轴题(难)1.如图所示电路,是某学校楼道自动控制照明系统,R3是一光敏电阻,其阻值随“光照度E“的增大而减小,且成反比,其具体关系如下表所示(光照度E的单位是:勒克斯,符号Lx:光越强,光照度越大),光照度E/L x0.51 1.52 2.53光敏电用R3阻值/Ω603020151210(1)根据表格中数据写出光敏电阻的阻值R3与光照度E的函数关系式_________________;(2)当线圈中电流减小至10mA时,电磁继电器衔铁被弹簧拉起,启动照明系统,利用该装置可以实现当光照度低至某一设定值E0 Lx时,照明系统内照明灯自动工作。
若已知控制电路电源电压U v,电磁继电器线圈电阻为R1Ω.滑动变阻器最大阻值为R2Ω。
闭合开关,把滑片移到b端,则可得到照明系统启动时的光照度E0=______________。
【答案】330LxΩRE⋅=1230100U R R--【解析】【详解】(1)[1]由表格数据可知,光照度与光敏电阻R3阻值的乘积相等,E×R3=0.5lx×60Ω=30lx•Ω即:330LxΩRE⋅=;(2)[2]闭合开关S,将滑片P移至b端,变阻器接入电路中的电阻最大,由题可知,当线圈中电流减小至I0=10mA=0.01A时,电磁继电器衔铁被弹簧拉起,启动照明系统,所以,电路中的总电阻:=100Ω0.01AU UR UI==总;因串联电路中总电阻等于各分电阻之和,所以,R3的阻值:R3=R 总-R 1-R 2=100U -R 1-R 2,根据第一步的结果可知:03123030=100E R U R R =-- 。
2.根据古文《论衡•是应篇》中的记载:“司南之杓(用途),投之于地,其柢(握柄)指南”,学术界于1947年想象出司南的模样如图甲所示.(1)1952年,中国科学院物理研究所尝试将如乙图所示的天然磁石制作成司南,制作人员根据天然磁石的磁感线分布,将磁石的________ (填乙中字母)处打磨成磁勺的A 端.(2)把天然磁石按照正确方法打磨成磁勺后,放在粗糙的木盘上,使磁勺水平转动直至最终静止,但磁勺A 端总不能正确指南,请提出改进本实验的措施________ .(3)为达到理想的指向效果,制作人员将磁勺靠近一电磁铁,闭合开关S ,磁勺和电磁铁相互吸引后如图丙所示,可增加磁勺的磁性,由此判断H 为电源的________ 极.【答案】D 将磁勺放在光滑的水平面上,使其能自由转动 负【解析】【分析】(1)磁体静止时,指南的叫南极用字母S 表示;指北的叫北极,用字母N 表示;磁体周围的磁感线,都是从磁体的N 极出发,回到S 极;据此判断。
(2)磁勺要想指南北,必须能自由转动,不受外力的干扰,因此从减小外力干扰的角度来考虑;(3)磁极间的作用规律是:同名磁极相互排斥,异名磁极相互吸引;可用安培定则判断通电螺线管的两极极性和电源极性。
【详解】(1)磁勺在正确指南时,地理的南极正是地磁的N 极,异名磁极相互吸引,因此,其A 端为该磁体S 极;乙图中,根据天然磁石的磁感线分布,可判断D 端是S 极,也就是磁勺的A 端,故应将磁石的D 处打磨成磁勺的A 端;(2)把天然磁石打磨成的磁勺放在粗糙的木盘上,由于摩擦力较大,所以很难正确指示南北方向,正确的做法是将磁勺放在光滑的水平面上,使其能自由转动;(3)因为异名磁极相互吸引,则与磁勺柄所靠近的下端是通电螺线管的N 极,用安培定则可判断通电螺线管中的电流方向,再根据电流方向是从电源正极出发通过螺线管回到负极,可判断H 端为电源的负极。
3.如图所示为某学习小组同学设计的研究电磁铁的实验电路图.(1)当闭合开关S时,小磁针将向________(选填“顺时针”或“逆时针”)方向转动.(2)要改变电磁铁线圈中的电流大小,可通过________________________来实现;要判断电磁铁磁性强弱,可观察__________________来确定.(3)下表是该组同学所做实验的记录:①比较实验1、2、3(或4、5、6),可得出的结论是电磁铁的匝数一定时,通过电磁铁线圈中的电流________,磁性越强;②比较实验1和4(或“2和5”或“3和6”),可得出的结论是电磁铁线圈中的电流一定时,线圈匝数越多,磁性________.(4)在与同学们交流讨论时,另一组的一个同学提出了一个问题:“当线圈中的电流和匝数一定时,电磁铁的磁性强弱会不会还与线圈内的铁芯大小有关?”①你对此的猜想:____________________________;②现有两根大小不同的铁芯,利用本题电路说出验证你猜想的方法:___________.【答案】顺时针调节滑动变阻器吸引铁钉的个数越大越强当线圈中的电流和匝数一定时,电磁铁的磁性强弱与线圈内的铁芯大小有关分别把两个相同的线圈串联接入电路中,插入不同大小的铁芯,观察吸引铁钉的个数,进行比较【解析】(1)开关闭合后,由安培定则可知螺线管上方为N极,故小磁针S极会向下转动,N极向上转动,小磁针顺时针转动;(2)实验时,移动滑动变阻器的滑片,改变连入电路中的电阻,从而改变电路中的电流大小;电磁铁磁性越强,吸引大头针的数目越多,要判断电磁铁磁性强弱,可观察吸引大头针的多少;(3)①比较实验中的1、2、3(或4、5、6)可以看出,在线圈的匝数相同时,当电流增加时,吸引铁钉的个数也增加,说明在线圈的匝数一定时,通过电磁铁的电流越大,电磁铁的磁性越强;②比较实验中的1和4(或2和5或3和6)可以得出通过电磁铁的电流相同时,线圈匝数50匝的吸引5枚铁钉,线圈匝数为100匝的吸引铁钉7枚,说明在通过电磁铁的电流相同时,线圈的匝数越多,电磁铁的磁性越强.(4)①电磁铁的磁性强弱可能跟铁芯大小有关.探究电磁铁磁性强弱跟铁芯大小关系时,控制电流和线圈匝数不变,改变铁芯大小.②验证方案:保证两次电路中的线圈匝数和电流相同,让两次插入的铁芯的大小不一样,看吸引的铁钉数目的多少,如果两次吸引的数目不一样,则说明磁性的强弱与铁芯的大小有关.故答案为(1)顺时针;(2)调节滑动变阻器,吸引大头针的多少;(3)①越大;②越强;(4)①当线圈中的电流和匝数一定时,电磁铁的磁性强弱可能与线圈内的铁芯大小有关;②分别把两个相同的线圈串联接入电路中,插入不同大小的铁芯,观察吸引铁钉的个数,进行比较.4.磁体具有吸引铁、钴、镍等物质的性质。
小蕊和小昌同学想探究磁体对回形针的吸引力的大小与放入它们之间物体的哪些因素有关,请你参与探究并解决一些问题。
(1)如图a,保持磁体和纸片间的距离一定,在纸片上放入不同的物体时,通过比较纸片下面能吸附的回形针数量,显示磁体对回形针吸引力的大小。
回形针的放置有图b中的甲、乙两种方法,依据_______的原理,回形针在磁场中某点受到的吸引力等于它的重力,应选择图中____的方法。
(a) (b)(2)选择正确的方法后,他们在纸片上分别放入形状、面积和厚度相同、材料不同的铁板、铝板等,观查能吸引的回形针个数,多次实验后将数据记录在下表中。
①分析数据,可以得出:在其他条件相同时,放入铁板或镍板,吸引回形针的数量____,说明铁板和镍板对吸引力的影响____,即对磁性屏蔽效果明显。
②铁、镍、铝都是导体,而铝对磁性屏蔽效果不明显,原因可能是____。
③铝是导体,陶瓷、玻璃和塑料是绝缘体,从表中数据知道,它们对吸引力影响效果相同。
据此,你提出一个值得探究的问题:______________________。
(3)他们在纸片上分别放入形状和____相同、面积不同的铁板,发现铁板面积越大,吸住的回形针数量越少。
(4)日常生活中,磁卡常受外界磁场影响出现消磁现象。
请你根据含有铁、镍的物体对磁性屏蔽效果明显的性质,写出一种保护磁卡磁性的方法:_________________。
【答案】二力平衡乙较少(或明显减少) 较大(或明显) 铝不能被磁体吸引(或铝不能被磁化) 磁性屏蔽的效果与物体的哪些因素有关厚度磁卡放人铁盒中(或放入含有铁、镍丝的网状包里)【解析】【详解】(1)回形针受到两个力的作用:重力和磁体的吸引力,处于静止状态,所以这两个力是一对平衡力。
故应用的原理是二力平衡;甲乙两图比较,通过乙图中下方能够吸引的回形针数量,可以比较吸引力的大小,能达到实验目的,而甲图,在纸片下方吸引回形针数量不能比较出吸引力的大小,不能达到实验目的。
因此选择乙图;(2)①分析数据可以得出,在其它条件相同时,放入铁板或镍板,吸引回形针的数量较少,说明铁板和镍板对吸引力的影响较大,即对磁性屏蔽效果明显;②铁、镍、铝都是导体,而铝对磁性屏蔽效果不明显,原因可能是铝不是磁性物质,不能被磁化;③铝是导体,陶瓷、玻璃和塑料是绝缘体,从表中数据知道,它们对吸引力影响效果相同。
铁、镍、铝都是导体,它们对吸引力影响效果却不同。
因此提出的问题是:磁体屏蔽的效果与哪些因素有关;(3)根据控制变量法的思路,要研究屏蔽效果与铁板面积的关系,必须保持铁板的形状、厚度一定,改变面积大小,观察回形针被吸起的数目多少;(4)由于含有铁、镍的物体对磁性屏蔽效果明显,所以可以将磁卡放在铁盒中,磁性就能长时间保持了,磁卡不易受到外界磁场的影响。
【点睛】注意理解体会实验采用了控制变量法和转换法,两种方法都是初中物理常用的研究方法,要熟悉两种实验方法在初中物理实验中的应用。
5.控制变量法是解决复杂问题的一种有效方法,在我们的生活、学习和工作中有广泛的应用。
(1)下面四个研究实例中,采取控制变量法的是___________(填写选项前的字母)。
A.用水流的形成类比电流的形成B.研究磁场时,用磁感线描述空间磁场的分布情况C.研究滑动摩擦力与压力大小关系时,保持接触面的粗糙程度不变D.利用光线来研究光的直线传播现象(2)在探究影响浮力大小因素的活动中,同学们提出了下列三种猜想:猜想1:浮力的大小与物体浸入液体中的体积有关。
猜想2:浮力的大小与液体的密度有关。
猜想3:浮力的大小与物体的重力大小有关。
同学们通过实验探究,验证了猜想1和猜想2是正确的。
对于猜想3,甲乙两同学分别进行了如下的实验探究。
①甲同学的实验探究如下:实验:利用弹簧测力计、水和盐水,测算出同一铁块浸没在盐水中受到的浮力大小和浸没在水中受到的浮力大小不相等。
分析:由于铁块的重力大小不变,而铁块所受的浮力大小不等,所以铁块受到的浮力大小与铁块的重力大小无关。
结论:猜想3是错误的。
②乙同学的实验探究如下:实验:利用弹簧测力计和水,测算出体积相同的铁块和铝块浸没在水中受到的浮力大小相等。
分析:由于铁块、铝块的重力大小不等,而它们受到的浮力大小相等,所以浮力大小与重力大小无关。