国内知名房地产公司住宅标准化设计指导手册-1
- 格式:pptx
- 大小:42.61 MB
- 文档页数:477
目录前言第一篇规划(一)入口空间序列第二篇园林(一)入口空间-大门样式(二)入口空间-入口结合会所设置(三)入口空间-入口独立设置(四)装饰构筑物提炼第三篇建筑(一)立面固化-头部(二)立面固化-标准层(三)立面固化-基座第四篇室内(一)精神空间固化(二)会所配置固化(三)大堂固化第五篇部品(一)logo运用固化前言为贯彻落实保利地产天悦系品牌标准化落地,制定《保利地产天悦系品牌标准化指导手册》,以指导各子公司落实品牌标准化各项要求。
本册分为五大部分,用于指导天悦系产品设计:(一)规划篇:对天悦系产品入口空间序列进行统一,规定入口序列中所需采用的空间及景观配置(如水景、广场、大堂),同时对各项配置进行标准化要求,提升客户对在归家途中,对天悦的感知力。
(二)园林篇:对小区门头样式、入口流线组织进行固化,并对区内部分客户较为敏感的视觉及体验性要素(如水池装饰物、架空层、中心草坪)进行标准化控制,强化客户对天悦品牌的感知力。
(三)建筑篇:通过对重点(或全部)楼栋的头部、身段、基座、门头的标准化控制,增强天悦系不同项目之间的协调性,利于品牌影响力的传播。
(四)室内篇:对小区精神空间、会所所需配置的功能及室内大堂(地上和地下)空间进行了标准化控制,为习惯天悦系的客户,营造一种归家的感觉。
(五)部品篇:主要对天悦系“蝙蝠纹”logo的运用,进行了标准化控制,重复的logo运用,利于增强天悦系品牌在客户心中的印象。
本册条文适用于保利地产所有天悦系项目,文中所明确的必配部分,应在项目中强制执行,原则上不作修改。
选配部分应在本册及相应附件规定的条件下,按需自行选择执行。
本分册条文是根据我司品牌标准化的要求下进行制定,在具体项目落实的过程中,应先满足国家及地方现行有关规范及标准的相关规定。
保利地产天悦系品牌标准化指导手册研发中心图示备注3.前区广场兼做落客区设置,短边不应小于7m ,保证可以双车道通车。
4.入口大堂具体样式不限,形状规整,强调中轴仪式感,图示选型可作为参考:(1)横向轴线:进入后,精神空间位于正中,辅助功能位于左右两侧(2)纵向轴线:进入后,精神空间位于正中,辅助功能位于南北两侧5.配置精神空间,位于大堂轴线上,尺寸不小于8m*8m ,具体做法参见室内部分ab广场/落客区a (短边)≥7m≥8m≥8mD ≥8m Option 1Option 2Option 1(广州保利天悦)Option 2(南京保利天悦)图示备注“莫奈睡莲”装饰物(南京保利天悦)10.水池装饰物:统一为“莫奈睡莲”,同一IP的不断重复,有助于强化品牌形象,样式参考南京天悦11.架空层:设置架空层,将会所的部分功能从建筑中解放出来,通过室外、半室外空间来形成社区共享的泛会所。
优秀住宅产品标准研发设计中心分类配置面积段南方版北方版发布情况及备注产品名称层数产品名称层数标准版豪华系列标配大面宽T2115㎡YJ115-6 四房11F//已发布(详见已发图集团“优秀住宅”产品)YJ115-9 三房11/18F YJ125-5 三房版(建议版)18F140㎡YJ140-6 四房11/18/30FYJ140-9 四房11/18FYJ140-6a 四房(非穿套)30F215㎡二选一YJ215 五房/错层阳台9/16/30F YJ215-1 五房/非错层阳台9/16/30F260㎡YJ260 五房/错层阳台9/16/30F YJ260-1 五房/非错层阳台9/16/30F选配大面宽T2180㎡二选一YJ180-4 四房版10/17/31F//190㎡YJ190-2 五房版10/17/31F YJ190-1 四房版10/17/31F125㎡YJ125-7 四房版18F//高容版尊贵系列选配小面宽T2125㎡YJ125-5 三房版18F/已发布(详见已发图集团“优秀住宅”产品)140㎡YJ140-10 单套间11/18/33FYJ140-11 南北通透11/18F190㎡YJ190-3 五房版10/17/31FT3118㎡YJ118-518/34FYJ118 小面宽版18F143㎡YJ143-218/33F精英系列选配T4连廊型 YJ140&115 / YJ140&125 / YJ140&140 南北方版33F最新发布(2019.1.07)工字型、Y字型 YJG140&105-1 YJG140&105-2 YJY140&105-1 YJY140&105-2(注解:YJG表示工字型洋房、YJY表示Y字型洋房)33F/其他楼型//待搭建说明:1.标配140㎡面积段应首选YJ140-6舒适型主力产品,同时新增YJ140-6(T2-30X)、 YJ140-6a(T2-30X)版本及高容精英系列产品。
中梁地产集团住宅公区精装修标准化C标柔性设计(C+、C-)现代经典篇手册编制主编参编审议:地产集团联盟赋能管理平台精装修管理部:地产集团产品研发中心地产集团联盟赋能管理平台销售管理部地产集团联盟赋能管理平台成本管理部地产集团联盟赋能管理平台招采管理部:精装修系统领导小组Standard C standard of fine decoration in residential public area of Zhongliang real estate groupCONTENTS 1开篇1.前言2.编制说明3标准化C+标1.产品定位2.首层设计解析3.标准层设计解析4.地下大堂设计解析5.地下大堂前区设计解析6.配套设计7.成本核算8.物料表9.配置表2产品说明1.设计说明2.产品系列3.产品定级4.材质搭配5.人群分析6.产品主张7.客户敏感度8.整体效果图展示4标准化C-标1.产品定位2.首层设计解析3.标准层设计解析4.地下大堂设计解析5.地下大堂前区设计解析6.配套设计7.成本核算8.物料表9.配置表目录5总结篇1.差异化对比前言preface全结构考量▎中梁产品结构将从城市维度、客群维度、产品维度全维度的去做住宅全结构的考量。
柔性管控▎中梁的标准化不是管控每一个细节,而是通过一种方法鼓励区域在标准之上做出更有针对性的方针。
从整个产业链的角度思考,只要有更好解决问题的方法,中梁鼓励每一个事业单位打破陈规,用标准定义标准。
前置思考▎中梁的设计必须要有营销思维。
设计师需要知道市场要什么样的房子、消费者需要什么样的房子。
前置思考代表中梁始终站在用户思维思考,以人为本的解决真实生活需要。
一、编制目的作为公司重大战略目标之一,住宅标准化是实现“高周转、高增长”的有效工具之一:1.汇总住宅产品开发各环节的标准文件、项目经验、设计模块库等,以缩短住宅产品的开发周期,加快周转率。
2.提高新项目的产品设计和工程施工质量,减少设计变更和施工返工。
房地产标准化设计产品手册介绍房地产标准化设计产品手册是对房地产设计的规范和标准进行系统总结和归纳的一份文档。
本手册主要为开发商、设计师以及相关专业从事房地产设计的人员提供一个标准化的设计指南和参考,以确保房地产项目在设计中具备一致性、高质量和节约成本的特点。
为什么需要房地产标准化设计产品手册?房地产项目通常包含多个建筑、设施和配套设备,在设计过程中存在着大量变数和选择。
为了统一设计方案,提高施工的效率和质量,标准化设计产品手册成为必要的工具。
它可以规范设计流程、提供设计方案参考和技术要求,减少设计返工和施工质量问题。
标准化设计流程1.设计需求确认–收集开发商提供的项目需求和定位要求–与相关方沟通,确认设计目标和限制条件2.概念设计–编制概念设计方案,包括建筑形态、功能布局等–进行初步可行性分析,确定设计方案的可行性和创新点3.方案深化–在概念设计基础上,进一步详细展开设计方案–确定建筑的形状、结构、空间布局等具体要素4.技术方案设计–编制施工图纸,包括平面图、立面图、剖面图等–设计各种施工细节,如梁柱节点、排水布置等5.施工图深化–对技术方案进行设计调整和优化,确保符合工程施工要求–提供详细的材料规格、质量标准和施工方法6.审图和审批–确认设计方案符合相关法规和标准–申请审图和审批,获得设计方案的合法性证书设计标准与指南建筑设计标准1.建筑高度与容积率–不同区域的建筑高度和容积率要求不同,根据规划要求进行设计–遵循城市总体规划,合理控制楼高和容积率,保障城市景观和居民舒适度2.建筑材料选择–选择符合国家标准和建筑节能要求的绿色建材,保证建筑的质量和环保性能–在保证结构安全的前提下,尽可能降低材料的成本和施工难度3.功能布局与空间设计–合理规划建筑的功能布局,确保住宅、商业和公共设施之间的协调性–设计灵活利用空间,满足业主不同需求的场景4.建筑外观设计–注重建筑的整体形象和与周围环境的协调性–运用适当的外立面材料和造型设计,打造独特的建筑风格设备与设施标准1.电气与照明系统–确保电力系统的安全性和可靠性,满足不同需求的用电负荷–优化室内照明设计,提供良好的照明环境和节能效果2.暖通与空调系统–设计合理的暖通系统,保证室内舒适度和空气质量–选用高效节能的空调设备,减少能源浪费和碳排放3.水、排水与给排水系统–设计合理的给水和排水系统,确保供水安全和排水畅通–采用节水设备和水处理技术,提高水资源利用效率4.社区设施与绿化–设计人性化的社区设施,满足居民生活和休闲需求–注重小区绿化和景观设计,增加生活质量和居住舒适度优势与效益1.统一设计标准,提高设计一致性和质量2.减少设计返工,提高设计效率和节约成本3.降低施工风险和质量问题,提高工程施工质量4.为开发商提供参考和借鉴,提升竞争力和品牌形象5.为设计师提供规范化的设计指南,提升设计水平和专业能力结论房地产标准化设计产品手册对于房地产项目的设计具有重要意义。
某地产公司住宅标杆I代标准做法手册软景景观一.工法名称:粗地形堆筑(强制标准)强制要求:1土源不得含有渣土、建筑垃圾等有害物质;2、土方堆筑不得超过车库顶板的荷载。
工艺要点:1、地形构造应主次分明、高低起伏、饱满平顺、排水顺畅,符合设计要求;2、地形堆筑完成后再进行管线、道路基础及栽植施工。
精工标准:1按设计图纸做到地形丰满、自然,排水良好;2、清除沥青、混凝土、白灰等有毒物质。
二.工法名称:微地形修整(强制标准)强制要求:1、地表30cm内土壤须过筛或换填处理,清除2cm以上的砖头瓦块等杂质;2、铺草坪区域与硬景交接处填土标高应低于铺装完成面5cm,栽植地被绿篱区域与硬景交接处填土标高应低于铺装完成面2cm o工艺要点:1微地形修整须在乔木栽植、景石摆放、水电管线及道路基础完成后进行;2、细造型修整做到自然、平滑、平整;3、不得有垃圾、杂质;4、对地表30cm土层施基肥做土壤改良(施肥方案视项目土质情况确定)。
三、工法名称:苗木号苗(推荐标准)工艺要点:1苗源尽量选择本地苗圃,遵循适地适树原则,选用移植苗或移栽三个月前做断根处理;2、落叶苗木根据图纸保证胸(地)径、高度、冠幅,常绿苗木保证高度、冠幅;3、苗木生长健壮,无病虫害、无菌斑、无明显的枯弱主枝。
四、工法名称:苗木吊装(强制标准)工艺要点:1吊装前根据实际情况(横向吊或竖向吊)明确吊装部位,所吊位置用草绳缠绕或用橡皮垫进行保护;2、吊装大胸径苗木须用榔头或其他工具将吊带敲实,确保吊树专用带绑扎紧实牢固,防止吊装过程中吊带脱落或者滑动;3、起吊后要轻吊轻放,切忌生拔重放,不得损伤苗木和造成散球;4、冠幅大的苗木在起吊前用绳子把外面散乱的枝条向中间收拢,减少枝叶与空间的接触面,不可让树枝在地上拖行;5、整个吊装过程须轻吊轻放,应时刻关注吊臂转向,防止发生安全事故;6、一般情况下,尽量确保吊装树苗一次性安置到点位,减少吊装风险,条件不允许的情况下,可二次短驳吊运。
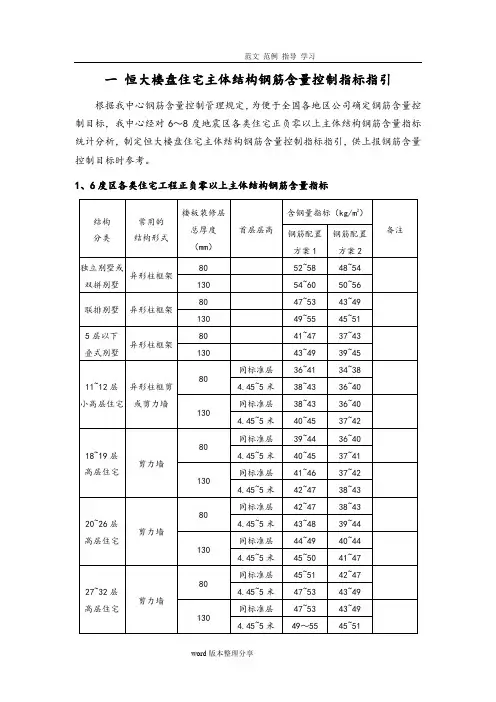
一恒大楼盘住宅主体结构钢筋含量控制指标指引根据我中心钢筋含量控制管理规定,为便于全国各地区公司确定钢筋含量控制目标,我中心经对6~8度地震区各类住宅正负零以上主体结构钢筋含量指标统计分析,制定恒大楼盘住宅主体结构钢筋含量控制指标指引,供上报钢筋含量控制目标时参考。
1、6度区各类住宅工程正负零以上主体结构钢筋含量指标注:1)钢筋配置方案1:板钢筋HPB235(直径12及以上HRB335);梁、柱、剪力墙暗柱主筋HRB335,箍筋HPB235(直径12及以上HRB335);剪力墙分布筋HRB335(直径10及以下HPB235)。
2)钢筋配置方案2:板钢筋HRB400;梁主筋HRB400,箍筋HPB235(直径12及以上HRB335);柱、剪力墙暗柱主筋HRB335,箍筋HPB235(直径12及以上HRB335);剪力墙分布筋HRB335(直径10及以下HPB235)。
3)计算钢筋含量指标统一以建筑面积作为基准面积。
当带下沉式大面积空中花园的建筑,可在表中基础上乘以增加系数K=1+(S1÷S2)/2。
如为两层高的空中花园,可在表中基础上乘以增加系数K=1+S1÷S2。
式中S1是空中花园的投影面积,S2是除空中花园以外的建筑面积。
4)本指标适用于场地土类别Ⅱ、Ⅲ类,如为Ⅰ类场地应略减,Ⅳ类场地应略增。
5)本指标适用于基本风压≤0.6kPa以下地区,大于0.6kPa地区的27~32层住宅应略增。
6)对11层以上高层住宅,本表适用于标准层层高≤3.1米的情况,如超过此层高,可在表中基础上乘以增加系数K=(层高÷3.1+1)/2。
7)低层别墅均按坡屋面不设水平板或拉梁考虑。
8)本表高层住宅均不设结构转换层,转换层钢筋含量应单独报审。
9)本数据未考虑施工损耗量,不包括砌体构造柱及砌体拉结筋。
包含屋面造型和立面饰线钢筋量。
2、7度区各类住宅工程正负零以上主体结构钢筋含量指标注:1)钢筋配置方案1:板钢筋HPB235(直径12及以上HRB335);梁、柱、剪力墙暗柱主筋HRB335,箍筋HPB235(直径12及以上HRB335);剪力墙分布筋HRB335(直径10及以下HPB235)。
华南保利高层住宅标准化产品使用手册5.0版室内篇保利华南技术部目录CONTENTS 章节一平面标准化1 . 编制说明2 . 梯度关系分析3 . 户型优化部分4 . 户型详图5 . 柜体优化6 . 室内户型使用说明7. 风险点说明章节二图纸成果1 . 图纸目录2 . 标准层室内平面点位3 . 首层大堂点位图4 .负一层大堂点位图5 . 橱柜立面6 . 玄关柜立面图7 . 浴室柜立面图一、平面标准化1.编制说明●编制依据保利C99精装标准化设计成果由国家建设部颁发的《建筑装修工程施工及验收规范》(GB.50210-2001)由国家建设部,技术监督局联合发布的《建筑内部装修设计防火规范》(GB50222-95)《建设电气安装工程质量检验评定标准》(GB50303-2015)《建筑地面工程施工质量验收规范》(GB50209-2010)《建筑设计防火规范》(GB50016-2014)《民用建筑工程室内环境污染控制规范》(GB50325-2010)《住宅室内装饰装修设计规范》JGJ 367-2015国家现行的有关规范、标准和规定,以及各地施工规范规定和要求●编制目的1、提高设计模块化与标准化2、标准化利于控制成本3、通过设计降低采购成本精装产业化住宅应该设计先行,在设计过程中重点强调三大设计:一是户型优化设计,二是设备化设计,三是精细化设计。
●适用范围适用保利华南区域所有在建项目●技术要点明确室内装修定位,成本控制《精装修设计任务书》编制精装修方案及施工图设计的评审编制说明梯度关系分析户型优化部分户型详图柜体优化室内户型使用说明风险点位说明平面标准化图纸成果2.梯度关系分析2.1.各面积段配置梯度关系分析:编制说明梯度关系分析户型优化部分户型详图柜体优化室内户型使用说明风险点位说明平面标准化图纸成果户型面积段(㎡)客厅面宽(净值mm)餐厅面宽(净值mm)主卧开间(净值mm)主卫开间(净值mm)双套件系统衣帽间玄关关系(mm)额外收纳系统160430043003900X31002500X1800有有玄关满墙有140400038003600X31002500X1800无合理前提下考虑玄关满墙有125370033003400X29002100X1800无有条件的部分户型设计1800≥ L ≥1500无100340034003400X28001700X1800无无L ≤ 1500无90以下320032003000X2600无无无L ≤ 1200无3-1-1玄关柜梳理及优化按户型优化玄关柜尺寸长度以及电箱位置以120Y-a(A)户型为例,如图:梯度关系分析户型优化部分户型详图柜体优化室内户型使用说明风险点位说明平面标准化图纸成果优化前优化后3-1-2主卧室尺寸优化按户型优化主卧室尺寸120Y-a(A)户型为例,如图:梯度关系分析户型优化部分户型详图柜体优化室内户型使用说明风险点位说明平面标准化图纸成果优化前优化后3-1-3卫生间尺寸优化按户型优化卫生间尺寸90W-a1(N)户型为例,如图:梯度关系分析户型优化部分户型详图柜体优化室内户型使用说明风险点位说明平面标准化图纸成果优化前优化后3-1-4长辈卧室以及公卫门洞尺寸优化按户型优化长辈卧室以及公卫门洞尺寸90W-a1(N)户型为例,如图:梯度关系分析户型优化部分户型详图柜体优化室内户型使用说明风险点位说明平面标准化图纸成果优化前优化后厨房模块户型对应表:编制说明梯度关系分析户型优化部分户型详图柜体优化室内户型使用说明风险点位说明平面标准化图纸成果玄关柜模块户型对应表:编制说明梯度关系分析户型优化部分户型详图柜体优化室内户型使用说明风险点位说明平面标准化图纸成果编制说明梯度关系分析户型优化部分户型详图柜体优化室内户型使用说明风险点位说明平面标准化图纸成果内容说明图例说明备注注明孔洞的定位以及大小尺寸和走管方式注明户型空间插座数量及定位尺寸户型孔洞设置图插座点位布置图成果说明编制说明梯度关系分析户型优化部分户型详图柜体优化室内户型使用说明风险点位说明平面标准化图纸成果内容说明图例说明备注注明户型空间灯具和开关数量,类型及定位注明户型给排水点位位置及冷热水设置方式成果说明灯具开关布置图户型给排水点位图编制说明梯度关系分析户型优化部分户型详图柜体优化室内户型使用说明风险点位说明平面标准化图纸成果内容说明图例说明备注以平立面形式反映强功能间插座水点点位及燃气线路走管方式燃气设置基于管道明装的情况,建议具体项目优先选用管道暗敷。
星河集团住宅室内标准化设计产品手册4.0D标集团产品中心星河集团住宅室内标准化设计产品手册4.0一、住宅D标二、电梯轿厢标准化1、住宅D 标105㎡●平面图●空间现场图●材料部品●C 、D 标方案对比住宅标厅以河源项目为交付标准参考,项目在精装交标决策前期,可由项目主责人组织各业务口到项目参考选型客厅玄关主卧室次卧室以河源项目为交付标准参考,项目在精装交标决策前期,可由项目主责人组织各业务口到项目参考选型卫生间(冷色调)厨房(冷色调)次卧室卫生间(暖色调)厨房(暖色调)以河源项目为交付标准参考,项目在精装交标决策前期,可由项目主责人组织各业务口到项目参考选型条形铝扣板集成吊顶石膏板吊顶+白色乳胶漆条形铝扣板集成吊顶原顶白色乳胶漆原顶白色乳胶漆防水石膏板吊顶+白色乳胶漆原顶白色乳胶漆窗帘盒+白色乳胶漆条形铝扣板集成吊顶原顶白色乳胶漆原顶白色乳胶漆石膏板吊顶+白色乳胶漆石膏板吊顶+白色乳胶漆原顶防水白色乳胶漆水泥砂浆找平CT-01 地砖800*800WF-01实木复合木地板910*125*12CT-04瓷砖300*600WF-01 实木复合木地板910*125*12CT-03 瓷砖300*600CT-03300*600ST-02 人造石20mm 厚CT-05 瓷砖600*600(需加工成300*600)CT-01 地砖800*800WF-01 实木复合木地板910*125*12ST-02 人造石20mm 厚ST-02 人造石20mm 厚ST-02 人造石20mm 厚ST-03 石英石20mm 厚ST-02 人造石20mm 厚固定家具示意厨房吊地柜主卫手盆柜+镜面12次卫手盆柜+镜面34玄关柜白色乳胶漆三聚氰胺饰面板仿木纹淋浴区防滑瓷砖多层复合木地板(12mm厚0.6木皮)灰色石英石石材门槛石客餐厅800*800瓷砖厨房卫生间瓷砖户内门PVC仿木纹天花原顶白色乳胶漆+平板石膏线地面抛釉砖800*800踢脚塑木踢脚线墙面白色乳胶漆门及门套成品PVC 覆膜门*主要材料*精装说明抛釉砖平板石膏线餐厅客厅天花原顶白色乳胶漆地面多层复合木地板910*127*12/0.6mm踢脚塑木踢脚线墙面白色乳胶漆门及门套成品PVC 覆膜门*精装说明主卫主卧室*主要材料天花原顶白色乳胶漆地面多层复合木地板910*127*12/0.6mm踢脚塑木踢脚线墙面白色乳胶漆门及门套成品PVC 覆膜门*精装说明次卧室*主要材料天花石膏板吊顶+防水乳胶漆地面抛釉砖800*800+柜底水泥砂浆找平墙面瓷片砖300*600柜体PVC 覆膜饰面柜体台面灰色石英石20mm*精装说明厨房*主要材料抛釉砖瓷片砖天花条形铝扣板+集成灯盘地面抛釉砖300*600墙面瓷片砖300*600柜体PVC 覆膜饰面+镜柜柜体台面一体盆*精装说明卫生间*主要材料白色条形铝扣板抛釉砖瓷片砖*主要材料*精装说明柜体板Pvc 覆膜饰面台面石英石门铰液压门铰镜柜+开放柜*主要材料*精装说明洗手台柜(一体台下盆)一体台盆镜柜镜柜+开放柜门铰液压门铰龙头冷热水龙头*主要材料*精装说明斜挂/T 型(国产)国产吊柜PVC 覆膜仿木纹地柜PVC 覆膜仿木纹台面石英石人造石油烟机斜挂/T 型机(国产)燃气灶国产洗菜盆国产龙头国产抛釉砖平板石膏线瓷片砖开关插座白色条形铝扣板钢化超白玻水盆龙头马桶水盆龙头阳台地漏厨房门导轨厨房门拉手玄关柜底部通风C标客厅D标客厅局部吊顶+灯带天花角线C 标主卧D 标主卧局部吊顶+灯带天花角线C标厨房D标厨房C标卫生间D标卫生间石膏板吊顶+防水乳胶漆+射灯石膏板吊顶+防水乳胶漆600*600地砖300*600地砖+平板灯+射灯3、电梯轿厢标准化●平面图●空间现场图●材料部品●成本分析住宅标厅地面铺装图石材2石材1主材可优化/提升模块:地面中间石材/后轿壁木饰面●设计原则●地面:石材围边石材波打线为轿厢设计标准化选型,中间的整块石材可由项目结合地域及成本需求进行优化/提升,形成有温度的品质感。
目录第一章建筑篇第一部分总平面规划设计恒大住宅系列户型分类表1(一)规划设计21规划设计基础条件22总平面设计43消防设计44竖向设计55道路系统56绿地系统67流线设计68综合管线设计69配套设施6(二) 酒店、综合楼、六大中心停车位6(三) 地下车库设计71地下室方案设计72首期地下车库(非机械车库)布置10(四) 路灯布置121路灯布置原则122路灯中心距道路边线距离13(五) 住宅、别墅首层外花园划分方案131住宅、别墅首层外花园划分两种方案132附图13第二部分住宅单体设计(一) 标高与层高201标高设置202 层高取值213各功能空间标高设计23(二) 住宅公共空间设计261首层公共空间262标准层公共部分273住宅公共空间建筑装修标准33(三) 户内单元部分361户内设计总体原则362客厅及卧室373厨房设计384卫生间415阳台设计436空调机及飘窗设计447铝合金门、窗538其他55第三部分其他(一) 幼儿园土建装修标准57(二) 小学教案楼、宿舍、食堂、风雨操场土建装修标准601教案楼602宿舍633食堂654风雨操场66(三) 坡屋面排水方式设计671别墅672非别墅类住宅与各类公建67(四) 防水涂料67第二章结构篇(一)总则68(二) 基础部分681钻探要求682基础选型69(三) 地下室部分691 柱、梁、板692 外墙693 地下室构造694 剪力墙暗柱、柱纵筋的插筋在基础内锚固要求69(四) 地上部分691 结构选型692 梁布置703 板布置714 剪力墙、柱布置715 伸缩缝设置726 其他72(五)裂缝控制措施731 住宅732 公建74第三章电气篇(一) 说明74(二) 强电系统751 住宅负荷指标752 导线、电缆的选型773 住户内配电箱、弱电箱、开关、控制箱选型77(三) 设备安装771住宅设计要求77(四) 照明系统83(五) 管井及设备用房83(六) 设备安装及线路敷设84(七) 室外配套设施85(八) 防雷与接地85(九) 消防设施配置86(十) 智能化系统86附录一:桥架、金属线槽用料厚度标准86附录二:住宅柴油发电机负荷取值标准87第四章给水排水篇(一) 说明错误!未定义书签。
绿都地产集团设计管理手册(试行版)2016年汇编集团设计部2016年9月1日前言本手册为绿都地产集团设计管理标准化内容汇编,包含了34项管理制度、8项指引及技术标准。
本手册为绿都地产集团设计职能评价的基础依据,亦为实现设计工作管理标准化、规范化的指导,方便设计人员能够全面、迅速、准确地了解设计职能全部制度、重要的指引、技术标准、流程及业务权责。
本手册每年3月根据使用情况进行更新。
目录第一部制度、指引及技术标准第二部权责手册及流程第一部分制度、指引及技术标准第一章总则1.目的1.1制定设计费指导价格,控制设计成本,确保设计费在合理范围。
1.2搭建设计类分供方信息库,筛选优秀设计分供方,淘汰不良设计分供方,形成分供方库的良性循环。
1.3规范项目的设计单位选择、设计合同费用确定的流程,完善项目设计费用的管控模式。
2.适用范围各事业部地产项目3.定义3.1项目总体设计费:在项目合约规划中与设计有关的费用总和。
单位:元。
3.2设计费综合单价:项目总体设计费与项目总建筑面积的比值。
单位:元/㎡。
3.3设计费单价:各专业对应不同业态的设计费单价。
单位:元/㎡。
第二章管理细则4.设计费管理要求对于单个项目分期,设计费用采用“总价”和“单价”双控的原则进行控制。
4.1总价管理原则:项目总体设计费作为控制项目总体设计费用的依据,在成本系统中完成审批。
原则上项目总体设计费不得超启动版目标成本。
如果项目总体设计费超出,需要在调整费项前完成特殊审批,并被处以相应的处罚【详见第6条奖惩】。
4.2单价管理原则:设计费单价作为设计费用筹划预算及设计单位选择、合约谈判时的依据,原则上各阶段各业态的设计费单价均应作比价,特殊设计项需在合同提交前的拟选用审批中说明选用单价依据。
5.设计分供方管理要求5.1等级划分:设计分供方等级划分为集团战略、较好、合格、储备、不合格。
5.1.1集团战略:集团签订战略框架协议的设计单位。
5.1.2较好:已合作过项目,且合同评价分数在80分以上。