无缝钢管的检验标准(DOC)
- 格式:doc
- 大小:44.00 KB
- 文档页数:49
无缝管钢管质量检验方法前言无缝管钢管是重要的钢铁材料之一,广泛应用于石油、天然气、化工、电力、交通等行业。
为了确保其质量达到相关标准和客户要求,必须采用科学的质量检验方法。
本文将介绍无缝管钢管的常用质量检验方法,供相关从业人员参考。
外观检验1.外观检查无缝管钢管应外观无裂痕、崩边、折叠和涂装等缺陷,表面应平整,光滑,无明显锈蚀和损伤。
应检查其上下端面无滚边、露肉、划痕等缺陷。
2.直径和壁厚检查测量无缝管钢管的直径和壁厚,应用卷尺和磁测仪进行测量。
直径误差不能超过壁厚允许误差的百分之五。
壁厚误差应在允许误差范围内。
化学成分检验1.取样从无缝管的两端各取一段,并计算出取样的重量。
采取的数量一般按照规定来确定。
如果未规定,一般是按每个批次2个取样。
2.化学成分分析对取样后的无缝管钢管进行化学分析。
测定元素有C、Si、S、P、Mn、Ti、V 等元素的含量,以及判定是否符合国家、行业标准要求。
机械性能检验1.取样取样的方法与化学成分分析相同。
2.压扁试验将取样的无缝管压扁,观察其裂纹情况。
3.弯曲试验将取样的无缝管弯曲,观察其裂纹情况。
4.拉伸试验取样后,用拉伸试验机进行试验,分析无缝管钢管在不同条件下抗拉强度、屈服强度、伸长率及冲击功等性能是否符合标准或客户要求。
磁粉探伤磁粉探伤是常规的检验方法,用于检查无缝管钢管是否有裂纹、气泡等缺陷。
超声波探伤超声波探伤是一种能发现即将或已经形成的裂纹、划伤、气泡、夹杂等缺陷的无损检验方法。
小结为确保无缝管钢管的质量符合标准和要求,必须采用科学的质量检验方法。
本文介绍了外观检验、化学成分检验、机械性能检验、磁粉探伤、超声波探伤等常用的检验方法。
各种检验方法的综合应用,有助于保障无缝管钢管质量的稳定和提升。
无缝钢管的检验标准钢管几何尺寸及外形检查:①钢管壁厚检查:千分尺、超声测厚仪,两端不少于8点并记录。
②钢管外径、椭圆度检查:卡规、游标卡尺、环规,测出最大点、最小点。
③钢管长度检查:钢卷尺、人工、自动测长。
④钢管弯曲度检查:直尺、水平尺(1m)、塞尺、细线测每米弯曲度、全长弯曲度。
⑤钢管端面坡口角度和钝边检查:角尺、卡板.钢管表面质量检查:100%①人工肉眼检查:照明条件、标准、经验、标识、钢管转动。
②无损探伤检查:a. 超声波探伤UT:对于各种材质均匀的材料表面及内部裂纹缺陷比较敏感。
标准:GB/T 5777-1996 级别:C5级b. 涡流探伤ET:(电磁感应)主要对点状(孔洞形)缺陷敏感。
标准:GB/T 7735-2004 级别:B级c. 磁粉MT和漏磁探伤:磁力探伤,适用于铁磁性材料的表面和近表面缺陷的检测。
标准:GB/T 12606-1999 级别:C4级d. 电磁超声波探伤:不需要耦合介质,可以应用于高温高速,粗燥的钢管表面探伤。
e. 渗透探伤:荧光、着色、检测钢管表面缺陷。
钢管理化性能检验:①拉伸试验:测应力和变形,判定材料的强度(YS、TS)和塑性指标(A、Z)纵向,横向试样管段、弧型、圆形试样(¢10、¢12.5)小口径、薄壁大口径、厚壁定标距。
注:试样断后伸长率与试样尺寸有关GB/T 1760②冲击试验:CVN、缺口C型、V型、功J 值J/cm2标准试样10×10×55(mm)非标试样5×10×55(mm)③硬度试验:布氏硬度HB、洛氏硬度HRC、维氏硬度HV 等④液压试验:试验压力、稳压时间、p=2Sδ/D钢管工艺性能检验:①压扁试验:圆形试样C形试样(S/D>0.15)H=(1+2)S/(∝+S/D)L=40~100mm 单位长度变形系数=0.07~0.08②环拉试验:L=15mm 无裂纹为合格③扩口和卷边试验:顶心锥度为30°、40°、60°④弯曲试验:可代替压扁试验(对大口径管而言)钢管几何尺寸及外形检查:①钢管壁厚检查:千分尺、超声测厚仪,两端不少于8点并记录。
管材的检验1 核对检验通知单、质量证明书、无缝钢管规格,应该一致。
2 检查质量证明书中的各项指标应符合国家标准。
3 检查主要外形尺寸。
4 标志外径不小于36 mm的钢管及截面周长不小于150 mm的异型钢管,应在每根钢管一端的端部有喷印、盖印、滚印、钢印或粘贴印记。
印记应清晰明显,不易脱落。
外径小于36 mm的钢管和截面周长小于150 mm的异型钢管,可不打印记。
6 低压流体输送用焊接钢管和镀锌焊接钢管的尺寸规格及偏差7 螺旋焊管的允许偏差板材的检验1 核对检验通知单、质量证明书、钢板规格,应该一致。
2 检查质量证明书中的各项指标应符合国家标准。
3 检查主要外形尺寸。
4 检查标志在每张钢板的端的端部,有喷印、盖印、滚印、钢印或粘贴印记。
印记应清晰明显,不易脱落。
5 钢板的主要尺寸允许偏差钢板长度允许偏差单位 mm切边钢板宽度允许偏差钢板和钢带正负允许偏差各种型材的检验1 核对检验通知单、质量证明书、型材的规格,应该一致。
2 检查质量证明书中的各项指标应符合国家标准。
3 检查主要外形尺寸。
4标志型钢的标志可采用打钢印、喷印、盖印、挂标牌、粘贴标签和放置卡片等方式。
标志应字迹清楚牢固可靠。
逐根交货的型钢(冷拉钢除外),应在端面或靠端部逐根作上牌号、炉罐(批)号等印记。
成捆交货的普通中型型钢可不逐根标记。
成捆(盘)交货的型钢,每捆(盘)至少挂两个标牌,标牌上应有供方名称(或厂标)、牌号、炉罐(批)号、规格(或型号)、重量等印记。
每根型钢作有标志时,可不挂标牌。
国标无缝钢管标准国标无缝钢管是指按国家标准生产的无缝钢管,国标无缝钢管标准是对无缝钢管的生产、质量、技术要求等方面进行规范的标准。
国标无缝钢管标准的制定和执行,对于保障无缝钢管产品的质量、安全和可靠性具有重要意义。
首先,国标无缝钢管标准对无缝钢管的材质、化学成分、力学性能等方面进行了详细规定。
无缝钢管作为一种重要的管材产品,其材质和化学成分的稳定性和合理性直接影响着产品的使用性能和寿命。
国标无缝钢管标准的制定,可以保证无缝钢管的材质和化学成分符合国家标准,从而保证产品质量和安全性。
其次,国标无缝钢管标准对无缝钢管的生产工艺、制造方法、检验检测等方面也进行了详细规定。
无缝钢管的生产工艺和制造方法直接关系到产品的成型质量和内在性能,而检验检测则是保证产品质量的重要手段。
国标无缝钢管标准的执行,可以规范无缝钢管的生产工艺和制造方法,同时保证产品的质量检验检测符合国家标准,从而保证产品质量和可靠性。
另外,国标无缝钢管标准还对无缝钢管的外观质量、尺寸偏差、表面缺陷等方面进行了规定。
无缝钢管作为一种管材产品,其外观质量和尺寸偏差直接关系到产品的使用效果和安装质量,而表面缺陷则会影响产品的耐久性和美观度。
国标无缝钢管标准的制定和执行,可以保证无缝钢管的外观质量和尺寸偏差符合国家标准,同时保证产品的表面质量符合要求,从而保证产品的使用效果和美观度。
总的来说,国标无缝钢管标准的制定和执行,对于保障无缝钢管产品的质量、安全和可靠性具有重要意义。
只有严格执行国标无缝钢管标准,才能保证无缝钢管产品的质量和可靠性,满足用户的需求和要求。
希望无缝钢管生产企业和相关部门能够重视国标无缝钢管标准,严格执行标准要求,提升产品质量,保障用户权益,推动无缝钢管行业的健康发展。
sus316无缝钢管标准全文共四篇示例,供读者参考第一篇示例:SUS316不锈钢是一种具有优良耐腐蚀性能的钢材,被广泛应用于化工、医药、食品等领域。
在工业生产中,SUS316无缝钢管是一种重要的管材材料,具有良好的加工性能和耐腐蚀性能。
下面我们来了解一下关于SUS316无缝钢管标准的相关知识。
1. SUS316无缝钢管的材质标准:SUS316无缝钢管的主要成分是Cr、Ni、Mo等合金元素,具有较高的耐腐蚀性能。
根据国家标准,SUS316无缝钢管的化学成分应符合以下要求:C≤0.08%,Si≤1.00%,Mn≤2.00%,P≤0.045%,S≤0.030%,Cr:16.0-18.0%,Ni:10.0-14.0%,Mo:2.0-3.0%。
2. SUS316无缝钢管的机械性能标准:SUS316无缝钢管的机械性能是衡量其材质质量的重要指标。
根据国家标准,SUS316无缝钢管的抗拉强度应不低于520MPa,屈服强度应不低于205MPa,延伸率应不低于40%。
3. SUS316无缝钢管的外形尺寸标准:SUS316无缝钢管的外径和壁厚是生产和使用中需要严格控制的重要参数。
根据国家标准,SUS316无缝钢管的外径范围一般在6mm-530mm之间,壁厚范围一般在0.5mm-50mm之间。
SUS316无缝钢管的长度一般为6m-12m,也可以根据客户的需要进行定制生产。
4. SUS316无缝钢管的表面质量标准:SUS316无缝钢管的表面质量对其使用寿命和美观度都有很大的影响。
根据国家标准,SUS316无缝钢管的表面应光滑平整,无裂纹、氧化皮和划痕,其内外表面的粗糙度应符合相关要求。
5. SUS316无缝钢管的包装标准:SUS316无缝钢管在运输和储存过程中需要进行适当的包装,以保证其质量不受损坏。
根据国家标准,SUS316无缝钢管一般采用塑料布或塑料薄膜包装,外包装一般采用编织袋或木箱,同时需要标明产品的型号、规格、批号等信息。
9948-2013无缝钢管标准一、总则1.1 本标准规定无缝钢管的名称、种类、型号、尺寸、订货技术要求及检验规则。
1.2 本标准适用于普通用途和各种特殊用途的无缝钢管,其热处理状态及外径、壁厚的种类型号与本标准相对应。
二、术语2.1 无缝钢管:用于各种用途的铸造机制精密无缝加工的管件。
2.2 产品种类:无缝钢管按设计性质和技术性能分类,有普通类、特殊用途类、加冷假、伸加热和非标制管及其他用途的无缝钢管。
2.3 热处理状态:无缝钢管的热处理状态分为无热处理、正火和回火三种状态。
2.4 抽检:根据《IS088-1986统计质量管理和抽检法》的要求,从批量的产品中,按一定比例进行特定技术要求的检验。
三、产品名称和型号3.1 无缝钢管的名称由中文拼音表示,形式为:X无缝钢管其中,X表示热处理状态,分为:H(正火)、N(回火)和R(无热处理)3.2 无缝钢管的型号应遵照GB/T3086-2008的标准,具体的型号表示形式:X/D×L×B1/B2其中,X表示无缝钢管的热处理状态;D表示外径;L表示管件长度;B1表示管件壁厚度;B2表示上端厚度。
四、技术要求4.1 加工质量无缝钢管的主要工艺技术参数应符合GB/T14291-1993的有关规定。
4.2 尺寸无缝钢管外径和壁厚表示尺寸应符合GBT699-2008的规定。
4.3 结构用途无缝钢管用途种类应符合GB/T14291-1993的规定。
五、检验规则5.1 抽检范围批量生产的产品抽检应遵循GB/T448-1984的规定。
5.2 抽检项目无缝钢管应按照GB/T3090-2008的规定进行外径、壁厚尺寸及断面形状的检验。
5.3 全检:用于液体和煤气输送管道等特殊用途的无缝钢管应按GB/T9115-2008的要求,进行弯曲检验、水压试验和有色金属电离质量分析试验。
无缝钢管标准:异形无缝钢管在城市建设中起着至关重要的作用,它的好坏直接影响到生活建筑的坚实程度和质量高低,要想在鱼目混珠的方管市场中选择一款优质的方管,首先要学会识别劣质方管。
简介:无缝钢管因其制造工艺不同,又分为热轧(挤压)无缝钢管和冷拔(轧)无缝钢管两种。
冷拔(轧)管又分为圆形管和异形管两种。
无缝钢管又因其用途不同而分为如下若干品种:1.结构用无缝钢管(GBT8162-2008)。
主要用于一般结构和机械结构。
其代表材质(牌号):碳素钢、20、45号钢;合金钢Q345、20Cr、40Cr、20CrMo、30-35CrMo、42CrMo等。
2.输送流体用无缝钢管(GBT8163-2008)。
主要用于工程及大型设备上输送流体管道。
代表材质(牌号)为20、Q345等。
3. 低中压锅炉用无缝钢管(GB3087-2008)是用于制造各种结构低中压锅炉过热蒸汽管、沸水管及机车锅炉用过热蒸汽管、大烟管、小烟管和拱砖管用的优质碳素结构钢热轧和冷拔(轧)无缝钢管。
代表材质为10、20号钢。
4. 高压锅炉用无缝钢管(GB5310-2008)是用于制造高压及其以上压力的水管锅炉受热面用的优质碳素钢、合金钢和不锈耐热钢无缝钢管。
代表材质为20G、12Cr1MoVG、15CrMoG等。
5. 高压化肥设备用无缝钢管(GB6479-2000)是适用于工作温度为-40~400℃、工作压力为10~30Ma的化工设备和管道的优质碳素结构钢和合金钢无缝钢管。
代表材质为20、16Mn、12CrMo、12Cr2Mo等。
6.石油裂化用无缝钢管(GB9948-2006)。
主要用于石油冶炼厂的锅炉、热交换器及其输送流体管道。
其代表材质为20、12CrMo、1Cr5Mo、1Cr19Ni11Nb等。
7.地质钻探用钢管(YB235-70)是供地质部门进行岩心钻探使用的钢管,按用途可分为钻杆、钻铤、岩心管、套管和沉淀管等。
8.金刚石岩芯钻探用无缝钢管(GB3423-82)是用于金刚石岩芯钻探的钻杆、岩心杆、套管的无缝钢管。
无缝钢管允许偏差标准# 无缝钢管允许偏差标准## 一、前言嘿,朋友们!咱们今天来唠唠无缝钢管允许偏差标准这事儿。
你看啊,在咱们的很多工程和生产领域里,无缝钢管那可是个相当重要的材料。
不管是建筑里的结构支撑呢,还是石油管道用来运输那些油啊气的,都离不开无缝钢管。
但是呢,你要是想让这些无缝钢管在各种场景下都能完美地发挥作用,就得有个标准来规范它,这个标准就是无缝钢管允许偏差标准啦。
这个标准就像是一把尺子,量着无缝钢管各个方面的指标,确保它们不会偏差太大,这样咱们用起来才放心,工程质量啥的也才有保障呢。
## 二、适用范围(一)建筑领域在建筑行业里,无缝钢管可用于搭建脚手架、支撑建筑物的框架等。
比如说,在盖高楼大厦的时候,那些垂直的支撑结构很多时候就是用无缝钢管做的。
这个时候,无缝钢管的尺寸、壁厚等参数要是偏差太大,那可就麻烦了。
脚手架可能就不稳固,容易发生危险;建筑物的框架如果钢管偏差大,可能就影响整体的结构强度。
(二)石油化工行业石油和天然气的运输管道,大部分是无缝钢管。
你想啊,这些管道要在地下或者海上铺设很长的距离。
如果钢管的内径、外径或者壁厚有很大的偏差,就可能导致运输效率降低,甚至发生泄漏事故。
就好比你用一根粗细不均的管子来通水,水的流量肯定会受到影响,石油天然气也是一样的道理。
(三)机械制造在机械制造里,无缝钢管可能被用作传动轴或者一些液压系统的部件。
要是钢管的尺寸、直线度等有偏差,那机械的运转就可能不顺畅,会产生震动、磨损加剧等问题。
比如汽车发动机里的一些钢管部件,如果偏差超标,发动机的性能就会大打折扣。
## 三、术语定义(一)外径偏差简单来说呢,外径偏差就是指无缝钢管实际测量的外径数值和标准规定的外径数值之间的差值。
比如说,标准规定某型号的无缝钢管外径是100毫米,实际测量出来是101毫米或者99毫米,那这个1毫米或者 -1毫米就是外径偏差啦。
这个偏差不能太大,不然就可能影响它和其他部件的配合,就像你穿鞋子,如果鞋子的大小偏差太大,要么挤脚要么松松垮垮的,都不合适。
无缝钢管标准无缝钢管是广泛应用于工业和建筑等许多领域的一种重要产品。
根据不同应用,无缝钢管的性能指标也不同。
因此,国家对无缝钢管的性能指标设定了一些标准,以保证无缝钢管的质量水准,并确保无缝钢管应用安全可靠。
一、无缝钢管性能指标无缝钢管是指采用高品质冷拔无缝钢管材料制作而成的管道,广泛应用于石油、化工、机械、汽车、核电和管道等行业。
由于无缝钢管的应用范围涉及到重要的人身安全和财产安全,因此对无缝钢管性能指标的要求非常严格。
根据国家质量标准,无缝钢管的主要性能指标主要有以下几项:1、强度要求:无缝钢管的强度应满足GB/T 8162-2008《结构用无缝钢管》标准要求。
2、材料成分要求:无缝钢管的材料有钢号和标准要求,钢号和化学成分应符合GB/T 8162-2008《结构用无缝钢管》标准要求。
3、外观条件要求:缝钢管的外观应满足GB/T 8162-2008《结构用无缝钢管》标准要求。
4、热处理要求:无缝钢管的热处理工艺应满足GB/T 8162-2008《结构用无缝钢管》标准要求。
5、耐磨性能要求:无缝钢管的耐磨性能应满足GB/T 8162-2008《结构用无缝钢管》标准要求。
6、涂层要求:无缝钢管的涂层应满足GB/T 8162-2008《结构用无缝钢管》标准要求。
二、无缝钢管质检标准无缝钢管的质量检验应按照GB/T 8162-2008《结构用无缝钢管》标准进行,质量检验是确保无缝钢管质量的基础。
质量检验应分为几个主要部分:1、外观检验:关于无缝钢管的外观检验,应检查管体表面是否有裂纹、脱硫片、孔眼、焊痕、螺纹等缺陷,涂层是否凹凸不平、粉末掉落、剥落等等,如果有此类缺陷应及时进行排查处理。
2、尺寸检验:关于无缝钢管的尺寸检验,应检查外径是否符合标准,内径是否符合规定的要求,厚度是否符合标准要求。
3、压力检验:关于无缝钢管的压力检验,应检查管体在规定的压力下是否仍能够维持一定的强度,如果发生变形,则表明管体不符合要求,应及时更换。
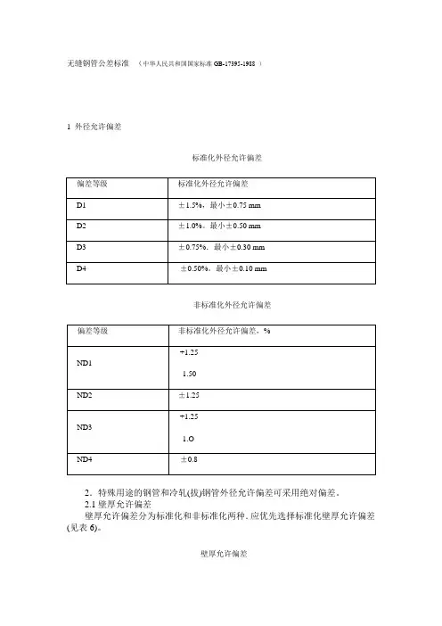
无缝钢管公差标准(中华人民共和国国家标准GB-17395-1988)
1 外径允许偏差
标准化外径允许偏差
非标准化外径允许偏差
2.特殊用途的钢管和冷轧(拔)钢管外径允许偏差可采用绝对偏差。
2.1壁厚允许偏差
壁厚允许偏差分为标准化和非标准化两种.应优先选择标准化壁厚允许偏差(见表6)。
壁厚允许偏差
2.3.3.2推荐选用的非标准化壁厚允许偏差(见表7)。
2.3.3.3特殊用途的钢管和冷轧(拔)钢管壁厚允许偏差可采用绝对偏差。
3长度
3.1 通常长度:
钢管一般以通常长度交货。
通常长度应符合以下规定:
热轧(扩)管:3000~12000 mm
冷轧(拔)管:2000~10500 mm
热轧(扩)短尺管的长度不小于2 m.冷轧(拔)短尺管的长度不小于1 m,3.2定尺长度和倍尺长度:
定尺长度和倍尺长度应在通常长度范围内.全长允许偏差分为三级(见表8)。
每个倍尺长度按以下规定留出切口余量:
外径≤159 mm:5~10 mm;
外径>159 mm:10~15 mm。
表8 全长允许偏差
3.3特殊用途的钢管.如不锈耐酸钢极薄壁钢管、小直径钢管等的长度要求可另行规定。
无缝钢管尺寸、外形、重量及允许偏差参考论文-无缝钢管尺寸、外形、重量及允许偏差参考详情-无缝钢管尺寸、外形、重量及允许偏差参考咨询-无缝钢管尺寸、外形、重量及允许偏差参考网-无缝钢管尺寸、外形、重量及允许偏差资讯-
无缝钢管尺寸、外形、重量及允许偏差新闻-无缝钢管尺寸、外形、重量及允许偏差内。
无缝钢管探伤检测标准
无缝钢管的探伤检测包括多个方面,具体的检测标准和流程可能因不同的应用场景和材料而有所不同。
以下是一些常见的检测标准:
1. 钢管弯曲度检查:可以采用细线或仪器测量每米或全长的弯曲度。
2. 钢管端面角度和钝边检查:可以使用角尺或其他测量工具进行测量。
3. 钢管表面质量检查:可以通过人工肉眼检查、无损探伤等方法进行检测。
其中,无损探伤包括超声波探伤、涡流探伤、磁粉探伤、漏磁探伤、电磁超声波探伤和渗透探伤等。
这些方法可以检测出钢管表面和近表面的缺陷,如裂纹、孔洞、夹杂物等。
4. 钢管理化性能检验:包括拉伸试验、弯曲试验、冲击试验、硬度试验等,以测定钢管的机械性能和工艺性能。
这些试验可以判定材料的强度、塑性、韧性、硬度等指标,以及评估钢管在加工和使用过程中的性能表现。
具体的检测标准可以根据相关行业标准和规范进行选择和执行,以确保无缝钢管的质量和可靠性。
40Cr无缝钢管是一种常见的无缝钢管材质,其标准主要包括以下几个方面:化学成分、机械性能、技术要求、检验方法和标志等。
下面我将详细介绍40Cr无缝钢管的标准。
一、化学成分40Cr无缝钢管的化学成分应符合以下要求:碳(C)含量为0.37-0.44;硅(Si)含量为0.17-0.37;锰(Mn)含量为0.50-0.80;磷(P)含量不超过0.035;硫(S)含量不超过0.035;铬(Cr)含量为0.80-1.10。
二、机械性能40Cr无缝钢管的机械性能要求如下:抗拉强度(σb)大于980MPa;屈服强度(σs)大于785MPa;伸长率(δ5)大于9%;收缩率(ψ)大于45%。
三、技术要求40Cr无缝钢管的技术要求包括外观质量、尺寸偏差、机械性能和冲击性能等方面的要求。
1. 外观质量:无裂纹、折叠、滚痕、分层和夹渣等缺陷。
2. 尺寸偏差:主要包括外径、壁厚和长度的允许偏差范围。
3. 机械性能:符合上述机械性能要求。
4. 冲击性能:冲击功(AKv)不小于39J。
四、检验方法40Cr无缝钢管的检验方法主要包括化学成分分析、机械性能测试、外观检查和非破坏检测等。
1. 化学成分分析:采用光谱分析或化学分析方法进行。
2. 机械性能测试:包括拉伸试验、收缩率试验和冲击试验等。
3. 外观检查:目测或借助显微镜等设备进行。
4. 非破坏检测:包括超声波检测、磁粉检测和涡流检测等。
五、标志40Cr无缝钢管的标志应包括以下内容:钢管标志、钢号、规格、生产批号、生产日期和生产厂家等信息。
综上所述,40Cr无缝钢管的标准主要涵盖了化学成分、机械性能、技术要求、检验方法和标志等方面。
这些标准的制定和执行,有助于确保40Cr无缝钢管的质量稳定,满足各行各业对钢管的需求。
在使用40Cr无缝钢管时,应严格按照相关标准进行选择、采购和使用,以确保工程质量和安全性。
无缝钢管出厂检测标准及流程说明下载温馨提示:该文档是我店铺精心编制而成,希望大家下载以后,能够帮助大家解决实际的问题。
文档下载后可定制随意修改,请根据实际需要进行相应的调整和使用,谢谢!并且,本店铺为大家提供各种各样类型的实用资料,如教育随笔、日记赏析、句子摘抄、古诗大全、经典美文、话题作文、工作总结、词语解析、文案摘录、其他资料等等,如想了解不同资料格式和写法,敬请关注!Download tips: This document is carefully compiled by theeditor.I hope that after you download them,they can help yousolve practical problems. The document can be customized andmodified after downloading,please adjust and use it according toactual needs, thank you!In addition, our shop provides you with various types ofpractical materials,such as educational essays, diaryappreciation,sentence excerpts,ancient poems,classic articles,topic composition,work summary,word parsing,copy excerpts,other materials and so on,want to know different data formats andwriting methods,please pay attention!无缝钢管出厂检测标准及流程详解无缝钢管,因其独特的制造工艺和优异的性能,在建筑、石油、化工、电力等领域有着广泛的应用。
20号钢无缝钢管标准钢无缝钢管是一种常用的管道材料,广泛应用于石油、天然气、化工、电力、航空、航天等工业领域。
钢无缝钢管的标准是保证产品质量和实施生产的基准,下面将介绍一些相关参考内容。
1. 钢管的基本要求:钢无缝钢管的基本要求一般包括化学成分、机械性能、外观和尺寸等方面的要求。
化学成分包括元素的含量和元素间的相互作用,机械性能包括强度、延伸率、硬度等指标,外观要求包括表面光洁度、无裂纹、无气孔等,尺寸要求包括壁厚、外径和长度等。
2. 材料标准:钢无缝钢管的材料一般采用碳素钢、合金钢、不锈钢等。
常见的材料标准有GB/T8162(结构用无缝钢管)、GB/T8163(液体输送用无缝钢管)、GB/T3087(低中压锅炉用无缝钢管)等。
3. 生产工艺标准:钢无缝钢管的生产工艺包括热轧、热扩(挤压)、冷拔、冷轧等。
不同的生产工艺对钢管的性能和外观有所影响,因此有相应的生产工艺标准来规范。
4. 接口标准:钢无缝钢管的接口是指与其他管道、管件等连接的部分。
常见的接口标准有GB/T9711(石油天然气工业输送钢管用焊接钢管)、API 5L(API标准的石油天然气工业用无缝钢管)等。
5. 检验和试验标准:为保证钢无缝钢管的质量,需要进行各种检验和试验。
常见的检验和试验标准有GB/T3094(钢结构用精密无缝钢管试验方法)、GB/T17396(无缝钢管压力试验方法)等。
6. 包装和运输标准:钢无缝钢管的包装和运输应符合相应的标准,以确保产品的完整性和安全性。
包装和运输标准一般包括包装材料、包装方式、运输条件等内容。
7. 标志和标识标准:钢无缝钢管应在表面或包装上标明相应的标志和标识,以避免混淆和误用。
常见的标志和标识标准有GB/T2102(钢管、钢丝绳、铁艺标志编码)等。
钢无缝钢管的标准是保证产品质量和生产的基准,上述内容是相关参考内容的一部分。
在实际使用中,我们应根据具体的需求和标准要求选择合适的材料和规格的钢无缝钢管。
无缝钢管标准:异形无缝钢管在城市建设中起着至关重要的作用,它的好坏直接影响到生活建筑的坚实程度和质量高低,要想在鱼目混珠的方管市场中选择一款优质的方管,首先要学会识别劣质方管。
简介:无缝钢管因其制造工艺不同,又分为热轧(挤压)无缝钢管和冷拔(轧)无缝钢管两种。
冷拔(轧)管又分为圆形管和异形管两种。
无缝钢管又因其用途不同而分为如下若干品种:1.结构用无缝钢管(GBT8162-2008)。
主要用于一般结构和机械结构。
其代表材质(牌号):碳素钢、20、45号钢;合金钢Q345、20Cr、40Cr、20CrMo、30-35CrMo、42CrMo等。
2.输送流体用无缝钢管(GBT8163-2008)。
主要用于工程及大型设备上输送流体管道。
代表材质(牌号)为20、Q345等。
3. 低中压锅炉用无缝钢管(GB3087-2008)是用于制造各种结构低中压锅炉过热蒸汽管、沸水管及机车锅炉用过热蒸汽管、大烟管、小烟管和拱砖管用的优质碳素结构钢热轧和冷拔(轧)无缝钢管。
代表材质为10、20号钢。
4. 高压锅炉用无缝钢管(GB5310-2008)是用于制造高压及其以上压力的水管锅炉受热面用的优质碳素钢、合金钢和不锈耐热钢无缝钢管。
代表材质为20G、12Cr1MoVG、15CrMoG等。
5. 高压化肥设备用无缝钢管(GB6479-2000)是适用于工作温度为-40~400℃、工作压力为10~30Ma的化工设备和管道的优质碳素结构钢和合金钢无缝钢管。
代表材质为20、16Mn、12CrMo、12Cr2Mo等。
6.石油裂化用无缝钢管(GB9948-2006)。
主要用于石油冶炼厂的锅炉、热交换器及其输送流体管道。
其代表材质为20、12CrMo、1Cr5Mo、1Cr19Ni11Nb等。
7.地质钻探用钢管(YB235-70)是供地质部门进行岩心钻探使用的钢管,按用途可分为钻杆、钻铤、岩心管、套管和沉淀管等。
8.金刚石岩芯钻探用无缝钢管(GB3423-82)是用于金刚石岩芯钻探的钻杆、岩心杆、套管的无缝钢管。
无缝钢管检验作业指导书WLD/ZB-C-007-23 版本B/O11 范围本检验作业指导书规定了无缝钢管进货检验的检验要求与检验方法。
本检验作业指导书仅限于生产所需无缝钢管的进货检验。
2 引用标准GB-T8162-2008 结构用无缝钢管GB8713-88 液压和气动缸筒用精密内径无缝钢管GB/T 17395-2008 无缝钢管尺寸、外形、重量及允许偏差3 检测项目及标准要求3-1:外观-检查无缝钢管有无弯曲变形、凹凸槽、开裂现象.3-2:尺寸-依据技术图纸要求的尺寸参数。
3-3:材质分析理化试验3-3-1:si检测值应为0.17~0.37%3-3-2:Mn检测值应为0.50~0.80%3-3-3:C检测值应为0.42~0.50%。
3-4:机械性能试验3-4-1: 27钢无缝钢管 a.抗拉强度980Mpa.b.屈服强度835Mpa.c.交货状态硬度HB240-280.3-4-2: 45钢无缝钢管a.抗拉强度600Mpa.b.屈服强度355Mpa.c.交货状态硬度HB210-230.4无缝钢管进料检测抽样要求序号/项目无缝钢管每批抽样判定1 外观厂家送货时(占总数的10%)AC:2件RE:3件下料工序时(占总数的25%)AC:2件RE:3件2 内(外)径尺寸厂家送货时(占总数的5%)AC:2件RE:3件下料工序时(占总数的20%)AC:2件RE:3件3 壁厚厂家送货时(占总数的5%)AC:2件RE:3件下料工序时(占总数的20%)AC:2件RE:3件4 端面平直度下料工序时(占总数的20%)AC:2件RE:3件5 弯曲度下料工序时(占总数的20%)AC:1件RE:2件6 材质理化试验新供货商首次供货需提交外委检测常规供货商每半年提交一次外委检测AC:0件RE:1件7 机械性能试验AC:0件RE:1件5.检验作业方法5-1:外观检测5-1-1:目测无缝钢管表面是否有弯曲变形、凹凸槽、开裂现象.5-2:尺寸检测5-2-1:依据技术图纸要求,用内(外)径千分卡尺测量无缝钢管内(外)直径,使用卡尺在无缝钢管端面的四周分别测量出四周的壁厚,通过最大壁厚减去最小壁厚可得出此无缝钢管的壁厚偏差值,端面平直度与弯曲度需在下料完成后通过靠板与直尺塞规进行测量端面平直与弯曲的值。
无缝钢管的检验标准钢管几何尺寸及外形检查:①钢管壁厚检查:千分尺、超声测厚仪,两端不少于8点并记录。
②钢管外径、椭圆度检查:卡规、游标卡尺、环规,测出最大点、最小点。
③钢管长度检查:钢卷尺、人工、自动测长。
④钢管弯曲度检查:直尺、水平尺(1m)、塞尺、细线测每米弯曲度、全长弯曲度。
⑤钢管端面坡口角度和钝边检查:角尺、卡板.钢管表面质量检查:100%①人工肉眼检查:照明条件、标准、经验、标识、钢管转动。
②无损探伤检查:a. 超声波探伤UT:对于各种材质均匀的材料表面及内部裂纹缺陷比较敏感。
标准:GB/T 5777-1996 级别:C5级b. 涡流探伤ET:(电磁感应)主要对点状(孔洞形)缺陷敏感。
标准:GB/T 7735-2004 级别:B级c. 磁粉MT和漏磁探伤:磁力探伤,适用于铁磁性材料的表面和近表面缺陷的检测。
标准:GB/T 12606-1999 级别:C4级d. 电磁超声波探伤:不需要耦合介质,可以应用于高温高速,粗燥的钢管表面探伤。
e. 渗透探伤:荧光、着色、检测钢管表面缺陷。
钢管理化性能检验:①拉伸试验:测应力和变形,判定材料的强度(YS、TS)和塑性指标(A、Z)纵向,横向试样管段、弧型、圆形试样(¢10、¢12.5)小口径、薄壁大口径、厚壁定标距。
注:试样断后伸长率与试样尺寸有关GB/T 1760②冲击试验:CVN、缺口C型、V型、功J 值J/cm2标准试样10×10×55(mm)非标试样5×10×55(mm)③硬度试验:布氏硬度HB、洛氏硬度HRC、维氏硬度HV 等④液压试验:试验压力、稳压时间、p=2Sδ/D钢管工艺性能检验:①压扁试验:圆形试样C形试样(S/D>0.15)H=(1+2)S/(∝+S/D)L=40~100mm 单位长度变形系数=0.07~0.08②环拉试验:L=15mm 无裂纹为合格③扩口和卷边试验:顶心锥度为30°、40°、60°④弯曲试验:可代替压扁试验(对大口径管而言)钢管几何尺寸及外形检查:①钢管壁厚检查:千分尺、超声测厚仪,两端不少于8点并记录。
②钢管外径、椭圆度检查:卡规、游标卡尺、环规,测出最大点、最小点。
③钢管长度检查:钢卷尺、人工、自动测长。
④钢管弯曲度检查:直尺、水平尺(1m)、塞尺、细线测每米弯曲度、全长弯曲度。
⑤钢管端面坡口角度和钝边检查:角尺、卡板.钢管表面质量检查:100%①人工肉眼检查:照明条件、标准、经验、标识、钢管转动。
②无损探伤检查:a. 超声波探伤UT:对于各种材质均匀的材料表面及内部裂纹缺陷比较敏感。
标准:GB/T 5777-1996 级别:C5级b. 涡流探伤ET:(电磁感应)主要对点状(孔洞形)缺陷敏感。
标准:GB/T 7735-2004 级别:B级c. 磁粉MT和漏磁探伤:磁力探伤,适用于铁磁性材料的表面和近表面缺陷的检测。
标准:GB/T 12606-1999 级别:C4级d. 电磁超声波探伤:不需要耦合介质,可以应用于高温高速,粗燥的钢管表面探伤。
e. 渗透探伤:荧光、着色、检测钢管表面缺陷。
钢管理化性能检验:①拉伸试验:测应力和变形,判定材料的强度(YS、TS)和塑性指标(A、Z)纵向,横向试样管段、弧型、圆形试样(¢10、¢12.5)小口径、薄壁大口径、厚壁定标距。
注:试样断后伸长率与试样尺寸有关GB/T 1760②冲击试验:CVN、缺口C型、V型、功J 值J/cm2标准试样10×10×55(mm)非标试样5×10×55(mm)③硬度试验:布氏硬度HB、洛氏硬度HRC、维氏硬度HV 等④液压试验:试验压力、稳压时间、p=2Sδ/D钢管工艺性能检验:①压扁试验:圆形试样C形试样(S/D>0.15)H=(1+2)S/(∝+S/D)L=40~100mm 单位长度变形系数=0.07~0.08②环拉试验:L=15mm 无裂纹为合格③扩口和卷边试验:顶心锥度为30°、40°、60°④弯曲试验:可代替压扁试验(对大口径管而言)钢管几何尺寸及外形检查:①钢管壁厚检查:千分尺、超声测厚仪,两端不少于8点并记录。
②钢管外径、椭圆度检查:卡规、游标卡尺、环规,测出最大点、最小点。
③钢管长度检查:钢卷尺、人工、自动测长。
④钢管弯曲度检查:直尺、水平尺(1m)、塞尺、细线测每米弯曲度、全长弯曲度。
⑤钢管端面坡口角度和钝边检查:角尺、卡板.钢管表面质量检查:100%①人工肉眼检查:照明条件、标准、经验、标识、钢管转动。
②无损探伤检查:a. 超声波探伤UT:对于各种材质均匀的材料表面及内部裂纹缺陷比较敏感。
标准:GB/T 5777-1996 级别:C5级b. 涡流探伤ET:(电磁感应)主要对点状(孔洞形)缺陷敏感。
标准:GB/T 7735-2004 级别:B级c. 磁粉MT和漏磁探伤:磁力探伤,适用于铁磁性材料的表面和近表面缺陷的检测。
标准:GB/T 12606-1999 级别:C4级d. 电磁超声波探伤:不需要耦合介质,可以应用于高温高速,粗燥的钢管表面探伤。
e. 渗透探伤:荧光、着色、检测钢管表面缺陷。
钢管理化性能检验:①拉伸试验:测应力和变形,判定材料的强度(YS、TS)和塑性指标(A、Z)纵向,横向试样管段、弧型、圆形试样(¢10、¢12.5)小口径、薄壁大口径、厚壁定标距。
注:试样断后伸长率与试样尺寸有关GB/T 1760②冲击试验:CVN、缺口C型、V型、功J 值J/cm2标准试样10×10×55(mm)非标试样5×10×55(mm)③硬度试验:布氏硬度HB、洛氏硬度HRC、维氏硬度HV 等④液压试验:试验压力、稳压时间、p=2Sδ/D钢管工艺性能检验:①压扁试验:圆形试样C形试样(S/D>0.15)H=(1+2)S/(∝+S/D)L=40~100mm 单位长度变形系数=0.07~0.08②环拉试验:L=15mm 无裂纹为合格③扩口和卷边试验:顶心锥度为30°、40°、60°④弯曲试验:可代替压扁试验(对大口径管而言)钢管几何尺寸及外形检查:①钢管壁厚检查:千分尺、超声测厚仪,两端不少于8点并记录。
②钢管外径、椭圆度检查:卡规、游标卡尺、环规,测出最大点、最小点。
③钢管长度检查:钢卷尺、人工、自动测长。
④钢管弯曲度检查:直尺、水平尺(1m)、塞尺、细线测每米弯曲度、全长弯曲度。
⑤钢管端面坡口角度和钝边检查:角尺、卡板.钢管表面质量检查:100%①人工肉眼检查:照明条件、标准、经验、标识、钢管转动。
②无损探伤检查:a. 超声波探伤UT:对于各种材质均匀的材料表面及内部裂纹缺陷比较敏感。
标准:GB/T 5777-1996 级别:C5级b. 涡流探伤ET:(电磁感应)主要对点状(孔洞形)缺陷敏感。
标准:GB/T 7735-2004 级别:B级c. 磁粉MT和漏磁探伤:磁力探伤,适用于铁磁性材料的表面和近表面缺陷的检测。
标准:GB/T 12606-1999 级别:C4级d. 电磁超声波探伤:不需要耦合介质,可以应用于高温高速,粗燥的钢管表面探伤。
e. 渗透探伤:荧光、着色、检测钢管表面缺陷。
钢管理化性能检验:①拉伸试验:测应力和变形,判定材料的强度(YS、TS)和塑性指标(A、Z)纵向,横向试样管段、弧型、圆形试样(¢10、¢12.5)小口径、薄壁大口径、厚壁定标距。
注:试样断后伸长率与试样尺寸有关GB/T 1760②冲击试验:CVN、缺口C型、V型、功J 值J/cm2标准试样10×10×55(mm)非标试样5×10×55(mm)③硬度试验:布氏硬度HB、洛氏硬度HRC、维氏硬度HV 等④液压试验:试验压力、稳压时间、p=2Sδ/D钢管工艺性能检验:①压扁试验:圆形试样C形试样(S/D>0.15)H=(1+2)S/(∝+S/D)L=40~100mm 单位长度变形系数=0.07~0.08②环拉试验:L=15mm 无裂纹为合格③扩口和卷边试验:顶心锥度为30°、40°、60°④弯曲试验:可代替压扁试验(对大口径管而言)钢管几何尺寸及外形检查:①钢管壁厚检查:千分尺、超声测厚仪,两端不少于8点并记录。
②钢管外径、椭圆度检查:卡规、游标卡尺、环规,测出最大点、最小点。
③钢管长度检查:钢卷尺、人工、自动测长。
④钢管弯曲度检查:直尺、水平尺(1m)、塞尺、细线测每米弯曲度、全长弯曲度。
⑤钢管端面坡口角度和钝边检查:角尺、卡板.钢管表面质量检查:100%①人工肉眼检查:照明条件、标准、经验、标识、钢管转动。
②无损探伤检查:a. 超声波探伤UT:对于各种材质均匀的材料表面及内部裂纹缺陷比较敏感。
标准:GB/T 5777-1996 级别:C5级b. 涡流探伤ET:(电磁感应)主要对点状(孔洞形)缺陷敏感。
标准:GB/T 7735-2004 级别:B级c. 磁粉MT和漏磁探伤:磁力探伤,适用于铁磁性材料的表面和近表面缺陷的检测。
标准:GB/T 12606-1999 级别:C4级d. 电磁超声波探伤:不需要耦合介质,可以应用于高温高速,粗燥的钢管表面探伤。
e. 渗透探伤:荧光、着色、检测钢管表面缺陷。
钢管理化性能检验:①拉伸试验:测应力和变形,判定材料的强度(YS、TS)和塑性指标(A、Z)纵向,横向试样管段、弧型、圆形试样(¢10、¢12.5)小口径、薄壁大口径、厚壁定标距。
注:试样断后伸长率与试样尺寸有关GB/T 1760②冲击试验:CVN、缺口C型、V型、功J 值J/cm2标准试样10×10×55(mm)非标试样5×10×55(mm)③硬度试验:布氏硬度HB、洛氏硬度HRC、维氏硬度HV 等④液压试验:试验压力、稳压时间、p=2Sδ/D钢管工艺性能检验:①压扁试验:圆形试样C形试样(S/D>0.15)H=(1+2)S/(∝+S/D)L=40~100mm 单位长度变形系数=0.07~0.08②环拉试验:L=15mm 无裂纹为合格③扩口和卷边试验:顶心锥度为30°、40°、60°④弯曲试验:可代替压扁试验(对大口径管而言)钢管几何尺寸及外形检查:①钢管壁厚检查:千分尺、超声测厚仪,两端不少于8点并记录。
②钢管外径、椭圆度检查:卡规、游标卡尺、环规,测出最大点、最小点。
③钢管长度检查:钢卷尺、人工、自动测长。
④钢管弯曲度检查:直尺、水平尺(1m)、塞尺、细线测每米弯曲度、全长弯曲度。
⑤钢管端面坡口角度和钝边检查:角尺、卡板.钢管表面质量检查:100%①人工肉眼检查:照明条件、标准、经验、标识、钢管转动。