净水厂主要设备参数及品牌
- 格式:xlsx
- 大小:21.12 KB
- 文档页数:7
RO纯净水生产设备技术参数介绍RO纯净水处理设备采用当代最先进、节能有效的膜分离技术,纯净水设备其原理是在高于溶液渗透压的作用下,使其他物质不能透过半透膜而将其它物质和水分离开来。
反渗透膜的膜孔径非常小,因此反渗透设备能够有效地去除水中的溶解盐类、胶体、微生物、有机物等,纯净水设备可以生产纯水、高纯水,以满足不同行业、不同需求的用户。
RO反渗透设备简介:RO(Reverse Osmosis)反渗透技术是利用压力表差为动力的膜分离过滤技术,源于美国二十世纪六十年代宇航科技的研究,后逐渐转化为民用,目前已广泛运用于科研、医药、食品、饮料、海水淡化等领域。
纯净水生产设备产品一般性的自来水经过RO膜过滤后的纯水电导率5μs/cm(RO膜过滤后出水电导=进水电导×除盐率,一般进口反渗透膜脱盐率都能达到99%以上,5年内运行能保证97%以上。
对出水电导要求比较高的,可以采用2级反渗透,再经过简单的处理,水电导能小于1μs/cm), 符合国家实验室三级用水标准。
再经过原子级离子交换柱循环过滤,出水电阻率可以达到18.2M .cm,超过国家实验室一级用水标准(GB682—92)。
反渗透纯水设备主要工艺流程说明1.原水罐 (可选)储存原水,用于沉淀水中的大泥沙颗粒及其它可沉淀物质。
同时缓冲原水管中水压不稳定对水处理系统造成的冲击。
(如水压过低或过高引起的压力传感的反应)。
2.原水泵恒定系统供水压力,稳定供水量。
3.多介质过滤器采用多次过滤层的过滤器,主要目的是去除原水中含有的泥沙、铁锈、胶体物质、悬浮物等颗粒在20um以上的物质,可选用手动阀门控制或者全自动控制器进行反冲洗、正冲洗等一系列操作。
保证设备的产水质量,延长设备的使用寿命。
4.活性炭过滤器系统采用果壳活性炭过滤器,活性炭不但可吸附电解质离子,还可进行离子交换吸附。
经活性炭吸附还可使高锰酸钾耗氧量(COD)由15mg/L(O2)降至2~7mg/L(O2),此外,由于吸附作用使表面被吸附复制的浓度增加,因而还起到催化作用、去除水中的色素、异味、大量生化有机物、降低水的余氯值及农药污染物和除去水中的三卤化物(THM)以及其它的污染物。
净水设备的技术参数净水设备是一种能够将水中的杂质去除,提供安全、干净水源的设备。
它的性能参数直接影响着其净水效果和使用寿命。
下面将从几个方面介绍净水设备的技术参数。
1.滤芯类型:净水设备中的滤芯是关键部件,直接影响着水的过滤效果。
常见的滤芯类型有颗粒活性炭、PP棉、陶瓷滤芯等。
不同的滤芯能够去除的污染物种类和大小也不同,选择适合自己水源情况的滤芯十分重要。
2.净水速度:净水设备的净水速度是指单位时间内净水量的大小。
高效的净水速度能够满足人们对水的需求,提高净水设备的使用效率。
3.净水效率:净水效率是指净水设备除去污染物的能力。
一般来说,净水效率越高,净水设备去除的污染物越多,提供的水质越纯净。
4.过滤精度:过滤精度是指净水设备对水中微小颗粒的过滤能力。
优秀的净水设备能够有效过滤微小颗粒,提供更干净、透明的水质。
5.过滤时长:净水设备的过滤时长是指滤芯能够持续使用的时间。
滤芯的寿命不仅影响净水效果,也决定了净水设备的使用成本。
6.滤芯更换周期:滤芯更换周期是指需要更换滤芯的时间间隔。
定期更换滤芯能够保证净水设备一直处于最佳状态,提供高质量的水源。
7.卫生安全:净水设备在保证水质的同时,也要注意卫生安全。
优质的净水设备应具备自清洁功能,避免污染后的二次污染。
8.安装方式:净水设备可以分为直饮式和其他安装方式。
直饮式净水设备安装简便,使用方便,适合家庭和办公场所使用。
综上所述,净水设备的技术参数包括滤芯类型、净水速度、净水效率、过滤精度、过滤时长、滤芯更换周期、卫生安全和安装方式。
选择合适的净水设备,能够为人们提供清洁安全的饮用水。
水处理设备技术参数大全本文档为水处理设备的技术参数大全,详细介绍了各种常见水处理设备的技术指标。
下面按照设备的类别进行分类,并列出各类设备的主要技术参数。
1. 反渗透设备反渗透设备是一种常见的水处理设备,用于去除水中的溶解固体、杂质和微生物等。
下面是一些反渗透设备的主要技术参数:•处理流量:2000L/h - 50000L/h•进水浓度:≤ 5000ppm•进水压力:0.3MPa - 1.0MPa•进水温度:5°C - 45°C•脱盐率:95% - 99%•设备尺寸:根据处理流量不同而不同2. 超滤设备超滤设备是一种利用超滤膜进行过滤的水处理设备,可以有效去除水中的悬浮物、胶体、颗粒等。
以下是一些超滤设备的主要技术参数:•处理流量:500L/h - 20000L/h•进水浓度:≤ 100NTU•进水压力:0.2MPa - 0.6MPa•进水温度:5°C - 40°C•脱除率:> 95%•设备尺寸:根据处理流量不同而不同3. 离子交换设备离子交换设备是一种广泛应用于水处理领域的设备,通过离子交换过程去除水中的溶解离子。
以下是一些离子交换设备的主要技术参数:•处理流量:500L/h - 50000L/h•进水浓度:≤ 2000ppm•进水压力:0.2MPa - 0.6MPa•进水温度:5°C - 40°C•脱盐率:> 95%•设备尺寸:根据处理流量不同而不同4. 活性炭设备活性炭设备是一种常见的水处理设备,用于去除水中的有机污染物、异味和色度等。
以下是一些活性炭设备的主要技术参数:•处理流量:1000L/h - 20000L/h•进水浓度:≤ 20mg/L•进水压力:0.2MPa - 0.6MPa•进水温度:5°C - 40°C•去除率:> 90%•设备尺寸:根据处理流量不同而不同5. 紫外线消毒设备紫外线消毒设备是一种利用紫外线辐射杀灭水中微生物的水处理设备。
循环水净化设备的技术参数一体化净水设备,是设有缩口的改进型喉管及格网、折板、水力反应等设施的综合净水器设备,将絮凝、澄清和过滤工艺紧凑合理地组合成一体,能方便地将一般地面水源原水净化成符合后序工艺要求的进水水质。
一体化净水装置包含有:混凝池、沉淀池、过滤池、水质稳定装置、反冲洗装置、水泵及电气控制柜。
具体作用如下:1、混凝池:投加混凝剂的原水由进水管进入混凝池内,用特制的搅拌机搅动,使水中的悬浮物和混凝剂充分接触反应形成矾花。
一般净水装置是采用涡流反应来使水和混凝剂混和,但效果受水量的变化而不稳定。
该净水装置则用搅拌机混和,不受水量变化而影响效果。
2、沉淀室:水经加混凝剂混凝后形成矾花,流到设备的沉淀池内进行沉淀,沉淀池采用斜管沉淀法,经过梯形斜板沉淀室沉淀完成固液分离,沉淀下来的污泥排入泥斗。
3、过滤池:经沉淀后的水流到过滤池过滤,滤池结构:底部为布水管,中部为石英砂,上部为无烟煤。
过滤速度为10m/h,清水流到清水池内消毒处理后饮用。
过滤池反冲周期为12小时左右,反冲时间为5-10分钟。
一体化净水设备适用于以地表水为水源的水质净水,它有以下特点:1、简单实用:一体化自动反冲净水器在设计了突出方便实用、操作简单的特点,整套系统巧妙地利用水力学特性,实现自动运行,对操作人员素质要求不高,一般人均可操作自如,并能自动控制设备运行特点。
当滤层表面堵塞到一定程度时自动反冲,整套装置没有运行部件,设备故障几乎为零,运行可靠,便于维护。
2、安装使用方便:一体化自动反冲净水器主体设备为钢结构,在工厂内制成成品,运抵现场就位,安装调试即能投入使用,施工周期快。
不方便运输的可在现场制造就位。
3、混凝反应功能:一体化自动反冲净水器在设计上也充分考滤了各地区性的水质差异情况,在合理选取投药点的同时,增加了混凝反应功能,使装置具有充分的混凝反应时间。
并较保守地设计表面负荷,使设备更具有耐冲击负荷的能力,更适合地区不同的水质场合,过滤系统采用小阻力配水进行深层慢滤,确保滤后出水浊度≤3度。
设备选型及参数1.1原水箱:型号: JS-20规格: φ2780×3800有效容积: 20m3筒体厚度: 13mm工作压力: 常压工作温度: 4-50℃数量: 1只主体材质: PE设备净重: 600Kg1.2原水泵型号: CR32-2流量: Q=28t/h扬程: H=32m功率: N=4.0kW形式:立式多级离心泵转速: 2900rpm材质:上座、底座为铸铁GG20联轴器轴、叶轮、中间腔体与水接触部分为304不锈钢。
接口方式:法兰连接数量: 1台产地:丹麦格兰公司1.3聚合氯化铝(PAC)加药装置型号: JY-02型式: 一箱一泵型规格: 560×560×1000数量: 1套加药点: 1个产地:本厂生产配制:1)机械隔膜计量泵:型号: X030流量: Q=4.72L/h扬程: H=0.7MPa功率: N=0.092kW数量: 1台产地:美国帕斯菲达公司2)溶液箱:规格: 560×560×700有效容积: V=200L材质: PE一次成型3)加药量确定投加药剂: 聚合氯化铝设计PAC加药量: 3mg/L进水量: 28t/h药剂浓度为: 3%实际加药量: 3PPm×28t/h=84g/h计量泵工作流量: 84g/h÷3%÷1000=2.8L/h 每箱药剂使用时间(天): 200L÷2.8÷24=2.9天1.4管式混合器:设备型号: YX-100设备规格: 108×750运行流速: 1.0m/h混合水量: 28m3/h设计压力: 0.6MPa试验压力: 0.75MPa工作温度: 4-50 C混合级数: 三级水头损失: 0.4-0.8米数量: 1套材料: SUS304不锈钢产地:本公司1.5多介质过滤器:型号: JG-20F容器类别:立式圆形容器规格:φ2024×3880设计压力: 0.6MPa滤料层高: 1200mm运行流速: 9~10m/h产水量: 28~31m³/h材质: Q235-A防腐型式:内衬胶衬胶牌号: 1751衬胶厚度: 3mm电火花测试电压: 1.0万伏硫化方式: 蒸汽硫化筒体厚度: 10mm封头厚度: 12mm垫层规格:<由上而下排列>粒径: 1~2mm 层高H=150mm2~4mm 层高H=100mm 4~8mm 层高H=100mm 8~16mm 层高H=150mm 16~32mm 层高H=250mm 过滤层石英砂:规格: 0.5~1.2mm 层高H=800mm过滤层无烟煤:规格: 0.8~1.8mm 层高H=400mm 水反洗强度: 12L/m²·S反洗水源: 利用反洗水泵供给反洗进水管: 管径:DN150反洗历时: 5min数量: 1套产地: 本公司设备净重: 5800Kg运行荷重: 15500Kg1.6活性炭过滤器:型号: CG-20F容器类别:立式圆形容器规格:φ2020×4340设计压力: 0.6MPa滤料层高: 1200mm反洗膨胀率: 80%运行流速: 9-12m/h设计产水量: 28-38m³/h数量: 1套材质: Q235-A筒体厚度: 10mm封头厚度: 12mm垫层规格:粒径: 1~2mm H层高=150m2~4mm H层高=100mm4~8mm H层高=100mm8~16mm H层高=150mm16~32mm H层高=250mm<由上而下排列>活性炭规格:规格: 101#渗银型 H层高=1200mm水反洗强度: 7~8L/m²·S。
净水器十大排名品牌:汉斯顿汉斯顿是国内诞生最早的专业净水器品牌,集净水材料和净水器产品的研发、生产、销售于一身。
作为我国资深家用净水器品牌,汉斯顿净水器掌握有RO膜、中空纤维超滤膜、MTF碱性球、纳滤膜等技术,在净水器产品质量和使用效果方面均有较大的优势。
随着近几年汉斯顿在净水机产品种类的不断丰富,汉斯顿的家用、商用纯水机一直是国内市场最热卖的产品,年度销量连续三年位居我国第一。
净水器十大排名品牌:多伦斯多伦斯是一家技术先进、净水器打造工艺较为成熟的高科技企业,在我国拥有着净水机质量好,使用寿命长,性价比高等一系列好评。
作为我国小型净水机产品线最为丰富的专业净水器厂商之一,多伦斯净水器门店覆盖我国三十几个城市,尤其是在南方,直饮机和厨饮机卖得相当的火,据统计,今天1—2月,多伦斯家用净水器销售量总计30万台,占据我国总是市场销量五分之一。
净水器十大排名品牌:欧麦特欧麦特作为新兴品牌,在纯水机、直饮机领域有较高的成就。
近年推出了多款多端纯水机。
欧麦特除了技术上的优化外,对于产品整机结构和外观的设计更是别出心裁,多采用现代流行的色调,加上符合年轻人审美观念的形态设计,从而使自身产品用着舒心,看着更养眼。
而欧麦特的销售服务在业内也是较先进的,能提供24小时上门服务,凡是有销售网点的地方就有它的售后人员。
净水器十大排名品牌:美的美的是知名品牌,在涉足净水器行业后依靠品牌名气也很快就脱颖而出,依托专业的技术研发团队和庞大市场客户群体,美的家用净水器顺利打开了市场,在我国国产净水机品牌中人气相当的高,这其中,除了与其品牌知名度,口碑有很大关系之外,最重要的还是美的净水机使用起来方便,净水效果好,方能这么快在净水市场立足。
净水器十大排名品牌:海尔海尔是世界知名的家电家具品牌,海尔集团与国外某知名的净水品牌相互结合,打造海尔施特劳斯净水机,青岛海尔施特劳斯水设备有限公司利用产品的技术优势、品牌优势和先进理念为消费者开启家庭饮水新水准,在产品的生产和制造方面,也有较丰富的经验。
杭州永洁达纯水机产品介绍一、公司简介杭州永洁达净化科技有限公司是集研发、设计、生产、销售、工程安装、售后服务于一体的水处理专业制造厂家。
公司成立于2003年,目前注册资金1100万。
座落于杭州市余杭区良渚勾运路2号,是专业生产各类纯水与超纯水设备、特种膜分离设备、膜过滤芯的生产厂家,是浙江省高新技术企业、科技部科技型中小企业立项单位、浙江省优秀民营企业。
永洁达公司长期与浙江大学及国家科研院所科技人员合作,吸取国内外同类产品精华,结合公司独特的工艺设计,创立永洁达自主品牌(1999年注册商标)。
产品广泛应用于医院、大学、科研院所、各类检测中心、生物技术公司、化工制药、电子科技等企业单位,深受用户欢迎。
本公司建立了完善的组织管理体系和产品质量保证体系,经过多年的努力和发展,永洁达已在实验室纯水行业处于领先地位和极高的知名度。
UPWS-I-10T一、技术参数:1、进水要求:T型:城市自来水,水温5-40℃,压力0.1-0.5MPa;2、制水量(25℃):T型:10L/h(水箱储水时);3、RO纯水电导率:常规:≤原水电导率×5%(在0.5-10us/cm范围内,可根据用户要求制定);4、UP超纯水电阻率:18.2MΩ.cm,符合GB6682-92国家实验室一级用水标准;5、TOC(总有机碳):<1 ppb;6、微生物:<1cfu/ml;7、微颗粒(<0.22um﹚:<1/ml;8、电源:AC220V/50Hz;9、功率:<100w;三、性能特点:∙微电脑程序控制,全自动制水。
∙具有自动/手动进行反渗透系统清洗功能。
可一机两用,产出纯水和超纯水。
∙预处理为一次性使用型,使更换更加方便。
∙独一无二的“超纯化”按键操作,让您让您快捷灵活地获得所需的超纯水。
∙纯水水质可根据需要自行调整,LCD在线显示纯水电导率调节变化。
经济实用。
∙具有产水水质监测及报警功能,可同时检测纯水电导率和超纯水电阻率,当水质不达标时能自动停机。
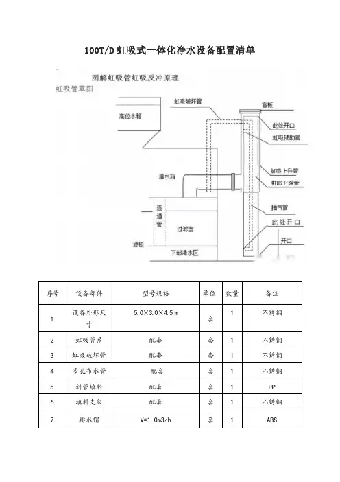
100T/D虹吸式一体化净水设备配置清单
一、备注:我公司以“信誉第一、用户至上”为宗旨,努力做好售后服务工作。
1、免费为用户培训操作人员,并协助制订设备操作规程。
2、设备一年内包修;正常使用情况下,主机保用十年。
3、设备上的一些小配件一年内非人为原因损坏免费包换。
二、电气控制和生产管理说明
1、工程范围:本自动控制系统为污水处理工程工艺所配置,自控专业主要涉及的
内容为该污水处理系统中水泵与液位的连锁、报警、风机的交替动作、电磁阀的定
时工作等。
2、控制水平:自动与手动结合。
3、电气控制:采用全自动控制系统,该系统特点是:
1).设全自动控制及手动控制功能。
2).水泵与风机能在设置时间内自动交替使用。
3).进水泵低水位停止,高水位启动,超警戒水位提供报警信号。
4).设备停止工作2小时以上,为保持生物膜的活性,风机能定时间歇运行。
5).设有过流、过载、断相、短路保护,故障自动切换并声光报警。
6).污水处理站24小时运行,控制系统自动化水平较高,只需配备1名兼职人员。
中国净水器十大品牌排名_净水器品牌排行榜前十名好的净水器可以带来健康、无杂质的饮用水供人们饮用,从而改善人们的体质。
那么净水器有哪些好品牌呢?以下是店铺收集整理的中国净水器十大品牌排名,希望对你有帮助。
中国净水器十大品牌排名中国净水器品牌排名1:美的(Midea)美的Midea,始于1981年,中国驰名商标,上市公司,最具竞争力品牌之一,中国企业500强,大型家电集团,美的集团有限公司。
创业于1968年的美的集团,是一家以家电业为主,涉足物流等领域的大型综合性现代化企业集团,旗下拥有三家上市公司、四大产业集团,是中国最具规模的白色家电生产基地和出口基地之一。
美的净水设备拥有国际背景,是WQA(美国水质协会)会员单位,全面与国际供应商合作,如今是美国陶氏在中国的战略合作伙伴。
同时,公司专注研究中国水环境,研发符合中国水质的产品,已经拥有103项国家专利,是《反渗透净水机》和《超滤膜净水器》的国家标准编制组长。
通过在净水行业十多年的沉淀,美的净水设备如今已拥有厨房净水机、直饮机、管道超滤中央净水器、软水机、管线机和商用净水设备等六大系列产品,是国内如今最具规模、最具实力的饮用水解决方案供应商。
中国净水器品牌排名2:沁园(qinyuan)沁园,中国驰名商标,中国最大的净水器、饮水机生产企业之一,高新技术企业,行业知名品牌,宁波沁园集团有限公司。
浙江沁园水处理科技有限公司,是专业从事家用净水设备等系列环保产品研发、生产和销售的高新技术企业,把“全面饮用水解决方案服务商”作为企业发展方向。
公司承担国家火炬计划项目、国家重点新产品项目等国家级科研项目二十余项,拥有300余项国际、国内专利。
中国净水器品牌排名3:立升(LITREE)立升LITREE,从事水处理技术研究,分离膜、家庭净水设备研发、生产、销售和服务,海南立昇净水科技实业有限公司。
立昇企业成立于1992年,是一家专门从事水处理科学技术研究,分离膜技术及产品、家庭净水设备研发、生产、销售和服务的高科技企业集团。
净水器目前的发展状况,可以说相当于古代的学术论坛,百家争鸣,百家齐放的一种格局;也可以套用武侠小说上的说法就是江湖论剑,谁为霸主。
这样说不仅仅是因为现在众多品牌,更是因为目前这个行业还没有规范化,各个品牌能够尽情的展示自己的特点。
但是在这众多的品牌之中,第一总是会鹤立鸡群的被觉得部分人认可的,就像武林盟主一样,技术高出同行很多,是同行的领导者。
第一名:澳特弗净水器澳特弗净水器是目前行业内唯一一件具有独立实验室和独立展厅的净水器厂家,生产规模50000多平方米,引进美国先进的三条现代化的无尘生产线和顶尖的超滤膜生产工艺设备,成为行业内的典范企业。
采用国际最先进的第五代超滤膜材料,DMMSA净化技术,使用寿命比国际同行产品质量更好,最长可达到6年使用寿命,而同行的第一代,PVC材料,和第二代PAN材料,使用寿命都在三年左右。
高标准的服务体系。
澳特弗按照欧美国际最高端的家电产品提供服务,一年包换,三年保修,终身维护。
国际首家提供净水器联保服务的品牌。
(中国家电品牌是三个月包换,一年保修,澳特弗国际高标准服务,为消费者提供国际高端品牌享受。
让澳特弗合作伙伴,代理商和经销商更具市场竞争力。
)第二名:斯沃泰净水器斯沃泰净水器是属于德国的品牌,但是并没有像其他部分品牌一样来到中国还是沿用以前的那一套净化方案,而是针对于中国的水质情况对净化方法进行了改进,目前斯沃泰在国内也拥有自己的生产基地,专业的技术人员和充满激情的销售团队,使得斯沃泰在进入国内短短几年时间久迅速占领了市场,取得了非常不错的销量。
斯沃泰是目前唯一一家拿到欧美家电产品进出口许可证的净水器品牌,同时拥有德国家电进口许可证。
获得欧盟家电产品CE认证,和德国UL认证。
第三名:劳伦斯净水器劳伦斯净水器拥有,超滤膜生产车间,不锈钢生产车间,滤芯生产车间等,净水器材料实现100%自主研发生产,保证了质量优势,价格优势,以及服务优势。
劳伦斯净水器为净水行业提供超滤膜,不锈钢筒体,净水器配件,RO膜配件,以及纯水机相关材料,工业膜PVDF材料专用于污水处理行业。
净水器十大品牌排名
净水器第一名:斯帝沃净水器
全球最公认的历史底蕴最深的净水器厂家,世界顶级净水器,家用净水器中的至尊品牌,历来是皇族、名门、富商、名流的追慕对象,成立80年来,高歌猛进,罕有敌手,是是世界级的净水器大亨,斯帝沃家族一直为高端精英人群服务,是罕有的珍稀品牌,进入中国净水器市场以来备受追慕,品牌历久弥新。
净水器第二名:美的净水器
美的进入净水机行业其实是比较晚的,可能是自己也没弄清楚到底什么样才产品最符合市场需求。
值得注意的是净水机毕竟与传统的家电销售是有于渠道和终端,美的还在摸索阶段。
但毕竟是大公司,一旦找到路径开始发力,能量不是一般小公司所能比拟的。
净水器第三名:泉来净水器
营销策划能力出色,销售网络建设标准起草组核心成员,着实让人惊叹这家公司在超滤净水机领域的研发制造实力为一家美国公司。
净水器第四名:安吉尔净水器
作为传统的饮水机大户,也比较早的切入净水器行业,优势与美的近似,但品牌影响力不如美的。
产品线比较长,其属就在美的、斯帝沃、立升、泉来为代表的广东阵营和沁园为代表的浙江阵营之间展开激烈争夺。
位列净水器十大品牌第三。
净水器第五名:立升净水器
国内净水行业做得比较大的企业,也是少数拥有自主核心技术的企业之一,超滤膜已经杀入了国际市场量还是不错的。
净水器第六名:沁园净水器
净水器第七名:汉斯希尔净水器
净水器第八名:格力思净水器
净水器第九名:百诺肯净水器
净水器第十名:美国怡口净水器。
FA型全自动净水器(Q=250m3/h×2)1、工艺流程絮凝剂助凝剂消毒↓↓↓原水→提升泵→总管道混合器→分管道混合器→全自动净水器→清水池→出水2、设备概述本装置包括布水、反应、沉淀、过滤、集水、集泥、自动反洗七个主要单元,内装六角蜂窝填料及各种规格石英砂滤料,设备主壳均为碳钢制作,内外部采用特殊涂料进行防腐处理,使用寿命长,适用范围广,性能卓越,广泛用于大、中、小型水厂(站)的建设和改造。
3、工艺流程说明原水进入静态混合器前的水压为≥0.07MPa即可。
全自动净水装置前设置静态混合器,水处理药剂混凝剂、助凝剂在加药房内由加药装置内配制完成,并由计量泵送至管道混合器内,混合器通过自身结构的剪切、搅拌作用,使其混合均匀,然后进入净水装置内。
原水在进入高效全自动净水装置后,首先进入装置底部的配水区,进行均匀布水,水流速度降低,并缓慢进入高浓度絮凝区,进行彻底的混凝反应,在斜管导流区的导流作用下,污水沿斜管方向往上流动,进入沉降区内,沉积下来的污泥重力作用下,沿倾斜方向往下滑落,同时滑落的矾花在导流斜管的水作用下,被推到净水装置的排泥斗内,而通过斜管澄清后的水则由净水装置上部进入过滤室内,并自上而下通过滤层进行过滤,水中的矾花被滤层拦截、过滤。
过滤后的清水通过滤头汇集至装置底部的清水区,并由连通管返至装置顶部的清水层。
原水在净水装置人净化后流入清水池。
设备排泥及反洗排污:高效全自动净水装置里沉淀下的泥渣,经排泥系统定时自动排除,排出的泥浆及过滤反冲洗水接至下水道或泥浆坑进行干化处理。
①排泥:当净水装置运行一定的时间后,电动阀通过中央控制柜所给信号进行自动排泥一次。
(原水浊度低于500mg/l时排泥周期T=12小时为宜,排泥周期可调)②反冲洗排污:污水经过过滤层过滤一定时间后,过滤层的阻力逐渐增大,当水位上升至一定高度时,即开始形成自动反洗,过滤区内存水在上清水层的静压下迅速加速反冲洗,装置内清水按照正常运行路径反方向返回,当清水经过过滤区时即开始对过滤层进行反冲洗,反洗历时3~5分钟后,当清水区水位下降至一定水位时自动停止反冲洗。
水处理设备技术参数1.水处理设备的处理能力:指设备每小时处理水的数量。
根据具体的需求,可以选择不同处理能力的水处理设备。
常见的处理能力参数有:30立方米/小时、50立方米/小时、100立方米/小时等。
2.进水水质:指进入水处理设备的水的水质特征。
根据不同的进水水质,可以选择适当的水处理设备。
进水水质参数包括:悬浮物浓度、溶解物质浓度、浊度、颜色、pH值、电导率等。
3.出水水质:指经过水处理设备处理后得到的水的水质特征。
出水水质需要符合特定的标准和要求。
出水水质参数包括:悬浮物浓度、溶解物质浓度、浊度、颜色、pH值、电导率、营养物质浓度、有机物浓度、微生物浓度等。
4.滤料粒径:适用于滤料过滤设备的技术参数。
滤料粒径决定了滤料过滤的精度。
常见的滤料粒径有:0.5毫米、1毫米、3毫米等。
5.反渗透设备的脱盐率:反渗透设备是一种常用的水处理设备,用于去除水中的离子和溶解物质。
脱盐率是指反渗透设备去除水中溶解离子的能力。
常见的脱盐率有:90%、95%、99%等。
6.活性炭吸附设备的吸附能力:活性炭吸附设备用于去除水中的有机物质和残余氯等。
吸附能力是指单位时间内活性炭对污染物质的吸附量。
常见的吸附能力参数有:10毫克/克、20毫克/克等。
7.清洗周期:对于一些需要定期清洗的设备,清洗周期是一个重要的技术参数。
清洗周期是指设备使用一段时间后进行清洗的时间间隔。
常见的清洗周期有:1个月、3个月、6个月等。
8.能耗:指水处理设备在运行时所消耗的能量。
不同的水处理设备具有不同的能源消耗情况,能耗是选择水处理设备时需要考虑的一个重要参数。
9.设备尺寸:指水处理设备的尺寸大小。
设备尺寸需要根据具体的使用场所和安装要求进行选择。
10.故障率:指水处理设备在运行过程中出现故障的概率。
故障率是衡量水处理设备可靠性的指标。
以上是一些常见的水处理设备技术参数,选择合适的水处理设备需要根据具体的需求和水质特征进行综合考虑。
水处理设备的技术参数对于设备的性能和效果具有重要的影响,因此在选购和使用水处理设备时需要仔细研究和评估。