钛及钛合金的分类
- 格式:docx
- 大小:35.15 KB
- 文档页数:9
钛及钛合金的分类市场供货的钛产品主要有工业纯钛和钛合金两大类:一.工业纯钛:钛属于多晶型金属,在低于882℃为a晶型,原子结构呈密排六方晶格,从882℃至熔点都是B晶型,呈体心立方晶格。
工业纯钛在金相组织上呈现a相,如果退火完全的话,是大小基本相等等轴状单项晶格。
由于存在着杂质,所以工业纯钛中也存在着少量的B相。
基本上是沿着晶界分布。
工业纯钛按GB/T3620.1—2007新标准共有九个牌号,TA1类型的有三个,TA2—TA4每个类型的各有两个,它们的差别就是纯度的不同。
从表中我们可以看出,从TA1—TA4每个牌号都有一个后缀带ELI的牌号,这个ELI是英文低间隙元素的缩写,也就是高纯度的意思。
由于Fe,C, N, H, O在a—Ti 中是以间隙元素存在的,它们的含量多少对工业纯钛的耐腐蚀性能以及力学性能产生很大的影响,C,N,O固溶于钛中可以使钛的晶格产生很大的畸变,使钛的被强烈的强化和脆化。
这些杂质的存在是生产过程中由生产原料带入的,主要是海绵钛的质量。
要是想生产高纯度的工业纯钛钛锭,就得使用高纯度的海绵钛。
在标准中,带ELI的牌号在这6个元素含量的最高值均低于不带ELI的牌号。
这些标准的修改是参照国际上或者说是西方国家的标准(我们国家的标准正在努力向西方国家靠拢,因为我们国家的很多基础工业还是比他们落后一些,很多老标准都是沿袭前苏联的),特别是在杂质的含量以及室温力学性能上各牌号的指标和国际上,以及西方国家基本上保持一致。
这个新标准主要是参照ISO(国际标准)外科植入物和美国ASTM材料标准(B265, B338, B348, B381, B861, B862, B863这七个标准)。
并且与ISO和美国的ASTM标准相对应,例如TA1对应Gr1, TA2对应Gr2, TA3对应Gr3, TA4对应Gr4。
这样有利于各个行业在选材和应用上明晰各国标准的参照,也有利于在技术和商贸上与国际上的交流。
钛及钛合金的焊接1.钛及钛合金的种类及其特性 (2)1.1钛及钛合金的基本性能 (2)1.2钛及钛合金的分类 (3)2.钛及钛合金的焊接特点 (5)2.1钛的化学活性大 (5)2.2钛的熔点高、热容量大、电阻系数大、导热性差 (6)2.3焊接变形大,而且校正较困难 (6)2.4焊缝有形成气孔的倾向 (7)2.5接头区的脆化 (8)2.6焊接裂纹 (8)3.钛及钛合金的钨极氩弧焊 (9)3.1坡口制备 (10)3.2焊件及焊丝的清理 (10)3.3点固焊及装配 (11)3.4焊接材料选择 (11)3.5气体保护措施 (12)3.6气体保护措施及其使用范围 (13)3.7气体保护效果 (14)3.8焊接工艺参数的选择 (14)3.9焊后热处理 (15)1.钛及钛合金的种类及其特性钛及钛合金由于具有良好的强度、塑性、好的耐蚀性能和较高的高温强度。
最突出的是其高的比强度(强度极限与比重之比称为比强度),这使钛在化工、航空航天及其他的行业得到广泛的应用。
1.1钛及钛合金的基本性能钛位于元素周期表第ⅣB族。
钛原子序数为22,原子量为47.9。
钛具有金属光泽,熔点1668°C,密度为4.51g/cm3。
钛在高温及低温下具有良好的性能。
例如铝在150℃,不锈钢在310℃时就会失去其原有的性能;而钛在550°C时,其性能还保持不变。
在超低温下(-253°C)也能保持良好的性能。
利用其制成的零件,既可以减轻重量又不影响其强度。
表6-1中对钛、铁、铝、铜物理性能进行比较。
从表来看,钛的密度较小。
约为铁的一半。
钛的熔点和沸点都较高,比热介于铝与铁之间。
由于钛的导热系数是铁的四分之一,是铝的十三分之一。
与钢材焊接相比,钛材焊接时能量损失较小。
表6-1钛、铁、铝、铜物理性能比较金属性能Ti Fe Al Cu原子量47.955.8426.9863.54密度(g/cm3) 4.517.87 2.78.96熔点(°C)166815366601083沸点(°C)3260293024502595导热系数(W/(m°C))15.0667.36200.83384.1电阻率(20°C)(×10-6Ωcm)429.71 2.69 1.673比热(20°C)(J/kgK)544.28711.75895.78380.99线膨胀系数(×10-6°C-1)8.4111.7624.316.5弹性模量(×103MPa)115.6419661.74107.8钛的弹性模数较小,这是它的缺点。
钛及钛合金的焊接工艺一、常用钛及钛合金及其分类钛是一种活性金属,常温下能与氧生成致密的氧化膜而保持高的稳定性和耐腐蚀性。
钛及钛合金的最大优点是比强度大,综合性能优越。
钛合金首先在航空工业中得到应用,钛及钛合金具有良好的耐腐蚀性能;在化工、海水淡化、电站冷凝器等方面成功应用。
钛及钛合金按其退火态的组织分为α钛合金、β钛合金、α+β钛合金三类,分别用TA、TB和TC表示。
在压力容器制作中,牌号为TA2的工业纯钛使用居多,使用状态一般为退火态。
二、钛及钛合金的焊接性1、间隙元素沾污引起脆化由于钛的活性强,高温下钛与氧、氮、氢反应速度很快。
氧和氮固溶于钛中,使钛晶格畸变,强度硬度增加,塑性韧性降低;而氢含量增加,焊缝金属的冲击韧性急剧降低,塑性下降较少;碳以间隙形式固溶于钛中,使强度提高,塑性下降,作用不如氮、氧显著,但碳量超过溶解度时,易于引起裂纹,因此钛及钛合金焊接时必须进行有效的保护。
2、焊接相变引起的性能变化对于常用的工业纯钛,其组织为α合金,这类合金的焊接性最好。
在用钨极氩弧焊填加同质焊丝或不加焊丝,在保护良好的条件下焊接接头强度可与母材等强度,接头塑性较差。
焊接接头塑性降低的主要原因有:①焊缝为铸造组织,它比轧制状态塑性低;②焊接时由于导热性差、比热小、高温停留时间长、冷却速度慢,易形成粗晶;③若采用加速冷却,又易产生针状α组织,也会使塑性下降。
3、裂纹由于钛及钛合金中杂质很少,因此很少出现热裂纹,只有当焊丝或母材质量有问题时才可能产生热裂纹。
由氢引起的冷裂纹是钛合金焊接时应注意防止的,例如选用氢含量低的焊接材料和母材,注意焊前清理,在可能的条件下,焊后进行真空去氢处理等。
4、气孔气孔是钛及钛合金焊接时最常见的焊接缺陷。
在焊接热输入较大时,气孔一般位于熔合线附近;而焊接热输入较小时,气孔则位于焊缝中部。
气孔主要降低焊接接头的疲劳强度,能使疲劳强度降低一半甚至四分之三。
影响气孔的主要因素是焊丝和坡口表面的清洁度,焊丝表面的润滑剂、打磨时残留在坡口表面的磨粒、薄板剪切时形成的粗糙的端面等等都可能使焊缝产生气孔。
钛及钛合金的分类市场供货的钛产品主要有工业纯钛和钛合金两大类:一.工业纯钛:钛属于多晶型金属,在低于882℃为a晶型,原子结构呈密排六方晶格,从882℃至熔点都是B晶型,呈体心立方晶格。
工业纯钛在金相组织上呈现a相,如果退火完全的话,是大小基本相等等轴状单项晶格。
由于存在着杂质,所以工业纯钛中也存在着少量的B相。
基本上是沿着晶界分布。
工业纯钛按GB/—2007新标准共有九个牌号,TA1类型的有三个,TA2—TA4每个类型的各有两个,它们的差别就是纯度的不同。
从表中我们可以看出,从TA1—TA4每个牌号都有一个后缀带ELI的牌号,这个ELI是英文低间隙元素的缩写,也就是高纯度的意思。
由于Fe,C, N, H, O在a—Ti中是以间隙元素存在的,它们的含量多少对工业纯钛的耐腐蚀性能以及力学性能产生很大的影响,C,N,O固溶于钛中可以使钛的晶格产生很大的畸变,使钛的被强烈的强化和脆化。
这些杂质的存在是生产过程中由生产原料带入的,主要是海绵钛的质量。
要是想生产高纯度的工业纯钛钛锭,就得使用高纯度的海绵钛。
在标准中,带ELI的牌号在这6个元素含量的最高值均低于不带ELI 的牌号。
这些标准的修改是参照国际上或者说是西方国家的标准(我们国家的标准正在努力向西方国家靠拢,因为我们国家的很多基础工业还是比他们落后一些,很多老标准都是沿袭前苏联的),特别是在杂质的含量以及室温力学性能上各牌号的指标和国际上,以及西方国家基本上保持一致。
这个新标准主要是参照ISO(国际标准)外科植入物和美国ASTM材料标准(B265, B338, B348, B381, B861, B862, B863这七个标准)。
并且与ISO和美国的ASTM标准相对应,例如TA1对应Gr1, TA2对应Gr2, TA3对应Gr3, TA4对应Gr4。
这样有利于各个行业在选材和应用上明晰各国标准的参照,也有利于在技术和商贸上与国际上的交流。
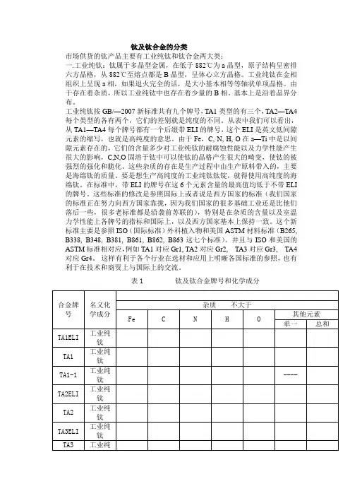
表1 钛及钛合金牌号和化学成分钛TA4ELI 工业纯钛TA4 工业纯钛这个新标准的纯钛表上有两个问题值得注意,一是GB/—1994与GB/—2007相对照,原来的TA0变为TA1,原来的TA1变为TA2, 原来的TA2变为TA3,原来的TA3变为TA4,而原来的TA4变为TA28, 二是随着牌号的数字增加,这5个杂质元素的含量也在增加,也就意味着强度增加,塑性逐步下降。
稀有金属的基本知识第一节、 钛及钛合金钛在化学元素周期表中属IVB 族元素,原子序数为22,在地壳中的含量为0.61%,在所有元素中名列第九,在常用元素中仅次于铝、铁、镁,居第四,钛在地壳中大都以金红石(TIO 2)和钛铁矿等形式的存在,由于分离提取困难具有工业意义的金属钛直到本世纪四十年代才生产出来,因为一般把钛成为稀有轻金属。
钛及其合金的密度小,抗拉强度高,而且在通常的使用温度内,其比强度(抗拉强度/密度)在几乎所有金属材料中最高,因而该金属最初的应用是在航空、航天领域,主要是满足现代航天技术对航空器材料的低重量、高强度要求。
另外,钛在适当的氧化环境中可以形成一种薄而坚固的氧化膜,具有优异的耐蚀性能,正式由于合金优异的耐蚀性能,是的钛在近年来由军用向民用的国度速度相当快。
目前钛及钛合金已经被广泛地应用于冶金、石化、造船、氯碱、建筑、体育器械等其他非航空领域。
纯钛的熔点为1668±4℃,沸点为3535℃,密度为4.505G/CM 3, 导热系数0.036卡/cm ·S ·℃,热膨胀系数为8.2×10-6·Ω·mm , 弹性模量为10850kg/mm 2.。
1.2基本分类一、概述钛以两种同素异构体存在,一种称为α钛,具有密排六方结构的晶体,其晶格排列密度大;另一种为β钛具有体心立方结构的晶体,在纯钛中,α相在温度882.5℃以下是稳定的,当温度超过882.5℃后变为β相,882.5℃称为α/β的转变温度,即相变点。
β相从882.5℃到熔点都是稳定的。
二、几个常用的概念1、α稳定型α稳定型指的是钛合金中的添加元素容易溶解于α相中,随着合金元素含量的增加能使α相在较高的温度下保持稳定并提高了α/β转变温度,属于这类合金的添加元素包括铝、锡、锗、氧、氮、碳2、β稳定型β稳定型β同晶型的合金元素完全溶于β相中,即使在平衡条件下也不发生分解。
随着该类元素含量的增加,转变温度降低,此类元素有钒、钽、钼、铌。
钛是同素异构体,熔点为1668℃,在低于882℃时呈密排六方晶格结构,称为α钛;在882℃以上呈体心立方晶格结构,称为β钛。
利用钛的上述两种结构的不同特点,添加适当的合金元素,使其相变温度及相分含量逐渐改变而得到不同组织的钛合金(titanium alloys)。
室温下,钛合金有三种基体组织,钛合金也就分为以下三类:α合金,(α+β)合金和β合金。
中国分别以TA、TC、TB表示。
α钛合金,它是α相固溶体组成的单相合金,不论是在一般温度下还是在较高的实际应用温度下,均是α相,组织稳定,耐磨性高于纯钛,抗氧化能力强。
在500℃~600℃的温度下,仍保持其强度和抗蠕变性能,但不能进行热处理强化,室温强度不高。
β钛合金,它是β相固溶体组成的单相合金,未热处理即具有较高的强度,淬火、时效后合金得到进一步强化,室温强度可达1372~1666 MPa;但热稳定性较差,不宜在高温下使用。
α+β钛合金,它是双相合金,具有良好的综合性能,组织稳定性好,有良好的韧性、塑性和高温变形性能,能较好地进行热压力加工,能进行淬火、时效使合金强化。
热处理后的强度约比退火状态提高50%~100%;高温强度高,可在400℃~500℃的温度下长期工作,其热稳定性次于α钛合金。
钛及钛合金分类
钛及钛合金可以根据不同的标准进行分类。
1.根据元素及含量,钛材可以分为纯钛和钛合金两大类。
其中,工
业纯钛也可以按照牌号进行细分,如TA1-TA4。
钛合金则按照组织进行分类,如钛合金按组织可以分为α型、β型、α+β型。
2.根据外形,钛及钛合金可以分为棒状、丝状、管状等类型。
3.根据用途,钛及钛合金可以对应到下游各领域如化工、兵器等。
由于钛材优越的性能,它也经常被用于军工,因此也可以被分为军工和民用两类。
此外,根据杂质含量的多少,工业纯钛可以被分为不同牌号,例如TA1、TA2、TA3、TA4等。
每个牌号都有一个后缀带ELI的牌号,代表高纯度。
例如,TA1ELI和TA2ELI等。
钛及钛合金的分类市场供货的钛产品主要有工业纯钛和钛合金两大类:一.工业纯钛:钛属于多晶型金属,在低于882℃为a晶型,原子结构呈密排六方晶格,从882℃至熔点都是B晶型,呈体心立方晶格。
工业纯钛在金相组织上呈现a相,如果退火完全的话,是大小基本相等等轴状单项晶格。
由于存在着杂质,所以工业纯钛中也存在着少量的B相。
基本上是沿着晶界分布。
工业纯钛按GB/T3620.1—2007新标准共有九个牌号,TA1类型的有三个,TA2—TA4每个类型的各有两个,它们的差别就是纯度的不同。
从表中我们可以看出,从TA1—TA4每个牌号都有一个后缀带ELI的牌号,这个ELI是英文低间隙元素的缩写,也就是高纯度的意思。
由于Fe,C, N, H, O在a—Ti 中是以间隙元素存在的,它们的含量多少对工业纯钛的耐腐蚀性能以及力学性能产生很大的影响,C,N,O固溶于钛中可以使钛的晶格产生很大的畸变,使钛的被强烈的强化和脆化。
这些杂质的存在是生产过程中由生产原料带入的,主要是海绵钛的质量。
要是想生产高纯度的工业纯钛钛锭,就得使用高纯度的海绵钛。
在标准中,带ELI的牌号在这6个元素含量的最高值均低于不带ELI的牌号。
这些标准的修改是参照国际上或者说是西方国家的标准(我们国家的标准正在努力向西方国家靠拢,因为我们国家的很多基础工业还是比他们落后一些,很多老标准都是沿袭前苏联的),特别是在杂质的含量以及室温力学性能上各牌号的指标和国际上,以及西方国家基本上保持一致。
这个新标准主要是参照ISO(国际标准)外科植入物和美国ASTM材料标准(B265, B338, B348, B381, B861, B862, B863这七个标准)。
并且与ISO和美国的ASTM标准相对应,例如TA1对应Gr1, TA2对应Gr2, TA3对应Gr3, TA4对应Gr4。
这样有利于各个行业在选材和应用上明晰各国标准的参照,也有利于在技术和商贸上与国际上的交流。
表1 钛及钛合金牌号和化学成分这个新标准的纯钛表上有两个问题值得注意,一是GB/T3620.1—1994与GB/T3620.1—2007相对照,原来的TA0变为TA1,原来的TA1变为TA2, 原来的TA2变为TA3,原来的TA3变为TA4,而原来的TA4变为TA28, 二是随着牌号的数字增加,这5个杂质元素的含量也在增加,也就意味着强度增加,塑性逐步下降。
这里还要注意的一点是,Fe,这个元素是作为杂质存在的,而不是作为合金元素特意加入的。
从GB/T3620.1—2007标准中我们可以看出,TA1~TA4杂质元素含量逐步增加,但主要是Fe,和O这两个元素增量明显,C, N, H的增加不是很明显。
工业纯钛有别于化学纯钛,化学纯钛是用于科研机构进行纯金属某些特性的科学研究,而工业纯钛是直接在各行业应用的材料,同时比化学纯钛含有较多的上述5种杂质,工业纯钛的特性就是其强度不高,塑性好,易于加工成型,可以冲压.,焊接,机加工性能也较好,在各种氧化腐蚀的环境里具有良好的耐腐蚀特性。
所以在板材这个品种里大约70%以上的都是工业纯钛的,主要应用于化工行业的反应釜,压力容器的加工成型。
在这几个纯钛牌号中,应用最广泛的是TA1,,其次是TA2.。
讲到工业纯钛有一点大家必须明确,就是工业纯钛不能用热处理的办法提高强度,如果某一批号的纯钛的力学性能低了,别幻想着怎么处理一下让它合格,那是白费劲。
工业纯钛金相组织TA2 650℃退火 100X二.钛合金钛合金的分类据资料介绍,有多种分类法,比较常见的是以退火后的金相组织形态进行分类:1. 退火后基本组织是a相的,称为a型钛合金。
TA7 100X,是比较典型的a合金组织。
2. 退火后基本组织是a+B,但是以a 相为主的,称为近a型合金这是TA15完全退火后的组织,a含量能占到接近70%左右。
3. 退火后基本相a+B,两个相相近,称为a+B型合金,也可以称为a等轴+B转或者a初生等轴+B转或者a初生等轴+a魏氏+B残余这是TC4完全退火后的典型两相组织照片200X,是a+B各相都接近50%的形态。
这是TC11完全退火后的等轴a与B转各占近50%的金相照片。
TC21 100X a相占35%~45% 也是典型的a+B组织4. 退火后基本上是B相,但还有一定的a相的,称为近B型合金这是TB3 100X的金相组织,a相的含量较少。
5. 退火后基本全是B相的,称为B型合金Ti—40 (Ti—25V—15Cr)阻燃钛合金100X铝的含量多少进一步分类,主要有:1.工业纯钛2.a型钛合金3.低铝当量近a型钛合金(<5)4.高铝当量近a型钛合金5.低铝当量马氏体a+B型钛合金(<5)6.高铝当量马氏体a+B型钛合金7.近亚稳定B型钛合金8.亚稳定B型钛合金9.稳定B型钛合金这里要解释一下为什么把a+B钛合金称为马氏体钛合金,所谓马氏体就是指a+B 钛合金在淬火后的组织特点,而退火后的组织里是没有马氏体的。
在原始的B 相成分没有发生变化,但是晶体结构发生了变化的过饱和固溶体就是钛合金的马氏体,和钢铁中的马氏体有类似的特性。
因为在a+B钛合金中除了我们能看到的a(包括等轴的和片状的)以外,还有不少的B组织,只要B相中稳定B的合金元素超过某临界含量,都能够通过淬火保持到室温而不发生转变,B相淬火冷却时的马氏体转变开始温度Ms低于室温,只要冷却速度足够快,避免冷却过程中自B相中析出a相以及可能发生的共析分解,就能将高温相B保持到室温。
(例如亚稳定B合金和B合金,它们的稳定B相的元素含量都超过临界含量)。
但是,在许多a+B合金中B相中稳定B的合金元素含量低于上述的临界含量,由于B相的马氏体转变开始温度Ms高于室温,淬火冷却时高温相B就会部分或者全部(由B相的马氏体转变终了温度Mf低于还是高于室温而定)。
通过无扩散的马氏体型相变转变成马氏体a′(过饱和a固溶体)。
这个马氏体a′用金相显微镜是观察不到的,可以在电子显微镜看到,电子显微镜放大2000倍以上是轻易而举的。
还有一点需要指出的是,钢铁通过淬火而获得的马氏体具有很高的硬度,从HRC35到HEC70都可以,但是钛合金的马氏体却不能大幅度的提高硬把钛及钛合金中的杂质和有意加入的元素最常见的是十七个,它们是a.杂质H, C, N, O,b. Alc. Mo V Co Ni Cr Mn Cu Fe W Si D, Sn, Zr(一)先说杂质C, N, O, H,. 1. )H 在钛中是以间隙原子存在的,无论是在工业纯钛或者是钛合金中H 都是不受欢迎的,不论是铝合金,铜合金,镍基合金,还是钢铁中也都不希望有H 存在,因为都会产生氢脆。
H 的含量都是越低越好。
钛及钛合金可以说很害怕H 的,GB/T3620.1-2007新标准一般要求各个牌号H 的含量小于0.015%,因为H 在a--钛中的固溶度是随着温度的下降而急剧下降,例如在320℃时达到0.18%,在120℃时下降到不超过0.003%, 含H 的钛在显微组织中会出现自a —Ti 中析出的氢化物TiH ,这是脆化相,虽然对静力学性能没有太大的影响,但是对冲击韧性却有明显和较大的影响,数据急剧下降,而且缺口效应增加了敏感性。
H 的含量对冲击韧性的影响纯钛中的氢化物(黑针)含H 0.023%但是在高纯钛粉的制造中,就利用H 的特性,把钛料放入特殊的加热炉中,升温并通入高浓度的氢气,待一定时间后关气,降温,取出已经基本粉化的钛料,再用球磨机磨成细粉,就可以用在钛的粉末冶金上了。
H 还有一个特殊的特性,就是它的可逆性,你在空气中加热钛材,或者经过酸洗,它会吸氢,而你在真空炉中加热一定时间氢可以从钛材中溢出来,用真空退火的办法可以把氢去除一部分,所以当我们某个产品的氢含量超出标准范围时,只要超的不多,就可以安排一次或几次真空退火,就可以合格了。
真空退火的条件是10ˉ3mm 水银柱(10-3帕真空度),温度在700~900℃,时间1~6小时。
2.) C, N, O 这三个元素首先要明确虽然是杂质,却是稳定a 相的主要元素,它们也是呈间隙原子的形式存在于钛中的。
氧元素是随着加热温度的升高而吸收的浓度也升高。
但是却不能像H 那样用真空退火的办法去除,真空退火对O 来说,基本没有降低的作用。
下面举一个例子说明O 在加热过程中对钛的渗透力。
0.04%H抗氧化涂料,以保护材料不被O的玷污。
(二) Al这个元素在钛合金中是应用最广泛的元素,除了工业纯钛和TB7,TB11外,几乎没有那个钛合金牌号不含铝的。
在金属元素中它是唯一有效的a稳定元素。
不但比其他稳定a 的合金元素便宜,同时能对钛产生许多好的影响,因为铝能在钛合金中能降低熔点和提高B 转变温度,固溶入钛中能通过固溶强化而提高室温强度并且提高高温强度,所以含铝6%~7%的钛合金具有较高的热稳定性。
并能提高钛的再结晶温度而改善高温强度和蠕变抗力,铝还能增加材料的抗氧化能力和具有良好的焊接性。
并通过增加氢在a相中的固溶度而降低合金的氢脆敏感度。
由于铝的比重比钛还要小,有利于降低钛合金的比重而提高比强度。
AL既然这么好,能不能多加入一些呢?这里有一个Al的含量最大值一般不能超过7%,为什么呢?Al 量超过后容易在合金中产生有序化的a2.相,这个相会使合金的性能下降,为了控制某一类的合金含铝量,特别提出了铝当量的概念,具体计算公式是Al= Al%+1/3Sn%+1/6Zr%+1/2Ga%+10(O)%≤8%~9%(二)Mo, V, Co, Ni, Cr, Mn, Cu Fe, w, Si这十大元素都是稳定B相的,但它们有些元素在稳定B相同时也能稳定a相,只不过作用相对稳定B相来说弱一些,就稳定B相来说其中作用最强的是Fe, Mn, Gr,密度比Mo, W 小,所以应用广泛,是高强亚稳定B性钛合金的主要添加剂。
尤其是对室温力学性能的提高作用很明显,但这三个元素在钛合金作用中不利的方面是与钛形成慢共析反应,在高温长期工作条件下,组织不稳定,蠕变抗力低。
在稳定B相的元素中最常用的是Mo, V这两种。
Mo, V与B—Ti属于同晶元素,都是体心立方结构,在B—Ti中无限固溶,而且在a—Ti中也有一定的固溶度,既能提高合金的强度,还能使合金保持良好的塑性,也能提高钛合金的热稳定性,使合金的高温拉伸和热持久性能数据得到提高。
但是缺点是无论是室温还是高温对钛的强度提高还不能达到令人满意的程度。
Nb和Ta这两个元素的作用基本与V和Mo相近。
Fe元素在钛合金中最多不能超过0.4%,(纯钛中最高为0.5%例外),Fe元素在材料中某些部位富集后极易造成Fe偏析,也就是B斑。
Cu在钛合金中以固溶状态存在,有另一部分形成Ti2Cu或者TiCu2化合物,TiCu2具有热稳定性,可以提高热强化作用,并且铜在a相中的固溶度随温度的降低而显着减少,所以含铜在0.5%左右的钛合金可以通过时效沉淀强化来提高合金的强度。