110kV铁塔接地电阻测试
- 格式:doc
- 大小:35.00 KB
- 文档页数:2
接地电阻测试方法接地电阻测试方法是用来衡量电气设备的接地性能的一种方法。
接地电阻是指电气设备接地系统中的接地电阻值,它反映了电气设备的接地质量和安全保护性能。
接地电阻测试的目的是确保电气设备的接地系统符合安全规范,并能提供有效的保护。
接地电阻测试一般使用万用表或专用的接地电阻测试仪进行,下面是一种典型的接地电阻测试方法:1. 准备工作:a. 关闭由待测试设备供电的电源开关,确保设备断电,以免发生触电事故。
b. 断开设备的接地线,将仪表的两个测试线分别与接地线和地面连接。
2. 测试步骤:a. 设置测试仪表的测试范围和功能,并打开仪表电源。
b. 将一个测试线连接到接地线的连接端,将另一个测试线插入地面,确保接地电阻测试仪表与地面之间没有干扰。
c. 打开测试仪表的测试功能,开始测试接地电阻。
d. 等待一段时间(一般为数秒至数十秒),使测试仪表稳定读取接地电阻值。
e. 记录测试仪表上显示的接地电阻值。
3. 数据分析:a. 对于一般家庭或办公场所的电气设备,其接地电阻应满足一定的安全标准(如国家标准、行业标准等)。
根据具体的标准要求,判断测试结果是否合格。
b. 如果测试结果超出了安全标准的范围,可能表示存在接地问题,需要及时检修或更换接地设备。
4. 注意事项:a. 在进行接地电阻测试时,要确保测试环境的安全,最好由专业人员进行操作。
b. 在测试仪表连线时,要确保仪表与地面的连接牢固,以免影响测试结果。
c. 如果测试接地电阻的设备带有电气设备,测试前应先断开电源,确保安全。
总结起来,接地电阻测试是一种评估电气设备接地性能的方法,它可以帮助我们了解设备的接地质量和安全保护性能。
通过合理的测试方法和数据分析,可以及时发现接地问题并采取相应的维修和改进措施。
但需要注意的是,接地电阻测试应该由专业人员进行,并按照相关标准进行。
只有合格的接地电阻测试结果才能确保设备的安全性和可靠性。
110kV线路接地电阻值多少为标准在电力系统中,接地电阻是非常重要的一个参数,特别是对于110kV线路这样高压等级的电力设备来说,接地电阻的标准更加重要。
接地电阻一般是指接地设备与大地之间的电阻值,它反映了接地系统的接地性能。
在电力系统中,接地电阻的大小直接影响到系统的工作性能和安全稳定运行。
为了确保110kV线路的正常运行和安全性,国家电力行业对接地电阻值做出了明确的规定。
根据国家标准,110kV线路的接地电阻值应该控制在一定的范围内,通常是在10欧姆以下。
这个标准的制定是经过大量实验和研究的基础上得出的,旨在保证电力系统的安全稳定运行。
接地电阻值的标准制定是基于多方面考虑的。
110kV线路本身的电压等级比较高,如果接地电阻值过大,将导致接地电流过大,增加系统的接地故障出现的可能性。
110kV线路通常是城市和重要工业区的主要供电线路,如果接地电阻值不符合标准,将对这些区域的电力供应造成严重影响。
确定110kV线路接地电阻值标准时,需要充分考虑线路的运行环境和重要性,保证其安全稳定运行。
那么如何确保110kV线路的接地电阻值符合国家标准呢?线路接地电阻值的测量非常重要。
还原接地系统的真实情况,确保其符合标准。
要定期对110kV线路的接地电阻进行检测和监测,及时发现并处理接地电阻异常情况。
要加强对接地设备的维护和管理,确保其持久有效。
只有这样,才能保证110kV线路的接地电阻值符合国家标准,保证线路的安全稳定运行。
个人观点上,我认为110kV线路的接地电阻值标准的制定是非常重要的,它不仅关乎电力系统运行的安全性,也关系到城市和工业区的正常用电。
我们应该高度重视110kV线路接地电阻值标准的执行情况,并加强对其相关管理和监测工作,确保110kV线路的安全稳定运行。
110kV线路接地电阻值标准的制定是非常重要的,符合标准的接地电阻值能够保证电力系统的安全稳定运行。
我们应该加强对110kV线路接地电阻值的管理和监测,确保其符合国家标准,保障电力系统的安全稳定运行。
杆塔接地电阻测量操作指导书......内容齐全...学习、分享、下载
2 引用文件
国家电网公司《现场标准化作业指导书编制导则》
GBJ 233-1990 《110~500kV架空电力线路施工及验收规范》DL/T 5092—1999P 《110~500kV架空送电线路设计技术规程》国家电网公司电业安全工作规程(电力线路部分)
DL/T 741-2001 架空送电线路运行规程
3 测量前准备
......内容齐全...学习、分享、下载
3.3 危险点分析及预控
......内容齐全...学习、分享、下载
4 操作程序
4.1开工
4.2操作内容及标准
......内容齐全...学习、分享、下载
......内容齐全...学习、分享、下载
......内容齐全...学习、分享、下载
4 验收总结
5操作指导书执行情况评估
......内容齐全...学习、分享、下载
现场技术负责人:工作负责人:操作测量人员:......内容齐全...学习、分享、下载。
110kV变电站接地电阻测量计算摘要:讨论110kV变电站接地网在变电站的作用,分析变电站接地网中的接地电阻测量与计算等设计问题。
关键词变电站接地网设计在南方地区,由于气候较北方潮湿,相对来说,土壤电阻率ρ会较小,土壤导电性能亦较好,因此接地电阻相对来说容易达到,但南方某些地区土壤电阻率ρ也会相对较大,给接地设计带来困难。
随着电力系统短路容量的增加,做好接地设计,对变电站的系统安全运行,工作人身及设备安全至关重要。
本文根据本人所设计工程,浅谈变电站接地网接地电阻的测量与计算。
1接地电阻测量接地极或自然接地极的对地电阻和接地线电阻的总和,称为接地装置的接地电阻。
接地电阻的数值等于接地装置对地电压与通过接地极流入地中电流的比值。
按通过接地极流入地中工频交流电流求得的电阻,称为工频接地电阻;按通过接地极流入地中冲击电流求得的接地电阻,称为冲击接地电阻。
工频接地电阻的测量通常有单极法、四极法等。
1.1单极法测量土壤电阻率单极法只适用于土壤电阻率较均匀的场地。
单极法测量土壤电阻率方法:在被测场地打一单极的垂直接地体如图1,用接地电阻测量仪测量得到该单极接地体的接地电阻值R。
土壤电阻率:ρ=(2πh)/㏑(4h/d)(1)d,单极接地体的直径,不小于1.5cm;h,单极接地体的长度,不小于1m。
1.2四极法测量土壤电阻率在土壤结构不均匀性的情况下,用单极法测量土壤电阻率有很大的影响,为了得到较可信的结果,把被测场地分片,在岩石、裂缝和边坡等均匀土壤上布置测量电极,用四极法进行多处测量土壤电阻率。
四极法测量土壤电阻率的的原理接线图如图2,两电极之间的距离a应等于或大于电极埋设深度h的20倍,即a≥20h。
由接地电阻测量仪的测量值R,得到被测场地的视在土壤电阻率测量电极,用直径不小于 1.5cm的圆钢或<25×25×4的角钢,其长度均不小于40cm。
被测场地土壤中的电流场的深度,即被测土壤的深度,与极间距离a有密切关系。
Q/GZW 贵州电网公司企业标准Q/GZW 1 ××××-200835-110kV输电线路接地电阻测量作业指导书2008-12-01发布 2008-12-31实施贵州电网公司发布前言为使工作或作业活动有章可循,使工作(作业)安全风险和过程控制规范化,保证全过程安全和质量,根据南方电网公司生[2008]19号关于印发《作业指导书编写导则》的通知要求,贵州电网公司组织编写了《35~110kV输电线路接地电阻测量作业指导书》,本指导书用于指导和规范贵州电网公司系统各单位输电线路作业人员编写输电线路接地电阻测量现场作业工单,同时作为输电专业现场工作(作业)人员学习与培训资料。
《35~110kV输电线路接地电阻测量作业指导书》于××年××月××日经公司标准化委员会审查批准。
本指导书由贵州电网公司生产技术部提出、归口解释。
本指导书主要编写单位:铜仁供电局本指导书主要起草人:周世波、蒋波、李典纹本指导书主要审核人:×××本作业指导书自颁布之日起执行,执行中发现问题,请及时向公司生产技术部反馈目次1范围 (4)2规范性引用文件 (4)3支持文件 (4)4术语和定义 (4)5安全及预控措施 (4)6作业准备 (4)7作业周期 (5)8工期定额 (5)9设备主要技术参数 (5)10作业流程 (6)11作业项目、工艺要求和质量标准 (8)12作业中可能出现的主要异常现象及对策 (8)13作业后的验收与交接 (8)14附录 (9)1范围适用于贵州电网公司所管辖电网中的35~110kV输电线路接地电阻测量作业。
2规范性引用文件DL409—91《电业安全工作规程》(电力线路部分)DL/741—2001《架空送电线路运行规程》Q/CSG10005—2004《电气工作票技术规范》(线路部分)3支持文件《南方电网公司作业指导书编写导则》4术语和定义4.1接地电阻:接地极或自然接地极的对地电阻和接地线电阻的总和,称为接地装置的接地电阻。
编号:
线路杆塔接地电阻测量作业指导书
(范本)
编写:年月日
审核:年月日
批准:年月日
荆州供电公司输电中心
1适用范围
本作业指导书适用于kV线路杆塔-杆塔接地电阻测量工作。
本作业指导书适用于良好天气下的作业。
2引用文件
GB50233-20** 110~500kV架空电力线路施工及验收规范
国家电网安监[20**]664号国家电网公司电力安全工作规程(线路部分)
DL/T 741—20** 架空送电线路运行规程
DL 475—1992 接地装置工频特性参数的测量导则
DL/T 621—1997 交流电气装置的接地
DL/T 5092—1999 110~500kV架空送电线路设计规程
3修前准备
3.1准备工作安排
3.2人员要求
3.3工器具
3.4材料
3.5危险点分析
3.6安全措施
作业分工
4作业程序4.1开工
4.2作业内容及标准
4.3竣工
5验收总结
7指导书执行情况评估
线路杆塔接地电阻测量作业总卡
线路杆塔接地电阻测量作业分卡。
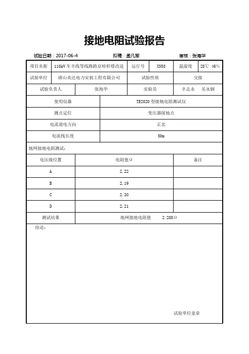
XX风力发电场220kV变电站地网接地电阻测试报告XX电力科学研究院文件编号:XXXX-XXXX-XXX起讫时间:XXXX年XX月XXX日—XX月XX日报告日期:XXXX年X月XX日项目负责人:XX工作人员:XXX XX XX编写人员:XX审核:XX批准:XXX摘要XX电力科学研究院受XX风力发电有限公司的委托,按照DL/T475-2006《接地装置特性参数测量导则》, DL/T621-1997《交流电气装置的接地》、华北电网有限公司《电力设备交接和预防性试验规程》、内蒙古电力公司《电力设备预防性试验规程》的要求,对XX风力发电场110kV 变电站进行主地网接地电阻测试。
经测试,主地网接地电阻实测值为0.7XXΩ,不满足原设计值不大于0.5Ω的要求,该主地网接地电阻测试不合格。
建议立即整改,增加辅网或打深井改造。
经改造后再申请复测。
关键词主地网;接地电阻;测试目录1 前言 (1)1.1 任务来源 (1)1.2 客户设备概况 (1)1.3 试验目的 (1)2 试验参照标准及仪器设备 (1)2.1 试验参照标准 (1)2.2 试验使用仪器设备 (1)3 试验内容及步骤 (2)3.1 试验原理 (2)3.2试验步骤 (2)4 试验数据分析及处理 (3)5 试验结果 (3)6 结论与建议 (4)XX风力发电场110kV变电站地网接地电阻测试报告1 前言1.1 任务来源XX风力发电有限公司。
1.2 客户设备概况XX风力发电场110kV变电站主地网对角线长约130米,设计要求主地网接地电阻不大于0.5Ω。
1.3 试验目的判定地网接地电阻是否满足设计要求,确保电气设备在正常和事故情况下可靠和安全运行。
2试验参照标准及仪器设备2.1 试验参照标准试验参照标准,见表1。
表1 试验参照标准使用仪器设备,见表2。
表2 试验使用仪器设备注:以上仪器、仪表均在检定(校准)有效期内。
3 试验内容及步骤3.1 试验原理该主地网对角线长度约130米。
1 适用范围1.1 本作业指导书适用于10kV-35kV架空送电线路测量杆塔接地电阻标准化作业。
1.2 本作业指导书规定了测量接地电阻所需的人员配置、工器具要求、天气及作业现场的要求、检修作业工序、工艺质量记录卡等内容。
1.3 本作业指导书适用于四川省电力公司所属的各供电企业(公司)。
2 引用文件2.1 DL/T 887-2004《杆塔工频接地电阻测量》2.2GBJ 233 《110~500kV架空电力线路施工及验收规范》2.3 《国家电网公司电力安全工作规程》(电力线路部分)(试行)2.4 DL/T 5092—1999 《110kV-500kV架空送电线路设计技术规程》2.5 DL/T 741—2001 《架空送电线路运行规程》2.7 《电力建设安全工作规程》(架空电力线路部分)2.9 国电发[2002]659号《输电网安全性评价(试行)》2.10 国电发[2002]777号《电力安全工器具预防性试验规程》(试行)2.11 国电发[2003]481号《架空输电线路管理规范》3 天气及作业现场要求3.1 测量接地电阻应在晴朗、干燥的季节和土壤未冻结时进行,不得在雨后立即测量,禁止在雷雨天气进行测量接地电阻。
3.2 测量接地电阻最好在每年的4月份前或10月后进行。
4 人员配置5 作业人员职责分工5.1小组负责人:与小组成员共同确保测量工作全面、优质完成,并对测试质量、安全负责,对测试结果及时、如实、准确上报,并在测试工作完成后,填写相关报表和记录。
认真指导测量人员正确开展测试工作。
5.2 测量人员:在小组负责人的领导下,共同完成测试工作,协助完成卡片填写、报表及记录,测量中严格执行相关规程和本作业指导书规定。
5.3 辅助人员:在测量人员的指导下,完成测试作业过程中的辅助工作;配合、协助正确安全地完成接地电阻测量工作。
6 测量方法6.1 杆塔工频接地电阻测量方法分为两种:三极法、钳表法。
杆塔工频接地电阻的测量宜采用三极法。
10kV配电变压器接地电阻测试及分析方案设计前言在电网系统中,配电变压器是十分重要的设备,将关系到电网能否稳定运行。
但就实际情况来看,由于接地电阻阻值过大,配电变压器会出现设备烧毁的情况,因此相关人员还应加强配电变压器接地电阻测量工作的开展,从而准时发觉接地电阻阻值过大的问题,并采取合理措施降低接地电阻阻值。
接地电阻就是用来衡量接地状态是否良好的一个重要参数,是电流由接地装置流入大地再经大地流向另一接地体或向远处扩散所遇到的电阻,它包括接地线和接地体本身的电阻、接地体与大地的电阻之间的接触电阻,以及两接地体之间大地的电阻或接地体到无限远处的大地电阻。
接地电阻大小直接体现了电气装置与“地”接触的良好程度,也反映了接地网的规模。
接地电阻的概念只适用于小型接地网;随着接地网占地面积的加大以及土壤电阻率的降低,接地阻抗中感性重量的作用越来越大,大型地网应采纳接地阻抗设计。
摘要在配电变压器安装、使用的过程中,还应幸免接地电阻阻值过大,以免出现设备烧毁和人员触电等事故。
基于这种认识,配电变压器接地电阻对供电设备的正常使用影响巨大,若在供电设备的运行过程中,接地电阻值超过正常的范围,会烧毁供电设备及对人员的生命财产安全带来巨大的威胁,所以对于10kV配电变压器接地电阻测试是至关重要的,并且制定了相关的电变压器接地电阻测试的方案。
本设计是10kV配电变压器接地电阻的测试,从接地电阻的背景对接地电阻进行多方面分析,同时介绍了接地电阻的基本测量方法,同时进行了误差分析, 总结了接地电阻工程测量中的误差来源及消除方法, 并根据测试过程提出了相关的注意事项。
[关键词]配电变压器;接地电阻;测量;注意事项目录前言 (1)摘要 (2)第1章绪言 (5)1.1背景现状 (5)1.2设计目的 (5)第2章 10kV配电变压器接地电阻测试任务 (6)2.1任务描述 (6)2.2任务要求 (6)第3章信息咨询 (7)3.1接地电阻 (7)3.2接地电阻的规范要求 (8)3.3变压器接地电阻过大的危害 (9)3.4变压器接地电阻测试方法 (10)3.5变压器接地电阻测试注意事项 (10)第4章制定10kV配电变压器接地电阻测试打算 (12)4.1测试进度打算 (12)4.2测试必备工具 (12)4.4测试实施步骤 (12)第5 章实施10kV配电变压器接地电阻测试打算 (14)5.1前期准备 (14)5.2测试设备和方法 (14)5.3长沙西站变电站10kV配电变压器接地电阻测试实施 (15)5.4长沙西站变电站10kV配电变压器接地电阻测试结果以及分析 (17)第6 章过程检查与控制 (18)6.1配电变压器接地电阻阻值过大问题 (18)6.2 10kv配电变压器接地电阻测试注意事项 (18)6.3配电变压器接地电阻过高预防措施 (19)第7 章技术总结 (21)7.1 接地电阻测量仪器的概述 (21)7.2 测试接地电阻中常见的问题的解决方法 (22)7.3 配电变压器接地电阻的测量与注意事项的重要意义 (22)致谢 (24)参考文献 (25)第1章绪言1.1背景现状配电变压器接地电阻是电网系统的重要组成部分,当接地电阻值超过正常范围时会对供电设备产生不利的影响,会导致供电设备的损坏以及人员生命财产的伤亡与损失,因此,加强对配电变压器接地电阻的测量,对于提高变压器系统的安全性与可靠性具有重要的意义,选择变压器中性点接地方式会牵涉到很多电力系统相关的技术性问题,当前,主要存在的变压器中性点接地方式有中性点不接地、中心点经消弧线圈接地、中性点经高电阻接地等,实际中,选择什么种类的接地方式是根据实际情况而定。
110kv全站试验方案
110kv全站试验方案主要包括以下步骤:
1. 设备检查:检查变电站内的所有设备,包括变压器、断路器、隔离开关、电流互感器、电压互感器等,确保设备完好无损,符合设计要求。
2. 绝缘电阻测试:对所有设备的绝缘电阻进行测试,确保设备的绝缘性能良好,符合相关标准。
3. 交流耐压试验:对所有设备的交流耐压进行测试,确保设备在正常工作电压下能够稳定运行。
4. 继电保护装置校验:对变电站内的继电保护装置进行校验,确保其功能正常,能够在设备发生故障时及时切断故障电流。
5. 接地电阻测试:对变电站的接地电阻进行测试,确保接地电阻值符合设计要求,保障设备和人身安全。
6. 电缆耐压试验:对变电站内的电缆进行耐压试验,确保电缆的电气性能符合设计要求。
7. 模拟故障试验:模拟实际运行中的故障情况,对设备的保护功能进行测试,确保设备在发生故障时能够正确动作。
8. 传动试验:对断路器、隔离开关等设备的传动机构进行试验,确保其动作灵活、准确。
9. 自动化系统测试:对变电站的自动化系统进行测试,包括遥测、遥控、遥信等功能,确保系统能够正常工作。
10. 验收合格:在完成以上所有试验后,进行验收合格程序,确保所有设备符合设计要求和相关标准。
以上是110kv全站试验方案的大致步骤,具体操作可能因实际情况而有所不同。
建议根据具体情况进行调整和完善。
降低110kV输电线路杆塔接地电阻的方法探讨摘要:通常来讲,在电力系统的维护方面,输电线路杆塔接地是非常关键的措施.当对塔顶以及避雷线进行雷击时,雷电流会经过杆塔接地装置流入到大地中,在有着比较高的杆塔接地电阻时,会出现相对比较高的反击电压,导致电压方面的事故.在线路故障中,杆塔接地的不良所导致的事故有着非常大的比例.降低杆塔接地的电阻能够有效提升线路的实际耐雷水平.文章分析了降低杆塔接地电阻的相关措施,同时也为其它高土壤电阻率地区杆塔接地装置的设计和改提供了参考关键词:100KV;输电线路;杆塔;接地电阻一、现场探测架空线路杆塔的相关接地装置状况1.1 杆塔接地装置存在的问题第一,杆塔接地电阻出现超标现象。
在接地装置中,接地电阻超标是存在最为普遍的一个问题,经过一定的调查发现,经常发生电阻超标的地段一般都是雷电活动相对比较频繁的山区。
因为山区有着相对比较复杂的地势,大部分都是岩石,有着相对比较高的土壤电阻率,因此会导致接地电阻超标的现象。
第二,因为山区地势复杂,有着难度比较高的接地装置的施工,在实际施工的过程中,根本就不能根据设计图纸来进行施工,同时又严重缺少监督,这就导致接地装置会在一定程度上留下隐患,例如经过一定的检查,杆塔接地装置往往未按照图纸来对接地体进行适当的敷设。
第三,接地体的地埋深浅,未运用黏土进行回填,接地体和其周围的土壤有着相对比较大的接触电阻,尤其是岩石地带,有着30厘米以下的接地体埋深,大部分运用的都是碎石回填,还有的接地体裸露在地面上,与大地没有充分接触,还会出现非常严重的腐蚀,导致接地电阻的增大。
1.2 杆塔接地引下线以及接地极腐蚀严重通常来讲,在接地装置中,接地引下线与接地体的腐蚀是非常普遍的问题。
以下是出现腐蚀现象的四个部位:第一,接地体与引下线水平以及垂直的连接处,因为有着不同的腐蚀电位,会非常容易发生电化学方面的腐蚀,还有些形成了开路的状态。
第二,杆塔与接地线的螺丝连接处。
铁塔接地工程施工方案一、工程概况本项目为XX地区110kV输电线路工程,线路全长约60km,共设置铁塔150基。
根据设计要求,铁塔接地工程是本输电线路工程的重要组成部分,其质量直接关系到线路的安全稳定运行。
本工程铁塔接地采用联合接地方式,接地体材质为镀锌圆钢,接地电阻要求不大于1Ω。
二、施工准备1. 技术准备:对施工人员进行技术培训,使其熟悉并掌握铁塔接地工程的施工方法、工艺及质量要求。
2. 材料准备:提前采购足够的镀锌圆钢、焊接材料等,并对材料进行检验,确保质量合格。
3. 施工工具:准备足够的施工工具,如电钻、扳手、切割机、焊接设备等。
4. 现场准备:对施工区域进行清理,清除障碍物,确保施工场地畅通。
三、施工方法及工艺1. 接地体安装:在铁塔基础上按照设计要求开挖接地体安装孔,将镀锌圆钢接地体放入孔内,确保接地体垂直、稳定。
接地体长度应根据土壤电阻率及设计要求确定。
2. 接地体连接:采用搭接焊接方式连接接地体,搭接长度不小于80mm。
焊接过程中应保证焊接质量,防止虚焊、假焊现象。
3. 接地体延伸:在接地体顶部设置延伸接地线,延伸接地线采用4mm²多股铜导线,与接地体焊接牢固。
4. 接地电阻测试:接地体安装完成后,进行接地电阻测试,确保接地电阻不大于1Ω。
如测试值不符合要求,应重新调整接地体长度或采取其他措施。
5. 接地体保护:接地体施工完成后,采用土石回填,确保接地体周围土壤密实,防止接地体腐蚀。
四、施工质量保证措施1. 严格把控材料质量,对进场镀锌圆钢进行检验,确保材质合格。
2. 加强施工过程质量控制,确保接地体安装、连接、延伸等环节符合设计及规范要求。
3. 定期对施工人员进行技术培训,提高施工技能及质量意识。
4. 加强施工设备维护保养,确保设备性能稳定。
5. 严格施工验收制度,对完成的接地工程进行接地电阻测试,确保工程质量。
五、施工安全保证措施1. 施工前对施工人员进行安全培训,使其掌握安全操作规程。
接地电阻测试方法接地电阻测试是一种用于测量接地系统质量的重要方法。
良好的接地系统可以有效地保护设备和人员免受电击的危害,因此接地电阻测试是非常必要的。
本文将介绍几种常见的接地电阻测试方法,以帮助您更好地了解接地系统的质量和性能。
首先,我们来介绍一种常见的接地电阻测试方法——四线法。
四线法是一种精确测量接地电阻的方法,它通过使用四根线缆来消除线缆电阻对测试结果的影响。
在进行四线法接地电阻测试时,需要连接一对线缆用于施加测试电流,另一对线缆用于测量接地电阻。
通过这种方法可以准确地测量出接地系统的电阻值,是一种比较常用的测试方法。
除了四线法之外,还有一种简便的接地电阻测试方法——三线法。
三线法是通过在接地系统上施加测试电流,然后使用一根线缆来测量接地电阻。
这种方法相对于四线法来说操作更为简便,但是由于线缆电阻的存在,测试结果可能会有一定的误差。
因此在使用三线法进行接地电阻测试时,需要注意线缆电阻对测试结果的影响,尽量选择低电阻的线缆来进行测试。
此外,还有一种常见的接地电阻测试方法——二线法。
二线法是通过在接地系统上施加测试电流,然后使用同一根线缆来测量接地电阻。
这种方法操作简单,但是由于线缆电阻的存在,测试结果可能会有一定的误差。
因此在使用二线法进行接地电阻测试时,同样需要注意线缆电阻对测试结果的影响,尽量选择低电阻的线缆来进行测试。
总的来说,接地电阻测试是非常重要的,可以帮助我们了解接地系统的质量和性能。
在进行接地电阻测试时,需要根据实际情况选择合适的测试方法,并注意线缆电阻对测试结果的影响,以确保测试结果的准确性。
希望本文介绍的接地电阻测试方法对您有所帮助,谢谢阅读!。
常用电气设备的接地电阻测试方法探析作者:楼英超来源:《电子技术与软件工程》2015年第16期摘要常用电气设备在人们的日常生活扮演着很重要的角色,而接地电阻的测试对于常用电气设备的安全使用具有很大的影响作用,因此本文以常用电气设备为研究对象,着重研究其接地电阻测试的方法。
首先介绍了接地电阻的基本概念,然后分析和探讨了两种接地电阻测试的方法,即辅助电极ZC8接地电阻测试仪测试方法和非辅助电极钳型接地电阻测试仪测试方法,希望能够通过本研究对常用电气设备的接地电阻测试方面带来一定的帮助作用。
【关键词】常用电气设备接地电阻测试在电器安全检测中,电气设备的接地电阻测试是其中的一项最重要,同时也是最基本的测试,尤其对于常用电气设备来说,接地电阻测试对于其安全使用情况具有十分重要的作用。
因此对于常用电气设备的接地电阻测试方法进行分析和探究将具有重要的现实意义。
1 接地电阻的概念电气设备接地端或者说同地面相接处与电气设备容易触及的金属部件之间的连接电阻就是接地电阻,其是一种量化指标,用来评价电气设备的接地连续性。
电气设备接地性能的可靠性,用其接地电阻值的大小来表示。
如果接地电阻太大,给人体带来的伤害性会较大,因为在使用电气设备的时候,电阻过大会导致其电流过大,这样在通过人体时会造成伤害。
常用电气设备进行正确的接地电阻测试能够有效避免安全隐患的存在,从而达到规范电气产品市场和保障人们生命财产安全的目的。
国家对于不同场合的电气设备的接地电阻具有不同的标准要求,因此有必要针对不同的接点电阻运用不同的方法。
2 常用电气设备接地电阻测试方法2.1 ZC8接地电阻测试仪(辅助电极型)ZC8接地电阻测试仪的使用方法是将电流电压打入土壤之中,用来辅助电极。
如果用“Δ”测法,那么就要保持电流极、电压极、接地极三者之间20m的距离;如果用直线测法,那么就要保持电压极、测试点两者之间约为20m的距离,而电流极、测试点两者之间要保持约为40m的距离,该方法对于连接接地体的测试导线也有要求,即必须使用2.5平方毫米的铜质软导线,此外,针对测量电阻来说,为了减少导线自身电阻对其的影响作用,要尽可能使用较短的铜质软导线。
接地电阻测量方法
接地电阻是指接地装置与地之间的电阻,用来表示接地装置的性能。
在电气系统中,接地电阻的大小直接关系到系统的安全性和稳定性。
因此,正确测量接地电阻是非常重要的。
接地电阻的测量方法有多种,下面将介绍几种常用的测量方法。
首先,最常见的接地电阻测量方法是使用接地电阻测试仪。
这种测试仪器可以通过将一端连接到接地装置,另一端连接到测量仪器上,然后进行测量。
在测量过程中,需要确保测试仪器的接线正确,避免接地电阻测量结果的误差。
其次,还可以使用电流-电压法进行接地电阻的测量。
这种方法是通过将一定电流注入接地系统,然后测量接地系统的电压,通过计算得出接地电阻的数值。
这种方法的优点是测量结果准确,但是需要专业的测试仪器和操作技术。
另外,还可以使用电桥法进行接地电阻的测量。
电桥法是利用电桥原理来测量接地电阻的方法,通过调节电桥的平衡状态,可以得到接地电阻的数值。
这种方法的优点是测量结果准确,但是需要较高的技术水平和专业的测试仪器。
除了上述方法,还可以使用地下电阻仪进行接地电阻的测量。
地下电阻仪是一种专门用于测量接地电阻的仪器,通过在地下进行测量,可以得到接地电阻的准确数值。
这种方法适用于需要在户外或者地下进行接地电阻测量的情况。
总的来说,正确测量接地电阻对于电气系统的安全和稳定性至关重要。
在进行接地电阻测量时,需要选择合适的测量方法,并严格按照操作规程进行操作,以确保测量结果的准确性和可靠性。
希望本文介绍的接地电阻测量方法对大家有所帮助。