填写说明 隐蔽验收记录表
- 格式:xls
- 大小:19.00 KB
- 文档页数:1
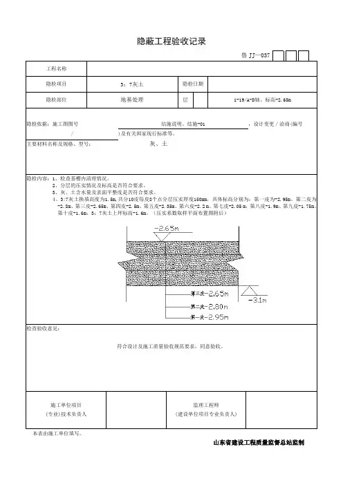
鲁JJ—037工程名称隐检项目3:7灰土隐检日期隐检部位地基处理层1-19/A-D轴、标高-2.65m隐检依据:施工图图号结施说明、结施-01 ,设计变更/洽商(编号/ )及有关国家现行标准等。
主要材料名称及规格、型号:灰、土隐检内容:1、检查基槽内清理情况。
2、分层的压实情况及标高是否符合要求。
3、灰、土含水量及表面平整度是否符合要求。
4、3:7灰土换填高度为1.5m,共分10皮每皮8个点分层压实厚度150mm,具体标高分别为:第一皮为-2.95m、第二皮为-2.8m、第三皮-2.65m、第四皮-2.5m、第五皮-2.35m、第六皮-2.2 m、第七皮-2.05 m,第八皮-1.9m、第九皮-1.75m、第十皮-1.6m,3:7灰土上坪标高-1.6m。
(压实系数取样平面布置图附后)检查验收意见:符合设计及施工质量验收规范要求,同意验收。
施工单位项目(专业)技术负责人监理工程师(建设单位项目专业负责人)本表由施工单位填写。
鲁JJ—037工程名称隐检项目3:7灰土隐检日期隐检部位地基处理层1-19/A-D轴、标高-2.20m隐检依据:施工图图号结施说明、结施-01 ,设计变更/洽商(编号/ )及有关国家现行标准等。
主要材料名称及规格、型号:灰、土隐检内容:1、检查基槽内清理情况。
2、分层的压实情况及标高是否符合要求。
3、灰、土含水量及表面平整度是否符合要求。
4、3:7灰土换填高度为1.5m,共分10皮每皮8个点分层压实厚度150mm,具体标高分别为:第一皮为-2.95m、第二皮为-2.8m、第三皮-2.65m、第四皮-2.5m、第五皮-2.35m、第六皮-2.2 m、第七皮-2.05 m,第八皮-1.9m、第九皮-1.75m、第十皮-1.6m,3:7灰土上坪标高-1.6m。
(压实系数取样平面布置图附后)检查验收意见:符合设计及施工质量验收规范要求,同意验收。
施工单位项目(专业)技术负责人监理工程师(建设单位项目专业负责人)本表由施工单位填写。
隐蔽工程验收记录表1. 引言本文档记录了隐蔽工程验收的过程和结果。
隐蔽工程验收是指在建筑、装修等工程项目中,对隐蔽部位进行检查和验收的过程。
隐蔽部位是指在施工过程中无法直接观察到的部分,例如墙体内部、管道、电线等。
2. 验收人员本次隐蔽工程验收的验收人员包括:•工程负责人(姓名)•建筑监理(姓名)•施工方代表(姓名)3. 验收时间本次隐蔽工程验收的时间为(具体时间),工程负责人提前通知了相关人员并安排了验收的时间。
4. 验收内容本次隐蔽工程验收主要包括以下内容:•隐蔽部位的测量和检查•施工材料的合格性检查•隐蔽部位的质量验收•相关图纸和文件的检查和审核5. 验收步骤5.1 隐蔽部位的测量和检查验收人员按照相关设计图纸和规范要求,对隐蔽部位进行测量和检查,确保其符合设计要求和质量标准。
检查的主要内容包括:•墙体的垂直度和平整度•地面的平整度和水平度•管道的连接和密封情况•电线和电缆的走向和固定情况5.2 施工材料的合格性检查验收人员对使用的施工材料进行合格性检查,主要包括:•砖块的强度和尺寸检查•水泥的标准和质量检查•钢筋的规格和强度检查•电线和电缆的规格和质量检查5.3 隐蔽部位的质量验收验收人员对隐蔽部位的质量进行验收,主要包括:•墙体的抹灰情况和平整度•地面的砼浇筑质量和平整度•管道的连接和固定情况•电线和电缆的布线和连接情况5.4 相关图纸和文件的检查和审核验收人员对隐蔽工程的相关图纸和文件进行检查和审核,确保施工过程和结果符合设计要求和质量标准。
6. 验收结果本次隐蔽工程验收的结果如下:1.隐蔽部位的测量和检查符合设计要求和质量标准。
2.施工材料的合格性检查合格。
3.隐蔽部位的质量验收均合格。
4.相关图纸和文件的检查和审核合格。
7. 问题和改进意见在隐蔽工程验收的过程中,发现以下问题:1.部分墙体的平整度不达标,需要重新抹灰。
2.部分电线连接不牢固,需要重新固定。
3.部分管道连接处存在漏水情况,需要进行修补。
隐蔽内容供回水管道按照设计要求的连接方式及管道标高安装保温完毕,铝板保护层0.5㎜。
1、管道保温后,与木衬垫接合处保温严密。
2、供回水管道与桥架、其他管道交叉处保温处理严密。
3、水管过墙处,套管内不燃材料填塞密实,管道与套管无接触;排气阀检查完毕,阀门等单独保温,保温层不影响阀门的操作。
4、经监理单位验收,管道防腐与绝热合格。
年 月 日 年 月 日 年 月 日 年 月 日专业工长:专业质量检查员:项目专业技术负责人:专业监理工程师:(建设单位项目专业负责人)接头形式焊接简图及说明:验收结论施工单位监理(建设)单位/管径/数量DN125-DN200隐蔽部位管道井工作介质水材 质无缝钢管77米分项工程名称管道、设备防腐与绝热监理(建设)单位环境温度2℃验收日期2019年1月6日鲁TK-023-001工程名称施工单位隐蔽内容供回水管道按照设计要求的连接方式及管道标高安装保温完毕1、管道保温后,与木衬垫接合处保温严密,标高满足吊顶要求。
2、供回水管道与桥架、其他管道交叉处保温处理严密。
3、水管过墙处,套管内不燃材料填塞密实,管道与套管无接触;排气阀检查完毕,阀门等单独保温,保温层不影响阀门的操作。
4、经监理单位验收,管道与设备的防腐与绝热合格。
管径/数量DN125-DN20077米年 月 日 年 月 日 年 月 日 年 月 日专业工长:专业质量检查员:项目专业技术负责人:专业监理工程师:(建设单位项目专业负责人)接头形式焊接/螺纹简图及说明:验收结论施工单位监理(建设)单位/隐蔽部位管道井工作介质水材 质镀锌钢管无缝钢管分项工程名称管道、设备防腐与绝热监理(建设)单位环境温度2℃验收日期2019年1月6日鲁TK-023-000工程名称施工单位DN125-DN20077米管径/数量年 月 日 年 月 日 年 月 日 年 月 日专业工长:专业质量检查员:项目专业技术负责人:专业监理工程师:(建设单位项目专业负责人)接头形式焊接/螺纹简图及说明:验收结论施工单位监理(建设)单位/隐蔽内容供回水管道按照设计要求的连接方式及管道标高安装保温完毕1、管道保温后,与木衬垫接合处保温严密,标高满足吊顶要求。
3隐蔽工程验收记录项目名称:XXX工程项目地点:XXX地区施工单位:XXX公司验收单位:XXX监理单位工程名称:XXX隐蔽工程验收日期:XXXX年XX月XX日一、背景介绍XXX工程是位于XXX地区的一处新建工程,总建筑面积为XXX平方米,主要包括办公楼、停车场等建筑设施。
本次验收的隐蔽工程包括水电、通风、给排水等隐蔽工程部分。
二、隐蔽工程验收内容1.水电隐蔽验收(1)水暖管道安装情况:检查水暖管道的布置是否符合设计要求,管道是否牢固安装、无渗漏。
(2)电气线路安装情况:检查电线的敷设是否规范,插座开关是否安装牢固、电线接头是否绝缘等。
2.通风隐蔽验收(1)通风管道安装情况:检查通风管道的布置是否合理,管道是否清洁无积尘。
(2)送风口、回风口安装情况:检查送风口和回风口的位置是否合适,安装是否稳固。
3.给排水隐蔽验收(1)排水管道安装情况:检查排水管道的施工质量,管道是否畅通无堵塞。
(2)给水管道安装情况:检查给水管道的连接是否密封,无渗漏现象。
三、隐蔽工程验收结果1.水电隐蔽验收:水暖管道和电气线路均安装符合要求,各项指标均合格。
2.通风隐蔽验收:通风管道布置合理,清洁无积尘,送风口和回风口位置符合要求。
3.给排水隐蔽验收:排水给水管道安装妥善,排水管道清洁无堵塞,给水管道无渗漏现象。
四、存在问题及整改措施1.水电隐蔽部分存在部分管道连接处稍有松动,需重新安装。
2.通风隐蔽部分部分送风口回风口位置不够合理,需进行调整。
3.给排水隐蔽部分排水管道出现渗漏现象,需重新处理。
五、隐蔽工程验收结论XXX隐蔽工程部分经过验收,大部分项符合验收要求,但仍存在部分问题需要整改。
施工单位应按照验收单位的整改意见进行整改,待整改完成后申请复验,确保隐蔽工程部分的质量达到要求,为后续工程的顺利进行打下基础。
六、验收单位意见经过本次隐蔽工程验收,发现部分问题需要整改,希望施工单位能够认真对待,按照整改要求进行处理,确保工程质量。
如何填写隐蔽工程施工记录隐蔽工程是指在施工过程中上道工序被下道工序所掩盖,无法再次进行其自身的质量检查的部位。
对隐蔽工程进行检查,并通过表格的形式将工程隐蔽检查项目的隐蔽内容、质量情况、检查意见、复查意见等记录下来,形成隐蔽工程检查记录,作为以后各项建筑安装工程合理利用、维护、改造、扩建等重要的技术资料。
隐蔽工程不可以逆向作业,隐蔽工程被后续工序隐蔽后,其施工质量很难检验及认定,如果不认真做好隐蔽工程的验收检查,就容易给工程留下隐患,为了做好隐蔽工程的检查,保证前后工序顺利进行,凡未经隐蔽工程检查或检查不合格的工程,不得进行下道工序的施工,隐蔽工程检查记录要做到内容简练、明了,数据准确、可靠,隐蔽工程检查的程序明确。
隐蔽工程检查程序:隐蔽工程施工完成后,由现场专业工程师进行自检,填写自检记录,自检合格报专职质检工程师进行检查,专职质检工程师检查合格填写隐蔽工程检查记录表,由项目技术负责人组织,监理工程师及有关分包单位、企业内的质量检查员、施工员参加验收。
监理工程师验收提出整改要求,整改后需复验的必须通知监理工程师复验。
地基基础和结构分部所含分项工程及重大或特殊部位还要邀请有关设计人员、质量监督人员、企业技术负责人、专业技术负责人共同参加验收。
自检不合格不得报验。
监理工程师验收不合格不得进行下一道工序施工。
未经监理工程师验收不得进行下一道工序施工。
若检查存在问题,则在验收结论中给予明示。
对存在的问题,必须按处理意见进行处理。
隐蔽工程检查的依据资料:(1)施工图纸、设计说明;(2)图纸会审记录、设计变更材料;(3)施工及验收规范、质量检验评定标准以及有关设计施工规程;(4)材料、构件、设备出厂合格证、检验报告或材料复试报告;(5)有关分项工程质量验收记录。
隐蔽工程具体包括:建筑地基基础工程1、土方工程:基槽、房心回填前检查基底清理、基底标高、基底处理情况等。
2、支护工程:检查锚杆、土钉的品种、规格、数量、位置、插入长度、深底、垂直度,钢筋笼规格、位置、槽底清理、沉渣厚度等。
隐蔽工程验收记录表1. 引言本文档是针对隐蔽工程进行验收的记录表,旨在对完成的隐蔽工程进行全面检查和验收。
本文档记录了隐蔽工程的验收结果、问题和改进意见等信息。
通过本文档的编写和记录,可以实现对隐蔽工程的标准化验收,确保工程质量和安全。
2. 验收时间和地点•验收时间:[填写验收时间]•验收地点:[填写验收地点]3. 验收人员•建设单位代表:[填写建设单位代表姓名]•施工单位代表:[填写施工单位代表姓名]•监理单位代表:[填写监理单位代表姓名]4. 验收内容4.1 隐蔽工程清单•[填写隐蔽工程清单]4.2 验收项目•[填写验收项目1]•[填写验收项目2]•[填写验收项目3]•…5. 验收结果5.1 合格项目•[填写合格项目1]•[填写合格项目2]•[填写合格项目3]•…5.2 不合格项目•[填写不合格项目1]•[填写不合格项目2]•[填写不合格项目3]•…6. 验收问题与改进意见6.1 验收问题•[填写验收问题1]•[填写验收问题2]•[填写验收问题3]•…6.2 改进意见•[填写改进意见1]•[填写改进意见2]•[填写改进意见3]•…7. 总结与建议通过本次隐蔽工程的验收,我们对工程的质量和安全进行了全面评估。
针对不合格项目和验收问题,必须及时采取相应的措施进行整改和改进,确保工程的顺利进行。
在未来的隐蔽工程中,建议加强对验收标准的规范性,提高施工单位和监理单位的监督和管理能力,以确保工程的质量达到要求。
8. 验收人员签名•建设单位代表签名:___________________ •施工单位代表签名:___________________ •监理单位代表签名:___________________。
SG-A067电气工程隐蔽验收记录注:本表一式四份,建设单位、施工单位、监理单位、城建档案饿各留一份。
四川省建设厅制SG—A067填写说明一、本记录用于电气工程隐蔽之前的检查验收。
检查完毕,应由施工单位专业工长根据检查实际情况填写“检查验收情况”栏目的内容,需要附图或说明者,应在“附图及说明∵栏目中填写及绘图。
由项目专业质量检查员审查并作检查评定结果,监理(建设)单位应作出验收结论,且有关人员应签字确认。
二、被隐蔽的接线盒及导管应在隐蔽前检查合格,方可隐蔽。
直埋电缆必须隐检合格后,方可隐蔽。
三、室外苴埋导管的路径,沟槽深度、宽度及垫层处理经检查确认,才能敷设导管,经隐检合格后,方可进行隐蔽。
四、建筑物基础接地体,待底板钢筋敷设完成,按设计要求做接地施工,经隐检合格后,方能浇注混凝土隐蔽。
人工接地体,按设计位置开挖沟槽,经检查确认,才能打入接地板和敷设接地平线,经隐检合格后,方可隐蔽。
五、利用建筑物柱内主筋作引下线,待柱内主筋绑扎后,再按设计要求进行焊接施工,经隐检合格后,方可隐蔽。
直接从基础接地体或人工接地体暗敷埋入粉刷层内的引下线!经检查确认不会外露以及隐检合格后,方可隐蔽。
六、女儿墙上暗敷的接内口,经隐检合格后方可隐蔽。
七、隐蔽的电气工程应按实际情况绘制附图,要求附图真实,标注清晰。
八、隐检内容包括:品种,规格,位置,标高,弯度,连接,焊接,跨接地线,防腐,焊接部位的焊接质量、搭接长度,管盒固定,管口处理,敷设情况,保护层厚度以及与其它管线的相对位置和距离,等等。
下面是赠送的几篇网络励志文章需要的便宜可以好好阅读下,不需要的朋友可以下载后编辑删除!!谢谢!!出路出路,走出去才有路“出路出路,走出去才有路。
”这是我妈常说的一句话,每当我面临困难及有畏难情绪的时候,我妈就用这句话来鼓励我。
很多人有一样的困惑和吐槽,比如在自己的小家乡多么压抑,感觉自己的一生不甘心这样度过,自己的工作多么不满意,不知道该离开还是拔地而起去反击。
工程验收表格填写说明及样例一、检验批验收记录表的填写检验批的质量验收应在班组自检的基础上,由施工项目专业质量检查员检查并记录,由监理工程师(建设单位项目专业负责人)组织项目专业质量检查员等进行验收,并按附表3.0.18-1记录。
验收前,施工单位先填好“检验批和分项工程的质量验收记录”(有关监理记录和结论不填),并由项目专业质量检查员和项目专业技术负责人分别在“检验批质量验收记录”和分项工程质量检验记录的相关栏目中如实填写,并在“施工单位检查评定结果”栏填写检查结果,签字完整;然后由监理工程师(建设单位项目专业负责人)组织项目专业质量检查员和项目专业技术负责人等严格按规定程序进行验收,并在“监理(建设)单位验收记录”、“监理(建设)单位验收结论”栏中填写验收情况及结论。
(一)表头的填写1、工程“编号”——依各工程验收范围划分表确定。
2、“表号”——与企业标准(《110kV-1000kV变电(换流)站土建工程施工质量验收及评定规程》(Q/GDW 183—2008)中“验收标准与检验方法”的表号一致。
3、从“单位(子单位)工程名称”至“分包项目经理”如实填写,表头部分必须打印。
4、“施工执行标准名称及编号”一栏,统一填写《110kV-1000kV变电(换流)站土建工程施工质量验收及评定规程》(Q/GDW 183—2008)。
(二)主控项目的填写1、“施工单位自检记录”:原则上用文字简述的方式填写。
涉及“材质证明”、试验报告、复试报告的项目应填写报告编号;如果“材质证明”、试验报告、复试报告较多,按“检验批质量验收附件表”(表3.0.18-2)要求进行汇总,并将其编号填入“施工单位自检记录”。
2、“监理(建设)单位验收记录”:简述验收情况,如“抽查试验报告xx 份,结果合格”、“抽查xx组,结果满足要求”等。
3、“质量标准”一栏中没有具体标准,仅有“应符合设计要求”、“应符合现行标准的规定”时,施工单位项目专业技术负责人、专业监理工程师应事先查找“相应标准”或“设计要求”并补充到“质量标准”中。
地脚螺栓隐蔽工程验收记录表范本地脚螺栓是建筑工程中常用的一种连接结构,用于固定建筑基础和柱子之间的连接。
作为一个常见的工程验收表范本,地脚螺栓隐蔽工程验收记录表是用于记录地脚螺栓隐蔽工程的验收情况,检查工程质量是否符合要求以及是否存在潜在安全隐患的记录表。
一、工程基本信息1. 工程名称:2. 工程地点:3. 工程编号:4. 验收单位:5. 验收人员:二、验收内容1. 验收要求:在这一部分,通常会列举地脚螺栓隐蔽工程验收的具体要求,例如地脚螺栓的数量、位置、尺寸、材质等。
2. 验收方法:地脚螺栓隐蔽工程验收可以通过目视检查、测量、试验等方式来进行。
三、验收记录1. 地脚螺栓的位置:在这一部分,需详细记录每个地脚螺栓的具体位置,可以结合工程图纸进行标注。
2. 地脚螺栓的数量:记录地脚螺栓的数量是否符合设计要求,同时还需要记录实际安装的数量。
3. 地脚螺栓的尺寸:记录地脚螺栓的直径、长度等尺寸参数是否符合设计要求。
4. 地脚螺栓的材质:记录地脚螺栓的材质是否符合设计要求,通常地脚螺栓需要具备一定的抗拉、抗剪等性能。
5. 安装质量:记录每个地脚螺栓的安装质量,例如螺栓的紧固情况、固定件的安装情况等。
6. 验收结论:在这一部分,需根据实际验收结果进行判定,判断地脚螺栓的隐蔽工程是否合格,如果存在问题,需记录问题的具体描述。
四、备注在这一部分,可以记录一些特殊情况或者需要额外说明的内容,如遇到的问题和解决方案等。
地脚螺栓隐蔽工程验收记录表范本是一种用于记录地脚螺栓隐蔽工程验收情况的标准表格,通过这个表格我们可以清晰地了解地脚螺栓隐蔽工程的具体情况,包括数量、尺寸、材质、安装质量等等。
在记录中我们还可以对已发现的问题进行备注和提出解决方案,以便针对性地进行后续的改进和处理。
这样的验收记录表范本对于保障工程质量和安全至关重要,能够有效地减少潜在的安全隐患,并为后续工程的进一步优化提供有力的数据支持。
对于地脚螺栓隐蔽工程验收,我认为在实际操作中需要特别注意以下几点:1. 验收人员应严格按照验收要求进行工作,确保每一个环节都符合设计要求。
年月日 2、对保温、隔热层与节点处的防火、防虫、防腐蚀措施,应作出质量认定。
3、隐蔽工程检查记录的表式,可按表C2-5-1-4形式和要求项目填写。
并写明所用材料的合格证件或复查试验单编号,以及试件强度报告编号。
4、有防水要求的屋面、楼面应有蓄水检验记录。
在工程交工前,对工程的每个有防水要求的楼、地面进行24小时蓄水检验。
蓄水深度20~30mm,屋面进行淋水检验,人工连续2小时淋水或连续降雨3小时以上屋面不渗漏,检验记录见表式C2-5-2 防水工程隐蔽检查验收记录1、屋面、地下室、室内地面处的防水工程均应做防水工程隐蔽检查记录,隐蔽内容应包括:① 记明隐蔽部位各层间(包括保温层等)质量情况(坡度、厚度、渗漏、积水);② 记载施工前(防水)测定的各层材料含水率数值;③ 对重大部位或重要节点处设计变更情况应加以说明(文字难以说明的可用图示说明)。
伸缩缝处理、穿越防水层埋件等节点处理状况、验收情况。
不编写钢筋工程隐蔽检查验收记录。
钢结构工程隐蔽检查验收记录:钢结构工程中箱式结构等要对其防腐或防火涂装工程按表C2-5-1-4作为隐蔽检查验收。
装饰装修工程中的隐蔽工程验收装饰装修工程中涉及隐蔽工程验收的,详见“细则”,应按装饰装修分部工程表Q·1·45填写,并列入汇总表C2-5-1-1。
件,如梁、板、柱、架、基墩等可编制单一的隐蔽记录。
2、钢筋隐蔽的检查内容应包括:钢筋配置是否符合设计要求(品种、规格、数量、位置及预埋件);设计变更、材料代用情况;施工质量如绑扎方法、焊接方法、除锈状态、搭接长度、垫块厚度、焊接或搭接位置与方式等;以及材质情况如焊件试验报告、钢筋出厂合格证件、进场试验报告等,对重要结构部位的钢筋隐蔽,必要时可拍照或录像作为隐蔽附件存档。
3、对于小型钢筋混凝土构件(门窗过梁、室内地沟盖板、挑檐板、阳台栏板、梁垫、小型墩池等),可缝隙处理情况;3、砌筑施工质量检验情况(包括标高、埋深、大放脚、拉结石、砂浆饱满度等),以及相邻基础处理方法(深、浅基础)等。
混凝土JUNE 2021隐蔽工程验收记录整理人尼克知识改变命运隐蔽工程检查验收记录表表D1-1 编号:本表由施工单位填报,城建档案馆、建设单位、施工单位各保存一份隐蔽工程检查验收记录工程名称:建设单位:图号:隐蔽部位:施工单位:隐蔽日期:年月日专业技术负责人:质量检查员:工长:填表人:注:本表适用于砼、钢筋、砌体埋筋、防水、回填土等隐蔽工程。
说明1.回填土方隐蔽检查内容:1.基底状态和基底处理情况、被埋置的部位是否已隐蔽验收;2.回填土料的土质名称、鉴别方法、取土地址;3.回填分层厚度与总厚度、夯压方法、干土质量密度、取土样的分布状态和试样数量情况;4.回填砂土时的贯入度值和灌水情况。
2.混凝土结构工程隐蔽记录的填写:1.隐蔽检查内容:①采用图号、设计变更、设计混凝土强度等级、标高、浇筑方法、留槎情况;②几何尺寸;③混凝土试件强度等级实验报告单、混凝土抗渗试验报告单编号;④试水渗漏情况;⑤管道穿越混凝土墙体的防渗做法。
2.试验单、合格证、焊件编号:包括混凝土的原材料如水泥、骨料等,及预埋件的钢材和焊接试验编号。
3.钢筋隐蔽记录的填写1.隐蔽检查内容:①施工图号、设计变更单编号(用文字叙述不清地方可画出简图说明);②钢筋质量检查中的主要问题,如:钢筋直径、根数、钢号、间距、保护层、搭接或焊接、除锈状况等;③特殊部位或构件钢筋位置、预埋铁件检查情况;④在记录右下角填写本部位有关的钢筋出厂证明、复试报告、焊接报告等试验编号。
基础挖土验槽隐蔽工程检查验收记录工程名称:建设单位:图号:隐蔽部位:施工单位:隐蔽日期:年月日专业技术负责人:质量检查员:填表人:注:本表适用于基础挖土验槽隐蔽工程。
说明基础挖土验槽隐蔽工程验收内容:2.基坑内地下水以及地表水情况及其处理情况。
3.基坑(槽)开挖尺寸(长、上下口宽、深)、有无加宽、加深、换土等情况。
4.基土遇有坑、井、人工土、障碍物等的数量、位置及清除情况。
5.地下遇有电缆、旧的管道、旧房基等位置、数量及处理情况。
钢筋工程隐蔽检查验收记录填写实例钢筋工程隐蔽检查验收记录表工程名称:福建省XX陈东中学教学楼工程编号:-012003.22000设(监理)钢材质量控制资料符合设计要经复检符合要焊接试验资料符合设计和规范要经复检符合要主筋制作与安装符合设计图纸要经复检符合要钢筋锚固和搭接长度符合设计要经复检符合要钢筋接头部位符合设计和规范要经复检符合要梁板钢筋保护层均按要求垫置垫经复检符合要模板自检评定合经复检符合要经复检符合要钢筋自检评定合砂、石和水泥有试验,有砼配合经复检符合要有按设计图纸要求预埋并校对正经复检符合要一次性连续浇灌,不留置施工经复检符合要本钢筋检验批质量经施工单位自检合格后,向监理单位报验,经监理单位检符合设计图纸要求,并同意施工单位进行混凝土的浇灌明监理(建设)单位评定:合格施工单位自评:合格监理工程师:林小亮项目经理:卢小强(建设单位代表)林大亮专职质检员:卢大强日21 04月年04月20日2003 2003年注:表格内容要求用碳素墨水填写。
工程隐蔽检查验收记录表工程编号:消费者投诉中心大楼工程名称:XX县工商局315学注:表格内容要求用碳素墨水填写。
2003-01验收部位二层梁板验收日期2003年04 建检 查 项 目施工单位自检质经复检符合要求钢材质量控制资料符合设计要求 焊接试验资料符合设计和规范要求 经复检符合要求筋制作与安装符合设计图纸要求 主筋规格数量及间距经复检符合要求度符合设计要求 长度经复检符合要求锚固和搭接查情梁板钢筋保护层均按要求垫置垫块块模自评 经复检符合要求 定 况 经复检符合要求 筋钢.教学楼工程编号:钢筋工程隐蔽检查验收记录表月20日设(监理) 钢筋材 接复检质试验或证明质量 及试 验 焊量主检钢筋锚固和搭接长钢筋接头部位符合设计和规范要求接头 经复检符合要求部位模板自检评定合格 检 钢筋自检评定合格 定 评检 保护层垫经复检符合要求注:表格内容要求用碳素墨水填写。
般抹灰隐蔽工程验收记录范例隐检依据I施」:图图哗结口L、2 ,没计变更/■治商〔编号■/1及有关I玉I家现有痂准等。
主要材料房蒜规格/型号:H旺据E型钢曲蝙蛇巾1。
.山1』51L ①山HL W2L 山是肚叩%型辆觞规格由1D 皑检内容:「鼐筋及套笥妁有产品逾明我身根的检删报告.饲痕原特和直鼎纹橙头目已就脸舍格’览验报告编号K K X t K X X . KHXZ. X K K h MKX. K 3< K , X K K2,52。
、中星,也上S萍用直螺纹套筒连接,更螺纹院接接.弟位置销开3M;中M. OHL中14 SLE搭特箕度为34d*l.L 搭弟部位绑扎三扣,距阪端头机侦…备一扣,丹同—-扣.3.家地席板制情保护展。
下部钢简仙mm. 25m,地下室外墙外制钢筋5队倾.外堆内间钢筋1弱吐内墙钢筋保护廛1珈队下部倒倍保护是呆用甄胰水花垫块〃种墙外倒冽期.朵用塑并卡圈.,马魅向距1初饷队干林成排布迎『5.底驰底蟆根厚6M硕、钢胡双尾观向、L 卜我3瞒纪〔I血虬上决中共皿1〕丽1皿Y;下兼心MhlM恤E_上^<P22U200miB,取拜H|句间距均白,上钦弯钩平直长度为对仙呵.咕谎节处加崩一L下快妁为①1W我间.6,埼壕标中M弟"锦固长度为抄d印M牝如④网旋叫.皿液花网锚曹长度3牝即有抨血叽中?2 75tarn:水•弟费为串1顺网0. qj 163245(1,搭控长度有?9U x |, 2即中]山为书|]烦.中M为场中血忙旅4)10^)400.堆体钢航下部夸新1W水平段.即9】4为ITOi响.中的为M听矶5暮为显it银筋插至底演上都.上部锚赫知错开Mloi.错开学距邻1)皿、了.拉插偷采用山刀’箍筋为中IIJ底板*.!_早区三1站匪铜舫末幸驾』;1妃、■为於如m 显向•播至虬鼠筋上都,上普接头区牯开Mk ^开净距把① 题为把福叭S.主梁!主筑等中2"箍能采用中1?瓣SL间距航叫1何“9.绑扎治折全部.聚用 E 害扣揶扎■.郛扎绽笑朗内,钢筋.表匝活净.无咐疳枷及情蚀,隐检内容己馅.总童鎏部位已拍黑;活予以检查・影像魇料的部位、数量:洋见附件申报人:专强工装枪者意见;"桐带品种'嵌副,规旃' 配筋数量,位置.同鹿符合设计裹亲■ L钢带绑扎安装成量牢固.无漏扣现京、观感律合要求-招接长度叫土3,埼体定位子筋各部位足寸及间距准确并与主耕绑牢“ L保护房厚度符合要求、呆用塑料垫垃'间距即加咏梅花形沛憧.\乖筋耙场蚀-亮污染.进场建试& 格“上if .项目均相含G朗倬肛-叫叫L2A11版}规定.一、地基基础工程与主体结构工程1■土方工程(1)检查内容:依据施工图纸、地质勘察报告、有关施工验收规范要求底标高,基底轮廓尺寸等情况;检查基底清理情况,基底标高,基底轮廓尺寸等情况;(2)填写要点:土方工程隐检记录中要注明施工图纸编号,地质勘测报告编号,将检查内容描述清楚。
筑业软件版的隐检内容就填写本范例的施工单位自检记录,检查验收内容不用填写,请结合工程项
目实际情况填写。
土方开挖工程隐蔽工程验收记录
土方开挖工程隐蔽工程验收记录
土方回填工程隐蔽工程验收记录
钢筋工程隐蔽工程验收记录
采用HRB400XX,将质量证明书及见证检测报告报XXXX监
理公司验收,已通过验收。
混凝土工程隐蔽工程验收记录
钢筋工程隐蔽工程验收记录
采用HRB400XX,将质量证明书及见证检测报告报XXXX监
理公司验收,已通过验收。
混凝土工程隐蔽工程验收记录
砖砌体工程隐蔽工程验收记录
填充墙砌体工程隐蔽工程验收记录
编号:09
防水工程隐蔽工程验收记录
抹灰隐蔽工程验收记录
门窗工程隐蔽工程验收记录
电气工程隐蔽工程验收记录
电气工程隐蔽工程验收记录
给水与排水工程隐蔽工程验收记录。
隐蔽工程验收记录表
隐蔽工程验收记录表
项目名称:XXXX工程
验收时间:XXXX年X月X日
验收单位:XXX公司
施工单位:XXX施工队
序号内容验收情况备注
1 工程隐蔽验收
1.1 电工隐蔽验收□ 通过〇不通过
1.2 给排水隐蔽验收□ 通过〇不通过
1.3 通风隐蔽验收□ 通过〇不通过
1.4 消防隐蔽验收□ 通过〇不通过
2 设备隐蔽验收
2.1 电气设备隐蔽验收□ 通过〇不通过
2.2 给排水设备隐蔽验收□ 通过〇不通过
2.3 暖通设备隐蔽验收□ 通过〇不通过
2.4 消防设备隐蔽验收□ 通过〇不通过
3 其他隐蔽验收
3.1 验收其他相关隐蔽工程□ 通过〇不通过
4 总结与建议
4.1 施工单位总结□ 通过〇不通过
4.2 验收单位总结□ 通过〇不通过
备注:如有不通过项,请在备注中说明具体原因,并提出整改建议。
以上记录表仅为示例,实际根据具体项目和验收要求进行调整。
隐蔽工程验收记录表是用于记录隐蔽工程(如电气、给排水、通风、消防等)的验收情况,确保工程符合相关规范和标准。
在填写记录表时,需要按照具体的验收项目进行逐一填写,并根据实际情况选择“通过”或“不通过”,对于不通过的项目需要
在备注中详细说明原因,并提出整改建议。
最后,在总结与建议部分,施工单位和验收单位可以对整个工程进行总结,并提出建议。