三菱变频器_模拟量调节电机转速 实训任务
- 格式:pdf
- 大小:328.56 KB
- 文档页数:2
三菱plc如何用模拟量来控制变频器目前,在工业控制中,越来越多地采用变频器来实现交流电机的调速。
二菱PLC与三菱变频器性能稳定、性价比高且调试易上手,二者的配合使用已在运动控制系统中广泛应用。
变频器调速控制一般采用通过变频器的控制面板或端子进行运行参数的设置。
目前,变频器运行频率的没定方案应用较普遍的一是通过电位器来调节,二是通过控制PLC设定运行参数,然后通过D/A转换模块输出模拟信号(DC 0~10 V或4~20 mA)控制变频器输出频率。
1 三菱PLC控制变频器的控制方法1.1 利用PLC的开关量信号控制变频器PLC(MR型或MT型)的输出点、COM点直接与变频器的STF(正转启动)、RH(高速)、RM(中速)、RL(低速)、输入端SG等端口分别相连。
PLC可以通过程序控制变频器的启动、停止、复位;也可以控制变频器高速、中速、低速端子的不同组合实现多段速度运行。
缺点:因为它是采用开关量来实施控制的,其调速曲线不是一条连续平滑的曲线,也无法实现精细的速度调节。
1.2 利用PLC及模块输出模拟量信号控制变频器三菱Fx1N型、FX2N型PLC主机,配置l路简易型的FX1N-1DA-BD扩展模拟量输出板;或模拟量输入输出混合模块FX0N-3A;或两路输出的Fx2N-2DA;或四路输出的FX2N-4DA模块等控制变频器转速控制。
此控制方法,PLC程序编制简单方便,调速曲线平滑连续、工作稳定。
工业控制中使用较为普遍。
缺点:在大规模生产线中,控制电缆较长,尤其是DA模块采用电压信号输出时,线路有较大的电压降,影响了系统的稳定性和可靠性。
使用中应注意通讯线不能过长。
1.3 PLC采用RS-485通讯方法控制变频器利用PLC与RS-485通讯控制变频器的应用是较为广泛的一种方法,PLC采用RS串行通讯指令编程。
此控制方法硬件简单、造价最低,其抗干扰能力强、传输速率高、传输距离远且造价低廉。
可控制32台变频器。
任务(第 1 次课)任务一:高速计数器HC2模式11脉冲控制思考:1)HSC2模式11如何接线?在该模式下当启动输入端无效同时,复位信号被激活,计数器当前值能否复位(清0)?2)当高速脉冲计数到预设值时如何使脉冲发生器(Q0.0)输出停止?知识点一:PLC数/模转换( D / A )控制1.1 模拟量输入/输出模块EM235(4AI / 1AO)EM235有四路模拟量输入一路模拟量输出。
输入输出都可以0-10V电压或是0-20mA电流,可以由DIP开关设置。
电源为24VDC,由CPU224提供。
EM235的输入输出连线示意详见下图。
用DIP开关可以设置EM235模块,开关1-6可以选择模拟量输入范围和分辨率,所有的输入设置成相同的模拟量输入范围和格式。
开关1、2、3是衰减设置,开关4、5是增益设置,开关6为单双极性设置。
图 1 EM235输入输出连线1.2 数/模(D/A)转换EM235输入数值为12位(0-4000)、输出数值为15位(0-32000),其1路模拟量输出占用2路输出地址。
当EM235通过扩展电缆与主机(CPU22X)直接相连时,其编程地址为AQW0,如不是直接与主机相连,其地址分配可参考课本P129例4-1及P130表4-1。
注意:EM235输出(1路)地址分配为双字(如课本中模块5输出占用地址为AQW4和AQW6(或AQD4);下一路模拟量输出地址分配从AQW8开始)。
即:十进制数32000对应10V电压或20mA电流输出,具有线性关系。
任务二:用EM235模块进行变频器频率给定电压控制,编程实现下列关系线。
要求在图示各段均有相应指示灯亮。
思考:1)结合实验所用的PLC类型,三菱A740变频器控制参数Pr79如何设置?如何实现“外部控制”的操作模式?2)三菱A740变频器其它相关控制参数如何设置?3)画出PLC——变频器控制电路图;4)考虑变频器的实际应用情况,编程时还需有哪些因素?5)编写调试成功的PLC程序。
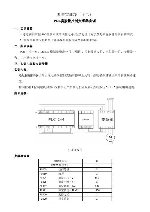
典型实训项目(二)
PLC模拟量控制变频器实训
一.实训目的
1.通过实训掌握PLC控制系统的硬件电路、程序的设计方法及对编程软件的编辑和调试。
2. 掌握变频器控制系统的外部模拟量控制及外部启停控制。
二.实训设备
PLC主机一台、EM235模拟量模块一只(另配)、控制按钮5只、电位器一只、变频器一台、三相异步电机一台。
三.实训内容和实训步骤
实训内容:
通过按钮控制PLC输出继电器来控制变频启停和正反转、控制模拟量输出来控制变频器速度。
控制按钮1按制电机启停;控制按钮2按制电机正反转;控制按钮3、4、5按制电机速度;实训连线:
实训连线图
变频器设置
实训步骤:
先按图连好电路,确认无误后通上电源,将PLC程序输入到PLC,将变频按要求设置好,按控制按钮,观察实训现象。
四.实训要求
1.了解PLC主机、模拟量模块、变频器的工作原理。
2.编写梯形图程序。
3.写实训报告。
(在报告中应写出程序设计的方法、步骤和实训观察结果)。
任务3:通过模拟量控制变频电机转速1.任务要求:使用FX2N-2DA模块通过PLC模拟量输出对变频电机转速进行控制。
要求对FX2N-2DA模块的功能及其接线的掌握,PLC程序编写的掌握。
任务如下:当按下触摸屏“启动”按钮时,循环开始:变频电机以D1r/min正转5秒,然后加速到D2r/min并正转10秒,接着停止5秒,再以D3r/min反转6秒,再加速到D4r/min反转10秒,再停止5秒后,变频电机D1r/min正转5秒……如此循环5次,循环结束。
(D1至D3均在触摸屏上设置)。
2.任务分析2.1任务实施思路本任务主要对变频器在模拟量给定频率模式下,使用PLC模拟量输出对变频电机进行转速控制。
使用模拟量模式控制电机,优点在于能准确的把控电机每分钟的转速。
2.2物料选择根据任务要求,在学习过程中需要用到一下设备:2.3相关知识储备熟悉2DA模块的说明书内容,伺服电机速度控制模式。
2.3.1三菱FX2N-2DA特殊功能模块FX2N-2DA型的莫逆输出模块用于将12位的数字值转换成2点莫逆输出(电压输出和电流输出),并将它们输出到PLC中。
FX2N-2DA可连接到FX0N、FX2N、FX2C和FX3U系列的PLC。
(1)根据接线方法,模拟输出可在电压输出或电流输出中进行选择。
此时,假定设置为两通道公共模拟输出。
(2)两个模拟输出通道可接收的输出为0到10VDC,0到5VDC,或者4到20mA。
(电压输出/电流输出的混合使用也可以到。
)(3)分辨率为2.5mV(0-10VDC)和4uA(4-20mA)。
(4)数字到模拟的转换特性可进行调整。
(5)此模块占用8个I/O点,它可被分配为输入或输出。
(6)使用FROM/TO指令与PLC进行数据传输。
上图为FX2N-2DA的外形尺寸和部件图2.3.2FX2N-2DA模块与变频器的接线FX2N-2DA模块的内部布线图如下:下图为变频器与FX2N-2DA模块的接线。
广东省电子商务技师学院变频调速模块化教学指导书(三菱FR-A740型)目录实验一:变频器各部件及接线 (2)实验二:变频器的基本操作 (4)实验三:变频调速的试运行 (11)实验四:变频器的V/F曲线的测量 (23)实验五: 变频器的PU开环和闭环运行 (25)实验六: 变频器的外部操作与组合操作 (27)实验七: 变频器的程序运行 (29)实验八: 变频器的频率跳变操作 (32)实验九:变频器的多段速运行 (34)综合实验一:外接控制电路 (36)综合实验二:变频器的外部综合操作 (39)附录A(变频器各端子接线) (41)附录B(变频器各端子说明) (27)附录C(参数表) (45)附录D(异常显示一览) (51)实训项目一:变频器各部件及接线实训目的:1. 熟悉变频调器各部件的名称、位置及功能2。
了解变频器的接线实训器材:三菱FR-A740变频调器、连接导线、电动机、电源、电工常用工具实训内容及步骤:一。
根据图1-1所注明的变频调器各部件,在变频器中找出对应器件图1—1变频调器各部分名称二、安装和接线图1-2实训项目二:变频器的基本操作实训目的:1。
熟悉变频调速实验装置的操作面板2。
掌握变频器的接线3。
熟悉变频器的操作面板和按键的操作4.掌握变频器参数的设定方法实验器材:变频调速实验装置实验内容及步骤:一. 实验装置总体面板的熟悉SX-801型变频调速实验装置的操作面板见实物,在面板左侧,有KM1、KM2、KM3三个辅助接触器。
面板左上方装有一只反映供电电源电压大小的交流电压表和一只反映电机负载电流大小的交流电流表。
在面板右侧,装有一只直流毫安表(可以反映频率值),一只直流电压表(可用于反映变频器的输出信号值),还装有1个电位器、6个开关、2个双位选择开关和3只按钮,这些元器件均为独立元件,以供实验所需.右侧另有4列变频器控制信号引出插孔和5V直流电压源及可调24V直流电压源,以提供外部操作所需。
变频器控制电机正反转调速实训
一、实训目的
1、通过对变频器控制电机正反转调速线路的安装接线,掌握由电气原理图接成实际操作电路的方法。
2、熟悉三菱F700变频器接线和参数设置。
二、实训说明
(1)、固定三段速:按正转启动按钮,电机以速度1运行20s,再以速度2运行20s,再以速度3运行20s后停止运行。
反转同上。
(2)、六段速正反转:按正转启动按钮,电机以速度1运行10s,再以速度3运行10s,再以速度5运行10s;此后反转以速度2运行10s,再以速度4运行10s,再以速度6运行10s,停止运行。
三、操作过程
1、I/O端口分配功能表
2、接线图
3、梯形图参考程(1)、固定三段速
(2)、六段速正反转。
实验三变频器功能参数设置与操作实训一、实验目的1.熟悉变频器主回路接线;2.掌握三菱D700型交流变频器的参数设置方法;3.掌握利用变频器控制电机的基本操作方法..二、实验内容1、利用D700操作面板设置变频器参数;实现变频器的参数恢复出厂值设置..2、再设置变频器参数;实现通过操作面板操作交流变频器;从而控制电机的起动/停止、正/反方向运转、调速;3、重新设置变频器参数;实现通过外接端子操作交流变频器;从而控制电机的起动/停止、正/反方向运转以及通过电位器调速..三、仪器设备1、三菱的D700型交流变频器一台;2、电动机一台..首先;仔细认真的阅读关于D700 变频器的相关资料;了解变频器参数设置的方法;控制端子的定义;各参数的意义;尤其是上表中参数的意义..确定下面各实验步骤中应设置的参数及参数值..写出预习报告;预习报告必须填写好上表中后两列..实验中依次完成下列实验步骤:1、恢复出厂值设置为了本次实验的需要;首先恢复出厂设置;方法是:设置Pr.CL参数清除、ALLC参数全部清除=“1”;可使参数恢复为出厂设置的初始值..注意:初始化结束后;系统设定为“显示简单模式的参数”状态Pr.160=“9999”初始值;为了下面的实验必须设置Pr.160=“0”;将系统改为“显示所有参数”状态..2、在V/F控制模式下变频器的初始设定模式的工作1面板操作方式工作1设置变频器参数Pr.79=“1”;将变频器设置成操作面板操作方式;2根据实验用异步电动机的名牌数据修改电机额定参数;3通过面板操作实现交流变频器的起动/停止、正/反方向运转、调速预习报告中要写出应设置的参数及参数值;操作的方法..4修改电机的加速时间与减速时间来控制电动机起动与停车时间;体会加减速时间对电机起停过程的影响..5观察频率最大为多少Hz时;能用手将异步电动机堵转即握住电机轴;电机不再能转动思考:按照基频以下为恒转矩工作的性质;无论频率高低;电机输出转矩应该不变;但为什么在较低频率时却能够将电机堵转在实验报告中加以说明..2外部端子操作方式工作1按下面接线示意图所示接线预习报告中要写出图中用到的端子的意义及接线的意义..2设置变频器参数Pr.79=“2”;将变频器设置成外接端子操作方式;3通过外接端子操作和外部电位器控制频率;实现交流变频器的起动/停止、正/反方向运转以及电位器调速预习报告中要写出应设置的参数及参数值;操作的方法..4观察当外部电位器调至最大时;运行频率是否为变频器基准频率50Hz 如果不是调整参数使之成为基准频率50Hz..预习报告中要写出应设置的参数;操作的方法..3*、在通用磁通矢量控制模式下工作通过设置参数9、71、80、83、84使变频器工作于通用磁通矢量控制模式下;设置参数96按照步骤完成通用磁通矢量控制模式的自动参数调谐详见D700使用手册应用篇P68-69、96-97;必须仔细阅读;观察在V/F控制模式下使电动机堵转的频率在通用磁通矢量控制模式下能否还能使电动机堵转为什么在实验报告中加以说明..本实验步骤为本次实验的拓展部分;鼓励大家试做实验四交流调速系统的性能实验一、实验目的在前一实验的基础上;进一步学习对变频器的各种操纵方法及具有的功能;构成某种调速系统;实现一定方式的调速运行..二、实验内容本实验为设计型实验;要求学生自己利用高性能通用变频器组成变频调速系统;主要借助于变频器自身的功能;实现一定方式的调速运行;最好有一定的实际生产意义..学生必须提前上交预习报告;在预习报告中;必须给出系统的设计思想;原理接线图;设置的参数;实验步骤;需要记录的内容等..三、仪器设备1、三菱D700型交流变频器一台;2、交流电动机及相关实际设备..四、实验步骤1、实验前1周交预习报告;先由教师审查;直至确定其方案可行;方可进入实际实验操作;2、实验中按预习报告设计的实验步骤完成实验..五、实验要求与实验报告实验预习是保证实验正确无误、快速完成实验的前提;要求在充分预习教材及本实验指导书的附录D700使用手册应用篇的基础上;做好预习报告;预习报告不合格的不得参加实验;预习报告内容上面已经述及..实验报告内容应包括:1学生自己设计的系统方案与实验内容;2实验原理图、实际接线图;3各实验步骤中应设置的参数及参数值;4在各实验步骤的实验过程中观察到的现象、数据;4必要的分析与讨论..六、实验系统提示可以设计以下系统1可以实现多种频率运行的“多段速变频调速系统”;思考:如何事先把多段运行频率设置好2可以实现平滑起动、停止的“S曲线起/停控制”;思考:如何按照一定的要求;计算S 曲线参数如何比较实际运行中有无实现S曲线起/停3多台变频器协调运行的“同步运行速度控制系统”;思考:如何利用变频器自身的信号实现基本同步4一台变频器对多台电机的“循环变频控制系统”;思考:如何实现电机的变、工频控制切换。
变频器应用技术实验指导书目录实验一变频器的面板操作 (3)实验二变频器PU运行操作和外部运行操作 (7)实验三变频器组合运行的操作 (12)实验四变频器多档速度运行的操作 (15)实验五变频器的PID控制运行操作 (18)实验六 PLC与变频器组合的控制操作 (21)实验一变频器的面板操作一.实验目的1、熟练掌握变频器面板操作方法及显示特点.2、熟悉变频器的各种运行模式3、掌握变频器运行基本参数设定方法.4、掌握变频器的模式切换操作和各种清除操作。
二.实验内容变频器对异步电动机进行控制,需要设置频率指令和启动指令.将启动指令设为ON后电机便开始运转,同时根据频率指令(设定频率)来决定电机的转速。
熟练掌握变频器的面板操作方法是使用变频器的基本技能.1、工作模式切换通过按MODE键,变频器可以在监视模式、参数设置模式和报警查询模式之间转换。
2、PU模式基本操作3、参数设置基本操作注意:Pr.160内容9999(初始值)只显示简单模式参数0可显示简单模式参数和扩展模式参数4、参数清除操作清除的意思是恢复到出厂设定。
参数清除操作只能在PU模式下进行。
有两种清除:“参数清除"和“参数全部清除”,“参数清除”是将除了校正参数、端子功能选择参数等之外的参数全部恢复,详见使用手册。
5、运行模式设置运行模式可通过预置参数Pr.79确定,也可通过如下简单操作来完成运行模式选择.有4种方式可设定:实验二变频器PU运行操作和外部运行操作一.实验目的1、掌握变频器PU运行操作的方法。
2、掌握变频器外部运行操作方法。
3、掌握变频器外部运行操作的控制回路接线图。
4、熟悉变频器PU运行操作和外部运行操作涉及到的功能参数。
5、了解“外部运行操作模式"与“PU运行操作模式”的差别.二.实验内容变频器运行的PU操作,指变频器不需要控制端子的接线,完全通过操作面板上的按键来控制各类生产机械的运行。
变频器运行的外部操作,指变频器的运行频率和启停信号,是通过变频器的外部端子的接线来完成,而不是通过操作面板输入的.1、PU操作试运行(点动运行)例:以30Hz运行.变频器的接线:2、PU操作连续运行3、将M旋钮作为调速电位器连续运行4、PU操作模式下的正反转控制通过改变Pr。
一、实训目的1. 了解电机多段速控制的基本原理和实现方法。
2. 掌握使用变频器实现电机多段速控制的接线方法和操作步骤。
3. 学会使用PLC编程实现电机多段速控制。
二、实训设备1. 电机:一台三相异步电动机。
2. 变频器:一台三菱PLC变频器。
3. PLC:一台三菱PLC。
4. 电源:一台三相电源。
5. 接线端子:若干。
6. 工具:螺丝刀、剥线钳等。
三、实训原理电机多段速控制是指通过改变电机供电的频率来实现电机运行速度的调节。
在实训中,我们将使用变频器对电机进行多段速控制。
变频器通过改变输出电压和频率来控制电机的转速,从而达到多段速控制的目的。
四、实训步骤1. 熟悉设备首先,熟悉实训设备,了解各设备的功能和接线方式。
2. 变频器接线(1)将电机三相电源接入变频器的三相输入端子。
(2)将电机三相负载接入变频器的三相输出端子。
(3)将变频器的启动、停止按钮、多段速选择按钮等控制端子与PLC的输入端子相连。
3. PLC编程(1)在PLC编程软件中,编写电机多段速控制程序。
(2)程序功能:根据PLC输入端子的信号,控制变频器的输出频率,实现电机多段速运行。
4. 联调与测试(1)将PLC与变频器连接,并进行通信设置。
(2)在PLC编程软件中,将程序下载到PLC中。
(3)启动PLC,观察电机运行情况,调整程序参数,使电机达到预期多段速运行效果。
5. 实验数据记录记录电机在不同速度下的电压、电流、功率等参数,分析实验结果。
五、实训结果与分析1. 电机在低频段运行时,转速较低,电流较小,功率较小。
2. 电机在中频段运行时,转速适中,电流适中,功率适中。
3. 电机在高频段运行时,转速较高,电流较大,功率较大。
通过本次实训,掌握了电机多段速控制的基本原理和实现方法,了解了变频器和PLC在电机控制中的应用。
在实验过程中,通过调整程序参数,实现了电机多段速运行,验证了实训目的。
六、实训总结1. 通过本次实训,了解了电机多段速控制的基本原理和实现方法。
广东机电职业技术学院变频器实训(二)报告(2015-2016学年第2学期)专业:电气自动化技术班级:1409姓名:赖锦年学号:06140922指导教师:王晶饶晶晶时间:第5周(2015年3月28日至2015年4月1日)监视操作:频率设定操作:参数设定操作:帮助模式下的操作:3.正反转运行的PU模式操作;。
Allc=1 Pr.79=1 Pr.1=45按面板启动按钮FWD电动机正转,按钮REV则为反转。
4.正反转运行的外部模式操作;Allc=1 Pr.1=45 Pr.79=2按下启动开关X0,电机正转,这时打下反转开关X1电机反转,按下面板停止按钮RESET电机停止转动。
5.正反转运行的组合模式1、2操作;模式1 Allc=1 Pr.79=2 Pr.1=45打下启动开关X0,电机正转,这时按下面板反转按钮REV打下电机反转,打下停止开关电机停止转动。
模式2 Allc=1 Pr.79=3 Pr.1=45按下面板启动按钮FWD,打上正转开关X0电机正转,这时打下反转开关X1电机反转,按下面板停止按钮RESET电机停止转动。
6.多段速度运行操作;Allc=1 Pr.79=3 Pr.1=45 Pr.4=40 Pr.4=30 Pr.4=20打下启动开关X0,电机正转,这时打下高速开关X2电机以40Hz高频运行;关上高速开关X2,打下中速开关X3机以30Hz中频运行;关上高速开关X3,打下中速开关X4机以20Hz低频运行。
这时,按下面板反转按钮REV电机反转,按下面板停止按钮RESET电机停止转动。
7.频率跳变设定;Allc=1 Pr.79=4 Pr.1=45 Pr.31=5 Pr.32=10 Pr.33=13 Pr.34=21按下面板启动按钮FWD,电机正转,把模式调为监视模式,转动电位器改变电机运行频率,观察电机工作频率。
8.遥控设定。
Allc=1 Pr.79=1 Pr.1=45 Pr.59=1 (断电后,有记忆功能)按下面板启动按钮FWD,电机正转,把模式调为监视模式,转动电位器给定电机一个初始频率,分别按下按钮X3、X4、X5观察电机工作频率。
一、实训目的本次实训旨在通过实际操作,了解电动机转速调节的基本原理和方法,掌握使用变频器、滑动变阻器等设备调节电动机转速的操作技能,并验证调节方法对电动机转速的影响。
二、实训器材1. 电动机一台2. 变频器一台3. 滑动变阻器一个4. 电源一台5. 接线板、导线若干6. 万用表一个三、实训原理电动机转速的调节主要基于以下原理:1. 交流电动机转速与电源频率成正比,调节电源频率即可调节电动机转速;2. 电动机转速与电动机负载有关,负载越大,转速越低;3. 通过改变电动机电路中的电阻,可以改变电动机的电流,进而影响电动机转速。
四、实训步骤1. 连接电动机、变频器、电源等设备,确保电路连接正确;2. 将变频器设置为固定频率,观察电动机的转速;3. 改变变频器的频率,观察电动机转速的变化;4. 将变频器设置为固定频率,使用滑动变阻器调节电路中的电阻,观察电动机转速的变化;5. 记录不同频率和电阻下的电动机转速数据;6. 分析数据,总结调节电动机转速的方法。
五、实训结果与分析1. 当变频器频率从50Hz逐渐降低至30Hz时,电动机转速也随之逐渐降低,说明交流电动机转速与电源频率成正比;2. 当滑动变阻器的电阻值逐渐增大时,电动机转速逐渐降低,说明电动机转速与电路中的电阻成正比;3. 在负载不变的情况下,改变电源频率和电路电阻均可有效调节电动机转速。
六、实训结论通过本次实训,我们掌握了以下电动机转速调节方法:1. 使用变频器调节电源频率,实现电动机无级调速;2. 使用滑动变阻器改变电路中的电阻,实现电动机调速。
在实际应用中,根据具体需求选择合适的调节方法,可以有效提高电动机的使用效率。
七、实训心得本次实训使我深刻认识到电动机转速调节的重要性,以及不同调节方法的特点。
在今后的工作中,我将运用所学知识,为电动机调速提供技术支持。
同时,我也认识到理论与实践相结合的重要性,只有通过实际操作,才能真正掌握技能。
实验二变频器调速一.实验目的1.通过面板操作和相关的参数设置,实现常见的功能配置;2.试用各种操作模式,了解常用控制功能,掌握相应的操作条件和现象。
二.实验装置三菱FR-E540变频器三.操作对象变频器的操作模式,以三菱E540为例,常用有“外部操作模式”,“PU操作模式”,“组合操作模式”等。
大家将通过本实验来试用上述模式,并且观察其软硬件功能的连接。
(Pr.79设定)1)外部操作模式(模拟量控制:P79=2)这是三菱变频器出厂设置的默认操作模式,在该模式下,有2组连接到端子板的外部操作信号可以使用(1,频率设定电位器和启动开关;2,多段速度编码开关和启动开关。
)。
当电源接通时,启动信号(STF,STR)接通,则开始运行。
2) PU 操作模式(Pr79=1)变频器的操作可直接通过其自带的PU 键盘来进行.这种模式不需外接操作信号,可立即开始运行。
该模式分为“PU ”和“JOG ”两个操作选项,在PU 方式下,频率可以通过面板直接动态设定,加减速时间通过参数静态设定,按钮操作采用保持方式;在JOG 方式下,频率和加速时间都通过参数预先设定。
3) 组合操作模式(多段速:Pr.79=3/4)4. 面板操作1) 按Mode 键,可在监视模式、频率设定模式、参数设定模式、运行模式、帮助模式间循环切换。
2) 在监控模式下按set 键,可在电流显示、电压显示、频率显示之间循环切换。
3) 在频率设定和参数设定模式下,修改参数后长按set 键可以保存设定值,点击set 键则可放弃修改并指向下一个参数。
4) 在参数设定模式下,上下箭头键用来搜索参数或增减参数值。
5) 在PU 模式下,可用FWD 、REV 、STOP 键来控制电机启停四. 实验步骤1. 选择外部信号模式(面板显示“EXT ”)用电位器和正反启动开关控制电机。
2. 继续在外部信号模式下改用编码开关和启停开关控制电机,并观察编码状态、多段速度、切换时的加减速及所有相关的参数设定。
三菱PLC模拟量控制在变频调速的应用本文以三菱PLC为例介绍了模拟量控制,并结合变频调速基本原理及特点,重点阐述了如何通过PLC模拟量控制来实现对变频器的速度调节。
1、引言近年来可编程序控制器(PLC)以及变频调速技术日益发展,性能价格比日益提高,并在机械、冶金、制造、化工、纺织等领域得以普及和应用。
为满足温度、速度、流量等工艺变量的控制要求,常常要对这些模拟量进行控制,PLC模拟量控制模块的使用也日益广泛。
通常情况下,变频器的速度调节可采用键盘调节或电位器调节方式,但是,在速度要求根据工艺而变化时,仅利用上述两种方式则不能满足生产控制要求,因此,我们须利用PLC灵活编程及控制的功能,实现速度因工艺而变化,从而保证产品的合格率。
2、变频器简介交流电动机的转速n公式为:式中: f—频率;p—极对数;s—转差率(0~3%或0~6%)。
由转速公式可见,改变三相异步电动机电源频率,可以改变旋转磁通势的同步转速,达到调速的目的。
额定频率称为基频,变频调速时,可以从基频向上调(恒功率调速),也可以从基频向下调(恒转距调速)。
因此变频调速方式,比改变极对数p和转差率s两个参数简单得多。
同时还具有很好的性价比、操作方便、机械特性较硬、静差率小、转速稳定性好、调速范围广等优点,因此变频调速方式拥有广阔的发展前景。
3、PLC模拟量控制在变频调速的应用PLC包括许多的特殊功能模块,而模拟量模块则是其中的一种。
它包括数模转换模块和模数转换模块。
例如数模转换模块可将一定的数字量转换成对应的模拟量(电压或电流)输出,这种转换具有较高的精度。
在设计一个控制系统或对一个已有的设备进行改造时,常常会需要对电机的速度进行控制,利用PLC的模拟量控制模块的输出来对变频器实现速度控制则是一个经济而又简便的方法。
下面以三菱FX2N系列PLC为例进行说明。
同时选择FX2N-2DA模拟量模块作为对变频器进行速度控制的控制信号输出。
如下图1所示,控制系统采用具有两路模拟量输出的模块对两个变频器进行速度控制。