基于STC89C52单片机的国旗自动升降系统设计开题报告
- 格式:docx
- 大小:62.80 KB
- 文档页数:6
摘要随着科技的发展,许多设备都趋向自动化,而国旗升降也在向自动化方向发展。
为了实现这一功能,本系统采用STC89C52单片机作为主要控制单元,以步进电机作为升旗的动力,独立式键盘作为输入,通过LED显示器显示系统信息。
系统通过单片机的I/O口发出信号到步进电机控制器,进而控制电机的正转和反转。
通过滑轮传动装置完成升旗和降旗动作。
该系统可实现以下功能:按下上升按键后,国旗匀速上升,同时演奏国歌,在旗杆的最高端自动停止;按下下降按键后,国旗下降,降旗时不放国歌,在最低端不需要人为操作能够自动停止,从而使操作简单化。
旗帜的升降由电动机驱动,该系统的控制按键有上升键、下降键、复位键、停止键等。
升旗时间为43秒,同时旗从旗杆的最下端上升到顶端。
降旗不演奏国歌,同时,旗从旗杆的最上端下降到底端。
可以避免误动作,国旗在最高端时按上升键不起作用;在最低端时,按下降键不起作用。
关键词:STC89C52 ,步进电机,LEDIAbstractWith the development of science and technology,many equipment to be automated,and the national flag in the automatic and direction.In order to achieve this function,the system use the STC89C52 microcontroller as the main control unit,step motor hoist a flag as a dynamic,independent type keyboard as input,displaying system information by the LED.The system make the chip microcomputer of I/O mouthes’signal to the stepping motor controller,and then control motor are turning and reverse.the pulley transmission device to complete the flag-raising and the flag of surrender. The system can realize the following functions:Press the up button, the flag rise at a constant speed, and playing the national anthem,the flag can stop at the most high; Press the button down,the national flag down, when flag down,it is not put the national anthem. In the bottom,it can automatically stop,so that the operation is simplification.motor drives'function is the rise and fall of flag , this buttons is:the up button、the down button、the reset button、the stop button, etc.The flag raising time is 43 seconds, and at the same time,the flag rise to the top. When droping the flag it is not play the national anthem.the flag decline to the end.In order to avoid misoperation, the flag in the high doesn't work,when pressing button. and so does the flag of surrender.Key words: STC89C52,step motor,LED目录摘要 (I)ABSTRACT (II)目录 (III)1 引言 (1)1.1选题背景 (1)1.2自动控制升降旗系统国内外发展状况 (1)1.3选题的目的和意义 (2)2 升降旗控制的方案选择与论证 (3)2.1升降旗电机的选择与论证 (3)2.2电机驱动方案的选择与论证 (3)2.3语音部分方案的选择与论证 (4)2.4显示方案比较 (4)2.5键盘的比较与选择 (5)2.6总体电路框图设计 (5)3 系统各主要单元设计 (7)3.1单片机电路设计 (7)3.1.1 单片机发展概况及发展方向 (7)3.1.2 单片机的特点及应用 (8)3.1.3 单片机STC89C52特点及结构 (8)3.1.4 复位电路设计 (10)3.2步进电机电路设计 (11)3.2.1 步进电机的发展状况 (12)3.2.2 步进电机的特点 (12)3.2.3 步进电机的具体控制方法 (13)3.3步进电机驱动电路设计 (14)3.4显示电路设计 (17)3.4.1 数码管结构及代码显示 (17)3.4.2 数码管驱动电路 (19)3.5语音电路及继电器电路设计 (22)4 升降旗系统软件设计 (26)5 安装与调试 (32)结论 (35)参考文献 (36)致谢 (37)附录A 电路原理图1 (38)附录B 电路原理图2 (39)附录C 实物图 (40)附录D C语言程序代码 (41)附录E 材料清单 (45)1 引言单片机从出现以来,以其极高的性能价格比,受到人们的重视和关注,应用很广、发展很快。
腴件什茨与恚用信慝与电脑China Computer&Communication2020年第22期基于STC8952单片机的国旗自动升降系统庞超雷瑶(北京师范大学珠海分校,广东珠海519087)摘要:使用单片机系统控制的国旗自动升降系统,在运行时速度均匀,控制统一,可以避免国歌与国旗上升步调不一致,降低了天气等环境对升旗的不利影响,保证了升旗能够顺利升降。
国旗升降系统不仅提高了升旗的可靠性,还提高了对不同环境的适应能力,使得升旗仪式变得更智能、更灵活。
关键词:国旗自动升降;智能控制;自动化;单片机中图分类号:TP368.12文献标识码:A文章编号:1003-9767(2020)22-094-03Flag Automatic Lifting System Based on STC8952MicrocontrollerPANG Chao,LEI Yao(Zhuhai Campus of Beijing Normal Univers让y,Zhuhai Guangdong519087,China) Abstract:The automatic flag lifting system controlled by the single-chip microcomputer system has uniform speed and unified control during operation,which can avoid the inconform让y between national anthem and national flag raising,reduce the adverse impact of weather and other environments on flag raising,and ensure the smooth progress of flag raising.At the same time,it also reduces the use of manpower.The operation is very simple,and the use of digital control makes the operation more intuitive.The flag raising system improves the reliability of flag raising,improves the adaptability to different environments,and makes the flag raising ceremony more intelligent and flexible.Keywords:automatic flag lifting;intelligent control;automation;single chip micyoco1设计方案与原理1.1功能设计国旗升降系统由单片机和相关硬件构成,通过单片机控制电机的启动和停止。
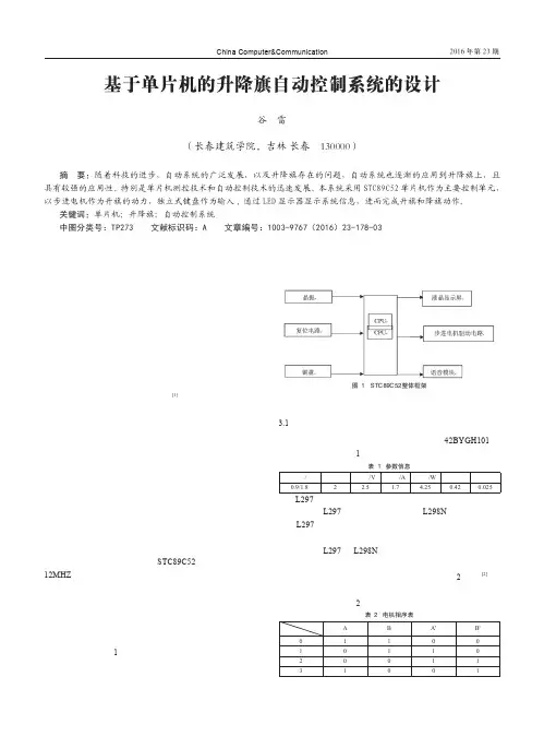
图1 STC89C52整体框架3 硬件电路设计3.1 驱动电路设计本系统所用的电机型号为永磁感应子式42BYGH101电机,其参数信息如表1所示。
表1 参数信息步距角/度相数电压/V电流/A功率/W静转矩定位转矩0.9/1.82 2.5 1.7 4.250.420.025L297集成电路用于两相步进电机或四相步进电机的驱动控制。
通过L297发送相关信号可控制L298N芯片工作。
在使用L297芯片时,用户只需要控制时钟、方向、模式输入信号,就可以实现步进电机的驱动控制,大大简化了程序设计的复杂性。
采用L297与L298N集成芯片的组合,对步进电机进行驱动控制,可以提高步进电机运行可靠性,降低成本,提高步进电机的定位精度。
步进电机驱动电路如图2所示[2]。
本系统采用两相双四拍工作方式,下面给出系统的两相双四拍相序表,如表2所示。
表2 电机相序表相A B A'B'顺序01100101102001131001语音模块的设计思想是利用单片机的软件编程控制扬声器播放国歌语音代码实现的,由于设计中采用的是三极管驱动8Ω/0.5W 的扬声器发声,需要的功率过大,而普通的三极管不能承受很高的电流,容易在电路中烧坏;如果在电路中接入限流电阻,又不能满足驱动扬声器的条件,或者扬声器声音过小,都不能达到设计的要求。
为了解决这个问题,在设计采用大功率的MOS 管TIP122实现。
TIP122引脚如图3所示。
图4所示的是三极管TIP1122的内部连接图,R1=5千欧,R2=150欧。
由图可以看出,这是一个集成的放大型NPN 管,它是由两个NPN 型普通三极管经过二级放大形成的,使得稳定系数更高,且放到倍数也加倍,各方面参数都有所提高具体的电参数如表3所示。
通过单片机的口输出脉冲信号,具体电路设计如图5所示。
表3 三极管TIP122的电参数表符号参数极性数值单位NPN TIP120TIP121TIP122PNPTIP125TIP124TIP125VCBO 集电极-基极电压(IE=0)6080100VCEO 集电极-发射极电压(IB=0)6080100VEBO 发射极-基极电压(IC=0)5IC 集电极电流5ICM 集电极峰值电流8IB 基极电流0.1Ptot 耗散功率Tcase ≤25℃65Tamb ≤25℃2Tstg 贮藏温度-60~150Tj 最高工作结温150hFE放大倍数100根据步进电机工作电压(2.5V )及工作电流(1.7A ),系统通过STC89C52单片机P2.0与P2.1引脚输出相应的控制信号,实现步进电机的启停、速度调节和换向等功能。
湖南人文科技学院课程设计报告课程名称:单片机原理及应用课程设计设计题目:自动控制升降旗装置系别:通信与控制工程系专业:通信工程指导教师评语:指导教师签名:年月日成绩评定项目权重成绩邓晓雄王成胡楚煊1、设计过程中出勤、学习态度等方面0.22、课程设计质量与答辩0.53、设计报告书写及图纸规范程度0.3总成绩教研室审核意见:教研室主任签字:年月日教学系审核意见:主任签字:年月日摘要本系统采用单片机STC89C52作为自动控制升降旗系统的检测和控制核心,采用由单片机控制的步进电机带动国旗升降,实现对国旗升降的自动控制。
该电路主要由电机驱动控制模块、键盘与显示模块及语音模块几个部分组成。
电机驱动控制模块采用集成驱动芯片ULN2003L,采用键盘作为输入控制和数码管作为输出显示,语音模块采用报警蜂鸣器(LS)电路。
关键字:步进电机;自动控制;语音;数码管显示;按键目录设计要求 ................................................... 错误!未定义书签。
1 方案选择与论证 ........................................... 错误!未定义书签。
1.1电机的选择与论证...................................... 错误!未定义书签。
1.2 电机驱动方案的选择与论证 ............................. 错误!未定义书签。
2 自动控制升降旗整体电路设计................................ 错误!未定义书签。
2.1整体电路原理.......................................... 错误!未定义书签。
3 单元电路设计 ............................................. 错误!未定义书签。
3.1 步进电机电路的设计 ................................... 错误!未定义书签。
基于STC89C52单片机的国旗自动升降系统设计系部名称:自动化系专业班级:自动化学生姓名;胡磊指导教师: 佟春生教授摘要:本设计以STC89C52单片机为系统控制和检测核心,利用单片机控制步进电机,实现了国旗的升降的自控系统设计。
硬件设计主要包括电机驱动、按键、LCD显示、语音模块、电源电路等几个部分。
该系统能够实现的功能:按下升旗按键,红色LED指示灯亮,步进电机正转,国旗匀速上升,并伴随国歌演奏,到达旗杆顶端自动停止,国歌播放完毕;按下降旗按键,绿色LED指示灯亮,步进电机反转,国旗开始下降,且不演奏国歌,国旗到达旗杆底部自动停止;在升旗和降旗过程中LCD会实时显示国旗的高度。
软件编程采用KEIL软件,利用C语言,为系统编写了一套完善的程序,实现了自动升降国旗。
该系统具有操作简单、维护方便、体积小、成本低等特点。
关键词:国旗升降;STC89C52;步进电机;语音模块Flag automatic lifting system design based on STC89C52 single-chipmicrocomputerAbstract:This design takes single chip microcomputerSTC89C52 as the system control and the detection core, using the monolithic computer to control the step motor, and realized the automatic control system design of the national flag raising and lowering. The hardware design mainly included the motor drive, button, LCD display, voice module, power circuit, and so on. The system could realize the following functions: when pressing the raising flag button, red LED indicator lighted, stepper motor corotated, flag was raised at a constant speedand with the national anthem, when arrived at the top of the flagpole automatic stop, the national anthem finished; when pressing the lowering flag button, the green LED lighted, the stepper motor revered, flag began to lower anddid not play the national anthem,flag would automatic stop when arrived at the bottom of the flagpole; during the period of raising and lowering, LCD would display the heightof flag real-time. A complete set of procedures was wrote with the help of KEIL software and C languageand automatic raising and loweringof national flag was achieved. The system has the advantages of simple operation, convenient maintenance, small size, low cost and so on.Key words:National flag raising and lowering; STC89C52;Stepping motor;V oice Model。
基于STCC单片机的国旗自动升降系统设计1.引言国旗作为一种象征国家主权和民族尊严的标志,经常在特殊场合、庆典活动中使用。
为了方便、准确地升降国旗,设计了一种基于STCC单片机的国旗自动升降系统。
本设计旨在通过电机控制和传感器检测,实现对国旗的自动升降功能。
本文将详细介绍该系统的整体设计和关键部分的实现。
2.系统设计2.1系统结构国旗自动升降系统主要由以下部分组成:电机驱动模块、传感器模块、控制模块和电源模块。
2.1.1电机驱动模块:电机驱动模块根据控制模块的指令,通过控制电机的正反转、定时转动等功能,实现对国旗的升降操作。
在设计中可以采用直流电机或步进电机作为驱动电机。
2.1.2传感器模块:传感器模块用于检测国旗的当前状态,包括升降位置和升降速度等。
常用的传感器有限位开关、光电开关、光电编码器等。
2.1.3控制模块:控制模块采用STCC单片机作为核心,根据传感器模块的反馈信号,控制电机的运行状态和转动角度。
同时,控制模块还与用户交互,接收用户输入的指令,如升降控制、速度调节等。
2.1.4电源模块:电源模块为系统提供所需的直流电源,包括电压稳定和过载保护等功能。
2.2关键部分设计2.2.1电机驱动设计:在电机驱动模块中,需要通过电机驱动器来控制电机的运动。
可以选择L298N模块作为电机驱动器,实现电机的正反转和速度调节功能。
为了保证电机运行的平稳性,可以通过PWM技术控制电机的转速。
2.2.2传感器选择和位置布置:根据实际情况选择合适的传感器,并合理布置在国旗自动升降系统的关键位置。
通过限位开关检测国旗的升降位置,通过光电开关或光电编码器检测国旗的升降速度。
2.2.3控制算法设计:控制算法主要包括运动控制和用户交互处理两部分。
在运动控制方面,可以通过PID控制算法控制电机的转动,实现对国旗升降位置的精确控制。
在用户交互方面,可以通过LCD显示屏和按键设计,接收和处理用户输入的指令。
3.系统实现在实现方面,可以按照以下步骤进行:3.1硬件搭建根据设计要求,搭建国旗自动升降系统的硬件结构,包括电机、传感器和控制模块等。
黑龙江东方学院毕业论文(设计)题目:基于单片机的自动升降旗系统设计学生姓名王梓学号09102326专业电气工程及其自动化班级2009级3班指导教师王强学部计算机科学与电气工程答辩日期2013年5月18日黑龙江东方学院本科生毕业论文(设计)评语(一)黑龙江东方学院本科生毕业论文(设计)评语(二)黑龙江东方学院本科生毕业论文(设计)评语(三)黑龙江东方学院本科生毕业论文(设计)任务书基于单片机的自动升降旗系统设计摘要本设计是关于自动控制升降旗系统的设计。
本着实用、调整控制方便、功能完善等方面的原则。
在步进电机的驱动电路上直接选用了模块化的控制器,大大减轻了CPU的负担,也完全符合快速设计的原则。
本系统设计了实现精确定时的时钟电路和用于掉电保护的存储电路,同时还设计了功能齐全的键盘/显示电路和使国旗飘扬的鼓风电路以及遥控电路[1]。
该系统具有以下特点:可按键、可遥控自动控制升旗和降旗,并在任意指定位置自动停止,升旗过程中能准确与国歌乐曲同步;实现半旗状态的功能;具有断电保护功能;升降速度可调功能;还具有无线遥控的作用等特点。
需要设定的升、降过程以及半旗状态是通过按键实现,并能显示上升或下降时间和旗帜所在高度。
本系统的创新点包括:防止升降旗过程中出现冒顶系统;国旗到达顶点时,旗面保持迎风飘扬而不缠杆。
在实现以上功能的过程中,升降旗时间在30~120秒内可调,通过改变步进电机的转动速度来改变旗帜上升或下降的速度,并通过LCD显示上升或下降时间和旗帜所在高度[2]。
关键词:单片机;步进电机;接近开关Design of automatic flag raising system based on MCUAbstract2008 years ago, according to a report on Beijing, tianjin stadium flag-raising facilities according to the survey, most of the stadium is still using manual hoist a flag. Developed in recent years, although some flag auto control system,but the stadium and stable operation of the control system in large noise degree is not high, in addition to storage in general, data can not add the national anthem.This design is about the automatic control of the raising of the flag system design. In line with the practical, easy to adjust the control principle, function perfect, etc. In stepping motor driver circuit USES modular controller directly, greatly reduce the burden of the CPU, also completely accords with the principle of rapid design. This system was designed to realize precise timing clock circuit and storage circuit for power lost protection, but also design a fully functional keyboard/display circuit and make the national flag fluttering blast circuit and control circuit.The system has the following features: buttons, remote automatic control flag raising and lowering, and in any specified position automatically stop, accuracy and the national anthem during a flag-raising music synchronization; To realize the function of half-mast state; Has the power-off protection function; Speed adjustable function; Also have the function of the wireless remote control, etc. Need to set the process of ascending, descending and half-mast state is achieved by buttons, and can display up or down time and flag the altitude. Innovation points of this system include: to prevent rising flag appeared in the process of roof caving system; Highlighted flag when it reaches the top, keep the flies without tie rod. , in the process of realizing the function of above flag rise time is adjustable in 30 ~ 120 seconds, by changing the rotation of the stepper motor speed to change the flag rising or falling speed, and through the LCD display up or down time and flags in height.Keywords:Single chip microcomputer; Stepping motor; Close to the switch目录摘要 (I)Abstract ........................................................................................................................................ I I 第1章绪论 (1)1.1 自动控制系统简介 (1)1.2 自动控制系统的特点 (1)第2章总体设计方案 (3)2.1 主控制器模块的选择 (3)2.2 电机的选择 (3)2.3 电机驱动方案的选择 (4)2.4 语音芯片的选择 (4)2.5显示方式的选择 (4)2.6 红外接收的选择 (4)2.7 本章小结 (5)第3章硬件设计 (6)3.1 系统整体思路 (6)3.2 主控制器模块 (6)3.3 L298电机驱动模块 (7)3.4 语音模块 (9)3.5 外部存储电路 (10)3.6 无线遥控电路 (11)3.7 定时电路的设计 (11)3.8 接近开关电路的设计 (12)3.9 本章小结 (13)第4章软件设计 (14)4.1 主程序流程图 (14)4.2 升旗子程序 (15)4.3 半旗状态子程序 (16)4.4 时间和高度调整子程序 (16)4.5 本章小结 (18)结论 (19)参考文献 (20)附录 (21)致谢 (22)1.1自动控制系统简介近些年来,随着高云会及各种大型国际赛事的开展,升旗仪式已成为一个必备的环节。
升降旗控制系统设计报告摘要升降旗控制系统是以单片机STC89C51为控制核心的自动控制系统。
该系统由主控制器、键盘输入模块、液晶显示模块、电机、电机驱动模块、语音模块、时钟芯片DS1302、存储电路等部分构成。
该系统能够实现国旗的自动升降控制、在指定位置自动停止、在上下极限位置具有防超限功能、升降旗的时间与国歌的演奏时间吻合。
除此之外本系统还可通过键盘上的数字按键,预置国旗在旗杆上的停止位置;键盘上设置了升降旗的时间调整按键,可以调整升降旗的速度;使用液晶显示屏可以直观的看到升、降旗的高度变化过程及工作时间;使用编码器进行高度测量,其控制精度上可以达到毫米级。
关键词:单片机自动控制电机驱动模块语音模块 DS1302目录一、方案的选择与论证 (4)1.1 主控制器模块的选择 (4)1.2 电机的选择 (4)1.3 电机驱动方案的选择 (5)1.4 键盘和数码管接口方案的选择 (5)1.5 语音芯片的选择 (5)1.6 显示方式的选择 (6)1.7 时钟方案的选择 (6)二、硬件电路设计 (7)2.1 系统整体设计思路 (7)2.2 主控制器模块 (7)2.3 电机驱动模块 (8)2.4 语音模块 (8)2.5 存储电路 (9)2.6 时钟电路 (10)2.7 LCD12864显示电路 (10)三、软件设计及参数计算 (12)3.1 主程序设计 (12)3.2 按键控制子程序设计 (13)3.3 掉电数据处理程序设计 (13)四、系统测试 (14)4.1 测试仪器 (14)4.2 指标测试 (14)五、结论 (15)六、参考文献 (15)七、附录 (16)附录1 LCD程序清单 (16)附录2 HD7279模块清单 (21)附录3 PWM调速程序清单 (26)附录4 原理图 (31)一、前言近些年来,随着奥运会及各种大型国际赛事的开展,升旗仪式已成为一个必备的环节。
以往的手动升国旗,无论升旗手有多么熟练,都难免出错,比如在国歌刚刚奏完时,旗子升到顶端。
自动控制升降旗系统设计报告参赛者:指导教师:院校:摘要:该系统采用宏晶的STC89C51RC 8 位单片机作为主控器,步进电机作为运动驱动电路,4X4 键盘作为系统的输入,通过LED显示器输出系统的各种信息(实时时钟、过期的高度、升旗的时间、模式)。
该系统的工作过程有键盘控制,通过键盘选择功能键和数字键输入单片机,系统发出信号到电机控制器控制步进电动机的动作,通过滑轮的传动完成升旗和降旗。
升降旗过程中能实时显示国旗的高度和时间,且升降旗的速度可调;国旗能在指定位置自动停止。
可由按键控制半旗状态,并用单片机内扩展的EXTRAM 实现掉电保护。
关键字:SH-2H042Mb 驱动器、自动升旗、EXTRAM、实时时钟。
一、方案比较及论证1、主控器型号的比较与论证:采用STC89C51 作为主控器,该单片机采用MCS-51 内核,3.8V—5.5V的工作电压,4K 的程序存储器,512B 的数据存储器,其中包括128B 的EXTRAM,0—80MHZ 的晶振频率,32 个可编程I/O,八个中断源,三个定时器,双数据指针,自带看门狗。
2、电机的比较与论证:采用步进电机。
步进电机是一种脉冲控制电机,它是一种能将脉冲信号转换为角位移的数模转换器,可广泛用于无需反馈控制但要求有精确位置的场合。
3、电动机驱动模块的比较与论证:根据题目的要求,选用两相步进电动机,步进电动机是纯粹的数字控制电动机,有很好的控制精度。
易于起停、正反转及变速。
电动机的驱动方法我们比较了以下两种方案:选用SH-2H042Mb 驱动器。
SH-2H042Mb 的细分数为2、5、10、20、40,可以通过拨码开关设置细分数。
当步进电机细分数达到32 以上时,基本就没有低频振动的问题了。
而且,该驱动器使用方便,可驱动所有42 型电机或者相电流在1.7A 以下的57 型电机。
4、键盘的选择与论证:采用4X4 键盘,电路如下图:该方案优点为扫描次数较少,缺点为占用较多的I/O 口,与上一个方案相反。
精品文档毕业设计开题报告精品文档.精品文档精品文档.精品文档L298作为电机驱动的核心。
因为本在本设计拟采用集成驱动芯片L298桥集成电机芯片,利用该芯片是实现驱动步进电机的一种简H是恒压恒流双,可精确控制步距和速度,2A单方法, 可时控制四相电机,且输出电流可达到利用该方法设计的步进电机驱动系统具有硬件结构简单、软件编程容易的特点,能够满足该设计的要求。
、电源3的供电电压与步进电机的供电电压都是五伏,所以在此STC89C2单片机需要设计一个五伏的电源,五伏电源主要包括四个部分:降压、整流、滤波、,远大于我们所需电压幅值,必须220V稳压、输出。
由于输入的市用电压为把电压降低,直接用一个变压器即可达到降压的目的。
降压后,电压为交流电压,而最终得到的是直流五伏电源,所以必须利用整流桥进行整流形成直流。
而此时的直流并非稳定的直流,它是一个周期性的震荡曲线。
要减弱这种振荡幅度,最简单的滤波方法就是用电容,利用电容的充放电特性。
输入,电容放电,此时,放电未完又再次充电,输入的U1>U2,电容的U1<U2C 就开始充电,同时,充电未完又再次放电,由此类推,不断放电充电,滤C使用大电容在到的正电压之间波动变化,且波动幅度变缓,波后的电压为U2 值的电容滤波此幅度波动更平缓,且多次滤波使直流的纹波更小。
4、语音芯片秒钟,所以选用的语音芯片其录放43因为本设计要演奏国歌,其时间为完秒,其录放时间为60ISD2560时间应大于43秒钟,即在此选用语音芯片,语音芯片中,然后用它的单次播放ISD2560全符合要求,把国歌音乐录制在输出播音控制、当升旗键按下时,ISD2560功能播放国歌。
其控制原理为:A当降国歌播放完毕;43s信号播放国歌,国旗经的时间匀速上升至旗杆顶端,ISD2560、在半旗状态时,当升旗键按下时,对旗键按下时,不播放国歌。
B的时间匀速从最低端上升到最顶端之国旗经43s输出播音控制信号播放国歌,高度处停止;2/3后,国歌停奏,然后自动经14s的时间匀速下降到总高度的当降旗键按下时,不播放国歌。
国旗升降系统开题报告国旗升降系统开题报告一、引言国旗是一个国家的象征,代表着国家的尊严和荣誉。
在许多场合,如国庆节、重要会议等,国旗的升降仪式是必不可少的环节。
然而,传统的国旗升降方式通常需要人工操作,存在一定的安全隐患和效率低下的问题。
因此,我们决定开发一种自动化的国旗升降系统,以提高国旗升降的安全性和效率。
二、系统设计1. 系统概述我们的国旗升降系统将采用先进的自动化技术,实现国旗的自动升降。
系统由主控制器、电动机、传感器和控制面板等组成。
主控制器负责接收指令并控制电动机的运行,传感器用于监测国旗的位置和状态,控制面板提供操作界面供用户使用。
2. 功能设计系统具备以下主要功能:- 自动升降:用户可以通过控制面板选择国旗的升降方式,系统将自动完成相应动作。
- 安全保护:系统内置多种安全保护机制,如过载保护、防撞保护等,确保国旗升降过程中的安全性。
- 状态监测:传感器可以实时监测国旗的位置和状态,确保国旗升降的准确性和稳定性。
- 远程控制:系统支持远程控制功能,用户可以通过手机或电脑等设备远程操作国旗的升降。
3. 技术实现系统将采用嵌入式技术和物联网技术实现。
主控制器将使用高性能的嵌入式处理器,具备强大的计算和控制能力。
电动机将采用直流无刷电机,具备高效、低噪音和可靠性的特点。
传感器将采用光电传感器和压力传感器,用于监测国旗的位置和状态。
控制面板将采用触摸屏技术,提供直观、易用的操作界面。
三、市场分析国旗升降系统具有广阔的市场前景。
目前,许多场所都需要国旗升降,如政府机关、学校、企事业单位等。
传统的国旗升降方式存在安全隐患和效率低下的问题,因此,自动化的国旗升降系统将成为市场的需求。
此外,随着人们对生活品质的要求提高,自动化设备的需求也在不断增加。
国旗升降系统作为一种新兴的自动化设备,将受到更多人的关注和需求。
四、竞争分析目前市场上已经存在一些国旗升降系统的产品,但大多数产品仍然采用传统的人工操作方式,存在安全隐患和效率低下的问题。
摘要该简易国旗升降装置以STC89C52RC单片片机为核心,由42-BYG2100-48 步进电机作为动力驱动实现国旗的自动升降。
该装置具备控制精度高,易于控制,使用方便等优点。
该装置由CPU 模块、步进电机驱动模块、语音模块、液晶显示模块、数据保存模块和键盘控制模块组成。
CPU 模块为主控模块,步进电机驱动模块主控芯片采用东芝公司的TB6560AHQ 芯片,实现对步进电机的驱动达到升降国旗的功能,语音模块用于在升国旗的同时播放国歌,液晶显示模块采用1602 液晶,用于及时显示国旗所在的高度和感性的显示电机转速,数据保存模块由E2PROM 器件AT24C02 构成,通过I2C 通信协议实现断电国旗的高度保存功能,键盘模块用于用户对本装置的控制。
设计要求设计并制作一个自动控制的升降旗装置,该系统能够自动控制升旗和降旗,升旗时,在旗杆的最高端自动停止;降旗时,在最低端自动停止。
基本部分1.按下上升按键后,旗帜匀速上升,同时流畅地播放歌曲,上升到最高端时自动停止上升,歌曲停奏;按下下降按键后,旗帜匀速下降,降旗的时间不放歌曲,下降到最低端时自动停止;2.旗帜在最高端,上升按键不起作用;在最低端时,下降按键不起作用;3.升降旗的时间均为43 秒,与国歌的演奏时间相等;4.即时显示旗帜所在的高度,以cm 为单位,误差不大于2cm。
扩展部分:1.重新合上电源后,所显示的旗帜高度数据不变;2.要求升降旗的速度可调整,调整范围是5.375-21.5秒钟(除43 秒外,其他时间可与国歌不同步);3.在最高升降速度下(以自选的电机参数定),能在指定的位置上自动停止,定位误差≤±2cm1 。
1 方案论证与对比1.1 方案一主控芯片采用STC89C52 单片机,驱动马达采用直流电机。
由于直流电机需采用PWM 脉宽调制实现对其调速,PWM 脉宽调制电机速度很难精确的计算,所以高度控制误差就大。
因此需采用测速发电机进行测速,然后经过模数转换实现数据的采集再送CPU 通过相应的算法实现高度控制。
自动升国旗控制系统设计与实现摘要在电子技术快速发展的背景下,自动控制升降旗系统应运而生,该系统的应用有效的解决了传统升降方法的弊端,能够确保国旗移动步调与国歌演奏保持一致,同时也能排除环境等因素带来的不良影响。
自动控制升降旗系统不但可以有效地提升升旗效率,同时也能为国旗升降仪式的成功完成提供更大的保障。
在使用该系统的过程中,核心内容是对电机转动进行控制,如今步进电机的应用频率相对较高。
考虑到步进电机系统有较高的控制精度,控制方式相对简单,具有更高的数字化程度,所以应用范围也较大,如今在电机组件中发挥着无可取代的作用。
步进电机的控制是通过单片机实现的,因此电机的设计也较为简单。
随着技术的快速发展,现代升降系统也越来越智能,柔韧灵活性逐渐增大。
通过在设计升降系统的过程中使用单片机,能够更好地达到机电一体化控制的目标,切实的提升升降系统的稳定性,使系统具有更高的自动化水平。
关键词:自动升国旗系统;单片机;设计引言升国旗是一个国家主权的重要象征,同时也是国威和尊严的一种表现形式。
通过举办升旗仪式,不仅能够发挥一定的教育作用,同时也有助于增强公民的团体意识和爱过意识;是重要的衡量公民爱国爱党的重要标志;能够体现出公民的素质水平。
因此,不能以简单的方式对升旗仪式进行解读,这不仅仅是一种活动的表现形式,更是一种庄严的活动。
我国在举办升旗仪式的过程中,需要根据现有的《中华人民共和国国旗法》中的相关内容举行。
由于传统的国旗升降是通过手动或电机转动的方式来实现,其中存在多种弊端,例如无法有效的消除开关误差、无法确保国歌播放时间与升旗步调保持一致等。
除此之外,很容易出现操作失误等情况,进而导致陷入尴尬的局面,对升旗仪式的庄严性带来了一定的不良影响。
在科技水平快速提升的背景下,目前自动控制系统的应用范围越来越广,特别是在单片机的应用,为工业电子设备、机器人以及医疗设备的改进,带来了更多的福音。
单片机的优点主要包括体积小、灵活性高、质量轻、价格低廉、有较强的抗干扰能力等,因此目前也逐渐得到了广泛的应用。
基于stc89c52单片机的国旗自动升降系统设计基于stc89c52单片机的国旗自动升降系统设计太原工业学院毕业设计目录 1 引言 1 1.1 国旗自动升降系统国内外发展状况1 1.2选题目的和意义2 2 整体设计方案与理论分析3 2.1 系统装置理论分析3 2.2 电机的选择可以有两种方案3 2.3 电机驱动选择方案4 2.4 语音部分方案的选择与论证4 2.5 单片机选择方案5 2.6 LCD显示选择方案5 2.7 按键的选择方案6 3 系统硬件设计7 3.1 STC89C52单片机及相关电路7 3.1.1STC89C52单片机概述7 3.1.2晶振电路9 3.1.3复位电路10 3.2电机驱动模块10 3.3步进电机控制方法11 3.4升降旗按键与指示灯电路设计13 3.5液晶显示电路13 3.6语音模块电路设计16 4 系统的软件设计17 5 结论19 致谢20 参考文献21 附录一元件清单22 附录二系统原理图和PCB23 附录三实物图25 附录四国旗自动升降控制系统源程序26 第Ⅰ页共Ⅰ页 1 引言升国旗代表了国家的主权和独立的象征,对于一个国家的尊严和国威具有重大意义。
举行升旗仪式是对每个公民进行爱国主义教育、国旗意识教育、团体意识教育的重要途径;也是衡量一个公民是否心存国家观念、爱国、爱党的标志;同时也能衡量公民的素质。
所以,升旗仪式绝对不可以理解为形式主义,而是一项十分庄严、严肃的团体活动。
升旗仪式应该严格按照《中华人民共和国国旗法》的规定升降国旗。
但是传统形式上的手动升降国旗或者单纯意义上的电机转动来升降,显现出了很多弊端,比如,升旗不能与国歌同步,不能接近开关检测防止误差等。
有时一些错误的操作可能会出现一些尴尬局面,严重影响了庄严的升旗仪式。
随着现代科技的进步,自动控制系统已经逐渐广泛应用,尤其是单片机应用的普及,它以其极高的性价比,受到人们的重视和关注。
单片机具有体积小、重量轻、功能强、抗干扰能力强、价格低廉、灵活性好、较易开发等优点。
毕业设计开题报告
本课题要研究或解决的问题和拟采用的研究手段(途径):
一、课题来源及研究的目的和意义
随着现代科技的不断进步和发展,自动控制智能系统广泛应用于各个领域,如机器人、工业电子自动化设备、医疗、广告、舞台灯光、印刷、计算机外部应用等,因此对自动控制系统的研究具有重要的现实意义和实用意义。
同时,升旗代表一个组织或团体独立和尊严的重要标志旗帜作为代表团体和国主权和独立的象征,就有重大的意义。
举行升降旗仪式是对每个公民进行爱国主义教育、国旗意识教育,团体意识教育的重要途径;是衡量一个公民是否心存国家观念,是否爱国的重要标志;同时在相当程度上也成为衡量国民素质的重要标准。
因此举行升降旗仪式绝不是一种形式,而是一项十分庄重、严肃的活动。
五星红旗是中华人民共和国的标志和象征。
尊敬国旗体现着维护国家的尊严。
升降国旗是一件严肃的事情。
严格按照《中华人民共和国国旗法》要求升降国旗。
通过升降国旗仪式使学生受到直接的爱国主义教育,增强国家和民族观念。
然而,由于各种条件的限制,国旗的自动控制的应用还不够广泛,有些升降仪式完全是手动的,有些只是单纯的电动机转动,而不能与国歌的播放同步和自动控制,更不能接近开关的检测防止误差,容易让严肃的升旗仪场面变得难堪。
随着科技的进步,自动系统的广泛发展,以及升降旗存在的问题,自动系统也逐渐的应用到升降旗上,且具有较强的应用性。
特别是单片机测控技术和自动控制技术的迅速发展,已经完全可以使用自动控制系统来完成国旗的升降控制,同时还可以达到国歌演奏何时能够将快慢的完美配合,从而可以避免由于人为操作带来的不协调等诸多问题,保证了升旗仪式的严肃性和庄重性。
二、本课题要解决的问题
1.了解单片机和步进电机知识。
2.完成基于单片机对步进电机的控制。
3.采用数字电路在国歌伴奏中与升旗同步。
4.采用按键方式对升旗、降旗和降半旗进行控制。
5.显示屏显示国旗处于的状态。
三、本设计装置主要元件器材
1、STC89C52单片机
STC89C52是一种低功耗、高性能CMOS8位微控制器,具有8K在系统可编程Flash存储器。
在单芯片上,拥有灵巧的8位CPU和在系统可编程Flash,使得STC89C52为众多嵌入式控制应用系统提供高灵活、超有效的解决方案。
具有以下标准功能:8k字节Flash,512字节RAM,32位I/O口线,看门狗定时器,内置4KBEEPROM,MAX810复位电路,三个16位定时器/计数器,一个6向量2级中断结构,全双工串行口。
另外STC89X52可降至0Hz 静态逻辑操作,支持2种软件可选择节电模式。
空闲模式下,CPU停止工作,允许RAM、定时器/计数器、串口、中断继续工作。
掉电保护方式下,RAM 内容被保存,振荡器被冻结,单片机一切工作停止,直到下一个中断或硬件复位为止。
最高运作频率35Mhz,6T/12T可选。
2、步进电机和驱动
步进电机是将电脉冲信号转变为角位移或线位移的开环控制元步进电机件。
在非超载的情况下,电机的转速、停止的位置只取决于脉冲信号的频率和脉冲数,而不受负载变化的影响,当步进驱动器接收到一个脉冲信号,它就驱动步进电机按设定的方向转动一个固定的角度,称为“步距角”,它的旋转是以固定的角度一步一步运行的。
可以通过控制脉冲个数来控制角位移量,从而达到准确定位的目的;同时可以通过控制脉冲频率来控制电机转动的速度和加速度,从而达到调速的目的。
本在本设计拟采用集成驱动芯片L298作为电机驱动的核心。
因为L298是恒压恒流双H桥集成电机芯片,利用该芯片是实现驱动步进电机的一种简单方法,可时控制四相电机,且输出电流可达到2A,可精确控制步距和速度,利用该方法设计的步进电机驱动系统具有硬件结构简单、软件编程容易的特点,能够满足该设计的要求。
3、电源
单片机STC89C2的供电电压与步进电机的供电电压都是五伏,所以在此需要设计一个五伏的电源,五伏电源主要包括四个部分:降压、整流、滤波、稳压、输出。
由于输入的市用电压为220V,远大于我们所需电压幅值,必须把电压降低,直接用一个变压器即可达到降压的目的。
降压后,电压为交流电压,而最终得到的是直流五伏电源,所以必须利用整流桥进行整流形成直流。
而此时的直流并非稳定的直流,它是一个周期性的震荡曲线。
要减弱这种振荡幅度,最简单的滤波方法就是用电容,利用电容的充放电特性。
输入的U1<U2,电容C放电,此时,放电未完又再次充电,输入的U1>U2,电容C就开始充电,同时,充电未完又再次放电,由此类推,不断放电充电,滤波后的电压为U2在到的正电压之间波动变化,且波动幅度变缓,使用大电容值的电容滤波此幅度波动更平缓,且多次滤波使直流的纹波更小。
4、语音芯片
因为本设计要演奏国歌,其时间为43秒钟,所以选用的语音芯片其录放时间应大于43秒钟,即在此选用语音芯片ISD2560,其录放时间为60秒,完全符合要求,把国歌音乐录制在ISD2560语音芯片中,然后用它的单次播放功能播放国歌。
其控制原理为:A、当升旗键按下时,ISD2560输出播音控制信号播放国歌,国旗经43s的时间匀速上升至旗杆顶端,国歌播放完毕;当降旗键按下时,不播放国歌。
B、在半旗状态时,当升旗键按下时,对ISD2560输出播音控制信号播放国歌,国旗经43s的时间匀速从最低端上升到最顶端之后,国歌停奏,然后自动经14s的时间匀速下降到总高度的2/3高度处停止;当降旗键按下时,不播放国歌。
5、按键和LCD显示
在本设计中拟使用了八个按键,分别用来控制升降旗和升降半旗及其切换,高度及时间的调节,显示部分采用液晶RT1602,因为在本设计中只要求显示时间与高度,可以不用中文显示,所以RT1602能后完全满足要求。
四、本课题拟采用的研究手段和步骤
1.系统硬件设计
本系统由单片机STC89C52作为升降旗系统的控制核心,实现键盘控制、液晶显示及语音等几个部分,即该系统主要包括电机驱动模块、键盘与显示模块、语音模块等几个部分。
现分别对各模块进行分析本系统的硬件框图如下图所示,按键对单片机执行命令,然后单片机对步进电机进行控制来达到国旗升降的目的,LCD能够显示国旗的当前状态,语音芯片是播放国歌且升旗的动作同步,当国旗升到顶部的时候,步进电机停止转动,语言芯片停止播放;当按下降旗按键时,步进电机反转,语言芯片静音,LCD实时显示国旗高度。
电源电路
STC89C52单片
机异步电机语音模块LCD显示
按键指示灯
2.系统软件设计
系统软件设计流程图如下图所示,本设计利用所学知识,拟采用C语言进行编程。
通电
初始化
掉电处理
扫描键盘
N
是否有键按下
Y
键处理。